рефераты
Главная

Рефераты по рекламе

Рефераты по физике

Рефераты по философии

Рефераты по финансам

Рефераты по химии

Рефераты по хозяйственному праву

Рефераты по цифровым устройствам

Рефераты по экологическому праву

Рефераты по экономико-математическому моделированию

Рефераты по экономической географии

Рефераты по экономической теории

Рефераты по этике

Рефераты по юриспруденции

Рефераты по языковедению

Рефераты по юридическим наукам

Рефераты по истории

Рефераты по компьютерным наукам

Рефераты по медицинским наукам

Рефераты по финансовым наукам

Рефераты по управленческим наукам

Психология и педагогика

Промышленность производство

Биология и химия

Языкознание филология

Издательское дело и полиграфия

Рефераты по краеведению и этнографии

Рефераты по религии и мифологии

Рефераты по медицине

Рефераты по сексологии

Рефераты по информатике программированию

Краткое содержание произведений

Реферат: Автоматизация процесса получения диоксида титана

Реферат: Автоматизация процесса получения диоксида титана

СОДЕРЖАНИЕ

Аннотация

1. Введение ........................................

2. Технология производства:

2.1 Описание технологического процесса ............

2.2 Технико-экономическое обоснование проектируемой

схемы автоматизации ...............................

2.2.1 Обоснование выбора параметров, подлежащих

контролю и регулированию ...........................

3. Построение математической модели и оптимизация

технологического процесса:

3.1 Выбор критериев оптимальности ................

3.2 Формализация технологического процесса .......

3.3 Блок схема алгоритма решения .......

3.4 Постановка задачи оптимального управления ....

3.5 Выбор метода поиска экстремума ...............

3.6 Описание и блок-схема алгоритма пробных шагов .

4. Описание нестандартных средств автоматизации ....

5. Экспериментальная часть:

5.1 Планирование и подготовка эксперимента .......

5.2 Проведение эксперимента ......................

6. Расчетная часть:

6.1 Аппроксимация переходных процессов ...........

6.2 Проверка аппроксимации переходных процессов ..

6.3 Расчет оптимальных настроек регулятора для

одноконтурной АСР ..................................

6.4 Расчет оптимальных настроек регулятора для

каскадной АСР ......................................

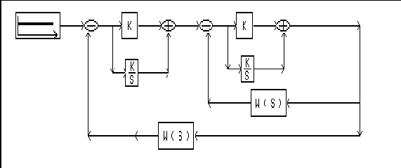
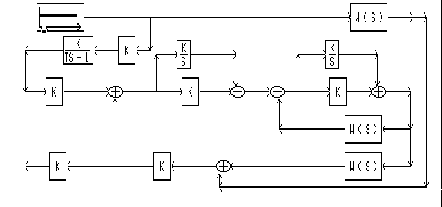
6.5 Расчет настроек регулятора комбинированной АСР .

6.6 Моделирование переходных процессов ...........

6.7 Анализ качества переходных процессов в

различных АСР ......................................

6.8 Реализация АСР ...............................

7. Описание монтажа средств автоматизации:

7.1 Общие сведения к монтажу первичных

преобразователей ...................................

7.2 Монтаж преобразователей ......................

7.3 Монтаж исполнительных механизмов .............

7.4 Порядок установки и монтажа Ремиконта Р-130 ...

8. Охрана труда и техника безопасности:

8.1 Охрана труда в России ........................

8.2 Свойства используемых и получаемых веществ ...

8.3 Классификация производства ...................

8.4 Санитарно-технические мероприятия ............

8.5 Мероприятия по технике безопасности ..........

8.6 Противопожарные мероприятия ..................

8.7 Расчет молниезащиты цеха .....................

9. Расчет технико-экономических показателей

производства .......................................

9.1 Выбор и обоснование дефективной стадии и цель

автоматизации на уровне стадии .....................

9.2 Оценка фактических и желаемых результатов ....

9.3 Расчет производственной мощности .............

9.4 Расчет инвестиции на автоматизацию ...........

9.5 Расчет изменения текущих затрат ..............

9.6 Определение срока окупаемости ................

10. Список используемой литературы .................


ОХРАНА ТРУДА И ТЕХНИКА БЕЗОПАСНОСТИ


Охрана туда в России:


Забота о создании безопасных и здоровых условий труда всегда находилась и находится в центре внимания и правительства и профсоюзов.

В статье 42 Конституции Российской Федерации закреплено неотъемлемое право российских граждан на охрану здоровья, а в статье 21 записано: “Государство заботится об улучшении условий и охране труда, его научной организации, о сокращении, а в дальнейшем вытеснении тяжелого физического труда на основе комплексной механизации и автоматизации производственных процессов во всех отраслях народного хозяйства.”


Охрана труда рассматривается как одно из важнейших социально-экономических, санитарно-гигиенических и экономических предприятий, направленных на обеспечение безопасных и здоровых условий труда.


Возможность создания безопасных и здоровых условий труда заложена в широком использовании достижений науки и техники. Кроме того, разработаны и введены в действие многочисленные правила техники безопасности, санитарии, нормы и правила, соблюдение которых обеспечивают безопасность труда. Ответственность за состояние охраны труда несёт администрация предприятий, организаций, учреждений.


В обеспечении здоровых и безопасных условий труда непосредственное участие принимают сами трудящиеся и профсоюзы. Администрация предприятий обязана обеспечивать надлежащее техническое оснащение всех рабочих мест и создавать на них условия работы, соответствующие правилам охраны труда, технике безопасности, санитарным нормам.


Новые возможности для улучшения условий и охраны труда на производстве представляет Закон Российской Федерации о трудовых коллективах и повышении их роли в управлении предприятиями, учреждениями, организациями. В нём четко определены полномочия трудовых коллективов в решении этих вопросов.


В соответствии со ст.105 Основ и ст. 249 КЗоТ Должностные лица, виновные в нарушении законодательства о труде и правил охраны труда, в невыполнении обязательств, включённых в коллективный договор и соглашения по охране труда, или в воспрепядствии деятельности профессиональных союзов, несут ответственность в порядке, установленным Российским законодательством. Должностные лица за указанные нарушения привлекаются к дисциплинарной, административной, уголовной ответственности (ст.249 КЗоТ).


Свойства используемых и получаемых веществ:


В процессе фильтрации воды от примесей “Ca” и “Мg” в фильтрах используются следующие вещества, это:

- химически чистая серная кислота, содержащая около 98% H2SO4

- едкий натр NaOH, белое непрозрачное, очень гигроскопичное вещество.

ПДК вредных веществ в воздухе рабочей зоны:

Наименование

ПДК мг/м3

Класс опасности

H2SO4

1

2

NaOH

0,5

2


Реагенты подвозят к цеху в цистернах, а затем перекачивают насосами в соответствующие ёмкости. В связи с этим в цехе проводятся следующие мероприятия по технике безопасности.

Мероприятия по технике безопасности:


Концентрированная серная кислота, растворы едкого натра Хранятся в стальных емкостях, которые имеют чёткие надписи с названием реагента. Эти ёмкости сообщаются с атмосферой посредством воздушников и имеют указатели уровня и переливные трубы. Слив кислоты и щелочи из железнодорожных цистерн производится через верхнее разгрузочное устройство с помощью вакуумных насосов.

Также должны выполнятся и следующие требования к оборудованию, т.е. все горячие части оборудования, трубопроводы, прикосновение к которым может вызвать ожоги, должны иметь тепловую изоляцию. Трубопроводы агрессивных сред должны быть герметичны. Элементы оборудования, арматура и приборы, требующие периодического осмотра, необходимо располагать в местах, удобных для обслуживания. Все пусковые устройства и арматура пронумерована и имеют надписи в соответствии с технологической схемой.

Рабочий персонал, обслуживающий данное производство снабжается спецодеждой (костюм, ботинки, сапоги, рукавицы, защитная каска, мыло). Кроме того на рабочем месте должны присутствовать индивидуальные средства защиты, это защитный фартук, противогаз марки В, БКФ.

При попадании кислоты на одежду её необходимо смыть обильной струёй воды, нейтрализовать 2-3% раствором соды и снова промыть. При попадании щелочи на одежду или на тело следует промыть водой, нейтрализовать 1% раствором уксусной кислоты и снова промыть водой.


Предложенный в данном дипломном проекте процесс нейтрализации кислых стоков обслуживается электрослесарями цеха АСУ. Они следят за ходом автоматизации данного технологического процесса, а также ими осуществляется наладка и ремонт оборудования, технологических защит, сигнализации и контрольно-измерительных приборов. Поэтому следует обращать внимание на правила техники безопасности при работе под напряжением до 1000V в щитовых установках КиП.

Для обеспечения электробезопасности применяют следующие технические способы и средства: защитное заземление, зануление, защитное отключение, изоляция токоведущих частей, оградительные устройства, блокировка, знаки безопасности, предупредительные плакаты, элекрозащитные средства.

При работе в действующих электроустановках пользуются основными и дополнительными защитными средствами. Основными являются изолирующие защитные средства, способные надежно выдерживать рабочее напряжение электроустановки. Это оперативные штанги, токоизмерительные клещи, диэлектрические перчатки, инструмент с изолирующими ручками и указатели напряжения.

Дополнительными являются изолирующие защитные средства, не рассчитанные на напряжение электроустановки и самостоятельно не обеспечивающие безопасность персонала. Поэтому эти средства применяют вместе с основными в виде дополнительной меры защиты. К ним относятся диэлектрические галоши, коврики, а также изолирующие подставки.

Все приборы, аппараты и приспособления, применяемые в качестве защитных средств, должны быть только заводского исполнения, выполненные и испытанные в соответствии с действующими нормативно-техническими документами.

Для обеспечения безопасности работ в действующих электроустановках выполняют целый комплекс организационных мероприятий:

- организуют инструктаж и обучение безопасным методам труда, проверку знаний правил техники безопасности и инструкций; допуск к проведению работ оформляется заполнением соответствующего наряда; работы должны проводится под контролем ответственного лица.

Технические мероприятия должны предусматривать:

- отключение установки от источника напряжения, снятие предохранителей и другие мероприятия, обеспечивающие невозможность ошибочной подачи напряжения к месту работы;

- установку знаков безопасности и ограждение остающихся под напряжением токоведущих частей, рабочих мест и др.

Запрещается наступать на оборванные, свешивающиеся или лежащие на земле, полу провода. При опасности возникновения несчастного случая необходимо принять меры по его предупреждению:

- остановить механизм, снять напряжение, оградить опасную зону, вывесить предупредительные плакаты. При возникновении несчастного случая следует немедленно приступить к оказанию пострадавшему первой врачебной помощи, сообщить о несчастном случае руководству и вызвать скорую медицинскую помощь.

Следует соблюдать правила личной гигиены:

- не хранить одежду на рабочем месте

- не одеваться и не раздеваться на рабочем месте

- не принимать пищу на рабочем месте.


Противопожарные мероприятия:


Все помещения и здания по взрывопожарной и пожарной опасности подразделяются на 5 категорий: А, Б, В, Г, Д. Помещение химводоочистки относится к категории “Д”, т.е. это помещение в котором обращаются негорючие вещества и материалы в холодном состоянии.

Всякий пожар легче всего ликвидировать в его начальной стадии, приняв меры к локализации очага, чтобы предотвратить увеличение площади горения. Успех быстрой локализации и ликвидации пожара в его начальной стадии зависит от использования соответствующих огнетушащих средств, наличие средств пожарной связи и сигнализации для вызова пожарной помощи. Кроме того каждый работающий должен уметь пользоваться первичными средствами пожаротушения и приводить в действие автоматические и ручные огнетушащие установки.

В целях ликвидации очагов пожара в цехе используются следующие средства пожаротушения:

- внутренний пожарный кран. Он снабжается рукавом, диаметр которого 50мм, длина 20м. В помещении имеется два пожарных крана

- огнетушители химические пенные типа ОХП-10

- в щитовой КИП используются порошковые огнетушптели типа ОПУ-2 (2шт.) и песок.

С целью своевременного оповещения о возникновении пожара действует система пожарной связи и оповещения. В данном случае это телефонная связь. На телефонном аппарате закреплена табличка с указанием номера телефона для вызова пожарной охраны.


Расчет молниезащиты цеха:


Молниезащита - это комплекс защитных устройств, предназначенных для обеспечения безопасности людей, сохранности зданий и сооружений, оборудования и материалов от ударов молнии.

Выбор защиты зависит от назначения здания или сооружения, интенсивности грозовой деятельности в рассматриваемом районе и ожидаемого числа поражений объекта молнией в год.

Здания защищаются от прямых ударов молнии молниеотводами. Молниеотводы состоят из молниеприемников и заземлителей. Они могут быть отдельностоящими или устанавливаться непосредственно на здании или сооружении. По типу молниеприемника их подразделяют на стержневые, тросовые и комбинированные. В зависимости от числа действующих на одном сооружении молниеотводов, их подразделяют на одиночные, двойные и многократные. В данном разделе рассчитан одиночный стержневой молниеотвод, имеющий зону защиты в виде конуса.






h h0


hx Rx

R0


Наибольшая высота h молниеотвода не должна превышать 150м. Соотношение размеров зоны защиты типа “Б” следующее:

- h0 = 0.92h

- R0 = 1.5h

- Rx = 1.5[h - (hx/0.92)]

При известной высоте защищаемого объекта - hx (она равна 10 метрам) рассчитывается радиус зоны защиты на этой высоте Rx по закону подобия треугольников:

подставляя в данное выражения соответствующие значения получим:

получается, что Rx = 16м. Тогда полная высота молниеприемника для зоны “Б” будет равна:

h = (Rx + 1.63hx)/1.5 = (16 + 1.63*10)/15 = 21.5(м)

Т.к. полная длина здания равна 70 метрам, то следовательно на крыше здания будут располагаться два молниеотвода.


Классификация производства


Производство цеха ХВО-2 не связано с применением оборудования, работающего под давлением, и применением взрывоопасных веществ. в производстве применяются серная кислота и едкий натр. При работе с ними необходимо тщательно предохранять кожу лица, рук, т.к. главным образом эти вещества наносят ожоги.

Степень огнестойкости корпуса цеха 3 класса.

Наименов.

отделения цеха

ХВО-2

Категория

взрывоопасности производства

Класс-я помещений и

наружных установок

по электробезопасн.

(ПЭУ-76)


Кате-

гория

смеси



Кл-я помещ.

по правилам

устройства

элктроустан

Группа взры

опасности

смесей по

правилам из

готовл.взры

возащ.обору

дования.


Отд.разг-

рузки


Д

непожаро-

взрывоопасно



-


-







Промплощадка ТЭЦ-2 размещается с ветреной стороны по отношению к селитебной части города. Город находится на расстоянии 4 км. от предприятия, хотя по санитарным нормам СН 245-71 min санитарно-защитная зона должна быть на расстоянии 1000м. от селитебной части города. Санитарно-защитную зону или ее части нельзя использовать для расширения территории предприятия. Для ограничения распространения пожара по территории предприятия необходимо соблюдать определенные расстояния между зданиями. За основу принята степень огнестойкости зданий и категория производства по взрывопожарной и пожарной опасности. Для здания 3-ей степени огнестойкости расстояние необходимо соблюдать до 12, 15, 18 метров. Минимальное расстояние от зданий и сооружений до открытых складов, а также между самими складами принимается в пределах 6-42 метров.


Санитарно-технические мероприятия


Т.к. в процессе работы цеха никаких выбросов вредных веществ не происходит, поэтому используется естественная вентиляция. Воздух перемещается под влиянием естественных факторов: теплового напора или действия ветра.

Бытовые помещения расположены в помещении цеха химводоочистки на 2,3 этажах. На 2-ом этаже расположена гардеробная для мужского персонала, на 3-м для женского. В каждой гардеробной имеется по одной уборной, с одним унитазом, имеется место для сушки волос. Предусмотрены шкафы для чистой и грязной одежды. В нижней и верхней части отделений шкафа имеются отверстия для проветривания. Шкафы расставлены на расстоянии между лицевыми сторонами 1.4 метра. В каждой гардеробной имеются душевые. Душевые оборудованы кабинами с 2-х сторон. Они отделяются перегородками, высотой 2 метра.


1.ВВЕДЕНИЕ


Известно, что ввод в экслуатацию систем управления современными сложными технологическими процессами, как правило, занимают относительно много времени, требуя для своего выполнения специальных бригад квалифицированного пуско-наладочного персонала. И несмотря на это, как свидетельствует опыт, в большинстве случаев принятые в эксплуатацию системы управления оказываются настроенными далеко не оптимальным образом, что влечёт за собой соответствующие (обычно скрытые, поскольку они специально не регистрируются) экономические потери, а также сократить сроки ввода систем управления в действие.

В процессе эксплуатации водоподготовительной обессоливающей установки ХВО-2 (химводоочистка) возникает необходимость в сбросе сточных вод, образующихся в результате регенерационных циклов водород-катионитовых и анионитовых фильтров, достигающих по количеству до 50% от производительности ВПУ

(водоподготовительной установки). В результате регенераций Н-катионитовых фильтров раствором серной кислоты образуются кислые стоки с “рН” ниже 6.5, а при регенерации анионитовых фильтров раствором едкого натра образуются щелочные стоки (рН=8.5).

По природоохранным нормам сточные воды должны удовлетворять требованиям нейтральной Среды, т.е. соответствовать рН=6.5-8.5. Процесс нейтрализации сточных вод до заданных величин не простой, требующий значительных затрат. Для удовлетворения таких жестких требований на ХВО-2 выполнена схема узла нейтрализации сточных вод с автоматизированной системой управления технологическим процессом (АСУ ТП).


9.РАСЧЕТ ТЕХНИКО-ЭКОНОМИЧЕСКИХ ПОКАЗАТЕЛЕЙ ПРОИЗВОДСТВА.


C целью уменьшения затрат на сырье, из технологических параметров в качестве объектов автоматизации выбираем ведущие (рисунок 9.1)



Fc Fг.п.

Вг.п.


Wc Wc1


рис.9.1 Выбор ведущих параметров.

где:

Fc-расход сырья (щелочи)

Wc-процентное содержание щелочи в растворе

Вг.п.-выход щелочных стоков

Fг.п.-расход щелочных стоков

Wc1-процентное содержание щелочи в растворе

В ранее существующей схеме подачи щелочных стоков на регенерацию фильтров (затем вся отработанная щелочь идет на нейтрализацию) предусматривалось ручное открытие задвижки РЩ с мерников щелочи NaOН (рисунок 9.2). Степень открытия клапана щелочи оператором определяется

произвольно и зависит от его опыта и практических навыков ведения данного технологического процесса.




Вода


NaOH NaOH


эжектор конц.NaOH=3%

на

регенерацию

РЩ



QIR



РЕМИКОНТ Р-130




ПЭВМ


рис9.2.Схема подачи щелочных стоков на регенерацию.


Концентрация щелочи в мерниках составляет 40-50%. Согласно технологическому регламенту

процентное содержание щелочи в растворе на выходе стадии дозирования должна составлять 3-4%. Практика показала, что при ручном управлении удержать такую концентрацию водного раствора щелочи достаточно сложно. Открыв клапан на некоторой отметке, оператору необходимо время для анализа и его проведения. За это время возможен перерасход щелочи. Процесс быстротечен, всплески щелочи возможны за долю секунды.

Предлагается схема автоматического регулирования концентрации водного раствора щелочи, которая включает в себя:

1.-регулирующий клапан подачи щелочи РЩ;

2.-регулятор на базе Ремиконт Р-130;

3.-концентрометр для замера концентрации щелочи в водном растворе на выходе стадии дозирования;

4.-компьютер.

Вода подается на эжектор с постоянным расходом 30т/ч (технологический регламент). через задвижку. На выходе эдектора установлен концентрометр щелочи. С него сигнал поступает в ремиконт. Регулятор выдает сигнал на клапан РЩ. Оператор отслеживает ход процесса и имеет возможность вручную управлять исполнительным механизмом с клавиатуры. Т.е. процесс дозирования щелочи будет полностью автоматизирован.

9.1 Выбор и обоснование дефективной стадии и цель автоматизации на уровне стадии.



А Б В ход пр-сса

направл.

исследов.


Выходным показателем стадии дозирования является процентное содержание NaOH в растворе (3-4%). При ручном управлении процентное содержание щелочи составляет 10-12%, это говорит о том что идет перерасход щелочи. Результативным показателем стадии дозирования, таким образом, являются результативными показателями производства. Достижение этой цели ест решение проблем регламентируемого процентного содержания NaOH в растворе.


9.2.Оценка фактических и желаемых результатов.


Результаты исследования представлены в виде таблицы 9.2.1., в которой сопоставим желаемый и фактический уровень показателей.


Таблица 9.2.1.

Показатели качества продукта в соответствии с ТУ

ед.

изм.

Уровень(величина)показателей



%

по

ГОСТ

фактически


после

автоматизации




за год

в том числе по кварталам

за

год

в том числе по кварталам





1

2

3

4


1

2

3

4

%-содержание щелочи

NaOH в водном растворе


%


3-4


10


7


10



12


8


3


3


4


3


3


%

12








2


1 2 3 4 кварталы


9.3 Расчет производственной мощности.


Производим расчет производственной мощности по приготовлению водного раствора щелочи цеха химводоочистки на БТЭЦ-2. Производство приготовления является периодическим производством, т.к. весь приготовленный раствор используется по мере прохождения регенераций

фильтров. По журналу учета операторов количество регенераций в месяц равняется 25 и продолжительность одной регенерации составляет 2 часа.

где:

Е-количество аппаратов

Т-эффективный фонд рабочего времени

Q-производительность аппарата

t-время одного цикла

Т = Ткал.- Тппр.= 8760 - 528 = 8232(ч)

Ткал.= 8760(ч)

Тппр.= Т12 = 240 + 288 = 528(ч)

Т1-остановка на капитальный ремонт

Т2-техническое обслуживание

(т/год)


9.4 Расчет инвестиций на автоматизацию


Капитальные затраты на внедрение проектируемой САР составляют:

-затраты на приобретение САР

-затраты на транспортировку

-затраты на заготовительно складские расходы

-затраты на запчасти

-затраты на монтаж

Сметная стоимость САР определяется на основании спецификации по действующим прейскурантам.

Таблица 9.4.1.

Наименование

оборудования

Количество

Стоимость

(млн.руб.)

Сумма

(млн.руб.)

1.Ремиконт Р-130

4

7

28

2.Компьютер

1

5.5

5.5

3.Концентрометр

3

1.3

3.9

4.Электрическая

задвижка

8

1.5

12

5.Исполнительн.

механизм(МЭО)

4

2

8

6.Оборудование

КИП

10

2.5

25

Итого



82.4

Транспортировка

5%


4.12

Заготовительно-

складские

1%


0.824

Запчасти

4%


3.3

Затраты на

монтаж

10%


8.24

Итого затрат



98.88


Бывшие в употреблении приборы КИПиА сдаются на склад по остаточной стоимости Для дальнейшей эксплуатации на производстве. Тогда общая величина капитальных затрат, необходимых для внедрения предложенной системы составит:

Кавт.= Кприоб.+ Кмонт.+ Ктранс.+ Кзп.+Ксклад.-Кл.

= 82.4+8.24+4.12+3.3+0.824-25=73.88(млн.руб.)


9.5 Расчет изменения текущих затрат


Производя замену устаревшей системы контроля на новую происходит изменение затрат на сырье (щелочь). Из журнала учета операторов следует, что экономия щелочи на регенерацию в месяц составляет 1.3 тонны. Таким образом годовая экономия составляет:

ЭNaOH = 1.3*12 = 15.6(т)

Стоимость одной тонны щелочи равна 0.14 млн.руб. Следовательно годовой экономический эффект в стоимостном выражении составит:

Э = 0.14*15.6 = 2.18(млн/год)

Удорожающие факторы:

- эксплуатация и содержание оборудования составляет 6% от общей суммы капитальных вложений:

С1= Кприоб.*6%/100% = 98.88*6/100 = 5.9328(млн.руб)

- амортизация оборудования:

Na = 15% - норма амортизации для приборов и средств автоматизации:

С2= Кприоб.*15%/100% = 98.88*15/100 = 14.832(млн.руб)

Удешевляющий фактор:

- снижение себестоимости за счет экономии щелочи:

С3= (Р12)*Ц*В

Р12-расход NaOH до и после автоматизации;

Ц - цена одной тонны щелочи;

В - годовой объем производства.

По журналу учета расход NaOH до автоматизации составлял Р1=3.08т., а после Р2=3.08-1.3=1.78т. Тогда:

С3=(1000-534)*0.14*9549=622976.76(млн.руб.в год)

Базовые калькуляции до и после автоматизации сведем в таблицу 9.5.1.

Таблица 9.5.1.

Базовая калькуляция до автоматизации

план за отчетный период 9549т/год.

Наименование

статей расхода

ед.

изм.

Расход на единицу

выработки

кол-во цена сумма

млн.р. млн.р.

Расход на всю

выработку

сумма

млн.р.

1

2

3

4

5

6

Исходные

материалы:

-NaOH

-вода


т.

т.


1000

9000


0.14

0.000447


140

4.02


1336860

38386.98

Энергетические

затраты:ст-ть эл.

энергии за перекачку воды


т.кВтч


4000


0.000238


0.952


9090.648

Фонд оплаты

труда




540.2

5158369.8

Оборудование

КИП, амортизация





3.75


35808.75

Итого




688.922

6578516.178


Продолжение таблицы 9.5.1.

Базовая калькуляция после автоматизации

план за отчетный период 9549т/год.

1

2

3

4

5

6

Исходные

материалы:

-NaOH

-вода


т.

т.


534

9000


0.14

0.000447


74.76

4.02


713883.24

38386.98

Энергетические

затраты:ст-ть эл.

энергии за

перекачку воды


т.кВч


4000


0.000238


0.952


9090,648

Фонд оплаты труда




540.2

5158369.8

Оборудование

АСР,амортизация




8.61

82216,89

Итого




628.542

6001947.558


Определение себестоимости продукции после внедрения АСР:

1.-на весь выпуск продукции

Спр.= Сдо-Собщ.

Сдо-себестоимость до автоматизации

Спр.= 6578516.178-6001947 = 576568.7(млн.р.)


9.6 Определение срока окупаемости


Ток.= Кавт./Cобщ.= 73.88/576568.7 = 0.00013(года)

Годовой эффект рассчитываем по следующей формуле:

Э =Зупр.- Е*Кавт.=576568.7-0.2*73.88 =576553.93(млн.руб.)

Полученный годовой эффект и небольшой срок окупаемости показывает, что данный проект является целесообразным и может быть внедрен в производство.

Технико-экономические показатели проекта


Наименование

показателей

ед.

изм.

До автоматизации

После

автоматизации

Отклонения

Производственная мощность аппарата(эжектор)


т/ч


2.32


2.32


Производственная

мощность

т/г.

9549

9549


Капитальные затраты на автоматизацию


млн.

руб.



73.88


Себестоимость единицы продукции

млн.

руб.

688.922

628.542

-60.38

Себестоимость всего выпуска

млн.

руб.

6578516.178

6001947.558

-576568.62

Численность работающих в цехе

чел.

30

30


Выработка

тыс.

руб.

318.3

318.3


Экономический

эффект

млн.

руб.


576553.93


Срок окупаемости

лет


0.00013




5. ЭКСПЕРИМЕНТАЛЬНАЯ ЧАСТЬ.

5.1. Планирование и подготовка эксперимента.


Одним из важнейших параметров, подлежащих обязательному автоматическому регулированию, является “рН” щелочных стоков на выходе бака донейтрализатора. Автоматическое регулирование процесса нейтрализации должно обеспечить поддержание в заданных пределах рН-среды. По природоохранным нормам сточные воды должны удовлетворять требованиям нейтральной Среды, т.е. соответствовать рН=6.5-8.5.

Значительное превышение или наоборот занижение установленных норм влечет за собой дополнительные штрафы, которые выплачиваются предприятием как за вредные выбросы.

Для определения динамических свойств объектов воспользуемся методом экспериментального определения динамических характеристик объектов, так как, по сравнению с аналитическими методами, они наиболее достоверны и более доступны для обслуживающего персонала.

Основными причинами изменения рН сточных вод являются: изменение расхода щелочных стоков,

подаваемых на нейтрализацию кислых стоков, а также концентрация щелочных стоков. Поддержание постоянного уровня рН осуществляется путем изменения расхода щелочи на нейтрализацию, воздействуя тем самым на регулирующий клапан.

Используя теоретические и практические знания об объекте, можно предположить как поведет себя объект в динамике.

Схема для проведения эксперимента приведена на рисунке 5.1.

Из схемы видно, что при проведении эксперимента необходимо снять следующие переходные характеристики объекта:

-по изменению рН при возмущении расходом щелочи (в дальнейшем - основной канал);

-по изменению рН при возмущении концентрацией щелочи (в дальнейшем - канал внешнего возмущения);

-а так же характеристику «положение клапана - расход щелочи(в дальнейшем - внутренний канал).

В настоящее время для контроля изменения рН установлены промышленные рН-метры с чувствительным элементом ДПГ-4М-3.

А для измерения концентрации щелочи используются приборы типа КНЧ-2-8. Датчики и приборы

соединяются с микропроцессорным контроллером типа “РЕМИКОНТ Р-130”, который установлен в центральной щитовой цеха химводоподготовки. Используя программное обеспечение контроллера и установленного в цехе компьютера мы можем снимать показания в цифровом виде с экрана компьютера с необходимой дискретностью обновления показаний по времени.



Конц.NaOH=3-4%


Подача усредн. Клапан подачи

стоков усредн.стоков рН






Блок ручного Датчик Датчик

управления расхода рН-метр






РЕМИКОНТ Р-130


рис.5.1 Схема проведения эксперимента


5.2. Проведение эксперимента.

При определении переходного процесса по основному каналу скачок подаем перемещением клапана на магистрали подачи усредненных стоков на 10 % (с 20 до 30 %) по шкале дистанционного указателя положения клапана (БРУ-2), предварительно отключив все регуляторы и добившись стабилизации параметров. Изменение параметра рН сточных вод будет являться выходной величиной объекта. Дискретность времени - 1 секунда. Значения времени и величины рН на выходе объекта приведены в таблице 5.2.1.


Таблица 5.2.1

Время

,с.

Значен.

рН

Время

,с.

Значен.

,рН.

Время

,с.

Значен.

,рН.

Время

,с.

Значен.

,рН.

0

2.05

12

7.37

24

11.05

36

11.9

1

2.05

13

7.81

25

11.25

37

11.9

2

2.05

14

8.26

26

11.37

38

11.95

3

2.1

15

8.8

27

11.46

39

11.95

4

2.5

16

9.15

28

11.5

40

12.01

5

2.95

17

9.47

29

11.6

41

12.01

6

3.5

18

9.9

30

11.65

42

12.02

7

4.0

19

10.14

31

11.69

43

12.03

8

4.9

20

10.35

32

11.77

44

12.03

9

5.56

21

10.55

33

11.81

45

12.05

10

6.07

22

10.8

34

11.85

46

12.05

11

6.85

23

10.97

35

11.89

47

12.05


По значениям таблицы строим кривую изменения рН в объекте вследствие возмущения расходом щелочных стоков ( рисунок 5.2.1).

Кривую разгона по внутреннему каналу снимаем аналогично описанному выше образом. Скачок подаем изменением положения клапана на 10% (с 20% до 30%). Изменение расхода щелочи будет являться выходной величиной объекта. Полученные данные сведены в таблицу 5.2.2. На рисунке 5.2.2. приведен график, построенный по данным таблицы 5.2.2.


рис.5.2.1. График кривой разгона по основному каналу.


Таблица 5.2.2.

Время

t,c.

Расход

м3/ч

0

2

1

2,05

2

2,1

3

2,15

4

2,20

5

2,3

6

2,7

7

3,0

8

3,2

9

3,3

10

3,6

11

3,75

12

3,9


рис.5.2.2. График кривой разгона по внутреннему каналу

Кривую разгона объекта по каналу внешнего возмущения снимаем следующим образом. Возмущением будет являться щелочь, концентрация едкого натра (NaOH) в которой 3-4%. Выходной величиной будет являться величина рН сточных вод на выходе объекта. Фиксирование показаний начинается сразу после изменения концентрации щелочи. Дискретность времени - 1 секунда. Значения точек кривой разгона приведены в таблице 5.2.3. По данным таблицы строим график переходного процесса по каналу внешнего возмущения (рисунок 5.2.3).


Таблица 5.2.3

Время

t,c

Величина

рН

Время

t,c

Величина

рН

Время

t,c

Величина рН

0

3,95

15

8,4

30

12,0

1

4,05

16

8,8

31

12,1

2

4,1

17

9

32

12,2

3

4,2

18

9,3

33

12,4

4

4,6

19

9,6

34

12,5

5

5

20

9,9

35

12,6

6

5,3

21

10,1

36

12,65

7

5,6

22

10,4

37

12,65

8

5,9

23

10,7

38

12,7

9

6,37

24

10,9

39

12,7

10

6,7

25

11,0

40

12,7

11

7

26

11,3

41

12,7

12

7,3

27

11,5

42

12,7

13

7,7

28

11,65

43

12,7

14

8,05

29

11,8

44

12,7


рис.5.2.3. График кривой разгона по каналу внешнего возмущения


Далее можно перейти к расчетной части проекта, используя полученный материал в качестве исходного материала для расчетов.



7. ОПИСАНИЕ МОНТАЖА СРЕДСТВ АВТОМАТИЗАЦИИ.

7.1 Общие требования к монтажу первичных преобразователей.


Чувствительные элементы первичных преобразователей работают в наиболее тяжелых условиях, так как находятся в непосредственном контакте с измеряемой средой. Поэтому при их монтаже необходимо учесть следующие требования:

  1. при выборе места установки учесть достаточную освещенность, удобство в обслуживании;

  2. температура окружающей среды должна быть в пределах +5...+50°С;

  3. при установке в местах с повышенной агрессивностью среды необходима установка специальных шкафов с герметизацией и подводом чистого воздуха для вентиляции.

7.1.1 Монтаж рН-метров.

Датчики рН-метра представляют собой два стеклянных электрода, измерительный и вспомогательный, заполненный раствором KCl. Корпус погружного исполнения имеет две трубы, закрепленные на фланце, предназначенном для крепления корпуса к горловине технологической емкости. Внизу трубы соединяются при помощи двух скоб, на которых укреплен кожух для защиты электродов от механических повреждений.

Для передачи сигнала от электродов к преобразователю служит распределительная коробка, состоящая из коробки зажимов и соединительной коробки, соединенных между собой с помощью кабельной вставки и высокоомного разъема. К разъему подводится кабель типа РК75-4-12. Кабель измерительного электрода через зажим соединяется с центральной жилой кабеля, а кабель вспомогательного электрода через зажим с экраном.


7.1.2 Монтаж первичных преобразователей уровня.

В качестве уровнемера используется дифманометр типа “Сапфир”. До начала работ по установке должны быть смонтированы импульсные линии. В данном случае импульсная трубка будет одна, которая будет сообщаться с плюсовой камерой дифманометра, минусовая соединяется с окружающей средой. При монтаже необходимо следить за тем, чтобы гайки соединителей и штуцеров были затянуты по резьбе до конца; в соответствии со схемой соединений были выполнены присоединения жил кабелей к коммутационным зажимам соединительных коробок и приборов; трубные и электрические проводки имели соответствующую маркировку и были надежно закреплены.


7.2 Монтаж преобразователей.

Монтаж производится в панельных щитах и на стативах в соответствии с требованиями документов и монтажно-эксплуатационных инструкций. Приборы располагаются так, чтобы их расположение было удобно для наблюдения, обслуживания, монтажа и ремонта.

Унифицированные преобразователи уровня, с электрическим выходом монтируются на горизонтальной плоскости, предварительно размещаются в ряд на стативах. Условия эксплуатации соответствуют приведенным в паспортных данных.

Внешние соединения измерительных и силовых цепей вводятся через отдельные отверстия с помощью разъемов, которые находятся снаружи задней стенки вторичных приборов.

Все приборы “Сапфир-22” монтируются на стативах внутри производственных помещений.


7.3 Монтаж исполнительных механизмов.

Исполнительные механизмы (механизм исполнительный электрический однооборотный МЭО-630/25-0.25к-84) устанавливаются непосредственно на трубопроводах. Соединительные коробки, содержащие кабеля, по которым приходят управляющие сигналы и питания, устанавливаются на стативах.


7.4 Порядок установки и монтажа Ремиконт Р-130.

При эксплуатации Р-130 должны заземлятся в соответствии с требованиями действующих “Правил устройства электроустановок”. Заземление блоков, составляющих комплект Р-130, осуществляется через болты заземления проводом не менее 1,5 кв. Мм.

На клемниках “220 В” блока питания БП-1 устанавливается защитная крышка.

Блок контроллера БК-1 рассчитан на утопленный монтаж на вертикальной панели щита или пульта управления. Все остальные блоки, входящие в комплект рассчитаны на навесной монтаж.

Ремиконты должны устанавливаться в закрытом пожаро- и взрывобезопасном помещении. В помещениях должны поддерживатся следующие условия:

  1. температура окружающего воздуха 1...50°С ;

  2. относительная влажность воздуха 30...80 % ;

  3. атмосферное давление 84...106,7 кПа ;

  4. защита от влияния внешних магнитных полей с напряженностью более 400 А/м ;

  5. отсутствие вибрации мест крепления Р-130 с частотой выше 25 Гц и с амплитудой более 0,1 мм;

  6. окружающая среда не должна содержать агрессивных паров и газов.

Кабельные связи, соединяющие Ремиконты с датчиками и исполнительными механизмами, подключаются к ним через разъемы и клемные колодки согласно проекту автоматизации. Прокладка кабелей и жгутов должна отвечать требованиям действующих ПУЭ.

Не допускается объединять в одном кабеле цепи, по которым передаются входные аналоговые и сильноточные выходные дискретные сигналы. Экранировать кабельные сети не требуется, это зависит от длины связей и от уровня помех в зоне прокладки кабельных сетей.

Сетевое напряжение подается на блок питания Ремиконта БП-1 через внешний силовой щит, на котором есть автоматические выключатели.

Параметры питания - однофазная сеть переменного тока напряжением 220(240) В и частотой 50 Гц.


АННОТАЦИЯ

В данном дипломном проекте проведена следующая исследовательская работа: изучена технологическая схема производства, спланирован и проведен эксперимент, произведен расчет одноконтурной, каскадной и каскадно-комбинированной АСР, проведен анализ качества переходных процессов, определен оптимальный критерий управления технологическим процессом.

Разработаны и спроектированы схемы: функциональная, принципиальная электрическая схема, схема внешних соединений, схема сигнализации, план расположения средств автоматизации и проводок, общий вид операторской, схема щитов, пультов.

Также произведен расчет экономических показателей, приведена сравнительная таблица и рассчитан экономический эффект.

В разделе “охрана труда” произведен расчет молниезащиты цеха химводоочистки (ХВО-2)и приведены мероприятия по технике безопасности данного производства.


4.ОПИСАНИЕ НЕСТАНДАРТНЫХ СРЕДСТВ АВТОМАТИЗАЦИИ.


Для более оптимального управления узлом нейтрализации, а именно исполнительными механизмами (насосами, задвижками), которые используются в данной технологической схеме реализована на ремиконте Р-130-73 схема логического управления исполнительными механизмами. Информационные сигналы снимаются с блоков-концевиков исполнительных механизмов, поступают в ремиконт, где они обрабатываются и используются в данной технологической схеме.

Данная программа запускается оператором с 2-х ключей управления, имеющих по два положения “ручное” и “автомат”. Программа разбита на восемь этапов.

ЭТАП 1.- Запуск программы и определение усреднителя щелочных стоков, с которого будет подаваться щелочь на нейтрализацию.

Допустим, что процесс ведется с усреднителя щелочных стоков №1 (в дальнейшем УЩС-1).

Шаг 1: определяет в каком положении находится ключ управления (в автоматическом или ручном). Если в ручном, то на 01 входе алгоблока ЭТП(34)

присутствует логический “0”, программа находится в состоянии ожидания. Если ключ находится в положении “автомат”, то логическая “1” поступает на 01 вход алгоблока ЭТП(34), происходит срабатывание первого шага этого алгоблока и программа переходит к выполнению второго шага.

Шаг 2: - отвечает за переход программы на этап-2 (этап контроля уровня Среды в УЩС-1)

Шаг 3: - отвечает за переход программы на этап-4 (этап контроля уровня Среды в УЩС-2).

Шаг 4: - производит обнуление первого этапа

Шаг 5: - возвращает программу к началу первого этапа.

ЭТАП 2.- Контроль уровня среды в УЩС-1

Для выполнения данного этапа используются два сигнала: аналоговый, который идет с преобразователя “Сапфир БПС-24П” (поз.5-3 см. ПФС), отображающий уровень в баке и дискретный сигнал от аварийного датчика уровня типа “РОС” (поз.7-3 см. ПФС). Т.е. степень заполнения бака контролируется двумя параметрами.

Шаг 1: - отвечает за дальнейший переход программы на третий этап. Т.е. при наличии логической “1” на 01 входе алгоблока ЭТП(35) говорит о том, что уровень в баке в норме. Если же на входе логический “0”, то программа переходит к выполнению второго шага.

Шаг 2: - останавливает выполнение всего хода программы и выдает на монитор компьютера сообщение, что уровень в УЩС-1 низкий и что следует перенести ход работы на УЩС-2.

Шаг 3: - это временная выдержка.

Шаг 4: - обнуление всего второго этапа.

Шаг 5: - возвращает всю программу к этапу первому.

ЭТАП 3.- Подготовка магистрали подачи щелочных стоков из УЩС-1.

Шаг 1: - производит переход программы на этап 6. Т.е. при наличии логического “0” на 01 входе алгоблока ЭТП(36) программа переходит на шестой этап, Если логическая “1”, то программа переходит к выполнению второго шага.

Шаг 2: - контролирует положение задвижки 2ЩС и выдает управляющий сигнал на ее перемещение. В данном случае необходимо закрыть эту задвижку. Управляющая “1” с выхода 06 алгоблока ЭТП(36) поступает на вход триггера. Вследствие чего триггер выдает управляющий импульс на дискретный выход ремиконта, к которому подключена пусковая аппаратура управления задвижкой.

Шаг 3: - контролирует закрытие задвижки и выжидает 30 секунд до ее полного закрытия. Как только логическая “1” появилась на 07 входе алгоблока ЭТП(36), то на выходе 07 появился

управляющий сигнал, который вернет триггер в исходное состояние, т.е. снимет управляющий сигнал на его выходе.

Аналогичным способом выполняются последующие шаги, т.е. идет подготовка магистрали для подачи щелочи. Закрываются задвижки 4ЩС, 7Д, 9Н. И наоборот открываются задвижки 1ЩС, 8Д.

Шаг 14: - останавливает программу и переводит ее в состояние “ожидания”, пока не будет собрана вся магистраль.

Шаг 15: - обнуление третьего этапа.

Шаг 16: - переход программы на третий этап.

4 и 5-е этапы, это этапы контроля уровня среды и подготовки магистрали подачи щелочных стоков если в работе находится УЩС-2. Этапы выполняются аналогичным путем, описанным выше.


ЭТАП 6.- Включение насосов 1НУЩ.

Шаг 1: - продолжает контроль состояния магистрали, т.е. если на 01 входе алгоблока ЭТП(39) логическая “1”, то программа переходит к выполнению второго шага и это говорит о том, что магистраль собрана.

Шаг 2: - контролирует наличие кислых стоков на 1-ой ступени узла нейтрализации, рН среды не должна превышать 6.5.

Шаг 3,4: - управляют пусковой аппаратурой насоса.

Шаг 5: - обнуление этапа.

Шаг 6: - переход к седьмому этапу.

Шаг 7: - дополнительное обнуление шестого этапа.


ЭТАП 7.- Отключение насосов.

Шаг 1: - осуществляет контроль за состоянием магистрали, уровнем среды в УЩС, величиной рН на первой ступени. При появлении логической “1” на 01 входе алгоблока ЭТП(40) шаг выполняется. Это говорит о том, что произошло какое-то технологическое нарушение, либо изменился уровень в УЩС(стал низким), либо увеличилась величина рН щелочных стоков на первой ступени. С 05 выхода этого алгоблока логическая “1” поступает на триггер отключения насосов.

Шаг 2: - получает подтверждение на отключение насосов и обнуляет триггер.

Шаг 3: - обнуляет этап 7.

Шаг 4: - осуществляет переход программы на восьмой этап.

ЭТАП 8.- Закрытие задвижек 1ЩС, 2ЩС и дополнительное обнуление программы.

Шаг 1: - контролирует работу насоса. Если насос выключается, то на 01 входе алгоблока ЭТП(43)

появляется логическая “1” и следовательно программа переходит на второй шаг.


Шаг 2,3: - контролируют положение задвижки 2ЩС и ее перемещение. По аналогии выполняются шаги 4 и 5, но они контролируют задвижку 1ЩС.

Последние шаги данного этапа производят обнуление всех этапов предложенной программы.


3.ПОСТРОЕНИЕ МАТЕМАТИЧЕСКОЙ МОДЕЛИ И ОПТИМИЗАЦИЯ ТЕХНОЛОГИЧЕСКОГО ПРОЦЕССА.

3.1 Выбор критериев оптимальности.


Как было описано выше, конечным результатом процесса нейтрализации являются сточные воды, рН которых должна удовлетворять требованиям нейтральной Среды. По мере прохождения процесса рН стоков может изменяться. Это зависит от качества реагентов, вступающих в процесс перемешивания, а также их расхода.

На основе этого можно сделать вывод, что главными критериями оптимальности данного технологического процесса будут являться концентрация и расход реагирующих компонентов (раствора едкого натра и серной кислоты).


3.2 Формализация технологического процесса.


Получение нейтральной среды происходит в результате химической реакции:

Входной переменной является начальная концентрация кислых стоков и соответственно их рН. Также входной величиной являются щелочные стоки, а именно рассматривается концентрация щелочи и рН. Выходной переменной является рН нейтральной среды на выходе процесса нейтрализации.

Химическую реакцию, протекающую в процессе нейтрализации можно описать следующим стехиометрическим уравнением:

А выражение, определяющее скорость реакции, может быть записано так:

R - скорость реакции в объеме V;

САВ- концентрации потоков, вступающих в реакцию;

k- константа скорости реакции.

Поскольку предлагается идеальное перемешивание, состав отбираемого потока такой же, что и в проточной емкости. Изменение объема жидкости в емкости находят из уравнения общего материального баланса:

Q1- объемный расход вещества на входе;

Q2- объемный расход вещества на выходе;

V - объем системы.

Для введения реакции в основную модель системы будем рассматривать скорость реакции как выход для балансов по компонентам А и В и как вход для балансов по компонентам С и D. Уравнения материальных балансов запишется следующим образом:

[скорость накопления]=[приток]-[сток]

Другими словами изменение количества вещества, аккумулируемого во внутреннем объеме аппарата за некоторое время, это изменение потока вещества на входе и на выходе системы.

Для удобства вычислений запишем, что входные потоки QCA и QCB это IВХ., а выходные потоки это IВЫХ.. Изменение количества вещества VC запишем как М. Тогда изменение концентрации в аппарате, объемом V, будет равняться:

Изменение количества вещества это ничто иное как изменение концентрации этого вещества. Тогда данное выражение можно преобразовать к виду:

; C=C(t)-C(0)

Отношение объемного расхода Q к объему системы V, это:

- среднее время пребывания частиц в аппарате.

Отсюда можно перейти к выводу дифференциального уравнения процесса перемешивания.


Решая уравнение данной предложенной модели (модель идеального перемешивания), мы можем узнать как поведет себя вся система, если на вход системы попадут единичный скачок или единичный импульс.

Итак решение уравнения модели:

перейдем к операторской форме записи

; CВХ.(S)CBX.(t) ; CВЫХ.(S)CВЫХ.(t)

тогда дифференциальное уравнение модели запишется следующим образом:

получилось апериодическое звено 1-го порядка, где Т=. Запишем окончательное выражение:

1.- Допустим, что на вход системы подали единичный скачок, т.е.


Fкрив.- это кривая отклика системы на единичный скачок.

2.- Допустим, что на вход системы подали единичный импульс, т.е.

Свх.(S)=1 ; Cвх.(t)=(t), тогда

На рисунке 3.2.1. отображены кривые отклика системы на единичный скачок и на единичный импульс.



СВХ CВЫХ..


1(t) 1 FKP.


t t


СВХ. СВЫХ.


(t) 1/


t t


рис.3.2.1.Кривые отклика модели на единичный скачок и единичный импульс.

3.3 Блок-схема алгоритма решения



Ввод исходных данных

Q1,Q2,CA,CB,CC,CD.



Расчет объема системы



Q1CA1,Q2,R Материал.баланс по комп.А



Q1CB1,Q2,R Материал.баланс по комп.В



CA2,CB2 Уравнение кинетики



Q2,R Материал.баланс по комп.С



Q2,R Материал.баланс по комп.D



Вывод результатов расчета

ССD.


Вывод:

Вид модели идеального перемешивания показывает, что это модель с сосредоточенными параметрами, так как основная переменная, а в данном случае это концентрация, изменяется только во времени.


3.4 Постановка задачи оптимального управления


Оптимизация работы предлагаемой модели идеального перемешивания может быть достигнута за счет оптимизации режимных параметров. Очевидно существует некоторое оптимальное соотношение концентрации щелочи, подаваемой на вход объекта, и выходным параметром рН сточных вод.

Поставленную задачу решим простейшим методом, заключающимся в переборе вариантов. В результате получаем зависимость рН=f(СNaOH).


С,%



12


9


6


3


рН

2 4 6 8 10 12 14

АВТ. АВТ. РУЧ.


Данная кривая построена на основе исследования прохождения процесса нейтрализации. Процесс велся на автоматическом, а затем на ручном управлении. При автоматическом режиме концентрация щелочи поддерживалась на уровне 3-4%, а следовательно рН на выходе объекта не превышала технологических ограничений. При ручном управлении произошло увеличение концентрации, т.к. оператор на стадии дозирования щелочи процесса нейтрализации производил открытие задвижки вручную тем самым вызвав перерасход щелочи, а следовательно увеличение ее концентрации в водном растворе. рН на выходе объекта возрастает и выходит за рамки технологических ограничений.

Иными словами в качестве критерия оптимизации примем концентрацию щелочи в водном растворе.


3.5 Выбор метода поиска экстремума


Для отыскания критерия оптимальности воспользуемся методом пробных шагов. Поиск методом пробных шагов заключается в следующем. Из точки, характеризующей состояние объекта в данный момент времени, делаются пробные шаги во все стороны. В каждой из вновь получаемых точек вычисляются значение критерия оптимальности. Среди них выбирается минимальное значение, координаты которого запоминаются. Эта точка служит исходной для выбора следующего шага в направлении оптимума.

Если при очередном анализе пробных шагов не получено критерия оптимальности, то шаг уменьшается наполовину и вновь делаются пробные шаги в обратном направлении.

Когда величина шага станет меньше требуемой точности достижения оптимума, процесс поиска заканчивается.


3.6 Описание блок-схемы алгоритма пробных шагов


Х - переменная;

Z - текущее значение критерия оптимальности;

Н и В-нижний и верхний предел области изменения Х;

Т - требуемая точность решения задачи;

Ш - начальная величина пробного шага;

П - параметр в уравнении поверхности;

М - максимальное значение Z;

Р,С - ячейки для хранения значений Z.

Программа начинается с ввода исходных данных. Значение функции Z присваиваются М и Р (операторы 1-4). Затем делается шаг в сторону возрастания Х и сравнение Z со значением в начальной точке (операторы 5-9). Далее выполняется шаг назад по оси Х и производится сравнение Z с максимальным значением М (операторы 10-14). Оператор 15 производит печать Х,Z выбранной точки; 16 - анализирует были ли удачные шаги среди пробных. Если удачных шагов не было, то производится анализ достигнутой точности решения. Если точность соответствует заданной, то счет останавливается, иначе происходит уменьшение шага наполовину (операторы 19-20) и повторение цикла пробных шагов.


Блок-схема алгоритма пробных шагов:


1-2 Н,В,Х,Т,Ш,П



3 Ш=Ш К=Х



4 Z,М=Z,Р=М,С=М



5 Е=Х,Х=Х+Ш



да

6 ХВ

12 Z


7 Z 13

ZМ


да

8 ZМ

14 М=Z,К=Х


9 М=Z,К=Х

1 5 Х,Z,Ш


10 Х=Е,Х=Х-Ш

да

16 РМ 19-20 Ш=Ш/2

11 ХН


да

17 ШТ





18 Остановка


1. Вводная часть.


Опытно-промышленная установка расположена в отделении хлорирования цеха № 32 ОАО “АВИСМА”.

Метод производства диоксида титана - хлоридный способ производства высокотемпературным парофазным гидролизом тетрахлорида титана.

Организации разработчики технологического процесса - АО Российский научно-исследовательский и проектный институт титана и магния ( АО РИТМ) и ОАО “АВИСМА” - титано-магниевый комбинат.

Организация-разработчик проекта опытно-промышленной установки - проектно-конструкторский отдел ОАО “АВИСМА”.


2. Введение.


Среди неорганических пигментов наибольшим спросом пользуются белые пигменты. В основном использовались свинцовые и цинковые белила, но они оказывают вредное воздействие на организм человека.

В настоящее время наряду с использованием свинцовых и цинковых белил широкое применение получили титановые белила. До 70 % выпускаемого диоксида титана (титановые белила) находит применение в лакокрасочной промышленности. Этот фактор объясняется не только высокими пигментными свойствами титановых белил (большая интенсивность и кроющая способность, высокая маслостойкость по сравнению с другими белыми белилами), но и их технико-экономическими преимуществами, а также большими запасами исходного сырья.

Диоксид титана используется в лакокрасочной промышленности для производства материалов на основе различных пленкообразующих: эпоксидных, алкидных, феноло- и мочевиноформальдегидных смол, а также применяют в производстве пластмасс, резиновых изделий, бумаги, линолеума, искусственных волокон и немного в парфюмерии.

Цель дипломного проекта - автоматизация технологического процесса получения диоксида титана.


3. Технология производства.

3.1 Описание технологического процесса.


Очищенный в отделении ректификации тетрахлорид титана (ОТТ) насосом подается в две расходные емкости (поз. 1), откуда через регулирующее устройство направляется в куб-испаритель (поз. 2), оборудованный погружными электронагревателями мощностью 120 кВт. Из куба-испарителя (поз. 2) пары ОТТ при температуре 136...140С поступают в перегреватель (поз. 3), выполненный из полутруб, приваренных к кожуху реактора парофазного гидролиза, где нагреваются до температуры 200...250С и направляются в центральную трубу коаксиальной форсунки (поз. 25) реактора (поз. 4).

Азот из газопровода поступает в подогреватель (поз. 24), представляющий газоохлаждаемую рубашку свода реактора, где нагревается до температуры 100...250С и направляется в наружную трубу коаксиальной форсунки (поз. 25) реактора (поз. 4) для предотвращения зарастания сопла форсунки продуктами гидролиза тетрахлорида титана.

Воздух газодувкой из помещения цеха нагнетается в подогреватель (поз. 6), представляющий воздухоохлаждаемую рубашку приваренную к кожуху реактора (поз. 4) парофазного гидролиза (ПФГ), где нагреваются до температуры 100...250С и затем направляется в горелку (поз. 26) печи (поз. 5).

Природный газ из газопровода подается в горелку печи под давлением 10...200 (1...20) мм вод. ст.( МПа).

В печи (поз. 5) осуществляется сжигание смеси природного газа и воздуха. При этом протекают реакции горения углеводородов природного газа:


CH4 + 2 O2 = CO2 +2 H2O + 892 кДж

2 C2H6 +7 O2 = 4 CO2 + 6 H2O + 3123 кДж

C3H8 + 5 O2 = 3 CO2 +4 H2O + Q

Водяной пар из магистрального паропровода поступает в перегреватель, откуда с температурой 150...250С подается в камеру горения печи (поз. 5), где смешивается с продуктами сгорания природного газа.

Парогазовая смесь (ПГС) из печи (поз. 5) с температурой 1300...1450С направляется в реактор парофазного гидролиза (поз. 4).

В реакторе тетрахлорид титана при температуре 1100...1200С взаимодействует с водой по реакции:


TiCl4 (пар) + 2 H2O (пар) = TiO2 (тв.) +4 HCl (газ) + Q


Пылепарогазовая смесь (ППГС) из реактора направляется в камеру предварительного охлаждения (поз. 7), где охлаждается до 600...800С при смешивании с потоком вторичного воздуха, нагнетаемого газодувкой из помещения цеха. Дальнейшее охлаждение ППГС до 250...350С происходит в двухтрубной пылеосадительной камере ПК-1 (поз. 8), стенки которой охлаждаются снаружи водой.

Выделение из ППГС основного количества диоксида титана происходит в циклонах (поз. 9), откуда диоксид титана через шлюзовые затворы (поз. 182,3) поступает в бункер (поз. 17). Для предотвращения комкования “сырца”, коррозии и забивки аппаратов-пылеуловителей абгазы после рукавного фильтра (поз. 10) должны иметь температуру выше 150°С. Отходящие газы после циклонов через рукавный фильтр (поз. 10) направляются в санскруббер (поз. 12), где промываются водой (степень очистки достигает 99% и затем поступают на газоочистку № 2. Разряжение в системе создается вентиляторами (поз. 11,13). Кислые стоки санскруббера (поз. 12) сливаются в кислотную канализацию. Уловленный в рукавном фильтре (поз. 10) продукт через шлюзовой затвор (поз. 184) направляется в бункер (поз. 17).

Диоксид титана из камеры предварительного охлаждения (поз. 7) выгружается шнеком (поз. 14), затем инжектором (поз. 151) через циклон-пылеуловитель (поз. 16) направляется в бункер (поз. 17). Диоксид титана из пылеосадительной камеры ПК-1 (поз. 8) через шлюзовой затвор (поз. 181) инжектором (поз. 151) через циклон-пылеуловитель (поз. 16) направляется в бункер (поз. 17).

Из бункера (поз. 17) через шлюзовой затвор (поз. 185) диоксид титана (рН водной суспензии 1...3,5) поступает в струйный насос-инжектор (поз. 153) и посредством потока нагретой водовоздушной смеси направляется в десорбер (поз. 19), представляющий собой печь “кипящего слоя”. Десорбция хлористого водорода осуществляется в токе паровоздушной смеси при температуре 500...700°С.

Частично десорбированный материал через переливную трубу десорбера поступает в трубное пространство сборников (поз. 201,2), выполненных в виде кожухотрубных теплообменников. Охлаждение материала осуществляется воздухом, нагнетаемым газодувкой (поз. 22) в межтрубное пространство сборника-теплообменника. Охлаждаемый материал периодически выгружается в тару (поз. 211,2). Запыленный кислый газ из десорбера “КС” (поз. 19) и воздух из сборников (поз. 201,2) поступают на вход рукавного фильтра (поз. 10).

В процессе десорбции из обрабатываемого материала в нижней части десорбера “КС” отделяются крупные частицы продукта последние периодически выгружаются в кюбель (поз. 23) и направляются на переработку в хлораторы совместно с титановой шихтой.


3.2. Режимные параметры технологического процесса.

таб. 3.2

Наименование параметра Единицы измерения Норма
1 2 3 4

1.


2.


3.


4.


5.


6.


7.


8.


9.


10.


11.


12.


13.


14.


15.


16.


17.


18.


19.


20.


21.


22.


23.


24.


25.



Расход тетрахлорида титана


Уровень в емкостях тетрахлорида титана


Температура TiCl4 в испарителе


Температура пара TiCl4 на входе в реактор


Расход азота (осушенного воздуха) в реактор


Расход водяного пара в реактор


Температура водяного пара на входе в печь


Расход природного газа в горелку


Давление природного газа на входе в горелку


Расход первичного воздуха (дутьевого)


Давление воздуха на входе в горелку


Температура ПГС на входе в реактор


Температура ППГС на выходе из реактора


Расход вторичного воздуха


Температура ППГС после камеры предварительного охлаждения


Температура ППГС после пылеосадительной камеры


Температура ППГС на выходе из рукавного фильтра

Температура в десорбере


Расход воздуха в десорбер


Расход воды(пара) в десорбер


рН водной суспензии после десорбции


Разряжение ППГС на выходе из второго циклона


Разряжение на выходе из рукавного фильтра


рН водной суспензии диоксида титана “сырца”


Содержание рутила в диоксиде титана



кг/ч


%


°С


°С


м3/ч


м3/ч


°С


м3/ч


мм вод. ст.

МПа


м3/ч


мм вод. ст.

МПа


°С


°С


мм вод. ст.

МПа


°С


°С


°С


°С


м3/ч


м3/ч


единицы


мм вод. ст.


мм вод. ст.


единицы


масс.%


800...1200


не более 80 объема


136...140


200...250


8...12


100...300


150...250


30...100


10...200

1...20


300...1500


9...180

0,9...18


1300...1450


1000...1200


500...1500

50...150


600...800


250...350


150...200


500...700


200...400


50...100


3...5


400...500


480...580


1...3,5


0...95


3.3. Характеристика основного технологического оборудования.


В качестве основного технологического оборудования используются:

1). Куб-испаритель.

Куб-испаритель предназначен для нагрева и испарения TiCl4, подаваемого через перегреватель в реактор парофазного гидролиза.

Техническая характеристика:

емкость - 1,5 м3;

рабочая среда - тетрахлорид титана (жидкость и пар);

температура рабочей среды - 136...140°С;

рабочее давление - 13,3...46,5 (100...350) кПа( мм рт.ст.);

мощность нагревателей - 120 кВт;

число фаз - 3;

количество крышек с нагревателями - 1;

диаметр - 1208 мм;

длина - 1508 мм;

высота - 1780 мм.

Куб-испаритель состоит из корпуса, крышек для крепления нагревателей, нагревательных элементов, уровнемерной колонки.

Корпус куба выполнен из стали 1Х18Н10Т, с наружной стороны поверхность теплоизолирована диатомовым кирпичом, асбоцементной замазкой и стеклотканью. Для вывода и подаче паров в перегреватель аппарат снабжен паровым патрубком.

Нагреватели куба погружные, открытого исполнения из проволоки Х20Н80 диаметром 7,5...8 мм, крепятся на раме крышки нагревателя. Крышки нагревателей герметично устанавливаются на патрубках, вывод токоведущих частей нагревателей осуществлен через проводники с уплотнительными кольцами.

Для контроля уровня куб оборудован штуцерами для уровнемерного стекла и уровнемерной колонки.

Приборы контроля потребляемой мощности, ее регулирования и отключения расположены на щите управления.


2). Печь.

Печь предназначена для получения нагретой до температуры 1300...1450°С парогазовой смеси, состоящей, в основном, из азота, углекислого газа и паров воды, продуктов сжигания смеси природного газа с воздухом. В камеру сгорания печи подается также водяной пар.

Техническая характеристика:

рабочая среда - парогазовая смесь, содержащая Н2О, СО2, N2;

температура рабочей среды - 1300...1450°С;

рабочее разряжение - 1...2 (0,1...0,2) мм вод.ст.(МПа);

тип горелки - ГГВ-МГП-75;

количество горелок - 1;

внутренний диаметр камеры сгорания - 0,72 м;

длина камеры сгорания - 2 м.

Печь состоит из камеры сгорания и горелки природного газа. Стальной кожух камеры сгорания футерован листовым асбестом, слоем шамота- легковеса, толщиной 114 мм и слоем шамота класса А, толщиной 230 мм. С наружной стороны печи к крышке прикреплена горелочная плита, на которую устанавливается горелка ГГВ-МГП-75. Печь снабжена патрубками для ввода воды и вывода ПГС. Для контроля давления (разряжения) и температуры печь снабжена патрубками для установки отборных устройств и термопар.

Горелка состоит из корпуса, сопла, наконечника сопла и носика горелки. Воздух подается по патрубку на корпусе горелки, природный газ подается через патрубок сопла в центре горелки.


3). Реактор.

Реактор предназначен для парофазного гидролиза тетрахлорида титана взаимодействием с парами воды с получением диоксида титана и хлористого водорода.

Техническая характеристика:

рабочая среда - пылепаровая смесь, содержащая диоксид титана, HCl, CO2, H2O, азот и др.;

температура рабочей среды - 200...1450°С;

рабочее разряжение - 5-10 (0,5...1) мм вод.ст.(МПа);

внутренний диаметр реактора - 0,796 м;

длина реактора - 7,1 м.

Реактор состоит из стального кожуха, футерованного листовым асбестом, шамотом класса А, толщиной 114 мм. Реактор снабжен в верхней части патрубком для ввода ПГС из печи, снизу - патрубком для ввода ППГС в камеру предварительного охлаждения и двухтрубной коаксиальной форсункой подачи паров TiCl4 (по центральной трубе) и азота (по наружной трубе), установленной на своде.

На своде реактора смонтирована газоохлаждаемая стальная рубашка, в которой подогревается азот, для ввода и вывода азота рубашка снабжена патрубками.

В верхней части реактор оборудован перегревателем тетрахлорида титана, выполненным из приваренных к кожуху полутруб. Перегреватель TiCl4 снабжен патрубками для входа и выхода перегретых паров.

В средней части реактор оборудован подогревателем воздуха, выполненным в виде приваренной к кожуху стальной рубашки. Подогреватель воздуха снабжен патрубками для входа и выхода.


4). Камера предварительного охлаждения.

Камера предварительного охлаждения предназначена для частичного выделения диоксида титана и охлаждения пылепарогазовой смеси методом смешения с нагнетаемым воздуходувкой воздухом (используется реконструированный титановый хлоратор).

Техническая характеристика:

рабочая среда - пылепарогазовая смесь, содержащая диоксид титана, HCl, CO2, H2O, азот, и др.;

температура рабочей среды - 200...1450С;

рабочее давление - 2,9 (300) кПа (мм вод. ст.);

высота - 10,98 м;

диаметр - 5,375 м .

Стальной кожух камера предварительного охлаждения футерован шамотом класса А, толщина футеровки верхней внутренней цилиндрической части 345 мм, нижней 1035 мм. Подина камеры предварительного охлаждения коническая, снабжена патрубками для выгрузки диоксида титана посредством шнекового устройства. Камера предварительного охлаждения снабжена патрубками для ввода (внизу) и вывода (вверху) пылепарогазовой смеси и пятью патрубками для нагнетания воздуха.


5). Пылеосадительная камера.

Пылеосадительная камера предназначена для охлаждения пылепарогазовой смеси и частичного выделения (осаждения) диоксида титана.

Техническая характеристика:

рабочая среда - пылепарогазовая смесь, содержащая диоксид титана, HCl, CO2, H2O, азот, и др.;

температура рабочей среды - 200...800С;

рабочее давление - 2,9 (300) кПа (мм вод. ст.);

диаметр стояка - 204 м;

высота - 7,35 м;

высота конической части - 3,95 м;

ширина конической части - 4,52 м.

Пылеосадительная камера состоит из двух полых цилиндрических вертикальных стояков, объединенных в нижней части общим конусом, снабжен двумя патрубками для входа и выхода ППГС и патрубком выгрузки уловленного диоксида титана. Стальной корпус футерован внутри термо-кислотоупорной керамической плиткой, снаружи охлаждается водой.


6). Циклоны.

Циклоны предназначены для выделения из ППГС диоксида титана.

Техническая характеристика:

рабочая среда - пылепарогазовая смесь, содержащая диоксид титана, HCl, CO2, H2O, азот, и др.;

температура рабочей среды - 120...300С;

рабочее давление - 5 (500) кПа (мм вод. ст.);

высота - 2,9 м;

диаметр - 0,63 м .

Циклонная установка состоит из двух соединенных последовательно аппаратов, выполненных из сплава ВТ-1. Циклоны теплоизолированы снаружи шлаковой изоляцией и покрыты кожухом из листового алюминия. Аппараты снабжены патрубками входа и выхода ППГС, патрубок выгрузки диоксида титана оборудован шлюзовым затвором, патрубок выхода второго циклона соединен с рукавным фильтром.

Для исключения комкования диоксида титана, забивания и коррозии циклонов не допускается снижение температуры внутренней поверхности ниже 150С.


7). Рукавный фильтр.

Рукавный фильтр предназначен для тонкой очистки ППГС после циклонов, десорбера и сборников диоксида титана.

Техническая характеристика:

тип - РФ-120;

рабочая среда - пылепарогазовая смесь, содержащая диоксид титана, HCl, CO2, H2O, азот, и др.;

температура рабочей среды - 150...200С;

разряжение - 4,8...5,8 (480...580) кПа (мм вод. ст.);

площадь поверхности рукавов - 120 м2;

регенерация - посекционная обратной отдувкой и встряхиванием.

Рукавный фильтр выполнен из стали марки 10Х18Н9Т, обогревается электронагревателями или топочными газами, теплоизолирован снаружи шлаковой изоляцией и покрыт кожухом из листового алюминия. Аппарат снабжен патрубками ввода и вывода ППГС. Изнутри аппарат покрыт асбестовой тканью на жидком стекле с добавкой диоксида титана. Фильтрующий материал рукавов - сетка металлическая. Патрубок выгрузки диоксида титана оборудован шлюзовым затвором, для исключения комкования диоксида титана, забивания и коррозии аппарата не допускается снижение температуры внутренней поверхности ниже 150С.


8). Десорбер.

Десорбер предназначен для удаления НCl, адсорбированного частицами диоксида титана - “сырца”, при взаимодействии с увлажненным воздухом в условиях кипящего слоя.

Техническая характеристика:

рабочая среда - кислый (рН=3,5) диоксид титана “сырец”, увлажненный воздух или топочные газы от сжигания природного газа.

температура рабочей среды - 600...700С.

9). Скруббер санитарный.

( см. раздел “Охрана труда”)


10). Сборник.

Сборник предназначен для приема, охлаждения воздухом и хранения диоксида титана перед загрузкой в тару.

Техническая характеристика:

рабочая среда - кислый диоксид титана, рН водной суспензии по ГОСТ 9808-84 составляет 1...3,5;

температура рабочей среды - 20...700С;

расход воздуха - 12000 м3/ч;

площадь поверхности теплообмена - 202 м2;

режим работы - периодический;

диаметр - 3660 м;

высота - 8700 м.

Сборник выполнен из сплава ВТ-1 в виде кожухотрубного теплообменника с воздухоохлаждаемой рубашкой на кожухе. В трубное пространство загружается охлаждаемый материал, в межтрубное пространство подается охлаждающий воздух. Сборник оборудован патрубками загрузки и выгрузки материала, входа и выхода воздуха в рубашку и межтрубное пространство.


3.4. Характеристика товарной продукции.


Марка товарного продукта в зависимости от содержания диоксида титана и контролируемых показателей определяется при испытаниях и согласовывается с потребителем.

Диоксид титана представляет собой белый порошок. Химическая формула - TiO2. Насыпная масса - 100...500 кг/м3. Плотность диоксида титана в зависимости от модификации составляет:

анатаз - 3840 кг/м3;

рутил - 4260 кг/м3.

Диоксид титана инертен и практически устойчив к взаимодействию реагентов - разбавленных минеральных кислот, сероводорода, сернистого газа, органических кислот. Заметно растворяется в расплавленной буре и фосфатах.

При производстве диоксида титана обычно получают продукт анатазной или рутильной структуры. Обе эти модификации обладают одинаковой кристаллографической структурой, но имеют разные параметры кристаллической решетки, что и обуславливает различие их свойств.

Структурное изменение диоксида титана при нагреве имеет исключительно важное значение для ее практического использования. Температурный интервал и скорость превращения зависит от способа получения продукта и от содержания в нем примесей.

По физико-химическим свойствам диоксид титана должен соответствовать следующим требованиям:

Наименование показателей

Нормы для марки

ДТР-1 ДТР-2 ДТР-3 ДТР-4

Метод испытания

1.Массовая доля диоксида титана, % не менее

2. Массовая доля рутильной формы, % не менее


3. Разбеливающая способность, усл. ед, не менее


4. Укрывистость г/м2, не более


5. Белизна, усл. ед. не менее


6. Массовая доля хлор-иона % не более


95 93 97 95


95 не нормируется


1500 - 1100 1000


40 40 40 40


94 91 96 94


0,5 1,0 0,5 1,0

По ГОСТ 9808-84 п.5.2


По ГОСТ 9808-84 п.5.3


По ГОСТ 9808-84 п.5.7

ГОСТ 9529-80 р.2


По ГОСТ 9808-84 п.5.8

ГОСТ 8784-75


По ГОСТ 9808-84 п.5.11



4. Основные решения по автоматизации.

4.1. Обоснование выбора системы приборов.


Устойчивое и эффективное функционирование систем управления невозможно без точной первичной информации о состоянии параметров объекта регулирования. Проблема заключается в жестких условиях эксплуатации средств автоматизации непосредственно контактирующих с сырьем и продуктами его переработки. Эти средства испытывают влияние агрессивной и абразивных сред, вибрационные нагрузки, подвергаются отложению твердых нерастворимых остатков, а также подвержены воздействию температуры и влажности окружающей среды.

Переход к оптимизации производства, созданию и внедрению автоматизированных систем управления с использованием вычислительной техники предъявляют повышенные требования к применяемым средствам автоматизации. Применение автоматизированных систем управления невозможно без развитой базы контрольно-измерительных приборов, первичных преобразователей, осуществляющих связь этих систем с объектами управления, а также без надежных исполнительных механизмов, реализующих управляющее воздействие. Таким образом внедрение автоматизированных систем управления должно сопровождаться созданием совершенных и надежных средств автоматизации.

Отличительная особенность эксплуатации аппаратуры автоматизации в металлургической промышленности является высокая агрессивность технологической среды. Надежность работы аппаратуры автоматизации снижает склонность среды к зашламлению, а также загрязненность технологических аппаратов и трубопроводов. Присутствие твердой фазы в жидких средах приводит к коррозии чувствительных элементов первичных преобразователей и проточной части регулирующих органов. Повышенная влажность воздуха, наличие в воздухе паров агрессивных сред и пыли приводят к ухудшению электрических характеристик изоляционных материалов и способствуют усилению коррозии приборов.

Для измерения текущих параметров технологического процесса и преобразования их в унифицированные сигналы выбраны электрические контрольно-измерительные приборы системы ГСП.

В качестве первичных преобразователей для измерения температуры выбраны термопары ТПП (1400°С), ТХА (600°С) с различной длиной монтажной части. В качестве средств для измерения расхода применяются приборы “Сапфир-22М” с различными пределами измерений. Данный выбор основан на том, что по своим техническим и эксплуатационным характеристикам эти приборы являются современными средствами измерения, основанными на совершенно новом принципе действия. Это положительно сказывается на повышении точности измерения разности давлений и преобразования в унифицированный сигнал.

Преобразование измеренных значений текущих параметров процесса в унифицированные сигналы необходимо для согласования приборов с контроллером. Кроме того электрические контрольно-измерительные приборы имеют более высокую чувствительность, быстродействие и надежнее в эксплуатации.


4.2. Выбор средств управления.


Каждый технологический процесс требует таких приборов, которые бы в лучшей мере выполняли возлагаемые на них функции. Этот фактор обуславливает широкий спектр автоматических регулирующих устройств.

Все регуляторы классифицируются по различным признакам. Этими признаками могут быть: вид используемой энергии (электрический ток, сжатый воздух, жидкость), закон регулирования, характер связи между входной и выходной величиной, исполнение (приборное, аппаратное, агрегатное).

Для реализации данной автоматизированной системы управления среди наиболее известных типов автоматических регуляторов подходит микропроцессорный контроллер “Ремиконт Р-130”.

Ремиконт Р-130 (далее Ремиконт) - это компактный, малоканальный, многофункциональный, микропроцессорный контроллер, предназначенный для автоматического регулирования и логического управления технологическими процессами.

Предназначен для применения в различных отраслях промышленности.

Ремиконт эффективно решает как сравнительно простые, так и сложные задачи управления. Благодаря малоканальности он позволяет, с одной стороны, экономично управлять небольшим агрегатом и, с другой - обеспечить высокую живучесть крупных систем управления.

Ремиконт имеет три модели - регулирующее, логическую и непрерывно-дискретную. Регулирующая предназначена для решения задач автоматического регулирования, логическая - для реализации логических программ шагового управления, непрерывно-дискретная - для решения смешанных задач регулирования и логики.

Регулирующая модель позволяет вести локальное, каскадное, программное, супервизорное, многосвязное регулирование. В этой модели возможно вручную или автоматически включать, отключать, переключать и реконфигурировать контуры регулирования, причем все эти задачи решаются независимо от сложности структуры управления. В сочетании с обработкой дискретных сигналов эта модель позволяет выполнять также логические преобразования сигналов и вырабатывать не только аналоговые или импульсные, но и дискретные команды управления.

Логическая модель формирует логическую программу шагового управления с анализом условий выполнения каждого шага, заданием контрольного времени на каждом шаге и условным или безусловным переходом программы к заданному шагу. В сочетании с обработкой аналоговых сигналов эта модель позволяет также выполнять разнообразные функциональные преобразования аналоговых сигналов и вырабатывать не только дискретные, но и аналоговые управляющие сигналы.

Непрерывно-дискретная модель позволяет выполнять разнообразные преобразования как аналоговых, так и дискретных сигналов.

Все модели Ремиконта содержат средства оперативного управления, расположенные на лицевой панели контроллера, позволяющие вручную изменять режимы работы, устанавливать задание, управлять ходом выполнения программы, вручную управлять исполнительными устройствами, контролировать сигналы и индицировать ошибки.

Стандартные аналоговые и дискретные датчики и исполнительные устройства подключаются к Ремиконту с помощью индивидуальных кабельных связей. Внутри контроллера сигналы обрабатываются в цифровой форме.

Ремиконты могут объединятся в локальную управляющую сеть “Транзит” кольцевой конфигурации, не требующие дополнительных устройств. В одну сеть может включаться как одинаковые, так и различные модели контроллеров.

Ремиконт прост в работе. Для работы с ним не нужно быть программистом. Процесс программирования прост и заключается в извлечения из памяти контроллера нужных алгоритмов, объединения их в систему заданной конфигурации и установления требуемых настроечных параметров.

Ремиконт представляет собой комплекс технических средств, в состав которого входит центральный микропроцессорный блок контроллера и ряд дополнительных блоков. Центральный блок преобразует аналоговую и дискретную информацию в цифровую форму, ведет обработку ее и вырабатывает управляющие воздействия. Дополнительные блоки используются для предварительного усиления сигналов термопар и термометров сопротивления, формирования дискретных выходных сигналов на напряжение 220 В, организации внешних соединений и блокировок.


5. Экспериментальная часть.

5.1. Планирование эксперимента.


При исследовании объекта регулирования особое внимание уделяют определению динамических и статических характеристик. Методы определения характеристик бывают активные, пассивные и аналитические.

Для проведения эксперимента выбирают основные параметры технологического процесса

Одними из основных параметров, подлежащих автоматическому регулированию, являются уровень TiCl4 в кубе-испарителе и количество испаренного TiCl4, отводимого из куба-испарителя.

Автоматическое регулирование питания куба-испарителя должно обеспечивать поддержание уровня TiCl4 в заданных пределах, а также сохранению соотношения количества подаваемого TiCl4 к испаренному TiCl4 .

Так как куб-испаритель является герметизированной емкостью для простоты расчетов и удобства вычислений считаем, что количество испаренного TiCl4 при поддержании уровня в заданных условиях находится в прямопропорциональной зависимости от подаваемого TiCl4. Или другими словами, по расходу подаваемого TiCl4 можно судить о количестве испаренного TiCl4 .


Исследуя объект регулирования мы приходим к выводу, что это объект со связным регулированием.


Схема связного регулирования показана на рисунке 5.1.


n W1.1 Qж


W1.2


N W2.2 Нк


Рисунок 5.1. Схема исследуемого объекта.


Qж - расход подаваемого TiCl4

Qг - расход испаренного TiCl4

N - мощность нагревателей

Нк - уровень TiCl4 в кубе-испарителе

5.2 Проведение эксперимента.


Для получения кривой разгона по каналу “положение регулирующего клапана - расход TiCl4” применим активный эксперимент.

Схема эксперимента изображена на рисунке 5.2.1.


TiCl 4

FE FE

40б 40а

NS

40в



куб -испаритель




Ремиконт Р-130


Рисунок 5.2.1. Схема проведения эксперимента по каналу “положение

регулирующего клапана - расход TiCl4”

Установленное оборудование состоит из :


  1. прибора для измерения расхода РВК (поз.40а) ;

  2. клапана регулирующего 1-7НЗ с мембранным пневмоприводом МИМ ППХ-250-25-05 В-П (поз.40в) ;

  3. Ремиконта Р-130 соединенного с ПЭВМ.


С панели управления Ремиконта подаем 10 % скачок по расходу TiCl4 путем совместного нажатия кнопок “РУ” и ““. На экране монитора получим динамическую характеристику. Зафиксируем значения этой характеристики.

В итоге получаем кривую разгона по каналу “положение регулирующего клапана - расход TiCl4”. Замерим время переходного процесса в разомкнутой системе, оно составило 10 сек. с дискретностью 0,5 сек. Значения времени и величины расхода приведены в таблице 5.2.1.

По значениям таблицы строим кривую разгона по каналу “положение регулирующего клапана - расход подаваемого TiCl4”.

График кривой разгона изображена на рисунке 5.2.2.


Таблица 5.2.1. Значения кривой разгона по каналу “положение регулирующего клапана - расход подаваемого TiCl4”.


Время

t,с

Расход TiCl4

м3/ч

Время

t,с

Расход TiCl4

м3/ч

0,0

500

5,5

585

0,5

505

6,0

590

1,0

514

6,5

592

1,5

521

7,0

594

2,0

535

7,5

595

2,5

545

8,0

596

3,0

555

8,5

597

3,5

565

9,0

598

4,0

570

9,5

599

4,5

575

10,0

600

5,0

580




рис. 5.2.2. График кривой разгона по каналу “положение регулирующего клапана - расход TiCl4”.

Две другие кривые разгона вычисляем аналитически, зная математические зависимости между исходными данными.

Для этого схему объекта исследования, изображенную на рисунке 5.1 рассмотрим более детально. Схема изображена на рисунке 5.2.3.



X1 Qж Qж

W1



X2 Qисп.  Нк

ИМ W2 W3


Рисунок 5.2.3. Схема объекта исследования.

где:

Х1 - положение регулирующего клапана ;

Х2 - мощность электронагревателей ;

Qж - количество подводимого TiCl4 ;

Qисп. - количество испаренного TiCl4 ;

Нк - уровень в кубе-испарителе.


Как видно из схемы необходимо рассчитать кривую разгона по каналу “мощность электронагревателей - количество испаренного TiCl4” и кривую по каналу “разность количеств подаваемого и испаренного TiCl4 - уровень в кубе-испарителе”.

Рассчитываем кривую разгона по каналу “мощность электронагревателей - количество испаренного TiCl4”(Х2 - Qисп.).

Запишем уравнение теплового баланса в дифференциальной форме, в которое входят необходимые переменные.


mcdT + K(Tk. - Тo.c.)dt = Ndt

Поделим обе части уравнения на Кdt. Получим следующее:


(1)


где:

m - масса подаваемогоTiCl4 (кг);

с - теплоемкость TiCl4 (Дж/Кс) ;

Тk - температура в кубе-испарителе (К) ;

То.с. - температура окружающей среды (К) ;

N - мощность электронагревателей (кВт) ;

К - коэффициент теплоотдачи (Дж/Кс) .

Зная конструктивные размеры куба-испарителя производим необходимые расчеты:


Vк = 1,5 м3 m =Vк   = 1730  1,5 = 2595 (кг) ,

где :

Vк - объем куба-испарителя ;

 - плотность TiCl4 .


К=96923,25 Дж/Кс с = 747 Дж/Кс


Полученные данные подставим в уравнение (1).

Получим дифференциальное уравнение вида :


Решением данного дифференциального уравнения является функция:


, где Т = 20,14  20 с .


Подставляя время получаем кривую разгона по каналу “мощность электронагревателей - количество испаренного TiCl4”.


Полученные данные приведены в таблице 5.2.2. По данным из таблицы 5.2.2. строим график кривой разгона по каналу “мощность электронагревателей - количество испаренного TiCl4”,приведенный на рисунке 5.2..4.


Таблица 5.2.2. Значения кривой разгона по каналу “мощность электронагревателей - количество испаренного TiCl4”.


Время

t,с

Значения

функции

Время

t,с

Значения

функции

0

0,00

35

0,83

5

0,22

40

0,86

10

0,39

45

0,89

15

0,53

50

0,92

20

0.63

55

0,94

25

0,71

60

0,95

30

0,78

65

0,96


Рисунок 5.2.4. График кривой разгона по каналу “мощность электронагревателей - количество испаренного TiCl4”.

Рассчитываем кривую разгона по каналу “разность количеств подаваемого и испаренного TiCl4 - уровень в кубе-испарителе”.

Запишем уравнение изменения уровня в кубе-испарителе в дифференциальной форме :


F = Qж - Qисп. ,

где :

F - площадь зеркала испарения (м2) ;

- скорость изменения уровня (м/с).


Площадь зеркала испарения F рассчитываем математически, зная конструктивные размеры куба-испарителя. Расчет ведется при заданном уровне 90 мм.

Длина куба-испарителя - 1,508 м. Ширину зеркала испарения при заданном уровне 90 мм рассчитываем геометрически. Схема расчета приведена на рисунке 5.2.5.



б




Нк куба




Рисунок 5.2.5. Схема расчета ширины площади зеркала испарения.


Из расчета получается, что она равна 0,86 м. Следовательно площадь зеркала испарения равна :


F = l  б = 1,508  0,86 = 1,75 м2.


Подставляем полученные данные в дифференциальное уравнение изменения уровня, при этом берем изменение количества TiCl4 равным 100 м3/ч.

1,75  = 100

Получаем дифференциальное уравнение вида = 57,14.

Решением данного дифференциального уравнения является функция вида :

Н = 57,14  t .


Подставляя время получаем кривую разгона по каналу “разность количеств подаваемого и испаренного TiCl4 - уровень в кубе-испарителе”.

Полученные данные приведены в таблице 5.2.3. По данным из таблицы 5.2.3. строим график кривой разгона по каналу “разность количеств подаваемого и испаренного TiCl4 - уровень в кубе-испарителе”, приведенный на рисунке 5.2.6.


Таблица 5.2.3. Значения кривой разгона по каналу “разность количеств подаваемого и испаренного TiCl4 - уровень в кубе-испарителе”.


Время

t,с

Значения

функции

Время

t,с

Значения

функции

0,00

0,00

1,25

71,42

0,25

14,29

1,50

85,71

0,50

28,57

1,75

100,00

0,75

42,86

2,00

114,28

1,00

57,14

2,10

119,90


Рисунок 5.2.6. График кривой разгона по каналу “разность количеств подаваемого и испаренного TiCl4 - уровень в кубе-испарителе”.


6. РАСЧЕТНАЯ ЧАСТЬ

6.1. Аппроксимация переходных процессов.

6.1.1. Аппроксимация кривой переходного процесса объекта по каналу “положение регулирующего органа - расход TiCl4”


Определение передаточной функции объекта по основному каналу проводим по кривой разгона, полученной в разделе 5.2 проекта.

Значения точек кривой приведены в таблице 5.2.1, а график функции - на рисунке 5.2.2 .

Из графика переходного процесса видно, что этот объект обладает свойством самовыравнивания, потому расчёт передаточной функции будем проводить в программе Linreg .

Перед вводом точек кривой переходного процесса в программу, функции необходимо привести к безразмерному виду.

Это легко сделать в программе идентификации объектов управления, используя команду "нормировать".

Значения нормированной кривой приведены в таблице 6.1.1,

График нормированной кривой - на рисунке 6.1.1.


Таблица 6.1.1. Значения нормированной кривой по каналу “положение регулирующего органа - расход TiCl4”


Время

t,с

Значение функции


Время

t,с

Значение функции

0,0

0,0000

5,5

0,8477

0,5

0,0695

6,0

0,8874

1,0

0,1490

6,5

0,9161

1,5

0,2395

7,0

0,9360

2,0

0,3444

7,5

0,9492

2,5

0,4492

8,0

0,9603

3,0

0,5475

8,5

0,9702

3,5

0,6302

9,0

0,9801

4,0

0,6965

9,5

0,9901

4,5

0,7515

10,0

1,0000

5,0

0,8013




рис. 6.1.1. График нормированной кривой по каналу каналу “положение регулирующего клапана - расход TiCl4”.


После расчёта передаточной функции в Linreg получаем:



Коэффициент передачи объекта по каналу каналу “положение регулирующего органа - расход TiCl4” составляет:


Кпер. = (Х max. - Х0 )/ w ,

где :

Х max.- максимальное значение выходной величины, расход TiCl4 ;

Х0- начальное значение выходной величины, расход TiCl4 ;

w - величина внешнего возмущения, w = 10 %.


Кпер. = (600 - 500) / 10 = 10


6.1.2. Аппроксимация переходного процесса объекта по каналу “мощность электронагревателей - количество испаренного TiCl4”.

.

Аппроксимацию переходного процесса по каналу “мощность электронагревателей - количество испаренного TiCl4” проводим в той же последовательности, проведенной при аппроксимации переходного процесса по каналу “положение регулирующего органа - расход TiCl4”. Это связано с тем, что данный объект как и предыдущий имеет свойство самовыравнивания.

Значения нормированной кривой приведены в таблице 6.1.2.

График нормированной кривой изображен на рисунке 6.1.2.


Таблица 6.1.2. Значения нормированной кривой по каналу “мощность электронагревателей - количество испаренного TiCl4”.


Время

t,с

Значения

функции

Время

t,с

Значения

функции

0

0,0000

35

0,8564

5

0,2049

40

0,8949

10

0,3905

45

0,9264

15

0,5342

50

0,9545

20

0,6462

55

0,9755

25

0,7338

60

0,9895

30

0,8039

65

1,0000



рис. 6.1.2 График нормированной кривой по каналу каналу “мощность электронагревателей - количество испаренного TiCl4”.


Передаточная функция кривой разгона изображенной на рисунке 6.1.2. имеет вид :



Коэффициент передачи объекта по каналу “мощность электронагревателей - количество испаренного TiCl4” составляет:


Кпер. = ( Хmax - X0 )/ w


Кпер. = (0,96 - 0)/ 10 = 0.096


6.1.3. Аппроксимация переходного процесса по каналу “разность количеств подаваемого и испаренного TiCl4 - уровень в кубе-испарителе”.


Аппроксимацию переходного процесса по каналу “разность количеств подаваемого и испаренного TiCl4 - уровень в кубе-испарителе” проводить нет необходимости, так как кривая разгона по каналу “разность количеств подаваемого и испаренного TiCl4 - уровень в кубе-испарителе” представляет собой интегральную прямую (рисунок 5.2.6. раздела 5.2.).


6.2. Проверка аппроксимации переходных процессов.

6.2.1. Проверка аппроксимации переходного процесса по каналу “положение регулирующего органа - расход TiCl4”.


Проверку аппроксимации переходных процессов проводим с целью определения точности аппроксимации, путём получения переходного процесса "обратным путём". То есть - по полученным в разделе 6.1 передаточным функциям получаем кривую переходного процесса и сравниваем эту кривую с исходной. В идеальном случае - обе кривые должны совпасть.

Передаточная функция объекта по каналу “положение регулирующего органа - расход TiCl4”равна:



Для определения переходного процесса воспользуемся программой Aproc - нахождение уравнения реакции системы на ступенчатое возмущение методом Карсона-Хевисайда. После ввода в программу коэффициентов передаточной функции, получим следующее математическое выражение реакции системы на единичное ступенчатое воздействие y(t):


y(t) = 1 + 3,39  cos(4,46 - 0,15  t)  e -0,59  t


Оформляем таблицу 6.2.1, в которой :


1 столбец - значения времени, с;


2 столбец - значения исходной кривой разгона, приведенной к безразмерной форме ;

Хнорм. - значения точек нормированной кривой, приведенных в таблице 6.1.1 ;


3 столбец - значения функции y(t) ;


4 столбец - абсолютная погрешность А, вычисленная по формуле:


А = Хнорм.(t) - y(t);


5 столбец - абсолютное значение разности квадратов Хнорм.(t) и y(t).


На рисунке 6.2.1 изображены исходная кривая переходного процесса и кривая, полученная преобразованием передаточной функции объекта (по данным столбцов 1 - 3 таблицы 6.2.1).


В 6 столбец записываем среднеквадратичное отклонение для двух функций, СКО = 0,007. Максимальная абсолютная погрешность составляет 3,16 %.


Таблица 6.2.1.


Время

t,c


Хнормир.

(t)


Y(t)


Абс.погреш-

ность

А


Разность квадратов

Х2норм.-Y2(t)


СКО

0,0

0,0000

0,0000

0,0000

0,0000

-0,0502

0,5

0,0695

0,0379

0,0316

0,0183


1,0

0,1490

0,1253

0,0255

0,0065


1,5

0,2395

0,2344

0,0051

0,0024


2,0

0,3444

0,3479

-0,0035

-0,0024


2,5

0,4492

0,4560

-0,0068

-0,0062


3,0

0,5475

0,5537

-0,0062

-0,0068


3,5

0,6302

0,6389

-0,0087

-0,0110


4,0

0,6965

0,7112

-0,0147

-0,0207


4,5

0,7517

0,7713

-0,0196

-0,0299


5,0

0,8013

0,8206

-0,0193

-0,0313


5,5

0,8477

0,8603

-0,0126

-0,0215


6,0

0,8874

0,8921

-0,0047

-0,0084


6,5

0,9161

0,9172

-0,0011

-0,0020


7,0

0,9360

0,9369

-0,0009

-0,0017


7,5

0,9492

0,9522

-0,0030

-0,0057


8,0

0,9603

0,9640

-0,0037

-0,0071


8,5

0,9702

0,9731

-0,0029

-0,0056


9,0

0,9801

0,9800

0,0001

-0,9410


9,5

0,9901

0,9852

0,0049

0,0195


10,0

1,0000

0,9881

0,0119

0,02370




рис 6.2.1. Проверка аппроксимации переходного процесса по каналу “положение регулирующего органа - расход TiCl4”.


6.2.2. Проверка аппроксимации кривых переходного процесса по каналу “мощность электронагревателей - количество испаренного TiCl4” и каналу “разность количеств подаваемого и испаренного TiCl4 - уровень в кубе-испарителе”.

Проверку аппроксимации кривых переходного процесса по каналу “мощность электронагревателей - количество испаренного TiCl4” и каналу “разность количеств подаваемого и испаренного TiCl4 - уровень в кубе-испарителе” не производим, так как они были получены аналитически из математических зависимостей.


9. Построение математической модели и оптимизация технологического процесса.

Выбор критерия оптимальности.


Частной задачей вопроса автоматизации является оптимизация работы куба-испарителя, поэтому в задаче


6. РАСЧЕТНАЯ ЧАСТЬ

6.1. Аппроксимация переходных процессов.

6.1.1. Аппроксимация кривой переходного процесса объекта по основному каналу.

Определение передаточной функции объекта по основному каналу проводим по кривой разгона, полученной в разделе 5.2 проекта.

Значения точек кривой приведены в таблице 5.2.1, а график функции - на рисунке 5.2.1.

Так как исследуемый объект, как видно из графика переходного процесса, обладает свойством самовыравнивания, - расчёт передаточной функции будем проводить в программе Linreg . Перед вводом точек кривой переходного процесса в программу, функции необходимо привести к безразмерному виду. Это легко сделать в программе идентификации объектов управления , используя команду "нормировать". Значения нормированной кривой приведены в таблице 6.1.1, график нормированной кривой - на рисунке 6.1.1.


Таблица 6.1.1.

Время

t,c.

Значен.

функц.

Время

t,c.

Значен.

функц.

Время

t,c.

Значен.

функц.

Время

t,c.

Значен.

функц.

0

0

12

0,5293

24

0,904

36

0,9847

1

0

13

0,5763

25

0,9173

37

0,9867

2

0,0017

14

0,624

26

0,931

38

0,9883

3

0,0167

15

0,6687

27

0,9393

39

0,992

4

0,0467

16

0,709

28

0,947

40

0,994

5

0,0933

17

0,7457

29

0,9533

41

0,996

6

0,1433

18

0,7787

30

0,9597

42

0,9963

7

0,2083

19

0,808

31

0,9653

43

0,9967

8

0,277

20

0,8297

32

0,9707

44

0,9977

9

0,346

21

0,8517

33

0,976

45

1,000

10

0,411

22

0,8723

34

0,98

46


11

0,4713

23

0,889

35

0,983

47



рис. 6.1.1. График нормированной кривой по основному каналу

После расчёта передаточной функции в Linreg получаем:


Коэффициент передачи объекта по основному каналу составляет:

Кв.к. = (Х max. - Х0 )/ w , где

Х max.- максимальное значение выходной величины, рН;

Х0- начальное значение выходной величины, рН;

w - величина внешнего возмущения, w = 10 %.

Кв.к. = (12.05 - 2.05) / 10 = 1,0


6.1.2. Аппроксимация переходного процесса объекта по внутреннему каналу .

Аппроксимацию переходного процесса по внутреннему каналу проводим в последовательности, проведенной при аппроксимации переходного процесса по основному каналу, так как оба объекта имеют свойство самовыравнивания.


Значения нормированной кривой приведены в таблице 6.1.2. График нормированной кривой на рисунке 6.1.2.

Таблица 6.1.2.

Время t,c

Значение функции

0

0,000

1

0.0256

2

0,0513

3

0,0798

4

0,1311

5

0,2194

6

0,3476

7

0,4786

8

0,5983

9

0,698

10

0,8006

11

0,8989

12

0,9993

13

1,000


После расчета передаточной функции в Linreg получаем передаточную функцию следующего вида:



Коэффициент передачи по внутреннему каналу составляет:

Кпер. = ( Хmax - X0 )/ w

Кпер. = ( 3.9 - 2.05 )/ 10 = 0.145


рис. 6.1.2 График нормированной кривой по внутреннему каналу


6.1.3. Аппроксимация переходного процесса по каналу внешнего возмущения.

Также по аналогии проводим аппроксимацию переходного процесса по каналу внешнего возмущения. Значение функции нормированной кривой заносятся в программу Linreg, после чего производится расчет передаточной функции объекта по каналу внешнего возмущения. Значения функций заносим в таблицу 6.1.3. График нормированной кривой по каналу внешнего возмущения на рисунке 6.1.3.

Таблица 6.1.3.

Время

с.

Значен.

функц.

Время

с.

Значен.

функц.

Время

с.

Значен.

функц.

Время

с.

Значен.

функц.

0

0,001

10

0,3131

20

0,6762

30

0,9162

1

0,0095

11

0,3486

21

0,7067

31

0,9314

2

0,019

12

0,3867

22

0,7371

32

0,9467

3

0,04

13

0,4267

23

0,7676

33

0,9619

4

0,0743

14

0,4686

24

0,7905

34

0,9771

5

0,1162

15

0,5105

25

0,8133

35

0,9867

6

0,1543

16

0,5467

26

0,8362

36

0,9924

7

0,1886

17

0,581

27

0,861

37

0,9962

8

0,2293

18

0,6114

28

0,88

38

0,9981

9

0,2712

19

0,6457

29

0,899

39

1,000


После проведения расчета передаточной функции получаем передаточную функцию следующего вида:

Коэффициент передачи в данном случае будет равен:

Кпер.= (12,7-3,95)/8,75=1


рис.6.1.3. График нормированной кривой по каналу внешнего возмущения


6.2. Проверка аппроксимации переходных процессов.

6.2.1. Проверка аппроксимации переходного процесса по основному каналу.


Проверку аппроксимации переходных процессов проводим с целью определения точности аппроксимации, путём получения переходного процесса "обратным путём". То есть - по полученным в разделе 6.1 передаточным функциям получаем кривую переходного процесса и сравниваем эту кривую с исходной. В идеальном случае - обе кривые должны совпасть.

Передаточная функция объекта по основному каналу равна:


Для определения переходного процесса воспользуемся программой Aproc - нахождение уравнения реакции системы на ступенчатое возмущение методом Карсона-Хевисайда. После ввода в программу коэффициентов передаточной функции, получим следующее математическое выражение

реакции системы на единичное ступенчатое воздействие y(t):

y(t) = 1 + 1.89 * Cos(4,15 - 0,07 * t) * exp(-0,11 * t).

Оформляем таблицу 6.2.1, в которой :

1 столбец - значения времени, с.

2 столбец - значения исходной кривой разгона, приведенной к безразмерной форме.

Хнорм. - значения точек нормированной кривой, приведенных в таблице 6.1.1

3 столбец - значения функции y(t)

4 столбец - абсолютная погрешность А, вычисленная по формуле:

А = Хнорм.(t) - y(t);


5 столбец - абсолютное значение разности квадратов Хнорм.(t) и y(t).

На рисунке 6.2.1 изображены исходная кривая переходного процесса и кривая, полученная преобразованием передаточной функции объекта (по данным столбцов 1 - 3 таблицы 6.2.1).

В 6 столбец записываем среднеквадратичное отклонение для двух функций, СКО = 0,007. Максимальная абсолютная погрешность составляет 2,4%.

Таблица 6.2.1.

Время

t,с

Хнормир.(t)

Y(t)

Абс.погрешн-ть

А

Раз-ть квадратов

Х2норм.-Y2(t)

СКО

0

0.000

0.000

0.000

0.000

0.007

1

0.000

0.0078

-0.0078

0.000


2

0.0017

0.011

0.006

0.000


3

0.0167

0.027

0.014

0.0005


4

0.0467

0.059

-0.0123

0.001


5

0.0933

0.101

-0.0077

0.002


6

0.1433

0.165

-0.0217

0.006


7

0.2083

0.233

-0.0247

0.01


8

0.277

0.2988

-0.0218

0.012


9

0.346

0.3517

-0.0057

0.004


10

0.411

0.4039

0.01

0.005


11

0.4713

0.4548

0.019

0.01


12

0.5293

0.5038

0.02

0.02


13

0.5763

0.574

0.002

0.003


14

0.624

0.619

0.005

0.006


15

0.6687

0.666

0.002

0.004


16

0.709

0.7117

-0.002

0.004


17

0.7457

0.745

0.0007

0.001


18

0.7787

0.7756

0.003

0.004


19

0.808

0.8036

0.005

0.007


20

0.8297

0.8289

0.0006

0.001


21

0.8517

0.8519

-0.0002

0.0001


22

0.8723

0.8725

-0.0002

0.0001


23

0.889

0.887

0.002

0.003


24

0.904

0.911

-0.007

0.01


25

0.9173

0.920

-0.003

0.005


26

0.931

0.934

-0.003

0.005


27

0.9393

0.935

0.004

0.008


28

0.947

0.9463

0.001

0.001


29

0.9533

0.9562

-0.002

0.005


30

0.9597

0.9648

-0.005

0.01


31

0.9653

0.9723

-0.007

0.01


32

0.9707

0.9787

-0.008

0.01


33

0.976

0.9841

-0.008

0.01


34

0.98

0.9887

-0.008

0.01


35

0.983

0.9926

-0.009

0.008


36

0.9847

0.9958

-0.011

0.02


37

0.9867

0.9985

-0.012

0.01


38

0.9883

1.0006

-0.012

0.009


39

0.992

1.0023

-0.01

0.01


40

0.994

1.0037

-0.009

0.01


41

0.996

1.0047

-0.008

0.009


42

0.9963

1.0054

-0.009

0.01


43

0.9967

1.006

-0.009

0.01


44

0.9977

1.0063

-0.002

0.01


45

1.000

1.0065

-0.0065

0.01


Сумма




0.3327



рис 6.2.1. Проверка аппроксимации переходного процесса по основному каналу.



6.2.2. Проверка аппроксимации кривой переходного процесса по внутреннему каналу.


Для получения математического выражения реакции внутреннего канала на единичное воздействие воспользуемся программой Aproc. Передаточная функция объекта по внутреннему каналу имеет вид:


Вводим в программу коэффициенты передаточной функции и после расчёта получаем следующее выражение реакции внутреннего канала на единичное ступенчатое воздействие:

y(t) = 1 + 1,57 * Cos(4,02 - 0,14 * t) * exp(-0,17 * t).


Далее, аналогично таблице 6.2.1 оформляем таблицу 6.2.2. Значения столбцов 1, 2 заполняем в соответствии с таблицей 6.1.2.

По значениям первых трёх столбцов строим исходную кривую переходного процесса, а так же кривую полученную путём перехода к оригиналу по Карсону-Хевисайду (рисунок 6.2.2).


Таблица 6.2.2.

Время

t,c

Хнор.(t)

Y(t)

Абс.погр.

А

Разность

Х2нор.(t)-Y2(t)

СКО

0

0

0.000

0.000

0.000

0.02

1

0.0256

0.0206

0.005

0.0002


2

0.0513

0.065

-0.01

0.001


3

0.0798

0.12

-0.04

0.008


4

0.1311

0.19

-0.047

0.01


5

0.2194

0.264

-0.04

0.02


6

0.3476

0.37

-0.02

0.01


7

0.4786

0.5086

-0.03

0.02


8

0.5983

0.63

-0.03

0.03


9

0.698

0.737

-0.039

0.05


10

0.8006

0.837

-0.036

0.05


11

0.8989

0.93

-0.031

0.05


12

0.9993

1.000

-0.0007

0.001


13

1

1.02

0.02

0.04


Сумма




0.2902



Из таблицы видно, что среднеквадратичное отклонение исходной кривой от полученной из передаточной функции по Карсону-Хевисайду составляет 0,02 %, максимальная абсолютная погрешность - 4,7 %. Следовательно, можно считать что исходная кривая аппроксимирована с достаточной точностью.



рис.6.2.2.Проверка аппроксимации переходного процесса по внутреннему каналу.


6.2.3. Проверка аппроксимации переходного процесса по каналу внешнего возмущения.


Проверку аппроксимации переходного процесса по каналу внешнего возмущения проводим в такой же последовательности, как и в разделах, описанных выше.


Передаточная функция объекта по каналу внешнего возмущения равна:


Для определения переходного процесса воспользуемся программой Apron - нахождение уравнения реакции системы на ступенчатое возмущение методом Карсона-Хевисайда. После ввода в программу коэффициентов передаточной функции, получим следующее математическое выражение реакции системы на единичное ступенчатое воздействие y2(t):

y(t) = 1 + 1,94 * Cos(4,17 - 0,06 * t) * exp(-0,09 * t).


Оформляем таблицу 6.2.3 (аналогично таблице 6.2.1). По значениям столбцов 1-3 строим графики исходной кривой разгона объекта по каналу

внешнего возмущения и кривую, полученную из передаточной функции по Карсону-Хевисайду.

Среднеквадратичное отклонение исходной кривой от полученной составляет 0,01 %, максимальная абсолютная погрешность - 2%. Следовательно, можно считать что исходная кривая аппроксимирована с достаточной точностью.


Таблица 6.2.3.

Время

t,c

Хнорм.(t)

Y(t)

Абс.погр.

А

Разность

Х2н.(t)-Y2(t)

СКО

0

0.001

0.000

0.001

0.000

0.01

1

0.0095

0.0055

0.004

0.000


2

0.019

0.0205

-0.0015

0.000


3

0.04

0.0434

-0.003

0.000


4

0.0743

0.0726

0.0017

0.000


5

0.1162

0.1066

0.009

0.002


6

0.1543

0.1444

0.0099

0.003


7

0.1886

0.1849

0.004

0.001


8

0.2293

0.2272

0.002

0.001


9

0.2712

0.2705

0.0007

0.0004


10

0.3131

0.3143

-0.001

0.0007


11

0.3486

0.3579

-0.009

0.006


12

0.3867

0.401

-0.01

0.01


13

0.4267

0.4432

-0.01

0.01


14

0.4686

0.4841

-0.015

0.015


15

0.5105

0.5237

-0.01

0.014


16

0.5467

0.5616

-0.015

0.016


17

0.581

0.5977

-0.0167

0.02


18

0.6114

0.632

-0.02

0.025


19

0.6457

0.6645

-0.02

0.02


20

0.6762

0.695

-0.018

0.02


21

0.7067

0.7236

-0.017

0.02


22

0.7371

0.7503

-0.013

0.02


23

0.7676

0.7752

-0.007

0.01


24

0.7905

0.7983

-0.007

0.01


25

0.8133

0.8196

-0.006

0.01


26

0.8362

0.8392

-0.003

0.005


27

0.861

0.8572

0.004

0.006


28

0.88

0.8737

0.006

0.01


29

0.899

0.888

0.01

0.01


30

0.9162

0.9025

0.0137

0.02


31

0.9314

0.924

0.007

0.01


32

0.9467

0.934

0.01

0.02


33

0.9619

0.948

0.0139

0.026


34

0.9771

0.96

0.0171

0.03


35

0.9867

0.978

0.009

0.02


36

0.9924

0.989

0.003

0.006


37

0.9962

0.9872

0.009

0.02


38

0.9981

0.9929

0.005

0.01


39

1.000

0.9989

0.001

0.002


Сумма




0.4291



рис.6.2.3.Проверка аппроксимации переходного процесса по каналу внешнего возмущения.

6.3. Расчёт оптимальных настроек регулятора одноконтурной АСР.


Для расчёта настроек регулятора одноконтурной АСР вводим в основную программу Linreg передаточную функцию объекта по основному каналу:


Расчёт проводим для ПИ-регулятора методом Ротача, получаем следующие настройки регулятора:

Кп = 3,15;

Ти = 12,6.

На рисунках 6.3.1 и 6.3.2 изображены кривые переходных процессов для одноконтурной АСР при полученных настройках регулятора при управляющем и возмущающем воздействии соответственно.

Величины максимального отклонения регулируемой величины составляют: 30 % - при управляющем воздействии, и 26 % - при возмущающем.

Настройки регулятора посчитаны для степени затухания 0,9. Уменьшение степени затухания приводит к увеличению величины перерегулированияв переходном процессе при управляющем воздействии.

Большие значения перерегулирования в переходных процессах обусловлены свойствами объекта регулирования.


рис.6.3.1. Кривая переходного процесса для одноконтурной АСР при управляющем воздействии.


рис.6.3.2. Кривая переходного процесса для одноконтурной АСР при возмущающем воздействии.


6.4. Расчет оптимальных настроек регуляторов каскадной АСР.

Для более оптимального ведения процесса нейтрализации, поддержания технологических параметров на заданном уровне (в данном дипломном проекте это величина рН сточных вод), предлагаю реализовать каскадно-комбинированную схему АСР с компенсацией по возмущению.

Каскадная система регулирования является схема, в которой вводится дополнительная стабилизация некоторой промежуточной величины дополнительным регулятором. Структурная схема имеет следующий вид:





Xy Wp1 Wp2 Xp WO.K. X


X1 WB.K.






рис.6.4.1.Структурная схема каскадной АСР.

Регулятор Wp1 контролирует основную величину “Х” и при ее отклонении воздействует не на регулирующий орган, а на задатчик регулятора Wp2. Регулятор Wp2 в свою очередь поддерживает на заданном значении вспомогательную величину Х1.

Объект WB.K. с регулятором Wp2 образуют внутренний контур системы или стабилизирующий.

Объект WO.K. c регулятором Wp1 называют внешним контуром или корректирующим.

Расчет оптимальных настроек регуляторов для каскадной АСР будем проводить в следующей последовательности:

1.- Определяем настройки регулятора внутреннего контура.

2.- Определяем вид передаточной функции для эквивалентного объекта.

3.- По передаточной функции эквивалентного объекта определяем настройки регулятора для внешнего контура.

Настройки регулятора внутреннего контура определяем по передаточной функции внутреннего канала объекта:


Расчет проводим аналогично расчету одноконтурной АСР. Получаем следующие настройки регулятора:

КП=2,56;

ТИ=7,47.

Переходные процессы внутреннего контура с полученными настройками регулятора по управлению и возмущению изображены на рисунках 6.4.1 и 6.4.2.


рис.6.4.2.График переходного процесса внутреннего контура по управляющему воздействию.


рис.6.4.3.График переходного процесса внутреннего контура при возмущающем воздействии.


Данные, которые были только что произведены понадобятся в дальнейшем для расчета эквивалентного объекта и пересчета настроек регулятора для каскадной АСР.

Итак рассчитываем передаточную функцию для эквивалентного объекта по следующей формуле:

Wэкв.(S)


WР1(S) - передаточная функция стабилизирующего регулятора:

)

WO.K(S) - передаточная функция основного канала.

WB.K.(S) - передаточная функция внутреннего канала.

Запишем следующую передаточную функцию эквивалентного объекта:

Wэкв.(S)


При дальнейших вычислениях получаем передаточную функцию эквивалентного объекта следующего вида:

Wэкв.(S)


По полученной передаточной функции эквивалентного объекта находим настроечные параметры для корректирующего регулятора:

Кп = 0,49;

Ти = 1,46.


На рисунках 6.4.3 и 6.4.4 изображены графики переходных процессов по управлению и по возмущению для каскадной АСР.




рис.6.4.3. График переходного процесса для каскадной АСР по управлению


рис.6.4.4. График переходного процесса для каскадной АСР по возмущению.


6.5 Расчет настроек регулятора комбинированной АСР.


Введение добавочных контуров регулирования способствует повышению точности работы системы. Схема, предложенная на рисунке 6.5.1 называется комбинированной схемой регулирования с компенсацией по возмущению. Выход компенсирующего устройства подается на вход регулятора.



WK


WВОЗ.


X Wp1 Wp2 WO.K Y


WB.K.






рис.6.5.1. Структурная схема комбинированной АСР.


Добавочное звено WK, которое появилось в данной схеме, является фильтром, через который

проходит возмущающее воздействие, прежде чем войти в систему в виде управляющего воздействия “Х”.

Преимущество комбинированной системы заключается в том, что увеличение фильтрующей способности фильтра может быть достигнута не только изменением настроечных параметров регулятора, но также изменением настроек компенсирующего устройства.

Сначала необходимо найти передаточную функцию эквивалентного фильтра. Передаточную функцию рассчитываем по формуле:

где

WB(S)- передаточная функция по каналу внешнего возмущения

WЭК.О(S)-передаточная функция эквивалентного объекта для каскадной АСР.

Wp1(S)-передаточная функция регулятора по основному каналу.

Подставляем в выражение значения передаточных функций и получаем следующее выражение:



После расчета получаем передаточную функцию эквивалентного компенсатора следующего вида:

Затем проводим расчет настроечных параметров компенсатора. Расчет ведем для нулевой и критической частоты. Для этого полученную передаточную функцию заводим в программу “Linrеg”. Снимаем КЧХ и записываем значения Re и Im для частот =0 и критической частоты по основному каналу =0.21827. Получаем следующие значения:

Re

Im

0

0

0

0.21827

0.101

0.00412


Коэффициенты компенсатора определяем геометрически на рисунке 6.5.2.



Im







0.06



0.04


0.02

C D

0

0.02 0.04 0.06 0.08 0.1 0.102 0.104 Re


рис.6.5.2.Графический метод определения настроечных параметров компенсатора.


Из графика видно, что:

6.6 Моделирование переходных процессов

Для моделирования переходных процессов одноконтурных АСР по возмущению и по управлению, а также каскадной АСР по возмущению и по управлению и комбинированной системы с компенсатором и без него воспользуемся программой “SIAM”

Схема одноконтурной АСР по управляющему воздействию предоставлена на рисунке 6.6.1, где

1. W(S)- объект-передаточная функция основного канала;

2. К-коэффициент пропорциональности регулятора основного канала, 3.15

3. K/S-значение Кп/Ти = 3.15/12.6 = 0.25

На рисунке 6.6.2 изображен график отклика схемы на единичный скачок.


рис.6.6.1.Схема одноконтурной АСР основного канала по управлению



рис.6.6.2 График отклика одноконтурной АСР по основному каналу на управляющее воздействие.


Схема переходного процесса основного канала по возмущению предоставлена на рисунке 6.6.3. Настройки звеньев схемы такие же как и в предыдущей схеме.

График отклика схемы на возмущение изображен на рисунке 6.6.4.




рис.6.6.3 Схема одноконтурной АСР основного канала по возмущению




рис.6.6.4.График отклика одноконтурной АСР по основному каналу на возмущение


Модель каскадной АСР по управлению приведена на рисунке 6.6.5.



рис.6.6.5 Модель каскадной АСР по управлению


1.К-коэффициент пропорциональности регулятора эквивалентного объекта 0.49

2. K/S-значение Кп/Ти = 0.49/1.46 = 0.33

3. К-коэффициент пропорциональности регулятора внутреннего канала 2.56

4. K/S-значение Кп/Ти = 2.56/7.47 = 0.34

5.W(S)-передаточная функция внутреннего канала

6.W(S)-передаточная функция основного канала

График отклика модели на управляющее воздействие предоставлен на рисунке 6.6.6. График снимаем со звена 5.



рис.6.6.6.График отклика модели каскадной АСР по управлению.


Модель каскадной АСР по возмущению предоставлена на рисунке 6.6.7., где:

1.W(S)-передаточная функция объекта по основному каналу

2.W(S)-передаточная функция объекта по внутреннему каналу

3.К-коэффициент пропорциональности регулятора эквивалентного объекта Кп=0.49

4.K/S-значение Кп/Ти = 0.49/1.46 = 0.33

5.К-коэффициент пропорциональности регулятора внутреннего канала Кп=2.56

6.K/S-значение Кп/Ти = 2.56/7.47 =0.34

7.К-блок усиления входного сигнала К=-1

График отклика модели на возмущение изображен на рисунке 6.6.8.



рис.6.6.7 Модель каскадной АСР по возмущению





рис.6.6.8.График отклика модели каскадной АСР по возмущению


Модель комбинированной АСР без компенсатора изображена на рисунке 6.6.9., где:

1.W(S)-передаточная функция объекта по возмущению;

2.К-коэффициент пропорциональности регулятора эквивалентного объекта Кп=0.49

3.K/S-интегрирующее звено, значение Кп/Ти =0.49/1.46=0.33;

4.К-коэффициент пропорциональности регулятора внутреннего контура объекта Кп=2.56;

5.K/S-интегрирующее звено, значение Кп/Ти=2.56/7.47=0.34;

6.W(S)-передаточная функция объекта по внутреннему каналу;

7.W(S)-передаточная функция объекта по основному каналу;

8.К-коэффициент усиления входного сигнала К=-1;

9.К-коэффициент усиления входного сигнала К=-1.

График отклика модели на возмущение изображен на рисунке 6.6.10.



рис.6.6.9.Модель комбинированной АСР без коипенсатора.



рис.6.6.10.График отклика комбинированной АСР без компенсатора на возмущение


Модель комбинированной АСР с компенсатором изображена на рисунке 6.6.11., где:

1.W(S)-передаточная функция объекта по каналу внешнего возмущения

2.К-коэффициент усиления входного сигнала К=0.103

3.K/TS+1-передаточная функция компенсатора, в функцию заносятся коэффициенты К=0.103 и Т=8.36

4.К-коэффициент пропорциональности регулятора эквивалентного объекта Кп=0.49

5.K/S-интегрирующее звено, значение Кп/Ти = 0.49/1.46 = 0.33

6.К-коэффициент пропорциональности регулятора внутреннего контура объекта Кп=2.56

7.K/S-интегрирующее звено, значение Кп/Ти = 2.56/7.47 = 0.34

8.W(S)-передаточная функция объекта по внутреннему каналу

9.W(S)-передаточная функция объекта по основному каналу

10.К-коэффициент усиления входного сигнала К=-1

11.К-коэффициент усиления входного сигнала К=-1

График отклика модели на возмущающее воздействие изображен на рисунке 6.6.12.



рис.6.6.11.Модель комбинированной АСР с компенсатором




рис.6.6.12.График отклика модели комбинированной АСР с компенсатором на возмущение.

6.7. Анализ качества переходных процессов в различных АСР.


Величины перерегулирования для каждого вида АСР заносим в таблицу 6.7.1., для анализирования и выводов.

Таблица 6.7.1.

Схема

регулирования

По управлению

+max% -min%

Время

затух.

По возмущению

+max% -min%

Время

затух.

одноконтурная

27

16

100с.

25

---

90с.

каскадная

25

7

65с.

18

19

90с.

комбиниров.без

компенсатора

---

---

---

24

0.03

100с.


комбиниров. с

компенсатором

---

---

---

48

0.08

60с.


Вывод: Из таблицы видно, что каскадная схема АСР значительно качественней одноконтурной. Это связано с применением дополнительного регулятора по внутреннему каналу.

Комбинированная АСР с компенсатором хотя и имеет большой процент перерегулирования, но выводит значение регулируемой величины в исходное состояние за самый короткий промежуток времени 60 секунд.

Выбираем каскадную АСР.



6.8 РЕАЛИЗАЦИЯ АСР.


Предлагаемая АСР реализована на “Ремиконте Р-130”. В состав ремиконта входят: блок контроллера БК-1, средства связи с объектом, блок питания БП-1 (обеспечивает весь состав ремиконта).

Блок контроллера БК-1 ведет обработку информации в цифровой форме, организует программу всех алгоритмов управления.

Средства связи с объектом организуют предварительное усиление сигналов с датчиков, формирование дискретных выходных сигналов и импульсных цепей для управления различного рода исполнительными механизмами.

Сигналы с датчиков приходят на преобразователи, в частности с рН-метров на преобразователь П-215 (разъем Х2, клеммы 1,2,3), с датчиков уровня “Сапфир-22” на преобразователь “Сапфир-22-БПС-24 (разъем ХР1 клеммы 1,2), с сигнализирующих электродов уровня на преобразователь РОС-301(разъем Х1, клеммы 13,1,3). Выходные аналоговые сигналы 0-5мА с преобразователей через клеммник Хкп4 поступают на КБС-3 и далее на модуль аналоговых и дискретных сигналов группы А ремиконта Р-130-22 (позиция 1-2, смотри рисунок 6.8.1.).

Дискретные сигналы с преобразователей РОС через клеммник Хкп4 поступает на КБС-2 и далее на модуль дискретных сигналов группы А ремиконта Р-130-73(позиция 1-1, смотри рисунок 6.8.2.).

Монтажно-крммутационная схема подключения исполнительного механизма показана на рисунке 6.8.3. С блока ручного управления провода под номерами 21,22,393,394 поступают на блок концевиков исполнительного механизма. 21-процент открытия больше, 22-процент открытия меньше. 20,30-сигнализирует о ходе работы исполнительного механизма.


8.ОХРАНА ТРУДА И ТЕХНИКА БЕЗОПАСНОСТИ


8.1 Охрана труда в России:


Забота о создании безопасных и здоровых условий труда всегда находилась и находится в центре внимания и правительства и профсоюзов.

В статье 42 Конституции Российской Федерации закреплено неотъемлемое право российских граждан на охрану здоровья, а в статье 21 записано: “Государство заботится об улучшении условий и охране труда, его научной организации, о сокращении, а в дальнейшем вытеснении тяжелого физического труда на основе комплексной механизации и автоматизации производственных процессов во всех отраслях народного хозяйства.”


Охрана труда рассматривается как одно из важнейших социально-экономических, санитарно-гигиенических и экономических предприятий, направленных на обеспечение безопасных и здоровых условий труда.

Возможность создания безопасных и здоровых условий труда заложена в широком использовании

достижений науки и техники. Кроме того, разработаны и введены в действие многочисленные правила техники безопасности, санитарии, нормы и правила, соблюдение которых обеспечивают безопасность труда. Ответственность за состояние охраны труда несёт администрация предприятий, организаций, учереждений.


В обеспечении здоровых и безопасных условий труда непосредственное участие принимают сами трудящиеся и профсоюзы. Администрация предприятий обязана обеспечивать надлежащее техническое оснащение всех рабочих мест и создавать на них условия работы, соответствующие правилам охраны труда, технике безопасности, санитарным нормам.


Новые возможности для улучшения условий и охраны труда на производстве представляет Закон Российской Федереции о трудовых коллективах и повышении их роли в управлении предприятиями, учреждениями, организациями. В нём четко определены полномочия трудовых коллективов в решении этих вопросов.


В соответствии со ст.105 Основ и ст. 249 КЗоТ Должностные лица, виновные в нарушении законодательства о труде и правил охраны труда, в

невыполнении обязательств, включённых в коллективный договор и соглашения по охране труда, или в воспрепядствии деятельности профессиональных союзов, несут ответственность в порядке, установленным Российским законодательством. Должностные лица за указанные нарушения привлекаются к дисциплинарной, административной, уголовной ответственности (ст.249 КЗоТ).


8.2 Свойства используемых и получаемых веществ:

В процессе фильтрации воды от примесей “Ca” и “Мg” в фильтрах используются следующие вещества, это:

- химически чистая серная кислота, содержащая около 98% H2SO4

- едкий натр NaOH, белое непрозрачное, очень гигроскопичное вещество.

ПДК вредных веществ в воздухе рабочей зоны:

Наименование

ПДК мг/м3

Класс опасности

H2SO4

1

2

NaOH

0,5

2


Реагенты подвозят к цеху в цистернах, а затем перекачивают насосами в соответствующие ёмкости.


8.5 Мероприятия по технике безопасности:


Концентрированная серная кислота, растворы едкого натра хранятся в стальных емкостях, которые имеют чёткме надписи с названием реагента. Эти ёмкости сообщаются с атмосферой посредством воздушников и имеют указатели уровня и переливные трубы. Слив кислоты и щелочи из железнодорожных цистерн производится через верхнее разгрузочное устройство с помощью вакуумных насосов.

Также должны выполнятся и следующие требования к оборудованию, т.е. все горячие части оборудования, трубопроводы, прикосновение к которым может вызвать ожоги, должны иметь тепловую изоляцию. Трубопроводы агрессивных сред должны быть герметичны. Элементы оборудования, арматура и приборы, требующие периодического осмотра, необходимо располагать в местах, удобных для обслуживания. Все пусковые устройства и арматура пронумерована и имеют надписи в соответствии с технологической схемой.

Рабочий персонал, обслуживающий данное производство снабжается спецодеждой (костюм, ботинки, сапоги, рукавицы, защитная каска, мыло). Кроме того на рабочем месте должны присутствоватьиндивидуальные средства защиты, это защитный фартук, противогаз марки В, БКФ.

При попадании кислоты на одежду её необходимо смыть обильной струёй воды, нейтрализовать 2-3% раствором соды и снова промыть. При попадании щелочи на одежду или на тело следует промыть водой, нейтрализовать 1% раствором уксусной кислоты и снова промыть водой.


Предложенный в данном дипломном проекте процесс нейтрализации кислых стоков обслуживается электрослесарями цеха АСУ. Они следят за ходом автоматизации данного технологического процесса, а также ими осуществляется наладка и ремонт оборудования, технологических защит, сигнализации и контрольно-измерительных приборов. Поэтому следует обращать внимание на правила техники безопасности при работе под напряжением до 1000V в щитовых установках КиП.

Для обеспечения электробезопасности применяют следующие технические способы и средства: защитное заземление, зануление, защитное отключение, изоляция токоведущих частей, оградительные устройства, блокировка, знаки безопасности, предупредительные плакаты, элекрозащитные средства.

При работе в действующих электроустановках пользуются основными и дополнительными защитными средствами. Основными являются изолирующие защитные средства, способные надежно выдерживать рабочее напряжение электроустановки. Это оперативные штанги, токоизмерительные клещи, диэлектрические перчатки, инструмент с изолирующими ручками и указатели напряжения.

Дополнительными являются изолирующие защитные средства, не рассчитанные на напряжение электроустановки и самостоятельно не обеспечивающие безопасность персонала. Поэтому эти средства применяют вместе с основными в виде дополнительной меры защиты. К ним относятся диэлектрические галоши, коврики, а также изолирующие подставки.

Все приборы, аппараты и приспособления, применяемые в качестве защитных средств, должны быть только заводского исполнения, выполненные и испытанные в соответствии с действующими нормативно-техническими документами.

Для обеспечения безопасности работ в действующих электроустановках выполняют целый комплекс организационных мероприятий:

- организуют инструктаж и обучение безопасным методам труда, проверку знаний правил техники безопасности и инструкций; допуск к проведению работ оформляется заполнением соответствующего наряда; работы должны проводится под контролем ответственного лица.

Технические мероприятия должны предусматривать:

- отключение установки от источника напряжения, снятие предохранителей и другие мероприятия, обеспечивающие невозможность ошибочной подачи напряжения к месту работы;

- установку знаков безопасности и ограждение остающихся под напряжением токоведущих частей, рабочих мест и др.

Запрещается наступать на оборванные, свешивающиеся или лежащие на земле, полу провода. При опасности возникновения несчастного случая необходимо принять меры по его предупреждению:

- остановить механизм, снять напряжение, оградить опасную зону, вывесить предупредительные плакаты. При возникновении несчастного случая следует немедленно приступить к оказанию пострадавшему первой врачебной помощи, сообщить о несчастном случае руководству и вызвать скорую медицинскую помощь.

Следует соблюдать правила личной гигиены:

- не хранить одежду на рабочем месте

- не одеваться и не раздеваться на рабочем месте

- не принимать пищу на рабочем месте.


8.6 Противопожарные мероприятия:


Все помещения и здания по взрывопожарной и пожарной опасности подразделяются на 5 категорий: А, Б, В, Г, Д. Помещение химводоочистки относится к категории “Д”, т.е. это помещение в котором обращаются негорючие вещества и материалы в холодном состоянии.

Всякий пожар легче всего ликвидировать в его начальной стадии, приняв меры к локализации очага, чтобы предотвратить увеличение площади горения. Успех быстрой локализации и ликвидации пожара в его начальной стадии зависит от использования соответствующих огнетушащих средств, наличие средств пожарной связи и сигнализации для вызова пожарной помощи. Кроме того каждый работающий должен уметь пользоваться первичными средствами пожаротушения и приводить в действие автоматические и ручные огнетушащие установки.

В целях ликвидации очагов пожара в цехе используются следующие средства пожаротушения:

- внутренний пожарный кран. Он снабжается рукавом, диаметр которого 50мм, длина 20м. В помещении имеется два пожарных крана

- огнетушители химические пенные типа ОХП-10

- в щитовой КИП используются порошковые огнетушители типа ОПУ-2 (2шт.) и песок.

С целью своевременного оповещения о возникновении пожара действует система пожарной связи и оповещения. В данном случае это телефонная связь. На телефонном аппарате закреплена табличка с указанием номера телефона для вызова пожарной охраны.


8.7 Расчет молниезащиты цеха:


Молниезащита - это комплекс защитных устройств, предназначенных для обеспечения безопасности людей, сохранности зданий и сооружений, оборудования и материалов от ударов молнии.

Выбор защиты зависит от назначения здания или сооружения, интенсивности грозовой деятельности в рассматриваемом районе и ожидаемого числа поражений объекта молнией в год.

Здания защищаются от прямых ударов молнии молниеотводами. Молниеотводы состоят из молниеприемников и заземлителей. Они могут быть отдельностоящими или устанавливаться непосредственно на здании или сооружении. По типу молниеприемника их подразделяют на стержневые, тросовые и комбинированные. В зависимости от числа действующих на одном сооружении молниеотводов, их подразделяют на одиночные, двойные и многократные. В данном разделе рассчитан одиночный стержневой молниеотвод, имеющий зону защиты в виде конуса.






h h0


hx Rx

R0


Наибольшая высота h молниеотвода не должна превышать 150м. Соотношение размеров зоны защиты типа “Б” следующее:

- h0 = 0.92h

- R0 = 1.5h

- Rx = 1.5[h - (hx/0.92)]

При известной высоте защищаемого объекта - hx (она равна 10 метрам) рассчитывается радиус зоны защиты на этой высоте Rx по закону подобия треугольников:

подставляя в данное выражения соответствующие значения получим:

получается, что Rx = 16м. Тогда полная высота молниеприемника для зоны “Б” будет равна:

h = (Rx + 1.63hx)/1.5 = (16 + 1.63*10)/15 = 21.5(м)

Т.к. полная длина здания равна 70 метрам, то следовательно на крыше здания будут располагаться два молниеотвода.


8.3 Классификация производства


Производство цеха ХВО-2 не связано с применением оборудования, работающего под давлением, и применением взрывоопасных веществ. в производстве применяются серная кислота и едкий натр. Степень огнестойкости корпуса цеха 3 класса.


Наименован.

отделений

цеха ХВО-2

Категория

взрывоопасн.

производства

Классификация помещений

и наружных установок по

электробезопасности

(ПЭУ-76)

Категория

смеси



Классификац.

по правилам

устройства

электроустан.

Группа взрывоопасн.

смесей по правилам

изготовления

взрывозащит.

оборудован.


Отделение

разгрузки

Д

непожаро и

невзрыво-

опасно

----

----

Отделение

фильтрации

Д

непожаро и

невзрыво-

опасно

----

----

Отделение

нейтрализац.

Д

непожаро и

невзрыво-

опасно

----

----


Промплощадка ТЭЦ-2 размещается с северной стороны по отношению к селитебной части города.

Город находится на расстоянии 4 км. от предприятия, хотя по санитарным нормам СН 245-71 min санитарно-защитная зона должна быть на расстоянии 1000м. от селитебной части города. Санитарно-защитную зону или ее части нельзя использовать для расширения территории предприятия. Для ограничения распространения пожара по территории предприятия необходимо соблюдать определенные расстояния между зданиями. За основу принята степень огнестойкости зданий и категория производства по взрывопожарной и пожарной опасности. Для здания 3-ей степени огнестойкости расстояние необходимо соблюдать до 12, 15, 18 метров. Минимальное расстояние от зданий и сооружений до открытых складов, а также между самими складами принимается в пределах 6-42 метров.


8.4 Санитарно-технические мероприятия


Т.к. в процессе работы цеха никаких выбросов вредных веществ не происходит, поэтому используется естественная вентиляция. Воздух перемещается под влиянием естественных факторов: теплового напора или действия ветра.

Бытовые помещения расположены в помещении цеха химводоочистки на 2,3 этажах. На 2-ом этаже

расположена гардеробная для мужского персонала, на 3-м для женского. В каждой гардеробной имеется по одной уборной, с одним унитазом, имеется место для сушки волос. Предусмотрены шкафы для чистой и грязной одежды. В нижней и верхней части отделений шкафа имеются отверстия для проветривания. Шкафы расставлены на расстоянии между лицевыми сторонами 1.4 метра. В каждой гардеробной имеются душевые. Душевые оборудованы кабинами с 2-х сторон. Они отделяются перегородками, высотой 2 метра.


2. ТЕХНОЛОГИЯ ПРОИЗВОДСТВА

2.1 Описание технологического процесса


Технологическая схема узла нейтрализации включает в себя принцип раздельного сброса кислых и щелочных стоков в дренажные коллекторы Н-катионитовых и ОН-анионитовых фильтров с последующей 3-х ступенчатой нейтрализацией. Кислые стоки напрямую с дренажного коллектора Н-катионитовых фильтров направляются на первую ступень, которая состоит из предварительной камеры смешивания кислых и щелочных стоков и 2-х перегородчатых параллельно установленных смесителей Ж 630мм. После первой ступени кислые стоки, или усредненные стоки, поступают на вторую ступень нейтрализации, т.е. на вихревой смеситель. В нижней части внутри вихревого смесителя выполнены эвальвентные сопла для создания закручивающего потока, поступающего с первой ступени. Из вихревого смесителя второй ступени нейтрализации через переливную трубу поток усредненных щелочных вод направляется в бак донейтрализатор V=6м3 третьей ступени и далее в канализацию.


Щелочные стоки с дренажного коллектора ОН-анионитовых фильтров направляются в дренажный бак. Из дренажного бака щелочные стоки перекачиваются дренажными насосами в баки-накопители УЩС-1, УЩС-2 (усреднители щелочных стоков), V=400м3.

При этом один из баков УЩС-1 или УЩС-2 служит для накопления и доведения щелочных стоков до концентрации 0.25-0.3%. Усреднение и доведение до заданной концентрации щелочных стоков в УЩС-1 или УЩС-2 производится путем включения насосов рециркуляции НР и добавлением NaOH в баки через задвижки 7Д, 8Д от мерников NaOH узла нейтрализации.

При наличии готовых усредненных щелочных стоков в том или ином баке они подаются насосами нейтрализации НУЩ на первую ступень нейтрализации через клапан-регулятор 2-5 /см. принципиальную функциональную схему-ПФС/ и задвижку 7ЩС. На вторую ступень через клапан-регулятор 3-5 и задвижку 8ЩС. На третью ступень щелочные стоки подаются через клапан-регулятор 4-5, а также с вихревого смесителя второй ступени нейтрализации.

Один раз в смену должна быть проведена сверка показаний рН-метров с результатами химического анализа.


2.2 Технико-экономическое обоснование проектируемой схемы автоматизации.


Автоматизация процесса нейтрализации в цехе химводоподготовки позволит решить ряд задач:

  1. Улучшение условий труда основных рабочих Повышение безопасности производства.

  2. . Внедрение АСУ ТП позволит перенести рабочие места операторов на центральный пульт управления и отделить от основного помещения цеха.

  3. Снижение затрат на приобретение щелочи за счет рационального использования ее в процессе нейтрализации, что обеспечивает автоматизированные системы управления АСУ ТП.


2.2.1 Обоснование выбора параметров,подлежащих контролю и регулированию.


В процессе функционирования системы, комплексно-технические средства обеспечивают автоматический съем, обработку и управление /регулирование/ технологическими параметрами объекта. В работоспособном состоянии АСУ ТП осуществляет прямое цифровое управление исполнительными устройствами, изменяя установки и параметры настройки локальных систем регулирования.

В ходе процесса нейтрализации контролю подвергаются следующие технологические параметры:

Q - водородный показатель Среды (рН) в трубопроводе кислых стоков, на выходе перегородчатого смесителя, на выходе бака донейтрализатора. На точках отбора установлены датчики рН-метр автоматический промышленный с чувствительным элементом ДПГ-4М-3 (позиции 2-1,

3-1, 4-1 см. ПФС), соответственно 1,2,3 ступени нейтрализации.

На щите КИП расположены промышленные преобразователи П-215 (позиции 2-2, 3-2, 4-2). Эти преобразователи преобразуют сигнал от

электродов рН-метра в аналоговый токовый сигнал 0-5мА, который идет на многофункциональный регулирующий микропроцессорный контроллер “РЕМИКОНТ Р-130” (позиция 1-2). В ремиконте сигнал обрабатывается и преобразуется в цифровую форму. На основании этого на выходе контроллера формируется выходной сигнал, который управляет исполнительными механизмами (позиции 2-5,3-5,4-5)

L - уровень Среды в баках накопителях УЩС-1,УЩС-2. На точках отбора установлены датчики типа “САПФИР 22-Ех-М-ДИ” (позиции 5-1,6-1), работающие в комплекте с преобразователями “САПФИР БПС-24П” (позиции 5-2, 6-2). Аналоговый токовый сигнал с преобразователей снимается ремиконтом, где преобразуется в цифровую форму.

Q - концентрация щелочи NaOH в щелочных стоках, поступающих на нейтрализацию с баков накопителей. Контроль за концентрацией производят промышленные концентрометры типа КНЧ-2-8 (позиции 9-2, 10-2). Аналоговый токовый сигнал 0-5мА поступает в ремиконт, где преобразуется в цифровую форму.

Основные функции АСУ ТП, которые необходимы для обеспечения нормальной работы процесса нейтрализации заключаются в следующем:

1. Регулирование подачи щелочных стоков в смеситель:

- осуществляется измерение значений технологических параметров, занесение их в ОЗУ, а также выдача управляющих воздействий на исполнительные механизмы.

2. Управление подачи ЩС на нейтрализацию:

- производится формирование и выдача управляющих воздействий на исполнительные механизмы.

3. Управление заполнением и усреднением ЩС в УЩС:

- производится измерение текущих значений технологических параметров, запись их в ОЗУ, затем осуществляется выдача управляющих воздействий на исполнительные механизмы в соответствии с алгоритмом.

4. Передача, обработка информации о ходе технологического процесса, обнаружение аварийных ситуаций, их анализ:

- функция верхнего уровня, т.е. функция реализуется по ПЭВМ.


© 2012 Рефераты, курсовые и дипломные работы.