рефераты
Главная

Рефераты по рекламе

Рефераты по физике

Рефераты по философии

Рефераты по финансам

Рефераты по химии

Рефераты по хозяйственному праву

Рефераты по цифровым устройствам

Рефераты по экологическому праву

Рефераты по экономико-математическому моделированию

Рефераты по экономической географии

Рефераты по экономической теории

Рефераты по этике

Рефераты по юриспруденции

Рефераты по языковедению

Рефераты по юридическим наукам

Рефераты по истории

Рефераты по компьютерным наукам

Рефераты по медицинским наукам

Рефераты по финансовым наукам

Рефераты по управленческим наукам

Психология и педагогика

Промышленность производство

Биология и химия

Языкознание филология

Издательское дело и полиграфия

Рефераты по краеведению и этнографии

Рефераты по религии и мифологии

Рефераты по медицине

Рефераты по сексологии

Рефераты по информатике программированию

Краткое содержание произведений

Реферат: Генераторные установки переменного тока

Реферат: Генераторные установки переменного тока

Введение

Генераторы постоянного тока долгое время были единственным типом источников электрической энергии, применявшихся для пи­тания потребителей и заряда аккумуляторной батареи на авто­мобилях.

В обмотке якоря генератора постоянного тока индуктируется ток переменного направления (переменный ток), который затем преобразуется в ток постоянного направления (постоянный ток) коллектором. Коллектор, таким образом, играет 'роль выпрями­теля. Однако процесс выпрямления тока коллектором связан с искрением под щетками,  которое вызывает повышенный износ коллектора и щеток, особенно при большой частоте вращения якоря.

С увеличением мощности и количества потребителей электри­ческой энергии на автомобиле размеры и масса генераторов по­стоянного тока настолько возросли, что размещать их на двига­телях стало трудно, а повышение частоты вращения коленчатого вала двигателя и передаточного числа привода генератора уве­личило износ коллектора и щеток. В связи с этим вместо генера­торов постоянного тока стали применять автомобильные генера­торы переменного тока, в которых преобразование переменного тока в постоянный осуществляется полупроводниковыми выпря­мителями. Комплектно с генераторами переменного тока спроек­тированы   и   внедрены   в производство   новые   системы регулирования напряжения вместо прежних вибрационных элект­ромагнитных регуляторов напряжения. К ним относятся контакт­но-транзисторные и бесконтактные транзисторные регуляторы на­пряжения.

В последние годы разработаны и освоены в производстве бес­контактные транзисторные регуляторы напряжения на интеграль­ных схемах, очень малые габариты которых позволяют встроить их в генератор.

Комплект генератора постоянного тока   с реле-регулятором или регулятором напряжения, а также комплект генератора пе­ременного тока с выпрямителем и регулятором напряжения бу­дем называть генераторной установкой.

Генераторные установки переменного тока   обладают рядом преимуществ по сравнению с генераторными установками посто­янного тока.

В генераторе переменного тока отсутствуют коллектор и щет­ки, снимающие с коллекторных пластин весь ток нагрузки. Вме­сто них имеются контактные кольца и щетки, служащие для подвода во вращающуюся обмотку лишь небольшого по величине тока возбуждения генератора. Поэтому износ контактных колец и щеток невелик. В транзисторных регуляторах напряжения вооб­ще нет вибрационных контактов, а в контактно-транзисторных регуляторах напряжения вибрационные контакты   значительно разгружены и разрывают лишь небольшой ток.

Все это увеличивает срок службы генераторной установки пе­ременного тока почти вдвое по сравнению с генераторной уста­новкой постоянного тока, а повышение срока службы генератор­ной установки снижает стоимость эксплуатационных затрат.

Сосредоточенная цилиндрическая обмотка возбуждения   и клювообразные полюса ротора автомобильного генератора пере­менного тока, а также отсутствие коллектора дают возможность при равных габаритных размерах получить большую мощность и сократить расход меди в 3 раза по сравнению с генераторами постоянного тока. Более низкая частота вращения начала отдачи генератора переменного тока обеспечивает лучший заряд акку­муляторной батареи в условиях эксплуатации автомобиля в го­родских условиях.

Первые автомобильные генераторы   переменного тока были спроектированы для работы с отдельными селеновыми выпрями­телями и вибрационными регуляторами напряжения. Селеновые выпрямители громоздки и их приходилось размещать отдельно от генератора в местах, обеспечивающих их хорошее охлаждение, из-за чего требовалась дополнительная проводка  от генератора к выпрямителю. Кроме того, они недостаточно теплостойки и допускают максимальную рабочую температуру не выше +80°С. Поэтому селеновые выпрямители в дальнейшем были заменены кремниевыми выпрямителями, более теплостойкими и малогаба­ритными, допускающими их размещение внутри генератора. Виб­рационные регуляторы напряжения также заменяются контактно-транзисторными и бесконтактными регуляторами напряжения.

В настоящее время закончен перевод всех типов отечествен­ных автомобилей на комплектацию генераторными установками переменного тока. Мощность генераторных установок для массо­вых автомобилей увеличилась более чем в 2 раза — с 250 Вт до 500—1000 Вт; ресурс увеличен со 100—150 до 150—300 тыс. км. Начат выпуск генераторов для автобусов ПАЗ и КАвЗ с встроен­ным выпрямительным блоком и встроенным интегральным регу­лятором напряжения. В дальнейшем все типы автомобильных ге­нераторов будут иметь встроенные выпрямители и регуляторы на­пряжения. Развитие применения этих новых конструкций требует изучения принципов работы, характеристик, правил эксплуатации и ремонта автомобильных генераторов переменного тока.



1. Устройство генераторной установки

Генераторная установка переменного тока состоит из трех­фазного синхронного генератора с электромагнитным возбужде­нием, выпрямителя и регулятора   напряжения вибрационного, контактно-транзисторного или бесконтактного типа.

В зависимости от способа контроля заряда аккумуляторной батареи существуют две схемы соединения генераторной установ­ки: схема с амперметром (рис. 1) и схема с контрольной лампой (рис. 2). Во избежание разряда аккумуляторной батареи на об­мотку возбуждения генератора регулятор напряжения включают в общую цепь через выключатель зажигания.

Особенностью автомобильного трехфазного синхронного гене­ратора (рис. 3) является применение клювообразных полюсов и обмотки возбуждения, состоящей из одной катушки.

В отличие от синхронных явнополюсных генераторов общепро­мышленного назначения в автомобильных генераторах с клюво-образными полюсами магнитные потоки отдельных полюсов (по­казаны на рис. 3 пунктиром) замыкаются через сердечник ротора и образуют полный магнитный поток генератора, равный сумме магнитных потоков всех полюсов одинаковой полярности. Это дает возможность применить одну сосредоточенную обмотку воз­буждения простой формы и расходовать на ее изготовление ми­нимальное количество проводникового материала — меди. Концы обмотки возбуждения выводят к контактным кольцам, располо­женным на валу ротора.

В отечественных генераторах число полюсов ротора равно 12. Ротор генератора (рис. 3) состоит из вала с закрепленными на нем втулкой с катушкой возбуждения и полюсными наконечни­ками (клювами). Роторы всех генераторов проходят динамиче­скую балансировку. Для балансировки в полюсах надсверливают на небольшую глубину отверстия диаметром 4—8 мм в зависи­мости от размеров генератора. У некоторых типов генераторов, например Г502, полюсные наконечники отжигают для улучшения их магнитных свойств.

Пакет статора набирают из листов электротехнической стали. В пазах статора размещают трехфазную обмотку. Число пазов может быть различным при одном и том же числе полюсов ро­тора и определяется типом трехфазной обмотки и электрическими характеристиками генератора.

При открытом пазе (рис. 4, а) витки обмотки удерживаются текстолитовым клином. При полузакрытом пазе (рис. 4, б) про­вода обмотки при многовитковых катушках закрепляют хлорви

ниловыми трубками, деревянны­ми или бумажными клиньями. Если катушка обмотки статора имеет один виток, то размеры паза подбирают таким образом, что   какого-либо закрепления проводов в пазу не требуется (рис. 4, в).

Рис. 1. Схема соединений генера­торной установки переменного тока с амперметром дя контроля заря­да аккумуляторной батареи:

1 - генератор: 2 - выпрямительное уст­ройство; 3 - регулирующее устройство:

4 - выключатель зажигания; 5 – амп- ерметр;

Ш - вывод    обмотки    возбуждения: плюсовой вывод выпрямителя

Пазы всех типов изолируются электрокартоном,  пленкокартоном или специальным компаун­дом. Для обмоток статора и воз­буждения используют провода с изоляцией различными лаками марок ПЭВ1,   ПЭВ2, ПЭТВ, ПЭТВТ,  ПЭС и др.  Обмотки грех фаз статора при мощности генератора до 500—700 Вт сое­диняются в звезду, при большей мощности — в треугольник или в двойную звезду. Это вызвано тем, что при возрастании мощ­ности генератора увеличивается диаметр провода обмотки стато­ра и намотка становится затруд­нительной — толстый   провод трудно гнется. Соединение в тре­угольник или в двойную звезду позволяет уменьшить силу тока в проводе обмотки и, следова­тельно, использовать более тон­кий провод.

Схему обмотки статора по ти­пу одинарной звезды можно ис­пользовать для генераторов с числом пазов на полюс и фазу 0,5; 1 и 2. Каждая фаза содер­жит шесть непрерывно намотан­ных катушек (рис. 5 и 6), содер­жащих, каждая несколько вит­ков.

Рис. 2. Схема соединений генера­торной установки переменного тока с контрольной лампой заряда ак­кумуляторной батареи:

1 — генератор; 1 — выпрямительное устройство;  3 — регулирующее устройство;

4 — реле контроля заряда; 5 — контроль­ная лампа; 6 - выключатель зажигания

Поскольку схема соедине­ния катушек между собой не зависит от числа витков в катуш­ке, то все катушки изображены одновитковыми. Начала и концы всех трех фаз обмотки статора обозначены соответственно бук­вами Н и К. Для соединения в звезду концы всех фаз K1, К2 и К3. соединяются между собой и образуют нулевую точку обмотки. Начала трех фаз Н1, Н2 и Н3 соединяются с выводами. Соединение треугольником применяется редко из-за сложности монтажа катушек: конец первой фазы К1 соединяется с началом второй фазы Н2, конец второй К2 — с началом третьей Н3; конец третьей К3 с началом первой фазы К1 и от всех этих точек соеди­нения подводятся провода к выводным зажимам.

Рис. 3. Схема устройства автомобильного генератора переменного тока: 1 - обмотка возбуждения; 2 - клювообразные полюса; 3 - контактные кольца; 4 - щеткодержатешь; 5 - статор; 6 – трехфахзная обмотка статора; 7 – крышка со стороны привода; 8 – шкив; 9 – вентилятор; 10 – крышка со стороны контактных колец

При соединении в двойную «звезду» каждая фаза состоит из двух параллельных ветвей, в каждой ветви по три непрерывно намотанных катушки (рис. 7).

С целью уменьшения размеров лобовых частей катушек и, сле­довательно, уменьшения габаритов генератора иногда использу­ют обмотку, в которой каждую        катушку делят на две части (на­мотка «в развал») и укладывают, как показано на рис. 8.

Вместо того чтобы, например, полное число   витков первой катушки первой фазы наматывать в пазы 1—4, а второй — в пазы 7—10, наматывают в пазы 1—4 только половину витков первой катушки. Затем в пазы 4—7 наматывают вторую половину вит­ков первой катушки в обратном направлении и т.д. (рис. 8). При таком способе намотки торцевые части катушек 1—4 и 4—7 бу­дут иметь только половинное число витков и будут, следователь­но, иметь меньший размер («вылет») в осевом направлении. Та­ким же образом наматывают катушки остальных фаз.

На рис. 8 более детально показана намотка катушек только первой фазы.

Рис. 4. Форма пазов статора:

а — открытая; б — полузакрытая; в — полузакрытая при одновитковых катушках

Рис. 5. Схема обмотки статора при соединении фаз в звезду и числе пазов 18:

Н1, Н2 Н3 — начала фаз;

К1 K2, K2 — концы фаз

Рис. 6. Схема обмотки статора при соединении фаз в звезду и числе пазов 36:

Н1, H2 Н3 начала фаз;

K1 К2. К3 — концы фаз

Рис. 7. Схема соединений обмоток фаз статора в двойную звезду (число па­зов 18): Н1 H2, Н3 К1 K2 К3 — начала и концы фаз первой звезды; Н4 Н5. Н6: К4, K5,К6 — начала и концы фаз второй звезды;
HI , HII ,HIII – выводы фаз обмоток статора

Чтобы не усложнять чертежа, половины катушек остальных двух фаз условно показаны слитными боковыми сторонами, хотя все они наматываются таким же образом, как описано выше для первой фазы. Фазы обмотки, изображенной на рис. 8, соединены в двойную звезду.

Рис. 8. Схема соединений обмоток статора в двойную звезду  с намоткой «в развал» (число пазов 36):

Н1, Н2, Н3; К1 К2, К3 — начало и концы фаз первой звезды;

Н4 Н5, Н6. К4, К5, К6 — начало и концы фаз второй звезды;

НI ,HII , HIII — выводы фаз обмоток статора

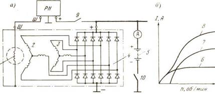
У некоторых генераторов размещают в статоре две самостоя­тельные трехфазные обмотки, соединенные в звезду и имеющие различное число витков или различное сечение провода. В каче­стве примера на рис. 9 показана схема соединений такого гене­ратора. Обмотка статора 2 имеет большее число витков провода меньшего сечения, чем обмотка 3, которая, наоборот, имеет мень­ше витков более толстого провода. Обе обмотки   присоединены каждая к своему комплекту вентилей выпрямительного устрой­ства 4, все вентили которого имеют общие выводы «+» и «—». В остальном схема соединения генератора с регулятором напря­жения РН и батареей 5 — обычного типа.

Такая конструкция позволяет обеспечить достаточно большую мощность генератора на большой скорости движения автомобиля и в то же время сохранить малую частоту вращения начала от­дачи, необходимую при городской езде.

При работе автомобиля в городе, при малой частоте враще­ния коленчатого вала двигателя в генераторе работает обмотка 2 с большим числом витков и питает через выпрямитель 4 аккуму­ляторную батарею 5. При движении автомобиля с большой ско­ростью на загородных дорогах вступает в работу обмотка 3 и те­перь к потребителям поступает ток от двух обмоток, различный по величине: от обмотки 2 (примерно 1/3) и от обмотки 3 (пример­но 2/3 общей величины). На рис. 9 справа показаны характери­стики тока, отдаваемого отдельно обмотками 2 и 3, а также при совместном действии обеих обмоток в зависимости   от частоты вращения генератора.

Рис. 9. Схема соединений генераторной установки с двумя автономными об­мотками фаз статора (а) и характеристики генератора (б):

1 — обмотка возбуждения генератора; 2 — первая трехфазная обмотка статора; 3 — вто­рая трехфазная обмотка статора; 4 — выпрямительное устройсгво;   5 — аккумуляторная батарея; 6 — токоскоростная характеристика обмотки 2: 7 — токоскоростная характеристи­ка обмотки 3; 8 — токоскоростная характеристика обеих обмоток генератора; 9 — выключатель  зажигания; 10 — выключатель

Крышки 7 и 10 генератора (см. рис. 3) отливают из алюми­ниевого сплава методом литья в кокиль или под давлением. По­садочные места под шариковые подшипники и отверстия в крон­штейнах крышек, как правило, армируют чугунными или сталь­ными втулками. Некоторые типы генераторов этой армировки не имеют.

Пластмассовый щеткодержатель 4 (рис. 3) с щетками распо­ложен на крышке со стороны контактных колец. В случае приме­нения интегрального регулятора напряжения, встроенного в ге­нератор, его располагают на щеткодержателе. Крышки имеют от­верстия (не показанные на рис. 3) для проточной вентиляции в осевом направлении. Вентилятор 9 имеет два конструктивных исполнения. У некоторых типов генераторов вентилятор состоит из крыльчатки и поддона, соединенных между собой точечной сваркой, у некоторых из одной крыльчатки. Шкив 8 чугунный литой или стальной штампованный. Вентилятор и шкив соеди­няются с валом при помощи шпонки.

В большинстве типов автомобильных генераторов переменного тока, в том числе во всех отечественных конструкциях, выпрями­тельное устройство рассчитано на двухполупериодное выпрямле­ние трехфазного тока, и имеет, следовательно, шесть вентилей.

Выпрямительные устройства имеют два исполнения: в виде единого конструктивного узла с вентилями, размещенными не­посредственно в теплоотводящих элементах пластмассового осно­вания, или в виде отдельных вентилей, запрессованных в теплоотводящие пластины. Для обеспечения интенсивного охлаждения выпрямительные устройства монтируют   в крышке со стороны контактных колец.

Генератор с встроенным кремниевым   выпрямителем имеет два изолированных от корпуса выводных зажима: зажим <+ > для подключения генератора к аккумуляторной батарее и на­грузке и зажим Ш для соединения обмотки возбуждения генера­тора с регулирующим устройством. Третьим (минусовым) зажи­мом является винт М (масса), служащий для соединения корпу­са генератора с шасси (массой) автомобиля.

2. Принцип работы генератора

Автомобильные генераторы переменного тока относятся   к синхронным электрическим машинам, потому что частота вра­щения ротора и частота наводимой в обмотках статора э.д.с. же­стко связаны между собой отношением:

 , где f - частота переменного тока, Гц; р — число пар полюсов генератора; п — частота вращения ротора, об/мин.

Важной характеристикой об­мотки статора является число пазов на полюс и фазу, равное , где Z — общее число пазов на статоре;  2р — число полюсов генератора; т — число фаз ге­нератора.

В отечественных автомобиль­ных генераторах применяются трехфазные обмотки с числом пазов на полюс и фазу q, рав­ным 0, 5; 1 и 2.

Рис. 10. Магнитная система генера­тора:

1 — втулка; 2 - обмотка возбуждения:

3 — полюсные наконечники (клювы) од ной (северной) полярности; 4 — полюс­ные наконечники (клювы) другой (юж­ной) полярности;  5 — статор; 6 — об­мотка статора; 7 — основной магнитный поток; 8 магнитный поток рассеяния

Катушки обмотки статора в большинстве случаев имеют по нескольку витков, но на схемах обмотки   (см. рис. 5, 6, 7, 8) они, как правило, условно изо­бражаются одновитковыми, так как схема   соединения   кату­шек друг с другом не зависит от числа витков в катушке.

Электродвижущая сила в фазных обмотках генератора возни­кает при пересечении проводников обмотки статора магнитным потоком, созданным обмоткой возбуждения. При замыкании вы­ключателя зажигания ток от аккумуляторной батареи поступает в обмотку возбуждения генератора. Вокруг обмотки возбужде­ния 2 возникает магнитный поток (рис. 10), рабочая часть 7 ко­торого проходит через втулку 1 и вал, распределяется по клювообразным полюсам 3 одной полярности N, выходит из полюсов этой полярности, пересекает воздушный зазор между ротором и статором, проходит по зубцам и спинке статора 5, еще раз пере­секает воздушный зазор, входит в клювообразные полюса 4 дру­гой полярности S и замыкается через эти полюса опять на втулку 1 и вал. Часть магнитного потока, созданного обмоткой возбуж­дения, замыкается по воздуху мимо статора, не охватывая про­вода его обмотки. Эта часть магнитного потока 8 называется магнитным потоком рассеяния и в наведении электродвижущей силы в обмотке статора 6 не участвует.

При вращении ротора под каждым зубцом статора проходят попеременно то северный, то южный полюс ротора.   Величина магнитного потока, проходящего через зубцы статора при этом из­меняется по величине и направлению, пересекая проводники трех­фазной обмотки статора, заложенной в пазы между зубцами.

Действующее (эффективное) значение электродвижущей си­лы, наводимой в обмотке одной фазы генератора при данной ве­личине рабочего магнитного потока Фя .определяется по формуле , где f — частота индуктирован­ной э. д. с.;

w — число последовательно соединенных витков в обмотке одной фазы статора;

Фd — значение рабочего маг­нитного потока в воз­душном зазоре генера­тора, Вб; Kоб коэффициент.

Рис. 11. Форма клювообразного по­люса

Так как стороны одного витка катушки не всегда расположе­ны точно на расстоянии полюсного деления   (т. е. расстояния между осями смежных полюсов), то э.д.с., индуктированные в двух сторонах одного и того же витка, могут не совпадать по фазе и суммирование этих э.д.с, необходимо выполнять не ариф­метически, а геометрически. Это обстоятельство учитывается об­моточным коэффициентом Коб который является отношением гео­метрической суммы э. д.с., индуктированных в отдельных прово­дах обмотки, к их арифметической сумме.

Значение обмоточного коэффициента Коб зависит от числа q пазов статора генератора на полюс и фазу и равно: 0, 866 — для трехфазных генераторов при q=0, 5 (18 пазов на статоре, 12 по­люсов ротора); 1, 0 — для трехфазных генераторов при q=1 (36 пазов на статоре, 12 полюсов ротора); 0, 966 — для трехфазных генераторов при q =2, 0 (72 паза на статоре, 12 полюсов ротора).

Характер изменения э.д.с. в проводниках обмотки статора, т. е. форма э. д. с. определяется кривой распределения магнитной индукции в зазоре по окружности статора, которая, в свою оче­редь, зависит от формы полюса.

В автомобильных синхронных генераторах применяют клювообразный полюс (рис. 11), имеющий трапецеидальную форму по­верхности, обращенную к расточке (т. е. внутренней поверхности) статора. Такой полюс обеспечивает форму кривой э.д.с., близкую к синусоидальной.

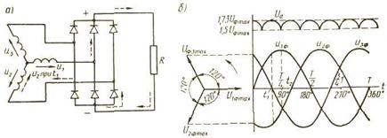
Переменное напряжение и ток, индуктированные в обмотке статора, выпрямляются при помощи кремниевых выпрямителей, собранных по трехфазной двухполупериодной схеме (схеме А. Н. Ларионова). В этой схеме (рис. 12, а) применены шесть венти­лей: три для положительной полярности и три для отрицательной полярности.

Максимальные значения индуктированных в обмотках фаз ге­нератора напряжений U1фмах U2фмах U3фмах изображены на век­торной диаграмме (рис. 12, б, слева) тремя векторами, сдвину­тыми друг относительно друга на 120° (т.е. 1/3 периода индукти­рованного напряжения). Мгновенные значения индуктированного напряжения U1ф, U2ф U3ф изображены в правой части рис. 12, б. С течением времени все три вектора на векторной диаграмме, не

Рис. 12. Схема выпрямления переменного тока автомобильного генератора:

а — соединение трехфазной обмотки генератора с вентилями по трехфазной двухполупериодной схеме (схема А. Н. Ларионова);   б — векторная диаграмма (слева) и кривые изменения мгновенных значений фазных напряжений по времени, а также кривая вы­прямленного напряжения (справа); R - сопротивление нагрузки

изменяя взаимного расположения, вращаются  против часовой стрелки, делая один оборот за один период Т переменного напря­жения. Мгновенные значения напряжений U1ф, U2ф, U3ф равняются проекциям этих векторов на вертикальную ось и, следовательно, изменяются по синусоидам. Положительные направления индук­тированных в обмотках фаз генератора напряжений U3ф, U2ф, U3ф (т. е. их направления во время положительной полуволны пере­менного напряжения) показаны на схеме обмоток генератора (см. рис. 12, а) сплошными стрелками.

Возьмем момент времени t1 (см. рис. 12, б, справа), соответст­вующий 1/6 периода Т, или 60° поворота векторов от начального положения. Мгновенные значения фазных напряжений в этот мо­мент будут:

Поскольку напряжение Uф2 в данный момент t1 отрицательно, то его фактическое направление в обмотке генератора будет об­ратным; на рис. 12, а оно изображено пунктирной стрелкой.

Напряжение, приложенное к вентилям выпрямительного уст­ройства, при соединении фаз статора в звезду будет равно раз­ности напряжений двух фаз (в данном случае первой и второй), поскольку фазы соединены в нулевую точку концами. Это напря­жение будет равно:

так как максимальные величины напряжений всех фаз равны

друг другу, т. е.

Это напряжение, равное 1, 73 Uфмах, создает ток, изображен­ный на рис. 12, а пунктирными стрелками и замыкающийся на внешнее сопротивление R через два вентиля: средний положи­тельной и правый отрицательной полярности.

В следующие после t1 моменты времени напряжение U1ф будет увеличиваться, а напряжение U2ф быстро уменьшаться по абсо­лютной величине. В результате картина прохождения токов на рис. 12, а будет прежняя, но суммарное напряжение первой и второй фазы несколько уменьшится.

Рассмотрим момент времени t2, соответствующий 1/4 периода Т или повороту векторов на 90°. В этот момент напряжение пер­вой фазы достигает максимума U1ф=U1фмах, а напряжение второй фазы уменьшится до половины максимального значения и равня­ется U2ф=U2фтах Sin 330°= -0, 5 U2фмах.

Поэтому разность напряжений первой и второй фазы будет:

Подпись: Семейство характеристик холостого хода автомобильного генератора при различных частотах вращения ротора генератораВ последующие моменты времени напряжение третьей фазы U3ф (по абсолютной величине) становится больше уменьшающе­гося фазного напряжения U2ф, и выпрямленный ток замыкается уже через обмотки и вентили первой и третьей фазы.

Таким образом, процесс повторяется и в любой момент вре­мени в контур выпрямленного тока   обязательно оказываются включенными по одному вентилю положительной и отрицатель­ной полярности, причем в выпрямлении тока будет участвовать лишь та пара вентилей, которая находится под более высоким на­пряжением, чем другие. Выпрямленное напряжение Ud (см. рис. 12, 6) будет пульсировать, изменяясь по отрезкам синусоид с ча­стотой, в 6 раз большей, чем частота переменного тока, индукти­рованного в обмотках генератора, и его величина в идеальном случае (пренебрегая падением напряжения в вентилях и соеди­нительных проводах) будет изменяться от 1, 5 до 1, 73 Uфmах

Поскольку выпрямленное напряжение и ток используются на автомобиле для заряда аккумуляторной батареи, то нас интере­сует среднее значение выпрямленного (пульсирующего) напряже­ния, которое, как показывают расчеты, равно:

Ud = 1,65Uфмах.

Приборы измеряют не амплитудное, а действующее (эффек­тивное) значение переменного тока, и все расчеты выполняются по действующим (эффективным) значениям переменного напря­жения и тока, которые в раза меньше амплитудных зна­чений. Поэтому среднее значение выпрямленного напряжения

Подпись: Рис. 14. Семейство внешних характеристик автомобильного генератора при различных частотах вращения ротора: а – при самовозбуждении генератора; б – при независимом возбужденииUd = 1, 65 Uфmах = 1, 65*1, 41 Uф = 2, 34 Uф,

где Uф — действующее значение фазного напряжения генератора. Величина выпрямленного тока

, где Iф — действующее значение фазного тока генератора.

В реальных случаях вследствие падения напряжения в селе­новых или кремниевых вентилях, соединительных проводах и т. п., соотношения между величинами выпрямленного и фазного на­пряжения и тока отличаются от приведенных выше теоретических значений и их величина обычно определяется экспериментально

3. Характеристики генераторов

Свойства автомобильного генератора переменного тока опре­деляются рядом характеристик, связывающих между собой сле­дующие основные величины:  фазное Uф, линейное и выпрям­ленное Ud напряжения; фазный ток Iф; выпрямленный ток Iд на­грузки генератора: ток возбуждения Iв генератора; частоту враще­ния n генератора.

Характеристики генератора представляют собой зависимость между двумя какими-либо величинами при неизменных значениях остальных величин. Основными характеристиками являются:

характеристика холостого хода - зависимость э.д.с. генератора от тока возбуждения E=f () при постоянной частоте вращения и токе нагрузки Iн, равном нулю;

внешняя характеристика - зависимость выпрямлен­ного напряжения генератора Ud от тока нагрузки /н при постоян­ной частоте вращения n и определенном значении тока возбужде­ния Iв;

регулировочная   характеристика - зависимость тока возбуждения Iв от тока нагрузки /н при неизменном значе­нии линейного напряжения генератора Ud;

нагрузочная характеристика - зависимость вы­прямленного напряжения генератора Ud от тока возбуждения Iв при неизменном токе нагрузки Iн;

токоскоростная характеристика (название харак­теристики дано Ю. А. Купеевым) — зависимость тока нагрузки генератора Iн от частоты вращения ротора генератора n и скоро­сти движения автомобиля при неизменных значениях выпрямлен­ного напряжения Ud на зажимах генератора и тока возбуждения генератора Iв.

Автомобильные генераторы привидятся во вращение от дви­гателя внутреннего сгорания с постоянным передаточным отно­шением привода, поэтому частота вращения ротора генератора может изменяться от минимального значения, соответствующего частоте вращения коленчатого вала в режиме холостого хода

автомобильного   двигателя до максимального значения, соот­ветствующего максимальной ско­рости движения автомобиля.

Отношение минимальной и максимальной частот вращения ротора генераторов может соста­влять: 1: 12 — для автомобилей с карбюраторными   двигателями; 1: 4 — для  автомобилей с ди­зельными двигателями.

Поэтому характеристики ав­томобильных генераторов в про­тивоположность   общепромыш­ленным генераторам снимаются не при одном значении частоты вращения, а при различных зна­чениях частоты вращения n и образуют обычно семейство харак­теристик, покрывающих   весь диапазон изменения   частоты вращения от минимальной до максимальной.    Характеристика холо­стого хода, как следует из уравнения э. д. с. генератора, для различных частот вращения вы­ражается семейством характери­стик (рис. 13). На рис. 13 ток возбуждения дан в относитель­ных единицах , т. е. по от­ношению к номинальному току     возбуждения.                   

С другой стороны,  э. д. с. холостого хода прямо пропорциональна частоте вращения n, так как при заданном значении тока возбуждения Iв магнитный поток Фв в воздушном зазоре не зависит от частоты вращения.

По характеристике холостого хода определяется начальная ча­стота вращения ротора генератора, при которой напряжение ге­нератора достигает расчетной величины.

В практике характеристику холостого хода определяют или по величине фазной э.д.с. Еф. или по линейному значению э.д.с. , или иногда по значению выпрямленного напряжения холостого хода Ud, практически равного для трехфазной схемы А Н. Ларионова:

Внешняя характеристика автомобильного генератора также выражается семейством кривых, соответствующих различ­ным частотам вращения ротора генератора (рис. 14).

Как известно, снижение напряжения при увеличении нагрузки автомобильного генератора происходит: из-за падения напряже­ния в активном и индуктивном сопротивлениях  обмоток стато­ра, из-за размагничивающего действия магнитного  потока  ре­акции якоря, уменьшающего магнитный поток в воздушном зазоре, а также из-за падения напряжения в цепи выпрями­теля.

Внешние характеристики могут определяться при самовозбуж­дении или при независимом возбуждении. Схемы соединения для снятия внешних характеристик показаны на рис. 15.

Внешние характеристики при самовозбуждении снимаются по схеме, показанной на рис. 15, а. Каждая характеристика снима­ется при неизменном значении частоты вращения генератора и неизменном сопротивлении цепи возбуждения.

Верхняя ветвь внешней характеристики на участке АВ (см. рис. 14, а) соответствует устойчивой работе генератора, когда   при уменьшении сопротивления нагрузочного реостата   напряжение генератора падает медленнее, чем сопротивление, и ток генерато­ра возрастает. Нижняя ветвь внешней характеристики соответст­вует неустойчивой работе генератора.

Из семейства внешних характеристик, снятых при самовозбуж­дении, определяется, как правило, величина максимального тока, которая обеспечивается при заданном номинальном или регули­руемом значении напряжения.

Семейство внешних характеристик, снятых по схеме незави­симого возбуждения, изображено на рис. 14, б. Каждая характе­ристика снимается при определенных значениях частоты вращения ротора генератора и напряжения постоянного тока, подводимого к обмотке возбуждения, что соответствует определенному значе­нию тока возбуждения генератора.

Рис. 15. Электрические схемы соединения генератора при снятии семейства внешних характеристик:

а- при самовозбуждении; б — при независимой возбуждении;

B1 выключатель в цепи возбуждения: В2 — выключатель в цепи нагрузки

В отличие от внешних харак­теристик, снятых при самовоз­буждении, ток короткого замы­кания генератора здесь больше номинального тока нагрузки и имеет максимальную величину при максимальной частоте вра­щения. Значение тока нагрузки, определяемое при независимом возбуждении, больше значения гока нагрузки, определяемого по схеме самовозбуждения, на ве­личину тока возбуждения.

Регулировочная   ха­рактеристика обычно опре­деляется при нескольких значе­ниях тока нагрузки генератора /н — минимальной, средней и максимальной, и имеет  вид, представленный на рис. 16.

Минимальное значение тока возбуждения генератора Iвmin оп­ределяется при Iн = 0 и заданной максимальной частоте враще­ния ротора генератора. Из регулировочных характеристик обычно определяют диапазон изменения тока возбуждения с изменением тока нагрузки при неизменном значении выпрямленного напря­жения Ud= const.

Токоскоростная характеристика генератора может определяться при независимом возбуждении или при самовозбуж­дении, однако основное практическое значение имеет характерис­тика, снятая при самовозбуждении. Электрические схемы соедине­ний генератора для снятия токоскоростных характеристик те же, что и при снятии внешних характеристик (см. рис. 15).

Подпись: Рис. 16. Скоростные регулировочные характеристики генератора при различных значениях тока нагрузки значения тока нагрузкиТокоскоростная характеристика генератора   In=f(n) имеет значительную кривизну (рис. 17), так как с увеличением частоты вращения п отдаваемый генератором ток /н растет все медленнее. Это объясняется тем, что с увеличением частоты вращения ротора генератора, а следовательно, с увеличением частоты индуктиро­ванного в обмотке статора переменного тока увеличивается индуктивное сопротивление обмотки статора генератора, пропорци­ональное квадрату числа витков в фазе. Вследствие этого с уве­личением частоты вращения ток генератора увеличивается мед­леннее, ассимптотически стремясь к некоторому предельному зна­чению.

Действительно, при замыкании внешней цепи на сопротивле­ние нагрузки индуктированная в обмотке статора электродвижу­щая сила вызывает ток

 где r активное сопротивление обмоток статора; R — сопротив­ление нагрузки;

, где х — индуктивное сопротивление обмотки генератора.

, где Су и Су — постоянные величины.

Подставляя в уравнение тока значения Е и х, получим

При малойчастоте вращения ротора величина  мала по сравнению с (r+R)2 и ею можно пренебречь, тогда

Как видно из формулы, ток при малой частоте вращения рас­тет пропорционально частоте вращения (начальная часть харак­теристики на рис. 17).

При возрастании частоты вращения возрастает значение и при большой частоте вращения можно пренебречь значением (r+R)2; тогда ток будет равен:

т.е. ток будет равен какой-то постоянной величине, не зависящей от частоты вращения, а определяемой параметрами обмоток ге­нератора и величиной магнитного потока холостого хода.

Рис. 17. Токоскоростные характеристики автомобильного генератора:

а—с ограничителем тока в схеме регулирования; б—с самоограничением максимального тока

В зависимости от способа ограничения максимального тока ге­нератора различают два вида токоскоростных характеристик, а именно: с ограничителем тока в схеме регулирования напряже­ния генератора или с самоограничением максимального тока ге­нератора. В первом случае, когда предельное значение тока ге­нератора при большой частоте вращения больше, чем допустимо по нагреву, выпрямленный ток ограничивается автоматически по­средством отдельного элемента — ограничителя тока, входящего в регулирующее устройство (рис. 17, а). Однако это ведет к ус­ложнению конструкции регулирующего устройства, что нежела­тельно по технико-экономическим и эксплуатационным соображе­ниям.

Для исключения из конструкции регулирующего устройства дополнительного элемента — ограничителя тока, число витков об­мотки статора увеличивают и подбирают таким образом, чтобы при увеличении частоты вращения ротора предельное значение тока не превышало допустимой по нагреву величины (рис. 17, б). Тогда ограничитель тока становится излишним, так как генератор приобретает свойство самоограничения отдаваемого им тока. Все современные автомобильные генераторы выполняются с самоог­раничением отдаваемого ими тока и имеют характеристику, соот­ветствующую рис. 17, б.

Кроме того, различают токоскоростные характеристики в так называемом «холодном» и «горячем» состоянии генератора, ко­торые экспериментально определяют следующим образом. Гене­ратор устанавливают на стенде, имеющем электрический двига­тель для привода во вращение ротора генератора, и приборы, сое­диненные по схеме, приведенной на рис. 15, а или 15, б. В случае снятия характеристики по схеме рис. 15, б (независимого возбуж­дения) сначала включают выключатель В1 и реостатом устанав­ливают напряжение возбуждения, равное номинальной величине (т. е. 14 или 28 В), После этого плавно приводят во вращение ротор генератора и тахометром определяют начальную частоту вращения в режиме холостого хода, при которой выпрямленное напряжение достигает величины 14 или 28 В. Затем включают ру­бильник В2 и снимают характеристику, увеличивая частоту вра­щения и подбирая на каждой частоте вращения такое положение реостата нагрузки Rn, чтобы выпрямленное напряжение было рав­но номинальному напряжению 14 или 28 В. Характеристика, снятая таким образом, соответствует «холодному» состоянию.

Для определения токоскоростной характеристики в «горячем» состоянии генератор в комплекте с регулирующим устройством должен предварительно проработать на стенде в режиме нагрузки расчетным током при частоте   вращения   3000—3500 об/мин в течение 1, 5—2 ч, после чего снятие характеристик производится так же, как описано выше.

Под расчетным током /р, величина которого определяет раз­меры и массу генератора, подразумевают: в случае применения в схеме регулирования ограничителя тока (рис. 17, а) — макси­мальный ток генератора, ограничиваемый ограничителем тока; в генераторе с самоограничением—величину тока нагрузки /р, рав­ную 70—75% от максимальной величины тока самоограничения генератора (рис. 17, б). Частоту вращения ротора генератора, со­ответствующую расчетному току нагрузки, называют расчетной частотой вращения nр, а режим работы генератора при расчетном токе /р и расчетной частоте вращения Мр — расчетным режимом.

Параметры Iр и np, характеризующие расчетный режим гене­ратора с самоограничением тока, можно определить, проведя из начала координат касательную к токоскоростной характеристике (см. рис. 17, б). Тогда точка касания определяет расчетные вели­чины /р и nр.

Автомобильные генераторы рассчитаны таким образом, что узлы и детали генератора выдерживают тепловую нагрузку, со­ответствующую любому режиму его работы. Поэтому на табличке генератора обозначают наряду с номинальной величиной напря­жения (14 или 28 В) величину максимального тока нагрузки ге­нератора.

В случае применения ограничителя тока эта величина равна току, на который установлен ограничитель, а в случае генератора с самоограничением отдаваемого тока — максимальному току самоограничения.

Максимальная мощность генератора переменного тока опреде­ляется по соотношению

, где Udn — номинальное выпрямленное напряжение, равное по ГОСТ 3940—71, соответственно 14 или 28 В; IГmax — макси­мальный ток нагрузки генератора.

Генераторы с номинальным напряжением 14 и 28 В предназ­начены для работы соответственно в 12-вольтной и 24-вольтной системе электрооборудования автомобиля.

Для оценки использования материалов генератора применяется «коэффициент использования» (максимальный)

, где Gr - масса генератора, кг (без шкива).

Однако так как масса электрических машин зависит не от их мощности, а от момента (т. е. мощности, деленной на частоту вра­щения), то пользоваться этим коэффициентом можно только для сравнения технического уровня генераторов с одинаковой  или близкой частотой вращения.

Поэтому для более объективной оценки технического уровня и совершенства расчета в смысле использования материалов ге­нератора применяется удельный коэффициент исполь­зования, учитывающий различную частоту вращения

Удельный коэффициент использования также при одинаковом использовании материалов генератора несколько увеличивается с увеличением их мощности, однако это увеличение в пределах колебания мощностей автомобильных генераторов сравнительно невелико.

На практике в случаях, когда токоскоростная характеристика неизвестна и, следовательно, определить величину /р и «р нельзя, пользуются удельным коэффициентом использова­ния по холостому ходу

где nx — начальная частота вращения при холостом ходе, кото­рая обычно указывается в каталогах.

Этот коэффициент приблизительно пропорционален предыду­щему, наиболее правильному оценочному параметру и составляет

В технических условиях на генераторы, как правило, указы­вают следующие параметры токоскоростной характеристики гене­раторов в «холодном» и «горячем» состояниях: начальную часто­ту вращения в режиме холостого хода nx; расчетную частоту вра­щения ротора генератора np; максимальную   частоту вращения ротора генератора nmах; максимальный ток нагрузки генератора IГмах.

 

 

 

 

 

 

 

 

 

 

 

 

 

 

 

 

 

 

 

 

 

 

 

 

 

 

 

 

 

 

 

 

 

 

Список использованной литературы

1.   Василевский В.И., Купеев Ю.А. Автомобильные генераторы.
М., «Транспорт», 1978

2.   Данов Б.А., Рогачев В.Д.  Электронные приборы автомобилей.
М., «Транспорт», 1996

 

Оглавление

Введение…………………………………………………………………………………………………. 1    

Устройство генераторной установки……………………………………………………………………2

Принцип работы генератора……………………………………………………………………………..5

Характеристики генератора…………………………………………………………………………….. 7

Список использованной литературы…………………………………………………………………...12

© 2012 Рефераты, курсовые и дипломные работы.