рефераты
Главная

Рефераты по рекламе

Рефераты по физике

Рефераты по философии

Рефераты по финансам

Рефераты по химии

Рефераты по хозяйственному праву

Рефераты по цифровым устройствам

Рефераты по экологическому праву

Рефераты по экономико-математическому моделированию

Рефераты по экономической географии

Рефераты по экономической теории

Рефераты по этике

Рефераты по юриспруденции

Рефераты по языковедению

Рефераты по юридическим наукам

Рефераты по истории

Рефераты по компьютерным наукам

Рефераты по медицинским наукам

Рефераты по финансовым наукам

Рефераты по управленческим наукам

Психология и педагогика

Промышленность производство

Биология и химия

Языкознание филология

Издательское дело и полиграфия

Рефераты по краеведению и этнографии

Рефераты по религии и мифологии

Рефераты по медицине

Рефераты по сексологии

Рефераты по информатике программированию

Краткое содержание произведений

Реферат: Методы и средства измерений и контроля

Реферат: Методы и средства измерений и контроля

Реферат

Курсовая работа содержит   пояснительную записку на 1 листах формата А4, включающую 5 рисунков и 6 литературных источников.

ТЕХНОЛОГИЧЕСКИЙ ПРОЦЕСС, ТЕХНОЛОГИЧНОСТЬ, ТИП ПРОИЗВОДСТВА, ВЫБОР ЗАГОТОВКИ, ЭКОНОМИЧЕСКОЕ ОБОСНОВАНИЕ, ПРИПУСК, РЕЖИМ РЕЗАНИЯ.

В курсовой работе рассмотрены вопросы анализа детали на технологичность, типа производства, выбора заготовки, расчета припусков, расчета режимов резания и нормирования.


Содержание

Введение........................................................................................................... 5

1  Разработка технического задания на проектирование преобразователя для измерения отклонений геометрических параметров.................................................................................................. 7

2  Выбор принципа работы преобразователя и описание его работы. 8

2.1     Выбор принципа работы преобразователя........................ 8

2.2     Принцип действия емкостных преобразователей.......... 8

2.3     Описание работы проектируемого преобразователя. 10

3  Подготовка текста технического задания согласно ГОСТу. 12

3.1 Основания для разработки......................................................... 12

3.2     Цель и назначение разработки.............................................. 12

3.3     Характеристика объекта разработки................................... 12

3.4     Основные технические требования к прибору:............. 12

4  Выбор и обоснование метрологических характеристик НСИ 13

5  Создание эскиза механической части емкостного или фотоэлектрического преобразователя НСИ на основе ТЗ. 16

6  Разработка методики измерения отклонений геометрических размеров  заданного изделия разработанными НСИ........... 17

Заключение.................................................................................................. 18

Список использованных источников................................................ 19

 


Введение

Измерительные преобразователи представляют собой технические устройства, которые осуществляют преобразования величин и образуют канал передачи измерительной информации. При описании принципа действия измерительно­го устройства, включающего последовательный ряд измерительных преобра­зователей, часто представляют его в виде функциональной блок-схемы (измерительной цепи), на которой отражают функции отдельных его частей в виде символических блоков, связанных между собой.

Измерительные преобразователи можно условно разбить на три класса: пропорциональные, функциональные и операционные.

Первые предназна­чены для подобного воспроизведения входного сигнала в выходном сигнале;

Вторые - для вычисления некоторой функции от входного сигнала; третьи - для получения выходного сигнала, являющегося решением некоторого диф­ференциального уравнения. Операционные преобразователи являются инер­ционными, так как у них значение выходного сигнала в любой момент време­ни зависит не только от значения входного в тот же момент времени, но и от его значений в предшествующие моменты времени.

По характеру изменения входных н выходных сигналов во времени пре­образователи делятся на непрерывные (аналоговые), непрерывно-дискретные, дискретно-непрерывные и дискретные.

При проектировании специализированного нестандартного средства измерения следует учитывать  существующие организационно-технические формы контроля, масштаб производства, характеристики измеряемых объектов, требуемую точность измерения и другие технико-экономические факторы.

В нашем случае производится проектирование только преобразователя и поэтому частью этих факторов можно пренебречь. Нам важна только требуемая точность измерения заданного параметра.

Каждый размер может быть измерен несколькими средствами с различными погрешностями измерения, но следует учитывать влияние окружающей среды на точность измерения. Теоретически есть очень большое число различных преобразователей: емкостные, фотоэлектрические, оптико-механические, индуктивные и т.п., но практически в каждом конкретном случае есть довольно ограниченный выбор.


1   Разработка технического задания на проектирование преобразователя для измерения отклонений геометрических параметров.

Требуется разработать преобразователь для специализированного средства измерения используемого при автоматическом контроле параллельности направляющей прецизионного станка.

Требуемые характеристики средства измерений:

Длинна измеряемой поверхности:.................. 400 мм.

Измеряемый параметр:........................................ параллельность

Значение измеряемого параметра:................ 2,5 мкм

Проект преобразователя должен содержать:

а) Выбор принципа работы преобразователя и его описание

б) Выбор и обоснование метрологических характеристик преобразователя

в) Расчет метрологических характеристик преобразователя

г) Эскиз механической части

д) Схема электрической части (если присутствует)


2   Выбор принципа работы преобразователя и описание его работы.

2.1    Выбор принципа работы преобразователя.

В нашем случае производится измерение параллельности направляющих.

К отклонениям от параллельности относятся отклонения от параллельности плоскостей, суммарное отклонение от параллельности и плоскостности, отклонения от параллельности оси относительно плоскости или плоскости относительно оси, отклонения от параллельности осей на плоскости и в пространстве.

Наш преобразователь должен измерять отклонения от параллельности плоскостей.

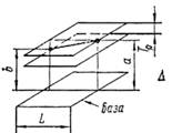
Рисунок 1. - Модель измерения

Рисунок 2. - Схема измерения

Под отклонением от параллельности плоскостей понимают разность D наибольшего и наименьшего расстояний между прилегающими плоскостями в пределах нормируемого участка.

Для измерения отклонений от параллельности в нашем случае лучше всего применить преобразователь, основанный на принципе измерения разности емкостей и электрической части преобразователя на основе балансового моста.

2.2    Принцип действия емкостных преобразователей

Емкостные преобразователи основаны на зависимости электрической емкости конденсатора от размеров, расположения его обкладок и от диэлектрической проницаемости среды между ними.

Для плоского конденсатора электрическая емкость определяется выражением:

                                            ,                                 

где e0 - диэлектрическая постоянная; e - относительная диэлектрическая проницаемость среды между обкладками; S - активная площадь обкладок; d - расстояние между обкладками. Из этого выражения следует, что в емкостном преобразователе переменной (входной) величиной может быть либо d, либо S, либо e.

На рис. 3 схематично изображены различные типы емкостных преобразователей.

Преобразователь на рис. 3, а представляет собой конденсатор, одна пластина которого перемещается относительно другой так, что изменяется расстояние между d между пластинами. Функция преобразования С=f(d) нелинейна, причем чувствительность возрастает с изменением расстояния между d между пластинами. Функция преобразования С=f(d) нелинейна, причем чувствительность возрастает с уменьшением d. Минимальное значение d определяется напряжением пробоя конденсатора. Такие преобразователи используются для измерения малых перемещений (менее 1 мм).

На рис. 3, б показан дифференциальный емкостный преобразователь, в котором при перемещении центральной пластины емкость одного конденсатора увеличивается, а другая уменьшается. Дифференциальная конструкция позволяет уменьшить погрешность нелинейности или увеличить рабочий диапазон перемещений.

Преобразователь на рис. 3, в   также имеет дифференциальную конструкцию, но в нем происходит изменение активной площади пластин. Он используется для измерения сравнительно больших линейных (более 1 мм) и угловых перемещений. В таком преобразователе можно получить необходимую функцию преобразования путем профилирования пластин.

Рисунок 3. Емкостные преобразователи

Емкостные преобразователи просты по конструкции, имеют высокую чувствительность и относительно малую инерционность. К их недостаткам следует отнести влияние внешних электрических полей, паразитных емкостей, температуры, влажности.

2.3    Описание работы проектируемого преобразователя.

Преобразователь основан на принципе измерения разности двух емкостей, обкладки которых связаны с свободно перемещающимися щупами, которые в свою очередь контактируют с поверхностью. Сам прибор при этом прижимается в базовой поверхности, относительно которой и проводится измерение. Непараллельность присутствует всегда, поэтому расстояние между обкладками емкостей будет разным, соответственно будет наблюдаться разность емкостей, вносит дисбаланс в мостовую схему электрической части и вызывает появление напряжения на выходе мостовой схемы. Далее это напряжение может быть подано в электрический преобразователь или измеряться непосредственно вольтметром. Зависимость между величиной отклонения от параллельности и напряжением нелинейна при плоских прямоугольных обкладках емкостей, однако эту зависимость можно легко привести к линейной путем изменения формы обкладок (профилированием). Либо как вариант подавать сигнал с мостовой схемы на аналого-цифровой преобразователь ЭВМ и выправлять зависимость с помощью программных методов.

Попутно можно отметить, что число емкостей может быть больше двух, точность измерения при этом возрастает, но мостовая схема уже не годится и в качестве анализатора лучше использовать ЭВМ, при этом при отсутствии дополнительных затрат можно также получить измерение плоскостности.

Настройку на 0 балансного моста необходимо будет проводить на образцовой поверхности, параллельной базе от которой производится измерение.


3   Подготовка текста технического задания согласно ГОСТу

3.1    Основания для разработки

Основанием для разработки нестандартизованного средства измерения служит задание на курсовое проектирование (прилагается). Тема разработки - проектирование нестандартизированного средства  измерения параллельности направляющих прецизионного станка. Дата выдачи задания 14 февраля 2000 года.

3.2    Цель и назначение разработки

Целью разработки является увеличение производительности контроля геометрических параметров измеряемого изделия.

3.3    Характеристика объекта разработки

Объект разработки представляет собой нестандартизированное средство измерения, применяемое для контроля отклонений геометрических размеров направляющих прецизионного станка. Контролируемый параметр - непараллельность. В приборе используется емкостной либо фотоэлектрический преобразователь.

3.4    Основные технические требования к прибору:

Прибор должен удовлетворять следующим требованиям:

- Длина измеряемого объекта не менее 400 мм.

- Точность измерения не менее 0.5 мкм

       


4   Выбор и обоснование метрологических характеристик НСИ

Общий перечень основных нормируемых МХ, формы их представления и способы нормирования установлены в ГОСТ 8.009-84. «ГСИ. Нормирование и использование метрологических характеристик СИ». Согласно его номенклатура МХ включает в себя:

а. Характеристики, предназначенные для определения результатов измерения (без введения поправок)

б. Функция преобразования (градуировочная характеристика, уравнение преобразования) - это зависимость между значениями на выходе и входе СИ, представленная в виде таблицы, графика или формулы. Различают индивидуальную и номинальную функции преобразования. Индивидуальная описывает свойства конкретного экземпляра СИ. Ее еще называют градуировочной характеристикой. При серийном выпуске однотипных СИ зависимость между значениями на выходе и входе СИ часто устанавливается с помощью номинальной функции преобразования. Ее использование сопровождается погрешностями, вызванными отличием номинальной функции преобразования от индивидуальной. Идеальная функция преобразования представляет линейную зависимость.

в. Значение меры.

г. Цена деления шкалы измерительного прибора - это разность значений величины, соответствующих двум соседним отметкам шкалы.

д. Для цифровых приборов указывают цену единицы младшего разряда цифрового отсчетного устройства, вид выходного кода (двоичный, двоично-десятичный и т.п.), и число разрядов кода.

е. Функция влияния - это зависимость изменения МХ от изменения влияющих величин. Под последними понимают  внешние физические воздействия - климатические, механические, электромагнитные, изменения параметров источников питания.

ж. Динамические характеристики, обусловленные влиянием на выходной сигнал изменениями во времени значений входного сигнала. Различают полные динамические характеристики и частичные. К полным относят: переходную, АЧХ,  амплитудно-фазовую,  импульсную переходную, передаточную. У частичным - любые функционалы или параметры полных динамических характеристик. Примерами таких характеристик может служит постоянная времени.

По условиям применения СИ различают нормальные и рабочие условия. Они отличаются диапазоном изменения неинформативных параметров входного сигнала и влияющих величин. Нормальными называют условия, для которых нормируется основная погрешность СИ. Для различных типов СИ нормальные условия могут быть разными. Однако СИ могут работать в более широком диапазоне изменения влияющих величин. Этот диапазон называют рабочим.

а. Расстояние между емкостями выбираю  равным длине измеряемой поверхности - 400 мм (возможен также вариант с изменяемой длиной - для чего корпус преобразователя делается в виде телескопического цилиндра). Корпус лучше всего выполнить из композитного материала во избежание появления паразитных емкостей.

б.) Изменение расстояний между обкладками измерительных емкостей невелико (производится измерение точных поверхностей), поэтому функция преобразования будет относительно линейна. Для улучшения функции преобразования при изменении больших отклонений можно применить профилирование  обкладок измерительных емкостей.

в.) Рабочий диапазон измерения составляет десятикратное значение измеряемой величины и равен 2,5 * 10 = 25 мкм.

г.) Цена деления должна быть не больше 0,5 мкм.

Рассчитаем ориентировочную площадь обкладок конденсатора для получения необходимой точности. Емкость конденсатора определяется следующей формулой:  (см. п2.) В нашем случае максимальная величина изменения расстояния Dd = 25 мкм или  Dd = 2,5×10 -5 м. Величина e для воздуха равна 1, универсальная диэлектрическая постоянная  e0 = 8,85×10 -12. Для получения достоверных результатов изменение емкости должно быть не менее 10 нФ. Путем решения уравнения относительно S получаем значение площади 2,84×10 -2 м 2, что вполне реально. Далее назначим точностные требования на пластины обкладок измерительных емкостей. Точностные требования назначаем исходя из размер пластин (30 см на 10 см) и изменения расстояния между обкладками. Назначаем допуск на непараллельность 0.01 мкм и параметры шероховатости пластин Ra = 0,32 мкм.


Рисунок 4. - Точностные требования к обкладкам


5   Создание эскиза механической части емкостного или фотоэлектрического преобразователя НСИ на основе ТЗ.


Рисунок 5. Эскиз механической части преобразователя

Dh = H2 - H1   Разность расстояний между обкладками измерительных емкостей и является отклонением от параллельности. Устройство регистрации представляет собой выпрямитель и цифровой или аналоговый измеритель напряжения. Данные с устройства регистрации получает оператор либо автоматическое контрольное устройство.



6    Разработка методики измерения отклонений геометрических размеров
заданного изделия разработанными НСИ

Измерение разработанным НСИ производится следующим образом:

-     перед началом измерений если это необходимо производится настройка прибора на  0. Для этого требуется две образцовых поверхности, параллельных друг другу. После установки прибора напряжение мостовой схемы выводится на 0 с помощью сопротивления R1

-     Для измерения опорные точки прибора устанавливаются на базовую поверхность, а оба щупа на поверхность, параллельность которой измеряется. Способ измерения - прямой, поэтому результаты получаются сразу после установки прибора.

-     Для измерения от различных баз к прибору должны прилагаться вспомогательные уголки и кронштейны.


Заключение

В данной курсовой работе было подготовлено задание на разработку преобразователя нестандартного  средства измерений отклонений геометрических размеров (параллельности) заданного прецизионного изделия - направляющей прецизионного станка., проведена разработка механической части преобразователя, проведен выбор и обоснование метрологических характеристик НСИ, спроектирован эскиз механической части НСИ - емкостного преобразователя, а также разработана методика использования данного НСИ при измерении  параллельности направляющей прецизионного станка.


Список использованных источников

1.  Поверка мер и механических приборов для измерения длин и углов, М.: Издательство стандартов,1963

2.  Поверка оптико-механических приборов для измерения длин и углов. Сборник,  М.: Издательство стандартов,1965

3.  Технический контроль в машиностроении/ Справочник проектировщика,  М.:Машиностроение,1987

4.  Ацюковский В.А.  Емкостные преобразователи перемещения   М.:Энергия,1966

5.  Балонкина И.И., Кутай А.К., Сорочкин Б.М.  Точность и производственный контроль в машиностроении: Справочник.,   Л.:Машиностроение,1983

6.  Бирюков Г.С., Серко А.Л.  Измерение геометрических величин и их метрологическое обеспечение,  М.: Издательство стандартов,1987


© 2012 Рефераты, курсовые и дипломные работы.