рефераты
Главная

Рефераты по рекламе

Рефераты по физике

Рефераты по философии

Рефераты по финансам

Рефераты по химии

Рефераты по хозяйственному праву

Рефераты по цифровым устройствам

Рефераты по экологическому праву

Рефераты по экономико-математическому моделированию

Рефераты по экономической географии

Рефераты по экономической теории

Рефераты по этике

Рефераты по юриспруденции

Рефераты по языковедению

Рефераты по юридическим наукам

Рефераты по истории

Рефераты по компьютерным наукам

Рефераты по медицинским наукам

Рефераты по финансовым наукам

Рефераты по управленческим наукам

Психология и педагогика

Промышленность производство

Биология и химия

Языкознание филология

Издательское дело и полиграфия

Рефераты по краеведению и этнографии

Рефераты по религии и мифологии

Рефераты по медицине

Рефераты по сексологии

Рефераты по информатике программированию

Краткое содержание произведений

Реферат: Первичная подготовка нефти

Реферат: Первичная подготовка нефти

Содержание

Введение............................................................................................ 3

1. Основы подготовки нефти к переработке................................ 4

1.1. Дегазация нефти..................................................................... 4

1.2. Стабилизация нефти.............................................................. 5

1.3. Нефтяные эмульсии................................................................. 6

1.4. Способы разрушения нефтяных эмульсий.............................. 9

1.5. Обезвоживание нефти.......................................................... 10

1.6. Обессоливание нефтей.......................................................... 10

1.7. Основные виду электрообессоливающих установок............ 11

2. Характеристика исходного сырья.......................................... 13

3. Технологическая схема первичной подготовки нефти........ 17

3.1. Описание технологического процесса установки подготовки нефти (УПН) 17

3.1.1. Описание технологической схемы.................................. 17

3.1.2. Резервная схема работы.................................................. 24

3.1.3. Схема приготовления и закачки реагента-деэмульгатора 25

3.1.4. Освобождение аппаратов от продуктов и установка заглушек        25

3.2. Регламент работы установки подготовки нефти............. 26

3.2.1. Общая характеристика цеха УПН.................................. 26

3.2.2. Нормы технологического режима работы УПН............ 27

3.2.3.  Контроль технологического процесса. Система сигнализации и блокировки УПН  30

3.2.4. Порядок пуска и остановки УПН.................................... 33

3.3.Основные правила безопасного ведения технологического процесса      36

3.4. Возможные неполадки технологического процесса............. 38

3.5. Аварийная остановка УПН................................................... 40

3.6. Мероприятия по охране окружающей среды...................... 40

3.6.1. Выбросы в атмосферу дымовых газов, потери от испарения факельных выбросов.................................................................................... 41

4. Расчет электродегидратора...................................................... 42

4.1. Условия расчета.................................................................... 42

4.2. Расчет электродегидратора................................................ 42

5. Продукция установки УПН..................................................... 45

6. Материальный и тепловой балансы...................................... 45

Заключение.................................................................................... 48

Список сокращений...................................................................... 49

Список использованных источников......................................... 49

Введение
                                                                         Один чудак из партии геологов

                                                                                                  Сказал мне, вылив грязь из сапога:

                                                                                                  "Послал же бог на голову нам олухов!

                                                                                                  Откуда нефть – когда кругом тайга?

                                                                                                  И деньга вам отпущены - на тыщи те

                                                                                                  Построить детский сад на берегу:

                                                                                                  Вы ничего в Тюмени не отыщите –

                                                                                                  В болото вы вгоняете деньгу"

В. Высоцкий

Нефть – единственное жидкое ископаемое, добываемое с доисторических времен. И пожалуй, ни одно из природных веществ не вызвало столько споров: по сей день ученые обсуждают, можно ли назвать ее минералом или относить к горным породам, высказывают разные предположения о том, сколько нефти в недрах планеты, до какой глубины она встречается, что происходит с ней по истечении времени, как она образовалось – химизм этих процессов.

Сургутский нефтеносный район представляет из себя крупное подземное поднятие, а также своды и впадины, окружающие его. Около 30 000 квадратных километров приходится на Сургутский свод.

Удивительна история открытия перспективного в Сургутском районе Федоровского месторождения. Северо-восточнее Сургута, в долине Черной Речки. В 1963 году на этой площади была открыта нефть в песчаном пласте. По буре­нию четырех скважин залежь сочли неинтересной, поэтому дальнейшую разведку признали нецелесо­образной, к тому же были другие объекты для по­исков.

Вернулись к месторождению только в 1971 году. Сейсморазведчики провели дополнительные иссле­дования и показали, что Северо-Сургутская пло­щадь лишь часть, точнее, небольшая часть круп­ного подземного поднятия. Первая же скважина дала фонтан нефти, бурение других доказало су­ществование нового месторождения, которое ох­ватывает Северо-Сургутскую, Федоровскую, Севе­ро-Федоровскую, Моховую и Восточно-Моховую подземные структуры. В нем девять пластов с нефтью, а в двух верхних имеется и газ. В дальнейшем были открыты Комсомольское, Быстринское и другие месторождения, но Федоровское оказалось самым крупным из всех.

В 70-е годы месторождения стали разрабатываться и стали появляться промышленные объекты: дожимно-напорные станции, цеха добычи нефти и газа, цеха предварительной подготовки нефти. Так был построен и цех первичной подготовки нефти (ЦППН) и на Быстринском нефтегазодобывающем управлении (НГДУ). Этот ЦППН на сегодняшний день обслуживает шесть месторождений: комарьинское, солкинское, западно-солкинское, быстринское, вачемское, карьяунское.

Быстринскео НГДУ на сегодняшний день является одной из многих частью АО "Сургутнефтегаз". Нефть, добываемая на этом предприятии, нашла свое применение в народном хозяйстве. В основном она используется как сырье  на нефтехимических предприятиях Ленинградской  области. И в последние годы нефть стали экспортировать за границу.

1. Основы подготовки нефти к переработке

1.1. Дегазация нефти

Нефть, добываемая из земных недр, как правило, содержит газ, называемый попутным. На каждую тонну добытой нефти приходится 50-100 м3 попутного газа. Перед транспортировкой и подачей нефти на переработку газ должен быть отделен от нефти. Удаление газа из нефти - дегазация прово­дится с помощью сепарации и стабилизации.

В условиях нефтяного пласта при высоком давлении газы рас­творены в нефти. При подъеме нефти на земную поверхность дав­ление падает и растворенный газ выделяется. Важно в этот момент уловить его. Существует несколько схем отделения газа от нефти на про­мысле, различающихся условиями перемещения нефти и газа. Схемы первой группы характеризуются тем, что газ отделяют от нефти на кратчайшем расстоянии от скважины. После отделения газа к центральным пунктам сбора перемещается только нефть. Пример подобной схемы отделения газа от нефти приводится на рис.1а.

Газонефтяная смесь из скважины поступает, в вертикальную емкость С-1, оборудованную устройствами для предотвращения уноса нефти с газом. Эта емкость носит название трапа. Из трапа С-1 газ поступает в газосборный коллектор, а нефть - в мерник Е-1. По газосборному коллектору попутный газ передается для дальнейшей обработки на газобензиновые заводы. К коллектору подключается до ста и более скважин одного или нескольких близлежащих нефтяных месторождений. Поскольку давление, при котором происходит разделение в трапе, невысокое (1-2 ат), для подачи газа на газобензиновые заводы его сжимают компрессо­рами ЛК-1.

Нефть из мерника Е-1 самотеком или насосами подается на нефтесборный пункт, где подвергается обезвоживанию.

Подпись:  

Рис. 1 Схемы отделения газа от нефти на нефтепромысле с од-но¬ступенчатой (а) и многоступенчатой сепарацией (б): 
I-газ на газобензиновый завод; II-нефть.



Описанная схема отличается простотой, но не обеспечивает полноты улавливания попутного газа. После одноступенчатой сепа­рации в нефти остается до 40-50% попутного газа. Этот газ, попадая вместе с нефтью в мерники Е-1 и резервуары нефтесборных пунктов, в значительной степени улетучивается в атмо­сферу. Более эффективны системы многоступенчатой сепарации (рис. 1б).

На устье нефтяной скважины поддерживается повышенное давление. В непосредственной близости от скважины размещается газоотделитель первой ступени сепарации С-1, давление в котором равно 6-7 ат. Этого давления достаточно, чтобы без дополнитель­ного сжатия подать газ на газобензиновый завод. Из газоотделителя первой ступени нефть вместе с оставшимся в ней растворенным газом самотеком перемещается на центральный сборный пункт. На этом пункте собираются потоки от большого числа скважин. В результате снижения давления на центральном сборном пункте вновь происходит выделение газа в сепараторе С-2. Этот газ подается на газобензиновый завод компрессорами.  Преимущества многоступенчатой схемы сепарации:

·     более полное отделение газа от нефти;

·     сокращение уноса капель нефти с газом;

·     уменьшение расхода электроэнергии на сжатие газа.

1.2. Стабилизация нефти

            Даже после многоступенчатой промысло­вой сепарации в нефти остается весьма значительное количество углеводородов С1-С4. Значительная часть этих углеводородов может быть потеряна при перекачках из резервуара в резервуар, при хранении и транспортировке нефти. Вместе с газами теряются ценные легкие бензиновые фракции.

Чтобы ликвидировать потери газов и легких бензиновых фрак­ций, предотвратить загрязнение воздуха, уловить ценные газо­образные компоненты, необходимо максимально извлечь углево­дороды С1-С4 из нефти перед тем, как отправить ее на нефтеперерабатывающие заводы. Эта задача решается на уста­новках стабилизации нефти, расположенных обычно в непосред­ственной близости от места ее добычи. Методы стабилизации нефти могут быть различными. Для большинства нефтей стабилизация производится на установках с применением ректификации.

Подпись:  
Рис. 2 Схема установки стабилиза-ции нефти: 
I-нестабильная нефть; II - стабильная нефть; III - несконденсировавщийся газ; IV - головка стабилизации (сжиженный газ).
Схема типовой стабилизационной установки приводится на рис. 2. Нефть, поступающая с промысловых установок сепарации, проходит через теплообменники Т-1, где подогревается уже стабилизированной нефтью, и паро­вые подогреватели Т-2. Подо­гретая нефть поступает в рек­тификационную колонну-ста­билизатор К.-1. Уходящие с верха стабилизатора легкие уг­леводороды конденсируются в конденсаторе холодильнике ХК-1 и поступают в емкость Е-1. С верха стабилизатора уходят углеводороды от С1 до С5 включительно. При охлаж­дении оборотной промышлен­ной водой в конденсаторе-хо­лодильнике конденсируется не весь продукт, уходящий с вер­ха колонны. Поэтому в емко­сти Е-1 происходит разделение смеси, поступившей из кон­денсатора, на газ и жид­кость.

Газ из Е-1 направляется в топливную сеть. Жидкий продукт - газовый конденсат частично возвращается в колонну К-1 в качестве орошения, а балансовое количество[1] выводится со стабилизационной установки и передается на центральные газофракционирующие установки (ЦГФУ). Эти установки предназначаются для разделения газового конденсата нескольких стабилизационных установок на индивидуальные углеводороды.

С низа стабилизатора уходит стабильная нефть, которая отдает свое тепло поступающему сырью в теплообменнике Т-1 и доохлаждается в холодильнике. Необходимое для ректификации тепло под­водится в нижнюю часть стабилизационной колонны через трубча­тую печь. Содержание газа (углеводородов С1 - С4) в стабильной нефти составляет 0,8-1,5%.

1.3. Нефтяные эмульсии

При добыче нефти ее почти всегда сопровождает пластовая (буровая) вода. В буровых водах растворены различные соли, чаще всего хлориды и бикарбонаты натрия, кальция, магния, реже карбонаты и сульфаты. Содержание солей в этих водах колеб­лется в широких пределах, от незначительного до 30%.

Наличие в нефти, поступающей на переработку, воды и солей вредно сказывается на работе нефтеперерабатывающего завода. При большом содержании воды повышается давление в аппара­туре установок перегонки нефти, снижается их производительность, расходуется излишнее тепло на подогрев и испарение воды.

Еще более отрицательным действием обладают хлориды. Они откладываются в трубах теплообменников и печей, что приводит к необходимости частой очистки труб, снижает коэффициент теплопередачи. Хлориды, в особенности кальция и магния, гидролизуются с образованием соляной кислоты даже при низких тем­пературах. Под действием соляной кислоты происходит разруше­ние (коррозия) металла аппаратуры технологических установок. Особенно быстро разъедается под действием гидролизовавшихся хлористых солей конденсационно-холодильная аппаратура пере­гонных установок. Наконец, соли, накапливаясь в остаточных нефтепродуктах - мазуте и гудроне, ухудшают их качество. Следовательно, перед подачей нефти на переработку ее необ­ходимо отделить от воды и солей.

Воду и соли удаляют непосредственно после извлечения нефти из земных недр (на промыслах) и на нефтеперерабатывающих за­водах. Существует два типа технологических процессов удаления воды и солей - обезвоживание и обессоливание. В основе обоих процессов лежит разрушение нефтяных эмульсий. Однако при обезвоживании разрушаются природные эмульсии, те, которые образовались в результате интенсивного перемешивания нефти с буровой водой. Обезвоживание проводится на промыслах и явля­ется наряду с дегазацией первым этапом подготовки нефти к транспортировке и переработке.

При обессоливании обезвоженную нефть смешивают с пресной водой, создавая искусственную эмульсию, которая затем разру­шается. Обессоливание нефти проводится на промыслах и нефте­перерабатывающих заводах.

Нефть и вода взаимно плохо растворимы. Поэтому отделение основной массы воды от нефти простым от­стаиванием не представляет большого труда, если при добыче не образовалась водно-нефтяная эмульсия. Но чаще всего такая эмульсия образуется. Перерабатывать обводненную эмульгированную нефть нельзя. Даже если эмульсия не образовалась, то не­значительное количество воды все же остается в нефти в раство­ренном или во взвешенном состоянии. А вместе с водой в нефть попадают и минеральные соли, которые вызывают коррозию нефте­перегонной аппаратуры.

Эмульсией называется такая система двух взаимнонерастворимых или не вполне растворимых жидкостей, в которых одна содер­жится в другой во взвешенном состоянии в виде огромного количества микроскопических капель (глобул), исчисляемых трил­лионами на литр эмульсии. Жидкость, в которой распределены глобулы, называется дисперсной средой, а вторая жидкость, рас­пределенная в дисперсной  среде, - дисперсной фазой.

При движении нефти по скважинам она весьма интенсивно перемешивается с пластовой водой. В различных стадиях переработки, например при защелачивании, нефть и ее погоны также тесно соприкасаются с водой. В этих случаях часто и образуются стойкие нефтяные эмульсии. Расслаивание нефтяных эмульсий в естественных условиях иногда наступает по истечении весьма длительного времени. (Описаны эмульсии, не разрушавшиеся годами). Однако чаще всего про­исходит частичное расслаивание, после которого между слоями воды и нефти остается промежуточный эмульсионный слой.

Стойкие эмульсии по внешнему виду представляют собой гус­тые мазеобразйые массы от светло-желтого до темного цвета. Эмульсии, образовавшиеся после водно-щелочной промывки неф­тепродукта, иногда имеют почти сметанообразный вид. Вязкость эмульсий значительно выше вязкости воды и нефти.

Нефтяные эмульсии чаще всего представляют собой эмульсии типа вода в нефти, в которых дисперсной средой является нефть, а дисперсной фазой-вода. Такая эмульсия гидрофобна: в воде она всплывает, а в бензине или других растворителях равномерно распределяется.

Реже встречаются эмульсии типа нефть в воде, в которых дис­персной средой служит вода. Такая эмульсия гидрофильна: вводе она равномерно распределяется, а в бензине тонет.

Образование эмульсий связано с поверхностными явлениями. Поверхностный слой жидкости на границе с воздухом или другой жидкостью, как известно, характеризуется определенным поверх­ностным натяжением, т. е. силой, с которой жидкость сопротив­ляется увеличению своей поверхности. Поверхностное натяжение нефти и нефтепродуктов колеблется в пределах 0,02-0,05 н/м (20-50 дн/см). Опыты показывают, что добавление некоторых веществ к чистым нефтяным погонам вызывает понижение их по­верхностного натяжения на границе с водой. Это явление носит общий характер.

Иногда вещества при растворении даже в очень малых кон­центрациях существенно понижают поверхностное натяжение рас­творителя. Вещества, способные понижать поверхностное натя­жение, называются поверхностно-активными. Характерная осо­бенность этих веществ в том, что в их состав входит, как правило, углеводородный радикал (гидрофобная часть молекулы) и какая- либо полярная группа (гидрофильная часть молекулы). Понижение поверхностного натяжения двухфазной жидкой системы на границе раздела фаз в результате воздействия полярных веществ объяс­няется тем, что добавленное вещество распределяется неравномер­но в том компоненте системы, который является по отношению к нему растворителем. Концентрация его у поверхности раздела фаз будет более высокой, чем во всем объеме растворителя. Иными словами, добавленное полярное вещество будет адсорбироваться поверхностным слоем растворителя и тем самым понижать его по­верхностную энергию. В результате на границе раздела фаз обра­зуется адсорбированный слой, который можно рассматривать как пленку молекул поверхностно-активяого вещества на поверхности растворителя.

Всякая эмульсия, в том числе и нефтяная, может образоваться только тогда, когда механическое воздействие на смесь двух взаимно нерастворимых жидкостей будет вызывать диспергирование, т. е. дробление жидкости на очень мелкие частицы. Ясно, что чем меньше поверхностное натяжение жидкостей, тем легче будет идти образование капель, т. е. увеличение общей поверхности жид­кости, так как оно будет требовать меньшей затраты работы. Однако после перемешивания двух чистых, нерастворимых друг в друге жидкостей стойкость полученной эмульсии обычно неве­лика. Более тяжелая жидкость осядет на дно, капельки дисперсной фазы, сталкиваясь друг с другом, объединятся в более крупные. Оба эти процесса и приведут к расслаиванию эмульсии на два слоя. Только при очень высокой степени дисперсности, когда диа­метр капель дисперсной фазы измеряется десятыми долями мик­рона (10-7 м) и межмолекулярные силы уравнивают гравита­ционные силы, разрушение эмульсии становится затруднительным.

Иначе обстоит дело, если смесь двух нерастворимых жидкостей находится в условиях, способствующих диспергированию, и в ней присутствует какое-либо поверхностно-активное вещество, пони­жающее поверхностное натяжение за счет образования адсорб­ционного слоя. Во-первых, это способствует дроблению капель, а во-вторых (что имеет решающее значение), капли будут окружены не молекулами дисперсной среды, а прочной пленкой адсообционного слоя. В этом случае образуются стойкие, трудно расслаиваю­щиеся эмульсии, так как капли дисперсной фазы, защищенные своеобразным панцирем - адсорбционной пленкой, не могут сли­ваться друг с другом. В некоторых случаях толщина адсорб­ционной пленки такова, что ее можно рассмотреть в микро­скоп.

Вещества, способствующие образованию и стабилизации эмуль­сий, называются эмульгаторами. Ими являются такие полярные вещества нефти, как смолы, асфальтены, асфальтогеновые кислоты и их ангидриды, соли нафтеновых кислот, а также различные не­органические примеси. Например, по данным Левченко, в состав эмульгаторов арланской и ромашкинской нефти, помимо смол и асфальтенов входит до 50% неорганических веществ. Исследова­ния последних лет показали, что в образовании стойких эмульсий принимают участие также различные твердые углеводороды.

Микрокристаллы парафинов, церезинов и смешанных пара­фина-нафтеновых углеводородов, адсорбируясь на поверхности эмульсионных глобул, образуют своеобразную броню.

Характер эмульсии зависит от свойств эмульгатора. В сырой нефти обыкновенно образуется гидрофобная эмульсия типа вода в нефти, так как эмульгаторами в этом случае являются смолы. Они хорошо растворяются в нефти и не растворяются в воде. Смолы, адсорбируясь на поверхности раздела нефть-вода, по­падают в поверхностный слой со стороны нефти и создают прочную оболочку вокруг частиц воды.

Алюминиевые, кальциевые, магниевые и железные мыла неф­тяных кислот также хорошо растворимы в нефти и ее дистилля­тах, поэтому они также способствуют образованию гидрофобных эмульсий. Наоборот, натриевые мыла нефтяных кислот (продукт реакции при щелочной очистке) хорошо растворимы в воде и хуже в углеводородах. Поэтому они адсорбируются в поверхностном слое со стороны водной фазы, обволакивают пленкой капельки нефти и таким образом способствуют образованию гидрофильной эмульсии типа нефть в воде.

При наличии эмульгаторов обоих типов возможно обращение эмульсий, т. е. переход их из одного типа в другой. Этим явлением пользуются иногда при разрушении эмульсий.

1.4. Способы разрушения нефтяных эмульсий

Механизм разрушения нефтяных эмульсий состоит из нескольких стадий:

1.   Столкно­вение глобул (частиц) воды;

2.   Слияние глобул в более крупные капли;

3.    Выпадение капель.

Для того чтобы разрушить эмульсии, в промышленной прак­тике применяются следующие процессы:

·    механические - филь­трование, обработка ультразвуком;

·    термические - подогрев и отстаивание нефти от воды, промывка горячей водой;

·    электри­ческие - обработка в электрическом поле переменного и постоян­ного тока;

·    химические - обработка различными деэмульгаторами.

Перемешивание и воздействие электрического поля создают благоприятные условия для увеличения вероятности столкновения глобул воды, тепло способствует увеличению разности плотностей воды и нефти, снижению вязкости нефти, что облегчает быстрый и полный отстой капель воды. Действием деэмульгаторов - специальных поверхностно-активных веществ - ослабляется струк­турно-механическая прочность слоев, обволакивающих капли воды. В качестве деэмульгаторов применяются различные поверхностно- активные вещества. Механизм действия поверхностно-активных веществ на эмульсии весьма сложен и мало изучен.

По характеру поведения в водных растворах деэмульгаторы делятся на ионоактивные и неионогенные. Первые в растворах диссоциируют на катионы и анионы, вторые ионов не образуют. Исследования, проведенные в СССР и за рубежом, показали, что наилучшим деэмульгирующим действием обладают неноногенные вещества. Расход неионогенных деэмульгаторов в несколько де­сятков раз ниже, а эксплуатационные затраты на обессоливание 1 т нефти в пять раз меньше, чем при применении ионогенных веществ.

До последнего времени для разрушения нефтяных эмульсий применялся анионоактнвный деэмульгатор - нейтрализованный черный контакт (НЧК). Этот деэмульгатор применяется на неко­торых установках обессоливания до сих пор.

В настоящее время все шире используются различные неионогенные деэмульгаторы, из числа которых наиболее известны ОЖК и ОП-10. Деэмульгатор ОЖК представляет собой оксиэтилированные жирные кислоты, а ОП-10 оксиэтилированные алкилфенолы. Наиболее распространены термохимические и электрические способы разрушения эмульсий. Под влиянием электрического поля высокого напряжения, заряженные капельки воды перемещаются к электродам. Поскольку частота поля в межэлектродном про­странстве меняется, происходит изменение направления движения капель воды, они сталкиваются друг с другом и сливаются.

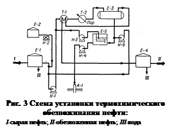
1.5. Обезвоживание нефти

Подпись:  
Рис. 3 Схема установки термохимического обезвоживания нефти: 
I-сырая нефть; II-обезвоженная нефть; III-вода


Наиболее простой способ удаления воды из нефти на промыслах - термохимическое обезвоживание при атмосферном давлении. К подогретой до 30-50°С нефти добав­ляется деэмульгатор, а затем нефть поступает в резервуар для отстаивания. При такой обработке нефти возможны большие по­тери легких нефтепродуктов во время отстаивания в негерметичных резервуарах. Эти недостатки устраняются при термохимическом отстаивании под давлением (рис. 3). Сырую нефть забирают из Е-1 насосом Н-1, смешивают с деэмульгатором, подаваемым из Е-2, прокачи­вают через теплообменник Т-1 и паровой подогреватель Т-2 в термоотстойник Е-З. В термоотстойнике под давлением »15 ат нефть находится в течение 1-3 ч. Обезвоженная нефть через теплообмен­ник Т-1 направляется в резервуар Е-4. В резервуаре нефть допол­нительно отделяется от воды. Отстоявшаяся вода сбрасывается в нефтеловушку Е-5, а затем закачивается в скважину А-1. Часть сточных вод, удаленных из термостойника, возвращается на прием сырьевого насоса, с целью повторного использования содержащегася в сточной воде деэмульгатора. Нефть из ловушки вновь по­дается на обезвоживание.

1.6. Обессоливание нефтей

При глубоком обезвоживании некоторых нефтей, в пластовой воде которых содержится мало солей, про­исходит почти полное их удаление. Однако большинство нефтей нуждается в дополнительном обессоливании.

В некоторых случаях для обессоливания используется термо­химический метод, но чаще применяется способ, сочетающий термо­химическое отстаивание с обработкой эмульсии в электрическом поле. Установки последнего типа носят название электрообессоливающих (ЭЛОУ).

Подпись:  
Рис. 4 Схема установки электрообессо-ливания нефти: 
I-сырая нефть; II-деэмульгатор; III-щелочь; IV - свежая вода; V- обессоленная нефть; VI-вода в канализацию.
Технологическая схема установки электрообессоливания нефти приводится на рис. 4. Нефть, в которую введены про­мывная вода, деэмульгатор и щелочь, насосом Н-1 прокачивается через теплообменник 7-1 и пароподогреватель Т-2 в электродегидратор первой ступени Э-1. Здесь удаляется основная масса воды и солей (содержание их снижается в 8-10 раз.) На некоторых установках ЭЛОУ перед Э-1 находится термохимическая ступень. Из Э-1 нефть поступает в электродегидратор второй ступени Э-2 для повторной обработки. Перед Э-2 в нефть вновь подается вода. Общий расход воды на обессоливание составляет 10% от обраба­тываемой нефти. На некоторых установках свежая вода подается только на вторую ступень обессоливания, а перед первой ступенью с нефтью смешиваются промывные воды второй ступени. Так удается снизить расход воды на обессоливание вдвое.

Обессоленная нефть из Э-2 проходит через теплообменник Т-1, холодильник и подается в резервуары обессоленной нефти. Вода, отделенная в электродегидраторах, направляется в нефтеотделитель Е-1 для дополнительного отстоя. Уловленная нефть возвращается на прием сырьевого насоса, а вода сбрасывается в промышленную канализацию и передается на очистку.

1.7. Основные виду электрообессоливающих установок

            Глав­ным аппаратом установки является электродегидратор - емкость, снабженная электродами, к которым подводится переменный ток высокого напряжения. В эксплуатации на промысловых и завод­ских установках ЭЛОУ находятся электродегидраторы различных конструкций: вертикальные, шаровые и горизонтальные.

Вертикальный электродегидратор (рис. 5) представляет собой цилиндрический сосуд диаметром 3 м, высотой 5 м и объемом 30 м3. Внутри находятся электроды - металлические пластины, подвешенные на фарфоровых изоляторах. Ток подается к электро­дам от двух повышающих трансформаторов мощностью по 5 ква (киловольтампер) каждый. Напряжение между электродами от 15 до 33 кв.

Сырье вводится в электродегидратор через вертикальную, вмон­тированную по оси аппарата трубу, которая на половине высоты дегидратора заканчивается распределительной головкой-Головка устроена так, что через ее узкую кольцевую щель эмульсия нефти и воды вводится в виде тонкой веерообразной горизонтальной струи. Обработанная нефть выводится в центре верхнего днища электродегидратора, а отстоявшаяся вода-через нижнее днище.

Подпись:  
Рис. 5. Вертикальный электродегидратор: 
1-корпус; 2-электроды; 3,4-изоляторы; 5 - трансформаторы; 6 - манометр; 7 - сигнальные лампы; 8 - распределительная головка; 9 - измерительное стек-ло. 

Недостатком вертикальных электродегидраторов, приведшим к их вытеснению более современными конструкциями, является низкая производительность, недостаточно высокая температура обессоливания. Из-за низкой производительности на установках ЭЛОУ приходилось соединять параллельно 6-12 аппаратов. На мощных электрообессоливающих установках, построенных в 1955-1970 гг., применяются шаровые электродегидраторы емко­стью 600 м3 и диаметром 10,5 м. Производительность такого дегидратора (рис. 6) равна 300-500 м3/ч. Принцип его действия тот же, что и вертикального аппарата, но вместо одного стояка с рас­пределительной головкой для ввода сырья и одной пары электро­дов в шаровом электродегидраторе их по три.

Подпись:  

Рис. 6. Шаровой электроде-гидратор: 
1-трансформатор; 2, 4-распределительные головки ; 3 - эле ктрод; 5 - штуцер для вывода обес-соленной нефти; 6-штуцер для ввода сырой нефти; 7-штуцер для дрена-жа.
Шаровые дегидраторы имеют в 10-15 раз большую произво­дительность, чем вертикальные, но они громоздки и трудоемки в изготовлении. Кроме того, они не могут эксплуатироваться при высоком давлении. Повышение расчетного давления электродегидратора привело бы к большому перерасходу металла на аппарат.

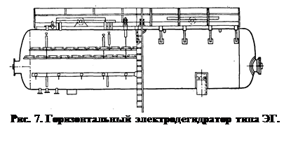
За последние годы в нашей стране и за ее пределами получили распространение горизонтальные электродегидраторы. Конструк­ция такого аппарата, рассчитанного на давление до 18аг и тем­пературу процесса 140-160°С, приведена на рис. 7. Горизонталь­ные электродегидраторы имеют диаметр 3-3,4 н и объем 80 и 160 м3. Повышение расчетного давления и температуры играет большую роль, так как позволяет проводить глубокое обезвожи­вание и обессоливание трудно обессоливаемых нефтей.

Электроды в горизонтальном электродегидраторе расположены почти посредине аппарата. Они подвешены горизонтально друг над другом. Расстояние между ними составляет 25-40 см.

Ввод сырья в горизонтальный электродегидратор осуществля­ется через-расположенный вдоль аппарата горизонтальный маточ­ник. Поступая в аппарат, нефть попадает в слой отстоявшейся воды, а затем - в зону под электродами, в межэлектродное про­странство, и, наконец, в зону над электродами. В верхней части дегидратора располагаются выкидные коллекторы обработанной нефти. Достоинством этой конструкции является большой путь движения нефти и время ее пребывания в аппарате, так как ввод сырья расположен значительно ниже, чем в других электродегидраторах. При этом улучшаются условия отстаивания воды.

Кроме того, в горизонтальном электродегидраторе крупные частицы воды выпадают из нефти еще до попадания в зону силь­ного электрического поля, расположенную в межэлектродном про­странстве. Поэтому в нем можно обрабатывать нефть с большим содержанием воды, не опасаясь чрезмерного увеличения силы тока между электродами.

Подпись:  
Рис. 7. Горизонтальный электродегидратор типа ЭГ. 



Сравнение эффективности электродегидраторов различной кон­струкции показывает несомненные преимущества горизонтальных аппаратов. Удельная производительность последних в 2,6 раза больше, чем шаровых, а удельный расход металла - на 25% меньше.

Режим обессоливания. Температура и давление про­цесса обессоливания во многом зависят от конструкции аппарата. Большое значение имеют свойства обессоливаемой нефти. Многие нефти хорошо обессоливаются при 70-90°С. Однако для таких нефтей, как ромашкинская, особенно в тех случаях, когда они поступают с промыслов плохо подготовленными, приходится повы­шать температуру обессоливания до ПО-160°С. Повышение тем­пературы обессоливания увеличивает электрическую проводимость и силу тока, усложняет условия работы изоляторов.

Важное значение имеет равномерная подача в нефть деэмульгатора. Расход деэмульгаторов на ЭЛОУ составляет: НЧК-ог 500 до 5000 а/т, ОЖК-от 20 до 60 а/г. ОП-10 - от 35 до 50 г1т нефти. Деэмульгатор НЧК подается в нефть в чистом виде, а неионогенные деэмульгаторы - в виде 2-5%-ных водных растворов.

В нефть также подается щелочь, которая необходима для созда­ния при обессоливании нейтральной или слабощелочной среды. В такой среде ускоряется процесс деэмульсации, уменьшается сила тока в электродегидраторах и коррозия аппаратуры. Расход щелочи составляет до 50 г/т нефти.

2. Характеристика исходного сырья

Добываемая из скважин эмульсия представляет собой многофазную систему, состоящую из нефти, пластовой воды и попутных нефтяных газов. Нефть представляет собой  химически сложную компонентную смесь, состоящую из  метановых, нафтеновых, ароматических групп углеводородов.


Физико-химические свойства нефтей.           Таблица 1.

п\п

Наименование

показателей

Месторождения

Комарьинское Солкинское Западно-Солкинское

Быстринс

кое

Вачемское Карьяунское
1.

Плотность, кг/м3по ГОСТ 39000-85

878 878 872 862-914 903 915
2.

Вязкость кинематическая, кв2/с (сет) по ГОСТ 33-82:

при 20 °С

при 50 °С

26,28

14,71

32,37

10,09

21,22

7,27

43,6

25,6

69

20

116,68

26,55

3.

Содержание в нефти, % масс. воды, ГОСТ 2477-65:

солей, мг/л ГОСТ21534-76

серы по ГОСТ 1437-75

парафина по ГОСТ 11851-86

смол по ГОСТ 11858-66

асфальтенов по ГОСТ 11858-66

меркаптанов

сульфида железа

мех.примесей по ГОСТ 11858-66

85-90

230

1,23

19,33

4,10

0,01661

0,0205

86-90

115,14

1,4

4,4

8,3

3,35

0,0034

0,01153

85-90

58,96

0,99

3,04

3,5

3,07

0,00292

0,0227

60,0-85

3447,4

0,9-2,3

2,4-5,2

4,8-12,8

1,8-4,2

0,08

40,0-65

3950

1,3

2,4

7,6

3,0

0,2348

15,0-30

186,43

-

2,5

15,84

1,98

0,0191

4.

Фракционный состав по ГОСТ 2171-82, % от начала кипения:

            до 100 °С

            до 200 °С

            до 300 °С

            до 350 °С

90

1,0

19,0

26,7

75

2,0

23,0

36,3

87

1,4

20,0

40,0

86

4,5

12,0

47,0

86

6,0

15,0

30,0

97

0,8

5,4

17,8

5. Температура застывания, ГОСТ 20287-74 -10 -2 -4 -30,0 -30,0 -
6. Температура вспышки, ГОСТ 6356-75 38 36 28-35 24-37 37

Физико-химические свойства попутных  газов.                       Таблица 2

п\п

Наименование

показателей

Месторождения

Комарьинское Солкинское Западно-Солкинское

Быстринс

кое

Вачемское Карьяунское
1.

Плотность, кг/м3

0,772 0,801 0,7601 0,772 0,720 0,6817
2.
Состав газа по ГОСТ 13379-77, %:

СO2

азот, N2

метан, CH4

этан, С2Н6

пропан, C3H8

п-бутан, п-C4H10

изобутан, и-C4H10

0,2

1,5

92,0

2,5

2,3

0,32

1,8

88,09

2,54

3,55

0,88

1,62

0,28

0,83

83,52

2,84

5,31

1,50

3,13

75,5-96,8

0,56-7,2

0,31-9,38

0,52-3,92

0,2

0,22

96

1,0

0,65

1,2

0,36

0,30

98,65

0,18

0,23

0,01

0,23

3.

Газовый фактор, м3/т

41,0 47,0 25,0 42,0-71,0 49,0 -
4.

Теплотворная способность

газа, Q, ккал/м3

- - 8686,18 8580,24 8670,52 8022,83

Физико-химические свойства пластовых  вод.                         Таблица 3

п\п

Наименование

показателей

Месторождения

Комарьинское Солкинское Западно-Солкинское

Быстринс

кое

Вачемское Карьяунское
1.

Плотность по ГОСТ 3900-85, кг/м3

1011,5 1004 1010,5 1003,8 1012 1011
2. pH пластовых вод 7,2 7,2-7,4 7,4-7,6 7,0-8,5 7,5 7,8
3.

Ионный состав воды, мг/л:

           

60,0 12,0 36,0 - - -

           

254,2-360 268,4 305,0 293-2600 600 1281

           

9,3 3,0 3,4 - - 1,01

           

8801,7 6369,4 9304,2 7910,4 9300 8491

           

184-200 218,4 214,4 144-263,5 200 220,4

           

48,8-15,0 42,7 58,6 - 16 36,5

           

5025,5 3914,6 5825,9 5324,2 - 5663,1
4.

Массовая доля железа, мг/дм3

0,98-25,0 0,27 0,55 0,65-30,0 15 4,3
5. Содержание взвешенных частиц, мг/л 50 45 53 20,0-220,0 6,1-160 -
6. Вязкость, сСт. 13,6 10,8 15,7 - - -

В нефти содержатся в небольших количествах смолы, асфальтены и растворенные в них в разных количествах газы: азот, сероводород, окись углерода и другие, а также пластовая вода в зависимости от обводненности нефтяной эмульсии с растворенными в ней минеральными солями. По внешнему виду нефть представляет собой маслянистую жидкость от светло-коричневого до почти черного цвета. Содержание тех или иных компонентов могут различаться даже в несколько десятков раз, поэтому нефти добываемые с разных месторождений смешиваются. И таким образом получается сырье с почти постоянными физико-химическими свойствами.

Физико-химические свойства  нефтей Комарьинского, Солкинского, Западно-Солкинского, Быстринского, Вачимского, Карьяунского месторождений представлены в таб. 1. Физико-химические свойства газов и пластовых вод преведены в таб.2 и таб.3.

3. Технологическая схема первичной подготовки нефти

3.1. Описание технологического процесса установки подготовки нефти (УПН)

3.1.1. Описание технологической схемы

           

Технологический процесс установки подготовки нефти (УПН) осуществляется по следующей схеме (рис 8). Частично обезвоженная нефть с обводненностью до 20%, температурой 35-45 °С и под давлением  0,14-0,2 МПа с установки УПСВ”Б” поступает в сепараторы С1-С3 для разгазированния нефти.

Сепараторы оборудованы приборами измерения уровня жидкости, дав­ления, предельного уровня жидкости. Давление в сепараторах контролируется прибором МС-П2. Показания давления снимаются с вторичного прибора ПВ 101.Э, установленного на щите операторной. По месту давление в сепараторах контролируется по техническому манометру. Пределы регулирования давления в сепараторах С1-С3 до Р=0,00-0,0105 МПа. Уровень жидкости в сепараторах контролируется механическими уровнемерами и уровнемерами УБ-ПВ и регулируется пневмоклапанами типа “ВЗ”,установленнымина трубопроводах по выходу нефти из каждого аппарата. Показания приборов УБ-Пв выводятся на вторичные приборы ПВ-101.Э уста­новленные  на щите операторной. Предельно-допустимый уровень в сепарато­рах контролируется прибором СУС-И. Предупредитель­ная сигнализация  срабатывает: по давлению при Рmax=0,015 МПа; по уровню жидкости при Hmin=0,7 м и Hmax=1,9 м. Аварийная сигнализа­ция по уровню жидкости срабатывает при Нmax=2,1 м.

Разгазированная в сепараторах С 1-3 нефть через узел переключений задвижек поступает в технологические резервуары РВС-10000 №№ 2,4. Резервуары оборудованы приборами: замера уровня жидкости,контроля пре­дельного верхнего уровня жидкости.межфазного уровня жидкости “вода-нефть”. Замер уровня жидкости в резервуарах производится по месту прибором УДУ-10. Контроль предельно-допустимого уровня жидкости в резервуарах осуществляется прибором СУС-И, сигнал от которого выведен на световое табло щита операторной. Предупредительная сигнализация срабатывает при уровне жидкости Hmax=10,5 м.


Контроль межфазного уровня “вода-нефть” осуществляется механическими фазоискателями специальной конструкции. Пределы регулирования межфазного уровня “вода-нефть”  в пределах   H=2,0-3,5 м.

В резервуарах №№ 2,4 происходит дальнейшее обезвоживание нефти путем гравитационного отстоя. Отстоявшаяся в резервуарах нефть с обводненностью до 10% по трубопроводу (“нефтяной стояк”) с высоты Н=4,5 м. поступает на технологические насосы ЦНС 300х120.

Насосы ЦНС 300х120 снабжены приборами контроля давления - по входу техническим манометром и ЭКМ ВЭ16РБ по входу; температуры подшипников насоса и элктродвигателя; утечки сальников. Утечка сальников насосов контролируется прибором ДУЖЭ-200М. Сигнал от прибора выведен на световое табло щита операторной. Срабатывает  сигнализация и блокировка работы насосов: по давлению при Pmin= 0,9 МПа и Pmax= 1,3 МПа; температуре подшипников Tmax=70°С; предельно-допустимом уровне жидкости в стакане Hmax=0,1 м. В поток нефти на прием насосов ЦНС 300х120 через задвижки подается дозируемый расход реагента-деэмульгатора в количестве 20-35 г/тонну в зависимости от марки реагента. Поступившая на насосы ЦНС 300х120 нефть откачивается в общий коллектор перед печами - нагревателями ПТБ-10 №№ 1-4.

Нефть с установок  УПС”є и УПСВ”2а” с обводненностью до15%, температурой 20-30°С и под давлением до 0,8 МПа, поступает также в общий коллектор перед печами ПТБ-10. В поток нефти перед коллектором подается дозируемый расход реагента-деэмульгатора в количестве 20-35 г/т.

Поступившая в коллектор нефть с установок УПС”є,УПСВ”2а” и выкида насосов ЦНС 300х120 смешивается и равномерно распределяется по печам-нагревателям, где нагревается  до температуры t=45-50°С. Расход нефти через печь ПТБ-10 контролируется прибором  расходомером типа “Норд-ЭЗМ”  (печи ПТБ-10 №№ 1,2) и типа “Турбоквант” (печи №№ 3,4), установленным на трубопроводе выхода нефти из печи. Показания расходомера выведены на вторичный прибор КСУ2 и прибор идентичного типа, установленные в БУСе. Температура нефти на выходе из печи контролируется прибором ТСМ. Показания прибора выводятся на вторичный прибор КСМ2, установленный в БУСе и дублируется прибором КСМ2 на щите операторной. Температура дымовых газов контролируется прибором ТХА. Показания прибора выводятся на вторичный прибор КСП4, установленный в БУСе.

Давление нефти в трубопроводе на входе в печь контролируется ЭКМ ВЭ16РБ и техническим манометром. Сигнал от ЭКМ выводится в БУС. Стабильное давление газа на горелках печи поддерживается регулирующим клапаном РДБК, установленным в ГРУ печи. Для отключения газа на горелки печи, при отклонении его давления от  заданных  пределов, в ГРУ установлены пневматические клапаны-отсекатели, (печи № 3-4) и гидравлические клапаны-отсекатели КОГ (печи № 1-2), срабатывающие при Рmax=0,05 МПа и Рmin=0,005 МПа. Контроль пламени на горелках печи осуществляется прибором ПУИ-1. Во избежание аварийных ситуаций предусмотрена система блокировок по остановке печи по следующим параметрам:

·     температуре нефти на выходе из печи, при tmax=60°С;

·     давлению нефти в подводящем трубопроводе, при Рmin=0,2 МПа и Рmax=0,8 МПа;

·     расходу нефти через печь, при Qmin=300 м3/час;

·     температуре дымовых газов на выходе из печи, при tmax=600-650°С;

·     давлению газа на горелки печи, при Рmin=0,005 МПа и Рmax=0,05 МПа;

·     давлению воздуха на горелки печи, при Ну=500 мм.вод.ст.;

·     давлению воздуха на приборы КИП печи при Рmin=0,1 Мпа;

·     контролю пламени на горелках печи.

Для аварийного отключения подачи газа на печь на газопроводе установлена электроприводная задвижка. Нагретая в печах-нагревателях ПТБ-10 №№ 1-4 до температуры 45-50°С нефть поступает в электродегидраторы №№ 1-4, где происходит обезвоживание и обессоливание нефти. Электродегидраторы горизонтального типа.

Оборудованы электродегидраторы приборами: контроля электрического тока в фазах “А”, ”С” внешней цепи, межфазного напряжения внешней цепи; контроля и регулирования давления, межфазного уровня ”вода-нефть”. Электрический ток в каждой фазе контролируется отдельным амперметром, установленным на щите в операторной. Пределы контролирования тока  J=0-240А. Межфазное напряжение внешней цепи контролируется вольтметрами, установленными на щите операторной. Пределы измерения напряжения U=0-500 В. Давление жидкости в электродегидраторах контролируется техническими манометрами и приборами МС-П2 показания от которых выводятся на вторичный прибор ПВ- 10.1Э, установленный на щите операторной. Регулируется давление пневматическими клапанами типа “В3”, установленными на трубопроводах выхода нефти из каждого электродегидратора. Пределы регулирования давления в электродегидраторах Р=0,3-0,8 МПа. Уровень раздела фаз “вода-нефть”  контролируется механическими пробозаборными устройствами и приборами УБ-ПВ. Показания приборов выведены на вторичные приборы ПВ 10.1Э, установленные на щите операторной. Регулируется уровень раздела фаз пневмоклапанами типа “ВО”, установленными на трубопроводах выхода воды из электродегидраторов. Пределы регулирования уровня раздела фаз Н=0,5-1,3 м.

Во избежание аварийных ситуаций и безопасного ведения технологического процесса предусмотрена система блокировок по остановке электродегидратора в следующих случаях:

·     при повышении электротока во внешних фазах цепи, Jmax>240А;

·     при коротком замыкании цепи электротока в трансформаторе;

·     при разгерметизации проходных изоляторов и утечке масла из узла ввода высокого напряжения;

·     при выделении газа из нефти в электродегидраторе;

·     при повышении давления в электродегидраторе Рmax>0,8 МПа;

·     при открытой двери на площадке обслуживания трансформатора;

·     при минимальном давлении воздуха на приборы КИП, Рmin<0,1 МПа.

Аварийная сигнализация срабатывает:

·     при повышении электротока во внешних фазах, Jmax=240А;

·     по межфазному уровню при Нmax>1,3 м.;

·     по давлению при Рmax>0,8 МПа;

·     при превышению уровня масла в узлах ввода фаз “А” и “В”;

·     при разгерметизации проходных изоляторов и утечке масла из узлов ввода фаз  “А” и “В”;

·     при выделении газа из нефти в электродегидраторе.

При срабатывании аварийной сигнализации на щите операторной загорается световое табло с указанием параметра, по которому произошло срабатывание.

Обезвоженная нефть с обводненностью до 1% и температурой t=44 - 49°С из электродегидраторов ЭГ1-ЭГ4 поступает в сепараторы “горячей сепарации” С 4-6, объемом V=100 м3 каждый, для дальнейшего разгазирования нефти. Сепараторы оборудованы приборами измерения и контроля уровня жидкости в аппарате, давления, предельно-допустимого уровня жидкости. Давление в сепараторах контролируется техническими манометрами и приборами МС-П2. Показания приборов выводятся на вторичные приборы ПВ10.1Э, установленные на щите операторной. Пределы регулирования давления Р=0,0-0,005 МПа. Уровень жидкости в сепараторах контролируется механическими уровнемерами и приборами УБ-ПВ. Показания приборов УБ-ПВ выводятся на вторичные приборы ПВ 10.1Э, установленные на щите операторной. Регулируется уровень жидкости пневмоклапанами типа “ВЗ”, установленными на линиях выхода жидкости из препараторов. Пределы регулирования уровня жидкости Н=0,7-1,7 м. Предельно-допустимый (аварийный) уровень жидкости в сепараторах контролируется приборами СУС-И. Сигнал от приборов выведен на световое табло щита операторной.

Предупредительная сигнализация срабатывает по давлению при Рmax=0,005 МПа, по уровню жидкости в сепараторах при Нmin=0,7 м и Нmax=1,7 м. Аварийная сигнализация по уровню жидкости  в сепараторах срабатывает при Нmax=2,0 м. Разгазированная нефть из сепараторов С4-С6 поступает в товарные резервуары РВС-10000 № 1,3 УПН и РВС-5000 №№ 1-2 УПСВ”Б”, откуда насосами ЦНС 300х360,насосной внешней откачки, откачивается на ФКСУ (ЦКПН НГДУ “Федоровскнефть”).

Газ после сепаратора С-3 УПСВ”Б” поступает в сепаратор ГС-3,где происходит улавливание капельной жидкости и конденсата. Газосепаратор оборудован приборами контроля давления, уровня жидкости. Давление в газосепараторе ГС-3 контролируется техническим манометром. Верхний и нижний уровень жидкости контролируется приборами СУС-1, сигнал от  которых выведен на щит в котельную. Срабатывает предупредительная сигнализация по уровню жидкости при Нmin=0,5 и Нmax=1,0 м. Уловленный в газосепараторе конденсат и жидкость дренируется в подземную емкость ЕП-13, откуда при помощи насосного агрегата ЦА-320 откачивается в автоцистерну.

Газ из газосепаратора ГС-3 поступает в газосепаратор ГС-4 где происходит дополнительное отделение влаги от газа. Газосепаратор оборудован приборами контроля и измерения давления, уровня жидкости. Уровень жидкости в газосепараторе контролируется прибором УБ-ПВ. Показания прибора выводятся на вторичный прибор ПВ 10.1Э, установленный на щите операторной. Пределы измерения уровня Н=0,5-1,0 м. Давление в газосепараторе контролируется техническим и электроконтактным манометром ВЭ16РБ, а также прибором 13ДИ30. Показания прибора выводятся на вторичный прибор ПКР , установленный на щите операторной. Пределы поддержания давления в газосепараторе Р=0,15-0,3 МПа.

Из газосепаратора ГС-4 газ по отдельным трубопроводам поступает на печи ПТБ-10 № 1-2 и ПТБ-10 № 3-4. На трубопроводах установлены диафрагмы, для измерения количества газа подаваемого на печи. Показания диафрагм через преобразователи давления 13ДД11, выведены на вторичные приборы РПВ.4, установленные на щите операторной. Уловленные в газосепараторе конденсат и жидкость дренируются в подземную емкость ЕП-8.

Газ из сепараторов С 1-6 поступает на газокомпрессорную станцию. При поподании газового конденсата и капельной жидкости в газопровод (повышении давления в газопроводе и сепараторах и падении давления в газопроводе на приеме газокомпрессорной) предусмотрен дренаж жидкости из газопровода в подземные емкости ЕП-4,12. При остановке газокомпрессорной станции газ из сепараторов С1-С6, операторами компрессорной станции, переводится на факел низкого давления (ФНД-II), где сжигается. На газопроводе перед факелом,для улавливания капельной жидкости и газового конденсата, из трубы диаметром 720 мм и длиной L=8,0 м, смонтирован “сепаратор-расширитель” С-8. Уловленная в сепараторе-расширителе С-8 жидкость дренируется в ЕП-7.

Газ из установки УПСВ”Б” по отдельному газопроводу через сепаратор-расширитель С-7,смонтированный из трубы диаметром 720 мм, длиной 8,0 м и предназначенный для улавливания конденсата и жидкости, находящихся в газе, поступает на факел высокого давления (ФВД-I), где сжигается. Уловленная в “сепараторе-расширителе” С-7 жидкость дренируется в подземную емкость ЕП6.

Подтоварная вода с электродегидраторов ЭГ 1-4 через задвижки поступает в технологические резервуары РВС-10000 №№ 2,4 УПН. При необходимости предусмотрена подача подтоварной воды с электродегидраторов ЭГ 1-4 через задвижку на прием технологических насосов ЦНС 300х120 УПН и в очистные резервуары РВС-5000 № 3-6 УПСВ”Б”. Подтоварная вода с технологических и товарных РВС-10000 УПН поступает на прием внутрипарковых насосов ЦНС 180х170 и откачивается в очистные резервуары РВС-5000 №№ 3-6 УПСВ”Б”.

Насосы ЦНС 180х170 оборудованы приборами контроля давления - по входу нефти техническим манометром и ЭКМ ВЭ16РБ по выходу; температуры подшипников насоса и электродвигателя; утечки жидкости через сальниковые уплотнения. Утечка жидкости через сальники насосов контролируется прибором ДУЖЭ-200М. Сигнал от прибора выведен на щит операторной. Срабатывает сигнализация и блокировка работы насосов: по давлению при Рmin=1,4МПа и Рmax= 1,9 МПа; температуре подшипников Тmax=70°С; предельно-допустимом уровне жидкости в стакане Нmax=0,1 м.

Нефтяная  “пленка” с очистных резервуаров РВС-5000 № 3-6, а также водная “подушка” с товарных резервуаров РВС-5000 № 1-2 УПСВ”Б” поступает на прием насосов ЦНС 180х170 и откачивается:

·     в технологические резервуары РВС-10000 №№ 2,4;

·     на прием сырьевых насосов УПН ЦНС 300х120.

При необходимости  раскачки одного из технологических или товарных резервуаров РВС-10000 №№ 1-4 нефть поступает на прием внутрипарковых насосов ЦНС 180х170 и откачивается:

·     в работающие резервуары РВС-10000 № 2,4;

·     на прием сырьевых насосов ЦНС 300х120.

Сброс с предохранительных клапанов СППК, сепараторов С 1-6, газосепаратора ГС-4 через “сепаратор-расширитель” С-8 осуществляется на факел низкого давления (ФНД).

Сброс с предохранительных клапанов электродегидраторов ЭГ1-ЭГ2, буферных емкостей БЕ1-БЕ2 осуществляется в газосепаратор ГС-1, сброс с предохранительных клапанов электродегидраторов ЭГ3-ЭГ4, буферных емкостей БЕ3-БЕ4 осуществляется в ГС-2. Газосепараторы ГС1-ГС2 оборудованы приборами контроля верхнего предельного уровня жидкости, давления. Давление в газосепараторах ГС1-ГС2  контролируется техническим манометром. Верхние предельно-допустимые уровни жидкости в газосепараторах контролируются приборами   УБ-ПВ.  Сигналы от приборов выведены на световое табло щита операторной и срабатывают при высоте уровня жидкости Нmax=1,8 м. Газ с газосепараторов ГС1-ГС2 через “сепаратор-расширитель” С-7 поступает на факел высокого давления (ФВД).

Жидкость дренируется:

·     с газосепаратора ГС-1 в подземную емкость ЕП-4;

·     с газосепаратора ГС-2 в подземную емкость ЕП-12.

Освобождение сепараторов С1-С3, электродегидраторов ЭГ1-ЭГ2, буферных емкостей БЕ1-БЕ2, насосов ЦНС 300х120 №№ 1-5 для проведения ремонтных работ, а также дренаж  утечек сальниковых уплотнений насосов осуществляется в подземные емкости ЕП2-ЕП3.

Освобождение сепараторов С4-С6, электродегидраторов ЭГ3-ЭГ4, буферных емкостей БЕ3-БЕ4, насосов ЦНС 300х120 №№ 6-10 для проведения ремонтных работ, а также дренаж утечек сальниковых уплотнений насосов производится в подземные емкости ЕП10-ЕП11.

Освобождение от нефти змеевиков печей ПТБ-10 осуществляется:

·     ПТБ-10 №№ 1-2 в подземную емкость ЕП-1;

·     ПТБ-10 №№ 3-4 в подземную емкость ЕП-9.

Дренаж газового конденсата уловленного в газосепараторе ГС-4 осуществляется в подземную емкость ЕП-8. Освобождение от жидкости насосов ЦНС 180х170 №№ 1-3 и дренаж утечек сальниковых уплотнений насосов осуществляется в подземную емкость ЕП-5. Дренаж газового конденсата и жидкости с  газосепаратора ГС-3 производится в подземную емкость ЕП-13.

Стоки промышленно-ливневой канализации поступают в подземные емкости ЕП14-ЕП15. Подземные емкости оборудованы механическими уровнемерами и приборами замера уровня жидкости:

·     емкости ЕП1-ЕП5 - приборами УБ-ПВ;

·     емкости ЕП6-ЕП7 приборами ДУЖЭ-200М;

·     емкости ЕП9-НП12 приборами УБ-ПВ;

·     емкости ЕП14-ЕП15 приборами УБ-ПВ.

Показания приборов замера уровня жидкости подземных емкостей ЕП1-ЕП4 и ЕП9-ЕП12  выведены на вторичные приборы ПКР и РПВ, установленные на щите операторной. Сигнал от приборов замера уровня жидкости подземных емкостей ЕП5-ЕП7 и ЕП14-ЕП15 выведен на световое табло щита операторной.

Пределы регулирования уровня жидкости подземных емкостей:

·     ЕП1-ЕП4 - Н=0,5-1,8 м;

·     ЕП5-ЕП8  - Н=0,5-1,5 м;

·     ЕП 9-ЕП12 - Н=0,5-1,8 м;

·     ЕП13-ЕП15 - Н=0,5-1,7 м.

Предупредительная сигнализация по уровню жидкости в емкостях срабатывает:

·     ЕП1-ЕП4 при Нmin=0,5 м и Нmax=1,8 м;

·     ЕП5 при Нmin=0,5 м и Нmax=1,5 м;

·     ЕП6-ЕП7 при Нmax=1,5 м;

·     ЕП9-ЕП12 при Нmin=0,5 м и Нmax=1,8 м;

·     ЕП14-ЕП15 при Нmin=0,5 м и Нmax=1,7 м.

Жидкость с подземных емкостей погружными насосами откачивается:

·     с емкостей ЕП1-ЕП4 в трубопровод выхода подтоварной воды с электродегидраторов ЭГ1-ЭГ2;

·     с емкостей ЕП5 на прием насосов ЦНС 300х120 №№ 1-5;

·     с емкостей ЕП6-ЕП7 в  технологические РВС-10000 № 1-4;

·     с емкостей ЕП9-ЕП12 в трубопровод выхода подтоварной воды с электродегидраторов ЭГ 3-4;

·     с емкостей ЕП8 и ЕП13 агрегатом ЦА-320 в автоцистерну и сливается в илонакопитель установки УПСВ”Б”.

Газ с подземных емкостей поступает:

·     с ЕП1-ЕП3 на факел низкого давления (ФНД);

·     с ЕП4   на факел высокого давления (ФВД);

·     с ЕП9-ЕП11 на факел низкого давления (ФНД);

·     с ЕП12 на факел высокого давления.

3.1.2. Резервная схема работы

Нефть с установки УПСВ”Б” поступает в буферные емкости БЕ1-БЕ2. В поток нефти перед буферными емкостями подается дозируемый расход реагента-деэмульгатора (рис. 9).

Буферные емкости оборудованы приборами измерения уровня жидкости, давления, предельного уровня жидкости.

Давление в буферных емкостях контролируется техническими манометрами и приборами МС-П2. Показания давления выведены на вторичные приборы ПВ10.1Э, установленные на щите операторной. Регулируется давление в буферных емкостях пневматическим клапаном типа “ВЗ”, установленным на общей линии выхода газа с буферных емкостей. Пределы регулирования давления в буферных емкостей Р=0,05-0,2 МПа.

Уровень жидкости в буферных емкостях контролируется механическими уровнемерами и уровнемерами УБ-ПВ и регулируется пневматическими клапанами типа “ВЗ”, установленными на трубопроводах по выходу нефти с каждой буферной емкости. Показания приборов УБ-ПВ выведены на вторичные приборы ПВ 10.1Э, установленные на щите операторной. Пределы регулирования уровня жидкости в буферных емкостях Н=0,7-1,7 м.

Предельно-допустимые уровни жидкости в емкостях контролируются приборами СУС-2И. Сигнал от приборов СУС-2И выведен на световое табло щита операторной.

Предупредительная сигнализация срабатывает:

·     по давлению при Рmin=0,05 МПа и Pmax=0,2 МПа;

·     по уровню жидкости при Нmin=0,7 м и Нmax=1,7 м.

Аварийная сигнализация по уровню жидкости в буферных емкостях срабатывает при Нmin=0,6 м и Нmax=2,0 м.

С буферных емкостей нефть поступает на насосы ЦНС 300х120 № 1-5 которыми откачивается в общий коллектор перед печами ПТБ-10 № 1-4. В тот же коллектор через задвижки поступает нефть с установок УПС”є и УПСВ”2а”.

С коллектора нефть поступает в печи ПТБ-10 №№ 1-4, где подогревается. После печей нефть поступает в электродегидраторы ЭГ1-ЭГ4, где происходит обезвоживание и обессоливание нефти.

Нефть с электродегидраторов ЭГ1, ЭГ2 поступает в сепараторы С1-С3, а с электродегидраторов ЭГ3-ЭГ4 в сепараторы С4-С6, где происходит разгазирование нефти.

С сепараторов С1-С6 нефть поступает в товарные резервуары РВС-10000 № 1,3 УПН и РВС-5000 №1, №2 УПСВ”Б”, откуда насосами внешней откачки ЦНС 300х360 через узел учета нефти откачивается на ЦКПН НГДУ “ФН”.

3.1.3. Схема приготовления и закачки реагента-деэмульгатора

Для подачи реагента-деэмульгатора  в поток нефти на установке  УПН используются четыре блока БР-25-УI , оборудованные емкостями объемом V=6 м3 для хранения реагента каждый. Для хранения отечественного реагента-деэмульгатора на установке смонтированы три емкости объемом по V=50 м3. Блоки БР-25-УI оборудованы дозировочными насосами типа НД I-2,5\40 – 2 шт,    НД 2,5-1000\10 – 1 шт. и шестеренчатым насосом Ш 5-25-3,6\1Б-1 – 1 шт.

Шестеренчатый насос Ш 5-25-3,6\1Б-1 предназначен для закачки рагента-деэмульгатора в емкости для хранения, приготовления смеси реагентов в самих емкостях и опорожнения емкостей.

Реагент на установку завозится:

·     отечественный автоцистернами и скачивается шестеренчатым насосом Ш 5-25-3,6\1Б-1 в емкости объемом V=50 м3;

·     импортный в металлических бочках объемом V=216 л и закачивается в емкости объемом V=6 м3.

В нефтепроводы реагент подается в смеси с нефтью. Приготовление смеси реагента и его подача осуществляется по следующей схеме:

1.    Нефть с трубопроводов перед буферными емкостями БЕ1-БЕ4 подается на прием нефтяных дозировочных насосов НД 2,5-1000\10 реагентных блоков №1-№4. Насосами НД 2,5-1000\10 нефть подается в смесители объемом V=1 л.

2.    Чистый реагент из емкости объемом V=6 м3 поступает на прием дозировочных насосов НД 1-25\40. Насосами реагент подается в смесители,где смешивается с нефтью. Расход реагента-деэмульгатора регулируется ходом плунжера насоса в зависимости от необходимой дозы.

3.    С смесителей смесь реагента-деэмульгатора с нефтью подается в нефтепроводы перед буферными емкостями БЕ1-БЕ4.

3.1.4. Освобождение аппаратов от продуктов и установка заглушек

Освобождение от нефти сепараторов С1-С3, электродегидраторов ЭГ1-ЭГ2, буферных емкостей БЕ1-БЕ2, насосов ЦНС 300х120 №1-№5 для проведения ремонтных работ, а также дренаж утечек сальниковых уплотнений насосов осуществляется в подземные емкости   ЕП2, ЕП3 по отдельной дренажной системе (рис. 8).

Освобождение от нефти сепараторов С4-С6, электродегидраторов ЭГ3-ЭГ4, буферных емкостей БЕ3-БЕ4, насосов ЦНС 300х120 № 6-10 для проведения ремонтных работ,  а также дренаж утечек сальниковых уплотнений насосов осуществляется в подземные емкости ЕП10, ЕП11 по отдельной дренажной системе.

Освобождение от нефти змеевиков печей-нагревателей ПТБ-10 осуществляется:

·     ПТБ-10 № 1-2 в подземную емкость ЕП-1;

·     ПТБ-10 № 3-4 в подземную емкость ЕП-9.

Освобождение от жидкости газосепаратора ГС-4 осуществляется в подземную емкость ЕП-8.Освобождение от нефти газосепараторов ГС1, ГС2 осуществляется:

·    ГС-1 в подземную емкость ЕП-4;

·    ГС-2 в подземную емкость ЕП-12.

Освобождение от газового конденсата газосепаратора ГС-3 производится в подземную емкость ЕП-13. Дренаж утечек сальниковых уплотнений насосов ЦНС 180х170 №1-№3  и освобождение насосов от жидкости для проведения ремонтных работ производится в подземные емкости ЕП 5.

Освобождение резервуаров от жидкости РВС-10000 №1-№4 осуществляется в систему дренажных колодцев по которым жидкость попадает в подземные емкости ЕП14, ЕП15

Установка  стандартных заглушек  на нефтегазосепаратрах, газосепараторах, печах, электродегидраторах, резервуарах, буферных емкостях  и насосах, после освобождения от жидкости, осуществляется на приемо-раздаточных патрубках аппаратов. Схема дренажных трубопроводов, с нумерацией запорной арматуры, установленной на них, совмещена с технологической схемой установки.

Схема установки заглушек и пропарки аппаратов, а также схема дренажной канализации установки прилагается  к регламенту.

3.2. Регламент работы установки подготовки нефти

3.2.1. Общая характеристика цеха УПН

Годы строительства:   I очередь- 1987-1988 гг.

                                      II очередь - 1989-1990 гг.

Годы ввода в эксплуатацию:   I очередь - 1989 г.

                                                    II очередь - 1990 г.

Строительство осуществлялось по проекту института “Гипровосток-нефть” г.Самара.

Генподрядчики:               СУ-81 треста “Сургутнефтепромстрой”,

Субподрядчики:              СУ-4 треста “Тюменьнефтегазмонтаж”,

                                                  МУ-6 треста “Сургутнефтегазэлектромонтаж”,

                                           ПМК-3 объединения “Сибкомплектмонтаж”,

                                           СУ-7 треста “Газмонтажавтоматика”,

                                           СУТиР треста “Спецнефтегазстрой”.

Производительность УПН по обезвоженной нефти – 8,0 млн. т/год.

На установке предусматривается:

·     обезвоживание и обессоливание поступающей нефти до содержания в ней воды 0,2% - 0,5% масс. и содержания солей не выше 40 мг/л;

·     концевая ступень сепарации нефти при давлении до 0,0105 МПа и температуре свыше 40°С;

·     обеспечение суточного запаса сырья и товарной продукции, а также сбор некондиционной нефти;

·     аварийный сброс и сжигание газов на факелах высокого и низкого давления.

Аппаратное оформление УПН.

1.    Буферные емкости: V=100 м3 – 4 шт.

2.    Печи-нагреватели: ПТБ-10 – 4 шт.

3.    Электродегидраторы: ЭГ-200-10-09Г2С “ХЛ” – 4 шт.

4.    Сепараторы концевой ступени сепарации: НГС-II-6-3000-09Г2С – 6 шт.

5.    Резервуары: РВС-10000 – 4 шт.

6.    Нефтяная насосная, блочная: ЦНС-300х120 – 10 шт.

7.    Насосная внутрипарковой перекачки, блочная: ЦНС-180х170 – 3 шт.

8.    Реагентное хозяйство: блок БР-25-У1 – 4 шт.

9.    Емкости для хранения реагента :V=50 м3 – 3 шт.

10.  Газосепараторы: V=16 м3 – 1 шт.

11.  Газосепараторы :V=80 м3 – 2 шт.

12.  Насосная пено-водотушения, блочная.

13.  Емкость хранения пенообразователя: V=100 м3 – 2 шт.

14.  Противопожарные резервуары: РВС-700 – 2 шт.

15.  Компрессорная блочная: компрессора 4ВУ-5\9 – 2 шт.

16.  Факельное хозяйство: факел низкого давления ФНД, факел высокого давления ФВД.

Здания и сооружения:

1.    Административно-бытовой корпус.

2.    Операторная.

3.    Склад пожарного инвентаря, блочный.

Резервуары установки оборудованы пенокамерами ГВПС-2000, кольцами орошения.

Установка оборудована стационарной системой пено-водотушения.

Установка оборудована системой противопожарной сигнализации, на вторичные приборы которой, выведена сигнализация о пожаре в БР, нефтяных насосных блоках, на РВС.

На установке имеется запас пенообразователя в объеме 100 м3.

3.2.2. Нормы технологического режима работы УПН

Нормы технологического режима работы установки подготовки нефти определены документами входящими в состав регламента. Нормы включают в себя все условия работы агрегатов и установок, а также технологических условий различных процессов условий (таб. 4).

Технологическая карта установки подготовки нефти. Таблица 4

№ п/п

Наименование процесса,

аппаратов и параметров

Индекс

аппарата

(прибора по схеме)

Ед. измер.

Допускаемые

пределы (технологические

параметры)

Требуемый класс точности приборов Примечание
1 2 3 4 5 6 7

1.

Производительность установки:

по жидкости –"– т/ч 1375 7
по нефти –"– т/ч 950

2.

Сепараторы:

С1-С3
давление –"– МПа 0,0-0,0105 МС-П2
уровень нефти –"– м 0,7-1,9 УБ-ПВ
температура нефти –"– °С 35-45 термометр
обводненность нефти –"– % до 20

3.

Печи-нагреватели ПТБ-10 П1-П4

Температура

нефти после печей –"– °С 45-50 ТСМ-50М
дымовых газов –"– °С до 700 ТХА
топливного газа на горелки –"– °С 20-25
Давление –"–
нефти на входе в печь –"– МПа 0,40-0,80 ЭКМ,МТП
газа после РДБК –"– МПа 0,005-0,05
газа перед ГРУ –"– МПа 0,1-0,25
воздуха перед горелкой печи –"– мм.вод.ст. >500 ДН-400-11
воздуха на приборы КИП печи –"– МПа 0,25-0,6

Расход нефти через печь

–"–

м3/час

>300 Норд-ЭЗМ

Расход реагента-деэмульга.

сепарол,R-11,дисольвана –"– г/т 15
ДПА, прогалита и др. –"– г/т 20-25

4.

Электродегидраторы:

ЭГ1-ЭГ4
давление –"– МПа 0,3-0,8 МС-П2
уровень раздела фаз "в\н" –"– м 0,5-1,3 УБ-ПВ
температура нефти –"– °С 45-50 термометр
обводненность нефти на выходе с ЭГ –"– % <0,5

5.

Сепараторы:

С4-С6
давление –"– МПа 0,0-0,005 МС-П2
уровень нефти –"– м 0,7-1,7 УБ-ПВ
температура нефти –"– °С 35-40 термометр

6.

Буферные емкости:

БЕ1-БЕ4
давление –"– МПа 0,05-0,2 МС-П2
уровень нефти –"– м 0,7-1,7 УБ-ПВ
температура нефти –"– °С 23-30

7.

Газосепаратор: ГС1-ГС2
давление –"– МПа 0,01-0,8 МТП
предельно-допустимый уровень жидкости –"– м 1.8

8.

Газосепаратор: ГС3
давление –"– МПа 0,15-0,3 МТП
уровень жидкости –"– м 0,5-1,0 СУС-1

9.

Газосепаратор: ГС4
давление –"– Мпа 0,15-0,3
уровень жидкости –"– м 0,5-1,0 УБ-ПВ

10.

Технологические резервуары (нефтяные) РВС-10000:

РВС2, РВС4
предельно-допустимая высота взлива –"– м 10.5 СУС-И
уровень  водяной подушки –"– м 2,0-3,5
минимальный рабочий уровень –"– м. 5.3 УДУ-10
максимальная скорость наполнения и опорожнения –"–

м3/час

600

11.

Товарные резервуары

РВС-10000:

РВС1, РВС3
предельно-допустимая высота взлива –"– м 10.5 СУС-И
уровень  водяной подушки –"– м
минимальный рабочий уровень –"– м 5.3 УДУ-10
максимальная скорость наполнения и опорожнения –"–

м3/час

600

12.

Подземные емкости:
уровень  жидкости ЕП1-4 м 0,5-1,8 УБ-ПВ
уровень  жидкости ЕП5-8 м 0,5-1,5 УБ-ПВ, ДУЖЭ
уровень  жидкости ЕП9-12 м 0,5-1,8 УБ-ПВ
уровень  жидкости ЕП13-15 м 0,5-1,7 УБ-ПВ

13.

Технологическая (нефтяная) насосная ЦНС 300х120:

НН1-10
давление на приеме –"– МПа 0,03-0,05 МТП
давление нагнетания –"– МПа 1,0-1,3 ВЭ-16РБ
производительность насоса –"–

м3/час

220-360
температура подшипников –"– °С <70 СТМ

14.

Внутрипарковая насосная

(нефтяная) ЦНС 180х170:

ПН 1-3
давление на приеме –"– МПа 0,03-0,05 МТП
давление нагнетания –"– МПа 1,4-1,9 ЭКМ
производительность насоса –"–

м3/час

130-220
температура подшипников –"– °С <70 СТМ

15.

Воздушная компрессорная:

В'К1-2
давление на компрессоре после I ступени –"– МПа 0,17-0,22
давление на компрессоре после II ступени –"– МПа 0,78-0,8
температура воздуха после I ступени –"– °С <165
температура воздуха после II ступени –"– °С <165

16.

Блоки реагентного хозяйства:

БР1-БР4
давление на выкиде дозировочного насоса НД-25\40 –"– МПа 4
производительность дозировочного насоса НД-25\40 –"– л/час 25
давление на выкиде нефтяного насоса НД-1000\10 –"– МПа 1
производительность нефтяного насоса НД-1000\10 –"– л/час 1000

3.2.3.  Контроль технологического процесса. Система сигнализации и блокировки УПН

Для аналитического контроля ведения технологического процесса установок периодически отбираются пробы нефти, для определения обводненности, на входе на установку, выходе с отстойников или электродегидраторов, узла учета нефти (УУН) после установок, а также отбор проб пластовой воды, для определения остаточного содержания нефтепродуктов после очистных резервуаров, на выкиде насосов 200Д90. Для определения загазованности территории установок производится отбор проб газо-воздушной среды по производственным площадкам и помещениям.

Параметры аналитического контроля. Таблица 5

п/п

Наименование операции процесса, продукта

Место отбора

Контроли-

руемые параметры

Метод контроля

Частота,

периодичность

контроля

1 3 4 5 6 7

1.

Отбор проб нефти На входе на установку Содержание воды в нефти

ГОСТ

2477-65

Каждые 2 часа

2.

Отбор проб нефти

На выходе с

электродегидратора

Содержание воды в нефти

ГОСТ

2477-65

Каждые 2 часа

3.

Замер загазованности

Площадка

электродегид

раторов

Содержание углеводородов в воздухе УГ-2 1 раз в смену

4.

Замер загазованности Площадка печей Содержание углеводородов в воздухе УГ-2 1 раз в смену

5.

Замер загазованности Блоки нефтяных насосов Содержание углеводородов в воздухе УГ-2 1 раз в смену

6.

Замер загазованности Каре резервуаров Содержание углеводородов в воздухе УГ-2 1 раз в смену

7.

Замер загазованности Блоки БРХ Содержание углеводородов в воздухе УГ-2 1 раз в смену

8.

Замер загазованности Площадка буферных емкостей Содержание углеводородов в воздухе УГ-2 1 раз в смену

9.

Замер загазованности Площадка нефтесепараторов С1-С6 Содержание углеводородов в воздухе УГ-2 1 раз в смену

В связи с непрерывностью технологического процесса на установке первичной подготовки нефти предусмотрена система контроля и сигнализации. Система сигнализации и контроля обеспечивает безопасность работы установки, следя за технологическими параметрами процесса и предупреждая об отклонении этих параметров. В таб. 6 приведены технологические параметры, аппараты и узлы, за которыми ведется непрерывный контроль, а система контроля производит срабатывание сигнализации или блокировку процесса при возникновении условий, которые также перечислены в этой таблице.

Граничные параметры системы сигнализации и контроля. Таблица 6

п/п

Технологический параметр

аппарат или узел схемы

Сигнализация

Блокировка

Предупредительная

Аварийная

Min max min max min max
1 2 3 4 5 6 7 8

1.

Сепараторы С1-С3
давление, МПа 0.015
уровень жидкости, м 0.7 1.9 2.1

2.

Буферные емкости БЕ1-БЕ4
давление, МПа 0.05 0.2
уровень жидкости, м 0.7 1.7 0.6 2

3.

Печи ПТБ-10  П1-П5
температура нефти после печей, °С 60 60
температура дымовых газов, °С 700 700
давление нефти в выходящем нефтепроводе, МПа 0.4 0.8 0.4 0.8
Давление газа после РДБК, Мпа 0.005 0.05 0.005 0.05
Давление воздуха на горелки печи, мм.вод.ст. 200 200
давление воздуха на приборы КИПиА печи, МПа 0.1 0.1

расход нефти через печь, м3\час

300 300
давление масла в гидроприводе, МПа 1 1

4.

Электродегидраторы ЭГ1-4
давление, МПа 0.8 0.8
уровень раздела фаз "в\н", м 1.3
электроток во внешних фазах цепи, А 240 240
давление воздуха на приборы КИПиА, МПа
0.1 0.1

5.

Сепараторы С4-С6
давление, МПа 0.005
уровень жидкости, м 0.7 1.7 2

6.

Газосепаратор ГС1-ГС2
уровень жидкости, м 1.8
давление, МПа

7.

Газосепаратор ГС-3
уровень жидкости, м 0.5 1
давление, МПа

8.

Газосепаратор ГС-4
уровень жидкости, м 1
давление, МПа

9.

Технологические резервуары

(нефтяные) РВС-10000 № 2,4

уровень жидкости, м 10.5

10.

Товарные резервуары

(нефтяные) РВС-10000 № 1,3

уровень жидкости, м 10.5

11.

Подземные емкости ЕП 1-15

уровень жидкости, м:

ЕП1-ЕП4 0.5 1.8
ЕП-5 0.5 1.5
ЕП6-ЕП7 1.5
ЕП9-ЕП12 0.5 1.8
ЕП14-ЕП15

12.

Технологические насосы

ЦНС 300х120 № 1-10

давление нагнетания, МПа 0.9 1.3 0.9 1.3
температура подшипников, °С 70 70
уровень жидкости в "стакане", м 0.1 0.1

13.

Внутрипарковые насосы ЦНС 180х170 №1-3

давление нагнетания, Мпа 1.4 1.9 1.4 1.9
температура подшипников, °С 70 70
уровень жидкости в "стакане", м 0.1 0.1

14.

Воздушная компрессорная ВК1-ВК2

давление в ресивере, МПа 0.22 0.6
температура I ступени, °С 165 165
температура II ступени, °С 165 165

15.

Блок реагентного хозяйства БР1-БР4

давление нагнетания насоса НД-25\40, МПа 2 2
давление нагнетания насоса НД-1000\10, МПа 0.9 0.9

3.2.4. Порядок пуска и остановки УПН

Пуск установки  УПН осуществляется в следующем порядке:

·     открывается вход жидкости в сепараторы С1-С3;

·     открывается выход газа из сепараторов С1-С3 на факел ФНД. Происходит заполнение сепараторов;

·     при достижении уровня жидкости в сепараторах С1-С3 Н=0,7-1,0 м открывается выход жидкости из сепараторов и вход жидкости в технологические резервуары РВС-10000 №2,4;

·     происходит заполнение резервуаров. Уровень жидкости в сепараторах поддерживается регулирующими пневмоклапанами в пределах Н=0,7-1,0 м. Давление в сепараторах поддерживается в пределах Р=0,0-0,0105 МПа. Газ сбрасывается на факел ФНД;

·     при достижении взлива нефти, в одном из резервуаров Н=7,0-7,5 м открывается выход жидкости из резервуаров на узел переключений задвижек и далее на прием жидкости на насосы ЦНС-300х120 №1-5;

·     происходит заполнение жидкостью нефтяного трубопровода от резервуаров РВС-10000 №1-4 до насосов ЦНС 300х120 №1-5. Воздух из трубопровода стравливается через вентили-воздушники установленные на насосах и вентили врезанные в верхних точках трубопровода. Стравливание воздуха из трубопровода продолжается до появления жидкости на насосах. Давление жидкости в трубопроводах на приеме насосов должно быть в пределах Р=0,03-0,05 МПа;

·     при появлении жидкости на насосах ЦНС 300х120 №1-5 открывается выход жидкости из печей и на клапанной сборке по перепуску жидкости из трубопровода по выходу жидкости из печей на прием насосов ЦНС 300х120;

·     запускается один из насосов ЦНС 300х120 №1-5, производится заполнение приемных трубопроводов, змеевиков печей  ПТБ-10 №1-4 и трубопроводов по выходу жидкости из печей. Воздух из змеевиков печей и трубопроводов стравливается через вентили врезанные в верхних точках змеевиков и трубопроводов. Циркуляция жидкости через печи производится до полного заполнения змеевиков;

·     при полном заполнении змеевиков печей жидкостью на 5-8 (по длине хода штока) открывается выход жидкости в электродегидраторы ЭГ1-ЭГ4. Воздух из электродегидраторов стравливается в линию выхода нефти из электродегидратора и в линию сброса продукта из СППК в газосепаратор ГС1, ГС2;

·     открывается подача жидкости на прием нефтяного насоса НД-1000\10 БРХ. Стравливается из трубопровода воздух и включается нефтяной насос  НД-1000\10 и дозировочный насос НД-25\40. Производится подача смеси реагента-деэмульгатора и нефти в трубопровод на прием насосов ЦНС 300х120 №1-5. Удельный расход реагента устанавливается в 3-х кратном размере от нормальной нормы согласно технологической карты;

·     при появлении жидкости в трубопроводах по выходу из электродегидраторов открывается вход жидкости в нефтегазосепараторы С4-С6;

·     происходит заполнение сепараторов С4-С6 жидкостью. Открывается выход газа из сепараторов на ФНД;

·     при достижении уровня жидкости в сепараторах С4-С6 высоты Н=0,7-1.0 м открывается выход жидкости из сепараторов и на узле переключений задвижек. Жидкость из сепараторов С4-С6 поступает в трубопровод по выходу жидкости из сепараторов С1-С3 и далее в РВС-10000 № 2,4;

·     уровень жидкости в сепараторах поддерживается регулирующим пневмоклапаном в пределах Н=0,7-1,5 м. Давление в сепараторах поддерживается в пределах Р=0,0-0,0105  МПа;

·     на 25% открываются задвижки по входу и выходу жидкости из электродегидраторов,по входу жидкости в сепараторы С4-С6. Установка нагружается жидкостью;

·     пневматический регулирующий клапан на линии перетока жидкости из трубопровода после печей ПТБ-10 на прием насосов ЦНС 300х120 и  при стабильной работе технологических насосов ЦНС 300х120, закрываются полностью. Весь поток жидкости пускается через установку;

·     перераспределяется расход жидкости по печам из расчета не менее Q=300 м3/час.  При необходимости расход жидкости через остальные печи перекрывается;

·     при устойчивом расходе жидкости, через оставшиеся в работе печи, Q>300 м3/час  производится пуск печей. Температура жидкости на выходе из печей постепенно поднимается до t=35-40 °С;

·     производится пуск электродегидраторов в работу. Ведется постоянный контроль за их работой (появлением межфазных токов);

·     при появлении водной подушки в электродегидраторах открывается выход воды из электродегидраторов в РВС-5000  №№3-6 УПСВ”Б”;

·     отбирается проба нефти на выходе из электродегидраторов на определение обводненности. При обводненности нефти менее 1,0%, нефть поступает в товарные РВС-5000 № 1,2 УПСВ”Б”, а также в товарные РВС-10000 № 1,3 УПН;

·     температура жидкости на выходе из печей поднимается до температуры t=45-50 °С. Снижается удельный расход реагента-деэмульгатора до необходимой нормы. Технологические параметры  работы установки поддерживаются согласно технологической карты;

·     открывая постепенно запорно-регулирующую арматуру на установке и поддерживая технологические параметры согласно технологической карты поднимаем производительность установки до проектной нормы;

·     согласовав действия с оператором газовой компрессорной (радиотелефон “NOKIA”, внутренняя связь цеха) открывается выход газов из сепараторов С1-С3 и С4-С6. Газ переводится из ФНД на газокомпрессорную;

·     при появлении водной подушки в технологических резервуарах РВС-10000 №2,4 выше Н=1,0 м открывается выход воды из резервуаров и  прием жидкости на насосы ЦНС 180х170 №1-3 внутрипарковой насосной (ВПН). Происходит заполнение водяных трубопроводов от резервуаров до насосов ВПН. Воздух стравливается через вентили - воздушки на насосах;

·     при появлении подтоварной воды на насосах ЦНС 180х170 №1-3 и давлении в приемных трубопроводах насосов в пределах Р=0,03-0,05 МПа открывается переток жидкости в резервуары РВС-5000 № 3-6 УПСВ”Б” и в каре РВС-5000 УПСВ”Б”;

·     запускаются насосы ЦНС 180х170 №1-3, открываются выкидные задвижки. Происходит откачка подтоварной воды из технологических резервуаров РВС-1000 № 2,4 УПН в резервуары очистных сооружений РВС-5000 № 3-6 УПСВ”Б”.

Остановка установки. Так как установка УПН состоит из двух  параллельных идентичных технологических линий то остановка двух линий в одно и тоже время нецелесообразна. Для проведения ремонтных и ремонтно-аварийных работ возможна  остановка одной из технологических линий. Другая линия, продолжает работать.

Исключение составляют блоки сепарации сепараторов С1-С3 и С4-С6. Для проведения ремонтных работ на сепараторах возможна остановка каждого из сепараторов при остальных работающих.

Остановка технологических линий осуществляется в следующем порядке:

1.   Постепенно открывается вход жидкости из установок УПСВ”2а” и УПС”є в технологические резервуары РВС-10000 № 2,4 и закрывается вход жидкости из установок УПСВ”2а”, УПС”є на УПН-2 (2 линия).

2.    Для поддержания необходимого расхода через обе технологические линии (далее в тексте УПН-1 - первая технологическая линия и УПН-2 - вторая технологическая линия) и во избежание резкого повышения взливов жидкости в резервуарах  РВС-10000 № 2,4 на УПН-1 включаются дополнительно насосы ЦНС 300х120 № 1-4.

3.    При остановке технологической линии № 2 (УПН-2).

3.1.  Увеличивается удельный расход реагента-деэмульгатора на УПН-1 до нормы соответствующей общему расходу нефти через УПН.

3.2.  Останавливаются печи-нагреватели ПТБ-10 № 3-4 на УПН-2 и запускаются печи ПТБ-10 № 1-2 на УПН-1.

3.3.  Весь поток жидкости переводится через печи-нагреватели ПТБ-10 № 1-2.

3.4.  Останавливаются электродегидраторы ЭГ3-ЭГ4 на УПН-2.

3.5.  Весь поток жидкости переводится через электродегидраторы ЭГ1-ЭГ2 УПН-1.

3.6.  Останавливается БРХ на УПН-2.

3.7.  Подготовка нефти на технологической линии № 1 ведется по цепочке: РВС-10000 № 2,4 è ЦНС 300х120 № 1-5 è ПТБ-10 № 1-2 è ЭГ1-ЭГ2 è С4-C6 è РВС-5000 № 1-2 УПСВ”Б”, РВС-10000 № 1,3 УПН.

4.    При остановке технологической линии № 1 (УПН-1).

4.1.  Увеличивается удельный расход реагента-деэмульгатора на УПН-2 до нормы соответствующей общему расходу нефти через УПН.

4.2.  Останавливаются печи-нагреватели ПТБ-10 № 1-2 на УПН-1. Запускаются в работу печи ПТБ-10 № 3-4.

4.3.  Весь поток жидкости переводится через печи ПТБ-10 № 3-4 УПН-2.

4.4.  Останавливаются электродегидраторы ЭГ1, ЭГ2 УПН-1.

4.5.  Весь поток жидкости переводится через электродегидраторы ЭГ3, ЭГ4 УПН-2.

4.6.  Останавливаются нефтяной и дозировочный насосы НД-1000\1- и НД-25\40 на БРХ УПН-1.

4.7.  Подготовка нефти на технологической линии № 2 (УПН-2) ведется по цепочке: РВС-10000 № 2,4 è ЦНС 300х120 № 1-5 è ПТБ-10 № 3-4 è ЭГ3, ЭГ4 è С4-C6 è РВС-5000 № 1-2 УПСВ”Б”, РВС-10000 № 1,3 УПН.

5. При остановке одного из сепараторов С1-С3 и С4-С6 закрывается вход жидкости на данный сепаратор, выход жидкости из данного сепаратора и выход газа из данного сепаратора.

3.3.Основные правила безопасного ведения технологического процесса

Выполнение следующих правил безопасного ведения процесса, связанных с ним работ исключает возможность аварии, взрывы, пожары, травмирование людей, нарушение технологического режима.

Лица, допускаемые к производству, работ должны быть проинструктированы и обучены безопасным приемам работы, сдать экзамены и иметь при себе соответствующее удостоверение. При введении новых технологических процессов  и методов труда, видов оборудования и механизмов, а также правил и инструкций, должен проводиться дополнительный инструктаж.

Не допускается загромождение и загрязнение производственных площадок, помещений, оборудования, проездов, дорог в местах где запрещен проезд транспорта должны быть вывешены предупредительные надписи и знаки, дренажные и канализационные колодцы должны быть надежно закрытыми или огражденными.

Систематически должны производиться осмотр и проверка производственного  оборудования и своевременный его ремонт согласно графика  ППР. Каждое действующее оборудование, аппараты, сосуды должны быть  оснащены полным комплектом приспособлений, приборов, предусмотренных проектом или ГОСТом.

Не допускается работа производственного оборудования с нарушением параметров, установленных технологической картой или технологическими условиями и инструкциями.

Изменения в технологическую карту (регламент) разрешается вносить только после письменного указания главного инженера предприятия, причем они должны соответствовать рабочим параметрам, указанным в паспорте оборудования.

Эксплуатация трубопроводов, оборудования, аппаратов, сосудов при не герметичности фланцевых соединений или трещин по целому материалу -  запрещается, также не допускается проведение на них любых ремонтных работ при их работе.

Производственные помещения должны быть обеспечены вентиляцией, создающей в зоне пребывания рабочих  состояние воздушной среды, соответствующее санитарным нормам. Эффективность вентиляционных установок  проверяется систематически, один раз в год. При вынужденной остановке вентиляционных установок должны быть приняты меры по обеспечению санитарного состояния воздушной среды, согласно санитарных норм СНИП.

В инструкциях по эксплуатации вентиляционных установок перечисляются особые указания о мерах, принимаемых персоналом при внезапной загазованности или возникновении пожара.

Во избежание распространения пожара в сети промливневой канализации во время возгорания нефтепродуктов или пожара на производственной площадке, на канализационных сетях промстоков и произодственно-ливневых стоках устанавливаются гидрозатворы.

Приборы контроля и автоматики могут применяться только разрешенные решением Госстандарта СССР и его подведомственных органов. Проверка, регулировка и ремонт приборов осуществляется в соответствии с “Правилами организации и проверки измерительных приборов и контроля за состоянием измерительной техники с соблюдением стандартов и технических условий”. За КИПиА должен быть обеспечен надзор, они должны находиться в условиях, обеспечивающих их безотказную работу.

Производство газоопасных, огневых, ремонтных, земляных работ без наличия оформленного наряд-допуска не допускается.

В местах, где возможно смешивание взрывоопасной смеси газа с воздухом, во избежание искрообразования от ударов, запрещается применение инструментов из стали. Инструмент должен быть из металла не дающего искры. Пользоваться не взрывозащищенными переносными светильниками не разрешается.

Во время работы установки необходимо обеспечить постоянный контроль за давлением, расходом, уровнем - их изменения должны производиться плавно.

Объекты энергоснабжения должны обслуживаться электротехническим персоналом имеющим  соответствующую группу допуска. Напряжение на электрооборудование должно подаваться и сниматься дежурным электроперсоналом  по указанию ответственного за эксплуатацию этого оборудования или старшего по смене. При  возникновении пожара на электрооборудовании напряжение должно быть немедленно снято.

Отогревание оборудования и трубопроводов в зимнее время может производиться только паром или горячей водой.

Предохранительная арматура на аппаратах должна соответствовать предъявленным требованиям “Правил устройства и безопасной эксплуатации аппаратов, работающих под давлением”.

Пуск и работа установки с неисправной системой пожаротушения запрещается.

Все сооружения установок, в зависимости от категории, должны быть надежно заземлены при помощи заземляющих устройств от прямых ударов, вторичных проявлений молнии и статического  электричества.

Оборудование, подлежащие вскрытию и ремонту, должно быть выведено из работы, освобождено от продукта, отглушено, пропарено, промыто водой и проветрено. Все подводящие трубопроводы к ремонтируемому оборудованию должны быть отглушены. Промывка водой  неостывшего оборудования недопустимо. Производство работ  на  отключенном оборудовании и трубопроводе, разрешается только по получению анализа газовоздушной смеси. Работы по очистке оборудования аппаратов, сосудов от шлама  должны производиться только в шланговых противогазах с дублером бригадой не менее 2-х человекк. Для внутреннего освещения аппарата, сосуда должны применяться светильники во взрывозащищенном исполнении, с напряжением не выше 12В.

Запрещается допуск к газоопасным работам лиц, не обученных безопасным приемам ведения работ, способам оказания первой доврачебной помощи пострадавшим.

Газоопасные работы должны выполняться только при наличии наряд-допуска и в присутствии ответственного за проведение газоопасных работ.

Необходимо вести постоянный контроль за состоянием газовоздушной среды, немедленно прекратить работу при загазованности выше допустимой концентрации.

Перед допуском к работе по обслуживанию блоков реагента-деэмульгатора обслуживающий персонал должен быть проинструктирован и ознакомлен с инструкциями безопасности труда. Работы, связанные с химреагентом, должны производиться строго в  спецодежде, защищающей тело, руки, ноги.

3.4. Возможные неполадки технологического процесса.

Возможные неполадки технологического процесса. Таблица 7

Возможные

неполадки

Причина возникновения неполадок

Способ предупреждения и

устранения неполадок

1 2 3

1.Ухудшается

анализ нефти на выходе с отстойников (большой процент обводненности)

1.1. Изменение расхода нефти на установку, неравномерная нагрузка отстойников.

1.2. Понижение температуры нефти после печей.

1.3. Недостаточный расход реагента на подготовку, прекращение подачи реагента.

1.4. Повышенное содержание газа в нефти, поступающей в отстойники

1.5. Высокий уровень раздела фаз “вода-нефть” в отстойниках.

1.1.1. Отрегулировать расход нефти на каждый отстойник.

1.2.1. Повысить температуру нагрева нефти

1.3.1. Включить подачу реагента на установку, отрегулировать расход реагента согласно норме.

1.4.1. Отрегулировать работу сепараторов I и II ступеней сепарации.

1.4.2. Повысить уровень раздела фаз “нефть-газ” в сепараторах.

1.5.1. Понизить уровень раздела фаз “вода-нефть” в отстойниках приоткрыв байпасы.

1.5.2. Проверить работу и исправность регулирующих клапанов на линии выхода воды.

2. Ухудшаются анализы нефти на выходе с электродегидраторов

2.1. Пункты 1.1 - 1.5.

2.2. Не работает система колебаний токами высокой частоты.

2.1.1. Пункты 1.1.1.-1.5.2.

2.2.1. Вызвать электрика и устранить неисправность.

3. Ухудшается анализ воды на выходе с отстойников и электродегидраторов

3.1. Низкий уровень раздела фаз “вода-нефть”.

3.2. Отсутствует четкая граница

раздела фаз “вода-нефть”.

3.1.1. Приподнять уровень раздела фаз “вода-нефть” (водную подушку) уменьшив расход воды на выходе с аппарата.

3.2.1. Проверить температуру нефти

на входе в аппарат.

3.2.2. Проверить подачу реагента.

3.2.3. Увеличить расход регента (удельную норму).

4. Ухудшается анализ подтоварной воды на выходе очистных РВС (повышенное содержание нефтепродуктов) 4.1. Низкий уровень воды в очистных резервуарах.

4.1.1. Уменьшить откачку воды с резервуаров на КНС.

4.1.2. Поднять уровень воды в резервуарах.

4.1.3. Слить (дренировать) нефть с резервуаров в подземные емкости.

5. Уменьшение

(увеличение) поступления жидкости на установку УПСВ

5.1. Остановка нефтяных скважин, ДНС.

5.1.1. Усилить контроль за поддержанием уровней жидкости в сепараторах I ступени.

5.1.2. Отрегулировать температуру нагрева нефти согласно технологической карте.

5.1.3. Отрегулировать удельный расход реагента, согласно норме.

6. Отсутствие воздуха на приборы КИПиА

6.1. Компрессор не развивает необходимого давления.

6.2. Отсутствие напряжения в компрессорной.

6.3. Порыв воздуховода.

6.1.1.Включить в работу резервный компрессор.

6.1.2.При необходимости перейти на ручной режим работы.

6.2.1. Перейти на ручной режим управления технологическим процессом.

6.3.1. Перейти на ручной режим управления технологическим процессом.

6.3.2. Найти место порыва и устранить его.

7. Порыв корпуса сепараторов I и II ступени сепарации, отстойников, электродегидраторов. 7.1. Превышение давления в аппарате выше допустимого.

7.1.1. Вывести аппарат из работы, перекрыв задвижки по входу и выходу жидкости из аппарата.

7.1.2. Освободить аппарат от жидкости в ЕП.

7.1.3. Локализовать место аварии.

8. Порыв нефтяного коллектора от УПС”є и УПСВ-2а до УПН 8.1. Коррозия металла трубопроводов.

8.1.1. Перевести поступление нефти с нефтесепараторов II ступени в технологические РВС-5000 № 1-2.

8.1.2. Прекратить откачку нефти на УПН. остановив нефтяные насосы ЦНС 300х300 и ЦНС 300х360

8.1.3. Отключить поврежденный участок трубопровода, перекрыв его задвижками.

9. Порыв газопровода после УУГ УПСВ. 9.1. Коррозия металла трубопровода.

9.1.1. Перевести сброс газа с сепараторов I ступени сепарации на факел.

9.1.2. Закрыть задвижки на УУГ  (отключить поврежденный участок газопровода)

9.1.3. Усилить контроль за ведением технологического режима.

10. Пожар печей ПТБ-10 10.1. Прогар змеевика печей. 10.1.1. Действовать согласно ПЛВА.

3.5. Аварийная остановка УПН

Аварийная остановка технологических линий №1 и №2 (УПН-1 и УПН-2) установки подготовки нефти осуществляется в следующем порядке:

1.    Аварийная остановка УПН-1.

1.1.  Останавливаются печи-нагреватели ПТБ-10 № 1-2. Закрывается вход и выход жидкости из печей.

1.2.  Закрывается подача газа на печи ПТБ-10 №1-2.

1.3.  Останавливаются электродегидраторы ЭГ1-ЭГ2.

1.4.  Открывается сброс жидкости из змеевиков печей в ЕП-1.

1.6. Открывается сброс жидкости из электродегидраторов ЭГ1-ЭГ2 в ЕП-3.

2.  Аварийная остановка УПН-2.

2.1. Останавливаются печи-нагреватели ПТБ-10 №3-4. Закрывается вход и выход жидкости из печей.

2.2.  Закрывается подача газа на печи ПТБ-10 №3-4.

2.3.  Останавливаются электродегидраторы  ЭГ3-ЭГ4.

2.4.  Жидкость переводится через электродегидраторы ЭГ1-ЭГ2.

2.5.  Открывается сброс жидости из змеевиков печей ПТБ-10 №3-4 в подземную емкость ЕП-9.

2.6.  Открывается сброс жидкости из электродегидраторов ЭГ3-ЭГ4 в ЕП-11.

3.6. Мероприятия по охране окружающей среды

С целью  максимального сокращения вредных выбросов в окружающую среду на установке предусмотрены следующие мероприятия:

1.    Технологическая схема подготовки нефти на установке предусматривает замкнутый цикл, отсутствие сбросов нефти, пластовой воды и газов в окружающую среду.

2.    Все технологические аппараты установки герметически закрыты.

3.    Сброс подтоварной воды с электродегидраторов ЭГ1-ЭГ4 производится в технологические резервуары РВС-10000 № 2,4.

4.    Подтоварная вода с резервуаров РВС-10000 № 2,4 внутрипарковыми насосами ЦНС 180х170 через задвижку откачивается в РВС-5000 на УПСВ”Б” на подготовку.

5.    Газ из сепараторов С1-С3 и С4-С6 поступает на газокомпрессорную УВСИНГ. В случае остановок газокомпрессорной станции предусмотрен сброс газа на факел ФНД.

6.    Сброс с предохранительных клапанов сепараторов С1-С3 и С4-С6 осуществляется через “сепаратор-расширитель” С-8, на факел низкого давления (ФНД).

7.    Сброс с предохранительных клапанов буферных емкостей БЕ1-БЕ4, электродегидраторов ЭГ1-ЭГ4 осуществляется в газосепараторы ГС1, ГС2. Газ с газосепараторов, через “сепаратор-расширитель” С-7, поступает на факел высокого давления (ФВД).

8.    Для предотвращения попадания на факелы ФНД и ФВД газового конденсата и капельной жидкости на газопроводах установлены “сепараторы-расширители” С-7 и С-8. Отделившиеся в “сепараторах-расширителях” газовый конденсат и капельная жидкость дренируются в подземные емкости ЕП-6 и ЕП-7, откуда погружными насосами откачиваются в технологические резервуары РВС-10000 №1-4.

9.    Сточные воды промышленно-ливневой канализации площадок печей ПТБ-10 №1-4, буферных емкостей БЕ1-БЕ4, электродегидраторов ЭГ1-ЭГ4, сепараторов С1-С3 и С4-С6, резервуаров РВС-10000 №1-4 поступают в подземные емкости ЕП14, ЕП15, откуда погружными насосами откачиваются в технологические  резервуары РВС-10000 №1-4.

10.  Во избежание переливов технологические резервуары оборудованы приборами предельного уровня жидкости СУС-И, сигнал от которого выведен на световое табло щита операторной. При загорании светового табло срабатывает звуковая сигнализация.

11.  С целью максимального сокращения вредных выбросов в атмосферу дымовых газов печей ПТБ-10 работа печей ведется в оптимальном технологическом режиме.

3.6.1. Выбросы в атмосферу дымовых газов, потери от испарения факельных выбросов

Выбросы на установке подготовки нефти. Таблица 8

п/п

Наименование сброса

Кол-во (масса) выбросов, г/с

Ареал сброса

ПДВ

Метод ликвидации, обезвреживания, утилизации.

1 2 3 4 5 6

1.

Дымовые газы печей ПТБ-10 (из расчета на одну печь)

в атмосферу рассеивание в верхних слоях
углекислый газ, CO - 0,6099 г/с
окись азота, NO - 0,1781 г/с

С1-С10

- 0,7355 г/с

2.

Попутный газ
факел

1,376 м3/с

сжигание
углекислый газ, CO 7,143 г/с

окись азота, NOх

0,12 г/с

С1-С10

1,809 г/с
сажа 0,593 г/с

3.

Потери нефти в РВС от

выдыханий.

150,0 кг/сут в атмосфенру 1,824 г/с рассеивание в верхних слоях
4. Расчет электродегидратора

4.1. Условия расчета

Рассчитать и сконструировать горизонтальный электродегидратор со следующими технологическими параметрами:

·     производительность по жидкости 350 кг/час;

·     рабочее давление 0,8 Мпа

Определить следующие технологические параметры:

·     расход реагента-деэмульгатора (дипроксамин);

·     оптимальную температуру нагрева нефти;

·     необходимую напряженность электрического поля.

4.2. Расчет электродегидратора

В основе расчета элетродегидратора лежит выражение определяющее скорость движения капель в электрическом поле

, где

x - электрическая постоянная определяющая заряд движущейся капли; Е – градиент электрического поля, В/м; Dп – диэлектрическая проницаемость среды; n - кинематическая вязкость, м2/с.

Для лучшего отстаивания нефти в эмульсию нефть-вода добавляют деэмульгатор, который способствует более быстрому укрупнению капель и, тем самым ускоряет процесс отстаивания. На УПН «Быстринскнефть» используется дипроксамин, как импортного, так и российского производства. Количество ПАВ рассчитывают по следующей формуле [8, с. 148]

 , где

Предельную концентрацию молекул ПАВ определяют на основе уравнения Лэнгмюра [8, с. 117]

, где

с0 – начальная концентрация осаждаемого вещества (вода); a - постоянная Лэнгмюра.

Величину Г находят по уравнению Гиббса [8, с. 86]

, где

R – удельная газовая постоянная, Дж/(кг×К); Т – температура; Ds/Dс – градиент изменения поверхностного натяжения на изменение концентрации реагента.

Постоянная Лэнгмюра a, определяется по изотерме поверхностного натяжения (пример расчета изотермы даны в работе [8, с. 84]) или по формуле

, где

d - толщина поверхностного слоя, м; W – работа адсорбции, Дж/кг; R0 – удельная газовая постоянная; Т – температура.

Величину Гm можно найти по формуле

, где

Sm – поперечное сечение частицы ПАВ, м2.

Коэффициент распределения вещества равен

, где

N0 – мольная доля ПАВ; Nв – мольная доля воды.

Сведения о коэффициенте kp можно найти в работе [8, с. 26]

Следующие величины обозначают

Sl – поперечное сечение капель эмульсии, м2; cl – предельная концентрация эмульсии; Vнепр – объем в котором идет непрерывный процесс деэмулгирования; Vдист – объем дисперсной среды.

Процесс электрообезвоживания и обессоливания существует уже не один десяток лет, и все основные аппараты стандартизованы. Если еще учесть то, что в имеющейся литературе отсутсвуют данные по расчету различных коэффициентов, необходимых для расчета электродегидратора. Условно принимаем элетродегидратор, как стандартизованный аппарат.

В таб. 9 приведены характеристики дегидраторов горизонтального тип в основном используемы в России.

Характеристики горизонтальных электродегидраторов. Таблица 9

Показатель

Емкость, м3

80 100 160 190

Диаметр, м

3 3 3,4 3,4

Длина, м

11,6 14,2 17,6 21,0

Производительность, кг/ч

68500 91300 114100 350700

Для обоснования выбора именно горизонтального электродегидратора приведена таб. 10. и таб. 11. Можно с уверенностью сказать, что горизонтальный дегидратор легче и дешевле стоит, а по производительности не отстает от своих конкурентов.

Сравнительные показатели работы ЭГ. Таблица 10

Показатель

Вертикальный

Шаровой

Горизонтальный

Горизонтальный-цилиндрический

Сечение в месте установки электрода, м2

8,14 98 33,2 33,2

Площадь электродов, м2

6,6 31,2 29,8 19,6

Для сечения аппарата зона электродов, %

81,0 52,5 90,0 59,0

Время пребывания, с:

в межэлектродном пространстве

0,023 0,008 0,084 0,023

в аппарате

0,163 - 0,013 0,013

Скорость подачи нефти, м/ч

- 10-15 3-3,4 3-3,4

Показатели работы электродегидраторов различных типов. Таблица 11

Наименование величины

Вертикальный

Шаровой

Горизонтальный

Производительность, м3/ч

25 400 200

Объем, м3

30 600 160

Сечение, м2

7 86 60

Линейная скорость, м/ч

4,3 7 2,7

Размеры, м:

диаметр

3 10,5 3,4

длина (высота)

5 - 17,6

Рабочее давление, МПа

0,4 0,7 1,0

Масса аппарата, кг

-

1×105

0,37×105

Все основные параметры работы электродегидратора принимаются следующие [9]:

·     производительность по жидкости 350 кг/час;

·     рабочее давление 0,8 МПа;

·     расход реагента-деэмульгатора (дипроксамин), 20-25 г/т;

·     оптимальную температуру нагрева нефти, 45-50°С;

·     ток внешней фазы электродегидратора 240А.

Основные размеры электродегидратора:

·     длина области отстаивания 21000 мм;

·     общая длина аппарата 23720 мм;

·     внутренний диаметр 3400 мм;

·     толщина стенки 46 мм;

·     ввод сырья Æ300 мм;

·     вывод нефти Æ250´2;

·     вывод соленой воды Æ200´1;

·     удаление шлама Æ300´3;

·     откачка нефти Æ150´1;

5. Продукция установки УПН

Товарной продукцией цеха подготовки, перекачки нефти является подготовленная нефть. В зависимости от степени подготовки устанавливаются I,II,III группы нефти.

    Согласно ГОСТ 9965-76 по показателям степени подготовки нефть должна соответствовать нормам, указанным в таб. 9.

Продукция УПН. Таблица 12

№№

п\п

Наименование

показателей

Норма для группы

Метод  испытания

I II III

1.

Конструкция хлористых солей, мг/дм3, не более

100 300 900 По ГОСТ 21534-76

2.

Массовая доля воды,%,не более 0,5 1,0 1,0 По ГОСТ 2477-65

3.

Массовая доля механических примесей, % не более 0,5 По ГОСТ 6370-83

4.

Давление насыщенных паров, кПа (мм.рт.ст.), не более

66,7

(500)

По ГОСТ 1756-52
6. Материальный и тепловой балансы

Основой материального баланса является закон сохранения материи, согласно которому количество материала, поступающего в процесс (приходные статьи материального баланса), равняется количеству продуктов, получаемых в результате процесса (расход­ные статьи материального баланса). Материальный баланс должен составляться как для всего технологического процесса, так и для отдельных его элементов. Материальный баланс составляют за еди­ницу времени - час, сутки, год - или за цикл работы на единицу исходного сырья или готовой продукции, т. е. за тот отрезок вре­мени, в течение которого перерабатывается определенное коли­чество сырья или получается определенное количество про­дукта.

Материальный баланс обычно составляют в виде таблиц или схем с указанием соответствующих материальных потоков и представлен в таб. 10. Материальный баланс может быть рассчитан в весовых, мольных или объемных единицах. При составлении материального ба­ланса в объемных или мольных единицах необходимо учитывать, что в результате тех или иных химических превращений объем или число молей, поступающих в аппарат, может отличаться от объема или числа молей продуктов, получаемых в результате про­цесса. Кроме того, такое несоответствие возможно при смешении компонентов, не подчиняющихся закону аддитивности.

Энергетический баланс основывается на законе сохранения энергии. Технологические процессы часто сопровождаются измене­нием теплосодержания системы, а также затратой энергии (элек­трической, механической и др.). Поэтому при расчетах аппаратов необходимо составлять энергетические балансы.

Материальный баланс. Таблица 13

п/п

Статьи прихода, расхода

%

Количество,

т/час

1.

Приход
нефть 68,60 943,1
вода 20,00 275,0
газ 11,40 156,9
деэмульгатор 0,002 0,0275

Итого прихода:

100,00 375,0

2.

Расход
вода 19,50 268,2
газ 11,47 157,8
нефть с обводненностью 0,5% 69,03 950,0

Итого расхода:

100,00 1375,0

Энергетический баланс отражает основное содержание закона сохранения энергии, согласно которому количество энергии, введенной в процесс (при­ходные статьи баланса), равно количеству энергии, получаемой в результате процесса (расходные статьи баланса).

Так же как и материальный баланс, энергетический баланс можно составлять для всего производственного процесса или для отдельных его стадий. Энергетический баланс может быть составлен для единицы времени (час, сутки), для цикла работы, а также на единицу исходного сырья или готовой продукции. При составлении теплового баланса количество тепла, содержащегося в тех или иных материальных потоках, отсчитывают от какого-либо температурного уровня, чаще всего от 0°.

Тепловой баланс. Таблица 14

п/п

Статьи прихода, расхода

%

Количество, МДж/ч

1.

Приход

теплосодержание нефти 33,3 62727,5
тепло которое передается в печи 66,7 125455,0

Итого прихода:

100 188182,5

2.

Расход

теплосодержание нефти 18,0 33925,5
теплосодержание воды 11,6 21911,9
теплосодержание газа 9,1 17066,1
потери в окружающую среду и в аппаратах УПН 61,3 115279,0

Итого расхода:

100 188182,5

При составлении энергетического и, в частности, теплового баланса особое внимание должно быть обращено:

·     на возможный переход одного вида энергии в другой;

·     на изменение агрегатного состояния тела, которое сопровождается выделением или поглощением тепла (скрытая теплота испарения или конденсации, пла­вления, затвердевания, адсорбции и т. д.);

·     на тепловой эффект химической реакции (эндотермической или экзотермической).

Иногда необходимо учитывать потери тепла в окружающую среду. Как тепловой, так и материальный баланс удобно предста­влять в виде таблиц или схем с указанием всех приходных и расход­ных статей.

Проведем расчет теплового баланса относительно 0°. Рассчитаем теплосодержание нефти приходящей на установку подготовки нефти:

Gпечь расход нефти через печь кг/час; Снефть – теплоемкость нефти кг/Дж×К; (tконtнач) – разность между начальной и конечной температурами нефти.

Определение теплоемкости нефти в зависимости от температуры и давления можно определить по формуле [5, с. 517]

Нефть приходит с температурой 293К, плотности при этой температуре составит 887,6 кг/м3 [6, с. 65]:

,

Теплоемкость попутных газов рассчитаем по правилу смешения средних теплоемкостей компонентов, приведенных в таб. 15 [7]:

Средние теплоемкости газов. Таблица 15

 

CO2

N2

CH4

C2H6

C3H8

н-C4H10

и-C4H10

Средняя теплоемкость, кДж/(кг×К)

0,843 1,036 2,226 1,751 1,667 1,682 1,666

Содержание, %

0,2 1,2 92,0 1,5 2,0 1,0 1,5

Теплоемкость воды с содержанием различных солей, кислот и оснований рассчитываем аналогичным образом таб. 16 [7]:

Средние теплоемкости солей. Таблица 16

H2CO3

H2SO4

HCl

Ca(OH)2

Mg(OH)2

Na(OH)+K(OH)

Средняя теплоемкость, кДж/(кг×К)

0,576 1,416 0,766 1,181 1,320 1,332

Содержание, %

0,635 0,003 8,0 0,2 0,04 4,5

Так как нефть приходит с 20%-ой обводненостью и содержит 11,4% попутного газа, поэтому рассчитаем теплоемкость приходящей нефти по правилу смешения:

Тогда теплосодержание нефти приходящей на установку будет равно:

Рассчитаем тепло, которое передается в печи, если температура нефти на выходе 333К:

Рассчитаем теплосодержание нефти на выходе с установки:

Рассчитаем теплосодержание воды и газа, уходящих с установки с температурами соответственно 273К и 323К:

Расчет теплового баланса произвели полностью. Теперь все результаты расчета сводим в таблицу см. таб. 14.

Заключение

В заключение курсового проекта можно сказать, что в процессе его создания были выполнены следующие цели:

·     изложены основные концепции появления и развития добычи подготовки нефти на Сургутском месторождении;

·     изложены основные принципы разделения эмульсии нефть-вода;

·     приведена и описана основная аппаратура, используемая для обезвоживания нефти;

·     приведена технологическая схема цеха первичной подготовки нефти на «Быстринском» НГДУ;

·     приведен регламент работы установки подготовки нефти и ее экологическая опасность;

·     изображен принцип расчета электродегидратора и приняты его основные размеры;

·     произведен расчет теплового и материального баланса.

Все эти цели достигнуты с положительным результатом. Можно сделать вывод, что данная установка подготовки нефти работает удовлетворительно в условиях крайнего севера. На этом объекте окружающей среде наносится минимальный ущерб.

Список сокращений
1. БЕ – буферная емкость.
2. БР – блок подготовки и закачки реагента.
3. БРХ – блок реагентного хозяйства.
4. ГС – газосепаратор.
5. ДНС – дожимнонапорная станция.
6. ЕП – емкость подземная.
7. КИПиА – контрольно-измерительные приборы и автоматика.
8. НГДУ – нефтегазодобывающее управление.
9. НД – насос дозировочный.
10. ПТБ – печь трубчатая.
11. РВС – резервуар вертикальный стальной.
12. С – сепаратор.
13. УПН – установка подготовки нефти.
14. УПСВ – установка предварительного сброса воды.
15. УУН – узел учета нефти.
16. ФВД – факел высокого давления.
17. ФНД – факел низкого давления.
18. ЦДНГ – цех добычи нефти и газа.
19. ЦКПН – цех контрольной проверки нефти.
20. ЦППН – цех первичной подготовки нефти.
21. ЭГ – электродегидратор.
Список использованных источников

1.    Эрих В.Н., Расина М.Г., Рудин М.Г. "Химия и технология нефти и газа". Ленинград, "Химия", 1972.

2.    Скобло А.И., Трегубова И.А., Егоров Н.Н. "Процессы и аппараты, нефтеперерабатывающей и нефтехимической промышленности". Москва, Государственное научно-техническое изд., 1962.

3.    Нестеров И.И., Рябухин Г.Е. "Тайны нефтяной колыбели". Свердловск, Средне-Уральское книжное издательство, 1984.

4.    Судо М. М. "Нефть и горючие газы в современном мире". Москва, Недра, 1984.

5.    Рабинович Г.П., Рябых П.М., Хохряков П.А., под ред. Судакова Е.Н. «Расчеты основных процессов и аппаратов нефтепереработки». Справочник. Москва, «Химия», 1979.

6.    Дриацкая З.В., Мхчиян М.А., Жмыхова Н.М. и другие «Нефти СССР. Том 4». Москва, «Химия», 1974.

7.    Рабинович В.А., Хавин З.Я. «Краткий химический справочник». Санкт-Петербург, «Химия», 1994

8.    Рабинович В.А. «Расчет процесса осаждения в электрическом поле». Справочник. Санкт-Петербург, «Химия», 1992

9.    Буланов А.Н.«Регламент работы цеха первичной подготовки нефти на «Быстринском» НГДУ», Сургут, ОАО «Сургутнефтегаз», 1997


[1] Балансовым называется то количество продуктов, которое образуется в со­ответствии с материальным балансом технологической установки.


© 2012 Рефераты, курсовые и дипломные работы.