рефераты
Главная

Рефераты по рекламе

Рефераты по физике

Рефераты по философии

Рефераты по финансам

Рефераты по химии

Рефераты по хозяйственному праву

Рефераты по цифровым устройствам

Рефераты по экологическому праву

Рефераты по экономико-математическому моделированию

Рефераты по экономической географии

Рефераты по экономической теории

Рефераты по этике

Рефераты по юриспруденции

Рефераты по языковедению

Рефераты по юридическим наукам

Рефераты по истории

Рефераты по компьютерным наукам

Рефераты по медицинским наукам

Рефераты по финансовым наукам

Рефераты по управленческим наукам

Психология и педагогика

Промышленность производство

Биология и химия

Языкознание филология

Издательское дело и полиграфия

Рефераты по краеведению и этнографии

Рефераты по религии и мифологии

Рефераты по медицине

Рефераты по сексологии

Рефераты по информатике программированию

Краткое содержание произведений

Реферат: Проект реконструкции цеха первичной переработки нефти и получения битума на ОАО «Сургутнефтегаз»

Реферат: Проект реконструкции цеха первичной переработки нефти и получения битума на ОАО «Сургутнефтегаз»

Введение

На ОАО «Сургутнефтегаз» производят дорожный битум, дизельное топливо и бензиновую фракцию. Все эти производства на сегодняшний день нашли своего потребителя. Битум – нужен г. Сургуту и близлежащим городам для строительства дорого. Дизельное топливо в основном предназначается для транспортных нужд предприятия. Бензиновую фракцию используют для промывки нефтяных скважин и нефтепроводов.

В последнее время возникли трудности с технологическими печами, которые предназначаются для нагрева нефти и мазута. Печь претерпевали серьезные аварии и в последнее время часто выходят из строя, прерывая технологический процесс, что сказывается на объемах производимой продукции. В связи с этим необходимо реконструировать трубчатые печи.

1.Как влияет сырье и технология на процесс и ассортимент продукции

Сырьем для рассматриваемого технологического процесса является нефть Лянторского месторождения. Основными физико-химическими показателями для нефтей являются:

  • содержание хлористых солей (100 мг/дм3);

  • плотность нефти (0,894 кг/м3 - тяжелая);

  • содержание общей серы (0,99 % - сернистые);

  • содержание базовых масел (15% - на нефть);

  • содержание парафинистых углеводородов (2,4 %);

  • индекс вязкости (79 – И2).


При повышении содержания хлористых солей повышается коррозия аппаратуры, особенно в сочетании с сероводородом. Приходится производить промывку водой для понижения содержания хлористых солей.

Сернистые соединения при перегонке достаточно хорошо переходят в бензиновую фракцию, где в дальнейшем они мешают процессам риформинга, поэтому приходится производить мероприятия по понижению содержания серы.

Плотность нефти влияет на выход тяжелых фракций, к примеру для получения битума благоприятны тяжелые нефти, где выход мазута составляет более 30 %.

Содержание базовых масел может определить направление использования нефтей в области получения моторных масел.

Сыре используемое на ОАО «Сургутнефтегаз» удовлетворяет требованиям для плучения дорожного битума.

2.Схема производства и узкие места

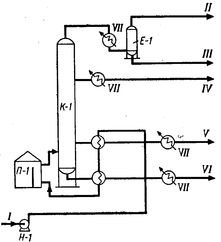
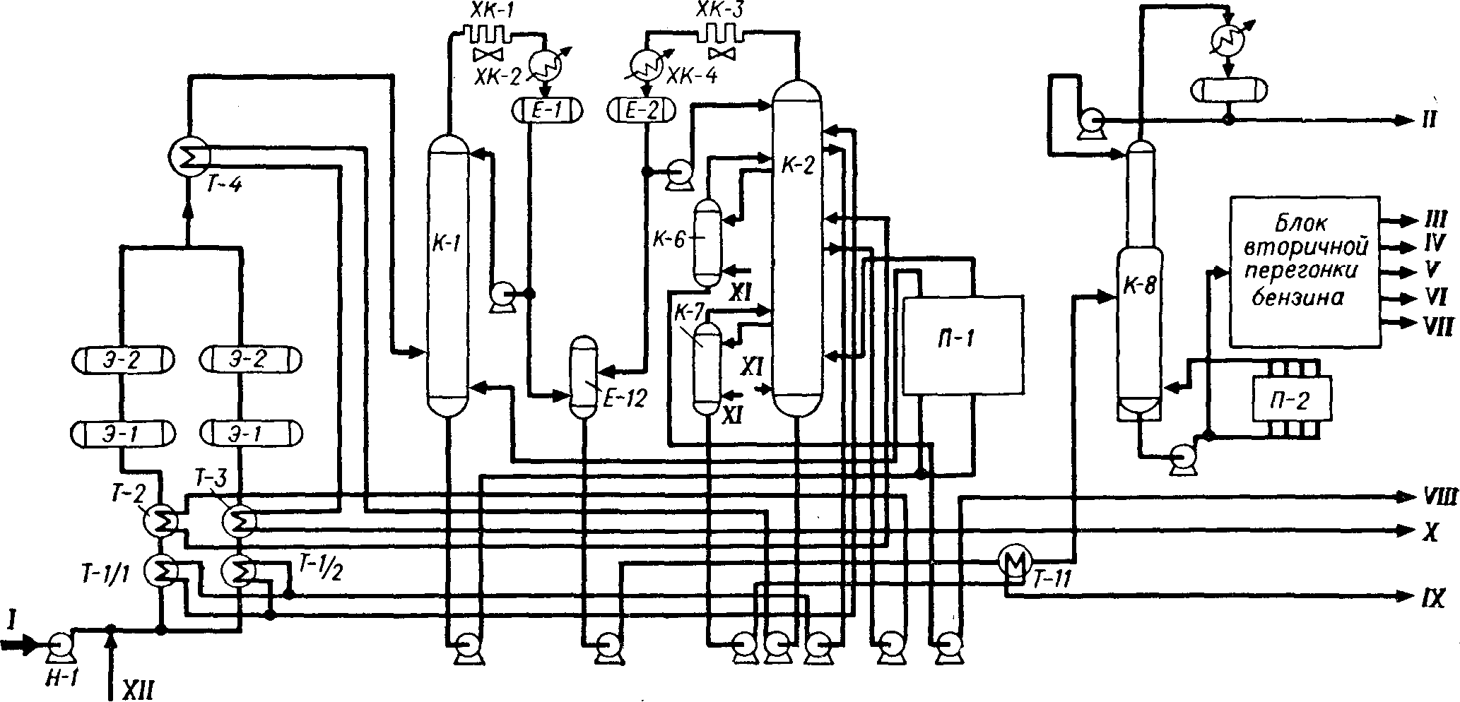
Нефть из трубопровода "Лянторское месторождение - ЦКПН" под давлением 3,0 - 4,0 кг/см2 поступает в сырьевую емкость Е-1, через

Из емкости Е-1 насосом Н-1 нефть подается в трубное пространство теплообменника Т-1/3, где нагревается за счет тепла откачиваемых дизельного топлива.

В приемный трубопровод из сети производственного водоснабжения подается промывная вода, а также деэмульгатор. Расход воды на промывку нефти регулируется клапаном регулятором расхода.

Предварительно нагретая нефть после теплообменника Т-1/3, поступает в трубный пучек теплообменника Т-1/7. Нагретая до 90-120 С за счет тепла гудрона нефть из теплообменника Т-1/7 подается в междуэлектродное пространство электродегидратора Э-1.

Электродегидратор Э-1 работает под давлением нефти, в случаях снижения уровня нефти и образования "газовой подушки" срабатывает блокировка, отключающая подачу напряжения на электроды дегидратора. В зависимости от содержания воды в нефти и стойкости эмульсии напряжение на электроды может подаваться 16, 5, 22 или 36 кВ. Насыщенная вода - "солевой раствор" - с низа электродегидратора через клапан-регулятор уровня раздела фаз "нефть-вода" выводится в емкость.

Обессоленная нефть выходит сверху электродегидратора Э-1 и разделяется на два потока. Первый, меньший поток нефти, проходит последовательно через трубное пространство теплообменника Т-1/5 и нагревается за счет тепла циркуляционного орошения колонны К-3 до 130-160 С. Второй поток нефти последовательно проходит через трубное пространство теплообменников Т-1/9, где нагревается за счет тепла вакуумного газойля до 180-200 С. .

После теплообменника Т-1/5, Т-1/9 оба потока обессоленной нефти объединяются в общий поток нефти, который поступает в трубное пространство теплообменника Т-1/1, где нагревается за счет тепла гудрона до 190-210 С.

После теплообменников Т-1/1 нефть подается в нагревательные печи П-1, П-3. Нагрев нефти в печах осуществляется в змеевиках камер конвекции дымовыми газами и в камерах радиации за счет лучистого тепла при сжигании топливного газа. В камере радиации печи П-1 размещен также змеевик для нагрева мазута, а в камере конвекции печи П-3 расположен пароперегреватель для получения водяного пара.

Нагретая в печах до 360-375 С нефть объединяется в общий поток и направляется на 4-ю тарелку атмосферной колонны К-3. Всего в колонне имеется 23 клапанных тарелок, из них в укрепляющей части 19 и отгонной 4 тарелки.

Сверху колонны К-3 пары бензина, водяные пары и углеводородный газ с температурой до 150 С поступают в конденсаторы воздушного охлаждения и доохлаждаются в водяном холодильнике Х-1 до температуры не выше 80 С и в виде газожидкостной смеси собираются в емкость Е-2.

В емкости Е-2 происходит разделение смеси на бензин, углеводородный газ и воду. Углеводородный газ сверху емкости Е-2 выводится на дожиг в печи П-2.

Вода с низа емкости Е-2 через клапан-регулятор уровня раздела фаз "бензин-вода" сбрасывается в емкость промстоковю.

Часть бензиновой фракции из емкостей Е-2 насосом возвращается на 21-ю тарелку колонны в качестве острого орошения.

С 13-й тарелки атмосферной колонны К-3 отбирается дизельное топливо, которое насосом с температурой 180 С подается в межтрубное пространство теплообменников Т-1/3, где отдает тепло сырой нефти, доохлаждается до температуры не выше 70 С в водяном холодильнике Х-3 и направляется в емкости хранения дизельного топлива Е-10.

Качество дизельного топлива обеспечивается циркуляционным орошением. Циркуляционное орошение с 11-й тарелки колонны К-3 забирается насосом, прокачивается через теплообменник Т-1/5, где отдает тепло первому потоку обессоленной нефти и с температурой 135-145 С возвращается в колонну на 12-ю тарелку.

Для обеспечения требуемого качества мазута по содержанию фракции до 360 С с тарелки "4а" атмосферной колонны К-3 выводится атмосферный газойль, который поступает в отпарную колонну К-4 с температурой 285-295 С.

С низа отпарной колонны атмосферный газойль насосом подается в теплообменник Т-1/3, где отдает тепло сырой нефти, далее смесь доохлаждается в водяном холодильнике Х-4 и с температурой не выше 90 С направляется в емкости хранения Е-12.

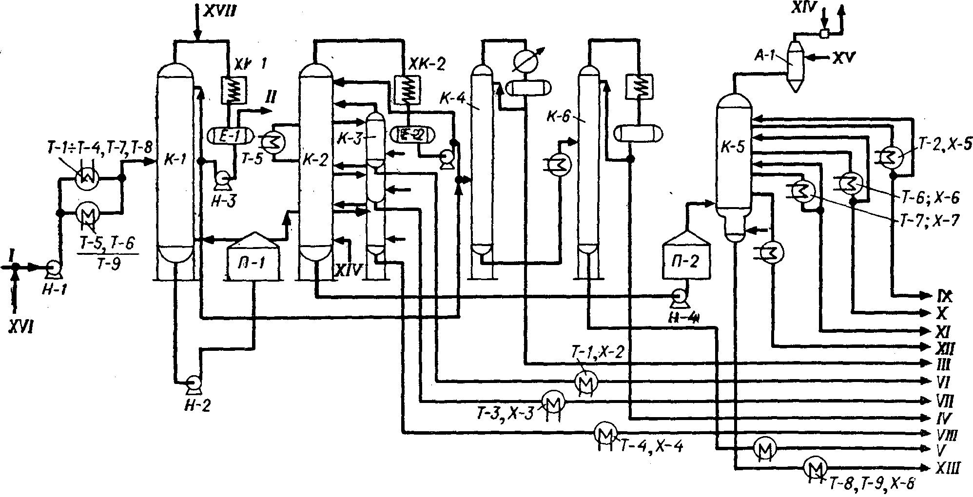
Мазут с низа атмосферной колонны К-3 с температурой 350 С насосом подается для нагрева в мазутный змеевик печи П-1.

Нагретый до 390-405 С мазут из печи П-1 поступает на вторую тарелку вакуумной колонны К-5. Вакуумная колонна оборудована 12-ю клапанными тарелками, в том числе в отгонной части две тарелки. Сверху вакуумной колонны газы разложения и пары углеводородов с температурой 190-200 С поступает в водяной конденсатор КВ-1. Сконденсировавший нефтепродукт из КВ-1 стекает в барометрическую емкость, а несконденсированные газы отсасываются двухступенчатым пароэжекторным насосом.

Конденсат из промежуточных поверхностных конденсаторов пароэжекторного насоса сливается в барометрическую емкость БЕ-1,а несконденсированные газы выбрасываются в печи П-2 для дожига.

С 8-ой тарелки вакуумный газойль с температурой 280 С отбирается насосом и прокачивается через теплообменник Т-1/9 где отдает тепло второму потоку обессоленной нефти. После Т-1/9 часть вакуумного газойля температурой 160-170 С возвращается через холодильник воздушного охлаждения ВХК-4 на верхнюю тарелку колонны К-5 в качестве циркуляционного орошения, а избыток газойля выводится в емкости и в последствии в обратный нефтепровод.

Гудрон с температурой 360-400 С с низа колонны К-5 насосом прокачивается через теплообменник Т-1/1, где отдает тепло сырой нефти и с температурой 150-180 С направляется по "жесткой" схеме в окислительную колонну К-1.

Часть гудрона после теплообменника Т-1/1 с температурой 240-255 С возвращается в низ вакуумной колонны для снижения температуры.

Окислительная колонна К-1 представляет собой пустотелый вертикальный аппарат. Вход гудрона в колонну осуществляется ниже рабочего уровня битума в колонне. После указанного клапана-регулятора смонтирован клапан-отсекатель прекращающий подачу воздуха в колонну при срабатывании блокировки по одному из параметров: повышение содержания свободного кислорода в газах окисления более 4%, повышение температуры битума внизу колонны выше 275 С, понижение уровня в колонне ниже 10%.

Газы окисления сверху окислительной колонны К-1 выводятся в газосепаратор ГС-1, где происходит отделение газовой фазы от жидкости. Из сепаратора ГС-1 газы окисления поступают на дожиг в печи П-2, а жидкая фаза -"черный соляр", в ГС-1 выводится в дренажную емкость Е-13.

Битум с низа колонны К-1 с температурой до 260 С насосом откачивается в емкости готового битума Е-15.

Дорожный битум из емкостей Е-15 отгружается потребителю наливом в автоцистерны.

Бензин из емкостей Е-11 насосами подается на наливную эстакаду для налива в автоцистерны. Дизельное топливо подается к наливным стоякам, через счетчики.

3.Рассказ по чертежам. Экология

Произведен расчет вертикально трубчатой печи беспламенного горения с излучающими стенками топки.

Выбран тип панельных горелок ГБП2а-60 производительность 60000 ккал/час.

4.Экономика

Экономический эффект проекта достигается за счет:

  • сокращение затрат на топливо;

  • сокращение штрафов за выбросы.


5.Вопросы рецензента

  1. Указывается центр тяжести проекта и заключается в том, что в место 2-х физически и морально устаревших трубчатых печей сооружается новая современная трубчатая печь, которая позволяет:

  • повысить теплотехнические показатели процесса;

  • снизить расход топлива за счет установки более совершенных горелок и конструкции печи;

  • снизит температуру пламени и дымовых газов, в результате чего сокращение выбросов NO2 и других веществ.

Кроме того оптимальный нагрев позволяет оптимизировать работу колонны. Ассортимент продукции не меняется, но улучшается качество битума.

  1. Я не могу не согласится с мнением рецензента на стр. 123 и 125 приведена калькуляции себестоимости и сделаны выводы о экономическом эффекте проекта.

  2. На стр. 124 расчитана экономия средств на штрафах и сокращение затрат на топливный газ.



Содержание

стр.


Реферат 2

Введение 3

Заключение 139

Список сокращений 140

Список использованных источников 140


Реферат

Проект реконструкции цеха первичной переработки нефти и получения битума на ОАО «Сургутнефтегаз».


Стр. 139, Рис. 46, Табл. 35, Черт. 4


Реконструкция, нефть, бензин, соляр, керосин, биткм, технлоогическая схема, трубчатая печь, теплообмен, ректификация, автоматизация, экономический эффект.


Обоснована реконструкция цеха, в связи с необходимостью замены трубчатых печей П-1 и П-3 на одну более производительную.

Выполнены расчеты:

  • материальных потоков;

  • тепловых и материальных балансов;

  • расчет трубчатой печи;

  • потбор измерительных приборов и схем автоматизации;

  • эколго-экономического эффекта.

Приведены рекомендации, для дальнейшей стабильной работы установки.


Введение

Один чудак из партии геологов

Сказал мне, вылив грязь из сапога:

"Послал же бог на голову нам олухов!

Откуда нефть – когда кругом тайга?

И деньга вам отпущены - на тыщи те

Построить детский сад на берегу:

Вы ничего в Тюмени не отыщите –

В болото вы вгоняете деньгу"

В. Высоцкий


Значение нефти и газа для энергетики, транспорта, обороны страны, для разнообразных отраслей промышленности и для удо­влетворения бытовых нужд населения в наш век исключительно велико. Нефть и газ играют решающую роль в развитии экономики любой страны. Природный газ—очень удобное для транспорти­ровки по трубопроводам и сжигания, дешевое энергетическое и бы­товое топливо. Из нефти вырабатываются все виды жидкого топлива: бензины, керосины, реактивные и дизельные сорта горючего— для двигателей внутреннего сгорания, мазуты — для газовых тур­бин и котельных установок. Из более высококипящих фракций нефти вырабатывается огромный ассортимент смазочных и специальных масел и консистентных смазок. Из нефти вырабатываются также парафин, сажа для резиновой промышленности, нефтяной кокс, многочисленные марки битумов для дорожного строительства и многие другие товарные продукты.

Вторичная переработка нефтяного и газового сырья получила ныне название нефтехимического синтеза. Уже в настоящее время 25% мировой химической продукции выпускается на основе нефти и углеводородных газов. Ближайшие перспективы развития нефте­химической промышленности исключительно благоприятны как по масштабам производства, так и по безграничному разнообразию промежуточных и конечных продуктов синтеза.

К нефтехимической продукции относятся: пластические массы, синтетические каучуки и смолы, синтетические волокна, синтетиче­ские моющие средства и поверхностно-активные вещества, некото­рые химические удобрения, присадки к топливам и маслам, син­тетические смазочные масла, белково-витаминные концентраты, многочисленные индивидуальные органические вещества: спирты, кислоты, альдегиды, кетоны, хлорпроизводные эфиры, гликоли, полигликоли, глицерин и другие, применяющиеся в промышлен­ности, сельском хозяйстве, медицине и в быту.

Все вышесказанное в полной мере относится к проблемам переработки нефти в северных районах России. Одним из нефтеперерабатывающих районов является сургутский нефтеносный район, представляющий из себя крупное подземное поднятие со сводами и впадинами, окружающих его. Около 30 000 квадратных километров приходится на Сургутский свод. На сегодняшний день там разрабатывается более десятка месторождений: Карьунское , Быстринское, Лянторское, Федеровское, Камарьинское, Солкинское, Западно-Солкинское, Вачемское и другие.

Цех (установка) первичной переработки нефти и получения битума (ЦППНиПБ) [1] был заложен в 1981 году в 40 километрах северо-западнее от г. Сургута и предназначался для получения дорожного битума. В 1987 году установка претерпела реконструкцию, так как по выполненному проекту (ВНИПИНефтепромхим г. Казань) на установке были установлены ректификационные колонны: для атмосферной перегонки с 19-ю тарелками (диаметр 1,0 м) и вакуумной перегонки – с 15-ю тарелками (диаметр 1,0 м), что не обеспечивало получения продуктов заданного качества.

В 1991 г. БашНИИ НП была произведена реконструкция цеха по увеличению производительности до 118,8 тыс.т/год нефти (на 18,2% выше проектной), производства битума – 38,0 тыс.т/год (на 12,7% выше проектной), отбора суммы светлых нефтепродуктов – 34% на нефть (33% по проекту) и улучшению их качества.

В 1988 г. НИИГипровостокнефть была произведена реконструкция цеха по режиму работы, что позволило получать на установке дизельное топливо (зимнее и летнее), бензиновую фракцию (для промывки нефтяных скважин), а также повысить качество всех получаемых продуктов.

Сегодня комплексная установка первичной переработки нефти и производства битумов (ЦППНиПБ) предназначена для выработки дорожных битумов из нефти Лянторского месторождения и в небольших количествах битумов строительных марок. Также попутно получают летнее и зимнее дизельное топливо, бензиновую фракцию, которую используют для промывки нефтяных скважин.

В состав установки входят:

  1. Блок подготовки нефти к переработке для глубокого обессоливания и обезвоживания нефти.

  2. Блок атмосферно-вакуумной перегонки нефти.

  3. Блоки получения окисленных битумов в реакторах непрерывного действия колонного типа и периодического действия в реакторах бескомпрессорного окисления.

  4. Емкости для приема и хранения битумов, дизельного топлива, бензиновой фракции, газойлей.

  5. Наливная эстакада для отгрузки готовой продукции в автоцистерны.

  6. Технологическая воздушная компрессорная.

  7. Компрессорная воздуха КИП.

  8. Система оборотного водоснабжения включающая в себя градирню и насосы для циркуляции охлаждающей воды.


Целью данного проекта является реконструкция цеха первичной переработки нефти и получения битума.

1.Основы первичной переработки сибирских нефтей. Аналитический обзор

1.1.Характеристика сырья

Нефти различных месторождений и даже в пределах одного ме­сторождения могут значительно отличаться друг от друга по хи­мическому и фракционному составу, а также по содержанию серы, парафина и смол. В разное время предлагались различные хими­ческие, генетические, промышленные и товарные классификации нефтей. В настоящее время действует технологическая классифи­кация нефтей СССР (ГОСТ 912—66). Согласно этой классифи­кации все нефти оцениваются по следующим показателям:

  • со­держание серы в нефтях и нефтепродуктах;

  • потенциальное со­держание фракций, перегоняющихся до 350 °С;

  • потенциальное содержание и качество базовых масел;

  • содержание парафина и возможность получения реактивных, дизельных зимних или лет­них топлив и дистиллятных базовых масел с депарафинизацией или без нее.


Сырьем установки является сырая нефть которая должна соответствовать требованиям ГОСТ 9965-76 и иметь следующие физико-химические показатели (табл. 1)

Физико-химические показатели нефти. Таблица 1

п/п

Наименование показателя

Норма для групп

Сырье

I

II

III

приход

обработанное

1.

Концентрация хлористых солей, мг/дм3 не более

100 300 900 39.3 5.3
2.

Массовая доля воды, % не более

0.5 1.0 1.0 0.12 отс.
3.

Массовая доля механических примесей, % не более

0.05 0.05 0.05 0.048
4.

Давление насыщенных паров, кПа (мм.рт.ст.) не более

66.7

(500)

66.7

(500)

66.7

(500)




Классификация нефтей на классы и типы. Таблица 2

п/п

Показатели

Норма

Сырье

1. Массовая доля общей серы, %

1 – малосернистые

до 0.60

2 – сернистые

0.61 – 1.80 0.99

3 – высокосернистые

более 1.80
2.

Плотность при 20С, кг/см3



1 – легкие

до 850

2 – средние

851 – 885 880

3 – тяжелые

более 885

В зависимости от массовой доли серы-нефти, от плотности при 20С подразделяют на классы и типы, которые приведены в таб.2.

По содержанию фракций до 350 °С нефти делятся на три типа (Лянторской – 44,7%):

  • Т1—не менее 45%;

  • Т2—30—44,9%;

  • Т3— менее 30%.

По потенциальному содержанию базовых масел все нефти де­лятся на четыре группы (Лянторской – 21%):

  • М1—не менее 25% в расчете на нефть;

  • М2— 15—25% в расчете на нефть и не менее 45% в расчете на ма­зут;

  • М3—15—25% в расчете на нефть и 30—45% в расчете на мазут;

  • М4—менее 15% в расчете на нефть.

Кроме того, все нефти делятся по качеству базовых масел, оце­ниваемому индексом вязкости, еще на две подгруппы (Лянторской – 79):

  • И1 — индекс вязкости выше 85;

  • И2 — индекс вязкости 40—85.

По содержанию парафина нефти делятся на три вида (Лянторской – 2,4%):

  • П1—мало парафиновые (не выше 1,5%);

  • П2—парафиновые (1,51—6,0%);

  • П3—высоко парафиновые (более 6%).

Кроме того, указывается для каждого вида, какие продукты можно получать без депарафинизации или с применением депарафинизации. Так, из нефти, отнесенной к виду П1 можно получать реактивное топливо, дизельное зимнее топливо и дистиллятные базовые масла без депарафинизации.

Краткая характеристика некоторых нефтей СССР. Таблица 3

Месторождение

Содержание, вес. %

Коксуемость1

вес. %


Выход фракций

бъемн.,

%

серы

смол

асфальтенов

парафинов

до

200 °С

до

300 °С

ДО

350 °С

Биби-Эйбатское (Баку) 0,18 18 0,5 1,7 21,4 47,7
Ново-грозненское 0,20 4,5 0,9 9,0 21,9 38,9
Яринское (Пермская область) 0,54 6,17 Отсут­ствие 5,5 1,28 30,8 49,0

Западно-Тэбукское

(Коми АССР)

0,7 13.7 1,54 3,75 3,71 25,5 49.5
Арланское (Башкирская АССР) 2,84 20,3 5,2 4,7 7,7 18,0 39,7
Ромашкинское (Татар­ская АССР) 1,62 11,60 4,16 4,97 5,85 22,4 46,0
Усть-Балыкское (Западная Сибирь) 1,77 15,44 2,56 1,24 4,43 18,5 42,3
Самотлорское (Запад­ная Сибирь) 0,92 10,2 1,67 2,4 30,0 60,2

Лянторская

0,99 13,2 2,8 2,4 17,22 32,04 40,34
Охинское (Сахалин) 0,3 17,2 1,33 0,92 3,65 7,2 40,5
Долинское (УССР) 0,45 13,0 0,4 4,0 31,1 50,2

Речицкое (Белорусская

ССР)

0,32 7,04 0.11 9,51 2,6 26,4 52,2
Котур-Тэпе (Туркмен­ская ССР) 0,27 6,4 0,73 6,45 2.76 17,9 46,7
Жетыбайское (Мангышлак) 0,2 11,0 0,3 20,1 1,79 19,5 40,5

Используя эту классификацию, для любой промышленной нефти можно составить шифр. Так например, Лянторская нефть получает шифр IIТ2М3И2П2.

Физико-химическая характеристика Лянторской нефти. Таблица 4

п/п

Наименование показателей

Значение

1.

Плотность при 20С, г/см3

0.8943
2. Содержание серы, % масс. 1.11
3.

Вязкость при 20С см2/сек

35.84
4. Молекулярная масса 281
5.

Вязкость при 50С см2/сек

11.75
6.

Температура застывания, С:


с обработкой

-40

без обработки

-39
7. Содержание соединений, % масс.

парафинов

2.4

асфальтенов

2.8

селикагелевых смол

13.2

Фракционный состав и физический свойства сырья. Таблица 5

Температура кипения фракции при 760 мм.рт.ст.

Выход на нефть, % вес.

Плотность г/см3

Молекулярная масса

отдельных фракций

суммарный

C3H8

0,02 0,02
44

i-C4H10

0,06 0,08 0,5572 58

n-C4H10

0,04 0,12 0,5788 58

i-C5H12

0,33 0,45 0,6196 72

n-C5H12

0,10 0,55 0,6262 72
36-62 0,32 0,87 0,6670
62-70 0,83 1,70 0,6921
70-80 0,70 2,40 0,7164
80-90 1,23 3,63 0,7263
90-100 1,25 4,88 0,7391
100-110 1,25 6,13 0,7506 108
110-120 1,06 7,19 0,7528 111
120-130 1,37 8,50 0,7639 115
130-140 1,41 9,97 0,7742 118
140-150 1,09 11,06 0,7825 125
150-160 1,28 12,34 0,7901 129
160-170 1,27 13,61 0,7966 135
170-180 1,17 14,78 0,8046 142
180-190 1,12 15,90 0,8126 148
190-200 1,32 17,22 0,8188 155
200-210 1,40 18,62 0,8341 158
210-220 1,11 19,73 0,8407 170
220-230 1,27 21,00 0,8457 180
230-240 1,38 22,38 0,8497 185
240-250 1,51 23,89 0,8541 194
250-260 1,53 25,42 0,8591 202
260-270 1,78 27,20 0,8593 210
270-280 1,51 28,71 0,8672 221
280-290 1,46 30,17 0,8676 230
290-300 1,87 32,04 0,8684 237
300-310 1,60 33,64 0,8688 244
310-320 1,73 35,73 0,8757 259
330-340 1,87 38,81 0,8957 280
340-350 1,53 40,34 0,8963 291
350-360 1,54 41,88 0,8990 295
360-370 1,61 43,49 0,9006 305
370-380 1,74 45,23 0,9038 314
380-390 1,49 46,72 0,9054 322
390-400 1,70 48,42 0,9055 334
400-425 5,90 54,32 0,9168 370
425-450 5,30 59,62 0,9231 401
450-475 4,70 64,32 0,9304 425
475-500 3,35 67,67 0,9376 450
500-выше 32,33 100,0 0,9936 768

По шифру нефти легко составить представление о наиболее рациональных путях ее переработки и о, возможности замены ею ранее применявшейся нефти в данном технологическом процессе.

В табл. 3 приводится выборочный справочный материал, ха­рактеризующий некоторые промышленные нефти СССР.

В качестве исходных данных для расчетов при проектировании установки первичной переработки нефти и получения битума были использованы следующие физико-химические показатели, фракционный состав и физические свойства Лянторской, нефти приведенных в табл.3, табл.4.

1.2.Нефтепродукты

Нефтеперерабатывающая промышленность выпускает более 500 различных нефтепродуктов [4].

Среди них прежде всего следует выделить основные группы, резко различающиеся по составу и свойствам:

I—жидкое топли­во;

II—смазочные и специальные масла;

III—консистентные смазки;

IV—парафины и церезины;

V—битумы;

VI—сажа;

VII— нефтяной кокс;

VIII — нефтяные кислоты и их соли;

IX—присад­ки к топливам и маслам;

X—прочие нефтепродукты (осветитель­ные керосины, растворители, ароматические углеводороды, смазочно-охлаждающие жидкости и др.).

Остановимся вкратце на назначении и ассортименте некоторых нефтепро­дуктов из этих групп.

1.2.1.Карбюраторное топливо

Карбюраторное топливо—авиационные и автомобиль­ные бензины, тракторный керосин — для двигателей с зажиганием от искры [5].

Авиационные бензины представляют собой смеси бензинов пря­мой гонки, каталитического крекинга и высокооктановых компо­нентов (алкилбензол, технический изооктан и другие) с добавкой антидетонационных и антиокислительных присадок. Выпускаются следующие марки: бензин БА, Б-100/1302, Б-91/115, Б-95/130, Б-70 (без ТЭС3). Их фракционный состав 40—180°С.

Автомобильные бензины — смеси бензинов прямой гонки, тер­мического и каталитического крекинга, каталитического риформинга. Их маркировка: А-66, А-72, А-76, АИ-93, АИ-98. Для пер­вых трех цифры обозначают октановые числа по моторному методу, а для двух последних—по исследовательскому. Бензин марки А-72 выпускается без добавки ТЭС, а в остальные ТЭС вво­дится в количестве от 0,41 до 0,82 г/кг бензина. Начало кипения этих бензинов не ниже —35 °С, а конец кипения 205 °С для А-66, для других 185—195°С.

Тракторный керосин—смесь дистиллятов прямой гонки и тер­мического крекинга фракционного состава примерно 100—300 °С. Выпускаются две марки с октановыми числами 40 и 45.

Топливо для реактивных двигателей (авиакеросины) имеет в основном прямогонное происхождение. Марки Т-1, ТС-1, Т-2, Т-5, Т-6, Т-7, Т-8, РТ. Топлива отличаются друг от друга по фракционному составу, содержанию общей и меркаптановой серы. Авиакеросины должны иметь температуру застывания не выше —60 °С.

Эксплуатационные свойства карбюраторных топлив. Авиационные и автомобильные поршневые двигатели внутрен­него сгорания с принудительным воспламенением от искры рабо­тают по четырехтактному циклу. В первом такте (всасывание) топливно-воздушная рабочая смесь заполняет цилиндр двигателя и нагревается к концу такта в двигателях, работающих на бензине, до 80—130°С и до 140— 205 °С — в работающих на керосине.

Во втором такте (сжатие) давление смеси возрастает до 10— 12 ат, а температура—до 150—350 °С. В конце хода сжатия с не­которым опережением смесь воспламеняется от электрической ис­кры. Хотя время сгорания топлива очень мало — тысячные доли секунды, но оно все же сгорает постепенно, по мере продвижения фронта пламени по камере сгорания (фронтом пламени называ­ется тонкий слой газа, в котором протекает реакция горения). При нормальном сгорании фронт пламени распространяется со ско­ростью 20—30 м/сек. Температура сгорания достигает 2200— 2800°С, а давление газов сравнительно плавно возрастает до 30— 50 ат в автомобильных двигателях и до 80 ат в авиационных.

В третьем такте (рабочий ход) реализуется энергия сжатых продуктов сгорания, и во время четвертого такта цилиндр двига­теля освобождается от продуктов сгорания.

В поршневых авиационных и автомобильных двигателях в ка­честве топлива применяются бензины. Важнейшее эксплуатацион­ное требование к ним — обеспечение нормального бездетонацион­ного сгорания в двигателях, для которых они предназначены.

Детонацией называется особый ненормальный характер сгора­ния топлива в двигателе, при этом только часть рабочей смеси по­сле воспламенения от искры сгорает нормально с обычной скоро­стью. Последняя порция топливного заряда (до 15—20%), нахо­дящаяся перед фронтом пламени, мгновенно самовоспламеняется, в результате скорость распространения пламени возрастает до 1500—2500 м/сек, а давление нарастает не плавно, а резкими скач­ками. Этот резкий перепад давления создает ударную детонаци­онную волну. Удар такой волны о стенки цилиндра и ее много­кратное отражение от них приводит к вибрации и вызывает ха­рактерный металлический стук, являющийся главным внешним признаком детонационного сгорания. Другие внешние признаки детонации: появление в выхлопных газах клубов черного дыма, а также резкое повышение температуры стенок цилиндра. Детонация — явление очень вредное. На детонационных режимах мощ­ность двигателя падает, удельный расход топлива возрастает, ра­бота двигателя становится жесткой и неровной. Кроме того, дето­нация вызывает прогорание и коробление поршней и выхлопных клапанов, перегрев и выход из строя электрических свечей и другие неполадки. Износ двигателя ускоряется, а межремонтные сроки укорачиваются. При длительной работе на режиме интенсивной детонации возможны и аварийные последствия. Особенно опасна детонация в авиационных двигателях.

Явление детонации с химической точки зрения объясняется пе­ренасыщением последней части топливного заряда первичными продуктами окисления углеводородов — гидроперекисями и про­дуктами их распада — высокоактивными свободными радикалами, которые при достижении определенной концентрации реагируют со скоростью взрыва. В результате вся несгоревшая часть горю­чей смеси мгновенно самовоспламеняется. Очевидно, чем выше скорость образования перекисей в данной рабочей смеси, тем ско­рее возникает взрывное сгорание, тем раньше нормальное распро­странение фронта пламени перейдет в детонационное и последст­вия детонации скажутся сильнее. Отсюда следует, что основным фактором, от которого зависит возникновение и интенсивность детонации, является химический состав топлива, так как известно, что склонность к окислению у углеводородов различного строения при сравнимых условиях резко различна.

Если в топливе преобладают углеводороды, не образующие в условиях предпламенного окисления значительного количества пе­рекисей, то взрывного распада не произойдет, смесь не перенасы­тится активными частицами и сгорание будет проходить с обычны­ми скоростями, без детонации.

Оценка детонационной стойкости (ДС) [11] или антидетонационных свойств углеводородов и топлив проводится на стационарных од­ноцилиндровых двигателях. В основе всех методов оценки ДС ле­жит принцип сравнения испытуемого топлива со смесями эталон­ных топлив. В качестве последних выбраны 2,2,4-триметилпентан (изооктан) и гептан, а за меру детонационной стойкости принято октановое число.

Октановым числом называется условная единица измерения де­тонационной стойкости, численно равная процентному (по объему) содержанию изооктана (2,2,4-триметилпентана) в его смеси с гептаном, эквивалентной по детонационной стойкости испытуемому топливу при стандартных условиях испытания.

Октановое число изооктана принято равным 100, а гептана — 0. Следовательно, если испытуемый бензин оказался эквивалент­ным в стандартных условиях испытания смеси, состоящей, напри­мер, из 70% изооктана и 30% гептана, то его октановое число равно 70. Октановое число—нормируемый показатель детонацион­ной стойкости автомобильных бензинов, а также авиационных бензинов при работе на бедных смесях и без применения над­дува.

Для оценки ДС авиационных бензинов при работе двигателя на богатых смесях и с применением наддува нормируемым пока­зателем служит сортность топлива.

Сортность топлива на богатой смеси — это характеристика, по­казывающая величину мощности двигателя (в процентах) при ра­боте на испытуемом топливе по сравнению с мощностью, полу­ченной на эталонном изооктане, сортность которого принимается за 100.

Октановые числа определяются на специальных испытатель­ных установках при строго стандартных условиях. Имеется не­сколько методов определения октановых чисел, отличающихся друг от друга режимом испытания. В Советском Союзе оценка топлив ведется по моторному и исследовательскому мето­ду. Октановые числа, определенные по исследовательскому мето­ду, для некоторых бензинов на несколько единиц выше. Поэтому, когда приводятся данные по октановым числам, всегда надо ого­варивать метод их определения.

Одним из путей повышения детонационной стойкости топлив для двигателей с зажиганием от искры является применение анти­детонаторов. Это вещества, которые добавляют к бензинам в коли­честве не более 0,5% с целью значительного улучшения антиде­тонационных свойств.

Достаточно эффективным, применяемым во всех странах, ан­тидетонатором является тетраэтилсвинец (ТЭС) Pb(С2Н5)4, ко­торый уже при 200—250 °С [13] легко распадается на свинец и свобод­ные радикалы (этил), присутствие которых в топливно-воздушной среде замедляет образование перекисей в предпламенный период. Это приводит к снижению их концентрации перед фронтом пла­мени, и, следовательно, переход нормального сгорания в детона­ционное затрудняется. В свою очередь, и атомарный свинец уже при более высоких температурах, т. е. на более поздней стадии процесса горения, дезактивирует различные частицы, образующие­ся при бурном распаде перекисей. Это также приводит к ослабле­нию детонации.

В чистом виде ТЭС применять нельзя, так как на клапанах, свечах и стенках цилиндра накапливаются свинец и окись свинца, что конечно нарушает работу двигателя. Для удаления свинцови­стого нагара к ТЭС добавляют так называемые выносители свин­ца — различные галогеналкилы. При термическом разложении по­следние выделяют галогенводород или галоген. Они образуют со свинцом и окисью свинца соли, которые при высоких температу­рах двигателя находятся в парообразном состоянии:

3C2H5Br 2C2H4 + 2HBr

PbO + 2HBr  PbBr2 + H2O

Pb + 2HBr  PbBr2 + H2O

Эти соли вместе с выхлопными газами благодаря своей лету­чести выводятся из цилиндра двигателя. В качестве выносителей применяются дибромэтан, бромистый этил, -монохлорнафталин, дибромпропан. Смесь ТЭС, выносителей и красителя называется этиловой жидкостью.

ТЭС, а следовательно, и этиловая жидкость очень ядовиты: при обращении с ней и содержащими ее этилированными бензинами необходимо соблюдать специальные правила предосторож­ности. Чтобы легче отличать этилированные бензины, этиловую жидкость подкрашивают. Добавляется этиловая жидкость к бен­зинам в количестве от 1,5 до 4 мл на 1 кг топлива. Добавление этиловой жидкости свыше 4 мл/кг уже не приводит к дальнейшему повышению октановых чисел, но вызывает усиленное отложение свинцовистого нагара [13].

Октановые числа индивидуальных углеводородов. Таблица 6

Алканы

ОЧ


Алкены

ОЧ

Бутан 92
Пентен-1 77
Изобутан 99
Гексен-1 63
Пентан 62
2,3-Диметилбутен-1 81
2-Метилбутан 90
Октен-1 35
Гексан 26
Октен-2 56
2-Метилпентан 74
Октен-3 68
2,2-Диметилбутан (неогексан) 93
Октен-4 74
3,3-Диметилбутан 94
2,2,4-Триметилпентен-2 55
Гептан 0
2,2,4-Триметилпентен-1 86
2,2-Диметилпентан 89


2.2,3-Триметилбутан (триптан) 104


Октан -20


2.3-Диметилгексан . . 79


2,3,4-Триметилпентан 96


2,2,4-Триметилпентан



(эталонный изооктан) 100


2,2,3-Триметилпентан >100



Цикланы

ОЧ


Ароматические

углеводороды

ОЧ

Циклопентан 87

Бензол

106

Метилциклопентаи

80

Толуол

103

Этплциклопентан

61

Этилбензол

98

Пропилциклопентан

28

п-Ксилол

103

Изопропилциклопептан

76

м-Ксилол

103
Цпклогексан 77

о-Ксилол

100

Метилциклогексан

72

Пропилбензол

99

Этилциклогексан

45

Изопропилбензол (кумол)

100
Декалин 38

1,3,5-Триметилбензол (мезитилен)

100

Бензины различного химического состава по-разному относят­ся к добавке ТЭС, т. е. обладают, как говорят, различной приеми­стостью к. ТЭС. Приемистость к ТЭС оценивается числом единиц, на которое увеличивается октановое число данного топлива или углеводорода при добавлении определенного количества ТЭС по сравнению с октановым числом этого топлива в чистом виде, т. е. без антидетонатора. Наибольшая приемистость к ТЭС у парафи­новых углеводородов нормального строения, наименьшая—у не­предельных и ароматических углеводородов.

Изучение детонационной стойкости индивидуальных углеводо­родов позволило установить зависимость этого важного свойства от химического строения углеводородов и имело большое значе­ние для подбора и создания различных сортов горючего для раз­нообразных двигателей.

Выше (табл. 6) приведены октановые числа некоторых индивидуальных углеводородов, определенные по моторному методу (без ТЭС).

Как видно из представленных данных, октановые числа неко­торых углеводородов могут оказаться ниже 0 и выше 100. В пер­вом случае это означает, что их ДС ниже, чем у гептана, а во втором — выше, чем у изооктана.

При оценке ДС товарных бензинов и компонентов, имеющих октановые числа выше 100, в качестве эталонных топлив исполь­зуют смеси чистого изооктана с различным количеством ТЭС [68].

Для отдельных групп углеводородов, входящих в состав бен­зинов можно сделать следующие краткие выводы об их ДС.

Алканы нормального строения. Начиная с пентана углеводо­роды этого ряда характеризуются очень низкими октановыми чис­лами, причем чем выше их молекулярный вес, тем октановые чис­ла ниже. Существует почти линейная зависимость ДС от молеку­лярного веса.

Алканы разветвленного строения (изопарафины). Разветвление молекул предельного ряда резко повышает их ДС. Так, например, у октана октановое число —20, а у 2,2,4-триметилпентана 100. Наибольшие октановые числа отмечаются для изомеров с парными метильными группами у одного углеродного атома (неогексан, триптан, эталонный изооктан), а также у других триметильных изомеров октана.

Благодаря высоким антидетонационным свойствам изопарафины С5—С8—весьма желательные компоненты бензинов.

Алкены (моноолефины}. Появление двойной связи в молекуле углеводородов нормального строения вызывает значительное по­вышение ДС по сравнению с соответствующими предельными угле­водородами.

Цикланы (нафтеновые углеводороды}. Первые представители рядов циклопентана и циклогексана обладают хорошей ДС; осо­бенно это относится к циклопентану. Их приемистость к ТЭС так­же достаточно высока. Эти углеводороды являются ценными со­ставными частями бензинов. Наличие боковых цепей нормального строения в молекулах как циклопентановых, так и циклогексановых углеводородов, приводит к снижению их октанового числа. При этом чем длиннее цепь, тем ниже октановые числа. Разветв­ление боковых цепей и увеличение их количества повышает ДС цикланов.

Ароматические углеводороды. Почти все простейшие аромати­ческие углеводороды ряда бензола имеют октановые числа ~ 100 и выше. Ароматические углеводороды и ароматизированные бензины наряду с разветвленными алканами—лучшие компоненты вы­сокосортных бензинов. Однако содержание ароматических углево­дородов в бензинах следует ограничивать примерно до 40—50%. Чрезмерно ароматизованное топливо повышает общую температуру сгорания, что влечет за собой увеличение теплонапряженности двигателя, а также может вызвать так называемое калильное за­жигание—самопроизвольное воспламенение рабочей смеси за счет раскаленных частичек нагара. Это очень вредное явление, которое может вызвать аварийное повреждение двигателя.

Итак, основным качественным показателем карбюраторных топлив является их высокая детонационная стойкость. Лучшие сорта автомобильных бензинов должны иметь октановые числа по исследовательскому методу 93—98 пунктов.

Помимо высокой ДС к карбюраторным топливам предъяв­ляются следующие основные требования.

Фракционный состав топлива должен обеспечивать его хоро­шую испаряемость, легкий запуск двигателя даже при низких температурах, быстрый прогрев двигателя и хорошую его приеми­стость к переменам режима. Поэтому важнейшим техническим показателем бензинов и керосинов являются данные стандартной разгонки, при которой отмечают: температуру начала кипения; температуры, при которых отгоняются 10, 50, 90 и 97,5 объемн. % от загрузки; остаток (в %) и иногда конец кипения. 10%-ная точ­ка определяет пусковые свойства топлива, 50%-ная точка быст­роту прогрева двигателя, 90%- и 97,5%-ные точки и конец кипения характеризуют полноту испарения и равномерное распределение топлива по цилиндрам [15].

Топливо не должно образовывать газовых пробок в топливоподающей системе. Для обеспечения этого требования в бензи­нах контролируется давление насыщенных паров при 38° С, кото­рое не должно превышать 360 мм рт. ст. для авиационных бензи­нов, 500 мм рт. ст. для летних сортов и 700 мм рт. ст. для зимних сортов автомобильных бензинов.

Топливо должно быть химически стабильным и не содер­жать смол. Бензины термического крекинга и коксования содержат непредельные углеводороды, склонные при хранении окисляться и полимеризоваться. Этот процесс получил название смолообразо­вания. Выпадение смол резко ухудшает эксплуатационные свой­ства топлив, способствует отложению нагаров в цилиндрах дви­гателей и на клапанах. Для повышения химической стабильности топлив вторичного происхождения к ним добавляются антиокис­лительные присадки (ингибиторы). Применение антиокислителей позволяет значительно затормозить реакции окисления. Это имеет большое практическое значение, так как позволяет увели­чить сроки хранения топлив. В качестве антиокислителей предложено очень много разнооб­разных органических веществ. Среди них фенолы, полифенолы, алкилфенолы, аминофенолы и др. К наиболее распространенным антиокислительным присадкам, добавляемым к бензинам и керосинам, относятся:

  • древесно-смольный антиокислитель (ДСА), представляющий собой смесь полифенолов и их диметиловых эфиров; ДСА добав­ляется к автомобильным бензинам в количестве 0,05—0,15% почти на всех нефтеперерабатывающих заводах СССР;

  • ФЧ-16—смесь полифенолов из каменноугольной смолы. Этот ингибитор выпускается с 1968 г. и рекомендуется к примене­нию в количестве 0,05—0,065%;

  • синтетические ингибиторы 2,4-диметил-б-трег-бутилфенол (топанол А) (I), 2,6-ди-трег-бутил-4-метилфенол (ионол, топанол 0) (II), п-оксидифениламин (ПОДФА) (III), добавляемые в ты­сячных и сотых долях процента:

К
числу наиболее сильнодействующих антиокислителей при­надлежит также N,N’-ди-втор-бутил-п-фенилендиамин (ФДА):

Механизм действия антиокислителей в общем виде заключается в том, что молекулы присадки обрывают цепные реакции окисле­ния.

О химической стабильности топлив судят либо по содержанию фактических смол (в мг на 100 мл), либо по длительности индук­ционного периода (в мин).

И
ндукционным периодом
называется время (в мин], в течение которого бензин в условиях испытания в бомбе под давлением 7 кгс/см2 кислорода при 100° С практически не поглощает кисло­рода. Об этом судят по кривой давления кислорода в бомбе во время испытания. По окончании индукционного периода скорость окисления резко возрастает, кислород начинает расходоваться, а давление в бомбе снижаться. Нормами на автомобильные бензины длительность индукционного периода установлена для раз­ных сортов от 450 до 900 мин.

4. Топливо не должно вызывать коррозии деталей двигателя. Это контролируют по следующим нормируемым показателям каче­ства: кислотность, общее содержание серы, содержание водораст­воримых кислот и щелочей (должны отсутствовать), присутствие активных сернистых соединений (испытание по изменению цвета поверхности медной пластинки).

5. Авиационные топлива не должны застывать и выделять кри­сталлы при температуре выше —60° С.

Физико-химические свойства бензинов должны соответствовать требованиям ГОСТ 2084-77, представленным в табл. 7.


Физико-химические свойства бензинов. Таблица 7

п/п

Наименование показателей

Значение для марки

Метод

испытания

А-72

А-76

АИ-93

АИ-95

а

а

б

а

б

а

ОКП-02

5112 0401

ОКП-2 5112 0501

ОКП-2 5112 0502

ОКП-2 5112 0601

ОКП-2 5112 0602

ОКП-2 5112 0300

1. Детонационная стойкость – октановое число:






по моторному методу

72 76 76 85 85 85 ГОСТ 511-82

по исследовательскому методу

не нормируется 93 95 95 ГОСТ 8226-82
2.

Концентрация свинца, г/дм3

0,013 0,013 0,17 0,013 0,37 0,013 ГОСТ 2177-82
3.

Фракционный состав

летнего/зимнего:








начало кипения

35/- 35/- 35/- 35/- 35/- 30/-

10%

70/55 70/55 70/55 70/55 70/55 75/55

50%

115/100 115/100 115/100 115/100 115/100 120/100

90%

180/160 180/160 180/160 180/160 180/160 180/160

конец кипения

195/185 195/185 195/185 195/185 195/185 205/195

остаток, %

1,5 1,5 1,5 1,5 1,5 1,5

остаток и потери, %

4,0 4,0 4,0 4,0 4,0 4,0
4.

Давление насыщенных паров бензина, кПа (мм.рт.ст.):








летнего

66,7 (500)

зимнего

66,7-93,3 (500-700)
5.

Кислотность, мг КОН на 100 см3

3,0 1,0 3,0 0,8 3,0 2,0 ГОСТ 11362-76
6.

Концентрация фактических смол, мг на 100 см3 бензина:









на месте производства

5,0 3,0 5,0 - 5,0 5,0 ГОСТ 1567-83

на месте потребления

10,0 8,0 10,0 5,0 7,0 -
7.

Индукционный период бензина на месте производства, мин

600 1200 900 1200 900 900 ГОСТ 19121-73
8. Массовая доля серы, % 0,10 0,10 0,10 0,10 0,10 0,10
9. Испытание на медной пластинке выдерживает ГОСТ 6321-92
10. Водорастворимые кислоты и щелочи отсутствие ГОСТ 6307-75
11. Механические примеси и вода отсутствие
12. Цвет - - желтый - оранж - визуально
13.

Плотность при 20С, кг/м3

не нормируется ГОСТ 3900-85
14. Тяжелые углеводороды отсутствие

Примечание:

  1. Для городов и районов, а также предприятий, где Главным санитарным врачом запрещено применение этилированных бензинов, предназначаются только неэтилированные бензины.

  2. Допускается вырабатывать бензин, предназначенный для применения в южных районах, со следующими показателями по фракционному составу:

  • 10% перегоняется при температуре не выше 75С;

  • 50% перегоняется при температуре не выше 120С,

  1. Для бензинов, изготовленных с применением компонентов каталитического риформинга, допускается температура конца кипения бензина летнего вида – не выше 205С, бензина зимнего вида – не выше 195С.

  2. Автомобильные этилированные бензины, предназначенные для экспорта, изготовляют без добавления красителя. Допускается бледно-желтая краска. Концентрация свинца в них не должна превышать 0,15 г/дм3. Массовая доля меркаптановой серы по ГОСТ 17323-71 – не более 0,001%.


Физико-химические показатели, которыми обладает бензиновая фракция получаемая на установке первичной переработки нефти и получения битума представлены в табл. 8.

1.2.2.Дизельное топливо

Дизельное топливо—для двигателей с зажиганием от сжатия. В эту подгруппу входят следующие виды топлив:

Топливо для быстроходных дизелей фракционного состава при­мерно 180—350°С. Выпускаются марки ДА и А (арктические), АЗ и 3 (зимние), ДЛ и Л (летние), ДС и С (специальные). Они различаются по температуре застывания (—60—10 °С) и содер­жанию серы.

Топливо моторное для среднеоборотных и малооборотных дви­гателей. Две марки ДТ, ДМ.

Топливо для тепловозных и судовых двигателей следующих марок: ТЗ (зимнее), ТЛ (летнее). По фракционному составу это более высококипящие фракции (50%—275—290 °С; 98%—340— 360°С).


Физико-химическая характеристика бензиновой фракции. Таблица 8

п/п

Наименование показателя

Значение

1. Детонационная стойкость – октановое число:

по исследовательскому методу

62
2.

Концентрация свинца, г/дм3

-
3.

Фракционный состав

летнего/зимнего:


начало кипения

35

10%

76

50%

120

90%

163

конец кипения

185

остаток, %

1,02

остаток и потери, %

3,5
4.

Давление насыщенных паров бензина, кПа (мм.рт.ст.):

(323)
5.

Кислотность, мг КОН на 100 см3

0,5
6.

Концентрация фактических смол, мг на 100 см3 бензина

-
7.

Индукционный период бензина на месте производства, мин

600
8. Массовая доля серы, % 0,04
9. Испытание на медной пластинке выдерживает
10. Водорастворимые кислоты и щелочи -
11. Механические примеси и вода -
12. Цвет желтый
13.

Плотность при 20С, кг/м3

732
14. Тяжелые углеводороды -

Котельное топливо — флотские и топочные мазуты (марки ф5, ф12, 40, 100, 200) и топливо для локомотивных газотурбинных дви­гателей. Они различаются по вязкости и температуре застывания.

В 1970 г. были впервые утверждены также технические условия на печное топливо для битовых и технических целей (марки А, Б, В). Их примерный фракционный состав 100—300—360 °С.

К группе топлив следует отнести также горючие газы. Их клас­сифицируют следующим образом:

  • газ для коммунально-быто­вого потребления;

  • газы сжатые для газобаллонных автомоби­лей;

  • газы углеводородные сжиженные топливные (пропан тех­нический, бутан технический, смесь пропана и бутана).

Эксплуатационные свойства дизельных топлив. В двигателях внутреннего сгорания с воспламенением от сжа­тия, называемых дизелями, четырехтактный рабочий процесс про­текает несколько иначе, чем в двигателях с зажиганием от искры [15]. В дизельном двигателе в первых двух тактах засасывается и сжи­мается чистый воздух. Температура воздуха в конце хода сжатия достигает 550—650° С, а давление возрастает до 40 ат. В конце хода сжатия в сжатый и нагретый воздух впрыскивается в тече­ние определенного времени под большим давлением порция топ­лива. Мельчайшие капельки топлива переходят в парообразное состояние и распределяются в воздухе. Через определенный весьма незначительный момент времени топливо самовоспламеняется и полностью сгорает. Время между началом впрыска и воспламене­нием топлива называется периодом задержки самовоспламенения. В современных быстроходных двигателях этот период не более 0,002 сек. В результате сгорания топлива давление газов дости­гает 60—100 ат. Весьма важным для обеспечения плавной, нор­мальной работы двигателя является скорость нарастания давления газов. Из практики известно, что эта скорость не должна превы­шать 5 ат на 1° угла поворота коленчатого вала. В противном слу­чае двигатель начинает стучать, работа его становится «жесткой», а нагрузка на подшипники чрезмерной. Появление стуков и жест­кая работа двигателя тесно связаны с длительностью периода задержки самовоспламенения. Чем продолжительнее этот период, тем большее количество топлива успеет поступить в цилиндр дви­гателя. В результате—одновременное воспламенение повышен­ного количества топлива приводит к взрывному характеру сгора­ния, и давление газов будет нарастать скачкообразно. В двух последующих тактах: рабочий ход и выхлоп—происходит рабочее расширение газов и освобождение цилиндра двигателя от продук­тов сгорания.

В качестве топлива для быстроходных дизелей применяются керосиногазойлевые фракции нефти. Для тихоходных и стацио­нарных двигателей этого типа с малым числом оборотов приме­няется более тяжелое топливо типа мазутов.

Наиболее существенное эксплуатационное свойство дизельных топлив—их способность быстро воспламеняться и плавно сгорать, что обеспечивает нормальное нарастание давления и мягкую работу двигателя без стуков. Воспламенительные свойства топлив зависят от их химического и фракционного состава. Очевидно, что это, в первую очередь, связано с температурой самовоспламенения компонентов топлива. Известно, например, что ароматические уг­леводороды имеют очень высокие температуры воспламенения (500—600° С). Ясно, что сильноароматизованные продукты непри­емлемы в качестве дизельного топлива. Наоборот, парафиновые углеводороды имеют самые низкие температуры самовоспламене­ния, и дизельные топлива из парафинистых нефтей обладают хо­рошими эксплуатационными свойствами.

Оценка воспламенительных свойств углеводородов и топлив, так же как и детонационной стойкости бензинов, проводится мето­дом сравнения на лабораторных испытательных установках с эта­лонными топливами.

По аналогии с октановыми числами для оценки моторных свойств дизельных топлив приняты цетановые числа.

Цетановым числом называется содержание (в объемн. %) цетана в смеси с -метилнафталином, эквивалентной по самовоспла­меняемости испытуемому топливу, при сравнении топлив в стан­дартных условиях испытания [14].

Цетановое число самого цетана (гексадекана) С16Н34 принято равным 100, а -метилнафталина—0. Определение цетановых чи­сел проводится на стандартной одноцилиндровой установке с ди­зельной головкой по так называемому методу совпадения вспышек. Цетановые числа дизельных топлив нормируются в ин­тервале 40—50 ед.

Цетановое число характеризует не только воспламенительные свойства, оно отражает и некоторые другие эксплуатационные ка­чества дизельного топлива: чем выше цетановое число дизельного топлива, тем лучше его пусковые свойства, тем менее длителен пе­риод задержки самовоспламенения, больше полнота сгорания топ­лива, меньше задымленность выхлопных газов и склонность топ­лива к отложениям нагаров в камере сгорания и в фор­сунках.

Самые низкие цетановые числа характерны для ароматических углеводородов, особенно бициклических. Цикланы и бицикланы занимают промежуточное положение. Наибольшими цетановыми числами обладают алканы нормального строения. Разветвление молекул алканов приводит к значительному снижению цетановых чисел. Введение двойной связи в молекулу углеводорода также вызывает понижение цетанового числа.

Характеристика дизельного топлива. Таблица 9

п/п

Наименование показателей

Норма для марки ДТ

по ГОСТ 305-82

Продукция ЦППНиПБ

дизтопливо летнее

дизтопливо зимнее

дизтопливо

1. Цетановое число 45 45 45 45
2. Фракционный состав:



50% перегоняется при температуре, С

280 280 255 247

96% перегоняется при температуре, С

360 340 330 331
3.

Вязкость кинематическая при 20С, сСт

3,0-6,0 1,8-5,0 1,5-4,0 3,64
4.

Температура застывания для умеренной/холодной климатической зоны, С

-10/- -35/-45 -/-55 -38
5.

Температура помутнения для умеренной/холодной климатической зоны, С

-5/- -25/-35 -/- -27
6.

Температура вспышки в закрытом тигле для судовых дизелей/для дизелей общего назначения, С

62/40 40/35 35/30 37
7. Массовая доля серы в топливе вид I/вид II 0,2/0,5 0,2/0,5 0,2/0,4 0,28
8. Содержание сероводорода отсутствует
9. Массовая доля меркаптановой серы, % 0,01 0,01 0,01 -
10. Испытание на медной пластинке выдерживает
11. Содержание водорастворимых кислот и щелочей отсутствует
12. Содержание мех. примесей отсутствует
13.

Содержание фактических смол на 100 мл топлива, мг

0,40 0,30 0,30 -
14.

Кислотность мг КОН на 100 мл

5 5 5 2,81
15.

Йодное число г. йода на 100 мл топлива

6 6 6 0,02
16. Зольность, % 0,01 0,01 0,01 0,015
17. Коксуемость 10% остатка, % 0,20 0,30 0,30 -
18. Коэффициент фильтруемости 3 3 3 -
19. Содержание воды отсутствует.
20.

Плотность при 20С

860 840 830 833
21.

Предельная температура фильтруемости,С

5 - - -

К другим важным эксплуатационным свойствам дизельных топлив для быстроходных дизелей относятся их фракционный со­став, вязкость, температура застывания, коксуемость, содержание серы; кислотность, содержание воды и механических примесей. Все эти показатели подбираются в таких пределах, чтобы обеспечить нормальную бесперебойную подачу топлива в двигатель, полноту сгорания, уменьшение нагарообразования и отсутствие корро­зии. Особенно большое значение имеет температура застывания, варьирующая от —10 °С для летних сортов до —60 °С для аркти­ческого сорта, и содержание серы, которое не должно превышать 0,2% Для всех марок.

Физико-химические свойства дизельного топлива должны соответствовать требованиям ГОСТ 305-82. Данные по ГОСТ и производимого дизельного топлива приведены в табл. 9.


1.2.3.Смазочные и специальные масла.

В эту вторую основную группу включены жидкие дистиллятные и остаточные нефтепро­дукты различной вязкости и степени очистки, предназначенные для обеспечения жидкостной смазки в различных машинах и меха­низмах, а также нашедших разнообразное техническое применение во многих отраслях промышленности [16].

Смазочные масла. Смазочные масла подразделяются на следующие подгруппы:

  • индустриальные масла;

  • масла тур­бинные, компрессорные и для паровых машин;

  • моторные масла;

  • трансмиссионные масла.

Индустриальные масла предназначены для смазки станков, ме­ханизмов и машин, работающих в разнообразных условиях и с раз­личной скоростью и нагрузкой. По величине вязкости их подраз­деляют на легкие (50 = 4  8,5 сст), средние ( = 12  50 сст) и тяжелые (100 = 9  36 сст). Для различных машин и механиз­мов выпускается более 30 марок индустриальных масел: вело­сит, вазелиновое масло, масла для холодильных машин (ХА, ХА-23, ХА-30, ХФ12-18, ХФ22-24, ХФ22с-16), веретенные и машин­ные (марки по вязкости при 50 °С: 12, 20, 30, 45, 50), масла инду­стриальные селективной очистки (марки по вязкости при 50 °С: ИС-12, ИС-20, ИС-30, ИС-45, ИС-50), сепараторные Л и Т, авиа­ционное МС-20С. масло для прессов и прокатных станов П-28, при­борное МВП и др.

Масла турбинные, компрессорные и для паровых машин. В эту подгруппу включены масла, работающие в тяжелых условиях на­грузки, повышенной температуры и воздействия воды, пара и воз­духа.

Турбинные масла предназначены для смазки и охлаждения подшипников паровых и водяных турбин и для заполнения систем регулирования паровых турбогенераторов. Они должны быть ста­бильны против окисления и обладать быстрой скоростью деэмульгацни (8 мин). Выпускаются следующие марки по вязкости при 50 °С: 22м, 22(л), 30(УТ), 46(Т), 57 (турборедукторное).

Компрессорные масла предназначены для смазки цилиндров, клапанов и других движущихся частей воздушных компрессоров и воздуходувок. Это высоковязкие, стабильные против окисления масла. Выпускаются две марки с вязкостью при 100 °С: 12(М) и 19(Т).

Масла для паровых машин (цилиндровые) выпускаются для смазки цилиндров паровых машин, работающих на насыщенном и перегретом паре. Масла цилиндровые с вязкостью при 100 °С 11 и 24 сCт (цилиндровое 2 и вискозин)—для машин с насыщенным паром, тяжелые цилиндровые масла вапор (100 = 36 сCт) и ци­линдровое 6 (100 = 52 сCт)для машин с перегретым паром. Вы­пускаются также судовое масло и масло для судовых газовых турбин.

Моторные масла — в эту подгруппу включены многочисленные сорта масел, применяемых для смазки двигателей внутреннего сго­рания. Они подразделяются на авиационные, автотракторные и дизельные. Обозначение различных марок моторных масел бази­руется на следующих принципах. Первая большая буква, в дан­ном случае «М», указывает на подгруппу, цифры обозначают вяз­кость в ест при 50 или 100 °С, буквы п—масло с отечественной присадкой, и — с иностранной. Буквы С и К указывают на селек­тивную или кислотную очистку. Буквы Л, 3, С—летнее, зимнее, северное масло.

Сравнительно недавно принята новая индексация для марок моторных масел (табл. 10).

Индексация моторных масел. Таблица 10

Вязкость

при 100 °С, ест

Марки масел по группам4

А

Б

В

Г

Д

Е

6±1,0 М6Б М6В
8±1,0 М8Б М8В М8Г
10±2,0 М10А М10Б М10В М10Г
12±1,0 М12Б М12В М12Г М12Д
14±1,0 М14Б М14В М14Г МИД М14Е
16±1,0 М16Б М16В М16Г М16Д М16Е
20±1,0 М20Б М20В М20Г М20Д М20Е

Выпускаются следующие моторные масла:

Авиационные — это, как правило, остаточные масла хорошей очистки; марки: МС-14, МС-20, МК-22; здесь цифры обозначают вязкость (в ест) при 100 °С;

Автотракторные (автолы) — в основном дистиллятные масла, селективной очистки и с присадками, марки: АСп-6 (М6Б), АСП-10 (М10Б), АКЗп (М6Б), АКЗп-10 (М10Б; АКп-10 (М10Б), АК-15 (тракторное);

Автомобильные — фенольной селективной очистки, марки: АС-6 (М6Б), АС-8 (МВБ), АС-10 (М10Б);

Дизельные — Дп-8, Д-11, Дп-11, Дп-14 и фенольной селектив­ной очистки: ДС-8 (М8Б), ДС-10 (М10Б); для мощных быстроход­ных дизелей—масло МТ-1бп.

Трансмиссионные масла предназначены для смазки трансмис­сий автомобилей и тракторов, для зубчатых и гипоидных пере­дач, рулевого управления и для различных грубых механизмов. Все эти масла неочищенные, как правило осерненные для улучшения липкости (маслянистости), высокой вязкости. Выпускаются летние, зимние и северные марки осевых масел с вязкостью при 50 °С от 12 до 52 ест и др.

Специальные (несмазочные) масла. Эта подгруппа включает масла, предназначенные не для смазки, а для примене­ния в качестве рабочих жидкостей в тормозных системах, в паро­струйных насосах и гидравлических устройствах, а также в транс­форматорах, конденсаторах, маслонаполненных электрокабелях в качестве электроизолирующей среды. Сюда же относятся меди­цинское, парфюмерное, поглотительные и некоторые другие масла специального назначения. Ко всем этим маслам предъявляются требования высокой очистки и в них контролируются некоторые специальные показатели в зависимости от условий применения. Названия этих масел отражают область их использования. На­пример, трансформаторные масла (ТКп, ТК), вазелиновое меди­цинское, конденсаторные, парфюмерное и т. д.

На установке первичной переработки нефти и получения битума смазочные и специальные масла не производят.

1.2.4.Консистентные смазки

Консистентные смазки представляют собой нефтяные мас­ла, загущенные мылами, твердыми углеводородами и другими за­густителями. Эти мазе- и пастообразные нефтепродукты предна­значены для смазки закрытых, как правило тяжелонагруженных, механизмов и для предохранения различных изделий от воздей­ствия условий внешней среды. Кроме того, некоторые сорта ис­пользуются для уплотнения (герметизации) различных систем. Это очень обширная группа нефтепродуктов, имеющая свою внутрен­нюю классификацию и систему обозначения (ГОСТ 3127—46). Все смазки делятся на два класса: универсальные (У) и специальные. Для обозначения разнообразных свойств универсальных смазок в их названиях к букве У добавляются буквы, указывающие на эти свойства:

  • Н—низкоплавкие, с температурой каплепадения до 65 °С;

  • С—среднеплавкие, с температурой каплепадения до 100°С;

  • Т—тугоплавкие, с температурой каплепадения выше 100°С;

  • М—морозостойкие, не застывающие при —30 °С;

  • 3—защитные (от коррозии);

  • К—кислотоупорные;

  • В—водостойкие;

  • А—акти­вированные;

  • Р — не растворяющие резины.

Специальные смазки обозначаются буквами в соответствии с областями применения. Например: автотракторные—А, для пред­метов вооружения—В, железнодорожные—Ж, морские—М и т.п.

По своему назначению все смазки делятся на:

  • антифрик­ционные, служащие для предотвращения износа (универсальные— солидолы и консталины и специальные—всего более 40 сортов);

  • консервационные или защитные — пластичные и жидкие смазки для предохранения металлических и кожаных изделий;

  • уплотнительные — для герметизации различных систем.

1.2.5.Парафины и церезины

Из твердых углеводородов, выде­ляемых из нефти и озокерита, изготавливаются вазелины (меди­цинский, ветеринарный, конденсаторный), парафин для синтеза жирных кислот, медицинский парафин, спичечный парафин, пара­фин для пищевой промышленности, различные марки церезина, восковые и пропиточные составы. Все товарные сорта парафина и церезина в основном различаются по температуре плавления (от 42 до 80 °С) и степени очистки.

1.2.6.Битумы

Битумы изготавливаются из тяжелых нефтяных остатков путем их окисления и предназначены для дорожного строительства, для получения кровельных материалов для гидроизоляции, элект­роизоляции, приготовления асфальтовых лаков и полиграфических красок.

Нефтяные битумы выпускаются в жидком, полутвердом и твер­дом виде. Многочисленные марки битумов отличаются друг от друга по температуре размягчения, глубине погружения иглы (пенетрации), по растяжимости (дуктильности).

Физико-химические свойства битумов производимых в ЦППНиПБ БНД 90/130 и БН 70/30 должны соответствовать требованиям ГОСТ 22245-90 и ГОСТ 6617-76 соответственно. Перечень показателей их значения приведены в табл.11.

Характеристика битума производимого в ЦППНиПБ. Таблица 11

п/п

Наименование показателя

Битум БНД 90-130 ГОСТ 22245-90

Битум БН 70-30 ГОСТ 6617-76

Продукция ЦППНиПБ

1.

Глубина проникания иглы 0,1, мм




при 25С

91-130 21-40 117

при 0С

28 - 48
2.

Температура размягчения по кольцу и шару, С

не более 43 70-80 42
3.

Растяжимость, см




при 25С

не менее 65 3,0 79

при 0С

не менее 4,0
4,06
4.

Температура хрупкости, С

не выше -17 не нормир. -24
5.

Температура вспышки, С

более 230 более 240 298
6.

Изменение температуры размягчения после прогрева, С

не более 5 не нормир. 3,4
7. Индекс пенетрации -1,0 до +1,0 не нормир. -0,5
8. Массовая доля водорастворимых соединений, % менее 0,30 не нормир 0,05
9. Изменение массы после прогрева, % не нормир. менее 0,50
10. Растворимость, % не нормир. 99,5
11. Массовая доля воды не нормир. следы

1.2.7.Сажа

Сажа мелкодисперсный сыпучий углеродистый продукт, получаемый на сажевых заводах. Основной потребитель сажи — резиновая промышленность, где сажа используется как усилитель и наполнитель каучука. Для резиновой промышленности выпуска­ется восемь марок сажи. Специальные сорта сажи используются в качестве пигмента для изготовления типографских красок.

1.2.8.Нефтяной кокс

Нефтяной кокс выпускается четырех марок с содержани­ем золы от 0,6 до 0,3% и серы от 0,4 до 1,5%. Используется в ос­новном для производства анодной массы для выплавки алюминия и графитированных электродов [14].

1.2.9.Нефтяные кислоты и их соли

Нефтяные кислоты и их соли получаются в качестве от­ходов при щелочной очистке нефтепродуктов. Выпускаются для различного технического использования: асидолы (с содержанием кислот до 50%), мылонафт (натриевые соли нефтяных кислот), ис­пользуемый в основном в мыловаренной промышленности, и аси­дол-мылонафт.

1.2.10.Присадки к топливам и маслам

Присадки к топливам и маслам. Присадками называются вещества, добавляемые в небольших количествах с целью значи­тельного улучшения эксплуатационных свойств топлив и масел [15].

В качестве присадок применяют самые разнообразные синте­тические органические вещества, обладающие специфическими свойствами. Чаще всего это полярные, поверхностно-активные соединения. Производство некоторых из них будет описано. Отечественная нефтеперерабатывающая и нефтехимическая про­мышленность вырабатывает более 50 различных марок присадок.

1.3.Первичная перегонка нефти

1.3.1.Назначение первичной перегонки

Нефть, как уже было указано, представляет собой чрезвычайно сложную смесь взаимно растворимых углеводородов [12]. Разделить ее нацело на составляющие компоненты практически невозможно, но этого для промышленного применения нефтепродуктов и не требуется. В промышленной практике нефть делят на фракции, различающиеся температурными пределами перегонки. Это разде­ление проводится на установках первичной перегонки нефти с при­менением процессов дистилляции и ректификации.

Полученные фракции служат сырьем для дальнейшей пере­работки или используются как товарные продукты. Первичная перегонка — первый технологический процесс переработки нефти. Установки первичной перегонки имеются на каждом нефтепере­рабатывающем заводе.

1.3.2.Дистилляция

Дистилляцией или перегонкой называется про­цесс разделения смеси взаимно растворимых жидкостей на фрак­ции, которые отличаются по температурам кипения как друг от друга, так и от исходной смеси. При перегонке смесь нагревается до кипения и частично испаряется. Получаемые пары отбираются и конденсируются. Перегонкой получают дистиллят и остаток, ко­торые по составу отличаются от исходной смеси.

Перегонка может быть осуществлена однократным, многократ­ным или постепенным испарением.

При однократном испарении в течение всего времени нагревания смеси продуктов до определенной конечной температуры обра­зующиеся пары не выводятся из системы и остаются в контакте с жидкостью. После того как сообщение тепла заканчивается, вся парожидкостная смесь выводится в сепаратор. Здесь образовав­шиеся пары в один прием (однократно) отделяются от жидкости.

При многократном осуществлении процесса разделение фаз про­изводится в несколько приемов. Многократное испарение состоит из повторяющегося несколько раз процесса однократного испаре­ния. Первоначально происходит отделение паров от жидкости, а за­тем—на второй ступени—жидкая фаза, оставшаяся при отделе­нии паров в первой ступени, вновь испаряется и т. д.

При постепенном испарении [12] образующиеся пары по мере их образования непрерывно выводятся из перегонного аппарата. По­степенное испарение применяется при лабораторной перегонке нефти из колбы, а в промышленной практике прежде использова­лось при перегонке на кубовых установках.

Процесс однократного испарения обладает преимуществами перед постепенным испарением. При однократном испарении низко­кипящие фракции, перейдя в пары, остаются в аппарате, снижают парциальное давление испаряющихся высококипящих фракций, что дает возможность вести перегонку при более низких температурах.

При постепенном испарении, наоборот, легкие фракции отго­няют сначала, а тяжелые—в конце. Поэтому легкие фракции, которые превратились в пары и были выведены из аппарата, не влияют на температуру кипения тяжелых фракций. Благодаря влиянию легких фракций, применяя однократное испарение, можно снизить конец кипения перегоняемого сырья на 50—100 °С по сравнению с постепенным испарением.

На современных установках перегонка нефти проводится с при­менением однократного испарения.

Как известно, в составе нефти имеются углеводороды, кипя­щие при атмосферном давлении в интервале температур 400—500 °С и выше в то время как термическая стабильность углеводородов сохраняется только до 380—400 °С. При более высо­кой температуре начинается процесс разложения — крекинга угле­водородов, причем наиболее высококипящие углеводороды нефти обладают наименьшей термической стабильностью [15].

Для того чтобы избежать разложения углеводородов, надо по­низить температуру их кипения. Это достигается перегонкой нефти под вакуумом. Нефтяная фракция, выкипающая при атмосферном давлении в интервале температур 450—500 °С, может быть пере­гнана под вакуумом (остаточное давление 20—40 мм рт. ст.) при 200—250 °С.

Для понижения температуры кипения в практике нефтепере­работки применяют также перегонку с водяным паром, который снижает парциальное давление углеводородов.

Понизить температуру кипения фракции можно и перегонкой с инертным газом (азот, углекислый газ и т. д.). Однако этот ме­тод не нашел распространения, так как присутствие инертного газа ухудшает условия конденсации нефтяных фракций. На современных установках первичной перегонки нефти приме­няют совместное действие пониженного давления и ввода водяного пара.

1.3.3.Ректификация

П

Рис. 1. Схема ректифика­ционной колонны:

I—холодное орошение;II—рек­тификат; III—горячая циркули­рующая струя; IV—остаток; V—сырье.

ри однократном испарении взаимно раство­римых жидкостей и последующей конденсации паров получают две фракции: легкую, в которой содержится больше низкокипящих фракций, и тяжелую, в которой содержится меньше низкокнпя-щих фракций, чем в исходном сырье. Следовательно, при перегонке происходит обогащение одной фазы низкокипящими, а другой—высококипящими компонентами. Однако достичь требуемого раз­деления компонентов нефти и получить конечные продукты, кипящие в заданных температурных интервалах, с помощью пере­гонки нельзя. Поэтому после однократного испарения нефтяные пары подвергаются ректификации.

Ректификацией называется диффузионный процесс разделения жидкостей, различающихся по температурам кипения, за счет противоточного, многократного контактирования паров и жидкости,

Контактирование паров и жидкости осуществляется в верти­кальных цилиндрических аппаратах—ректификационных колон­нах, снабженных специальными устройст­вами — ректификационными тарелками или насадкой, — позволяющими создать тесный контакт между паром, поднимаю­щимся вверх по колонне, и жидкостью, стекающей вниз (рис. 1).

В среднюю часть в виде пара, жид­кости или парожидкостной смеси подает­ся сырье, которое необходимо разделить на две части—высококипящую и низко­кипящую. В простейшем случае исходное сырье состоит из двух компонентов (например, бензола и толуола, бутана и изобутана и др.). Однако чаще сырье представляет собой многокомпонентную смесь, которую с помощью ректификации надо разделить на .два продукта, один из которых содержит в основном низкокипя­щие компоненты, а другой — высококипящие. Зона, в которую подается сырье, но­сит название эвапорационной, так как а ней происходит эвапорация — однократ­ное испарение нагретой в печи или теп­лообменнике смеси на паровую и жидкую фазы. В некоторых случаях эвапорационная зона отделена от колонны, и эвапорация производится в самостоятельном аппарате. Однако у большинства колонн, в частности на установках первичной перегонки, однократ­ное испарение и ректификация совмещаются.

Принцип работы промышленной ректификационной колонны аналогичен лабораторной. В работающей ректифика­ционной колонне через каждую тарелку проходят четыре потока:

  • жидкость—флегма, стекающая с вышележащей тарелки;

  • пары, поступающие с нижележащей тарелки;

  • жидкость-флегма, уходящая на нижележащую тарелку;

  • пары, поднимаю­щиеся на вышележащую тарелку.

Пары и жидкость, поступающие на тарелку, не находятся в со­стоянии равновесия, однако, вступая в соприкосновение, стремятся к этому состоянию. Жидкий поток с вышележащей тарелки посту­пает в зону более высокой температуры, и поэтому из него испа­ряется некоторое количество низкокипящего компонента, в резуль­тате чего- концентрация последнего в жидкости уменьшается. С другой стороны, паровой поток, поступающий с нижележащей тарелки, попадает в зону более низкой температуры и часть высококипящего продукта из этого потока конденсируется, переходя в жидкость. Концентрация высококипящего компонента в парах таким образом понижается, а низкокипящего—повышается. Фрак­ционный состав паров и жидкости по высоте колонны непрерывно изменяется. Часть ректификационной колонны, которая расположена выше ввода сырья, называется концентрационной, а расположенная ниже ввода — отгонной. В обеих частях колонны происходит один и тот же процесс ректификации.

С верха концентрационной части .в паровой фазе выводится целевой продукт необходимой чистоты — ректификат, а с низа — жидкость, все еще в достаточной степени обогащенная низкокипя­щим компонентом. В отгонной части из этой жидкости окончатель­но отпаривается низкокипящий компонент. В виде жидкости с низа этой части колонны выводится второй целевой компонент — остаток.

Для нормальной работы ректификационной колонны необхо­димо, чтобы с верха колонны на нижележащие тарелки непре­рывно стекала жидкость {флегма). Поэтому часть готового про­дукта (ректификата) после конденсации возвращается на верхнюю тарелку колонны в виде так называемого орошения. С другой сто­роны, для нормальной работы колонны необходимо, чтобы с низа колонны вверх непрерывно подымались пары. Чтобы создать в ко­лонне паровой поток, часть уходящего из колонны остатка подогревается, испаряется и возвращается обратно в колонну.

На рис. 1 изображена наиболее типичная конструкция ректи­фикационной колонны. Существуют такие колонны, в которых имеется только концентрационная часть, когда сырье вводится под нижнюю тарелку колонны, или только отгонная, когда сырье пода­ется на верхнюю тарелку.

1.3.4.Перегонка нефти до мазута и гудрона

Первичная перегонка нефти на трубчатых установках осуществляется при атмосферном давлении и под вакуумом. При перегонке нефти на трубчатых установках, работающих при атмосферном давлении, из нефти выделяют светлые дистилляты—бензиновый, керосиновый, дизель­ный [15]. Остатком от перегонки при атмосферном давлении является мазут—фракция, перегоняющаяся выше 330—350 °С. Эти уста­новки носят название атмосферная трубчатая установка (АТ).

Для того чтобы выделить более высококипящие нефтяные фрак­ции, мазут подвергается перегонке на установках, работающих с применением вакуума. Остатком от перегонки мазута является гудрон.

В зависимости от общей схемы нефтеперерабатывающего за­вода и свойств поступающей для переработки нефти сооружаются либо установки атмосферной перегонки, либо установки, сочетаю­щие атмосферную и вакуумную перегонку,— атмосферно-вакуултые трубчатые установки (АВТ). Различные варианты технологических схем нефтеперерабатывающих заводов рассматриваются в п.3.

В тех случаях, когда на заводе необходимо получить макси­мальное количество светлых продуктов, перегонку ведут до гуд­рона. Выделенные из мазута темные дистиллятные фракции и гудрон затем перерабатывают с применением различных техноло­гических процессов, направленных на получение более легких нефтепродуктов (крекинг, коксование и Др.). Перегонку до гудрона проводят и в том случае, если на заводе организуется производ­ство нефтяных масел, кокса, битума. Если же для нужд близ­лежащих районов требуется получить максимальное количество котельного топлива, то ограничиваются перегонкой до мазута.

1.3.5.Ассортимент продуктов атмосферных и атмосферно-вакуумных процессов

В результате первичной перегонки нефти при атмо­сферном давлении получаются следующие продукты [12].

  1. Сжиженный углеводородный газ, состоящий в основном из пропана и бутана. Количество продукта зависит от того, насколько глубоко была стабилизирована нефть на промысловых установках. При переработке нефти с большим содержанием газа пропан-бутановая фракция выводится с перегонной установки не только в жидком, но и в газообразном виде. После очистки от сернистых соединений прямогонный сжиженный газ может использоваться как бытовое топливо. Углеводородный газ является также сырьем газофракционирующих установок.

  2. Бензиновая фракция. Перегоняется в пределах 30—180 °С. Используется в качестве компонента товарного автобензина, как сырье установок каталитического риформинга. Узкие фракции прямогонного бензина, полученные на установках и блоках вторичной перегонки, являются сырьем для выработки индивидуальных аро­матических углеводородов—бензола, толуола, ксилолов.

  3. Керосиновая фракция. Перегоняется в пределах 120—315 °С, в зависимости от того, для какой цели применяется керосин: в ка­честве топлива реактивных авиационных двигателей, для осве­щения или как горючее для тракторных карбюраторных двигате­лей. Керосиновая фракция нуждается в очистке от сернистых соединений, которую проводят на специальных установках гидро­очистки.

  4. Дизельная фракция. Перегоняется в пределах 180—350 °С. Ранее дизельную фракцию называли атмосферным газойлем. Фрак­ция используется как топливо для дизельных двигателей, установ­ленных на автомобилях, тракторах, тепловозах, судах морского и речного флота. Дизельная фракция, полученная из сернистых нефтей, нуждается в очистке от серы, которая проводится с примене­нием гидрогенизационного метода.

  5. Мазут. Перегоняется при температуре выше 350 °С. Исполь­зуется в качестве котельного топлива, является сырьем установок термического крекинга.

Ассортимент продуктов вакуумной перегонки мазута зависит от выбранного варианта переработки нефти. Существуют две схе­мы перегонки мазута: масляная и топливная. При масляной схеме получают несколько фракций—вакуумных дистиллятов, при топ­ливной — одну [12].

Число вакуумных дистиллятов при масляной схеме перегонки мазута определяется типом перерабатываемой нефти.

Согласно существующей в настоящее время схеме получения ма­сел из восточных нефтей, на установках первичной перегонки сле­дует получать три вакуумных дистиллята:

  • легкий (фракция 300— 400 °С),

  • средний (фракция 400—450 °С),

  • тяжелый (фракция 450— 500 °С).

Каждый из дистиллятов затем подвергается очистке, очищенные продукты смешиваются в различных соотношениях. В зависимости от рецептуры смеси получают тот или иной сорт масел.

Вакуумный дистиллят, вырабатываемый при топливной схеме переработки мазута, перегоняется при 350—500°С и используется как сырье каталитического крекинга или гидрокрекинга. Эту фрак­цию иногда называют вакуумным газойлем.

6. Гудрон—остаток от перегонки нефти, перегоняется при температуре выше 500 °С. Это — высоковязкий продукт, застываю­щий при 30—40 °С. Он используется как сырье установок термиче­ского крекинга, коксования, для производства битума и высоковязких масел.

1.4.Технологические схемы установок первичной перегонки нефти

1.4.1.Типы установок

Атмосферные и вакуумные трубчатые уста­новки существуют независимо друг от друга или комбинируются в составе одной установки. Существующие атмосферные трубчатые установки подразде­ляются в зависимости от их технологической схемы на следующие группы [15]:

  • установки с однократным испарением нефти;

  • уста­новки с двукратным испарением нефти;

  • установки с предвари­тельным испарением легких фракций.

Принципиальная схема установки с однократным испарением приводится на рис. 2. Нефть из промежуточного парка или не­посредственно с установки ЭЛОУ забирается сырьевым насосом и пропускается через теплообменники и трубчатую печь в ректи­фикационную колонну. В эвапорационном пространстве происхо­дит однократное испарение нефти. Пары нефти затем разделяют ректификацией на целевые фракции, а из жидкости также с при­менением процесса ректификации удаляют легкокипящие фракции.

С

Рис. 2. Схема атмосферной перегонки с однократным испарением нефти:

I—нефть; II—газ; III—бензин; IV— керосин; V—дизельная фракция; VI— мазут; VII—вода.


хема установки с двукратным испарением приводится на рис. 3. Нагретая в теплообменниках нефть подается в так назы­ваемую отбензинивающую ректификационную колонну, где проис­ходит испарение нефти. Количество образующихся паров неве­лико, поскольку нефть нагрета только до 200—220°С. В парах в основном содержатся легкие бензиновые фракции. На ректифика­ционных тарелках отбензинивающей колонны бензин отделяется от более тяжелых фракций и в виде паров уходит из колонны. Вме­сте с парами бензина уда­ляются пары воды, посту­пившей на установку АТ с нефтью, и газы.

Полуотбензиненную нефть забирают насосом и через трубчатую печь подают в основную, атмосферную ко­лонну, где происходит по­вторное испарение нефти и ректификация паров с выде­лением тяжелого бензина (смешиваемого затем с бен­зином, получаемым в от­бензинивающей колонне), керосиновой и дизельной фракции. Остатком являет­ся мазут.

П

Рис. 3. Схема атмосферной перегонки с дву­кратным испарением:

I—нефть; II—газ: III—бензин; IV— керосин; V—ди­зельная фракция; VI—мазут.


ромежуточное положе­ние занимает схема с пред­варительным испарением (рис. 4). Нефть на установках этого типа после теплообменников поступает в предварительный испаритель (эва­поратора—полый цилиндрический аппарат, где происходит одно­кратное испарение и от нефти отделяются пары легких фракций. Жидкая часть подается через печь в ректификационную колонну. Сюда же поступают пары легких фракций из эвапоратора.

Испарение при этой схеме происходит дважды, а ректифика­ция проводится совместно для всех отгоняемых фракций, как и по схеме с однократным испарением.

Достоинством схемы с однократным испарением является то, что легкие и тяжелые фракции испаряются совместно. Это способствует более глубокому отделению тяжелых компонентов при относитель­но низких (300—325°С) температурах подогрева нефти. Установки однократного испарения компактны, имеют малую протяженность трубопроводов, требуют меньше, чем другие установки, топлива. Недостатки схемы с однократным испарением следующие:

  • при перегонке нефтей с повышенным (выше 15%) содер­жанием бензиновых фракций значительно увеличивается давление в теплообменниках и трубах печного змеевика, что приводит к не­обходимости применять более прочную и металлоемкую аппара­туру, увеличивать давление в линии нагнетания сырьевого насоса;

  • если на перегонку подается нефть, из которой плохо удалена вода, то это также приводит к повышению давления в печи и мо­жет вызвать повреждение фланцевых соединений печных труб;

  • если перегоняемая нефть недостаточно хо­рошо обессолена, то при ее нагреве в трубах печи будут отлагаться мине­ральные соли, из-за это­го происходят местные перегревы в змеевиках печей, что в конечном итоге может приводить к аварии—прогару труб;

  • при переработке сернистых и плохо обес­соленных нефтей необхо­димо защищать от кор­розии мощную основную колонну, что приводит к повышению расхода вы­соколегированной стали и цветных металлов.

П

Рис. 4. Схема атмосферной перегонки с предваритель­ным испарением нефти:

I—нефть; II—газ; III—бензин; IV—керосин; V— дизельная фракция; VI—мазут; VII—вода.


ри двукратном испа­рении газ, вода и значи­тельная часть бензина удаляются из нефти до ее поступления в печь. Это обстоятельство об­легчает условия работы как печи, так и основной ректификационной колонны и является основным преимуществом схемы с двукратным испарением. Схема с двукратным испарением особенно удобна в тех случаях, когда часто происходит изменение типа перерабатываемой нефти. На установках двукратного испа­рения устранены недостатки, характерные для установок однократ­ного испарения.

Однако, чтобы достичь такой же глубины отбора дистиллятов, как при однократном испарении, нефть на установках двукратного испарения приходится нагревать до более высокой температуры (360—370 °С). На установке с двукратным испарением удваивается количество ректификационных колонн, загрузочных насосов, ра­стут размеры конденсационной аппаратуры.

Преимуществом схемы с предварительным испарением являет­ся возможность снизить давление в печи, благодаря тому, что в эвапораторе отгоняются легкие фракции. Недостаток схемы—уве­личение размеров основной колонны, поскольку все пары, отде­ленные в эвапораторе направляются в ту же колонну, что и пары, полученные в печи.

На установках и блоках вакуумной перегонки также применя­ются схемы однократного и двукратного испарения (рис. 5).

Наиболее распространены вакуумные блоки с однократным ис­парением мазута (рис. 5, а). Они построены на большинстве оте­чественных нефтеперерабатывающих заводов. Но, как показал опыт эксплуатации, на таких блоках не удается получить хорошо отректифицированные вакуумные дистилляты с четкими пределами перегонки, необходимые для получения качественных масел.

Добиться улучшения четкости вакуумных дистиллятов можно за счет увеличения числа ректификационных тарелок в вакуумной колонне. Однако такое решение неприемлемо, поскольку при уве­личении числа тарелок снижается вакуум, повышается темпера­тура на нижних тарелках колонны, может понизиться глубина отбора и ухудшиться качество дистиллятов. Более рациональный путь улучшения качества вакуумных дистиллятов — перегонка по схеме двукратного испарения (рис. 5, б).

Схема предусматривает отбор в первой колонне широкой ма­сляной фракции, которая после повторного нагрева в печи раз­деляется во второй вакуумной колонне на фракции с более уз­кими пределами перегонки.

При двухступенчатой вакуумной перегонке расходуются допол­нительные количества топлива, пара, охлаждающей воды. Однако достигаемое улучшение качества масляных дистиллятов, а следо­вательно, и товарных масел компенсирует эти затраты.

1.4.2.Схемы установок

Н

Рис. 5. Схемы вакуумной перегонки мазута с однократным (а) и двукратным испарением (б):

I—мазут; II—водяной пар; III—несконденсировавшиеся газы и пары; IV, V, VI— масляные погоны; VII— гудрон.


а нефтеперерабатывающих заводах приме­няются все описанные выше схемы перегонки нефти и мазута, строятся отдельно стоящие установки атмосферной и вакуумной перегонки, комбинированные атмосферно-вакуумные трубчатые установки.

На рис. 6 приводится технологическая схема атмосферно-вакуумной установки производительностью 1 млн. т нефти в год, рас­считанной на переработку восточных сернистых нефтей и эксплуа­тирующейся на многих нефтеперерабатывающих заводах.

Нефть из резервуаров промежуточного парка забирают насо­сом Н-1 и пропускают двумя потоками через сырьевые теплооб­менники. Для предотвращения коррозии оборудования к нефти до­бавляют раствор щелочи. Первый поток нефти подогревается в Т-1—фракцией 180—240 °С, в Т-2—первым погоном вакуумной колонны, в Т-3 — фракцией 240—300 °С, в Т-4 — фракцией 300— 350 °С, в Т-7—третьим погоном вакуумной колонны, в Т-8—гуд­роном.

В

Рис. 6. Технологическая схема атмосферно-вакуумнои трубчатой установки:

I—нефть; II—газ; III головка стабилизации; IV— фракция н. к.— 85 °С; V— фракция 85—180 °С; VI— фракция 180— 240 С; VII - фракция 240-300 °С; VIII -фракция 300-350 °С; IX-первый погон вакуумной колонны (фракция < 350 °С); X-второй погон вакуумной колонны (фракция 350—400 °С); XI—третий погон вакуумной колонны (фракция 400—450 °С); XII — четвертый погон вакуумной колонны (фракция 450-490 °С); XIII-гудрон (фракция > 490 °С); XIV- водяной пар; XV-вола; XVI — щелочь; XV11— аммиачная вода.

торой поток нефти проходит через теплообменники циркуля­ционного орошения атмосферной колонны Т-5, среднего циркуля­ционного орошения вакуумной колонны Т-6 и гудрона Т-9. После теплообменников нефть объединяется в один поток и посту­пает с температурой 220° С в первую, отбензинивающую колон­ну К-1.

Верхний продукт колонны К.-1 — пары бензиновой фракции с концом кипения 120—150°С конденсируются в конденсаторе-холо­дильнике погружного типа ХК-1 и поступают в рефлюксную емкость Е-1, откуда часть верхнего продукта насосом Н-3 возвра­щается в К-1 в качестве орошения (флегмы), а балансовое коли­чество насосом Н-5 подают на стабилизацию в стабилизатор бен­зина К-4 или выводят с установки.

В рефлюксной емкости Е-1 происходит также выделение газа, который поступает на установки атмосферной перегонки вместе с нефтью. Вследствие наличия газа давление в рефлюксной ем­кости и отбензинивающей колонне повышенное, оно составляет 3—4 ат.

Отбензиненную нефть — нижний продукт К.-1 — забирают насо­сом Н-2 и направляют в трубчатую печь П-1, полезная тепловая нагрузка которой составляет 16 млн. ккал/ч. Часть выходящего из печи потока возвращается в К.-1, внося дополнительное количе­ство тепла, необходимое для ректификации.

Остальная часть нагретой полуотбензиненной нефти поступает в основную атмосферную колонну К-2, где разделяется на несколь­ко фракций. Температура нефти на входе в К-2 по проекту со­ставляет 320°С, а на практике поддерживается более высокой— до 350°С.

Для снижения температуры низа колонны и более полного из­влечения из мазута светлых нефтепродуктов ректификацию в К.-2 проводят в присутствии водяного пара. Пар подается в нижнюю часть колонны в количестве 1,5—2% в расчете на остаток.

С верха колонны К-2 уходят пары бензиновой фракции с кон­цом кипения 180 °С, а также водяной пар. Пары поступают в кон­денсатор-холодильник ХК-2, после конденсации продукт попадает в емкость-водоотделитель Е-2. Отстоявшийся от воды тяжелый бен­зин забирают насосом Н-6 и подают совместно с верхним погоном К-1 в К-4. Часть бензина из Е-2 возвращается в К-2 в качестве острого орошения.

Из колонны К-2 выводятся также три боковых погона — фракции 180—240 °С, 240—300 °С и 300—350 °С. Эти погоны посту­пают первоначально в самостоятельные секции отпарной колонны К-3, где из боковых погонов в присутствии водяного пара удаля­ются легкие фракции. Освобожденные от легких фракций целевые продукты в жидком виде выводятся с установки, а пары легких фракций возвращаются в К.-2. Расход водяного пара составляет 1,5—2,0% в расчете на целевой продукт.

Фракция 180—240°С выводится с установки через теплообмен­ник Т-1 и холодильник Х-2. Фракции 240—300 и 300—350 °С также отдают в соответствующих теплообменниках избыточное тепло по­ступающей на установку нефти, охлаждаются в концевых холо­дильниках и выводятся с установки.

Для улучшения условий работы колонны К-2 и съема избыточ­ного тепла в колонне предусмотрен вывод циркулирующего ороше­ния. Это орошение забирается с 20-й тарелки, проходит через теп­лообменник Т-5 и возвращается в К.-2 на 24-ю тарелку.

Остаток из атмосферной колонны—мазут—забирают насосом Н-4 и подают в трубчатую печь /7-2, имеющую полезную тепловую мощность 8 млн. ккал/ч. Мазут, нагретый в печи до 420 °С, посту­пает в вакуумную колонну К-5.

В колонне К-5 поддерживается остаточное давление 60 мм рт. ст., температура низа колонны—385 °С. Для снижения температуры низа и облегчения условий испарения из гудрона легких компо­нентов в низ К-5 вводят водяной пар.

С верха К-5 выводят водяные пары, газы разложения, воздух и некоторое количество легких нефтепродуктов, которые посту­пают в барометрический конденсатор А-1, где охлаждаются водой и частично конденсируются. Несконденсированные газы отсасыва­ются двухступенчатыми эжекторами.

В вакуумной колонне предусмотрен отбор четырех боковых погонов: с 16, 12, 8 и 5-й тарелок. Эти погоны отбираются непо­средственно с тарелок. Часть первых трех погонов после охлаж­дения возвращается в колонну в качестве циркулирующего ороше­ния, предназначенного для съема избыточного тепла и улучшения условий ректификации.

Остаток вакуумной колонны — гудрон откачивается насосом через теплообменники Т-8 и Т-9 и концевые холодильники с уста­новки.

На АСТ мощностью 1 млн. т в год имеются также колонна вто­ричной перегонки К-6, предназначенная для разделения бензина на узкие фракции, и стабилизатор К-4. Назначение стабилизато­ра—удалить из бензина легкие углеводороды (пропан и бутан). Колонна вторичной перегонки предназначена для разделения бен­зина на фракции н. к. —85°С и 85—180°С.

Близкую с описанной выше схему имеют и более крупные оте­чественные установки атмосферно-вакуумной перегонки.

На нескольких отечественных нефтеперерабатывающих заводах построены комбинированные установки обессоливания и атмос­ферной перегонки нефти, обессоливания и атмосферно-вакуумной перегонки мощностью в 6 млн. т в год—ЭЛОУ-АТ-6 (рис. 7) и ЭЛОУ-АВТ-6.

Рис. 7. Технологическая схема комбинированной установки первичной переработки нефти ЭЛОУ-АТ-6:

I—нефть; II—головка стабилизации; III—фракция н. к.—62°С; IV— фракция 62— 85 °С; V — фракция 85—105° С: VI — фракция 105—140 °С; VII – фракция 140-180 °С; VIII — фракция 180-220° С; IX-фракцля 220-350 °С; Х-фракиия > 350° С; XI-войяной цар; XII-деэмуль-гатор.


Характеристика основных аппаратов установок. Таблица 12

Значения величин

I

II

Диаметр, м



отбензинивающей колонны 5,0 3,0
атмосферной колонны 5,0/7,0 3,8
стабилизатора 2,8/3,6 1,2
вакуумной колонны 6,4/9,0 6,4

Поверхность теплообмена и подогрева нефти (одного аппарата), м2

630-800 100

Тепловая нагрузка печей, млн. ккал/ч



атмосферной перегонки 106 16
вакуумной печи 34 8

Отличительной особенностью новых модернизированных уста­новок первичной перегонки является применение новых, более совершенных видов оборудования. Для конденсации паров приме­няются кожухотрубчатые холодильники-конденсаторы и конденсаторы воздушного охлаждения, для нагрева нефти—укрупненные теплообменники. В новых установках первичной перегонки учтен опыт, накопленный при эксплуатации ранее построенных АТ и АВТ.

В табл. 12 приводится характеристика основных аппаратов уста­новки ЭЛОУ-АВТ-6 (I) и установки АВТ мощностью 1 млн. т/год (II).

1.5.Очистка светлых дистиллятов

Светлые нефтепродукты — карбюраторные, реактивные и ди­зельные топлива, бензины-растворители, осветительный керосин, полученные непосредственно из ректификационной колонны уста­новок АВТ, гидроочистки, каталитического крекинга и других, еще не являются товарными продуктами, так как содержат в своем составе компоненты, ухудшающие их эксплуатационные качества.

Из бензинов, реактивных и дизельных топлив необходимо уда­лить сероводород, меркаптаны, нефтяные кислоты; из крекинг-бензинов помимо сероводорода и меркаптанов удаляют диеновые углеводороды, из дизельных топлив — твердые парафиновые углеводороды, из бензинов-растворйтелей и осветительных керосинов — ароматические углеводороды.

Для удаления нежелательных компонентов применяют хими­ческие и физико-химические методы очистки: обработку щелочью и серной кислотой, взаимодействие нормальных парафиновых уг­леводородов с карбамидом, адсорбцию.

1.5.1.Щелочная очистка

Щелочная очистка (защелачивание) применяется для удаления из нефтепродуктов сероводорода, низших меркаптанов и нефтя­ных кислот; щелочная доочистка — для удаления из нефтепродук­тов следов серной кислоты и кислых продуктов реакции после сер­нокислотной очистки [12].

Для удаления сероводорода применяют обычно раствор едкого натра или кальцинированной соды Na2CO3. Сероводород реаги­рует со щелочью по уравнениям:

2NаОН + Н2S  Na2S + 2H2O

NаОН + Н2S  NaHS + H2O

Меркаптаны реагируют со щелочью с образованием меркаптидов:

RSН + NаОН  RSNa + H2O

Меркаптиды хорошо растворяются в щелочи и поэтому могут быть удалены из дистиллятов. Удалению меркаптанов в виде меркаптидов препятствует гидролиз последних. Особенно легко под­вергаются гидролизу меркаптиды с большим молекулярным ве­сом, поэтому щелочным методом можно удалить только этил- и пропилмеркаптаны (степень извлечения порядка 90%). Примене­ние веществ, подавляющих гидролиз меркаптидов (например, ме­танола, органических кислот), значительно повышает степень очистки бензинов и реактивных топлив от меркаптанов. Такая очистка получила название очистки с усилителями.

Нефтяные кислоты образуют со щелочью или содой соли неф­тяных кислот—мыла:

RСООН + NаОН  RСООNa + H2O

2RСООН + Nа2CO3  2RСООNa + CO2 + H2O

Соли нефтяных кислот переходят в водный раствор щелочи и, таким образом, легко отделяются от нефтепродукта.

Для щелочной очистки светлых нефтепродуктов обычно при­меняют 10% раствор NаОН. Температура защелачивания бензи­нов 40—50°С, керосинов 60—70°С, дизельных топлив 80—90°С. Повышение температуры уменьшает опасность образования вод­ных эмульсий и облегчает отстой нефтепродукта от щелочного раствора. Следы щелочи удаляются из нефтепродукта водной промывкой.

В настоящее время наиболее широко распространена полуне­прерывная схема защелачивания топливных дистиллятов. Нефте­продукт поступает непрерывно, а щелочной раствор циркулирует в системе и периодически обновляется. Отработанный раствор со­держит 2% NаОН. Таким образом, степень использования щелочи составляет 80%.

При защелачивании бензинов каталитического крекинга конеч­ная концентрация щелочи должна быть не меньше 3,5—4%, в про­тивном случае наблюдается повышенное содержание фактических смол вследствие недостаточно глубокого удаления сернистых со­единений при защелачивании.

Качество очистки контролируют специальной пробой на корро­зию медной пластинки. Как только очищаемый продукт переста­нет выдерживать эту пробу, отработанный щелочной раствор пол­ностью заменяют свежим.

Расход щелочи зависит как от конечной концентрации щелочи в отработанном растворе, так и от содержания сернистых или кислородных соединений в очищаемом продукте. Для прямогонного бензина расход составляет 0,32 кг/т.

Технологическая схема. Рассмотрим для примера схему за­щелачивания керосинового дистиллята (рис. 25).

О

Рис. 8. Технологическая схема защелачивания керосинового дистиллята:

I—керосин; II—10% раствор едкого натра; III—вода; IV— сернисто-щелочные стоки; V — очищенный керосин.


чищаемый дистиллят поступает на прием насоса Н-1 из ке­росиновой секции отпарной колонны технологической установки. По нагнетательной линии продукт поступает в инжектор И-1, посредством которого создается циркуляция щелочного раствора и смешение его с продуктом. Из инжектора И-1 смесь попадает в от­стойник Е-1, где разделяется на 2 слоя — щелочной и углеводо­родный. Далее керосин смешивается с водой в инжекторе И-2 и направляется в отстойник Е-2, где отделяется от промывной воды. Окончательное отделение следов щелочи и воды происходит в электроосадителе А-1.

1.5.2.Осушка светлых нефтепродуктов

Одним из узких мест щелоч­ной очистки было до недавнего времени окончательное удаление влаги из очищенного дистиллята. В отстойнике Е-2 полнота уда­ления влаги не достигается. Введение в схему электроосадителя, аналогичного по конструкции горизонтальному электродегидратору установки ЭЛОУ, значительно улучшило осушку.

Применяется также осушка нефтепродукта (в частности, ке­росина) воздухом, пропускаемым вверх навстречу топливу, сте­кающему вниз по насадке цилиндрического аппарата.

Хорошие результаты получены при осушке с помощью фильт­ров, заполненных стекловатой. На Киришском НПЗ впервые осу­ществили в промышленном масштабе очистку авиакеросина от воды, остатков щелочи и механических примесей при фильтрова­нии авиакеросина через слой ваты, обработанный кремнийорганическими соединениями для придачи фильтрующей поверхности гидрофобных свойств. Процесс обезвоживания происходит за счет разности в сопротивлениях, которые испытывают частицы воды и нефтепродукта при прохождении через поры такой перегородки. Авиакеросин, поступавший на фильтрование после защелачива­ния, содержал 0,2—0,3% воды, после фильтрования—0,005— 0,009%. Следует отметить, что аппаратура для щелочной очистки, водной промывки и осушки размещается непосредственно на уста­новке получения дистиллятов: установках АВТ, гидроочистки и т. д.

Крупными недостатками щелочной очистки являются безвозв­ратная потеря дорогого реагента и образование большого коли­чества трудноутилизнруемых сернисто-щелочных стоков. По­скольку наибольшее количество щелочи расходуется на очистку бензинов сернистых нефтей от сероводорода, то вместо щелочной очистки разрабатываются регенеративные методы очистки с по­мощью растворов этаноламинов или трикалийфосфата, которые позволяют многократно использовать реагент, а также получать сероводород [12].

1.6.Производство нефтяных битумов

Нефтяные битумы нашли широкое применение в народном хо­зяйстве. Основное количество выпускаемых нефтяных битумов используется для целей дорожного строительства. С 1960 по 1970 г. протяженность дорог с асфальтобетонным покрытием возросла на 120 тыс. км. В текущей пятилетке строительство авто­дорог будет происходить еще более быстрыми темпами и затронет районы Севера и Сибири. Одновременно резко увеличиваются темпы строительных работ, а стройки — второй крупный потреби­тель нефтяных битумов.

Битумы представляют собой темные пластичные нефтепродук­ты, жидкие, полутвердые и твердые, в зависимости от марки и назначения. Битумы имеют наиболее высокую вязкость из всех продуктов нефтепереработки.

С физико-химической точки зрения битумы являются сложной коллоидной системой асфальтенов и ассоциированных высокомо­лекулярных смол в среде масел и низкомолекулярных смол. Асфальтены могут образовывать в зависимости от количественного соотношения со смолами, и маслами или жесткий каркас, или от­дельные мицеллы, адсорбирующие и удерживающие смолы. Масла представляют собой среду, в которой смолы растворяются, а асфальтены набухают.

Требования, предъявляемые к битумам, особенно дорожным, весьма разнообразны. Основное назначение дорожных битумов— связывание, склеивание частиц минеральных материалов (щебня, песка), придание им гидрофобных свойств, заполнение пространств между их частицами. Поэтому от качества битумов зависят проч­ность и долговечность асфальтовых дорожных покрытий.

Дорожные битумы должны:

  • сохранять прочность при повы­шенных температурах, т. е. быть теплостойкими;

  • сохранять эластичность при отрицательных температурах, т. е. быть морозо­стойкими;

  • сопротивляться сжатию, удару, разрыву под воздей­ствием движущегося транспорта;

  • обеспечивать хорошее сцеп­ление с сухой и влажной поверхностью минеральных материалов;

  • сохранять в течение длительного времени первоначальную вязкость и прочность. Строительные битумы могут быть менее эластичными, но они должны быть более твердыми.

В условиях эксплуатации под воздействием солнечного света, кислорода воздуха, высоких и низких температур, резких перепа­дов температур, усиленных динамических нагрузок битумы разру­шаются. Разрушается коллоидная структура битума, смолы и асфальтены переходят в карбены и карбоиды, битум теряет способ­ность создавать цельный кроющий слой, становится хрупким, трескается и крошится. Кроме того, битум теряет способность при­липать к минеральным материалам: щебню, камню, песку. Все это ведет к разрушению дорог, толевых кровель, фундаментов, изоля­ции трубопроводов и пр.

Эксплуатационные свойства готовых битумов (табл. 7) конт­ролируют рядом показателей: глубиной проникания иглы (в мм) при 25°С, температурой размягчения (в °С), определяемой мето­дом кольца и шара, растяжимостью (в см) при 25 °С, температу­рой хрупкости (в °С), когезией (в кгс/см2) при 20 °С и адгезией. Глубина проникания иглы и температура размягчения характери­зуют твердость битума, растяжимость—его эластичность. Величи­на когезии, т. е. прочность тонких слоев битума при испытании на разрыв, свидетельствует о прочности битума, температура хруп­кости — о морозостойкости. Адгезия (или прилипание) — способ­ность прочного сцепления с минеральными материалами — опре­деляется только качественно.

Характеристика битумов. Таблица 13

Показатели

Дорожные битумы

Строительные битумы

БНД 40/60

БНД 60/90

БНД 90/130

БНД

130/200

БНД 200/300

БН-IV

БН-V

Глубина проникания иглы, мм, не менее








при 25° С

40-60 61—90 91-130 131—200 201-300 21—40 5-20

при 0° С

13 20 28 35 45 - -
Растяжимость при






25° С, см, не менее

40 50 60 65 Не нормируется 3 1
Температура размяг­чения °С, не ниже 52 48 45 40 35 70 90
Температура хруп­кости, °С, не выше -10 -15 -17 -18 -20
Испытание на сце­пление с мрамором выдерживает



Соотношение компонентов, входящих в состав битума, влияет на его свойства. Чем больше в битуме асфальтенов, тем битум тверже, смолы улучшают эластичность битума и его цементирую­щие свойства, масла сообщают битумам морозостойкость.

Зависимость эксплуатационных свойств битумов от их химиче­ского состава характеризуется величинами отношений содержания асфальтенов к содержанию смол А/С и суммы асфальтенов и смол к содержанию масел (А+С)/М. Битумы, сочетающие хорошую тепло- и морозостойкость с высокой прочностью, содержат около 23% смол, 15—18% асфальтенов и 52—54% масел; А/С = 0,5-0,6; (А+С)/М=0,8-0,9.

Для улучшения адгезионных свойств битумов применяют при­садки, представляющие собой поверхностно-активные вещества (ПАВ). В качестве ПАВ обычно применяют кубовые кислоты, являющиеся кубовым остатком при разгонке синтетических жир­ных кислот.

1.6.1.Способы получения битумов

Битумы можно получать одним из трех способов:

  • глубокая вакуумная перегонка мазута;

  • окисление остаточных нефтепродуктов воздухом при высо­кой температуре;

  • компаундирование остаточных и окисленных продуктов.

Качество готовых битумов зависит в первую очередь от каче­ства сырья, а для окисленных битумов еще и от температуры, про­должительности окисления и расхода воздуха [12, 14].

Наилучшим сырьем для производства битума служат остаточ­ные продукты переработки тяжелых смолисто-асфальтеновых нефтей: гудроны, крекингостатки, асфальты и экстракты очистки масел. Чем больше содержание смолисто-асфальтеновых компо­нентов в нефти, чем выше отношение асфальтены: смолы и чем меньше содержание твердых парафинов, тем выше качество полу­чаемых битумов и проще технология их производства.

Из гудронов, имеющих оптимальные величины соотношений А/С и (А+С)/М, получают битум глубокой вакуумной перегон­кой. Это характерно для венесуэльской нефти. Высокопарафинистые нефти—наихудшее сырье для получения битума. Высокое содержание парафина в нефтях отрицательно сказывается на важ­нейших эксплуатационных показателях битумов: прочности и прилипаемости к минеральным покрытиям. Нефти, из которых полу­чают битумы, должны быть хорошо обессолены.

Характеристика гудронов, получаемых из советских нефтей и наиболее пригодных для производства окисленных битумов, при­ведена в табл. 8.

Характеристика гудронов смолистых нефтей. Таблица 14

Нефть

Содер­жание гудрона,

вес. %

Плот­ность, 420

Темпера­

тура размягчения,

°С

Групповой состав

вес. ч.

А

С

А+С

М

асфаль­тены

смолы

масла

Ярегская 50 0,989 28 4,2 33,6 62,2 0,15 0,62
Арланская 55 0,999 30 7,0 30,6 62,4 0,23 0,60
Серноводская 28,5 5,8 30,4 63,8 0,19 0,56
Чернушинская 0,984 30 5,6 28,7 65,7 0,20 0,52

При окислении гудронов часть масел превращается в смолы, часть смол переходит в асфальтены. В результате количество смол практически остается неизменным, а отношения А/С и (А+С)/М улучшаются.

1.6.2.Технология окисления битумов

Окисленные битумы получают при одновременном воздействии на нефтяные остатки кислорода воздуха и высокой температуры. Чем выше температура, тем бы­стрее протекает процесс. При слишком высокой температуре, однако, ускоряются реакции образования карбенов и карбоидов, что недопустимо.

Окисленные битумы получают на установках периодического и непрерывного действия. При периодическом процессе сырье подают в окислительный куб, температура .в котором должна быть 170—260 °С. После заполнения окислительного куба на одну треть начинают подавать в куб сжатый воздух под дав­лением 1—1,5 ат и одновременно доводят уровень сырья до опре­деленной высоты. При окислении выделяется тепло, поэтому тем­пературу процесса регулируют подачей воздуха. Если необходимо отводить избыточное тепло, то применяют циркуляцию продукта поршневым насосом, который выводит часть продукта из куба снизу и через водяной холодильник возвращает ее в куб сверху.

Продолжительность окисления зависит от качества сырья и тре­буемого качества битума. Чем тверже битум, тем время окисления должно быть больше. Обычно продолжительность окисления со­ставляет 18—40 ч. Температура .процесса 250—280 °С. После до­стижения товарного качества битума подачу воздуха прекращают, битум охлаждают циркуляцией через холодильник и откачивают на разливочную станцию. Образующиеся в процессе окисления жидкие и газообразные продукты из куба поступают в конденса­тор-холодильник, а оттуда — в сепаратор, где смесь разделяется на отгон (так называемую «черную солярку») и газы. Газы сжига­ются в печи. Отгон добавляется к котельному топливу.

Окислительные кубы — пустотелые стальные цилиндрические аппараты объемом от 50 до 250 м3; расположение их может быть вертикальным и горизонтальным. В нижней части аппарата рас­полагаются маточники для подачи воздуха. На установке имеется одновременно несколько таких кубов. Периодические установки малопроизводительны.

Установка для получения дорожных и строительных битумов непрерывным окислением в трубчатом реакторе состоит из трех одинаковых параллельных блоков. Она дает возможность одно­временно получать две марки строительных битумов и тяжелый компонент дорожного битума.

Дорожные битумы получают компаундированием переокислен­ного компонента с температурой размягчения 65 °С и разжижителей.

Технологическая схема установки (одного блока) показана на рис. 26.


Технологические параметры установки и материальный баланс. Таблица 15

Технологические параметры

Температура, °С

сырья на входе на установку

100—160

сырья на выходе из П-1

230—250

воздуха на входе в М-1

150

смеси в Р-1

260

битума после Х-1

170

Давление, ат


воздуха на входе в М-1

9

смеси на входе в Р-1

8

смеси на выходе из Р-1

3

Расход воздуха, м33 продукта

100-130 6:1

Материальный баланс установки (в вес. %)

Поступило:


Получено:


Гудрон 30,20 Битум БНДп-130/200 13,39

Асфальт деасфальтизации

41,10 Битум БНДп-90/130 13,39
Экстракт селективной очистки 25,30 Битум БНДп-60/90 26,78
ПАВ 3,40 Битум БНДп-40/60 13,39


Битум БН-IV

14,33


Битум БН-V 14.33


Отгон 2,30


Потери, газы окисления

2,09

Итого:

100,00

Итого:

100,0

Г

Рис. 9. Технологическая схема установки непрерывного производства окисленного битума:

I—гудрон; II—воздух; III—газы реакции; IV—отгон; V— готовый битум.


удрон насосом Н-1 подается через печь П-1 в смеситель М-1, куда компрессором нагнетается воздух. В смеситель также посту­пает циркулирующий продукт с низа колонны К-1. Из смесителя М-1 смесь воздуха и продукта входит в реактор Р-1, окисляется и вводится в верхнюю часть испарителя К.-1. Жидкость спускается сверху вниз, в это время от нее отделяются азот, остаток кисло­рода, газы окисления пары «черной солярки». Часть битума с низа колонны К-1 в качестве рециркулята подкачивается насосом Н-2 в смеситель М-1. Из середины колонны К-1 готовый битум насо­сом Н-3 через холодильник Х-1 направляется в емкость Е-1, от­куда через специальное разливочное устройство битумом запол­няют крафтмешки.

Пары и газы с верха колонны К.-1 поступают в конденсатор-холодильник Х-2, а затем сконденсировавшийся жидкий продукт отделяется от газов в сепараторе С-1. С низа сепаратора С-1 отгон отводится с установки. Газы из сепаратора С-1 дожигаются в печи П-3. Технологический режим установки представлен в табл. 9

1.6.3.Аппаратура

Реактор установки производительностью 250 тыс. т/год представляет собой цилиндрический аппарат диа­метром 2420 мм и высотой 11000 мм с вертикально расположен­ным змеевиком из стали Х5М диаметром 150 мм; скорость про­дукта в змеевике 11—12 м/сек. Снизу в реактор подается воздух, обдувающий змеевик снаружи.

Энергетические затраты реакторов разных типов. Таблица 16


Трубчатый реактор

Окислитель

колонного типа

Пар, ккал

400,0 200,0

Электроэнергия, кВт-ч

11,5 6,0

Жидкое топливо, кг

4,23 1,1

Сжатый воздух, м3

50,0 54,0

Таким образом достигается мягкий съем тепла реакции. Нагретый воздух уходит в атмосферу. Смеси­тель—цилиндрический аппарат с нижним и верхним коническими днищами. Продукт вводится снизу по центру, воздух подается в нижнюю часть цилиндра через распределитель. Выше показаны сравнительные энергетические затраты на 1 т битума в реакторах обоих типов (табл. 10)

Испаритель—аппарат колонного типа диаметром 2600 мм и высотой 14000 мм, снабженный внутри направляющим спираль­ным желобом, по которому продукт стекает сверху вниз.

Для охлаждения битума и газов реакции применяют воздуш­ные холодильники.

Для повышения производительности битумных установок и улучшения качества окисленных битумов в последние годы широко применяют в качестве непрерывно действующих реакторов полые аппараты колонного типа.

Битумы, полученные непрерывным окислением сырья в колон­ных аппаратах, имеют такое же качество, как и полученные при окислении в трубчатом реакторе. При этом с точки зрения энерге­тических затрат колонные аппараты имеют несомненное преиму­щество.

О

Рис. 10. Окислитель колонного типа:

1—корпус; 2—штуцер для ввода гудрона; 3— штуцер для ввода воздуха с распределителем; 4— штуцер для вывода продукта;

5—штуцер для вывода газов окисления.


кислитель колонного типа (рис. 10) имеет диаметр 3358 мм и высоту 23200 мм. Диаметр более 3,5 м нецелесообразен, так как в большом сечении трудно осуществить равномерное диспергирование воздуха. Воздух вводится через маточник в нижней части аппарата, продукт подается в середину колонны и выводится снизу.

1.6.4.Контроль и автоматизация процесса

Основные параметры про­цесса контролируются и автоматически регулируются. Расход сырья на установку, а также соотношение свеже­го сырья и рециркулята на входе в смеситель поддерживаются постоянными. Температура про­дукта на выходе из печи регулируется расходом топлива в печь. Расход воздуха в смеситель поддерживается постоянным при помощи клапа­на на выкиде компрессора. Температурный ре­жим реактора определяется расходом ох­лаждающего воздуха в реактор. Уровень продукта в колонне К-1 регулируется отбором битума.

1.6.5.Техника безопасности

Битумы и гудроны, на­гретые до высокой температуры, в присутствии кислорода воздуха способны самовоспламенять­ся. Резкое изменение расхода воздуха, сырья, рециркулята может вызвать загорание внутри аппаратуры; резкое изменение температуры на выходе из печи может привести к закоксовыванию реактора, внезапному увеличению давле­ния и разрыву аппаратуры. Поэтому на установ­ке кроме обычных мер по герметизации оборудо­вания и тщательного контроля за технологичес­ким режимом следует применять аварийную бло­кировку. С прекращением подачи рециркулята автоматически отключается подача воздуха в смеситель.

1.6.6.Транспортировка битумов

Жидкие и полу­жидкие битумы разливаются в железнодорожные цистерны и полувагоны (бункеры), а также в автобитумовозы. Высокоплавкие битумы затаривают в бумажные мешки или отливают в специальные разборные формы. Мешки и болванки перевозят по железной дороге и автотранспортом.

1.7.Основная аппаратура установок первичной перегонки нефти

На установках первичной перегонки широко используются теплообменные аппараты, ректификационные колонны, трубчатые пе­чи, емкостные аппараты.

1.7.1.Теплообменная аппаратура

Теплообменные аппараты, применяемые на нефтеперерабатывающих заводах, и в частности на установках прямой перегонки, делятся на следующие группы:

  • погружные холодильники;

  • теплообменни­ки типа «труба в трубе»;

  • ко­жухотрубчатые теплообменники;

  • аппараты воздушного охлаж­дения;

  • теплообменники непо­средственного смешения.

П

Рис. 11. Четырехходовой теплообмен­ник типа «труба в трубе»:

1—наружная труба; 2—внутренняя труба;

3— разъемный двойник; 4— приварной двой­ник.


огружные теплообменники представляют собой заполненные водой металлические ящики, в которых расположен один или несколько змеевиков. По змееви­кам движутся охлаждаемые па­ры или жидкость. Эти аппараты занимают много места, имеют низкий коэффициент теплопередачи. Погружные теплообменники применялись в качестве конденсаторов паров ректификационных колонн и концевых холодильников. Эти аппараты полностью усту­пили место более совершенным конструкциям.

Теплообменники типа «труба в трубе» (рис. 11) легко разби­раются для чистки и могут быть использованы при любой разности температур теплообменивающихся сред. Они применяются на уста­новках прямой перегонки для подогрева нефти остаточными про­дуктами— мазутом или гудроном.

К

Рис. 12. Кожухотрубчатый теплообменник с плавающей головкой:

1—корпус; 2— трубный пучок; 3— плавающая готовка; 4—распределительная камера; 5—крышка; 6— днище; 7—опора.


ожухотрубчатые теплообменники получили большое распро­странение на современных НПЗ, существуют кожухотрубчатые теплообменники жесткотрубного типа и с плавающей головкой.

Теплообменники с плавающей головкой (рис. 11)—основной вид теплообменного аппарата современного НПЗ. На установках первичной перегонки нефти они используются для подогрева нефти за счет тепла отходящих продуктов, в качестве водяных кон­денсаторов-холодильников, подогревателей сырья стабилизации и т. д.

Наличие подвижной решетки позволяет трубному пучку сво­бодно перемещаться внутри корпуса, пучок легко удаляется для чистки и замены. На современных установках первичной перегонки применяются теплообменники с плавающей головкой, имеющие по­верхность теплообмена 300—900 м2 и длину трубок 6 и 9 м. Коэффициент теплопередачи в этих аппаратах равен 100— 150 ккал/ (м2 • ч • град}.

Для конденсации и охлаждения продуктов в поверхностных теплообменниках применяется вода. Качество воды на заводах, как правило, невысокое, в ней содержатся посторонние примеси, она сильно минерализована. Поэтому в трубках холодильников от­лагается накипь и органические осадки, трубки подвержены кор­розии со стороны воды. Эти недостатки полностью устраняются при использовании взамен водяного охлаждения воздушного. Стро­ящиеся и проектируемые в настоящее время установки первичной перегонки оснащаются в основном конденсаторами и холодильни­к

Рис. 13. Аппарат воздушного охлаждения горизонтального типа (АВГ).


ами воздушного охлаждения.

Аппараты воздушного охлаждения состоят из пучка труб с коллекторами (сборными трубами), вентилятора с электродвигате­лем, регулирующих устройств и опорной части. Теплопередача в аппаратах воздушного охлаждения (АВО) происходит по прин­ципу противотока. Вентилятором воздух прогоняется через меж­трубное пространство. Пучок труб охлаждается снаружи. За счет теплоотвода через поверхность охлаждается продукт, протекаю­щий внутри трубок. Чтобы воздух равномерно распределялся по всей охлаждающей поверхности труб, вентилятор соединяется с трубными пучками посредством диффузоров.

Т

Рис. 14. Аппарат воздушного охлаждения зигзагообразного типа (АВЗ),


рубы, коллекторы и рамы образуют секции. Коллекторы снаб­жаются съемными крышками или пробками, что создает возмож­ность очистки внутренней поверхности труб.

Чтобы интенсифицировать теплоотдачу от поверхности труб к воздуху, наружная поверхность труб увеличивается с помощью сплошного и частичного оребрения. Отношение полной поверхно­сти ребристой трубы к наружной поверхности гладкой трубы у ос­нования ребра называется коэффициентом оребрения. Чем выше коэффициент оребрения, тем больше коэффициент теплоотдачи от наружной поверхности теплообменных труб к воздуху. Машино­строительной промышленностью выпускаются нормализованные аппараты воздушного охлаждения с коэффициентом оребрения 9 и 14,6.

Существуют аппараты воздушного охлаждения различной кон­струкции, отличающиеся расположением трубных секций. Наибо­лее часто применяются горизонтальные (АВГ, рис. 13) и зигзаго­образные холодильники (АВЗ, рис. 14). Конструкция аппаратов зигзагообразного типа отличается простотой монтажа и обслужи­вания. По сравнению с прочими типами АВО эти аппараты имеют наибольшую поверхность теплообмена и занимают наименьшую площадь. Число ходов в секциях АВЗ может изменяться в широ­ких пределах. На установках первичной перегонки применяются аппараты воздушного охлаждения горизонтального типа поверхностью до 1,8 тыс. м2 и зигзагообразные поверхностью 5—7,5 тыс. м2. Коэф­фициент теплопередачи в аппаратах воздушного охлаждения ра­вен 15—30 ккал/(м2•ч•град) (в расчете на оребренную поверх­ность).

1.7.2.Трубчатые печи

С помощью трубчатых печей технологическим потокам установок прямой перегонки и других технологических установок" сообщается тепло, необходимое для проведения процесса.

Трубчатые печи классифицируются по характерным для них признакам:

  • полезной тепловой мощности;

  • пропускной способ­ности;

  • технологическому назначению;

  • типу теплопоглощающего змеевика;

  • конструктивным особенностям.

П

Рис. 15. Схемы основных типов трубчатых печен:

а — конвекционная печь; б — однокамерная печь с боковым расположением конвекционной камеры; в — однокамерная печь с нижним рас­положением конвекционной камеры; г — однокамерная печь с верх­ним расположением конвекционной камеры; д — вертикальная ци­линдрическая печь; е — однокамерная печь беспламенного горе­ния с панельными горелками; ж — двухкамерная двухпоточная печь с горизонтальным сводом; з — двухпоточная двухкамерная печь с наклонным сводом. 1—горелки (форсунки); 2—радиантный змеевик;3—конвекционный змеевик; 4— дымоход; 5— перевальная стенка; 6— панельные горелки.


олезная тепловая нагрузка — количество тепла, воспринятое продуктом, — выражается обычно в тысячах и миллионах кило­калорий в час. Тепловая нагрузка печей на нефтеперерабаты­вающих заводах колеблется от 500—800 тыс. ккал/ч до 60— 100 млн. ккал/ч. На современных отечественных установках пря­мой перегонки имеются трубчатые печи с полезной тепловой на­грузкой 16, 32, 100 млн. ккал/ч.

По производительности, т. е. по количеству нагреваемого про­дукта в единицу времени, наиболее крупными являются печи пер­вичной перегонки. На установке АТ мощностью 6 млн. т нефти в год в трубчатой печи в течение часа подогревается свыше 900 т сырья.

По технологическому назначению печи нефтеперерабатываю­щих заводов делятся на печи прямой перегонки, термического кре­кинга, каталитического риформинга и др. На нефтеперерабатывающих заводах эксплуатируются труб­чатые печи самых разнообразных конструкций. Существуют печи отличающиеся по способу передачи тепла (радиантные, конвек­ционные, радиантно-конвекционные), по количеству топочных ка­мер (однокамерные и многокамерные), по способу сжигания топ­лива (печи с пламенным и беспламенным горением), по типу об­лучения труб (с односторонним и двусторонним облучением), по числу потоков нагреваемого сырья (одно-, двух- и многопоточ­ные), по форме камеры сгорания (цилиндрические, коробчатые и т. д.), по расположению труб змеевика (печи с горизонтальным и вертикальным расположением труб). Схемы основных типов трубчатых печей приводятся на рис. 15.

Основными теплотехническими показателями, характеризую­щими печь с точки зрения эффективности ее работы, являются теплонапряженность поверхности нагрева и коэффициент полезного действия печи, Теплонапряженностью поверхности нагрева называется коли­чество тепла, переданное через 1 м2 поверхности нагрева в час. Допустимая теплонапряженность поверхности нагрева зависит от температуры стенки трубы, от температуры и скорости движения продукта, от свойств нагреваемого продукта. Теплонапряженность поверхности нагрева, как правило, должна быть тем меньше, чем более смолист и склонен к образованию кокса продукт, нагревае­мый в печи, чем ниже его скорость при движении по трубам, чем выше требуемая конечная температура нагрева продукта [12].

Теплонапряженность поверхности нагрева в радиантных трубах выше, чем в конвекционных. Средняя теплонапряженность радиантных труб составляет (в тыс. ккал/м2): при первичной пере­гонке нефти 25—50, при перегонке мазута 20—30, при термическом крекинге 20—40.

Коэффициентом полезного действия печи называется отноше­ние полезного используемого тепла к общему количеству тепла, вы­деленного при сгорании топлива. Перед конструкторами печей сто­ит задача добиться повышения к. п. д. печи. В печах, построенных на установках первичной перегонки мощностью 1, 2 и 3 млн. т в год в 1950—70 гг., этот показатель не превышал 60—65%. Но­вые конструкции печей, разрабатываемые в нашей стране и за рубежом, имеют более высокий к. п. д. — ~ 80% и выше.

На нефтеперерабатывающих заводах широко распространены одно- и двускатные трубчатые печи шатрового типа.

С

Рис. 16. Двускатная трубчатая печь шатрового типа:

I — выход продукта; II — вход продукта: III — газы в дымовую трубу.


хематический разрез двускатной печи приведен на рис. 16. Печь состоит из двух радиантных камер и одной конвекционной. Конвекционная камера отделена от радиантных стенками из огне­упорного кирпича. Эти стенки называются перевальными. Дымо­вые газы удаляются из печи через дымоход (боров), который начи­нается в нижней части конвекционной камеры, и дымовую трубу.

Трубы змеевика крепятся к стенкам радиантной камеры печи при помощи подвесок и кронштейнов из жаропрочной стали, а в конвекционной камере укладываются на специальные решетки. Между собой они соединяются сварными калачами или разъем­ными переходами-двойниками. В радиантной камере имеются две группы труб—нижняя (подовый экран) и верхняя (потолочный экран).

Шатровые печи, несмотря на их универсальность, простоту в эксплуатации, в настоящее время не сооружаются. Их основной недостаток—низкие технико-экономические показатели. Коэффи­циент полезного действия этих печей не превышает 50—60%, так как почти нигде не используется тепло дымовых газов. Эти печи эксплуатируются с большим коэффициентом избытка воздуха, что также сказывается на к. п. д. печи. Шатровые печи требуют много места, для их сооружения расходуется большое количество леги­рованного металла.

Недостатки печей шатрового типа и других устаревших конст­рукций устраняются в конструкциях новых печей. К печам нового типа относятся трубчатые печи с излучающими стенками из па­нельных горелок, печи объемно-настильного пламени, вертикаль­но-факельные печи, разработанные институтом ВНИИНефтемаш, а также вертикальные трубчатые печи, разработанные в институте Ленгипрогаз.

О

Рис. 17. Вертикально -секционная трубчатая печь

1 – каркас-кожух; 2 – футеровка; 3 – радинатная часть змеевика; 4 – конвекционная часть змеевика; 5 – инжекционная горелка.

собенностью вертикальных печей является вертикальное рас­положение труб в радиантных змеевиках этих печей. Вертикальные трубчатые печи подразделяются на вертикальные цилиндрические и вертикальные секционные.

Вертикальные цилиндрические печи имеют тепловую произво­дительность от 1,5 до 12 млн. ккал/ч.

Вертикальные секционные печи наиболее часто применяются для современных установок прямой перегонки. Тепловая произво­дительность этих печей колеблется от 10 до 100—125 млн. ккал/ч.

Устройство вертикальной секционной печи показано на рис. 17. Печи этого типа состоят из ряда секций одинаковой теплопроизводительности и размеров.

Количество секций зависит от необходимой теплопроизводительности печи. Каждая секция состоит из радиантной и конвекционной камер, причем радиантные части всех секций печи объединяются в общий металлический сварной футерованный изнутри корпус.

Радиантная часть печи имеет в плане форму прямоугольника. В днище радиантных камер расположены форсунки. Чтобы улуч­шить обслуживание форсунок, печь приподнимается над землей на металлических стойках каркаса. Трубы змеевика располагаются внутри камеры, причем если печь состоит из одной секции, то все трубы змеевиков расположены у стен печи. Если в печи имеется несколько секции, то наряду с однорядными экранами по­являются двухрядные, распо­ложенные между топочными пространствами секции.

Сверху каждой радиантной камеры помещается конвек­ционная камера, которая так­же имеет прямоугольную фор­му, футерована легким жаро­стойким бетоном и содержит пакет горизонтальных ошипованных труб. Конвекционная камера заканчивается сборни­ком продуктов сгорания, имею­щим форму усеченной пира­миды. Продукты сгорания за­тем уходят в дымовую трубу. Дымовые трубы могут быть сооружены для каждой сек­ции отдельно или быть об­щими для нескольких сек­ций.

В вертикально-секционных печах с дымовыми газами уходит большое количество тепла, которое следует утили­зировать, используя, например, для выработки водяного пара. Испарительные секции котлов-утилизаторов располагаются над конвекционным змеевиком в каждой конвекционной ка­мере. Корпусом котла-утили­затора служит нижняя пря­моугольная часть сборника продуктов сгорания.

Преимущества вертикаль­ных трубчатых печей перед пе­чами других типов заклю­чаются в следующем:

  • уменьшение расхода ле­гированного металла на под­вески и опоры труб змеевика, поскольку количество крепле­ний уменьшено и они вынесены за пределы обогреваемой зоны;

  • значительное уменьшение габаритов и площади, занимае­мой печами;

  • повышение к. п. д. до 80—85% за счет утилизации тепла и некоторого уменьшения потерь тепла через наружные стены;

  • значительное снижение расхода футеровочного материала, благодаря применению легкого жаростойкого бетона.

1.7.3.Ректификационные колонны

В

Рис. 18. Схемы работы колпачковой тарелки:

1 — патрубок; 2 — колпачок; 3 — диск тарелки; 4— сливная труба; 5— сливная перегородка. H—высота уровня жидкости в слив­ном стакане; hст—высота ствкана; hсл высота подпора при сливе жидкости; lсл высота выступающей над тарелкой части сливной перегородки или трубы.


зависимости от внутреннего устройства колонны делятся на тарельчатые и насадочные. На большинстве технологических установок современного нефтепере­рабатывающего завода применяются только тарельчатые колонны.

Существуют ректификационные тарелки различных типов— колпачковые (рис. 18), бесколпачковые, струйно-направленные и др [33].

Колпачковая тарелка представляет собой металлический диск, в котором имеется множество отверстий для прохода паров. По периметру отверстий закреплены бортики определенной высоты, называемые стаканами, благодаря которым на тарелке поддер­живается определенный слой жидкости. Сверху стаканы накры­ваются колпачками. Между верхним срезом стакана и колпачком имеется зазор для прохода паров, поступающих с нижележащей тарелки. При работе колпачки погружены в слой жидкости, и вследствие этого образуется гидравлический затвор, через кото­рый барботируют пары.

Уровень жидкости на тарелках поддерживается сливными пере­городками (сливными карманами), нижняя часть которых доходит до следующей тарелки. Избыток жидкости по сливным карманам спускается на нижележащую тарелку. Положение колпачков мож­но регулировать, изменяя размер зазора между колпачком и верх­ним срезом стакана. Очень важно, чтобы тарелки размещались в колонне строго горизонтально и чтобы все колпачки были одинако­во погружены в жидкость на тарелке. Если эти требования не вы­полнены, то в какой-либо части тарелки толщина слоя жидкости будет меньше. Через эту часть тарелки начнет проходить большее количество жидкости, и многие колпачки на остальной части та­релки перестанут работать.

Наиболее распространены колпачковые тарелки желобчатого типа, тарелки с S-образными элементами, с круглыми колпачками и тарелки клапанного типа.

Ж

Рис. 19. Тарелка с желобчатыми колпачками:

1—корпус колонны; 2—глухие сегменты; 3—карманы; 4, 7—сливная перегородка; 5— колпачок; 6— желоб.


елобчатые тарелки имеют простую конструкцию и весьма лег­ко монтируются (рис. 19). Тарелка представляет собой прямоуголь­ник или квадрат, вписанный в поперечное сечение колонны. Один из сегментов, отделяемых этим прямоугольником, служит сливным устройством данной тарелки, другой — сливным устройством вы­шележащей. Два сегмента тарелки — глухие.

Тарелка состоит из нескольких желобов, прикрепленных к опор­ным уголкам. Над желобами располагаются колпачки, монтируе­мые на нужной высоте. Жидкость движется по тарелке вдоль колпачков. Основной недостаток желобчатых тарелок заключается в малой площади барботажа (до 30% от площади тарелки), что спо­собствует увеличению скорости паров и уносу флегмы.

В

Рис. 20. Тарелка из S-образных элементов:

1—S-образный элемент; 2—плоский сегмент; 3—карман; 4—сливная перегородка; 5—опорная полоса; б—струб­цина-скоба; 7—первый элемент; 8—колпачок.


отличие от желобчатых тарелок в тарелках с S-образными элементами (рис. 20) жидкость, направляясь к сливному устрой­ству, движется поперек колпачков, а сами колпачки представляют одно целое с желобом. Каждый S-образный элемент состоит из колпачковой и желобчатой части. При сборке их располагают таким образом, чтобы колпачковая часть одного элемента перекрывала желобчатую часть другого, образуя гидравлический затвор.

Тарелки из S-образных элементов предназначены для колонн, работающих при атмосферном или невысоком давлении, для них характерна устойчивая равномерная работа при изменении нагру­зок. Производительность тарелок на 20% выше, чем желобчатых.

Еще более эффективны для колонн, работающих при перемен­ных нагрузках по пару и жидкости, а также для колонн, в которых требуется добиться повышенной четкости разделения, клапанные прямоточные тарелки. Основной элемент такой тарелки — клапан (рис. 21), который под действием паров приподнимается над по­лотном тарелки на различную высоту. В отличие [33] от прочих колпачковых тарелок, работающих в статичном режиме, для клапанных тарелок характерен динамический, переменный режим работы.

П

Рис. 21. Клапанные колпачки — прямоугольный (а) и круг­лый (б):

1— клапан; 2— удерживающая скоба.


одвижные клапаны в зависимости от паровой нагрузки подни­маются или опускаются, регулируя площадь свободного сечения тарелки. Благодаря такой конструкции, в широком пределе нагру­зок, определяемом возможной длиной хода клапана, скорость па­ров существенно не меняется.

Из бесколпачковых тарелок применение в последние годы на­шли решетчатые тарелки провального типа и сетчатые тарелки с отбойными элементами.

О

Рис. 22. Схема работы сложной ректификационной колонны с выносными от­гонными секциями:

I—сырье; II—ректификат; III, IV, V— боковые погоны; VI­остаток; VII—водяной пар.


сновным показателем для тарелок с переливами является ско­рость паров в свободном сечении колонны. Скорость паров [33] в ко­лоннах установок первичной перегонки зависит от типа тарелки, расстояния между тарелками, нагрузки тарелки по жидкости, фи­зических свойств разделяемых продуктов и других факторов. Она составляет: в атмосферной колонне 0,6—0,9 м/сек, в отбензинивающей 0,2—0,3 м/сек, в стабилизаторе 0,15—0,2 м/сек, в вакуумной 2—3 м/сек.

На установках первичной перегонки нефть требуется разделить на большое количество фракций. Поскольку одна обычная ректи­фикационная колонна может обеспечить разделение смеси только на две фракции, на современных перегонных установках широкое распространение получили сложные колонны, в которых как бы совмещается несколько простых колонн (рис. 22).

Нагретая в печи нефть поступает в среднюю часть секции 1 и разделяется на жидкую и паровую фазы. Жидкая фаза опускается по тарелкам нижней (отгонной) части секции и при этом из нее от­гоняются легкие фракции. Для улучшения условий отгонки легких фракций в нижнюю часть отгонной секции вводится водяной пар.

Паровая фаза поднимается по тарелкам верхней концентрацион­ной части секции 1, постепенно облегчается по составу и затем по­ступает в секцию 2. Секция 1 представляет собой полную ректифи­кационную колонну, остатком которой является мазут, а дистилля­том — смесь бензиновых, керосиновых, дизельных фракций. Эта смесь служит сырьем секции 2. В секции 2 от смеси отделяется тя­желая дизельная фракция (300—350° С), которая частично перетекает в секцию 1, являясь ее орошением, а частично по­ступает в отдельно расположенную от­гонную часть. Здесь тяжелая дизельная фракция дополнительно ректифици­руется. Для облегчения удаления лег­ких компонентов в нижнюю часть отгон­ной секции также вводится водяной пар, как и в нижнюю часть основной колонны [12].

В секции 8 отделяется легкая дизель­ная фракция, а в секции 4—керосиновая. Как и секция 2, секции 3 и 4 представ­ляют концентрационные части простых колонн. Отгонные части этих колонн также выделены в самостоятельные ко­лонны. Готовые продукты — керосино­вая, легкая и тяжелая дизельная фрак­ции — отбираются с низа отгонных сек­ций, а отогнанные легкие фракции совме­стно с водяным паром отводятся в ос­новную колонну. С верха основной ко­лонны уходит смесь водяного пара и па­ров самого легкого дистиллята — бензи­нового.

При сооружении сложных колонн рас­ходуется гораздо меньше металла, чем для нескольких простых колонн, упроща­ется обслуживание, уменьшается коли­чество коммуникаций. Сложные колонны применяются в тех слу­чаях, когда не требуется особенно высокой четкости разделения продуктов. Для четкого и сверхчеткого фракционирования (при вторичной перегонке бензинов, газоразделении) обычно устанавли­вается несколько простых ректификационных колонн, в каждой из которых выделяется один или два целевых компонента.

Способы создания орошения. Чтобы обеспечить нор­мальное проведение процесса ректификации, в колонне необхо­димо создать поток орошения (флегмы). В промышленной прак­тике применяются три основных способа создания орошения: с при­менением поверхностного парциального конденсатора; холодным, испаряющимся (острым) орошением; циркуляционным, неиспаряю­щимся орошением.

С

Рис. 23. Схемы орошения ректификационных колонн: а — с примене­нием парциального конденсатора; б — с применением холодного (острого) орошения; в — циркулирующее орошение.

I—пары из колонны; II—орошение; III—вода; IV—пары продукта; V—балан­совый ректификат.

1—колонна; 2— парциальный конденсатор; 3—конденсатор-холодильник; 4—рефлюксная емкость; 5— насос; 6—теплообменник (холодильник).


хемы создания орошения приводятся на рис. 23. Парциальный [35] конденсатор представляет собой трубчатый теплообменный аппа­рат, устанавливаемый непосредственно на колонне. В трубки аппа­рата подается вода или холодное сырье. Конденсат, образующийся в межтрубном пространстве, стекает обратно в колонну в виде флегмы.

При съеме тепла острым орошением на верх колонны по­дается насосом холодная жидкость, соответствующая по составу ректификату. Эта жидкость, контактируя на верхней тарелке с па­рами, поднимающимися с нижних тарелок, испаряется. Поднимаю­щиеся снизу пары охлаждаются, частично конденсируются. Обра­зовавшийся конденсат стекает на следующую тарелку в качестве орошения. Пары орошения и испарившегося на верхней тарелке продукта уходят в конденсатор-холодильник 3. После конденсации продукт собирается в емкости 4, откуда ректификат отводится в качестве товарного продукта, а орошение вновь возвращается в ко­лонну.

С помощью циркулирующего, неиспаряющегося орошения теп­ло отводится как из верхней части колонны, так и из промежуточ­ных сечений. Схема съема тепла циркулирующим орошением сле­дующая: жидкость забирается насосом 5 с какой-либо тарелки, про­качивается через холодильник или теплообменник 6 и возвращается в колонну на вышележащую тарелку.

Сравнивая различные методы создания орошения, следует отме­тить, что применение парциального конденсатора связано с боль­шими неудобствами. При высокой производительности установок размеры парциальных конденсаторов растут и становится трудно размещать их над колонной. Кроме того, возникают сложности в регулировании температуры колонны, так как быстро изменить ко­личество подаваемого из парциального конденсатора орошения не­возможно.

При отводе тепла острым орошением конденсатор можно раз­мещать на любой высоте, сооружение и эксплуатация конденсато­ров в этом случае много проще. Однако применение острого ороше­ния требует установки специальных насосов для подачи орошения и затраты электроэнергии.

На современных установках по перегонке нефти используются комбинированные схемы орошения. Так, в сложных атмосферных колоннах сочетается острое и циркулирующее орошение. В слож­ных колоннах вес ректификата при переходе от первой (нижней) простой колонны (секции) к верхней сокращается, а вес флегмы (если в колонну подается только острое орошение) должен в той же последовательности увеличиваться. Дело в том, что через сек­ции, расположенные выше, должно проходить такое количество флегмы, которого было бы достаточно не только для данной колон­ны, но и для колонн, расположенных ниже. Таким образом, выше­лежащие секции оказываются перегруженными жидкостным пото­ком, величина которого значительно превышает необходимое для данной секции орошение. При переходе на комбинированную схему в виде острого орошения вводится только то количество флегмы, которое необходимо для верхней секции колонны. В остальных сек­циях флегма создается с помощью циркулирующего орошения, ко­торое забирается с нижележащей тарелки соответствующей секции, охлаждается и подается на верхнюю тарелку этой секции. В атмос­ферных колоннах современных установок первичной перегонки имеется 2—3 циркулирующих орошения. Число промежуточных орошении, как правило, на единицу меньше числа отводимых боко­вых погонов.

Внедрение промежуточных циркулирующих орошении позво­ляет улучшить условия регенерации тепла на установке, так как температура отводимого циркулирующего орошения выше темпера­туры острого орошения и дает возможность значительно разгрузить верхнюю часть атмосферной колонны и конденсаторы-холодильни­ки. В многосекционных вакуумных колоннах орошение создается исключительно с помощью потоков циркулирующих орошении.

Способы создания вакуума. Вакуум в колоннах со­здается с помощью вакуум-насосов или пароструйных эжекторов. Вакуум-насосы по принципу действия аналогичны компрессорам. Существуют поршневые, ротационные и водокольцевые вакуум-насосы.

П

Рис. 24. Пароэжекторные агре­гаты — одноступенчатые (а) и двухступенчатые (б).


ринцип работы пароструйных эжекторов — использование кинетической энергии водяного пара. Эжектор (рис. 24) состоит из парового сопла 1, диффузора 3 и головки 2, соединяющей сопло с диффузором. Струя пара с большой скоростью вытекает из сопла, захватывает отсасываемую газожидкостную смесь и вместе с ней выбрасывается в атмосферу [35].

Чтобы создать небольшой вакуум (до 680 мм рт. ст.}, исполь­зуют одноступенчатые эжекторы. Если требуется более глубокий вакуум, применяют многоступенчатые пароэжекторные агрегаты, снабженные промежуточными конденсаторами (рис. 24). В конден­саторах рабочий пар и газы, выходящие из предыдущей ступени, конденсируются и охлаждаются.

Эжекторами и вакуум-насосами из вакуумных колонн отсасы­ваются газы разложения, водяной пар, подаваемый в колонны для улучшения ректификации, а также воздух, попавший в аппаратуру вследствие ее недостаточной герметичности. Схемы конденсации паров, уходящих из вакуумных колонн, изображены на рис. 25.

В

Рис. 25. Схемы конденсации паров, уходящих из вакуумной колонны: а — с конденсатором смешения; б — с поверхностным конденсатором.

I—водяной пар; II—вода; III—уловленный нефтепродукт; IV—вода, за­грязненная нефтепродуктами; V—нескондевсировавшиеся газы (выхлоп эжектора). 1—колонна; 2—барометрический конденсатор; 3—барометрическая труба: 4— эжектор; 5— промежуточный конденсатор эжектора; 6 — барометрический колодец.

схеме на рис. 25а, основным аппаратом, применяемым для конденсации, является барометрический конденсатор смешения. Он представляет собой цилиндрический аппарат с каскадными ситчатыми тарелками, под нижнюю из которых поступают пары с верха вакуумной колонны. Охлаждающая вода подается на верх­нюю тарелку [35]. Сконденсировавшиеся нефтяные пары и вода сли­ваются по трубе 3 в барометрический колодец 6, а газ с верха ба­рометрического конденсатора отсасывается паровыми эжекторами или вакуум-насосами 4. Существенный недостаток схемы а состоит в том, что при непосредственном смешении с нефтяными парами охлаждающая вода сильно загрязняется сероводородом и нефте­продуктами. Экспериментально установлено, что в воде конденса­торов содержится до 5% от получаемой на АВТ дизельной фрак­ции.

Вода, загрязненная нефтепродуктами, попадает затем в сточ­ные воды завода, загрязняя почву и водоемы.

В схеме на рис. 25, б опасность загрязнения воды устранена. Па­ры с верха вакуумной колонны поступают в кожухотрубчатый по­верхностный теплообменник, где конденсируется основная часть водяных паров и унесенных нефтяных фракций. Затем конденсат и пары поступают в вакуум-приемник, из которого несконденсировав­шиеся пары отсасываются эжекторами. Конденсат по барометриче­ской трубе поступает в отстойник-колодец. Сюда также подаются паровые конденсаты из межступенчатых конденсаторов эжектора. Вода из отстойника сбрасывается в канализацию. Как показал опыт эксплуатации на нескольких нефтеперерабатывающих заво­дах, в этой воде почти не содержится сероводорода. Основное его количество находится в газах, выбрасываемых из последней сту­пени эжектора. Эти газы предложено очищать от сероводорода. Нефтепродукт, отделенный от воды в отстойнике-колодце, возвра­щается в линию дизельного топлива.

Современные схемы создания вакуума обеспечивают поддержа­ние в колоннах АВТ остаточного давления 40—70 мм рт. ст.

1.8.Меры борьбы с коррозией

Причины коррозии при переработке сернистых нефтей. Нефть, добываемая в промысловых районах Татарии и Башкирии, а также на некоторых месторождениях других районов, содержит от 1,5 до 3% серы [7, 10]. При переработке этой нефти выделяется большое коли­чество коррозионноактивных соединений — сероводорода и меркап­танов.

Сероводород активно воздействует на сталь, из которой выпол­нена технологическая аппаратура. Образуются продукты коррозии, состоящие из различных сульфидов железа. Скорость коррозии уг­леродистой стали в среде влажного сероводорода составляет 0,3—1,5 мм в год. Если учесть, что, например, трубки теплообмен­ников имеют толщину 2—2,5 мм, то понятно, какой ущерб ежегодно наносится народному хозяйству сероводородной коррозией металла.

Другой причиной коррозии является наличие в поступающих на заводы нефтях высокоминерализованных, содержащих большое количество солей, пластовых вод. На многие установки первичной перегонки даже после двух- и трехступенчатого обессоливания поступает нефть, в которой содержится более 20 мг/л солей. При нагреве такой нефти до 350 °С соли (в основном, хлориды) разла­гаются. Образуется хлористый водород, который в присутствии вла­ги обладает высокой коррозионной способностью. Скорость корро­зии черных металлов в присутствии влажного хлористого водорода в 10—20 раз выше, чем в присутствии сероводорода. Показателем интенсивности коррозии служит рН воды, удаляемой из рефлюксных емкостей отбензинивающей и атмосферной колонн, а также со­держание в этой воде иона железа.

Методы борьбы с коррозией. Для уменьшения коррозии на установках первичной перегонки нефти применяются следующие методы:

  • глубокое обессоливание и обезвоживание нефти;

  • до­бавка нейтрализующих веществ;

  • использование коррозионно-стойких металлов и лакокрасочных покрытий;

  • введение ингиби­торов коррозии.

Глубокое обессоливание нефти — одно из главных условий сни­жения коррозии аппаратуры. Однако следует иметь в виду, что и при глубоком обессоливании коррозия полностью не устраняется. При обессоливании в первую очередь удаляются хлориды натрия, а менее стабильные хлориды кальция и магния остаются в нефти.

Для подавления хлористоводородной коррозии на перегонных установках нефть подщелачивается. С этой целью применяют раствор едкого натра или смесь растворов соды и щелочи. Подщелачиванием можно уменьшить скорость коррозии в 10—20 раз.

Наряду с подщелачиванием нефти на многих установках пер­вичной перегонки применяется подача в верхнюю часть атмосфер­ной и отбензинивающей колонн аммиака. Расход аммиака регули­руется в зависимости от рН дренируемой из рефлюксных емкостей воды. Подачей аммиака коррозию снижают на 60—80%.

Аммиак целесообразно применять только для подавления кор­розии черных металлов (чугуна и стали). Если аппаратура изго­товлена из цветных металлов и сплавов, то при неосторожном применении аммиака коррозия может даже усилиться. Аммиак по­дается в виде водного раствора концентрацией 5—7% или в газо­образном виде. Первый способ более эффективен, так как предот­вращает загрязнение аппаратуры солями аммония.

Наиболее интенсивно корродируют на [10] установках прямой пере­гонки печные трубы, линии горячих остатковых продуктов (мазута и гудрона), верхняя часть атмосферной колонны, конденсационно-холодильная аппаратура. Чтобы увеличить срок службы обору­дования, на этих участках применяются более коррозионностойкие материалы—легированные стали Х5М и 0Х13, латунь, сплав ни­келя и меди, называющийся монельметаллом. Для удешевления аппаратуры ее изготовляют из двухслойного металла — внутрен­няя, подверженная действию вредных соединений поверхность вы­полняется из легированного металла, а наружная — из углероди­стой стали.

Наибольший эффект в борьбе с коррозией на установках пря­мой перегонки дает применение специальных ингибиторов (замед­лителей) коррозии. Ингибиторы, как правило, представляют собой органические вещества, которые образуют защитную пленку на по­верхности металла.

На отечественных заводах применяются ингибиторы коррозии ИКБ-1 и ИКБ-2. ИКБ-1 представляет собой смесь азотистых и сер­нистых соединений, извлекаемых из тяжелых фракций нефти. Он применяется в виде раствора в смеси бензина и ароматических уг­леводородов. Количество подаваемого ингибитора составляет около 0,005% на поток бензина, проходящего через конденсатор-холо­дильник. Вместе с ИКБ-1 подается аммиак. Скорость коррозии чер­ных металлов при совместном применении ИКБ-1 и аммиака уменьшается на 85—90%. Недостатком ИКБ-1 является то, что при его использовании увеличивается содержание смол и азота в прямогонном бензине.

Более эффективен ингибитор ИКБ-2, представляющий собой твердую пасту, которую растворяют в воде или масле. Полученный 3—5% раствор подается в шлемовую линию атмосферной колонны в количестве около 0,001% на бензин.

1.9.Основы эксплуатации перегонных установок

1.9.1.Пуск установки

Ввод установки в эксплуатацию [6] состоит из нескольких этапов: холодной циркуляции, опрессовки аппаратов, горячей циркуляции, вывода установки на режим. При холодной циркуляции нефть из сырьевого резервуара забирают насосом, прокачивают через основную аппаратуру установки и возвращают по сырьевой линии в резервуар. Назначение этой операции—тща­тельная проверка герметичности всех соединений, наладка работы насосов и контрольно-измерительных приборов.

Горячая циркуляция предназначена для плавного прогрева аппаратуры и оборудования, удаления из системы воды. После включения в работу конденсаторов-холодильников ректификаци­онных колонн продувают паром камеры сгорания печей и зажи­гают с помощью форсунки печи.

Подъем температуры в аппаратах ведут постепенно. После до­стижения на верху колонн температуры 100—105° С дальнейший подъем температуры временно прекращают. Выдержка необхо­дима для полного испарения воды из системы. Удалив оконча­тельно всю воду, возобновляют подъем температуры со скоро­стью 25—30 град/ч. Температура поднимается до тех пор, пока не будет достигнута предусмотренная нормами технологического ре­жима величина в трансферной линии (линии подачи сырья из печи в колонну). Затем начинают налаживание нормального технологи­ческого режима на установке.

Вывод установки на режим производится в следующей после­довательности. Как только будет достигнут нормальный уровень бензина в рефлюксных емкостях, включают насосы и начинают подачу орошения в колонны. Регулируя расход орошения, устанав­ливают заданную температуру верха колонн, после чего налажи­вают работу систем циркулирующих орошении, затем в К-2 по­дают водяной пар, открывают задвижки между атмосферной и отпарными колоннами, начинают подачу пара и в эти ко­лонны.

По мере появления уровня жидкости в отпарных колоннах включают насосы откачки. Однако керосиновые и дизельные фрак­ции не сразу выводят в товарные резервуары, а первоначально сбрасывают в сырье установки. Так поступают до тех пор, пока не будет получено подтверждение из лаборатории, что эти фрак­ции по качеству соответствуют нормам.

1.9.2.Остановка установки

Плановая остановка на ремонт установки первичной перегонки ведется следующим образом. Постепенно снижают температуру на выходе нефти из печи и уменьшают до 50% производительность установки [3, 6]. После того как температура на выходе из печи снизится до 320° С, установку переводят на го­рячую циркуляцию—прием сырья и вывод продуктов прекра­щается. Затем приостанавливают подачу острого водяного пара в колонны, перекрывают линии перетока боковых фракций из атмо­сферной колонны в отпарные секции, откачивают оставшиеся в отпарных секциях нефтепродукты в резервуар «некондиции» (не­качественного продукта), находящийся в промежуточном парке установки.

Далее останавливают насосы циркулирующих орошении, но подачу острого орошения продолжают еще некоторое время, что­бы постепенно охладить колонну. Прекращение подачи острого орошения и отключение всех насосов и вентиляторов воздушных холодильников производится после того, как исчезнет уровень жидкости в рефлюксных емкостях. После снижения температуры на выходе из печи до 250° С ту­шат все форсунки и перекрывают задвижки на линиях подачи топ­лива. Когда температура низа колонн К-1 и К-2 снизится до 150— 160° С, горячая циркуляция прекращается.

После того как установка остановлена, проводят тщательную подготовку аппаратуры к ремонту. Змеевики печных труб, все ап­параты и трубопроводы полностью освобождаются от нефтепро­дуктов, продуваются водяным паром (пропариваются). Помимо пропарки на всех установках начинают практиковать продувку аппаратуры перед ремонтом инертным газом.


1.9.3.Контроль и регулирование работы установок

Работа установ­ки первичной перегонки, как и любой другой технологической уста­новки, регулируется производственным персоналом с помощью контрольно-измерительных приборов, а также путем непосредст­венного контроля за состоянием аппаратуры, оборудования, ком­муникаций, лабораторных анализов качества сырья и получаемой продукции [6].

Установки первичной перегонки нефти оснащены большим ко­личеством приборов для измерения и автоматического регулиро­вания расхода, температуры, давления и уровня продуктов в ап­паратах и трубопроводах. На современной установке АВТ имеется более 2 тыс. приборов автоматического контроля и регулиро­вания.

На рис. 26 приводится схема регулирования работы атмосфер­ной ректификационной колонны и отгонных колонн. Основные регулируемые параметры в атмосферной колонне следующие:

  • температура верха колонны;

  • температура верхней части секций колонны;

  • давление;

  • расход пара в колонну;

  • уровень жидкости в колонне.

Температура верха колонны зависит от того, какой конец ки­пения должен иметь бензиновый погон, отбираемый в этой ко­лонне. Она поддерживается постоянной за счет подачи определен­ного количества острого орошения. Задание регулятора темпера­туры 1 связано с выходным сигналом анализатора конца кипения бензиновой фракции типа АКР. Если при заданной температуре верха колонны качество бензина будет изменяться, например, за счет изменения состава сырья, то АКР изменит задание регулятору температуры, который изменит последнюю. Новая температура будет поддерживаться другим количеством орошения на другом постоянном значении, соответствующем заданному концу кипения бензина.

Т

Рис. 26. Принципиальная схема регулирования атмосферной колонны.

емпература верхней части секции колонны регулируется изме­нением количества подаваемого циркулирующего орошения—при­бор 8. Давление в колонне поддерживается постоянным с помо­щью регулятора давления 2.

Расход пара в колонне также поддерживается постоянным с помощью соответствующих приборов 4. Для поддержания уровня жидкости в колонне служит регулятор уровня 5; кроме того, об изменении уровня выше или ниже допустимого предела оператор получает соответствующий световой и звуковой сигнал.

В отгонных колоннах регулируется уровень изменением коли­чества отводимых продуктов (приборы 7 и 8}, а также качество выводимых фракций. На линиях подачи пара в отгонные колонны устанавливается регулятор расхода, а на линиях вывода кероси­новой и дизельной фракций—датчики температуры вспышки. Датчики, состоящие из первичных и вторичных приборов, анали­зируют температуру вспышки и выдают сигнал регулятору рас­хода пара. При повышенной подаче пара растет количество отпа­риваемых легких фракций [18].

Нормальная эксплуатация установки первичной перегонки во многом зависит от технологического режима печей. Схема регули­рования трубчатой печи приводится на рис. 27. Основной регули­руемый параметр в трубчатой печи — температура нагреваемого продукта на выходе из печи. Необходимо, чтобы температура эта поддерживалась постоянной.

В настоящее время на нефтеперерабатывающих заводах приме­няется схема связанного регулирования температурного режима трубчатых печей. В системе имеются два регулятора 2 и 3. Один из них 2 поддерживает постоянной температуру дымовых газов над перевальной стенкой печи. При отклонении температуры от заданного значения регулятор с помощью клапана 1 изменяет по­дачу топлива в печь.

При постоянстве температуры, состава и расхода нагреваемого продукта и при неизменном состоянии змеевика печи температура продукта на выходе из печи б

Рис. 27. Принципиальная схема регулирования трубчатой печи.

удет постоянной. Однако эти пара­метры могут изменяться, а следовательно будет меняться и тем­пература продукта на выходе. Чтобы стабилизировать темпера­туру продукта, на выходе его из печи установлен регулятор 3, со­единенный с термопарой 5, который при изменении температуры меняет задание регулятору 2 и, следовательно, изменяет в допу­стимых пределах температуру дымовых газов над перевалом за счет изменения подачи топлива.

На температурный режим нефтезаводских печей влияет также равномерность подачи продукта в печь. Поскольку при частом изменении расхода продукта меняется температура в печи и уменьшается продолжительность безаварийной эксплуатации труб змеевика печи, расход продукта в печь следует поддерживать по­стоянным. Для поддержания постоянства расхода продукта на вы­ходной линии насоса устанавливается диафрагма 6, связанная с регистрирующим прибором и регулирующим блоком 8. Регулирую­щий блок в соответствии с установленным заданием действует на клапан 7.

1.9.4.Лабораторный контроль качества сырья и продукции

Благо­даря лабораторному контролю персонал установок получает дополнительные сведения, позволяющие правильно вести техноло­гический процесс.

В лаборатории исследуется качество нефти, поступающей на перегонную установку, и продукции, уходящей с установки. При анализе нефти определяется ее плотность, содержание солей, воды, светлых фракций. Анализ бензиновых фракций состоит в опреде­лении октанового числа, наличия или отсутствия активных серни­стых соединений (проба на людную пластинку). Проводится так­же фракционная разгонка бензина. Для средних дистиллятов— керосиновой и дизельной фракции—в лаборатории проводят ана­лизы фракционного состава, вязкости, температуры вспышки и за­стывания или помутнения [22].

Если в результате лабораторного анализа выясняется, что про­дукция не соответствует нормам, оператор должен немедленно определить причину этого и в случае необходимости изменить ре­жим работы установки или отдельных аппаратов.

На лабораторный анализ затрачивается много времени, его результаты поступают на установку через 1,5—2 ч после отбора пробы, т. е. тогда, когда оператор уже не может исправить каче­ство выпущенной за это время продукции. Кроме того, лаборатор­ным контролем занимается большое количество людей. Поэтому основное направление технического прогресса и совершенствова­ния установок первичной перегонки состоит в значительном увели­чении степени автоматизации, переходе к автоматическому конт­ролю качества продукции.

Разработанные в последние годы анализаторы качества на по­токе позволяют не направлять отбираемые пробы сырья и продук­ции в цеховую или заводскую лабораторию, а получать результат анализа [23] сразу же, непосредственно на установке. В перспективе, связав анализаторы качества с регуляторами технологического режима, можно будет добиться полной автоматизации технологи­ческого процесса. Анализаторы качества, определяющие фракци­онный состав, температуру вспышки, плотность продукта, уже ра­ботают на многих установках прямой перегонки.

1.9.5.Организация и учет работы установки

С помощью регистри­рующих и показывающих приборов, а также руководствуясь дан­ными лабораторных анализов, оператор имеет возможность непре­рывно следить за эксплуатацией установки, соблюдением техно­логического режима.

Основным документом, в котором определены [12] требования к технологическому процессу, является технологический регламент. В регламенте приводится характеристика изготавливаемой про­дукции, сырья и полуфабрикатов, описание технологического про­цесса, нормы технологического режима, описываются возможные неполадки, причины и способы их устранения. Особое место уде­лено аналитическому контролю производства, основным правилам безопасного ведения технологического режима и правилам аварий­ной остановки производства.

Технологические регламенты составляются сроком на три года, согласовываются с проектной организацией — автором проекта установки и утверждаются вышестоящей организацией. Регламен­ты хранятся в техническом отделе нефтеперерабатывающего за­вода, а на каждом рабочем месте должны быть инструкции, раз­работанные в соответствии с регламентом. Перечень обязательных инструкций приводится в регламенте.

Оперативный документ, находящийся на установке и содержа­щий основные требования по поддержанию режима технологиче­ского процесса, носит название технологической карты. Техноло­гическая карта вывешивается на видном месте в операторной установки и служит для старшего оператора и всех работающих на установке основным руководством. Карта для каждой уста­новки пересматривается ежегодно. Обычно в технологических кар­тах приводятся пределы регулирования различных параметров тех­нологического режима.

Текущую работу оператор анализирует с помощью записей о технологическом режиме, о качестве сырья и продукции. Запись режима проводится с интервалом в два часа в специальном вах­тенном журнале. В этот же журнал записываются сведения о регу­лировке режима в связи с переходом на отбор других нефтепродук­тов, о возникающих в ходе вахты нарушениях режима и неполад­ках в работе установки.

На основе вахтенного журнала заступающая на вахту смена знакомится с работой установки в предшествующий период. На­чальник и технолог цеха ежедневно просматривают вахтенный журнал и дают письменные указания по устранению выявленных отклонений от регламента. Соблюдение норм технологического режима контролируется отделом технического контроля (ОТК) завода.

1.9.6.Предупреждение и ликвидация аварии

Аварии на установках являются в первую очередь результатом нарушения технологиче­ского режима, правил эксплуатации, правил и норм пожарной безопасности при работе с огне- и взрывоопасными веществами. Причиной аварии бывает также прекращение подачи на уста­новку сырья, пара, топлива, воды, электроэнергии [10, 12].

При прекращении подачи сырья установку следует перевести на горячую циркуляцию. Если прекратилась подача электроэнергии, то следует немедленно произвести аварийную остановку. В этом случае последовательно выполняют следующие операции: тушат форсунки печей, перекрывают задвижки на приемных и нагнета­тельных линиях насосов, тщательно наблюдая за давлением в ап­паратах. После включения электроэнергии установку выводят на нормальный режим согласно пусковой инструкции.

Прекращение подачи водяного пара—очень серьезная авария, так как при этом установка лишается основного средства пожа­ротушения. В случае, если пар отсутствует в течение длительного времени, также должна быть произведена аварийная остановка. Частой причиной аварии на установках является прогар труб в печах.

Порядок ликвидации аварий подробно излагается в производ­ственных инструкциях и, в частности, в плане ликвидации аварий на установке, инструкциях по технике безопасности и пожарной безопасности.

2.Основные производства цеха первичной переработки нефти ОАО «Сургутнефтегаз»

2.1.Краткое описание процессов цеха первичной переработки нефти

2.1.1.Обезвоживание и обессоливание нефти

Нефть поступающая на установку содержит хлористых солей до 100 мг/л, воды до 0,5%, мехпримесей до 0,5%. Вода с растворенными в ней солями находится в виде мелких капель размером от 1,6 до 2,0 мм. На [1] поверхностях этих капель собираются естественные эмульгаторы, нефтяные кислоты, асфальтосмолистые вещества, микрокристаллы парафинов, механические примеси содержащиеся в нефти образуют прочные эмульсии. Это затрудняет слияние капель воды укрупнение и осаждение их. Наличие в нефти хлоридов и воды способствуют проявлению ряда негативных факторов:

  • образованию смоляной кислоты (НСl);

  • повышению давления в аппаратах;

  • снижению производительности;

  • образованию на стенках трубок теплообменников и печей отложений, ухудшающих теплопередачу;

  • снижению качества товарных нефтепродуктов.

При снижении содержания хлоридов до 5 мг/л из нефти удаляются такие металлы, как железо, кальций и магний, содержание ванадия снижается более чем в два раза. Обезвоживание и обессоливание нефти на установке производится термоэлектрохимическим способом который объединяет термический, химический и электрический способы, и позволяет довести содержание воды не менее 0,1%, солей до 5 мг/л. При этом в значительной мере удаляются и механические примеси. Процесс этот основан на деэмульгации эмульсионных частиц содержащихся в нефти их укрупнении и охлаждении. С этой целью в нефть подается промывная вода в виде дисперсии. Технический способ предусматривает подогрев нефти при повышении температуры снижается вязкость и плотность нефти, прочность внешней пленки эмульсионных частиц, облегчается слияние капель воды их укрупнение и охлаждение.

Для улучшения деэмульгации существующих частиц эмульсии в нефть вводят поверхностно активные вещества - деэмульгаторы (химический метод). Деэмульгатор обладая большой поверхностной активностью, вытесняет с поверхности естественные эмульгаторы. Образовавшийся новый слой, обволакивающий каплю воды непрочен, при столкновении легко разрушается и не препятствует слиянию капель в более крупные. Для интенсификации деэмульгирования процесс обезвоживания проводят в электрическом поле переменного тока. В электрическом поле высокого напряжения (16-36 кВ) капли воды за счет поляризации принимают вытяжную форму с противоположными зарядами на концах. Под действием электрического поля переменного тока капли приобретают хаотическое движение, сталкиваются друг с другом, сливаются образуя более крупные капли, которые осаждаются на дно аппарата. Процесс обезвоживания и обессоливание зависит от температур, расхода деэмульгатора, количества промывной воды. Однако повышение температуры процесса выше 120 С нецелесообразно из-за повышение электропроводности эмульсии, что приводит к увеличению расхода электроэнергии, а также повышению давления в аппаратах. Расход деэмульгатора зависит от его типа и в среднем составляет 20-30 грамм на тонну нефти. Количество промывной воды составляет 6-10% (масс.) от количества нефти.

2.1.2.Атмосферная и вакуумная перегонка нефти.

Разделение нефти на фракции осуществляется методом ректификации в аппаратах колонного типа при атмосферном давлении и под вакуумом. Ректификация нефти это многократное испарение и конденсация компонентов нефти на контактных тарелках колонн [1]. Таким образом фракция нефти имеющая высокую температуру кипения остается внизу, а фракция имеющая низкую температуру кипения, в виде паров, поднимается в верхнюю часть колонны. Процесс разделения, четкость разделения, зависит в основном от температуры и давления на орошение (флегмы), от конструкции и количества контактных тарелок. При повышении давления в колонне снижается относительная летучесть компонентов, ухудшается четкость ректификации, в продукции низа колонны увеличивается содержание "легких" компонентов. Повышение температуры низа и верха колонны вызывает увеличение "тяжелых" компонентов в продукции верха колонны, а снижение температуры вызывает увеличение "легких" компонентов в продукции низа колонны.

Учитывая то, что при нагреве нефти выше 380 С и мазута выше 420 С происходит их разложение более глубокое разделение нефти проводят под вакуумом. При этом испарение "тяжелых" компонентов происходит при более низком температурном режиме, чем разделение при атмосферном давлении.

Для снижения температуры низа ректификационной колонны, улучшения четкости реактификации, а также предотвращения разложения нефти и мазута в нижнюю часть колонны подают перегретый пар.

2.1.3.Окисление гудрона получение битума.

Получение битумов основано на процессе окисления гудрона кислородом воздуха [1]. Сущность процесса заключается в том, что содержащиеся в составе гудрона масла и смолы под воздействием кислорода воздуха превращаются в асфальтный остаток. Повышение температуры размягчения и вязкость битума, придают битуму твердость и прочность. Процесс окисления зависит от температуры, расхода воздуха и времени контакта. С повышением температуры скорость реакций окисления возрастает и процесс окисления ускоряется. При температуре выше 280 С преобладают реакции. Образования карбенов и карбоидов, которые ухудшают качество битума. Поэтому процесс окисления ведется в интервале температур 240-280 С. С повышением температуры окисления увеличивается температура размягчения битума, снижается растяжимость и пенетрация, повышается хрупкость, ухудшается аугезионное средство, снижается теплостойкость и интервал, пластичность. Увеличение расхода воздуха до определенного предела ведет к повышению скорости реакции окисления. Дальнейшее увеличение расхода воздуха не увеличивает скорость окисления, а присутствие неиспользованного кислорода в газе окисления повышает взрывоопасность.

Процесс окисления гудрона идет с выделением тепла, особенно в начальный период при контакте воздуха со свежим гудроном. Для регулирования температуры процесса и создания гидродинамических условий в реакторе часть битума возвращается в реактор в виде рециркулята, с которым смешивается поступающий гудрон.


2.2.Описание технологической схемы установки первичной переработки нефти и получения битума

2.2.1.Назначение установки

Установка получения битума является комбинированной и включает в себя следующие процессы:

  1. Подготовка нефти к переработке - обезвоживание и обессоливание нефти до содержания воды не более 0,1% и солей не более 5 мг/м3. Обезвоживание и обессоливание нефти осуществляется в электродегидраторе Э-1. Для разрушения эмульсии "вода в нефти" в нефть подается деэмульгатор. Обессоливание нефти достигается вымыванием солей за счет подачи воды в нефть.

  2. Первичная переработка нефти в атмосферно-вакуумной части установки. Основное назначение блока - отбор фракции до 350 С от нефти в атмосферной колонне с последующей разгонкой мазута в вакуумной колонне для получения гудрона - сырья для получения битума.

  3. Окисление гудрона до битума в реакторе колонного типа или реакторах бескомпрессорного окисления.

Кроме целевого продукта - битума в процессе переработки нефти на установке получаются продукты:

  1. Бензинования фракция н.к.-200 С. Может применяться в качестве топлива марки А-72 или как компонент бензина.

  2. Фракция 200-320 С - дизельное топливо. Может применяться в качестве топлива дизельного зимнего по ГОСТ 305-82.

  3. Фракция 320-360 С - атмосферный газойль. В смеси с вакуумным газойлем может применяться в качестве котельного топлива.

  4. Фракция 360-480 С - вакуумный газойль. Представляет собой смесь тяжелых углеводородов и может применяться в качестве котельного топлива.

  5. Углеводородный газ. Может применяться в качестве топлива внутри установки.

2.2.2.Описание технологической схемы

Нефть из трубопровода "Лянторское месторождение - ЦКПН" под давлением 3,0 - 4,0 кг/см2 поступает в сырьевую емкость Е-1, через узел учета (Рис. 28). Расход нефти на установку замеряются трубоквантом. Уровень нефти в емкости Е-1 поддерживается клапаном-регулятором уровня, расположенном на трубопроводе подачи нефти перед Е-1.

Из емкости Е-1 насосом Н-1 нефть подается паралельными потоками в трубное пространство теплообменников Т-1/3 и Т-1/4, где нагревается за счет тепла откачиваемых дизельного топлива в теплообменнике Т-1/3 и смеси атмосферного и вакуумного газойлей в теплообменнике Т-1/4. Технологической схемой предусмотрена подача нефти на прием насоса Н-1/1 через задвижку, минуя емкость Е-1.

Расход нефти в теплообменнике Т-1/3, Т-1/4 регулируется вручную с помощью задвижек по температуре охлаждения дизельного топлива и газойля в этих аппаратах, контролируемой по прибору.

В приемный трубопровод насоса Н-1 из сети производственного водоснабжения подается промывная вода, а также деэмульгатор из блока Бр-2,5. Расход воды на промывку нефти регулируется клапаном регулятором расхода. Расход смеси "нефть-вода" после насосов Н-1 регистрируется расходомером.

Предварительно нагретая нефть после теплообменника Т-1/3, Т-1/4 объединяется в общий поток и поступает в трубный пучек теплообменника Т-1/7. Нагретая до 90-120 С за счет тепла гудрона нефть из теплообменника Т-1/7 подается в междуэлектродное пространство электродегидратора Э-1. Температура нефти после теплообменника Т-1/7 регистрируется прибором.

Электродегидратор Э-1 работает под давлением нефти, в случаях снижения уровня нефти и образования "газовой подушки" срабатывает блокировка, отключающая подачу напряжения на электроды дегидратора. В зависимости от содержания воды в нефти и стойкости эмульсии напряжение на электроды может подаваться 16, 5, 22 или 36 кВ. Давление нефти в электродегидраторе регистрируется прибором. Температура нефти в электродегидраторе регистрируется прибором. Насыщенная вода - "солевой раствор" - с низа электродегидратора через клапан-регулятор уровня раздела фаз "нефть-вода" выводится в емкость Б-9.

Обессоленная нефть выходит сверху электродегидратора Э-1 и разделяется на два потока. Первый, меньший поток нефти, проходит последовательно через трубное пространство теплообменников Т-1/5, Т-1/6 и нагревается за счет тепла циркуляционного орошения колонны К-3 до 130-160 С. Температура нефти после теплообменника Т-1/6 регистрируется прибором. Схемой предусмотрены байпасные линии через задвижки, минуя теплообменники Т-1/5, Т-1/6. Второй поток нефти последовательно проходит через трубное пространство теплообменников Т-1/8, Т-1/9, где нагревается за счет тепла вакуумного газойля до 180-200 С. Расход нефти по второму потоку регулируется клапаном-регулятором расхода, расположенном на трубопроводе нефти перед Т-1/8. Температура нефти после теплообменника Т-1/9 регистрируется прибором. Схемой предусмотрены байпасные линии через задвижки, минуя теплообменники Т-1/8, Т-1/9.

После теплообменника Т-1/6, Т-1/9 оба потока обессоленной нефти объединяются в общий поток нефти, который поступает последовательно в трубное пространство теплообменников Т-1/1, Т-1/2, где нагревается за счет тепла гудрона до 190-210 С. Температура нефти после теплообменников Т-1/1,2 регистрируется прибором. Технологической схемой предусмотрены байпасные линии через задвижки, минуя теплообменники Т-1/1, Т-1/2.

Расход нефти в переработку регулируется клапаном-регулятором установленным на выкидном коллекторе насосов Н-1. Расходомер смонтирован на трубопроводе выхода обессоленной нефти после теплообменников Т-1/6,9.

После теплообменников Т-1/1,2 нефть подается в нагревательные печи П-1, П-3. Расходы нефти через змеевики печей П-1, П-3 регистрируются расходомерами. Нагрев нефти в печах осуществляется в змеевиках камер конвекции дымовыми газами и в камерах радиации за счет лучистого тепла при сжигании топливного газа. В камере радиации печи П-1 размещен также змеевик для нагрева мазута, а в камере конвекции печи П-3 расположен пароперегреватель для получения водяного пара.

Температура нефти на выходе из печи П-3 регулируется клапаном-регулятором температуры, расположенном на трубопроводе подачи топливного газа к форсункам печи. На этом же трубопроводе после клапана-регулятора температуры смонтирован отсекатель, прекращающий подачу топливного газа к форсунке при падении расхода нефти до "0".

Температура нефти на выходе из печи П-1 регулируется клапаном-регулятором расхода, расположенным на трубопроводе входа нефти в печь П-1 и регистрируется прибором.

Дополнительно температуры нагрева в печах П-1, П-3 регистрируются приборами.

Нагретая в печах до 360-375 С нефть объединяется в общий поток и направляется на 4-ю тарелку атмосферной колонны К-3. Всего в колонне имеется 23 клапанных тарелок, из них в укрепляющей части 19 и отгонной 4 тарелки.

Сверху колонны К-3 пары бензина, водяные пары и углеводородный газ с температурой до 150 С поступают в конденсаторы воздушного охлаждения ВХК-1, ВХК-2, далее доохлаждаются в водяном холодильнике Х-1 до температуры не выше 80 С и в виде газожидкостной смеси собираются в емкость Е-2.

Температура газожидкостной смеси после ВХК-1,2 регистрируется прибором, после Х-1. Технологической схемой предусмотрена байпасная линия с задвижкой для подачи конденсата, минуя холодильник Х-1.

В емкости Е-2 происходит разделение смеси на бензин, углеводородный газ и воду. Углеводородный газ сверху емкости Е-2 выводится в качестве топливного газа в печь П-1 или на дожиг в печи П-2. Давление в системе колонны К-3 не более 1,8 кг/см2 поддерживается клапаном-регулятором, расположенным на выводе газа из Е-2 в трубопровод паров из Е-13 в печи дожига П-2.

Вода с низа емкости Е-2 через клапан-регулятор уровня раздела фаз "бензин-вода" сбрасывается в емкость промстоков Б-9.

Часть бензиновой фракции из емкостей Е-2 насосом Н-4 через клапан-регулятор температуры верха колонны К-3 возвращается на 21-ю тарелку колонны в качестве острого орошения. Расход острого орошения регистрируется расходомером. Температура верха колонны К-3 дополнительно регистрируется прибором. Другая часть бензиновой фракции подается в емкость Е-11 регулирование расхода бензиновой фракции, откачиваемой в емкости Е-11, осуществляется клапаном-регулятором расхода в зависимости от уровня в емкости Е-2. Технологической схемой предусмотрена подача бензиновой фракции через диафрагменный смеситель в емкость защелачивания Е-16. В диафрагменный смеситель с насосом Н-8 из емкости Е-18 подается расчетное количество раствора щелочи. Расход раствора щелочи в смеситель контролируется прибором. Бензиновая фракция сверху емкости Е-16 поступает в отстойник Е-17, где происходит отстой воды (раствора щелочи) из состава бензиновой фракции. Бензин сверху отстойника Е-17 через турбоквант и клапан-регулятор уровня бензиновой фракции в Е-2 выводится в емкость хранения бензина Е-11. Уровень бензина в емкости Е-11 контролируется уровнемерами.

Уровень раствора щелочи в емкости Е-16 контролируется прибором, который при достижении максимального уровня Нmaх=1650 мм и минимального уровня Нmin=250 мм включает световой и звуковой сигнал.

Отработанный до кондиции 0,5 - 1% (масс.) раствор щелочи из Е-16, а также уловленный при уносе раствор из Е-17 периодически сбрасывается вручную в емкость промстоков Б-9, при этом раствор в Е-16 заменяется свежим, путем закачки насосом Н-8 из емкости Е-18.

5-8% раствор щелочи приготавливается в емкости Е-18 растворением водой твердой каустической соды (NaOH) или жидкой щелочи закачиваемой в автоцистерны насосом Н-8. Перемешивание раствора в Е-18 производится путем циркуляции его насосом Н-8. Уровень раствора щелочи в Е-18 контролируется уровнемером.

С 13-й тарелки атмосферной колонны К-3 отбирается дизельное топливо, которое насосом Н-3 с температурой 180 С подается в межтрубное пространство теплообменников Т-1/3, где отдает тепло сырой нефти, доохлаждается до температуры не выше 70 С в водяном холодильнике Х-3 и направляется в емкости хранения дизельного топлива Е-10. Количество выводимого дизельного топлива из К-3 регулируется клапаном- регулятором расхода расположенном на трубопроводе откачки его после Х-3 и учитывается турбоквантом. Температура дизельного топлива после холодильника Х-3 регистрируется прибором.

Уровень дизельного топлива в емкости Е-10 контролируется уровнемерами.

Качество дизельного топлива обеспечивается циркуляционным орошением. Циркуляционное орошение с 11-й тарелки колонны К-3 забирается насосом Н-12, прокачивается последовательно через теплообменники Т-1/6, где отдает тепло первому потоку обессоленной нефти, доохлаждается в воздушном холодильнике ВХК-3 и с температурой 135-145 С возвращается в колонну на 12-ю тарелку. Температура орошения на выходе из колонны К-3 регистрируется прибором. Температура на 12-ой тарелке К-3 поддерживается клапаном-регулятором расположенном на трубопроводе орошения после ВХК-3. Расход циркуляционного орошения регистрируется расходомером, расположенным на выкидном коллекторе насосов Н-12. Температура орошения на входе К-3 регистрируется прибором.

Для обеспечения требуемого качества мазута по содержанию фракции до 360 С с тарелки "4а" атмосферной колонны К-3 выводится атмосферный газойль, который поступает в отпарную колонну К-4 с температурой 285-295 С.

С низа отпарной колонны атмосферный газойль насосом Н-11 через клапан-регулятор уровня газойля в К-4 подается в теплообменник Т-1/4, где отдает тепло сырой нефти: на входе в Т-1/4 атмосферный газойль смешивается с вакуумным газойлем, далее смесь доохлаждается в водяном холодильнике Х-4 и с температурой не выше 90 С направляется в емкости хранения Е-12. Вывод атмосферного газойля в К-4 регулируется с помощью задвижки на перетоке. Количество выводимого газойля регистрируется расходометром. Температура атмосферного газойля на выходе с тарелки 4а и после холодильника Х-4 регистрируется прибором.

Для более полного извлечения дизельного топлива из атмосферного газойля и фракции до 360 С из мазута предусмотрена возможность подачи перегретого водяного пара в низ колонны К-3, К-4. Пары сверху колонны К-4 возвращаются в колонну К-3 на 13-ю тарелку. Температура верха колонны К-4 регистрируется прибором. Температура низа колонны К-3 регистрируется прибором. Давление в колонне К-3 контролируется прибором. Мазут с низа атмосферной колонны К-3 с температурой 350 С насосом Н-2 через клапан-регулятор уровня в колонне подается для нагрева в мазутный змеевик печи П-1. Температура мазута на выходе из печи П-1 регулируются клапаном-регулятором температуры расположенном на трубопроводе подачи топливного газа к форсункам печи и регистрируется дополнительно прибором.

Нагретый до 390-405 С мазут из печи П-1 поступает на вторую тарелку вакуумной колонны К-5. Вакуумная колонна оборудована 12-ю клапанными тарелками, в том числе в отгонной части две тарелки. Сверху вакуумной колонны газы разложения и пары углеводородов с температурой 190-200 С поступает в водяной конденсатор КВ-1. Сконденсировавший нефтепродукт из КВ-1 стекает в барометрическую емкость БЕ-1, а несконденсированные газы отсасываются двухступенчатым пароэжекторным насосом ПВН-1. Температура сконденсированной смеси в КВ-1 регистрируется прибором.

Конденсат из промежуточных поверхностных конденсаторов пароэжекторного насоса ПВН-1 сливается в барометрическую емкость БЕ-1,а несконденсированные газы выбрасываются в печи П-2 для дожига или в печь П-1 в качестве топливного газа. Конденсать из БЕ-1 сливается самотеком через клапан-регулятор уровня в дренажную емкость Е-13.

С 8-ой тарелки вакуумный газойль с температурой 280 С отбирается в емкость Е-3. Емкость Е-3 связана с колонной К-5 на уровне 9-й тарелки линией суфлирования. Вакуумный газойль из емкости Е-3 забирается насосом Н-6 и прокачивается последовательно через теплообменники Т-1/9 где отдает тепло второму потоку обессоленной нефти. После Т-1/8 часть вакуумного газойля температурой 160-170 С возвращается через холодильник воздушного охлаждения ВХК-4 на верхнюю тарелку колонны К-5 в качестве циркуляционного орошения, а избыток газойля через клапан-регулятор расхода поступает в теплообменник Т-1/4 совместно с атмосферным газойлем и после доохлаждения в холодильнике Х-4 выводится в емкости Е-12 через турбоквант. Температура газойля после ВХК-4 регистрируется прибором. Температура верха колонны К-5 поддерживается клапаном-регулятором температуры на трубопроводе подачи орошения в колонну после ВХК-4. Расход циркуляционного орошения в К-5 регистрируется расходомером.

Гудрон с температурой 360-400 С с низа колонны К-5 насосом Н-5 прокачивается последовательно через темплообменники Т-1/1, Т-1/7, где отдает тепло сырой нефти и с температурой 150-180 С направляется по "жесткой" схеме в окислительную колонну К-1 или емкость гудрона Е-14.

Уровень гудрона в колонне К-5 поддерживается клапаном-регулятором уровня расположенным на трубопроводе откачки гудрона после Т-1/7. Температура гудрона после Т-1/7 регистрируется прибором.

Часть гудрона после теплообменника Т-1/1 с температурой 240-255 С возвращается вниз вакуумной колонны для снижения температуры.

Температура низа К-5 регулируется клапаном-регулятором температуры на подаче гудрона вниз колонны и регистрируется дополнительно прибором.

Давление в верху вакуумной колонны и в зоне питания регистрируется приборами.

Окислительная колонна К-1 представляет собой пустотелый вертикальный аппарат. Вход гудрона в колонну осуществляется ниже рабочего уровня битума в колонне. Расход гудрона в окислительную колонну регистрируется расходомером. Вниз окислительной колонны компрессором ВК-1 через ресивер В-1 подается технический воздух. Распределение воздуха по сечению колонны осуществляется за счет маточника. Расход воздуха в колонну регистрируется клапаном-регулятором расхода расположенном на трубопроводе воздуха в колонну. После указанного клапана-регулятора смонтирован клапан-отсекатель прекращающий подачу воздуха в колонну при срабатывании блокировки по одному из параметров: повышение содержания свободного кислорода в газах окисления более 4%, повышение температуры битума внизу колонны выше 275 С, понижение уровня в колонне ниже 10%.

Газы окисления сверху окислительной колонны К-1 выводятся в газосепаратор ГС-1, где происходит отделение газовой фазы от жидкости. Из сепаратора ГС-1 газы окисления поступают на дожиг в печи П-2, а жидкая фаза -"черный соляр", через клапан-регулятор уровня в ГС-1 выводится в дренажную емкость Е-13. Давление в окислительной колонне контролируется приборами, которые при достижении давления в К-1 выше 0,4 кг/см2 подают звуковой и световой сигналы.

На трубопроводе выхода газов окисления ГС-1 установлен автоматический газоанализатор, который непрерывно определяет содержание свободного кислорода в газах окисления с регистрацией результатов и завязан в систему блокировки, описанной выше. Для предотвращения попадания унесенного "черного соляра" на печи П-2, на трубопроводе подачи газов окисления к печам смонтированы дренажные трубопроводы, с помощью которых жидкость периодически сбрасывается в дренажную емкость Е-13.

Битум с низа колонны К-1 с температурой до 260 С насосом Н-16 откачивается в емкости готового битума Е-15. Схемой предусмотрена возможность откачки битума из колонны также в емкость Е-14. Уровень битума в колонне К-1 регулируется клапаном-регулятором на выкидном коллекторе насосов Н-16. Расход битума в емкости Е-15 регистрируется расходомером. Для смягчения температурного режима часть битума после насосов Н-16 возвращается в колонну К-1 ниже ввода гудрона в качестве циркулята.

Для контроля за работой колонны предусмотрен контроль температуры и уровня с помощью термопар по всей высоте колонны показания которых регистрируются прибором. Технологической схемой предусмотрена подача гудрона в К-1 через промежуточную емкость Е-14 насосом Н-15. Уровень гудрона в емкости Е-14 контролируется приборами.

Дорожный битум из емкостей Е-15 отгружается потребителю наливом в автоцистерны.

Уровень битума в емкости Е-15 контролируется уровнемерами.

Бензин из емкостей Е-11 насосами Н-32 подается на наливную эстакаду для налива в автоцистерны. Учет отгружаемого бензина осуществляется счетчиками на трубопроводах подачи бензина на наливные стояки 1/2, 2/2. Уровень бензина в емкостях Е-11 контролируется уровнемерами.

Дизельное топливо забирается насосами Н-31 из емкостей Е-10 и подается ими к наливным стоякам, через счетчики. Уровни дизельного топлива в емкостях Е-10 контролируется уровнемерами.

Схемой предусмотрен также налив в автоцистерны смеси атмосферного и вакуумного газойля в качестве котельно-печного топлива, которое подается на наливную эстакаду насосами Н-30 из емкостей Е-12 через счетчики. Уровни газойля в Е-12 контролируется уровнемерами. При отсутствии потребителя бензин, дизельное топливо и газойль из емкостей Е-11, Е-10, Е-12 откачивается в резервуары ЦКПН "Федоровскнефть" или нефтепровод "Быстринскнефть" насосами Н-21 через турбоквант. Откачка нефтепродуктов производится поочередно по мере их накопления в емкостях.

При необходимости возможен налив указанных нефтепродуктов в автоцистерны насосами Н-21 через стояки у этих насосов. Из дренажной емкости Е-13 "черный" соляр, поступивший из сепараторов ГС-1, КС-1,2, нефтепродукт из БЕ-1, а также нефтепродукты при освобождении всех аппаратов и насосов в случаях подготовки их к ремонту (кроме заполненных битумом) периодически откачивается насосом Н-13 в нефтепровод на ЦКПН "Федоровскнефть" через турбоквант. Уровень продукта в Е-13 контролируется уровнемером. Освобождение аппарата К-1 отбор битума производится откачкой его в емкость готового битума с последующей отгрузкой потребителю.

Промышленные стоки - подтоварная вода из емкостей Е-2, БЕ-1 "солевой" раствор из электродегидратора Э-1, раствор отработанной щелочи, а также ливневые стоки и стоки от смыва площадок по мере накопления в емкости промстоков Б-9 автоматически откачиваются по уровню насосом Н-14 в систему поддержания пластового давления на Западно-Сургутский товарный парк. Уровень в емкости Б-9 контролируется уровнемером.

Деэмульгатор на установку завозится в бочках. Для дальнейшего использования его на установке применяется блок Бр-2,5 состоящий из емкости деэмульгатора, циркуляционного насоса Н-26 и дозировочного насоса Н-27. Емкость деэмульгатора снабжен электронагревателем, автоматически поддерживающим температуру нагрева и уровнемерным стеклом.

Закачка деэмульгатора в емкость из бочек осуществляется циркуляционным насосом Н-26. Для предотвращения загустения деэмульгатора этим же насосом автоматически в периодическом режиме производится циркуляция по схеме - насос - емкость. Подача деэмульгатора в нефть ведется дозировочным насосом Н-27. Расход деэмульгатора в нефть регулируется ходом плунжера указанного насоса. При повышении давления на выкиде насоса до 10 кг/см2 или падения его до "0" предусмотрена автоматическая остановка насоса.

При обеспечении содержания солей в сырой нефти до 40 мг/л и удаления их за счет избыточного деэмульгатора (подаваемого на промыслах) в условиях установки до 5 мг/л без подачи деэмульгатора, подача деэмульгатора в нефть на установке не обязательна.

Для создания затвора и снятия избыточного тепла в двойных торцевых уплотнениях насосов горячей и холодной насосной служит система уплотнения, состоящая из емкости уплотнительной жидкости Е-4, насосов подачи жидкости Н-7 фильтров для очистки жидкости от механических примесей Ф-1, Ф-2, водяного холодильника Х-2 и трубопроводов циркуляции жидкости.

В качестве уплотнительной жидкости используется дизельное топливо. Заполнение емкостей Е-4 и подпитка ее осуществляется периодически по трубопроводу с линии откачки дизельного топлива после холодильника Х-3. Уровень продукта в емкости Е-4 контролируется уровнемером.

Уплотнительная жидкость из емкости Е-4 насосом Н-7 прокачивается через фильтр Ф-1, холодильник Х-2 и подается в двойные торцевые уплотнения, откуда возвращается в емкость Е-4. Давление в системе 3-4 кг/см2 регулируется открытием задвижки на прием насосов Н-7. Схемой предусмотрено включение резервного насоса Н-7 автоматически при падении давления в системе уплотнения до 2,5 кг/см2. Давление на выкидном коллекторе Н-7 контролируется прибором.

Для охлаждения нефтепродуктов, насосов, компрессоров на установке используется система оборотного водоснабжения, включающая насосы Н-28, на градирню с бассейном и водопроводы. Вода насосом Н-28 из бассейна подается на установку для охлаждения насосов, компрессоров, в холодильники, пройдя которые возвращается на градирню, где за счет распыления и контакта с организованными потоками воздуха охлаждается и сливается в бассейн. Давление в системе оборотной воды регистрируется прибором.

Подпитка системы водой осуществляется из сети противопожарно-производственной воды, подача воды в которую из водопровода "Обский водозабор - Федоровское месторождение". Уровень воды в бассейне регулируется клапаном-регулятором на линии подпитки системы. Расход свежей воды на установку регистрируется расходомером.

Пароснабжение установки осуществляется от собственной котельной с двумя котлами ПКГМ-4. Давление пара в паропроводе установки регистрируется прибором, а в системе подачи пара на обогревы прибором. Обеспечение техническим воздухом установки производится компрессором ВК-1. Воздух от компрессора поступает через водяной холодильник ВХ-1 в воздухосборник В-1, откуда далее используется для подачи в окислительную колонну и на технические нужды. Давление технического воздуха в системе регулируется прибором. Избыток воздуха после ВК-1 по линии продувки подается в систему воздух КИП перед блоком подготовки воздуха.

Воздухом КИП установка обеспечивается компрессорами ВК-3 блочной компрессорной. Воздух компрессором ВК-3 подается на блок подготовки воздуха, пройдя который освобождается от воды и унесенного масла. Затем воздух поступает в нагревательный блок осушки, где за счет поглощения влаги селикагелем осуществляется осушка до точки росы не выше (-40 С) поступает в ресивер воздуха КИП В-2 и далее через клапаны-регуляторы давления к приборам и исполнительным механизмам. Давление воздуха в сети подачи к приборам КИПиА поддерживается 1,41,6 кг/см2.

Компрессор ВК-3 работает в автоматическом режиме по давлению на нагнетании 4,06,0 кг/см2.

При необходимости для обеспечения воздухом КИП может использоваться технический воздух после ресивера В-1, подаваемый в трубопровод воздух КИП от ВК-3 к блоку подготовки воздуха. Давление воздуха КИП после блока осушки регистрируется прибором.

2.2.3.Пуск установки

Пуск установки осуществляется в изложенной ниже последовательности и включает операции:

  1. Прием топливного газа на установку и включение в работу печей дожига П-2/1, П-2/2.

  2. Заполнение нефтью атмосферного блока и наладка холодной циркуляции нефти.

  3. Заполнение мазутом вакуумного блока и наладки холодной циркуляции.

  4. Горячая циркуляция нефти и мазута, вывод атмосферного и вакуумного блоков на режим.

  5. Заполнение окислительной колонны К-1 гудроном и вывод на режим.


Прием топливного газа и включение в работу печей дожига хвостовых газов П-2/1, П-2/2.

Прием топливного газа на установку производится после контрольной о прессовки газопровода воздухом и в последовательном порядке - от ГПЗ до входа на установку, далее до ГРП и затем до печей дожига П-2/1, П-2/2 и печей П-1, П-3. При этом производится тщательный осмотр трассы газопровода, обмыливание соединений сальников арматуры с целью проверки плотности. Трубопроводы подачи газа к форсункам печей дожига должны быть заглушены.

После приема газа до ГРП включить в работу регулятор давления газа и убедится в работоспособности оборудования ГРП. Продуть газопровод газом на "свечу" ГРП до содержания кислорода в продувочном газе не более 1% (об.).

Принять газ к печам П-1, П-2,3 до запорной арматуры и продуть газопроводы газом до содержания кислорода в продувочном газе не более 1% (об.).

Включить воздуходувки и продуть топки печей дожига П-2/1, П-2/2 воздухом в течение 10-15 минут, после чего уменьшить подачу воздуха в топки до минимальной.

Поочередно поднести зажженный факел к горелкам печей и приоткрыть вентиль подачи газа к горелкам печей П-2/1, П-2/2. После загорания газа отрегулировать стабильное горение и со скоростью 35-40 С в час поднять температуру в топке до 400-500 С. Задвижки подачи воздуха в камеру смешения и дымовую трубу приоткрыть минимально. В случае не возгорания газа или потухания горелки, подачу газа на горелку прекратить, продуть топку воздухом 10-15 минут и возобновить розжиг как указано выше.

Заполнение нефтью атмосферного блока и наладка холодной циркуляции нефти. Заполнение нефтью системы атмосферного блока производится после достижения температуры в топках печей дожига 400 С в следующем порядке:

  1. Собрать схему заполнения системы нефтью, все остальные задвижки по блоку должны быть закрыты:




  1. Собрать схему вывода газов из верха колонны К-3 в печи дожига П-2.



  1. Открыть задвижки на входе в Е-1. С появлением уровня нефти в емкости пустить в работу на минимальной производительности насос Н-1/1 (Н-1/2) на заполнение системы атмосферного блока.

После набора уровня в Е-1 до 50-60% перевести регулирование уровня нефти на автоматическое. Заполнение системы вести первоначально по байпасам клапанов регуляторов, а затем перевести на дистанционное управление.

При заполнении постоянно контролировать проходимость нефти и состояние оборудования (герметичность).

  1. С появлением уровня в колонне К-3 собрать схему "широкой" или "узкой" циркуляции нефти (конкретизируется распоряжением руководителя пуска):

  • с
    хема широкой циркуляции


  • с
    хема "узкой циркуляции"


  1. После достижения уровня нефти в колонне К-3 60-70% перейти на одну из схем циркуляции. Во время циркуляции отрегулировать потоки нефти через змеевики печей 4-5 м3 в час, включить регулятор расходов, уровней, контрольно-измерительные приборы давления, температуры, отладить их работу.

  2. При использовании "широкой" схемы циркуляции и наличии давления в электродегидраторе 3-4 кг/см2 подать напряжение на электроды дегидратора, отрегулировать расход воды на промывку нефти 0,2-0,4 м/час. Включить клапан-регулятор раздела фаз в электродегидраторе.

  3. Через 1-1,5 часа циркуляции нефти по "узкой" схеме, циркуляцию остановить и после отстоя в течении 40-60 мин. слить воду с низа колонны К-3 по линии дренажа в емкость Е-13, после чего дренаж колонны отглушить и возобновить циркуляцию.

  4. Дать незначительное количество пара в огнеоградители печей дожига П-2/1,2.


Заполнение мазутом вакуумного блока и наладка холодной циркуляции. Заполнение системы мазутом осуществляется в следующей последовательности:

  1. Включить обогревы емкости Е-14 и разогреть мазут. Включить обогревы трубопроводов гудрона и мазута.

  2. Дать воду через конденсатор КВ-1, убедиться в ее проходимости. Заполнить барометрическую емкость БЕ-1 для создания гидрозатвора и установить расход воды 1 м3/час.

  3. Дать воду в промежуточные холодильники пароэжекторных насосов ПВН-1 (ПВН-2), убедиться в ее проходимости. Принять пар в пароэжекторный насос ПВН-1 (ПВН-2) и отрегулировать его работу в "холостом" режиме на максимальный вакуум. Задвижка отсоса газов из вакуумной колонны должна быть закрыта. Выброс паров после ПВН направить в атмосферу.

  4. Собрать схему заполнения колонны К-5:



  1. Пустить один из насосов Н-15/1(2,3) по блоку и заполнить колонну мазутом до уровня 80-90%, после чего насос остановить, перекрыть задвижки.


  1. С
    обрать схему и наладить циркуляцию мазута:


Отладить устойчивую циркуляцию, включить контрольно-измерительные приборы давления и температуры.

  1. Постепенно открывая задвижку отсоса парогазовоздушной смеси (газовую задвижку), подключить пароэжекторный насос к системе.

Горячая циркуляция нефти и мазута, вывод атмосферного и вакуумного блоков на режим. Разогрев системы осуществляется только после наладки устойчивой холодной циркуляции нефти и мазута, проверки контрольно-измерительных приборов и устранения утечек и пропусков нефтепродуктов.

Розжиг форсунок печей П-1, П-3 выполняется только с письменного разрешения руководителя пуска.

Для перехода на горячую циркуляцию необходимо:

  1. Дать пар в пароперегреватель печи П-3 со сбросом в дренаж у колонны К-3.

  2. Снять заглушки на линиях подачи газа к форсункам печей П-1, П-3. Продуть газопроводы топливного газа, на свечу до содержания кислорода в продувочном газе не более 1% (об.).

  3. Проверить открытие шиберов на дымовых трубах печей П-1, П-3. Продуть камеры сгорания печей паром в течение 15 минут, после появления пара из дымовых труб.

  4. Внести зажженный факел к устью форсунки, приоткрыть задвижку подачи газов на горелку. После зажигания газа удалить факел из топки и отрегулировать горение подачей газа и воздуха таким образом, чтобы длина факела была минимальной, пламя соломенно-желтого цвета.

  5. Со скоростью 20-30 С в час поднять температуру низов колонны К-3, К-5 до 105-110 С, после чего скорость подъема температуры снизить до 5-10 С в час. Включить в работу регулирующий клапан.

Для повышения устойчивости работы насосов Н-2 обратным ходом из линии топливного газа набрать давление к колонне К-3 0,3-0,6 кг/см2.По схеме:



При этом на время поддавливания К-3 задвижку вывода газа из Е-2 в коллектор к печам дожига закрыть.

  1. В
    случае "сбрасывания" насосов Н-2, Н-5 подъем температуры прекратить и сделать выдержку для удаления влаги в течение 40-60 минут, после чего возобновить подъем температуры со скоростью 5-10 С в час. При отсутствии движения через змеевик печи П-1 мазута, из-за сброса Н-5 или при "узкой" циркуляции нефти через печи П-1, П-3, из-за "сброса" насоса Н-2 более 5 минут, горение форсунки соответствующей печи (или обоих) уменьшить до минимального и до устойчивой работы "сбросившего" насоса периодически (через 8-10 мин.) прокачивать змеевик по схеме:




  1. После достижения температуры низа колонны К-3, К-5 170-180 С подъем температуры нефти и мазута на выходе из печи вести со скоростью 25-30 С/час.

  2. Регулирование подачи газа к форсункам печей с начала розжига производится вручную открытием задвижек перед горелкой. При температуре перевалов до 300 С регулирование температуры нефти и мазута на выходе из печей П-1, П-3 перевести на дистанционное управление. При этом обязательно должны быть приоткрыты байпасные задвижки клапанов-регуляторов температуры на линии подачи газа.

  3. По мере снижения уровня мазута в колонне К-5 и нефти при "узкой" циркуляции в колонне К-3 в процессе разогрева периодически производить их подпитку до нормальных уровней Н-5, Н-2.

  4. П
    ри достижении температуры на 12-ой тарелке колонны К-3 130-140 С собрать схему и на минимальном расходе прокачать систему циркуляционного орошения:


При температуре циркуляционного орошения с 2-ой тарелки выше 150 С пустить вентилятор ВКХ-3.

  1. П
    ри температуре на 12-ой тарелке колонны К-3 150-160 С вывести дизельное топливо с незначительным расходом из колонны по схеме:


При температуре дизельного топлива на 12-й тарелке 175-180 С перевести регулирование расхода его на дистанционное управление с помощью клапана-регулятора.

  1. При достижении температуры верха колонны К-3 60 С пустить в работу вентиляторы ВХК-1,2 и включить клапан-регулятор давления в Е-2 на дистанционное управление.

  2. С
    появлением уровня бензина в емкости Е-2 слить воду из емкости, собрать схему подачи острого орошения в колонну и на минимальной производительности прокачать линию орошения:


При температуре верха колонны 95-100 С подачу орошения вести непрерывно через клапан-регулятор температуры верха К-3 на дистанционном управлении. Избыток бензина после набора уровня в Е-2 55-65% направить в емкость Е-11/1,2. При этом собрать схему откачки бензина:


При узкой циркуляции откачка бензина, дизтоплива осуществляется периодически.

  1. При температуре низа К-3 310-320 С дать на "проход" перегретый пар вниз колонны.

  2. С разогревом верха колонны К-5 до 90-100 С перевести парогазовую смесь после пароэжекторных насосов со сброса на "свечу" на дожиг в печи П-2/1,2.

  3. При достижении температуры верха К-5 160-180 С подать малым расходом циркуляционное орошение по схеме:


П
ри устойчивой работе насос Н-6/1,2 циркуляцию продолжить. В случае резкого подъема температуры верха К-5 выше 200 С и неустойчивой работы насоса Н-6/1,2 временно дать на орошение дизельное топливо по схеме ( по перемычке через задвижку).


После снижения температуры верха до 160-190 С перевести подачу орошения колонны от Н-6/1,2.

  1. П
    осле разогрева низа колонны К-3 не ниже 270 С и низа К-5 30 С разомкнуть циркуляцию по блокам, мазут после насоса Н-2 направить в К-5.


О
ткачку гудрона перевести по схеме:


  1. С

    о скоростью 30-40 С в час поднять температуры на выходах нефти из печи П-1, П-3 до 360-365оС и мазута на выходе из П-1 до 405-410 С. Во время подъема температуры увеличить одновременно отбор дизельного топлива из колонны К-3, избыток вакуумного газойля откачать по схеме в Е-12 или в нефтепровод:


Увеличить подачу перегретого пара в К-3 до нормы.

  1. При температуре низа колонны К-5 390-395 С часть гудрона после теплообменника Т-1/1 направить в нижнюю часть колонны через клапан-регулятор для снятия и поддержания температуры низа колонны.

  2. П
    ри достижении температуры низа К-3 330-340 С вывести незначительное количество атмосферного газойля из колонны К-3 по схеме:



Уровень газойля в К-4 поддерживается клапаном-регулятором уровня.

  1. Стабилизировать температуру верха колонны К-3 100-105 С температуру на 12-ой тарелке К-3 175-180 С температуру верха колонны К-5 190 С, перевести регулирование температуры, уровней и расходов на автоматическое.

  2. Отобрать бензин, дизельное топливо и гудрон на анализ и по результатам анализов внести коррективы в технологический режим в пределах технологической карты. Поднять производительность установки по нефти до нормальной. Включить блокировки по печам П-1, П-3.

  3. По мере накопления продуктов в емкостях Е-10,11,12 вовремя пуска периодически откачивать их насосом в нефтепровод Гудрон при удовлетворительном анализе по КИШ (не менее 18) вывести на блок получения битума.

З
аполнение окислительной колонны
К-1 гудроном и вывод ее на режим. Пуск реакторов бескомпрессорного окисления.

Собрать схему вывода газов окисления из колонны К-1.



Включить обогревы трубопроводов на емкость битума. Направить гудрон в колонну с температурой 190-200 С по "жесткой" схеме:


П
ри выводе гудрона в промежуточную емкость наладить его закачку из емкости.


Для поднятия температуры гудрона до температуры 190-200 С теплообменники Т-1/1,2 байпассируются частично или полностью (байпасные задвижки).

Заполнение колонны контролируются по показаниям термопар. При достижении уровня жидкости под маточником 4 м, что соответствует показаниям температуры прибора дать воздух в колонну с расходом 100-150 м3/час. Включить газоанализатор для определения содержания свободного кислорода в газах окисления.

Заполнение колонны до уровня 30-35% по показанию уровнемера. Гудрон выводить в емкость Е-14.

П
ри достижении температуры жидкой фазы до 220-230 С понизить температуру поступающего в колонну гудрона закрытием задвижек на байпасах теплообменников Т-1/1,2. Пустить насос Н-16/1(Н-16/2) на циркуляцию битума.

При температуре 240-245 С внизу колонны К-1 отобрать битум на анализ. При удовлетворительном анализе вывести битум в одну из емкостей Е-15:


При неудовлетворительном анализе продолжить окисление до температуры не выше 260 С с отбором промежуточных анализов битума при повышении температуры низа колонны на каждые 4-5 С.

Возобновить подачу гудрона в колонну. Расход воздуха на окисление регулировать в зависимости от температуры низа колонны, соответствующей получению качественного битума и допустимого содержания кислорода в газах окисления.

Перевести регулирование уровня на автоматическое регулирование: подачу воздуха на дистанционное управление, включить блокировку.

При достижении уровня "черного" соляра в сепараторе ГС-1 50% по прибору включить клапан-регулятор уровня на выводе соляра в Е-13.

Пуск реакторов бескомпрессорного окисления заключается в их заполнении гудроном из Е-14, колонны К-5 или дорожным битумом из колонны К-1 до уровня 60-65% и окислении кислородом воздуха при перемешивании (диспергировании). Заполнение Р-1,2 производится по одной из схем:







Включение диспергаторов осуществляется при уровне в реакторе не ниже 45%. Скорость окисления регулируется переключением скорости вращения диспергаторов 500-1000 оборотов в минуту. При достижении температуры в реакторе 240-250 С отобрать битум на анализ. При удовлетворительном анализе битум из реактора откачать одним из насосов в емкости Е-15 или КР-1 (КР-2).

При неготовности битума продолжить окисление включением диспергаторов. Повышение температуры в реакторе 250 С ЗАПРЕЩАЕТСЯ.

Газы окисления из реакторов выводятся через газосепараторы КС-1, КС-2 в печи дожига, П-2/1, П-2/2.

Уловленный "черный" соляр и вода из КС-1, КС-2 периодически по уровню сбрасываются в Е-13.

2.2.4.Возможные неполадки, устранение и их причины

Во время работы установки, как и в любом технологическом процессе могут возникнуть неполадки. Самые важные и часто встречающиеся неполадки в технологическом процессе, причины и способы их устранения на установках подобного типа представлены в табл. 17.

Возможные неполадки, причины и способы их устранения. Таблица 17

п/п

Возможные неполадки

Вероятная причина неполадки

Способы устранения неполадок

1.

Прекращение поступления нефти на установку (низкий уровень нефти в Е-1

    1. Изменение режима работы нефтепровода 0720 (низкое давление нефти в точке подключения к нефтепроводу).

      1. Совместно с НГДУ "ЛН"восстановить режим работы нефтепровода, включение резервного насоса.

    1. Снижение проходного сечения под водящего нефтепровода в результате образования парафиновых отложений на стенке трубы.

      1. Временно прекратить прием нефти, промыть нефтепровод бензиновой фракцией.

      2. Промыть нефтепровод 0150 горячей нефтью.

    1. Не герметичность подводящего нефтепровода.

      1. Временно прекратить прием нефти на установку, отключить дефектный участок нефтепровода и отремонтировать.

    1. Неисправность регулирующего клапана на линии подачи нефти в емкость Е-1.

      1. Прием нефти производить по байпасной линии через задвижку, отремонтировать клапан.

2. Прекращение подачи газа в печи установки и в котельную.
    1. Наличие в подводящем газопроводе жидкостей или гидрантной пробки.

      1. Освободить подводящий газопровод от жидкостной или гидрантной пробки.

    1. Не герметичность подводящего газопровода.

      1. Прекратить прием газа на установку отключить дефектный участок газопровода и отремонтировать.

    1. Нарушение режима газопередачи с Сургутского ГПЗ

      1. Своевременно восстановить режим газопередачи с СГПЗ.

3.

Уровень нефти в емкости Е-1 выше нормы.

    1. Неисправность регулирующего клапана на линии подачи нефти в Е-1.

      1. Прием нефти, временно. производить по байпасной линии через задвижку, отключить и отрегулировать клапан.

    1. Неисправность контура регулирования уровня нефти в Е-1.

      1. Уровень нефти в Е-1 контролировать по показанию дублирующего прибора, устранить неисправность контура регулирования давления в Е-1.

4.

Исчезновение напряжения на электродах электродегидратора Э-1.

    1. Высокий уровень раздела фаз в электродегидраторе Э-1(нижняя фаза воды достает нижние электроды электродегидратора Э-1).

      1. Дренировать нижний, водный слой из Э-1. Отрегулировать уровень раздела фаз в Э-1.

      2. Проверить и наладить конур уровня раздела фаз в Э-1.

    1. Открыта входная дверь трансформаторной будки электродегидратора Э-1.

      1. Закрыть входную дверь трансформаторной будки Э-1 на замок.

    1. Короткое замыкание в электрической цепи питания электродов Э-1.

      1. Обесточить трансформатор электродегидратора Э-1, устранить неисправность в цепи питания.

    1. Образование газовой подушки в верхней части Э-1 из-за снижения давления нефти или неисправности уровнемера, в камере уровнемера, в камере Фишера.

      1. Поднять давление нефти в Э-1 до нормы, проверить и устранить неисправность.

5.

Содержание воды в нефти после Э-1 выше нормы.

    1. Низкая температура нефти в Э-1.

      1. Отрегулировать расход нефти через теплообменники Т-1/3, Т-1/4.

    1. Стойка эмульсия «вода-нефть» в электродегидраторе Э-1.

      1. Увеличит подачу деэмульгатора в поток нефти (на прием насоса Н-1).

    1. Увеличена подача промывочной воды в поток нефти (на прием насоса Н-1).

      1. Уменьшит подачу промывочной воды на прием насоса Н-1 до пределов 6-8% (масс.) нефти.

6.

Содержание хлоридов в нефти после Э-1 выше нормы.

    1. Содержание хлоридов в сырой нефти выше нормы.

      1. Увеличить подачу промывочной воды на прием насоса Н-1 до пределов 10-12(масс) нефти.

      2. Увеличить подачу деэмульгатора на прием насоса Н-1.

    1. Прекращение подачи промывочной воды на прием насоса Н-1.

      1. Выяснить причину, устранить и восстановить расход воды на промывку.

7.

Давления в атмосферной колонне К-3 выше нормы.

    1. Отключены вентиляторы конденсаторов воздушного охлаждения ВХК-1,2.

      1. Устранить причину и включить в работу вентиляторы ВХК-1,2.

    1. Переполнение бензином емкости Е-2.

      1. Увеличить откачку бензина, установить нормальный уровень бензина в Е-2.

    1. Неисправность контура регулирования давления газа на выходе из Е-2.

      1. Отвод газов производить по байпасной линии через задвижку, устранить неисправность контура регулирования.

    1. Попадание воды на орошение колонны К-3.

      1. Отрегулировать уровень раздела фаз в Е-2 до нормы.

    1. Увеличение расхода бензина на орошение.

      1. Устранить неисправность контура регулирования расхода бензина на орошение.

    1. Повышение температуры нефти после печей П-1, П-3.

      1. Увеличить расход нефти через змеевики печей П-1, П-3.

      2. Снизить температуру печей П-1, П-3 до нормы, устранить неисправность регуляторов температуры.

    1. Увеличение расхода перегретого пара в колонну К-3

      1. Дренировать конденсат из паропровода.

      2. Установить расход пара в пределах нормы.

8.

Температура верха колонны К-3 выше нормы.

    1. Снижение или прекращение подачи орошения в колонну К-3.

      1. Включить резервный насос Н-4/1,2, устранить дефекты неисправного насоса

    1. Неисправность контура, регулирования температуры верха колонны К-3.

      1. Устранить неисправность контура регулирования температуры верха колонны К-3.

    1. Низкий уровень бензина в Е-2.

      1. Отрегулировать уровень бензина в Е-2 в пределах норм. Временно дать на орошение бензина из емкости Е-11 насосом Н-21/1,3.

    1. Повышение температуры нефти после печей П-1, П-3.

      1. См. пункт 7.6.1. - 7.6.2.

9.

Температура на 12-ой тарелке колонны К-3 выше нормы.

    1. Снижение или прекращение подачи циркуляционного орошения.

      1. Выяснить причину, возобновить орошение и восстановить температуру по колонне.

10. Дизельное топливо с установки имеет темный цвет.
    1. Высокий уровень нефти внизу колонны К-3.

      1. Устранить неисправность уровнемера.

    1. Не герметичность трубного пространства теплообменника Т-1/3.

      1. Остановить установку аварийно, устранить неисправность

    1. Не герметичность трубного пространства теплообменника Т-1/5 или Т-1/6.

      1. Выявить неисправный теплообменник, отключить из технологической схемы, в случае необходимости снизить производительность установки.

11.

Вакуум в колонне К-5 ниже нормы.

    1. Снижение или прекращение подачи воды в конденсаторы КВ-1 и ПВН.

      1. Включить в работу резервный насос Н-28/1,2, отремонтировать неисправный насос.

    1. Повышение температуры охлаждающей воды выше 25С

      1. Увеличить подпитку системы оборотного водоснабжения, временно дать воду на конденсаторы из сети противопожарной воды.

    1. Понижение давления пара к эжекторным установкам.

      1. Устранить неисправность и наладить работу котельной, временно уменьшить расход пара на отопление.

      2. Из паропровода дренировать конденсат.

    1. Содержание нефти в составе жидкости подающей на орошение колонны.

      1. Устранить не герметичность в межтрубном пространстве теплообменников Т-1/8, Т-1/9.

    1. Пароэжекторный насос ПВН-2 не обеспечивает необходимого вакуума

      1. Включить в работу резервный пароэжекторный насос ПВН-1,2.

      2. Прочистить сопло эжекторной установки.

      3. Устранить не герметичность в соединениях пароэжекторной установки.

    1. Уровень воды в емкости БЕ-1 ниже нормы.

      1. Довести уровень воды в емкости БЕ-1 до нормы.

      2. Отрегулировать работу контура регулирование уровня воды в БЕ-1.

    1. Не герметичность в системе сосудов и трубопроводов работающих под вакуумом.

      1. Остановить систему работающую под вакуумом опрессовать и устранить не герметичность.

12.

Температура верха колонны К-5 выше нормы.

    1. Расход циркуляционного орошения К-5 ниже нормы.

      1. Расход циркуляционного орошения поднять до нормы.

    1. Температура циркуляционного орошения К-5 ниже нормы.

      1. Снизить температуру циркуляционного орошения до нормы.

    1. Высокая температура низа колонны К-5.

      1. Снизить температуру мазута после печи П-1 до нормы

    1. Вакуум в колонне К-5 ниже нормы.

      1. Смотрите пункты 11.1.1, 11.2.1., 11.2.1., 11.4.1., 11.5.1., 11.5.2., 11.5.3., 11.6.1., 11.6.2.

13. Качество битума не соответствует требованиям ГОСТ.
    1. Качество гудрона не соответствует требованиям норм.

      1. Восстановить параметры работы К-5 до режимной.

    1. Не герметичность трубного пространства теплообменников Т-1/1, Т-1/2, Т-1/7 (в результате попадание нефти в гудрон).

      1. Устранить дефект в трубном пространстве теплообменников Т-1/1, Т-1/2, Т-1/7.

14. Температура окисления в колонне К-1 выше нормы.
    1. Расход воздуха на окисление выше нормы.

      1. Отрегулировать подачу воздуха в колонну К-1 в пределах нормы.

15. Температура перегретого пара выше нормы.
    1. Малый расход пара через паронагреватель П-3.

      1. Увеличить расход пара через П-3 до нормы.


2.2.5.Аварийная остановка установки

Остановка установки при возникновении аварийной ситуации производится в следующем порядке:

  1. Остановить насосы нажатием кнопки "СТОП":

  • Н-1/1,2 после чего закрыть выкидные задвижки;

  • Н-2/1,2 - закрыть выкидные задвижки;

  • Н-3/1,2 - закрыть выкидные задвижки;

  • Н-4/1,2 - закрыть выкидные задвижки;

  • Н-5/1,2 - закрыть выкидные задвижки;

  • Н-6/1,2 - закрыть выкидные задвижки;

  • Н-8/1,2 - закрыть выкидные задвижки;

  • Н-11/1,2 - закрыть выкидные задвижки;

  • Н-16/1,2 - закрыть выкидные задвижки.

  1. Остановить насос Н-27 и закрыть вентиль N27.

  2. Закрыть подачу воды задвижками на всос насоса Н-1/1,2.

  3. Снять напряжение с электродегидратора Э-1 нажатием кнопки "Выключено" на щите N4 в операторной.

  4. Потушить технологические печи П-1, П-3 - закрыть задвижки на клапанных сборках регуляторов температуры нагрева нефти и мазута в печах П-1, П-3.

  5. Продуть паром змеевики печей П-1, П-3 нефтяной в атмосферную колонну К-3, мазутный в вакуумную колонну К-5 в течение 20-30 минут, при этом не допускать повышения давления в атмосферной колонне К-3 выше 1,75 кгс/см2.

  6. Закрыть задвижки с КВ-1 на вакуумные насосы ПВН-1,2.

  7. Закрыв пар в К-3 вывести пар с пароперегревателя в дренаж у К-4.

  8. Пар в вакуумную колонну К-5 закрыть только после снижения вакуума в колонне.

  9. Прекратить подачу воздуха в окислительную колонну, для этого закрыть клапан регулятор на линии подачи воздуха с операторной.

  10. Прекратить подачу пара в свободное пространство окислительной колонны К-1, закрыть электрозадвижку.

  11. Остановить компрессор ВК-1, ВК-2 нажатием кнопки "СТОП", после чего закрываются выходные задвижки.

  12. Закрыть задвижки прекратить прием нефти в Е-1.

  13. Если работа печей дожига П-2/1,2 не усложняет обстановку, печи не тушатся, а работают на дожиг газов с Е-2 вакуумных насосов ПВН-1,2, газосепаратора ГС-1.

  14. При отключении электроэнергии, при отсутствии топливного газа, печи дожига П-2/1,2 тушатся закрытием задвижки с Е-2, ГС-1, ПВН-1,2 выводятся в атмосферу, для этого открываются задвижки.

  15. Правила аварийной остановки применять в зависимости от конкретной аварии, предусмотренной "Планом ликвидации возможных аварий.

2.2.6.Контроль технологического процесса, система сигнализации и блокировки

В связи с непрерывностью технологического процесса на установке первичной переработки нефти и получения битума предусмотрена система контроля и сигнализации. Система сигнализации и контроля обеспечивает безопасность работы установки, следя за технологическими параметрами процесса и предупреждая об отклонении этих параметров. В табл. 18 приведены технологические параметры, аппараты и узлы, за которыми ведется непрерывный контроль, а система контроля производит срабатывание сигнализации или блокировку процесса при возникновении условий, которые также перечислены в этой таблице.

Перечень блокировок и сигнализации. Таблица 18

п/п

Наименование параметра

позиции прибора, место установки

Единицы измерения

Предаварийная сигнализация

Аварийная сигнализация

Воздействие на технологические системы

min.

max.

min.

max.

1

2

3

4

5

6

7

8

9

1. Давление топливного газа ГПП

кг/см2

1,0 -“- 0,7 3,0

Закрытие предохранительного клапана (ПЗК), световой и звуковой сигнал.

2.

Содержание свободного кислорода в газах окисления колонны К-1.

Трубопровод после ТС-1

%

-“- 3,8 -“- 4 Закрытие клапана отсекателя на подаче воздуха в колонну световой и звуковой сигнализации.
3.

Температура низа колонны К-1.

Низ колонны

К-1

°С

-“- 270 -“- 275

Закрытие клапана отсекателя на подаче воздуха в колонну К-1,световой и звуковой сигнал.

4.

Уровень битума в колонне К-1.


% по шкале прибора

20 80 10 -“-

Закрытие клапана отсекателя на подаче воздуха в колонну К-1, световой и звуковой сигнал.

5.

Расход нефти через змеевик печи П-3.

Трубопровод нефти после Э-1

м3

2 -“- 0,5 -“-

Закрытие клапана отсекателя подачи топливного газа в печь П-3.

6.

Расход мазута через змеевик печи П-1.

Трубопровод мазута после насоса Н-2

м3

1 8 0,5 -“-

Закрытие электрозадвижки на подаче топливного газа в печь П-1, световой звуковой сигнал.

7. Давление уплотнительной жидкости к торцам насосов.

Трубопровод уплотнительной жидкости после насосов Н-7

кг/см2

2,6 -“- 2,5 -“-

Включение резервного насоса Н-7, световой и звуковой сигнализации.

8. Уровень нефти в электрогидраторе.

В верхней части Э-1 камера Фишера.

м





Отключение напряжения на электроды Э-1, световой и звуковой сигнал.

9. Давление деэмульгатора.

Трубопровод после насоса Н-27

кг/см2

-“- 0,5 -“- 10

Остановка насоса подачи деэмульгатора Н-27.

10. Давление технического воздуха.

Трубопровод воздуха после ВК-1,2

кг/см2

2 -“- -“- -“- Световой и звуковой сигнал.
11.

Уровень в емкости условно-чистых стоков Б-8.

Емкость Б-8.

% по шкале прибора

-“- 45 40 60 Включение резервного насоса откачки, световой и звуковой сигнал.
12. Давление воздуха КИП.

Трубопровод воздуха после ВК-3,4

кг/см2

3,6 -“- 3,5 -“- Включение резервного компрессора, световой и звуковой сигнал.
13. Давление воздуха в системе подпора в операторную ЩСУ и компрессорную.

Воздуховод после вентиляторов П-1,2,3,4

мм. вод.

ст.

25 -“- 20 -“- Включение резервного вентилятора, световой и звуковой сигнал.
14. Уровень промостков.

Емкость Б-9

% по шкале прибора

-“- 0,7 0,2 0,8

Включение и отключение насоса Н-14, световой и звуковой сигнал.

15. Уровень хозбытовых стоков. Емкость Б-5

м

4,0 5,0 3,0 5,2 Включение и отключение резервного насоса, световой и звуковой сигнал.
16. Давление воздуха к приборам КИП. Трубопровод воздуха к приборам КИП

кг/см2

1,2 -“- -“- -“- Световой и звуковой сигнал.
17. Давление водяного пара в коллекторе. Трубопровод пара

кг/см2

5,5 -“- -“- -“- Световой и звуковой сигнал.
18.

Давление мазута в трубопроводе подачи в печь П-1.

Трубопровод мазута после насоса Н-2

кг/см2

1,5 -“- -“- -“- Световой и звуковой сигнал.
19. Давление нефти.

Трубопровод нефти после насоса Н-1

кг/см2

2,0 -“- -“- -“- Световой и звуковой сигнал.
20.

Уровень нефти в емкости Е-1.

Емкость Е-1

% по шкале прибора

20 75 -“- -“- Световой и звуковой сигнал.
21.

Уровень бензина в емкости Е-2.

Емкость Е-2

% по шкале прибора

40 80 -“- -“- Световой и звуковой сигнал.
22.

Уровень уплотнительной жидкости в емкости Е-4.

Емкость Е-4

% по шкале прибора

40 80 -“- -“- Световой и звуковой сигнал.
23.

Уровень атмосферного газойля в емкости Е-10/1,2,3.

Емкость Е-10/1,2,3

% по шкале прибора

-“- 80 -“- -“- Световой и звуковой сигнал.
24.

Уровень бензина в емкости Е-11/1,2,3.

Емкость Е-11/1,2,3

% по шкале прибора

-“- 80 -“- -“- Световой и звуковой сигнал.
25.

Уровень вакуумного газойля в емкости Е-12/1,2.

Емкость Е-12/1,2

% по шкале прибора

-“- 80 -“- -“- Световой и звуковой сигнал.
26.

Уровень мазута в колонне К-3.

Колонна К-3

% по шкале прибора

20 80 -“- -“- Световой и звуковой сигнал.
27.

Уровень атмосферного газойля в колонне К-4.

Колонна К-4

% по шкале прибора

20 80 -“- -“- Световой и звуковой сигнал.
28.

Уровень гудрона в колонне К-5.

Колонна К-5

% по шкале прибора

20 80 -“- -“- Световой и звуковой сигнал.
29.

Уровень гудрона в емкости Е-14.

Емкость Е-14

% по шкале прибора

-“- 80 -“- -“- Световой и звуковой сигнал.
30.

Уровень битума в емкости Е-15/1,2,3.

Емкость Е-15/1,2,3

м

-“- 2,7 -“- -“- Световой и звуковой сигнал.
31.

Температура нефти на выходе из печи П-3.

Печь П-3

С

370 380 -“- -“- Световой и звуковой сигнал.
32.

Уровень нефтепродуктов в емкости Е-13.

Емкость Е-13

% по шкале прибора

-“- 80 -“- -“- Световой и звуковой сигнал.
33.

Уровень «черного соляра» в газосепараторе ГС-1.

Газосепаратор ГС-1

% по шкале прибора

-“- 60 -“- -“- Световой и звуковой сигнал.
34.

Давление в колонне К-1.

Колонна К-1

кг/см2

0,3 0,4 -“- -“- Световой и звуковой сигнал.
35.

Температура нефти на выходе из печи П-1.

Печь П-1

С

375 380 -“- -“- Световой и звуковой сигнал.
36.

Температура мазута на выходе из печи П-1.

Печь П-1

С

420 425 -“- -“- Световой и звуковой сигнал.
37.

Уровень пожарной воды в резервуарах Р-1,2.

Резервуары Р-1,2

м

5 7 -“- -“- Световой и звуковой сигнал.
38.

Положение двери на входе в трансформаторную будку электродегидратора Э-1.

Площадка трансформатора

состояние зак./отк.

Закрытая дверь -“- -“- Открытие двери Снятие напряжения в трансформаторе, звуковой и световой сигнал.
39. Загазованность в помещении Помещения

% НПВ

-“- 20 -“- 40 Световой и звуковой сигнал.

2.3.Узкие места производства и рекомендации

У технологических печей П-1 и П-3 в 1999 году заканчивается срок эксплуатации, к тому же П-1 претерпела уже 2 капитальных ремонта, что требует ее замены. В печи П-1 нагревается только нефти в П-3 мазут и пар, для экономии средств необходимо спроектировать печь, которая обеспечит нагрев всех трех продуктов.

Во избежании прогаров змеевиков и увеличения продолжительности их работы изготовить их из легированных сталей. Для более мягкого нагрева продуктов во избежание закокосовывания участков змеевика нагрев производить сначала в радиантной камере, а затем в конвекционной.

На установке получают бензиновую фракцию, которая частично используется при промывке нефтяных скважин. Рекомендую спроектировать установку риформинга бензиновой фракции для получения высокооктановых видов топлива, как целевого продукта.

2.4.Выводы

Для обеспечения стабильной работы установки ОАО «Сургутнефтега», необходимо:

  1. Реконструировать технологические печи П-1 и П-3, в связи с невозможностью обеспечивать технологической процесс необходимым количеством тепла.

  2. Необходимо спроектировать трубчатую печь с наибольшим КПД и относительно не дорогую, для нагрева нефти и мазута, а также перегрева водяного пара необходимого для технологических нужд.

  3. Спроектировать и установить систему автоматического регулирования в окислительной колонне, т. к. процесс окисления гудрона ведется в близи точки воспламенения его паров. Необходимо установить датчики содержания свободного кислорода в воздухе, датчики содержания легких углеводородов в парах окислительной колоны.

  4. Установить высокоэффективный сепаратор малой производительности для тонкой очистки газа, чтобы сделать возможным использование газов с колонны К-3, сжигаемых в печи П-2, в технологических печах.

3.Материальный баланс

Основой материального баланса является закон сохранения материи, согласно которому количество материала, поступающего в процесс (приходные статьи материального баланса), равняется количеству продуктов, получаемых в результате процесса

Материальный баланс. Таблица 19

п/п

Наименование продуктов

% масс.

кг/час

т/сут

т/год

Блок АТ

Взято сырья:





1. Обессоленная нефть 100 15000 360 118800

Получено:





1.

Бензин (фр. нк-200С)

12 1800 43.2 14256
2. Дизельное топливо (зимнее) 20 3000 72 23760
3. Мазут 60 9000 216 71280
4. Атмосферный газойль 7.4 1110 26.64 8791
5. Потери безвозвратные 0.6 90 2.16 713

Блок ВТ

Поступило:





1. Мазут 100 9000 216 71280

Получено:





1. Вакуумный газойль 44.33 3990 95.76 31601
2. Гудрон 55.0 4250 118.8 39204
3. Потери безвозвратные 0.67 60 1.44 475

Блок окисления гудрона

Поступило:





1. Гудрон 100 4950 118.8 39204

Получено:





1. Битум 97.0 4800 115.2 38016
2. Потери безвозвратные 3.0 150 3.6 1188

(расход­ные статьи материального баланса). Материальный баланс должен составляться как для всего технологического процесса, так и для отдельных его элементов. Материальный баланс составляют за еди­ницу времени - час, сутки, год - или за цикл работы на единицу исходного сырья или готовой продукции, т. е. за тот отрезок вре­мени, в течение которого перерабатывается определенное коли­чество сырья или получается определенное количество про­дукта.

Материальный баланс обычно составляют в виде таблиц или схем с указанием соответствующих материальных потоков и представлен в таб. 10. Материальный баланс может быть рассчитан в весовых, мольных или объемных единицах. При составлении материального ба­ланса в объемных или мольных единицах необходимо учитывать, что в результате тех или иных химических превращений объем или число молей, поступающих в аппарат, может отличаться от объема или числа молей продуктов, получаемых в результате про­цесса. Кроме того, такое несоответствие возможно при смешении компонентов, не подчиняющихся закону аддитивности.

Расчетный материальный баланс по производству продукции на ЦППНиПБ УВСИНГ составлен на часовую производительность и представлен в таб.19.

Энергетический баланс отражает основное содержание закона сохранения энергии, согласно которому количество энергии, введенной в процесс (при­ходные статьи баланса), равно количеству энергии, получаемой в результате процесса (расходные статьи баланса).

Так же как и материальный баланс, энергетический баланс можно составлять для всего производственного процесса или для отдельных его стадий. Энергетический баланс может быть составлен для единицы времени (час, сутки), для цикла работы, а также на единицу исходного сырья или готовой продукции. При составлении теплового баланса количество тепла, содержащегося в тех или иных материальных потоках, отсчитывают от какого-либо температурного уровня, чаще всего от 0°.

Ниже составлен тепловой баланс для проектируемой печи. Для составления теплового баланса принято, что тепло содержание всех продуктов 0.


п/п

Статьи прихода, расхода

%

Количество, ккал/ч

1.

Приход



тепло вырабатываемое при сжигании газа 100 2582000

Итого прихода:

100 2582000

2.

Расход



тепло переданное нефти
1799000
тепло переданное мазуту
193500
тепло переданное пару
41650
тепло отходящих дымовых газов и потери
547850

Итого расхода:

100 2582000

При составлении энергетического и, в частности, теплового баланса особое внимание должно быть обращено:

  • на возможный переход одного вида энергии в другой;

  • на изменение агрегатного состояния тела, которое сопровождается выделением или поглощением тепла (скрытая теплота испарения или конденсации, пла­вления, затвердевания, адсорбции и т. д.);

  • на тепловой эффект химической реакции (эндотермической или экзотермической).

Иногда необходимо учитывать потери тепла в окружающую среду. Как тепловой, так и материальный баланс удобно предста­влять в виде таблиц или схем с указанием всех приходных и расход­ных статей.

4.Расчетная часть

4.1.Выбор типа технологической печи

В

Рис. 28. Печь с прохождением газо­вого потока через экран.



Рис. 29. Двухкамерная печь.



Рис. 30. Четырехкамерная крекинг-печь.



Рис. 31. Печь с радирующим конусом.


сесторонняя оценка различных типов печей возможна при наличии эксплуатационных показателей и данных обследова­ний. Наиболее распространенными типами современных радиантных печей являются: печи с прохождением газового потока через потолочный и подовый экраны (рис. 28,29,31 и 39), цилиндрические печи с радирующим конусом (рис. 30), печи с наклонным сводом (рис. 35), вертикальные печи с настен­ным боковым экраном (рис. 32) и вертикальные печи с экра­нами двустороннего облучения (фиг. 33).

П

Рис. 32. Вертикаль­ная печь с боковым экраном.



Рис. 33. Печь с экраном двустороннего облучения.



ечи с прохождением газового потока через подовый экран (рис. 28) и подобные им типы печей характерны боль­шими размерами радиантных камер, предопределяемыми кон­струкцией этих печей и размещением форсунок. В сочетании с высокой степенью экранирования, характерной для этих печей в связи со стремлением

Рис. 35. Двухкамерная печь с наклонным сводом.


Рис. 34. Печь высокотемпературного кре­кинга лигроина.


выровнять тепловые напряжения, эти печи отличаются тяжеловесностью и требуют большого расхода металла на змеевик и каркас. В печах рассматрива­емого типа можно ожидать неравномерных тепловых напряже­ний и местных перегревов. Неудобным является расположе­ние камеры конвекции под подом печи.

Аналогичная характеристика может быть дана печам с про­хождением газового потока через потолочный экран. Высокий расход металла на эти печи (17,6 т на 1 млн. ккал час-1) делает их недостаточно экономичными.

Цилиндрические печи работают с низкими тепловыми напря­жениями поверхности нагрева в результате высокой степени экранирования, присущей этим печам в силу их конструктив­ных особенностей. Тепловые нагрузки у них равномерны в радиальном направлении и переменны по длине труб. Высокая степень экранирования этих печей резко снижает эффектив­ность работы поверхности нагрева, что ведет к увеличению размеров последней и габаритов печи. Оформление цилиндри­ческой печи больших размеров сложно и требует боль­шого расхода металла на каркас (так, печь мощностью 17 млн. ккал час-1 имеет диаметр 9 м при длине труб 14 м). Цилиндрические печи примерно на 30—50% дороже печей другой конфигурации.

Печи с наклонным сводом, применяющиеся в настоящее время, часто сочетаются с проведением горения в выносных карборундовых муфелях. Назначение наклонного свода, как указывалось выше,—выровнять тепловую нагрузку потолоч­ного экрана. Мало вероятно, однако, чтобы устройством наклон­ного свода можно было выровнять тепловую нагрузку экрана, поскольку угол взаимной видимости верхних труб с кладкой, что указывает на пониженное тепловосприятие верхнего участка труб. Между тем наклонный свод усложняет конструк­цию этих печей.

Вынос процесса горения за пределы камеры радиации соз­дает мягкий режим нагрева в печи. Однако в настоящее время строятся такие же печи с размещением форсунок непосред­ственно в камере радиации.

Тепловые напряжения поверхности нагрева в этих печах не могут быль высокими вследствие больших размеров камеры радиации. Расход металла доходит до 12—14 т на 1 млн. ккал час-1.

Вертикальные печи с настенными боковыми экранами харак­терны использованием принципа настильного пламени. Явле­ние настилания пламени известно давно и детально исследо­валось В. Е. Грум-Гржимайло [14]. Оно заключается в том, что пламя, направленное на твердую поверхность, «прилипает» к ней и вытягивается. Настилание пламени вызвано тем, что трение газа в газовой среде различной плотности выше, чем на границе газ—твердое тело [14]. Вытягивание пламени и, невидимому, катализирующее действие кладки (о котором свидетельствует сравнительно небольшая длина пламени в этих печах) приводят к выравниванию температуры пламени и поверх­ности кладки, а следовательно, и тепловых нагрузок поверх­ности нагрева. Это подтверждается данными обследований.

Рассматриваемые печи могут работать с более высокими средними тепловыми напряжениями поверхностей нагрева, чем описанные ранее нагреватели. Следует отметить, что во всех печах локальные тепловые напряжения в большой мере зависят от конфигурации факела. Рассматриваемый тип печей, обладающий почти плоским факе­лом, должен быть благоприятен с точки зрения равномерности распределения тепловых нагрузок. Печи с настенными боко­выми экранами очень компактны также благодаря использова­нию принципа настильного пламени, позволяющего уменьшить ширину камеры радиации до 1,5 м и менее. Соответственно удельный расход металла на эти печи меньше, чем на все рассмотренные ранее печи (9—10 т на 1 млн. ккал час-1).

Сказанное позволяет отнести вертикальные печи с настен­ными боковыми экранами к числу наиболее совершенных, про­грессивных типов печей.

Еще в большей мере относится сказанное к вертикальным печам с экранами двустороннего облучения, в которых одно­временно используется принцип настильного пламени. Такой способ передачи тепла является очень удачным. Двустороннее облучение экрана создает равномерные тепловые и темпера­турные напряжения по окружности трубы, что позволяет значительно повысить средние тепловые напряжения поверхности, нагрева, не создавая местных перегревов. Что касается преимуществ настильного пламени, то они отмечались выше.

В рассматриваемых печах средние тепловые напряжения поверхности нагрева могут достигать 54000 ккал м-2 час-1 при локальных тепловых напряжениях, не превышающих 60000 ккал м-2 час-1 [68].

Удельный расход металла на эти печи еще меньше, чем на вертикальные печи с настенным боковым экраном, вследствие сокращения числа труб и соединительных коллекторов, а также габаритов печи.

Вопрос о целесообразности применения экранов двусторон­него облучения в сочетании с форсунками беспламенного горе­ния требует детального изучения.

Известно, что при беспламенном горении поверхность керамики достигает очень высоких температур [45]. Излуче­ние на поверхность экрана большого количества размещенных в кладке раскаленных керамиковых форсунок может привести к местным перегревам. Поэтому окончательную оценку дан­ного типа печи делать еще преждевременно и к выбору его следует подходить с осторожностью.

Рис. 36. Печь глубокого крекинга.



С

Рис. 37. Печь легкого кре­кинга.



Рис. 38. Печь прямой перегонки.


целью более полной оценки различных типов печей и проверки приведенных теоретических предпосылок автором [] были обследованы некоторые из рассмотренных типов печей.

Обследованию подверглись две вертикальные двухкамер­ные печи с настенным боковым экраном: печь глубокого кре­кинга (рис. 36) и печь легкого крекинга с общей выносной реакционной камерой (рис. 37), печь прямой перегонки с пото­лочным и стенными экранами (рис. 38), двухкамерная печь с прохождением газового потока через потолочный экран для высокотемпературного крекинга лигроина (рис. 39) и нагре­вательная двухкамерная печь с наклонным сводом (рис. 35).

С

Рис. 39. Печь высокотемпературного кре­кинга лигроина.


огласно статистическим данным трубы в вертикальных двух­камерных печах легкого и глубокого крекинга (рис. 36 и 37) приходилось часто менять.

Данные обследования подтвердили сделанные ранее выводы. В печи прямой перегонки низкие тепловые напряжения радиантных труб и температуры газов на перевале являются результатом сочетания низкого теплового напряжения топоч­ного пространства со сравнительно высокой степенью экранирования ( = 0,5). Такая печь неэкономична.

В вертикальных двух­ камерных печах для тер­мического крекинга распределение тепловых на­грузок оказалось равно­мерным. Некоторые неполадки, наблюдавшиеся в работе этих печей, вызваны причинами чисто технологического харак­тера.

Анализ работы печи глубокого крекинга и ло­кальных тепловых напря­жений в печи легкого крекинга показывает, что вертикальные печи с настенными боковыми экранами весьма благоприятны для термического крекинга. Данные обследования полностью подтверждают сделанные выше выводы о целесообразности и преимуществах применения печей этого типа по сравнению со многими другими современными печами.

В печи высокотемпературного крекинга лигроина наблю­дается прогар труб бокового и потолочного экранов нагрева­тельной секции, вызванный местными перегревами.

Нагревательная двухкамерная печь с наклонным сводом работает, как и предполагалось, с низкими тепловыми напря­жениями поверхности нагрева. Данная печь оказалась недо­груженной на 30%, но даже при полной нагрузке тепловое напряжение радиантных труб не превысило бы 23000 ккал м-1 час-1. Несмотря на то, что эта печь производила только нагрев нефтепродуктов до сравнительно невысоких темпера­тур, в ней наблюдались случаи коксования труб.

Как указывалось выше, в промышленности искусственных жидких топлив большое распространение получили печи конвекционного типа для нагрева сырья под высоким давле­нием. По мнению автора, на гидрогенизационных установках могут применяться также и печи радиантного типа.

Применение печей конвекционного типа для этих процес­сов связано с большим расходом металла, а также с повы­шенными эксплуатационными расходами на рециркуляцию газов. Достаточно мягких условий нагрева продукта можно добиться в печи радиантного типа, если подобрать один из типов печей с выровненной тепловой нагрузкой и высокой прямой отдачей топки и, следовательно, умеренными тепло­выми напряжениями, а газы из камеры радиации направлять непосредственно в воздухоподогреватель. Такой тип печи в определенных условиях может оказаться более целесооб­разным, чем печи конвекционного типа5.

В связи с выше изложенным для проекта выберем печь с излучающими стенками топки и с беспламенными горелками. Расположение радиантной камеры и камер конвекции приняты в п. 5.8.

4.2.Исходные данные для расчета

Исходные данные по 1 нагреваемому компоненту – нефть:

  • массовый расход нефти Gн = 15000 кг/час;

  • относительная плотность при 20 С = 0,8943;

  • температура входа в печь Т = 210 С;

  • температура выхода из печи Т = 370 С;

  • давление на выходе из змеевика печи вн = 17700 Па.


Исходные данные по 2 компоненту – мазут (фр. 350-выше С):

  • массовый расход мазута Gн = 9000 кг/час;

  • относительная плотность при 20 С = 0,9594 кг/м3;

  • температура входа в печь Т = 350 С;

  • температура выхода из печи Т = 380 С;

  • давление на выходе из змеевика печи вн = 2300 Па.


Исходные данные по 3 компоненту – пар:

  • массовый расход пара Gп = 413 кг/час;

  • температура входа в печь Т1п = 160 С;

  • температура выхода из печи Т2п = 370 С;

  • давление 6 ат.


Сжигаемое топливо газ с газоперерабатывающего завода:

  • плотность при 20 С = 0,760 кг/м3;

  • компонентный состав газа табл. 20.

Компонентный состав газа. Таблица 20

п/п

Компонент

Массовая доля gi100, (масс. %)

Мольная (объемная) доля ri

Молекулярная

масса, Мi

Miri

1.

N2

0,46 0,0028 34 0,0952
2.

CO2

1,78 0,0083 44 0,3652
3.

CH4

64,97 0,8352 16 13,3632
4.

C2H6

7,06 0,0484 30 1,452
5.

C3H8

12,42 0,0581 44 2,5564
6.

и-C4H10

8,83 0,0313 58 1,8154
7.

н-C4H10

4,48 0,0159 58 0,9222

Итого:

100 1

MГ20,57


4.3.Расчет процесса горения

Определим низшую теплоту сгорания топлива по формуле:

где СН4, С2Н4 и т.д. – содержание компонентов в топливе в объемн. %.



Определим элементный состав топлива в массовых процентах. Содержание углерода в любом i-ом компоненте топлива находим по соотношению:

где ni – число атомов углерода в данном компоненте топлива.


Содержание углерода:


Содержание водорода:

где m – число атомов водорода в данном компоненте топлива.


Содержание кислорода:

где Р – число атомов кислорода.


где К – число атомов азота.


Проверка:


Определим теоретическое количество воздуха, необходимого для сжигания 1 кг газа, по формуле:


Найдем действительное количество воздуха, которое требуется для сжигания 1 кг газа.

Для печей с излучающими стенками коэффициент избытка воздуха =1,031,07. Принимаем =1,06. Тогда действительное количество воздуха:

или

где в = 1,293 кг/м3 – плотность воздуха при нормальных условиях (0 С и 760 мм. рт. ст.).


Определим количество продуктов сгорания, образующихся при сжигании 1 кг топлива:


Суммарное количество продуктов сгорания:

Проверка:


Содержанием влаги в воздухе пренебрегаем.

Найдем объемное количество продуктов сгорания в м3 на 1 кг топлива (при нормальных условиях):



Суммарный объем продуктов сгорания:

Плотность продуктов сгорания при 0 С и 760 мм. рт. ст.

Определим содержание продуктов сгорания при различных температура по уравнению:

где t – температура продуктов сгорания (дымовых газов), С; с – средние массовые теплоемкости компонентов дымовых газов, определяемые из таблицы [38, стр. 491]


Найдем для примера q200:

Результаты расчетов сведены в табл.

Таблица 21

t, C

0 200 400 800 1000 1400 2000

qt, ккал/кг

0 910 1820 3640 4550 6370 9100

Рис. 40. График зависимости теплосодержания от температуры.



По данным этой таблицы строим график q-t (рис. 40).


4.4.КПД печи и расход топлива

. КПД (коэффициент полезного действия) печи найдем по формуле:

где - потери тепла в окружающую среду, в долях от низшей теплоты сгорания топлива; - потери тепла с уходящими дымовыми газами, в долях от низшей теплоты сгорания топлива.


Примем, что и что температура дымовых газов, покидающих конвекционную камеру печи, на 240 С выше температуры t1п пара поступающего в печь:

С

При С найдем по графику q-t (см. рис. 40) потерю тепла с уходящими дымовыми газами:

или в долях от низшей теплоты сгорания топлива:

Подставив числовые значения величин, получим, что КПД печи

Полную тепловую нагрузку печи, или теплопроизводительность газовых горелок при КПД печи равному 0,823 найдем из формулы:

где - полезное тепло печи, ккал/ч.


Полезное тепло печи рассчитываем по формуле:

где Gн, Gм, Gп – производительность печи по нефти, мазуту и пару, кг/ч; е – массовая доля отгона нефти на выходе из печи при t2н = 370 С; определяем ее по табл. она равна 0,4349; qt – теплосодержания паровой и жидкой фаз нагреваемых продуктов при температурах t1 и t2, ккал/кг;


По таблицам теплосодержаний жидких нефтепродуктов и нефтяных паров [47, стр. 321], зная плотности нефти, отгона, остатка однократного испарения и мазута, найдем:

Тогда

Подставляя в формулу заданные и найденные величины, получим:

Часовой расход топлива:

или

4.5.Камера радиации и поверхность теплообмена

Поверхность нагрева радиантных труб определяется по формуле:

где Qр – количество тепла, переданного сырью в камере радиации, ккал/ч; qр – теплонапряженность радиантных труб.


Количество тепла, переданного сырью, в камере радиации (прямая отдача топки) будет складываться из прямой отдачи тепла нефти и мазуту. Конвекционный змеевик печи служит пароперегревателем. Поэтому тепло, сообщаемое в печи сырью, будет равно прямой отдаче топки:

Тогда из уравнения теплового баланса топки, количество тепла переданного сырью (нефть и мазут):

где - коэффициент эффективности (КПД) топки; - теплосодержание дымовых газов на выходе из камеры радиации при температуре tП.


Примем t = 800 °С и определим по графику qt (см. рис. 40):

Ранее было принято, что потери в окружающую среду равны 7%. Пусть 5 % в том числе составляют потери тепла в топке. Тогда КПД топки, без ущерба для точности расчета примем:

Тогда для нефти:

для мазута

Имея в виду, что печь предназначена для нагрева нефти и мазута, то примем средние теплонапряженности [35, стр. 359] для нефти qрн = 40000 ккал/(м2ч) и мазута qрм = 27000 ккал/(м2ч).

Таким образом, поверхность нагрева экранных труб нефти будет равна:

мазута

Определим температуру сырья (нефти) на входе в радиантные трубы.

Полагая на основе опытных и расчетных данных, что нефть в конвекционных трубах не испаряется, найдем теплосодержа­ние ее и мазута на входе в радиантные трубы из уравнения:

Тогда для нефти найдем:

для мазута:

По таблице теплосодержаний жидких нефтепродуктов (5, стр. 321) искомые температуры tкн = 260 °С и tкм = 356 °С.

Выбираем трубы диаметром 1278 мм с полезной длинной lтр. = 3,5 м (полная длина трубы, с учетом особенностей крепления в цилиндрических печах, равна 4 м). Число радиантных труб для нефти и мазута:

Рис. 41. Схема печи с излучающими стенками топки.


Учитывая опыт промышленности, принимаем печь беспламен­ного горения с двухрядным экраном двухстороннего обогрева, с горизонтальным шахматным расположением труб и двумя ниж­ними конвективными пучками (рис. 41). По существующим нор­мам принимаем шаг радиантных труб S = 0,25 м. Тогда расстоя­ние между вертикальными рядами радиантных труб:

По данным Гипронефтемаша [47, стр. 14] расстояние от излу­чающих стен до трубного экрана должно быть от 0,6 до 1,0 м. Принимаем это расстояние ат = 1 м. В каждом вертикальном ряду экрана разместим по 10 труб нефтяных и по 2 мазутных. Тогда высота радиантной камеры (топки) будет (см. рис. 41)

где Npчисло труб в одном вертикальном ряду; lт = 0,25 м—расстояние от нижней и верхней труб вертикаль­ного ряда соответственно до пода и потолка печи.


Ширина радиантной камеры печи:

На потолке левой и правой частей радиантной камеры разме­щаем по три трубы с шагом 0,25 м. Объем камеры радиации:

Теплонапряженность топочного объема такой печи будет:

Для обеспечения равномерного обогрева каждой трубы экра­на по окружности и по длине принимаем для проектируемой печи газовые горелки Гипронефтемаша типа ГБП2а-60 теплопроизводительностью qГ = 60000 ккал/ч каждая [47, стр. 43]. Количество горелок:

Принимаем для каждой из двух излучающих стен топки по 24 горелки: 6 горелок по длине излучающей стены и 4 горелки по высоте.

Так как размер горелки 0,50,5 м, то площадь каждой излу­чающей стены печи:

Средняя теплоемкость нефти в интервале температур 210370 С:

кДж/(кгК)

 - температурная поправка [35, стр. 11].


Средняя теплоемкость мазута в интервале температур 350380 С:

кДж/(кгК)

 - температурная поправка [35, стр. 11].


4.6.Проверка скорости сырья

Оптимальное значение скорости сырья на входе в змеевик печи с учетом хорошего теплообмена и минимальных энергетических затрат на прокачивание сырья находится в пределах 0,52,5 м/сек.

Линейная скорость сырья определяется по формуле:

где Vсек. – секундный объем сырья, м3/сек; dв = 0,09 м – внутренний диаметр труб.


Секундный объем нефти при температуре входа в змеевик печи t = 210 С найдем:


Тогда линейна скорость нефти на входе в змеевик печи:

Секундный объем мазута при температуре входа в змеевик печи t = 350 С найдем:


Тогда линейна скорость мазута на входе в змеевик печи:

Как видно, скорость сырья на входе в змеевик печи находится в допустимых пределах.

4.7.Расчет лучистого теплообмена в топке

Целью этого расчета является определение действительной температуры дымовых газов на выходе из топки при принятой теплонапряженности радиантных труб или проверка ранее вы­бранной температуры дымовых газов, покидающих топку.

Определим коэффициент теплоотдачи свободной конвекцией от дымовых газов к радиантным трубам по формуле:

Средняя температура наружной поверхности стенки радиантной трубы определяется из уравнения:

+

где — средняя температура сырья в радиантных трубах, °С; 2 — коэффициент теплоотдачи от стенки трубы к нефти, ккaл/(м2чгpaд); — толщина стенки трубы, м; — коэффициент теплопроводности стенки трубы, ккал/(мчград).


Средняя температура нефти и мазута в радиантных трубах:

Принимаем 2н = 900 ккaл/(м2чгpaд),  =39 ккал/(мчград).

Тогда для нефти и мазута

и коэффициент теплоотдачи свободной конвекцией от дымовых га­зов к радиантным трубам:

Рассчитаем максимальную температуру горения по формуле:

где t0 — так называемая приведенная температура системы [40, стр. 88], может быть принята равной 20° С.


Для упрощения расчета второе слагаемое правой части форму­лы найдем по графику qt (см. рис. 40), отложив значение по оси абсцисс и прочитав значение температуры ,на оси ординат t = 2687 C . Получим:

Определим среднюю температуру поглощающей среды (газа в топке). Для расчета этой температуры Ц. А. Бахшияном [40, стр. 93] рекомендуется формула:

где Qр.к. — тепло, переданное радиантным трубам свободной кон­векцией газов, ккал/ч; Qp.n. — потери тепла радиантной камерой в окружающую среду, ккал/ч;mcр — средняя суммарная теплоемкость продуктов сгорания 1 кг топлива в интервале температур от tП до tv.


Имеем:

Тогда

Отложив на графике рис. 40 величину,

найдем соответствующую температуру tv = 1103 °С (Тv = 1376 °К).

Отсюда

Определим температуру излучающей стенки. Согласно опытным данным Гипронефтемаша [40, стр. 93] эту температуру можно найти по формуле:

Рассчитаем эквивалентную абсолютно черную поверхность. Предварительно определим все необходимые для этого величины.

Найдем угловой коэффициент для случая лучистого теплооб­мена между поверхностью экранных труб и излучающей стенкой, или коэффициент облученности HR. Этот коэффициент показывает, во сколько раз эффективная (расчетная) поверхность ПHR взаим­ного излучения экрана и излучающей стенки больше поверх­ности радиантных труб, т. е.:

Основы расчета ПHR достаточно подробно изложены в ряде руководств [39, 8, 9 и др.]. Ниже излагается схема расчета ПHR для нашего случая.

В любом масштабе (лучше или ) вычерчиваем схему топки печи с размещенными в ней трубами. Ввиду симметричности топки на схеме (рис. 42) дана только левая половина ее. Для упроще­ния схемы в левом вертикальном ряду показаны верхние пять труб из десяти, а в правом вертикальном ряду — нижние пять и две трубы из четырнадцати.

Расчетная поверхность взаимного излучения опреде­ляется для каждой трубы отдельно. Ввиду симметричного раз­мещения труб относительно излучающей стенки, очевидно, достаточно найти для половины труб левого ряда, половины труб правого ряда и труб левой половины потолочного экрана. Для получения средней расчетной поверхности одной трубы достаточно для нашего случая подсчитать для части вычерченных труб. Эти трубы на схеме рис. 42 занумерованы (1, 2, 3, 4, 5, 1', 2', 3', 4', 5', и 6, 7, 8, 9, 9').

И

Рис. 42. Схема к расчету поверхности взаимного излучения.

з точек А и В, ограничивающих высоту излучающей стенки, к каждой из занумерованных труб проводим касательные (напри­мер, к трубе 1 — касательные ВВ1, ВВ'1, АА1, АА'1; к трубе 5 — касательные АА5', AA'5', BB5', BB'5'.

Четыре касательные образуют у каждой трубы две воображае­мые упругие нити, как бы натянутые на трубу,— внутреннюю и внешнюю (например, для трубы 1— нить ВВ1А'5 A — внешняя и нить ВВ'1А'1В1А1А — внутренняя; аналогично для трубы 5' —нить AA5'B'5'B — внешняя и нить АА'5'В'5'А5'В'5'В — внутренняя). По методу «натянутых нитей» расчетная поверхность взаимного излу­чения для трубы 1 определится так:

Но

поэтому

Аналогично, для трубы 5':

Следовательно, для любой i-той трубы нашей схемы расчетная поверхность взаимного излучения определится из формулы:

Для определения размеров и при расчете любой трубы необходимо рядом со схемой топки вычертить в мас­штабе 1 : 1 окружность диаметром, равным наружному диаметру трубы, т. е. dн = 127 мм. Проводя к этой окружности касательные, параллельные касательным к соответствующей трубе на схеме, отметим на ней четыре точки, которые ограничат две искомые дуги.

Например, на окружности с dн = 127 мм таким способом для трубы 1 найдены точки А, А'1, В1, В'1; для трубы 5' — точки А5', А'5', В5', В'5', которые ограничили нужные нам дуги: А5'В5' и А'5'В'5'. Такие построения на этой окружности сделаны для всех занумерованных труб (на рис. 42 не показаны).

Длина любой дуги легко найдется геометрически:

где dн = 127 мм — наружный диаметр трубы; AiОВi° — центральный угол, соответствующий дуге AiBi.


При таком способе вычисления длины дуг окружность на рис. 42 не обязательно чертить в масштабе 1:1.

Результаты вычислений длин дуг и расчетных поверхностен взаимного излучения для всех занумерованных труб представ­лены в табл. 22. Все расчетные поверхности найдены на 1 мм длины труб.

Таблица 22

Номер i

трубы

AiОВi°

A'iОВ'i°

AiВi, мм

A'iВ'i, мм

1

36 40 40 44 42,0

2

46 49 51 54 52,5

3

57 61 63 68 65,5

4

69 71 76 79 77,5

5

78 82 86 91 88,5

1'

66 64 73 71 72,0

2'

73 72 81 80 80,5

3'

72 77 80 85 82,5

4'

79 79 88 88 88,0

5'

77 78 85 86 85,5

6

13 22 14 24 19,0

7

26 33 29 37 33,0

8

33 38 37 42 39,5

Сумма





826,0

9

57 54 63 60 61,5

9'

50 47 55 52 53,5

Сумма





115,0

Средняя расчетная поверхность взаимного излучения для од­ной трубы экрана будет:


Поверхность взаимного излучения для всего экрана печи:

на 1 мм длины труб.

Находим величину коэффициента облученности, или углового коэффициента:

где — поверхность экрана печи, приходящаяся на 1 мм длины труб.


Тогда

Определим угловой коэффициент для случая лучистого тепло­обмена между газовым слоем и трубным экраном.

Найдем поверхность неэкранированных стен топки. Из принятой схемы компоновки экранных труб (см. рис. 42), видно, что неэкранированными поверхностями топки являются ее торцевые стены и часть фронтовых стен, не занятых газовыми горелками. Площадь этих поверхностей равна:

Определим эквивалентную абсолютно черную поверхность по формуле [39, стр. 89]:

где (Т) – величина, зависящая от распределения температур в топке, в среднем равна 0,85; HЛ – эффективная лучевоспринимающая поверхность; F – поверхность излучающей кладки, м2; – характеристика излучения; H, V, F – степень черноты экрана, топочной среды и кладки, соответственно.


Для расчета радиантной камеры принимаем [35, стр. 398] H = F = 0,9.

Тогда формула примет следующий вид:

Соотношение в зависимости от коэффициента избытка воздуха приблизительно можно определить по формуле:

Эффективную лучевоспринимающую поверхность рассчитываем по формуле:

где Нpi – поверхности излучающих элементов или отдельных частей экрана; i – коэффициент эквивалентности по данным Хоттеля берем из [35, стр. 396].


Тогда

Характеристику излучения найдем по формуле

Числовое значение коэффициента FH при вычисляем приближенную величину:

Тогда

Найдем эквивалентную абсолютно черную поверхность

Определим действительную температуру дымовых газов, по­кидающих топку. Пользуясь формулами Н. И. Белоконя [40, стр. 891, найдем некоторые величины, необходимые для решения поставленной задачи. Температурная поправка к теплопередаче в топке:

где Тмакс. – абсолютная максимальная температура горения, К; - абсолютная температура поверхности экранных труб; cs – постоянная излучения абсолютно черного тела, равная 4,96 ккал/(м2К4ч); mcp – суммарная теплоемкость дымовых газов. Определяется по формуле:


Находим величину аргумента по формуле Н. И. Белконя [35, стр. 399]:

По графику [40, стр. 90] находим характеристику излучения:

Определяем температуру дымовых газов на выходе из камеры радиации по формуле Н. И. Белконя:

Полученная расчетом температура Тп = 808 °С незначительно отличается от предварительно принятой Тп = 800 °С. Таким обра­зом, подтверждаются ранее назначенная нами теплонапряженности радиантных труб для нефти и мазута, а рассчитанные поверх­ности нагрева экрана верны.

4.8.Конвекционная камера

Поверхность нагрева конвекционных труб определяется по формуле:

где Qк — количество тепла, передаваемого сырью в конвекцион­ных трубах, ккал/ч;К – коэффициент теплопередачи в пароперегревателе, ккал/(м2чград); tср – средний температурный напор, С.


Количество тепла, передаваемого нефти, мазуту и пару в конвекционных трубах, определим так:

Коэффициент теплопередачи в конвекционной камере вычис­лим по формуле:

где 1 — коэффициент теплоотдачи конвекцией от дымовых газов к трубам, ккaл/(м2чгpaд); л — коэффициент теплоотдачи излучением от трехатомных газов к трубам, ккaл/(м2чгpaд).


Коэффициент 1 определим по формуле Д. А. Литвинова:

где С — коэффициент, зависящий от шага труб; m — коэффициент, учитывающий расположение труб и число рядов труб; принимаем m =0,255; Е — коэффициент, зависящий от средней температуры дымовых газов; находим по графику [35, стр. 486] для tср.= 0,5(tП + tух.) = 0,5(800 + 400) = 600°С, Е = 21,7; и — массовая скорость дымовых газов в свободном сечении конвекционной камеры, кг/м2ceк; dн — наружный диаметр конвекционных труб, м; п—показатель степени, определяемый по таблице [35, стр. 404]; в нашем случае n = 0,6.


Определим коэффициент С. В камерах конвекции устанавли­ваются трубы с полезной длиной lтр. = 3,5 м, наружным диаметром dн = 102 мм и толщиной стенки 6 мм. В каждой камере компо­нуется змеевик для одного потока сырья. В одном горизонталь­ном ряду в каждой камере устанавливается по четыре трубы. Конвекционные трубы размещаются в шахматном порядке. Соглас­но размерам печных двойников принят шаг труб S = 172 мм. В зависимости от S коэффициент С найдем по формуле:

Массовую скорость дымовых газов в узком (свободном) сечении каждой из двух конвекционных камер определим по формуле:

где fгаз. — площадь свободного сечения для прохода дымовых га­зов в пучке, м2.


Величину fгаз. вычислим по формуле:

Согласно приведенной схеме ширина каждой конвекционной камеры:

где n1 = 4 — число труб в одном горизонтальном ряду.


Следовательно:

Тогда

После подстановки всех величин в формулу для вычисления 1 получим:

Коэффициент теплоотдачи излучением от трехатомных газов определяется по формуле:

где и — коэффициенты теплоотдачи излучением от СО2 и Н2О, определяемые по номограммам [40, стр. 478] в зависимости от средней температуры дымовых газов в конвекционной камере, силы поглощения трехатомных газов и температуры стенки.


Коэффициент теплоотдачи излучением газов можно определить также по формуле Нельсона [47, стр. 4791:

Суммарный коэффициент теплопередачи будет равен:

В конвекционной камере проектируемой печи теплопередача от дымовых газов к сырью в трубах осуществляется при смешан­но-перекрестном токе с индексом противоточности [40, стр. 116], равным единице. Поэтому средний температурный напор рас­считываем по уравнению Грасгофа:

где для нефти

для мазута

для пара

Таким образом, поверхность нагрева конвекционных труб нефти, мазута и пара:

Определим число труб в конвекционных камерах:

или в одной камере:

Примем , и трубы. Число рядов труб по вертикали в одной камере:

Высота, занимаемая трубами в конвекционной камере, при шаге труб по глубине конвекционного пучка S1 = 0,148 м:

4.9.Гидравлический расчет змеевика печи

Целью гидравлического расчета является определение давления сырья на входе в змеевик печи. Так как давление на выходе из змеевика печи известно—в нашем случае кн = 1,8 кГ/см2 и км = 0,23 кГ/см2 то для отыскания давления на входе в змеевик необходимо рассчитать потери напора в нем. В проектируемой печи происходит частич­ное испарение нефти, поэтому гидравлический расчет змеевика ведем по методу Б. Д. Бакланова [40].

Давление сырья на входе в змеевик печи рассчитываем по формуле:

где Ри — потери напора на участке испарения, кГ/см2; Рн — потери напора на участке нагрева радиантных труб, кГ/см2; Рк — потери напора в конвекционном змеевике печи (по одно­му потоку), кГ/см2; Рст. — статический напор, необходимый для подъема нефти в змеевике от уровня ее ввода в конвекционный змеевик до уровня вывода из радиантных труб, кГ/см2.


Расчет необходимо начинать с определения потерь напора на участке испарения:

где н — давление в начале участка испарения.


Началом участка испарения называется то сечение змеевика печи, в котором сырье закипает, т. е. достигает температуры на­чала однократного испарения. При этой т

Рис. 43. График для определения упругости паров.

емпературе упругость насыщенных паров сырья становится равной давлению в начале участка испарения.

Давление в начале участка испарения определяется методом постепенного приближения. Для некоторого облегчения расче­тов предварительно строят вспомогательную кривую зависимости температуры начала однократного испарения сырья от давления (или кривую Р = f(tн.о.и.) — зависимости упругости насыщенных паров сырья от температуры начала однократного испарения).

Фракционный состав отбензиненной нефти приведен в табл. 23.

Таблица 23

Пределы кипе­ния фракций, °С

180-250 250-300 300-345 345-437 437-462 462-500

Выше

500

Выход фракций, масс. %

10,69 9,56 7,90 16,40 6,22 9,45 39,78

Порядок построения кривой Р = f(tн.о.и.) следующий:

  1. Для каждой фракции отбензиненной нефти (см. табл. 23) находим среднюю температуру кипения (как среднеарифметиче­скую температуру начала и конца кипения).

  2. Рассчитываем молекулярные массы фракций по формуле Б. П. Воинова:

  1. Зная массовую долю xi, каждой фракции в сырье и ее мо­лекулярную массу Мi, находим ее мольную долю хi в сырье по формуле:

  1. Каждую узкую фракцию в соответствии с ее молекуляр­ной массой приравниваем (ус­ловно) к индивидуальному уг­леводороду (алкану) и находим при нескольких температурах (в нашем случае при 260, 300 и 340 °С) по диаграмме Кокса для каждой фракции (прирав­ненной к индивидуальному уг­леводороду) упругость Pi насыщенных паров. Вычисляем произ­ведения , выражающие парциальное давление паров каждой фракции, и по уравнению изотермы жидкой фазы находим для каждой из выбранных температур упругость паров сырья, т. е. давление, при котором сырье закипит при данной температуре.

Все эти определения и расчеты сведены в табл. 24.

По данным этой таблицы построена кривая Р = f(tн.о.и.) упру­гости паров нефти (рис. 43).

Предварительно задаемся давлением в начале участка испаре­ния н = 1,9 am и по кривой (см. рис. 43) находим температуру на­чала однократного испарения (закипания) отбензиненной нефти, соответствующую этому давлению, tн = 307 °С. Эта температура выше той, с которой нефть входит в радиантные трубы ( tкн = 260 °С). Это значит, что испарение нефти начинается в радиантной секции.

Найдем эквивалентную (расчетную) длину радиантных труб для одного потока нефти:

где = 4 м — полная длина трубы; Nр1 = 15 — число радиантных труб в одном потоке; = 50 — коэффициент, зависящий от вида соединения труб [39, стр. 131]; dв = 0,lll м внутренний диаметр радиантных труб.


Таблица 24

Пределы кипения фракции, °С

tср., °С

Мi

xi,

маc.%



260°С

300 °С

340 °С

Pi,

мм. рт. ст.

,

мм. рт. ст.

Pi,

мм. рт. ст.

,

мм. рт. ст.

Pi,

мм. рт. ст.

,

мм. рт. ст.

180-250 215 171 10,69 0,063 0,210 2000,0 420,0 5000 1050,0 9000 1890,0
250-300 275 218 9,56 0,044 0,147 550,0 80,9 1500 220,5 3750 551,3
300-345 325 263 7,90 0,030 0,100 200,0 20,0 650 65,0 1700 170,0
345-437 390 329 16,4 0,050 0,167 30,0 5,0 125 20,9 800 133,6
437-462 440 386 6,22 0,016 0,053 4,5 0,2 20 1,1 175 9,3
462-500 475 428 9,45 0,022 0,073 0 0 7 0,5 60 4,4
более 500 550 528 39,78 0,075 0,250 0 0 0 0 7 1,8

Итого:



100 0,3 1

526,10,72 ат


1358

1,85 ат


2760

3,76 ат


Тогда

Рассчитаем эквивалентную длину участка испарения по урав­нению:

где — теплосодержание нефти на выходе из печи; = 170,5 ккал/кг — теплосодержание сырья в начале участка испарения при tн = 307 °С; = 132 ккал/кг — теплосодержание сырья на входе в радиантные трубы.


Тогда

Определим давление в начале участка испарения по формуле Б. Д. Бакланова:

где к = 1,8 ат = 1,8104 кГ/м2 — давление сырья на выходе иа змеевика печи или, что то же самое, в конце участка испаре­ния; А и В—расчетные коэффициенты.


Коэффициент А находим по формуле [47, стр. 202]:

где — коэффициент гидравлического сопротивления, равный для атмосферных печей 0,020—0,024, принимаем = 0,024; L1 — секундный расход сырья по одному потоку, кг/сек; ж = 753 кг/м3плотность нефти при средней температуре на участке испарения tср. = 0,5(307+350)=329 °С.


Тогда

Коэффициент В находим по формуле [47, стр. 203]:

где е = 0,435—массовая доля отгона сырья на выходе из печи; — средняя плотность паров сырья при давлении 1 кГ/м2 в кг/м3 (принимается).


После подстановки числовых значений в формулу получим:

Давление в начале участка испарения равно:

Полученное значение н достаточно близко к ранее принятому, поэтому пересчета не делаем. Вычисляем потерю напора на участке испарения:

Потери напора Рн на участке нагрева радиантных труб найдем по формуле:

где = 0,031 — коэффициент гидравлического сопротивления, вы­бирается по таблице [35, стр. 419]; lн — эквивалентная длина участка нагрева радиантных труб по одному потоку, м; dв = 0,111 м — внутренний диаметр радиантных труб; и — массовая скорость сырья в трубах, кг/(м2сек); 9,81 — безразмерный коэффициент перевода ньютонов в ки­лограммы; ж плотность сырья при средней тем­пературе на участке нагрева радиантных труб.


Эквивалентная длина участка нагрева радиантных труб:

Массовая скорость сырья в трубах (одного потока):

Подставляя в формулу для Рн числовые значения величин для нефти и мазута, получим:

Потери напора в конвекционном змеевике (по одному потоку) найдем по формуле:

где = 0,031 (см. выше); lк — эквивалентная (расчетная) длина конвекционного змеевика по одному потоку, м; dв = 0,09 м — внутренний диаметр конвекционных труб; uк — массовая скорость сырья в конвекционных трубах, кг/(м2сек); ж плотность сырья при средней температуре в кон­векционных трубах.



Эквивалентная длина конвекционного змеевика по одному потоку:

где — число труб в одном потоке; lтр. = 4 м — полная длина трубы; = 50 [см. выше].


Тогда для нефти и мазута

Массовая скорость:

Подставляя в формулу для Рк числовые значения величин, получаем:

Определяем статистический напор, необходимый для подъема отбензиненной нефти и мазута в змеевике от уровня ввода в конвек­ционный змеевик до уровня вывода из радиантных труб:

где ж — удельный вес сырья при tср..


Таким образом, давление сырья на входе в змеевик печи будет:

4.10.Расчет потерь напора в газовом тракте печи

Общие потери напора по газовому тракту печи, или величина тяги в дымовой трубе, рассчитываются по формуле:

где Рр — величина разрежения в камере радиации, принимаем Рр = 2 мм вод. ст.; Рк — потери напора в камере конвекции, мм вод. ст.; Рб — потери напора в борове, мм вод. ст.; Ртр. —потери напора в дымовой трубе, мм вод. ст.


Потери напора в камере конвекции Рк найдем по формуле:

где Рп — потери напора в конвекционном пучке труб, мм вод. ст.; Рст. — статический напор в камере конвекции при нисходящем потоке газов, мм вод. ст.


Потери напора в конвекционном пучке труб определяем по формуле В. М. Антуфьева и Л. С. Казаченко [39, стр. 1391.

где — коэффициент, берется по таблице [35, стр. 396.], в нашем случае при C1 = l,5; — коэффициент, берется по графику [35, стр. 396], в нашем случае при С2 = 0,88; m = 8 — число горизонтальных рядов труб в конвекционном пучке; Re — критерий Рейнольдса; и = 0,37 кг/(м2ceк) — массовая скорость газов в узком сечении пучка (найдена ранее); к — плотность дымовых газов при их средней темпера­туре в конвекционной камере, кг/м3.


Определим среднюю температуру газов в конвекционной ка­мере:

Значение критерия Рейнольдса подсчитаем по формуле:

где = 9710-6 м2/сек — кинематическая вязкость дымовых газов tср. = 550 °С — по таблице [35, стр. 358].


Определим величину к по формуле:

где Т0 = 273 К; 0 = 1,24 кг/м3 — плотность дымовых газов при 0 С и 760 мм рт. ст., рассчитанная выше; Тcp. = 600+273 = 873 °К — средняя абсолютная температура ды­мовых газов.


Тогда


Подсчитаем Рп:

Рекомендуется найденную величину увеличить на 40 %, по­этому примем

Статический напор в камере конвекции при нисходящем потоке газов найдем так:

где hк = 1,036+0,53 = 1,566 м высота камеры конвекции (см. рис. 41); возд. и к — удельный вес воздуха при температуре окружаю­щей среды tвозд. = 30 °С и нормальном давлении и удельный вес дымовых газов, кГ/м3.


Определим возд.:

Получим:

Тогда

Потери напора в борове Pб найдем по формуле:

где — потери напора на преодоление местных сопротивлений, мм вод. ст.; —потери напора на прямолинейном участке борова, мм вод. ст.


Предварительно проведем расчет газохода. Схема устройства газоходов печи дана на рис. 44.

Площадь поперечного сечения борова подсчитываем по следую­щей формуле:

где G секундное количество продуктов сгорания, кг/сек; и — массовая скорость газов в борове, кг/(м2ceк);


Секундное количество продуктов сгорания:

Массовую скорость газов в борове определим так:

где — плотность продуктов сгорания при температуре tух = 400 °С, кг/м3; линейная скорость газов в борове, м/сек.


Найдем плотность продуктов сгорания при tух. = 400 °С:

где 0 = 1,24 кг/м3 — плотность продуктов сгорания при нормаль­ных условиях, рассчитанная раньше.


Тогда

Принимаем линейную скорость газов в борове =8 м/сек. Тогда массовая скорость газов:

Площадь поперечного сечения борова:

Рис. 44. Схема устройства газоходов печи.

Принимаем высоту борова h =l,36 м, ширину b = 1 м, длину lб =10 м.

Потери напора от местных сопротивлений рассчитываем по формуле:

где  — сумма коэффициентов местных сопротивлений.


Согласно схеме борова (см. рис. 44) дымовые газы делают в нем два поворота по 90° (один—при входе в боров, другой, не показанный на схеме,—при входе в дымовую трубу), проходят шибер, открытый наполовину, и проходят три входных канала в общий коллектор.

Коэффициент местного сопротивления при повороте на 90°:

где берется по таблице [35, стр. 414], в нашем случае при С = 0,9.


Поэтому для двух поворотов получим:

По той же таблице коэффициент местного сопротивления на­половину открытого шибера 2 = 4 и коэффициент местного со­противления при входе газа в коллектор 3 = 0,04.

По написанной выше формуле получим:

Потери напора на прямолинейном участке борова:

где коэффициент гидравлического сопротивления; dэ эквивалентный диаметр борова, м.


Коэффициент гидравлического сопротивления, зависящий от величины критерия Рейнольдса, находим по формуле:

где — кинематическая вязкость дымовых газов при температуре в борове tбtух. = 400 °С.


В нашем случае:

По формулам [35, стр. 15] найдем:

Тогда

По написанной выше формуле получим:

Таким образом:

Потери напора в дымовой трубе Ртр. найдем по формуле:

где — потери напора при входе газов в трубу и выходе из нее, мм вод. ст.; — потери напора на трение при движении газов в трубе, мм вод. ст.;


Предварительно рассчитаем диаметр дымовой трубы по фор­муле:

где и — массовая скорость газов на входе в трубу, кг/(м2ceк).


Массовую скорость газов на входе в трубу рассчитаем по фор­муле:

где линейная скорость газов на входе в дымовую трубу, м /сек; вх. — плотность газов при их температуре входа в дымовую тру­бу tвх., кг/м3.


Примем линейную скорость газов на входе в дымовую трубу = 8 м/сек, а их температуру tвх. = 395 °С.

Плотность газов при этой температуре:

Массовая скорость газов на входе в трубу

Подставив в формулу числовые значения величин, получим:

Примем D = 0,6 м.

Потери напора при входе газов в трубу и выходе из нее опре­делим по формуле:

где вх. и вых. — коэффициенты местных сопротивлений; ср. — линейная скорость газов при их средней тем­пературе в трубе, м/сек; ср. — плотность газов при средней температуре кг/м3.


Из таблицы [35, стр. 412] найдем:

вх. = 0,3 и вых. = 1,0

Принимаем температуру газов на выходе из дымовой трубы tвых. = 370 С, имея в виду потери тепла поверхностью трубы в окружающую среду.

Тогда средняя температура газов в трубе будет:

Плотность газов при этой температуре:

Линейная скорость газов при их средней температуре в трубе:

Тогда

Потери напора на трение при движении газов в дымовой трубе определяем по формуле:

где — коэффициент гидравлического сопротивления; Н — высота дымовой трубы, м.


Определим по формуле Якимова:

в которой а — коэффициент, принимаемый по таблице [35, стр. 412].


В нашем случае:

Предварительно принимая высоту дымовой трубы Н = 28 м, получим:

Таким образом:

Общая потеря напора по газовому тракту печи, или величина тяги в дымовой трубе:

Проверим высоту дымовой трубы по формуле:

где Тв — абсолютная температура окружающего воздуха; Тср. — абсолютная средняя температура дымовых газов в трубе, равная

Тогда

Ввиду небольшого расхождения рассчитанной и ранее принятой величин Н перерасчета не делаем.

5.Технико-экономическое обоснование проекта

5.1.Производственная программа

Целью технико-экономической оценки является подтверждение экономической целесообразности применения исследуемого проекта на практике.

В данном случае необходимо произвести расчет величины затрат необходимых для внедрения этого проекта в производство. Оценить изменение себестоимости продукции получаемой в цехе первичной переработки нефти и получения битума.

В цехе установлено две печи: для нагрева нефти П-1 и для подогрева мазута и пара П-3, после реконструкции должна быть установлена печь, которая полностью заменит обе печи П-1 и П-3. Производительность печи по нефти 15000 кг/час, по мазуту – 9000 кг/час, по пару – 413 кг/час.

Для облегчения расчета расчет затрат и оценку себестоимости будем производить по данным отчета технико-экономичнсекого отдела за 1998 год.

В 1998 году на установку принято 67050 т нефти (загрузка на 57%). Из нее произведено: дизельного топлива – 22800 т, бензиновой фракции – 12750 т, битума дорожного – 31500 т.

5.2.Расчет затрат на реконструкцию

Амортизационные отчисления характеризуют величину износа оборудования, зданий и сооружений. Амортизационные отчисления с вводом новых ОПФ представлены в табл. 25.

Затраты на реконструкцию цеха, а конкретно замене двух печей П-1 и П-3 на проектируемую, рассчитать достаточно сложно, поэтому для приблизительной оценки себестоимости продукции величину этих расходов примем следующим образом:

КВ1 = Цпечи + Цпечи 0,2

где Цпечи – стоимость спроектированной печи; Цпечи  0,2 – затраты на монтаж печи 20% от ее стоимости.


Цену печи примем следующим образом. Так как типы печей одинаковы, то ориентировочно можно принять цену печи по увеличению теплопроизводительности печи:

где ЦП-1 – цена установленной печи П-1 по нагреву нефти; Qпроект – теплопроизводительность спроектированной печи; QП-1 – теплопроизводительность спроектированной печи.


Тогда величина затрат на реконструкцию составит:

КВ1 = 1886250 + 18862500,2 = 2263500 руб.

Ввод новых производственных фондов повлияет только на амортизационные отчисления и следовательно на себестоимость продукции. Амортизация с вводом новых производственных фондов представлена в табл. 25.

Амортизация. Таблица 25

Наименование

Сумма, руб.

Балансовая стоимость ОПФ на 1.01.97 г. 38285268
Средняя норма амортизации, % 5,18
Амортизационные отчисления 1983177
Балансовая стоимость ОПФ с учетом переоценки на 1.01.98 г. 51685112
Средняя норма амортизации, % 5,16
Амортизационные отчисления 2666952
Ввод основных фондов в 1998 году, в том числе: 4582050
1. Газопровод, резервный нефтепровод 190000

норма амортизации, %

2,5

амортизационные отчисления

1583

2. Два резервуара РВС 400 м3 с автоматизиро­ванной системой налива

2128550

норма амортизации, %

5,8

амортизационные отчисления

41152
3. Реконструкция битумной установки (по проекту) 2263500

норма амортизации, %

5,14

амортизационные отчисления

116344

Итого амортизация новых ОПФ

95550

Балансовая стоимость ОПФ на 01.01.99г. 56267162
Среднегодовая стоимость ОПФ за 1998 год 53019250

Амортизационные отчисления за год

2762502

в том числе по кварталам

1 квартал

2 квартал

3 квартал

4 квартал


666738 666738 709473 719553
Средняя норма амортизации, % 5,18

Сумма материальных и прямых энергетических затрат с учетом транспортно-заготовительных расходов представляет собой часть переменных издержек на производство продукции, она принята по 1998 году. Затраты на основные материалы, на топливо и электроэнергию с вводом реконструкции цеха не изменятся.

Ввод нового оборудования по данному проекту не требует увеличения численности персонала, поэтому фонд заработной платы останется тот же.

5.3.Определение себестоимости

Составим план сметы затрат (табл. 26) по цеху первичной переработки нефти и получения битума с учетом расходов в 1998 году.

Для расчета себестоимости одной тонны продукции составляем калькуляцию себестоимости (цена базисной нефти, поступающей на переработку, без НДС - 454 руб. за 1 тонну), в которой расчет себестоимости отдельных продуктов ведется по коэффициенту распределения затрат (табл. 28).

В табл. 27 произведен расчет цен на готовую продукцию, получаемую на ЦППНиПБ, для структурных единиц и сторонних организаций.

Чистая прибыль в 1998 году по продаже основной продукции (дорожный битум) составила:

П1 = 133,531500 = 4205250 руб


План сметы затрат по ЦППНиПБ. Таблица 26

п/п

Наименование затрат

Всего

в том числе по кварталам, руб.

1 квартал

2 квартал

3 квартал

4 квартал

1. Основные материалы 31505330 8495248 5412134 8946524 8651424
2. Вспомогательные материалы 520000 110000 150000 150000 110000
3. Топливо 987209 370296 249366 377802 74745
4. Электроэнергия 1358923 363126 272851 359646 363300
5. Расходы на оплату труда 2603896 627478 634166 681686 660566
6. Отчисления на соцнужды 1002500 241579 244154 262449 254318
7. Амортизация 2762502 666738 666738 709473 719553
8. Прочие расходы 2821091 706121 686044 723225 705701

ВСЕГО

43646451

11580586

8315453

12210805

11539607


Выработка продукции, т.

67050 18080 11500 19060 18410

Средняя себестоимость 1 т. продукции, руб.

651 641 723 641 627

Цены на нефтепродукты ЦППНиПБ на 1998 год. Таблица 27

п/п

Наименование нефтепродуктов

Стоимость1 т., руб.

Коэффициент рентабельности 20%

НДС 20%

Налог на ГСМ 25%

Цена реализации руб.

1. Битум дорожный





для структурных единиц

534


534

для сторонних организаций

534 133,5 133,5
801
2. Бензиновая фракция





для структурных единиц

651


651

для сторонних организаций

651 162,75 162,75
976,5
3. Дизтопливо





для структурных единиц

813


813

для сторонних организаций

813 203,25 203,25 254 1473,5

5.4.Экономический эффект.

За счет более эффективного теплообмена в проектируемой печи снизится расход топливного газа на

Г = 293 – 246 = 47 м3/час

или в год экономия на газе составит (стоимость топливного газа соталяет 278 руб за 1 тыс. м3 сухого газа):

Г1 = 47365240,278 = 114458 руб


Так как сократится расход газа на нагрев продуктов следователно сократяться и выбросы в атмосферу в табл. приведена калькуляция штрафоф за выбросы:


п/п

Нименование выбросов

Норматив платы, руб на усл. т

Объем текущих загрязнений, усл. т

Объем проектных загрязнений, усл. т

Разница в плате, руб

1. Диоксид углерода 0,005 695 185 2,55
2. Диоксид азота 0,42 607,7 190 133,14
3. Углеводороды 0,010 69,5 2,6 0,669
4. Оксид серы 0,33 42,8 22,2 6,798

Всего:


1415

399,8

143,157


Плата за выбросы с учетом коэффициента экологической ситуации и эконмической значимости сократится на:

ПЛвыбр = 143,1572,495,0 = 32640 руб.

Всего экономия средств составит 114458+32640 = 147098 руб.


Калькуляция цеховой себестоимости продукции ЦППНиПБ. Таблица 28

Наименование статей расходов

Кол-во, т.

Цена, руб.

за 1 т.

Сумма, руб.

Наименование готовой продукции

Кол-во, т.

Коэффициент распре­деления затрат

Себестоимость

единицы продукции, руб.

всего выпуска, руб.

1 2 3 4 5 6 7 8 9
1.Сырье и основные материалы:


Попутная:





Дизельное топливо

22800 1, 20 от средней себестоимости го­товой продукции 813 18536400

Нефть

69395 454 31505330

Потери безвозвратные

(исключаются)

2345 - -

Бензиновая фракция

12750 1,0 от средней себестоимости го­товой продукции 651 8300250
2.Затраты по обработке

12412144 Итого: 35550

26836650

Основная:





Битум дорожный

31500 0,820 от средней себестоимости 533 16809801
Итого: 31500

16809801

Всего:

67050


43646451

Всего продукции:

67050


651

43646451


5.5.Заключение

Для внедрения решений, рассмотренных в проекте, в производство, потребуется 2263500 руб. единовременных затрат. При этом не значительно увеличатся амортизационные отчисления на:

и следовательно себестоимость продукции, выпускаемой в ЦППНиПБ увеличится на:

Но при этом пректная печь за счет более эффективного теплообмена экономит топливный газ и сокращает расходы на оплату штрафов за выбросы, эконмия средств на сумму 147098 руб в год.

Если издержки покрывать за счет эконмии средств предусмотреных в проекте, то срок окупаемости проектных решений составит:

2263500  147098 = 15 лет

Амортизационный срок службы печи 20 лет, следовательно доход в случае внедрения проекта по истечении 15 лет составит

(20 - 15)147098 = 735490 руб

6.Автоматизация производства

Для стабильной работы спроектированной печи, необходимо установить измерительные приборы рис. 45, что позволит следить и управлять процессами происходящими в печи. Для этого необходимо установить термометры, ротаметры, барометры. На рис. 45 показаны места расположения всех необходимых приборов измерения.

Для печи нагрева нефти, мазута и перегрева водяного пара предусмотрены следующие приборы (по месту установки и типу) представлены в табл. .

Типы приборов и места их установки. Таблица 29

п/п

Измерительные приборы и места их установки

Тип, модификация прибора

Пределы измерений

от

до


Термометры, С




1. Температура нефти на входе в печь ТСП-1187 -200 +500
2. Температура нефти на выходе из печи ТСП-1187 -200 +500
3. Температура мазута на входе в печь ТСП-1187 -200 +500
4. Температура мазута на выходе из печи ТСП-1187 -200 +500
5. Температура пара на входе в печь ТСП-1187 -200 +500
6. Температура пара на выходе из печи ТСП-1187 -200 +500
7. Температура в радиантной камере ЭЧП-0183 -260 +1100
8. Температура дымовых газов ТСП-0879 -260 +600

Измерители давления, Мпа




9. Давление нефти на входе в печь Сапфир-22ДД 0 16
10. Давление мазута на входе в печь Сапфир-22ДД 0 16
11. Давление пара Сапфир-22ДД 0 16
12. Давление в радиантной камере Сапфир-22ДИВ -0,1 0,15
13. Давление газа Сапфир-22ДД 0 0,2

Преобразователи расхода, м3




14. Расход нефти РЭ-16ЖУЗ 0 16
15. Расход мазута СМ2-10 0 10
16. Расход газа Тургас ПРГ-100 0 100
17. Расход воздуха Тургас ПРГ-50 0 50

Рис. 45. Схема расположения измерительных приборов в трубчатой печи.


Существующая схема контроля и автоматизации печи может быть использована для регулирования работы спроектированной.

7.Безопасность и экологичность проекта

7.1.Введение

Безопасная организация производственных процессов и труда имеет большое значение на предприятиях химической промышленности, где существует потенциальная опасность аварий, отравлений и взрывов. Предотвращение чрезвычайных ситуаций в значительной степени зависит от строгого соблюдения производственной дисциплины, требований производственного регламента и технологических инструкций.

7.2.Характеристика условий труда.

Сырьем и продукцией на установке первичной переработке нефти и получения битума является пожаровзрывоопасные вещества: углеводороды нефти, нефть, бензин, газойль, мазут, гудрон, битум, дизельное топливо. В технологическом процессе нефтепродукты нагреваются в печах с огневым подогревом выше температуры самовоспламенения. Нефтяной газ, пары нефтепродуктов оказывают вредное действие на организм человека.

Для безопасного ведения технологического процесса необходимо обеспечить: герметичность технологического и другого вспомогательного оборудования, контроль за состоянием воздушной среды в производственных помещениях и зонах, вентиляционных производственных помещений, строго соблюдать нормы технологического режима.

Наиболее опасными местами на установке являются:

  • помещения насосной для холодной и горячих нефтепродуктов;

  • площадка колонн К-3, К-5;

  • площадка окислительной колонны К-1;

  • площадка реакторов Р-1, Р-2;

  • площадка технологических печей;

  • площадка печей дожига;

  • эстакада налива битума и светлых нефтепродуктов;

  • площадка электродегидратора;

  • площадка емкостей готовой продукции.


Характеристика пожароопасных и токсичных продуктов применяемых на объекте представлена в табл. 30.

Таблица 30

п/п

Наименование продукта

ПДК,

мг/м3

[66]

Температура, С

Пределы взрываемости [65]

Действие на организм человека

Вспышки Воспламенения Самовоспламенения Нижний Верхний
1. Углеводородный газ (топливный газ) 300


1,3 1,5 Наркотическое и удушающее.
2. Нефть 300


>500

Пары и газы оказывают наркотическое действие. Вызывает кожные заболевания.
3. Бензиновая фракция 100 -27-39 -8-39 255-370 1,0 6,0 Пары действуют наркотически вызывают кожные заболевания.
4. Атмосферный газойль 300 50-65
340-400 1,4 6,0 Низкая испаряемость, пары действуют наркотически. Действие слабее чем убензина.
5. Вакуумный газоойль 300 >150 230-260 340-380 - - Воздействует аналогично атмосферному газойлю.
6. Мазут 300 >150
340-380 - -

--

7. Гудрон 300 200-230
250-300 - -

--

8. Битум 300 >220
>368 - -

--

9.

Дизельное топливо

марки – Л

300 >40 69-119 300 2 3 Пары действуют наркотически. ДТ раздражает слизистую оболочку и кожу.
10.

марки – З

300 >30 62-105 310 2 3
11.

марки – А

300 >30 57-100 330 2 3

Для автоматического непрерывного контроля воздушной среды в помещениях: насосной горячих нефтепродуктов, насосной холодных нефтепродуктов, ГПР, дренажной емкости Е-13, насосной промстоков Б-9, насосной условно-чистых стоков Б-8, насосной эстакады налива, дренажной емкости Е-7, эстакады налива установлены сигнализаторы взрывных концентраций типа СВК. При достижении концентрации взрывного вещества в воздухе помещения 20% от нижнего предела взрываемости сигнализатор срабатывает при этом: загорается лампа над входом в соответствующее помещение и включается звуковой сигнал по месту:

  • дублируется звуковой и световой сигнал на щите в операторной с показанием результатов анализа на шкале соответствующего прибора;

  • автоматически включается аварийно-вытяжной вентилятор соответствующего помещения;

  • насосной горячих нефтепродуктов вентилятор В-3а;

  • насосной холодных нефтепродуктов вентилятор В-4а;

  • автоматически включается вытяжной вентилятор соответствующег

  • помещения;

  • дренажной емкости Е-15;

  • насосной - промстоков;

  • насосной условно-чистых стоков Б-8;

  • насосной эстакады налива;

  • дренажной емкости Е-7.


При возникновении каких-либо нарушений в цепи СВК, нарушений расхода воздуха автоматически подаются звуковые и световые сигналы по месту и на щите в операторной с высвечиванием табло о неисправности.

Показатели условий труда в рабочей зонеТаблица 31

Наименование профессии

Аппаратчик налива

Оператор установки

Категория тяжести работы Средней тяжести II-б Средней тяжести II-б
Параметры микроклимата

Температура, ОС

15 – 17 21 – 23

Относительная

влажность, %

60 50
Скорость воздуха, м/с 0,1 0,1
Освещенность, лк 50 30

Наименование вредного вещества на рабочем месте (ПДК, мг/м3)

Керосин(300)

Пары нефти(300),

бензина(100)

Площадь, приходящаяся на одного рабочего, м2

10/4,5 50/4,5

Объем помещения, приходящийся на одного рабочего, м2

57,6/15 192/15

В пожарно-взрывных помещениях и зонах электрооборудование и электрические контрольно-измерительные приборы применяются в соответствующем взрывозащищенном исполнении.

В производственных помещениях предусмотрены приточно-вытяжная, принудительная, механическая и естественная вентиляция, которая должна обеспечить кратность воздухообмена:

  • маслохозяйства – 4;

  • горячая насосная – 12;

  • холодная насосная – 8;

  • компрессорная -6;

  • операторная -5;

  • ЩСУ-1 - 5 ;

  • приточная венткамера производственного корпуса - 5;

  • приточная венткамера горячей и холодной насосной - 3;

  • насосная дренажных емкостей Е-13, Е-7 - 6.5

  • насосная промстоков - 6.5;

  • насосная эстакады налива - 8;


Кроме общеобменных горячая и холодная насосные оборудованы аварийной вентиляции, (В3а, В4а) обеспечивающие восьмикратный воздухообмен помещении.

Приточные вентиляции помещений совмещены с воздушным отоплением.


7.3.Спецодежда и предохранительные приспособления.

Спецодежда, спецобувь и защитные приспособления на установке первичной переработки нефти и получения битума выдаются по норам, установленным инструкцией «о порядке выдачи, хранения и пользования спецодеждой, спецобувью и предохранительными приспособлениями» и в соответствии с «Перечнем профессий рабочих и ИТР ОАО «Сургутнефтегаз».

С целью защиты органов дыхания при выполнении газоопасных работ на установке имеются шланговые противогазы: 3 комплекта рабочих и 3 комплекта аварийных. Для предохранения глаз от светового излучения при обслуживании нагревательных печей рабочие обеспечиваются защитными очками.

7.4.Защита от шума и вибрации

Ожидаемый уровень шума на участке технологической печи П-1 не превышает 80 дБА, в помещении операторной – 60 дБА, что удовлетворяет требованиям государственного стандарта [58], поэтому дополнительная защита от шума в проектируемом производстве не требуется.

Защита от вибрации, генерируемой вращающимися деталями обоудования, предусмотрена при его изготовлении. Вследствие этого ожидаемые параметры вибрации не превышают установленных норм [59].

7.5.Электробезопасность и защита от статического электричества

Для защиты от накопления и проявления зарядов статического электричества все оборудование и трубопроводы должны бить заземлены.

Сопротивление заземлителей на каждое присоединение должно быть не более:

  • 10 Ом - все блочные сооружения, котельная;

  • 50 Ом - прожекторные мачты, подземные емкости;

  • 40 Ом - блок компрессора, КПП, электрический блок, операторная.


В соответствии с РД 39-22-113-78 для защиты от опасных проявлений зарядов статического электричества все металлическое и электропроводное неметаллическое оборудование, трубопроводы должны представлять собой на всем протяжении непрерывную электрическую цепь, которая должна быть присоединена к контуру заземления не менее, чем в двух точках [62, 63].

Для заземления общих точек системы АСУТП выполнено специальное заземление-нуль-система.

Нуль-система включает в себя заземлителя, соединенные кабели и щиты к которым подключается цепи требующие заземления.

Для защиты от электромагнитной индукции между трубопроводами, в местах из взаимного сближения на расстоянии менее 10 см через каждые 25-30 м приведены металлические перемычки вдоль всей трассы эстакады и через каждые 250-300 м присоединены к заземлителям с сопротивлением не более 50 Ом.

Скорость движения электризующихся жидкостей по трубопроводам и истечения их в аппараты, если имеется возможность образования взрывоопасных концентраций газовоздушных смесей, должна ограничиваться до такой величины, чтобы заряд вносимый в емкость с потоком жидкости на мог вызвать с ее поверхности искрового разряда с энергией, достаточной для вспламенения окружающей среды. При заполнении порожнего резервуара, жидкостью имеющей удельное объемное электрическое сопротивление более 10 см/м, скорость закачки ограничивается до 1,2 м/сек, до момента когда конец загрузочной трубы окажется ниже уровня зеркала закачиваемого продукта при диаметре трубопровода до 200 мм. Отвод зарядов статического электричества при наливе бензина и газойлей в автоцистерны достигается созданием непрерывной цепи заземления следующим образом:

  • резиновый наливной шланг должен быть обвит медной проволокой или медным тросиком диаметром не менее 2 мм с шагом витка не более 100 мм, концы которых присоединяются болтовым соединением к частям трубопровода от насоса и наконечнику шланга выполненого из искробезопасного материала;

  • секции телескопических наливных труб соединяются между собой медным тросиком;

  • автоцистерна заземляется медным тросиком к металлическому штырю, вбитому в грунт на глубину не менее 1м;

  • шланг с наконечником или телескопическая труба опускается до днища автоцистерны и налив осуществляется «под уровень».

7.6.Пожарная безопасность

Установка переработки нефти состоит из отдельных блоков. Разрыв между блоками, а также расположение аппаратов принимаются в соответствии с «Противопожарными нормами проектирование предприятий, зданий и сооружений нефтеперерабатывающей и нефтехимической промышленности» ( ВНТП - 28 - 79).

Помещение горячей и холодной насосной оборудованы стационарными системами пенотушения с непосредственным подключением передвижной пожарной техники в случае загорания [60, 64, 65].

Сведения о вреде применяемых веществ представлены в табл. 33

Группы и категории взрывоопасности применяемых продуктов по ГОСТ 12.1.011-78. Таблица 32

п/п

Наименование веществ, образующих взрывоопасную смесь с воздухом

Категория, группа взрывоопасности смеси

1. Нефтяной газ (метан) II, A-T1
2. Нефть сырая II, A-T3
3. Бензиновая фракция II, A-T3
4. Дизельное топливо II, В-T3

В насосных блоках, в трубчатых печах и в колонне окисления установлена автоматическая система пажаро-тушения.


Характеристика пожаро- и взрывоопасности отделений. Таблица 33

Наименование установки, отделения производственного помещения

Категория пожарной опасности процесса

Степень огнестойкости зданий и сооружений, час

Классификация помещений и наружных установок

Класс помещения по ПЭУ

Категория и группа взрывоопасных смесей по ПУЭ

Блок холодной и горячей насосной А 2,5 В-1А ПА-ТЗ
Блок электродегидратора с теплообменников А

--

В-1Г ПА-ТЗ

Блок печей П-1, П-3

А

--

В-1Г ПА-ТЗ
Блок колонн с постаментом А

--

В-1Г ПА-ТЗ

Площадка емкостей товарного парка Е-10,11,12

А

--

В-1Г ПА-ТЗ
эстакада налива светлых нефтепродуктов А

--

В-1Г ПА-ТЗ

Площадка реакторов бескомпрессорного окисления Р-1, Р-2 печей дожига П-2/1,2 и емкостей готового битума.

А

--

В-1Г ПА-ТЗ

Блок получения битума в окислительной колонне К-1

В

--

П-Щ
Блок защелачивания бензина А

--


ПА-ТЗ

Площадка емкостей товарного битума Е-15/1, Е-15/2, Е-15/3

В

--

В-1Г ПА-ТЗ

Помещение насосной дренажной емкости Е-13

А 0,75 П-Щ

Помещение насосной промстоков Б-9

А 0,75 В-1а ПА-ТЗ
Помещение ГРП А 0,75 В-1а ПА-ТЗ

Помещение насосной условно чистых стоков Б-8

А 0,75 В-1а ПА-ТЗ
Помещение насосной эстакады налива А 0,75 В-1а ПА-ТЗ

Помещение дренажной емкости Е-7

А 0,75 В-1а ПА-ТЗ

Помещения оборудованы приточно-вытяжной и аварийной вентиляциями. В случае простоя основной рабочей вентиляции автоматически включается аварийная, установленная из расчета удаления всего воздуха из помещения за 10 минут.

Организована пожарная охрана объекта. Все перечисленные в табл. 33 роизводственные помещения оснащены средствами пожаротушения – водой, песком, углекислотными огнетушителями.

7.7.Чрезвычайные ситуации.

Возникновение чрезвычайных ситуаций (взрыв, пожар) возможно при несоблюдении требований технологического регламента, техники безопасности.

В случае возникновении пожара или взрыва принимаются следующие меры (см. рис. 46):

  • вызов пожарной охраны;

  • оповещение путем включения аварийной сигнализации;

  • эвакуация работающих на лестничные клетки и выходом наружу.


П


Рис. 46. Дерево отказов.

А - пожар (венчающее событие); Б – возгорание нефти; В - возгорание мазута; Г – утечка нефти; Д – утечка мазута; Е – взрыв газа; 1 – прогар змеевиков; 2 – не герметичность соединения труб; 3 – прогар змеевиков; 4 - невнимательность работающего при выжиге закоксованности участков змеевика; 5 – нарушение технологических параметров топливного газа.



осле ликвидации пожара создается комиссия для определения причин возникновения чрезвычайной ситуации, степени повреждения строительных конструкций и оборудования и оценки нанесенного ущерба; составляется смета на ремонт зданий и замену оборудования; проводится ремонт.

их.

7.8.Экологичность проекта

Твердые отходы образуются при зачистке оборудования установки перед производством ремонтных работ. твердые отходы утилизируются в полигоне нефтешламов. Жидкие отходы образуются в процессе производства «черный соляр». При отсутствии потребителей, жидкими отходами являются бензиновая фракция, атмосферный и вакуумные газойли. Жидкие отходы утилизируются закачкой в нефтесборную сеть НГДУ «Сургутнефтегаз».

7.9.Выбросы в атмосферу

Источниками выбросов в атмосферу являются дымовые трубы технологических печей П-1, П-3, печей дожига П-2/1,2, котельной, не плотности оборудования. Загрязняющими веществами являются продукты сгорания топливного газа в печах П-1, П-3, котельной, «хвостовых» газов в печах дожига П-2/1,2, углеводородный газ, СО, NO, SO. Количество и состав вредных веществ выбрасываемых в атмосферу приведены в табл. 33 [59].

Количество жидких пpомотходов. Таблица 34

п/п

Наименование жидких отходов

Промежуточный склад

Периодичность образования

Условие захоронения

Удельная норма, % (масс.)

Количество т/год

1. Черный соляр

Е-13

непрерывно в нефтепровод 0,3 356
2. Атмосферный газойль

Е-12

непрерывно в нефтепровод 5,4 6415
3. Вакуумный газойль

Е-11

непрерывно в нефтепровод 26,6 31600
4. Бензиновая фракция

Е-10

непрерывно при отсутствии потребителя в нефтепровод 5,8 5800

Количество вредных веществ выбрасываемых в атмосферу. Таблица 35

п/п

Наименование источника выброса

Вещества

Количество выбросов, кг/м3

Улавливающее оборудование

1.

Дымовая труба П-2

СН4

1,0653 отсутствует

NO2

8,8424 отсутствует

CO2

10,6531 отсутствует
SO 1,5648 отсутствует
2.

Дымовая труба П-1

СН4

0,2641 отсутствует

NO2

3,8 отсутствует

CO2

2,641 отсутствует
3.

Дымовая труба П-3

СН4

0,3946 отсутствует

NO2

1,9624 отсутствует

CO2

3,9514 отсутствует
SO 0,4064 отсутствует

4.

Дымовая труба проектной печи П-1

СН4

0,025 отсутствует

NO2

1,8 отсутствует

CO2

1,76 отсутствует
SO 0,2105 отсутствует
5. Дымовая труба котельной

NO2

7,8125 отсутствует

CO2

24,2920 отсутствует
6. Технологическое оборудование (не плотности)

СН4

63,0969 отсутствует

Вода на установку первичной переработки нефти и получения битума по трубопроводу поступает из водопровода «Обской водозабор - Федоpовское месторождение».

Вода потребляется для производственных нужд:

  • для обессоливания нефти;

  • для охлаждения нефтепродуктов;

  • для охлаждения насосов;

  • для охлаждения воздуха после компрессора;

  • для работы пароэжекторной установки;

  • для подпитки котельной с котлами ПКГМ-4 и выработки пара;

  • для нужд лаборатории физико-химического анализа;

  • для подпитки системы пожаpотушения;

  • для огнеогpадителей печей дожига.


Расчет потребности воды и утилизации сточных вод приведен в табл. 36 [59].

Потребность воды и утилизации сточных вод. Таблица 36

п/п

Статья расхода

Норма расхода на ед. оборудования

Количество оборудования

Потребность воды, м3/год

Количество стоков, м3/год

Источник водоснабжения

Хозяйственно бытовые нужды

1. Питьевой режим

25 л/чел

105 чел

956,3 956,3
2. Душевые

500 л/сетка

4 730 730
3. Столовая

1868 1868

Хозяйственно бытовые нужды

1. Лаборатория

1 м3/час


8760 8760 Обской водозабор
2. Потпика системы пожаротушения

1,5 м3/час


547,5 547,5 Обской водозабор
3. Охлаждение воздуха в блоке подготовки

1 м3/час

2 16080 16080 Обской водозабор
4. Обессоливание нефти

1,5 м3/час


12060 12060
5. Выработка пара

4 т/час

2 80400

64000

(80%)


6. Для нужд котельной

10 м3/реген.

4 реген. в сутки 13400 13400
7. Подпитка системы оборотного водоснабжения

40000 40000
8.

Огнеоградители печей П-1, П-3

20 кг/час

20 кг/час

322


Всего:



176497

159775



7.10.Выводы.

Благодаря введению предложенного мероприятия по реконструкции печей П-1 и П-3 на более совершенную конструкцию печи, уменьшается вероятность отказов печи, что с снижает вероятность возникновения чрезвычайных ситуаций по техническим причинам.

Во время работы печей обеспечить систематический визуальный контроль за состоянием труб змеевика, подвесок и за горением топлива.

Предложенный проект обеспечивает безопасные условия труда работающ.

При проектировании печи температура дымовых газов, была снижена с 600 С до 400 С, следовательно снижено тепловое воздействие на окружающую среду. За счет наиболее эффективного использования тепла, снижен расход топливного газа, следовательно и выбросы в атмосферу.

Предложенный проект удовлетворяет требованиям об охране окружающей среды.

Заключение

В проекте произведена реконструкция цеха первичной переработки нефти и получения битума на ОАО «Сургутнефтегаз». Спроектирована печь, которая обеспечит технологический процесс необходимым количеством тепла, для нагрева нефти, мазута и пара. Эта печь заменит две печи П-1 и П-3. Печь спроектирована таким образом, что не потребует дополнительных материальных затрат.

За счет использования эффективных панельных горелок повысился КПД печи на 5%. В следствии улучшения теплообмена в проектируемой печи понижена температура дымовых газов до 400 С, т. е. повышено использование вырабатываемого тепла. За счет более глубокого теплообмена сократился объем сжигаемого топлива, следовательно и количество дымовых выбросов, что благоприятно сказывается на экологии окружающей среды.

Выполнен подбор измерительных средств для контроля тепловых процессов в технологической печи. При проведении реконструкции на месте целесообразно использовать уже установленные автоматические системы управления на печах П-1, П-3.

Предлагаемая реконструкция цеха экономически обоснована и внедрение ее в производство целесообразно.

Список сокращений




БР – блок подготовки и закачки реагента.

БРХ – блок реагентного хозяйства.

ДНС – дожимнонапорная станция.

ЕП – емкость подземная.

КИПиА – контрольно-измерительные приборы и автоматика.


НГДУ – нефтегазодобывающее управление.

НГДУ – нефте-газо-добывающее управление.

НД – насос дозировочный.

ОАО – открытое акционерное общество.

РВС – резервуар вертикальный стальной.

УВСИНГ – управление внутрипромыслового сбора и использования нефтиянного газа.

УПН – установка подготовки нефти.

УПСВ – установка предварительного сброса воды.

ЦДНГ – цех добычи нефти и газа.

ЦКПН – цех контрольной проверки нефти.

ЦППН – цех первичной подготовки нефти.

ЦППНиПБ – цех первичной переработки и получения битума.

ЭГ – электродегидратор.

ЭЛОУ – электрообессоливающая установка.

Список использованных источников

  1. Регламент работы установки первичной переработки нефти и получения битума. Изд. ОАО «Сургутнефтегаз», 348 с.

  2. Голомшток И. С., Овсянников Д. В., Самсонов Н. А. Проектирование и принципы сооружения нефтезаводов. М.:Гостоптехиздат, 1960.

  3. Добрянский А. Ф. Химия нефти. М.:Гостоптехиздат, 1961.

  4. Иванова Л. В., Корнеев М. И., Юзбашев В. Н. Технология переработки нефти и газа. М.: «Химия», 1966.

  5. Пархоменко В. Е. Технология переработки нефти и газа. М.: Гостоптехиздат, 1959.

  6. Правила эксплуатации нефтегазоперерабатывающих заводов. ЦНИИТЭНефтехим, 1966.

  7. Проблемы переработки высокосернистых нефтей. ЦНИИТЭНефтехим, 1966.

  8. Смидович Е. В. Технология переработки нефти и газа. ч. 2, М.:«Химия», 1968.

  9. Соколов В. А. Нефть. М.:«Недра», 1970.

  10. Фарамазов С. А. Эксплуатация оборудования нефтеперерабатывающих заводов. М.:«Химия», 1969.

  11. Черножуков Н. И. Технология переработки нефти и газа. ч. 3, М.: «Химия», 1967.

  12. Эрих В. Н., Расина М. Г., Рудин М. Г. Химия и технология нефти и газа. М.:«Химия», 1972.

  13. Краткий справочник физико-химических величин. М.:Госхимиздат, 1957.

  14. Справочник химика. т. 1-3, М.:Госхимиздат, 1951-1952.

  15. Обрядчиков С. Н. Технология нефти. ч. 2, М.:Гостоптехиздат, 1948.

  16. Горшко В. Д., Розенбаум Р. Б., Тодес О. М. Изв. вузов. Нефть и газ. №1, 1958.

  17. Дезникович К. А., Тодес О. М. Изв. вузов. Нефть и газ. №8, 1959.

  18. Скобло А. И., Трегубова А. И., Егров Н. Н. Процессы и аппараты нефтеперерабатывающей и нефтехимической промышленности. М.: Гостоптехиздат, 1962.

  19. Фазовые равновесия легких углеводородов. (сборник переводов статей из иностранных журналов). М.: Гостоптехиздат, 1958.

  20. Кафаров В. В. Основы массопередачи. М.: Изд. «Высшая школа», 1962.

  21. Кузнецов А. А., Судаков Е. Н. Известия МВО СССР, серия «Нефть и газ». № 4 (1964).

  22. Дубовкин Н. Ф. Справочник по углеводородным топливам и их продуктам сгорания. М.:Госэнергоиздат, 1962.

  23. Хамди А. М., Скобло А. И., Молоканов Ю. К. Химическая и технология топлив и масел. № 2, 1963.

  24. Александров И. А. и др. Химическая и технология топлив и масел. № 7, 1961.

  25. Григорьев В. А., Калач Т. А., Соколовскии В. С., Темкин Р. М. Краткий справочник по теплообменным аппаратам. М.:Госэнергоиздат, 1962.

  26. Эмирджанов Р. Т. Примеры расчетов нефтезаводских процессов и аппаратов. Л.:Азнефтеиздат, 1957.

  27. Михеев М. А. Основы теплопередачи. М.:Госэнергоиздат, 1956.

  28. Хоблер Т. Теплопередача и теплообменники. М.:Госхимиздат, 1961.

  29. Гребер Г., Эрк С., Григулль У. Основы учения о теплооб­мене. М.:Издатинлит, 1958.

  30. Кутателадзе С. С., Боришанский В. М. Справочник по теплопередаче. М.:Госэнергоиздат, 1959.

  31. Реферативный журнал «Химия». Сводный том, № 17, реф. 17Н55 1963.

  32. Антуфьев В. М., Белецкий Г. С. Теплопередача и аэроди­намическое сопротивление трубчатых поверхностей в поперечном по­токе. Пермь: Машгиз, 1948.

  33. Новое нефтяное оборудование. М.:Гостоптехиздат, 1961.

  34. Теплофизические свойства веществ. Справочник. М.:Госэнергоиздат, 1956.

  35. Рабинович Г. Г. Расчет нефтеперегонной аппаратуры. М.:Гостоптех­издат, 1941.

  36. Егиазаров Н. В. Методы расчета аппаратуры и оборудования неф­теперегонных заводов. М.:Азнефтеиздат, 1935.

  37. Михеев М. А., Михеева И. М. Краткий курс теплопередачи. 1960.

  38. Ястржембский А. С. Техническая термодинамика. Госэнерго­издат, 1960.

  39. Бахшиян Ц. А. Трубчатые печи с излучающими стенами топки. М.:ГОСИНТИ, 1960.

  40. Адельсон С. В. Технологический расчет и конструктивное оформ­ление нефтезаводских печей. М.:Гостоптехиздат, 1952.

  41. Блох А. Г. Основы теплообмена излучением. М.:Госэнергоиздат, 1962.

  42. Чиркин В. С. Теплофизические свойства материалов, М.:Физматгиз, 1959.

  43. Ярослав Котишек, Владимир Род Трубчатые печи в химической промышленности. М.:Гостоптехиздат, 1963.

  44. Введенскии А. А. Термодинамические расчеты нефтехимических процессов. М.:Гостоптехиздат, 1960.

  45. Экспресс-информация. Химия и переработка нефти и газа. № 26, реф. 246 1963.

  46. Рабинович Г. Г., Адельсон С. В. Процессы и аппараты нефтеперерабатывающей промышленности. М.:Гостоптехиздат, 1949.

  47. Казьмин Г. И., Гвоздецкий Л. А., Касаткин В. А., Семенов Б. С. Нефтепеперерабатывающие заводы США. М.:Гостоп­техиздат, 1962.

  48. Экспресс-информация. Процессы и аппараты химических производств. № 7, реф. 54, 1963.

  49. Америк Б. К. и др. Технология переработки нефти и газа. Нефтехи­мия, Труды ГрозНИИ, вып. XII, М.:Гостоптехиздат, 1963.

  50. Экспресс-информация. Процессы и аппараты химических производств. № 5, реф. 40, 1963.

  51. Краснощеков Е. А., Сукомёл А. С. Задачник по тепло­передаче. М.:Госэнергоиздат, 1963.

  52. Павлов К. Ф., Романков П. Г., Носков А. А. Примеры и задачи по курсу процессов и аппаратов химической технологии. М.:Гос­химиздат, 1961.

  53. Новейшие достижения нефтехимии и нефтепереработки, т. Н, под ред. К. А. Кобе и Дж. Дж. Мак-Кета, М.:Гостоптехиздат, 1960.

  54. Обрядчиков С. Н. Технология нефти. ч. II. М.:Гостоптехиздат, 1952.

  55. Гоихрах И. М., Пинягин Н. Б. Химия и технология искусствен­ного жидкого топлива. М.:Гостоптехиздат, 1960.

  56. Реферативный сборник. серия «Химия и переработка нефти». вып. 45, 1947.

  57. Вукалович М. П. Термодинамические свойства воды и водяного пара. М.:Машгиз, 1958.

  58. ГОСТ 12.1.005-88 ССБТ. Общие санитарно-гигиенические требования к воздуху рабочей зоны.

  59. ГОСТ 12.2.033-78 ССБТ. Рабочее место при выполнении работ стоя. Общие эргономические требования.

  60. Лазарев Н. В., Левина Э.И. Вредные вещества в промышленности. «Химия», М.:1976, т.1-592с., т.2-600с., т.3-608с.

  61. ГОСТ 12.4.021-75 ССБТ. Системы вентиляционные. Общие требования.

  62. СНиП 23-05-95. Строительные нормы и правила. Нормы проектирования. Естественное и искусственное освещение. М.: «Стройиздат»,1995.

  63. ГОСТ 12.1.019-79 ССБТ. Электробезопасность. Общие требования.

  64. ГОСТ 12.1.030-81 ССБТ. Электробезопасность. Защитное заземление. Зануление.

  65. ГОСТ 12.1.044-89 ССБТ. Пожаровзрывобезопасность веществ, материалов. Номенклатура показателей и методы их определения.

  66. ГОСТ 17.0.0.01-76. Система станодартов в области охраны природы и улучшения использования природных ресурсов.

  67. Макаров Г.В., Васин А.Л. Охрана труда в химической промышленности. М.:Химия, 1989 - 495с.

  68. Волкова А.А., Тетеркин М.Е., Чекмарева М.А. Определение категории взрывопожарной опасности помещения: Методические указания по курсу «Безопасность жизнедеятельности», Екатеринбург: УГТУ, 1995 - 12с.

  69. Белянин Б. В., Эрих В. Н. Технический анализ нефте­продуктов и газа. М.:Изд. 2-е. «Химия», 1970.


1 Выход кокса при нагревании без доступа воздуха арактеризует отношение нефти к термическому воздействию.

2 В числителе величина октанового числа, а в знаменателе сортность — по­казатель детонационной стойкости на богатых смесях.

3 Тетраэтилсвинец.

4 Буквами А, Б, В, Г, Д и Е обозначены типы двигателей, для которых предназначены эти масла; А—для бензиновых четырехтактных двигателей; Б—для форсированных бензи­новых четырехтактных двигателей или дизелей, работающих на топливе с содержанием серы до 0,5%; В—для V-образных бензиновых четырехтактных двигателей и форсированных дизелей, работающих на топливе с содержанием серы до 1,0%; Г—для высокофорсированных дизе­лей, работающих на топливе с содержанием серы до 1,0%; Д — то же, но с малым расходом масла; Е—для тихоходных высокофорсированных дизелей с лубрикаторной системой смазки и работающих на топливе с содержанием серы до 3%.


5 Вертикальные конвекционные печи высокого давления, с ребристыми трубами, применяемые на комбинатах искусственного жидкого топлива, весьма компактны, безопасны в эксплуатации и наряду с этим достаточно эффективны. Ребра, приваренные к трубам, при тщательном их изготов­лении служат одновременно бандажами и, следовательно, повышают проч­ность труб. Для гидрогенизационных установок высокого давления (200 атм. и выше), обслуживаемых портальными кранами, предпочтительно при­менение компактных вертикальных конвекционных печей. Для систем сред­него и низкого давлении типа установок ДНД применение экранных печей становится достаточно перспективным. Ред.



© 2012 Рефераты, курсовые и дипломные работы.