рефераты
Главная

Рефераты по рекламе

Рефераты по физике

Рефераты по философии

Рефераты по финансам

Рефераты по химии

Рефераты по хозяйственному праву

Рефераты по цифровым устройствам

Рефераты по экологическому праву

Рефераты по экономико-математическому моделированию

Рефераты по экономической географии

Рефераты по экономической теории

Рефераты по этике

Рефераты по юриспруденции

Рефераты по языковедению

Рефераты по юридическим наукам

Рефераты по истории

Рефераты по компьютерным наукам

Рефераты по медицинским наукам

Рефераты по финансовым наукам

Рефераты по управленческим наукам

Психология и педагогика

Промышленность производство

Биология и химия

Языкознание филология

Издательское дело и полиграфия

Рефераты по краеведению и этнографии

Рефераты по религии и мифологии

Рефераты по медицине

Рефераты по сексологии

Рефераты по информатике программированию

Краткое содержание произведений

Реферат: Проектирование червячного редуктора

Реферат: Проектирование червячного редуктора

Технические данные.

Спроектировать машинный агрегат для привода.

Расчетные данные:

Р = 5 кВт

Т = 10000 Н*м

tзак = 4 мин.

Dy = 1000 мм

h = 12

Dy = 1000 м

Введение.

Во всех отраслях народного хозяйства производственные процессы осуществляются машинами или аппаратами с машинными средствами механизации. Поэтому уровень народного хозяйства в большей степени определяется уровнем машиностроения. Современные машины многократно повышают производительность физического труда человека. Машины настолько прочно вошли в жизнь общества, что в настоящее время трудно найти такой предмет или продукт потребления, который был бы изготовлен или доставлен к месту потребления без помощи машин. Без машин было бы невозможно современное развитие наук, медицины, искусства и других нынешних достижений человечества требующих новейших инструментов и материалов, были бы невозможны быстрые темпы строительства, а так же не могли бы удовлетворятся потребности населения в предметах широкого потребления. В настоящее время проводятся мероприятия по повышению уровня и качества продукции машиностроения.

Кинематический расчет привода.

1.    Выбор двигателя.

Nвых = Nвых/

Uобщ = Uчерв = 50

nвых = Dy/h = 1000/12 = 83.3 83.3/t=83.3/4= 20.8 об/мин

V = Dy/t = 1000/4 = 250 м/с

n= об/мин

2.    Тип двигателя 4А132S6/965

II Расчет червячной передачи.

1.

Выбираем материал передачи

а) Червяк – сталь 45С закалкой до тв. HRC45

б) Колесо – бронза БрА9ЖЗЛ

2. Принимаем: , где

, и  = 98 Мпа

значит  МПа,

3. , , ,

 

Размеры червячного колеса.

Делительный диаметр червяка: d1=q*m=12,5*8=100

da1=d1+2m=100+2*8=116

df1=d1+2,4m=100-2,4*8=80 мм

d2=50*m=50*8=400 мм

da2=d2+2(1+x)m=400+2(1+0)*8=416 мм

dam2=da2+b*m/(Z1+2)=416+6*8/3=432 мм

df2=d2-2m(1.2-x)=400-1*8(1.2-0)=380 мм

b1(11+0.06 Z2)*m=(11+0.06*50)*8=112 мм

b2=a=0.355=88 мм

проверочный расчет на прочность

VS=V1/cos

V1=n1d2/60=3.14*965*0.1/60=5 м/с

V2=n2d2/60=3.14*19.3*0.4/60=0.4 м/с

V1=V1/cos=5/cos4.35=5

*H=4.8*105/d2*

max=2**I=2*430=860 МПа

dw1=m(q+2x)=8(12.5+2*0)=100 мм

K=1,  x3=1,  x=1

*H=4.8*105/100=560

КПД передачи warctg[Z1/(q+2)]=5.19

=tg5.19/tg(5.19+1.33)=tg5.19/0.114=0.7*100%=70

Силы в зацеплении. Окружная сила на колесе.

Ft2-Fa1=2T2/d2=2*2178/0.4=10890 H

Окружная сила на червяке.

Ft1=Fa2=2T2/(dw1*U*)=2*2178/(0.1*50*0.7)=1244.5 H

Радиальная сила: F2=0.364*Fk2=0.364*10890=3963.9 H

Проверка зубчатого колеса по напряжению изгиба

*F=

K=1.0; Kv=1; w=5.19; m=8; dw1=0.1; YF=1.45

Zбс=Z2/cos3=50/cos35.19=50

FtE2=KED*Ft2; KED=KFE; N=60*n2Ln=60*19.3*1=1158

KEF=0.68=0.32

FtE2=0.32*10890=3484.8 H

*F=1.1*1.45*cos5.19*3484.8/1.3*8*0.1=481Fmax

Тепловой расчет

P1=0.1T1n2/=0.1*2178*19.3/0.7=6005 Bт

Tраб=(1-0.7)*6005/13*1.14(1-0.9)+200=93.5

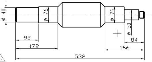
Эскизное проектирование валов.

Из условия прочности на кручение определяем минимальный диаметр вала

dmin(7…8),

где T5 – номинальный момент.

dmin8=30 мм

d1=(0.8…1.2)dв.ув=12*30=36 мм

d2=d1+2t,

где t – высота буртика. Выбираем из таблицы 1(с.25)

d2=36+2*2.2=40 мм

Диаметр вала под подшипником округляем кратным пяти.

d3=d2+3r,

где r – радиус фаски подшипника

d3=40+3*2=46 мм

Определяем расстояние между подшипниками вала червяка

L=0.9d2=0.9*400=180 мм

Конструирование корпуса и крышек.

Рассчитаем стакан.

Толщину стенки б принимают в зависимости от диаметра отверстия D под подшипник: D=108; б=8…10 мм

Толщина фланца б21,2 б=1,2*10=12 мм

Диаметр d и число винтов для крепления стакана к корпусу назначают в зависимости от диаметра отверстия под подшипник D: D=108 мм; d=10 мм; число винтов=6.

Принимая Сd, h=(1.0…1.2) d=1.2*10=12 мм

Получаем минимальный диаметр фланца стакана Dср=Da+(4…4.4)d=132+4*10=172 мм

Рассчитаем крышку под подшипник.

В зависимости от диаметра отверстия под подшипник D=268 мм выбираем из таблицы 1 (с. 128) толщину стенки б=8 мм; диаметр винтов d=12 мм; и число винтов крепления к корпусу z=6.

Рассчитаем крышку под подшипник на валу червяка.

D=108 мм; б=7 мм; d=10 мм; z=6

Nб=1,6…1,8

Первичный расчет вала.

=25 МПа

Вал передает момент F2=33.5 Н*мм

Ft1=1007 H; F21=366.5 H

MA=Rby(b+b)-frb=0

Rby=Frb/2b=366.5/2=183.25 H

*MB=Frb-Ray(b+b)=0

Ray=Frb/2b=183.25 H

Проверка: y=-Ray+F2-Rby=-183.25+366.5-183.5=0

Изгибающие моменты в вертикальной плоскости

= -183.25*43=7879.75 Н*м

Определим опорные реакции в горизонтальной плоскости

*MA=Ft*b+Rbx*(b+b)+Sa=0

Rbx=== -819.65 H

*MB= -Ft1b-Rax(b+b)+S(a+2b)=0

Rax==114.75

Изгибающие моменты в горизонтальной плоскости.

M’ix= -S*a= -27189 Н*м

M”ix= -Rbx*b=35244 Н*м

Суммарный изгибающий момент.

Mu==36114.12 Н*м

Определяем эквивалентные моменты

Mэкв.==49259,3 Н*мм

RA==233.52 Н*мм

RB=  =839.88 Н*мм

Коэффициент запаса [S]=1.3…2

По условиям работы принимаем

V=1.0; kб=1.3; ki=1.0; x=1.0

Определяем величину эквивалентной динамической нагрузки.

P=XVFrkбki=1.0*1.0*233.5*1.3*1.0=303.55 H

C=P

C=158800 H

=523.14

lgLhlg523.14+(lg1000-lg36);

lgLh=3*2.7+3.0-1.5563=9.5437

откуда Lh=17800

L==523.143

Расчет долговечности подшипников.

Подшипник №7230

h0 условиями работы принимаем

j=1.0; kб=1,3; kT=1,0; X=1

Определяем величину эквивалентной динамической нагрузки:

P=XVFrkбkT=1.0*1.0*366.5*1.3*1.0=476.5 H

C=P

Определяем долговечность подшипника в часах. Динамическая грузоподъемность его C=158.8 кН=158800 Н. Поэтому, исходя из предыдущего равенства, можно написать следующее уравнение:

=333.3

логарифмируя, найдем

lgLh=lg333.3+(lg1000-lg36);

lgLh=3*0.8876+3.0-1.5563=4.1065;

откуда Lh=12770 часов

Если долговечность выражать в миллионах оборотов, то

L=333.33=3702*106 млн. об.

Подшипник №7210

Принимаем V=1.0; kб=1.3; kT=1.0; X=1.0

P=1.0*1.0*2500*1.3*1.0=3250 H

C=P

L=15.93=4019 млн. об.

Расчет соединения вал-ступица

Выбираем по СТ СЭВ 189-75 шпонку призматическую, обыкновенную (исполнение А) со следующими размерами:

B=10 мм; h=8 мм; l=50 мм.

Находим допустимое напряжение слития [бcv]=100…120 МПа

Определяем рабочую длину шпонки

LP=l-b=50-10=40 мм

Бсм==

Где Е – передаваемый момент

Т=Т1=54,45 Н*м

t1=5 мм – глубина паза шпонки.

бсм==22,7 МПа

бсм[бсм] условие выполняется

Расчитаем сварное соединение из условия

*==123,86 МПа

[*] =0.63[бр]=0,63*500=315 МПа

Расчет болтового крепления редуктора.

число плоскостей стоиса i=1

коэффициент k=1.2

F3=

F==5421.5 H

F3==8*5421.5=43372 H

d1

Для стали 45 (35) б=360 МПа

                               Бр=0,25*360=90 МПа

d1=15.25 мм

Выбираем:

Шпилька d1=16 мм ГОСТ 22034-76

Гайка шестигранная с размером «под ключ» d1=16 мм ГОСТ 2524-70

Шайба пружинная d1=16 ГОСТ 6402-70.

Выбор смазки.

Определяем вязкость масла:

при скорости скольжения VS=3.98 м/с и контактном напряжении [бн]=160 МПа

*=20*10-6 м2/с соответствует масло марки U20A.

Для подшипников в опорах червячного колеса принимаются пластические смазки.

Они лучше жирных, защищают от коррозии.

Марка пластичной смазки согласно ГОСТ 6267-59 Циатим – 201

Требования по испытанию.

1.    Уровень масла не должен превышать 1/3 радиуса червяка и не ниже высоты зуба червяка.

2.    Редуктор обкатывают без нагрузки

3.    После 80 часов обкатки слить масло и очистить картер дизельным топливом, затем залить свежее масло.

4.    Удары при работе редуктора не допустимы.

Литература:

1.    Дунаев П.Ф., Леликов О.П. «Конструирование узлов и деталей машин.» М. Высшая школа 1985г.

2.    Чернавский С.А. «Курсовое проектирование деталей машин», М.;машиностроение,1984г.

3.    Ничилорчик С.Н., Корженцевский М.И. «Детали машин», Мн. 1981г.

4.    Гузенков П.Г. «Детали машин», М. Высшая школа 1982г.


© 2012 Рефераты, курсовые и дипломные работы.