рефераты
Главная

Рефераты по рекламе

Рефераты по физике

Рефераты по философии

Рефераты по финансам

Рефераты по химии

Рефераты по хозяйственному праву

Рефераты по цифровым устройствам

Рефераты по экологическому праву

Рефераты по экономико-математическому моделированию

Рефераты по экономической географии

Рефераты по экономической теории

Рефераты по этике

Рефераты по юриспруденции

Рефераты по языковедению

Рефераты по юридическим наукам

Рефераты по истории

Рефераты по компьютерным наукам

Рефераты по медицинским наукам

Рефераты по финансовым наукам

Рефераты по управленческим наукам

Психология и педагогика

Промышленность производство

Биология и химия

Языкознание филология

Издательское дело и полиграфия

Рефераты по краеведению и этнографии

Рефераты по религии и мифологии

Рефераты по медицине

Рефераты по сексологии

Рефераты по информатике программированию

Краткое содержание произведений

Реферат: Редуктор червячный

Реферат: Редуктор червячный

тверской политехнический ТЕХНИКУМ

1 9 9 7 г о д




? ? ? ? ? ? ? ? ?

????????


в ы п о л н и л с т у д е н т

г р у п п ы 3 П 1

???????? ??????



Раздел 1

????????”


1.1 Общие сведения о редукторе

1.2 Описание проектного редуктора


Раздел 2

????????? ?????”


2.1 Выбор электродвигателя

2.2 Расчет передачи редуктора

2.3 Предварительный расчет валов

2.4 Расчет открытой передачи

2.5 Подбор подшипников

2.6 Расчет шпонок

2.7 Уточненный расчет валов

2.8 Тепловой расчет редуктора


Раздел 3

??????????????? ?????”


3.1 Конструирование деталей передачи редуктора

3.2 Конструирование корпуса редуктора

3.3 Конструирование подшипниковых узлов

3.4 Выбор посадок

3.5 Выбор смазки


Раздел 4

??????????????? ?????”


4.1 Краткое описание сборки редуктора













ТМ.КП.РЧ.304.000.ПЗ.

Изм

Лист

докум.

Подп.

Дат


Разраб.

Самсонов А.


97


Лит.

Лист

Листов

Проверил

Стратонитский



СОДЕРЖАНИЕ


У


1


Рук.




расчетно-пояснительной записки


Н.контр.




курсового проекта

ТПТ гр.-2П1

Утвердил








?????


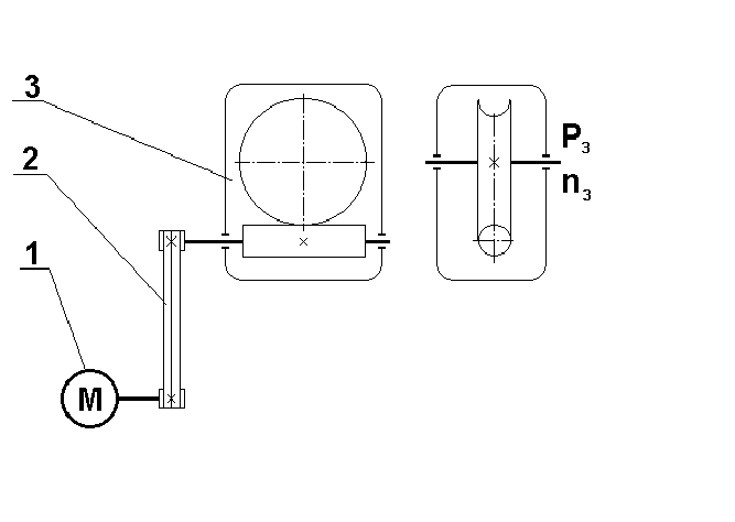
????????? ????????


??? 59. ??????? 49


1-????????????????


2-?????-???????? ????????


3-???????? ????????? ????????


????:P=4.5 ??? ; n=30 ??/???






97


Лист






ТМ.КП.РЧ.304.000.ПЗ.

2

Изм

Лист

Ном. докум.

Подп.

Дат





Раздел 1


Введение

1.1 Общие сведения о редукторах (П-2.1 стр-9)

Редуктором называют механизм, состоящий из зубчатых или червячных передач, выполненный в виде отдельного агрегата, и служащий для пе- редачи вращения от вала двигателя к валу рабочей машины. Кинематическая схема привода может включать,помимо редуктора, отк- рытые зубчатые передачи, цепные или ременные передачи.

Назначение редуктора - понижение угловой скорости и соответствен но повышение вращающего момента ведомого вала по сравнению с веду- щим. Механизмы для повышения угловой скорости, выполненные в виде отдельных агрегатов, называют ускорителями или мультипликаторами.

Редуктор проектируют либо для привода определенной машины, либо по заданной нагрузке и передаточному числу без указания конкретного назначения.

Редукторы классифицируют по следующим признакам: типу передачи, (зубчатые, червячные или зубчато-червячные), числу ступеней (односту- пенчатые, двухступенчатые), типу зубчатых колес (цилиндрические, ко- нические, коническо-цилиндрические), относительному расположению валов редуктора в пространстве (горизонтальные, вертикальные), осо- бенностями кинематической схемы (развернутая, соосная, с раздвоенной ступенью).

Возможности получения больших передаточных чисел при малых габа- ритах обеспечивают планетарные и волновые редукторы.

1.2 Описание проектируемого редуктора (стр 18-22)

Червячный редуктор применяется для передачи движения между валами, оси которых перекрещиваются .

По относительному положению червяка и червячного колеса раз- личают три основные схемы червячных редукторов: с нижним, верхним и боковым расположением червяка.

Искусственный обдув ребристых корпусов обеспечивает более бла гоприятный тепловой режим работы редуктора.Выход вала колеса редуктора с боковым расположением червяка в зависимос-ти от назначения компоновки привода может быть сделан вверх или вниз. При нижнем расположении червяка условие смазыва-ния, зацепления лучше, при верхнем хуже, но меньше вероятнос-ть попадания в зацепления металлических частиц-продуктов зноса

Передаточные числа червячных редукторов обычно колеблются в пределах U=8-80 (см. ГОСТ 2144-76)

Так как К.П.Д. червячных редукторов невысок, то для передачи больших мощностей и в установках, работающих непрерывно, проектировать их нецелесообразно. Практически червячные ре- дукторы применяют для передачи мощности, как правило, до 45 кВт и в виде исключений до 150 кВт.






97


Лист






ТМ.КП.РЧ.304.000.ПЗ.

3

Изм

Лист

Ном. докум.

Подп.

Дат





Раздел 2


Расчетная часть

2.1 Выбор электродвигателя, кинематический и силовой расчет


Исходные данные:

Частота вращения вала барабана:30об/мин

Мощность на валу барабана:Р=4.5 кВт

Количество передаточных звеньев привода: 2

Количество пар подшипников: 2

Количество валов: 3

Коэффициент учитывающий потери в одной паре подшипников:0.99

Параметры 1-го вала

Параметры цилиндрического редуктора

Максимальное передаточное число звена Umax = 4

Минимальное передаточное число звена Umin = 2

К.П.Д. звена 0.7

Параметры 2-го вала

Параметры червячной передачи.

Umax =40

Umin =8

К.П.Д.=0.7

Требуемая мощность электродвигателя:

Выбираем асинхронный 132M2 у которого мощность 3 кВт

Диапазоны частот вращения вала электродвигателя 480-4800об/мин

Величина скольжения: 0.023

Фактическая частота вращения

Действительное передаточное число:97.6999

Разбиваем действительное передаточное число между звеньями

и получаем Uред = 30 , Uрем=3.26

Вал 1

Передаточное число 1

К.П.Д. 1

Число пар подшипников на валу-0

Частота вращения вала 2931 об/мин

Мощность на валу 9.37013912 кВт

Вращающий момент на валу 30.54371261 Н*м

Вал 2

Передаточное число 3.26

К.П.Д. 0.95

Число пар подшипников на валу 1

Частота вращения вала 900 об/мин

Мощность на валу 8.81261539 кВт

Вращающий момент на валу 93.55217743 Н*м

Вал3

Передаточное число 30

К.П.Д. 0.7

Число пар подшипников на валу 1

Частота вращения вала 30.089об/мин

Мощность на валу 4.5 кВт

Вращающий момент на валу 1944.9498Н*м





97


Лист






ТМ.КП.РЧ.304.000.ПЗ.

4

Изм

Лист

Ном. докум.

Подп.

Дат




2.2 Расчет передачи редуктора

Т.к. к проектируемой передаче не предъявляется особых требований принимаем :

1- Материал для червяка среднеуглеродистая конструкционная сталь 45 с термообработкой HRC 45

2- Червячное колесо изготавливаем сборным: венец из бронзы марки А9ЖЗЛ, а центр из серого чугуна СЧ18, ориентируясь на скорость скольжения Vs=5 м/с, выбираем допускаемое контактное напряжение [sн]=155 Н/ммў2

По табл. 4.8 стр. 66 выбираем допускаемое напряжение [s-1F]=75 H/ммў2

ориентируясь на неограниченный срок передачи принимаем коэффициент долговечности K FL=0.543

Допустимое напряжение на изгиб [s F]=40.72 Н/мм`2

Число зубьев z1=1

Число зубьев червячного колеса z2=30

Коэффициент диаметра червяка q=10

Момент на валу червячного колеса M3=1944.95 Н*м

Коэффициент нагрузки К=1.2

Межосевое расстояние aw=273.59 мм

Уточненное межосевое расстояние aw=273 мм

Модуль m=13.679 мм

Уточненный модуль 16 мм (по ГОСТу)

По ГОСТу принимаем основные параметры червяка (стр.56 таб.4.2):

Делительный диаметр червяка d1=128 мм

Диаметр вершин витков червяка da1=160мм

Диаметр впадин витков червяка df1=89.5999мм

Длина нарезной части b1=204.8мм

Уточненная длина нарезной части b1=245 мм

Максимальная ширина венца b2=120 мм

По ГОСТу принимаем основные параметры червячного колеса

Делительный диаметр червячного колеса d2=480мм

Диаметр вершин зубьев червячного колеса da2=512мм

Диаметр впадин зубьев червячного колеса df2=441.6мм

Максимальный диаметр червячного колеса d aм2=544мм


Угол подъема g (стр.57 таб. 4.3) Рg=5°43ў00І=5.7166°

Частота вращения червяка n2=900 об/мин


Ю






97


Лист






ТМ.КП.РЧ.304.000.ПЗ.

5

Изм

Лист

Ном. докум.

Подп.

Дат





Коэффициент трения f=0.024 (стр.59 таб.4.4)

Угол трения p`=1.3

Уточненное значение К.П.Д. редуктора h=0.7726

Выбираем 8-ую степень точности

Коэффициент динамической нагрузки Kv=1.4 (стр.65 таб.4.7) Коэффициент диформации червяка q=108 (стр64. Таб.4.6)

Вспомогательный коэффициент х»0.6 (стр.65)


Расчетное контактное напряжение sн=146.802 Н/мм`2

Вывод: контактная выносливасть обеспечена, т.к. sнsн]


Эквивалентное число зубъев zv=30

Коэффициент формы зуба YF=2.1 (стр.63 таб.4.5)


Расчетное напряжение на изгиб sF=7.702 Н/мм`2

Вывод: прочность зубьев червячного колеса обеспечена, т.к. sFsF]


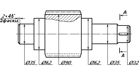
2.3 Предварительный расчет валов


Вращающий момент на ведущем валу передачи М2=93 Н*м

Допустимое касательное напряжение [t ]=20 H/мм`2

Диаметр выходного конца ведущего вала db1=28.598мм

Уточненный диаметр выходного конца ведущего вала db2=32мм

Вращающей момент на ведомом валу передачи M3 =1944.9 Н*м

Диаметр выходного конца ведомого вала db2=78.635 мм

Уточненный диаметр db2=80 мм

Диаметр ведомого вала под уплотнение: dу2=85 мм

Диаметр ведущего вала под уплотнение: dу1 =35 мм

Диаметр ведомого вала под подшипник: dn2=85 мм

Диаметр ведущего вала под подшипник: dn1=35 мм

Диаметр впадин витков червяка df1=90 мм

Диаметр технологической ступени ведущего вала: dT1= 62 мм

Диаметр под червячное колесо: dp2=90 мм

Диаметр буртика ведомого вала: dб=100 мм


Ведущий вал:






97


Лист






ТМ.КП.РЧ.304.000.ПЗ.

6

Изм

Лист

Ном. докум.

Подп.

Дат






Ведомый вал:


2.4 Расчет ременной передачи

Расчетная передоваемая мощность Р=9.37 кВт

Синхроннаячастота вращения вала 2931 об/мин

Передаточное отношение U=3.26

Скольжение ремня 0.01

Сечение клиновидного ремня (стр.134 рис.7.3) А

Вращающий момент Т=30.528 Н*м

Диаметр меньшего шкива (стр.132 табл.7.8) 100мм

Диаметр большего шкива 322.74 мм

Уточненный диаметр большего шкива 355мм

Уточненное значение передаточного числа U=3.58

Высоту сечения ремня 8 мм (стр.131 таб. 7.7)

Меж осевое растояние 258.25-455 мм

Уточненное межосевое растояние 300 мм

Расчетная длина ремня L=1368.899 мм

Округление по стандарту L=1320 мм

Уточненное значение межосевого растояния Ар=299.99999999 мм

Угол обхвата меньшего шкива =131.55°






97


Лист






ТМ.КП.РЧ.304.000.ПЗ.

7

Изм

Лист

Ном. докум.

Подп.

Дат





Мощнасть, передоваемая одним клиновым ремнем 1.76

Коэффициент учитывающий число ремней в

передаче Cz =0.9 (4 - ремня)

Коэффициент учитывающий влияние угла обхвата Ca =

Коэффициент учитывающий Cz =

Коэффициент Cz =


Силы деыствующие на цепь:

Окружная сила

От центробежной силы

От провисания

Расчетная нагрузка на вал:

Коэффициент запаса прочности цепи






97


Лист






ТМ.КП.РЧ.304.000.ПЗ.

8

Изм

Лист

Ном. докум.

Подп.

Дат




Раздел 2


Вал 4

Передаточное число:

Момент на ведущем валу передачи:

Частота вращения ведущего вала:


Выбор материала:

Материал для шестерни и зубчатого колеса выбираем ст.45 с термообработкой: для шетерни улучшение, степень твердости рабочей поверхности зубьев , для колеса нормализация, степень твердости рабочей поверхности зубьев .

Коэффициент долговечности 1, так как срок службы неограничен Кнl = 1

Коэффициент нагрузки К= 1,2

Расчетное допускаемое контактное напряжение:[G]h = H/мм

Определение допустимых напряжений на изгиб:

Первый множитель коэффициента безопасности: [S]F

Второй множитель коэффициента безопасности: [S]F

Допустимое напряжение на изгиб [G]F1

Допустимое напряжение колеса [G]F2


2.2 Расчет передачи редуктора

Межосевое растояние aw=273.59 мм

Уточненное межосевое растояние 273 мм

Модуль m=13.679

По ГОСТу принемаем основные параметры червяка (стр.56 таб.4.2):

Делительный диаметр червяка

Диаметр вершин витков червяка


Диаметр вершин зубьев колеса

Ширина шестерни

Ширина колеса

число зубьев шестерни

Коэффициент ширины венца

Минимальный нормальный модуль зацепления Mmin =

Максимальный нормальный модуль зацепления Mmax =

Число зубьев колеса

Косинус угла наклона зубьев

Уточненный угол наклона зубьев

Коэффициент ширины шестерни по диаметру

Окружная скорость колес

В зависимости от окружной скорости принимаем степень точности

Момент на ведомом валу

Первый множитель коэффициента нагрузки:

Второй множитель коэффициента нагрузки:

Третий множитель коэффициента нагрузки:

Контактное напряжение

Контактная выносливость передачи обеспечена

Динамический коэффициент:

Коэффициент влияния межосевого растояния:

Коэффициент наклона цепи:

Регулировочное напряжение цепи (регулировка периодическая)

Коэффициент способа смазки (смазывание переодическое)

Коэффициент переодичности работы

Коэффициент эксплуатации

Допустимое давление в шарнирах

Шаг цепи

Шаг однорядной цепи

Принимаем шаг ближайший больший

нагрузка

Масса

Площадь опорной поверхности шарнира

Скорость цепи

Окружная сила

Давление в шарнирах цепи

Допустимое давление для принятой цепи

Уточненное межосевое растояние цепной передачи

Для свободного провисания цепи предусмотреть уменьшение межосевого растояния на 0.4%

Диаметр ролика цепи

Делительный диаметр окружности звездочек

Силы действующие в зацеплении

Окружная сила

Радиальная сила

Осевая сила

Проверяем зубья на выносливость по напряжениям изгиба:

Первый множитель коэффициента нагрузки

Второй множитель коффициента нагрузки

Эквивалентное число зубьев шестерни

Эквивалентное число зубьев колеса

Взависимости от эквивалетного числа: зубьев шестерни, учитывающего форму шестерни

зубьев колеса, учитывающего форму колеса

Напряжение изгиба для колеса

Выносливость зубьев на изгиб обеспечен

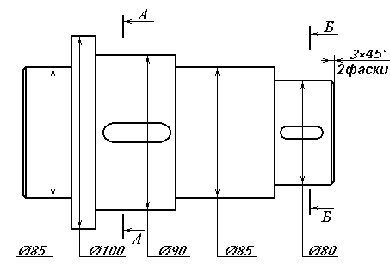
2.3 Расчет открытой передачи

Исходные данные:

Момент на ведущей звездочке

Передаточное число цепной передачи

Частота вращения вала ведомой звездочки

Фактическое передаточное число цепной передачи

Диаметры наружных окружностей звездочек

Силы деыствующие на цепь:

Окружная сила

От центробежной силы

От провисания

Расчетная нагрузка на вал:

Коэффициент запаса прочности цепи:


2.5 Расчет шпонок


2.5.1 Вращающий момент на валу

Диаметр вала в месте установки шпонки:

Ширина шпонки

Высота шпонки

Глубина шпоночного паза

Длина шпонки

Шпонка призматическая с круглыми торцами.

Расчетное напряжение смятия шпоночного соединения


2.5.2 Вращающий момент на валу

Диаметр вала в месте установки шпонки

Ширина шпонки

Высота шпоночного паза

Глубина шпоночного паза

Длина шпонки

Шпонка призматическая с круглыми торцами.

Расчетное напряжение смятия


2.5.3 Вращающий момент на валу

Диаметр вала в месте установки шпонки

Ширина шпонки

Глубина шпонки

Глубина шпоночного паза

Высота шпоночного паза

Длина шпонки

Шпонка призматическая с круглыми торцами.

Расчетное напряжение смятия


Ведущей вал:


Определение продольных размеров вала: l1= b1+2y+2x+B

b1 - ширина шестерни

y = - зазор между торцом x = 8 - 12 мм

В - ширина подшипника


Ведомый вал:


2.6 Выбор подшипников

2.6.1. Радиальная сила: Ft= H

Окружная сила: Ft = H

Осевая сила : Fa = H

Делительный диаметр шестерни: d =

Rx1 = H

Rx2 = H

Ry1 = H

Ry2 = H

Опора 1: R1 = H

Опора 2: R2 = H

Выбираем подшипник по более нагруженной опоре: R1 = H

Подшипник

d = D =

В =

С = Н

Со = Н

Отношение осевой силы Fa к статической грузоподъемности

Отношение осевой силы Fa к радиальной нагрузке: Рr = ; x = ; y =

Коэффициент, учитывающий характер нагрузки на подшипник

Температурный коэффициент: Kt =

Коэффициент учитывающий взаимное движение колец подшипника: V =

Эквивалентная нагрузка: Рэ = H

Частота вращения вала: n = об/мин.

Расчетная долговечность: Lh = миллиона оборотов;

Расчетная долговечность: Lh = часа;


2.6.2. Расчет ведомого вала

Радиальная сила: Fr = H

Окружная сила: Ft = H

Осевая сила: Fa = H

Нагрузка на вал от цепной передачи: Fb = H

Делительный диаметр окружности зубчатого колеса: d =

Частота вращения вала: n = об/мин.

Составляющая нагрузка на вал от цепной передачи: Fbx = Fby = H

Расстояние между опорами вала: L2 =

Расстояние от звездочки цепной передачи до ближайшего подшипника: L3 =

Реакции опор

а) в горизонтальной плоскости: Rx3 = Н

Rx4 = H

б) в вертикальной плоскости: Ry3 = H

Ry4 = H

сумма реакций: Pr3 = H

Pr4 = H

Суммарная реакция наиболее нагруженной опоры: Pr = H

Подшипник

d = (внутренние кольцо подшипника)

D = (наружное кольцо подшипника)

В = 20 мм (ширина подшипника)

С = 35100H

C = 19800H (статическая грузоподъемность)

Отношение осевой силы Fa к статической грузоподъемности Со: Fa/Co

l =

Отношение осевой силы Fa к радиальной нагрузке Pr4: Fa/Pr4

X =

Y =

Температурный коэффициент:

Коэффициент учитывающий взаимное движение колес подшипника

Эквивалентная нагрузка

Расчетная долговечность


2.7 Уточненный расчет валов

Предел прочности [G]w

По нормальным напряжениям:

По касательным напряжениям:

Расчет ведомого вала.

Диаметр под сечением:

Ширина шпонки:

Глубина паза вала:

Момент сопротивления кручению:

Момент сопротивления изгибу:

Крутящий момент в сечении:

Изгибающий момент в сечении:

Амплитуда и средние напряжения касательных напряжений:

Амлетуда нормальных напряжений изгиба:


Коэффициент запаса прочности по нормальным напряжениям:

Коэффициент запаса прочности по касательным напряжениям:

Результирующий коэффициент запаса прочности:


Раздел 3

Конструкторская часть


3.1 Конструирование зубчатого колеса

Диаметр ступицы зубчатого колеса:

Длина ступицы:

Толщина обода колеса:

Толщина диска зубчатого колеса:

Диаметр центровой окружности:

Дотв.

До - внутренний диаметр обода


Диаметр отверстий:


3.2 Конструирование корпуса редуктора.

Межосевое растояние:

Толщина стенки крышки:

Толщина верхнего пояса (фланца) корпуса:

Толщина нижнего пояса (фланца) корпуса:

Толщина ребер основания корпуса:

Толщина ребер крышки корпуса:

Диаметр болтов фундаментных:

Диаметр болтов у подшипников:

Диаметр болтов соединяющих основание корпуса с крышкой:

Винты крепления крышек подшипников:

Наименьший зазор между поверхностью колеса и стенкой корпуса:


3.3 Выбор посадок

зубчатые колеса и зубчатые муфты на валы.

мазеудерживающие кольца.

стаканы под подшипники качения в корпус.

шкивы и звездочки.

уплотнения.

внутренние кольца подшипников качения на валы.

наружные кольца подшипников качения в корпусе.


3.4 Выбор смазки

Смазывание зацепления осуществляется окунанием зубчатых колес в масло,

заливаемое в внутрь корпуса. Назначаем сорт масла по таблицам 10.8 и 10.10.

(страница 253, курсовое проектирование деталей машин).

Вязкость масла:

Эту вязкость удовлетворяет масло

Для смазки подшипников приминяем ластичный смазочный материал -

пресс - солидол ГОСТ 4366 - 76


Раздел 4

Технологическая часть


4.1 Краткое описание сборки редуктора.

Перед сборкой внутреннию полость корпуса редуктора тщательно очищают и покрывают маслостойкой краской.

Сборку производят в соответствии со сборочным чертежем редуктора, начиная с узлов валов:

на ведущей вал насаживают шпонку и напрессвывают зубчатое колесо до упора в бурт вала; затем надевают мазеудерживающие кольца и устанавливают шарикоподшипники, предварительно нагретые в масле.

Собранные валы укладывают в основание корпуса редуктора и надевают крышку корпуса, покрывая предварительно поверхности стыка крышки и корпуса спиртовым лаком. Для центровки устанавливают крышку на корпус с помощью двух конических штифтоф; затягивают болты, крепящие крышку корпуса.

После этого в подшипниковые камеры закладывают пластичную смазку, ставят крышки подшипников с комлектом металических прокладок для регулировки.

Перд постановкой сквозных крышек в проточке закладывают войлочные уплотнения, пропитанные горячим маслом. Проверяют проворачиванием валов отсутствие заклиневания

подшипников (валы должны проворачиваться от руки) и закрепляют крышки винтами. Затем ввертывают пробку маслоспускного отверстия с прокладкой и жезловой маслоуказатель.

Заливают в корпус масло и закрывают смотровое отверстие крышки с прокладкой из технического картона; закрепляют крышку болтами.

Собранный редуктор обкатывают и подвергают испытанию на стенде по программе, устанавливаемой техническими условиями.


© 2012 Рефераты, курсовые и дипломные работы.