рефераты
Главная

Рефераты по рекламе

Рефераты по физике

Рефераты по философии

Рефераты по финансам

Рефераты по химии

Рефераты по хозяйственному праву

Рефераты по цифровым устройствам

Рефераты по экологическому праву

Рефераты по экономико-математическому моделированию

Рефераты по экономической географии

Рефераты по экономической теории

Рефераты по этике

Рефераты по юриспруденции

Рефераты по языковедению

Рефераты по юридическим наукам

Рефераты по истории

Рефераты по компьютерным наукам

Рефераты по медицинским наукам

Рефераты по финансовым наукам

Рефераты по управленческим наукам

Психология и педагогика

Промышленность производство

Биология и химия

Языкознание филология

Издательское дело и полиграфия

Рефераты по краеведению и этнографии

Рефераты по религии и мифологии

Рефераты по медицине

Рефераты по сексологии

Рефераты по информатике программированию

Краткое содержание произведений

Реферат: Теория Резания

Реферат: Теория Резания

Министерство образования Украины

Национальная горная академия Украины

Методические указания

по практическим занятиям

для студентов специальностей 7.09.02.02

Кафедра технологии горного машиностроения

Днепропетровск, 1998


                                               

Общие указания

   Методические указания разработаны в соответствии с программой предмета "Теория резания, тепловые процессы в технологических системах" для специальности 1201 "Технология машиностроения".

   Цель данного методического указания - оказать помощь при изучении и приобретении практических навыков при выборе инструмента и его геометрии, определении параметров режимов резания, сил резания, а также при расчете основного технологического времени.

Практическое занятие № 1.

Определение сил, действующих при точении, и мощности.

   Цель работы: изучить методику расчета сил резания и мощности, затрачиваемой на резание, аналитическим способом.

   Ознакомиться и приобрести навыки работы со справочной литературой.

Общие сведения

   Для изучения действия силы сопротивления резанию принято ее раскладывать на три взаимно перпендикулярные составляющие силы, направленные по осям координат станка: Px - осевая сила; Py - радиальная сила; Pz - тангенциальная сила, которую обычно называют силой резания [1] .

   Осевая сила Px действует вдоль заготовки, при продольном точении противодействует механизму подач.

   Радиальная сила Py - отжимает резец, ее реакция изгибает заготовку.

   Сила резания Pz направлена по касательной к поверхности резания, определяет расходуемую мощность на резание Np.

   Составляющие силы резания при точении рассчитывают по аналитической формуле :

Pz(x,y)=10CptxSyVnKp , H

где Cp - коэффициент , учитывающий условия обработки;

       x,y,n - показатели степени;

       t - глубина резания, мм;

       S - подача, мм/об;

       V - скорость резания, м/мин;

        Кр - обобщенный поправочный коэффициент, учитывающий изменение условий по отношению к табличным.

,

где  - поправочный коэффициент, учитывающий свойства обрабатываемого материала;

     -      коэффициенты, учитывающие соответствующие геометрические параметры резца .

   Мощность резания рассчитывают по фориуле

где Pz - сила резания, Н;

       V - скорость резания, м/мин.

Пример решения задачи

   Определить силы, действующие при продольном точении заготовки из стали 40Х с пределом прочности , резцом с пластиной из твердого сплава Т5К10. Определить мощность резания. Глубина резания t=3 мм, подача S=0,8 мм\об, скорость резания V=67 м/мин.

    Геометрические параметры резца: форма передней поверхности - радиусная с фаской;

   Решение

1. Силы резания при точении

Pz(x,y)=10CptxSyVnKp

1.1 Определяем значения постоянной и показателей степени [2],

                              х=1,0          y=0,75        n= - 0,15

                              x=1,0          y=0,5          n= - 0,4

                               x=0,9          y=0,6          n= -0,3

1.2 Определяем значения поправочных коэффициентов

 n=0,75 [2],

; n=1 [3],

 n=1,35 [2],

   Поправочные коэффициенты, учитывающие геометрию резца [2],

                               

                                   

- учитывается только для резцов из быстрорежущей стали

Pz=10×300×31×0,80,75×67-0,15×0,95×0,94×1,25=4050 H

Px=10×339×31×0,80,5×67-0,4×0,93×1,11×2=1685,5 H

Py=10×243×30,9×0,80,6×67-0,3×0,91×0,77×2=1611 H

2. Мощность резания

   Задание на практическое занятие №1

   Выполнить расчет силы резания (Pz) и мощности, затрачиваемой на резание по заданному варианту.

   Исходные данные приведены в таблице1.

   Порядок выполнения работы

1. Пользуясь инструкцией и литературой [1,2], изучить методику и выполнить расчет по заданию.

2. Составить отчет по форме 1.

Форма 1

1. Наименование работы.

2. Цель работы.

3. Задание.

4. Расчет силы резания и мощности, затрачиваемой на резание.

Таблица 1

Варианты задания к практическому занятию 1

Номер вари-анта Материал заготовки Режим резания Геометрические параметры резца*

t,

мм

S,

мм

V,

м/мин

r,

мм

Форма перед-ней повер-хности
1 2 3 4 5 6 7 8 9 10 11

Сталь 20, sв=550 МПа

4 0,7 140 45 8 10 5 1 Радиусная с фаской
2 Серый чугун СЧ10, НВ 160 5 0,78 60 60 8 5 10 1 Плоская
3 Сталь 12Х18Н9Т; НВ180 1 0,21 265 90 12 10 0 2 Радиусная с
4 Сталь 14Х17Н2; НВ200 1,5 0,195 250 90 12 10 0 2 фаской
5 Серый чугун СЧ30, НВ 220 1,5 0,26 150 45 10 5 -5 2 Плоская
6 Серый чугун СЧ20, НВ 210 2 0,35 155 45 10 12 0 1 Радиусная с
7

Сталь 38ХА, sв=680 МПа

3 0,61 120 60 8 10 5 фаской
8

Сталь 35, sв=560 МПа

1,5 0,2 390 60 12 15 0
9 Серый чугун СЧ15, НВ 170 4,5 0,7 65 90 8 5 0 Плоская
10 Серый чугун СЧ10, НВ 160 3,5 0,6 65 45 10 10 5
11

Сталь 40ХН, sв=700 МПа

1,5 0,3 240 60 12 10 -5 2 Радиусная с
12

Сталь Ст3, sв=600 МПа

5 0,8 240 60 10 5 0 фаской
13

Сталь 40Х, sв=750 МПа

1,0 0,15 240 90 12 10 -5
14

Сталь Ст5, sв=600 МПа

3,5 0,52 130 45 8 10 5 1
15 Серый чугун СЧ20, НВ 180 4,0 0,87 75 60 8 5 10 Плоская
16 Серый чугун СЧ20, НВ 200 2,5 0,25 100 45 10 5 0
                                     
Продолжение табл. 1
1 2 3 4 5 6 7 8 9 10 11
17

Сталь 20Х, sв=580 МПа

1,0 0,125 180 45 12 15 0 Радиусная с
18

Сталь 50, sв=750 МПа

2,0 0,25 150 60 10 12 5 2 фаской
19 Бронза Бр АЖН 10-4, НВ170 1,5 0,15 130 60 6 20 10 Плоская с
20 Латунь ЛМцЖ 52-4-1, НВ100 2,5 0,3 80 90 8 25 -5 1 фаской
21 Серый чугун СЧ30, НВ 220 1,5 0,1 130 45 10 8 0 15 Плоская
22 Серый чугун СЧ20, НВ 200 3 0,4 90 90 8 10 -5
23

Сталь 30ХН3А, sв=800 МПа

5 0,8 110 60 12 12 -5 Радиусная с
24

Сталь 30ХМ, sв=780 МПа

2,5 0,2 100 45 10 10 2 2 фаской
25

Сталь 45, sв=650 МПа

4 1,2 90 60 8 15 0
26

Сталь 15Х, sв=687 МПа

2,0 0,35 100 45 6 8 5 1,5
27 Ковкий чугун КЧ30, НВ 163 3,0 0,5 120 90 8 10 0 1 Плоская
28

Сталь 20ХНР, sв=700 МПа

4,5 0,06 80 60 12 5 -5
29

Сталь 30Г, sв=550 МПа

1,5 0,35 120 45 10 12 10 2
30

Сталь 35ХГСА, sв=700 МПа

2,5 0,05 140 90 8 5 0

*  Для всех вариантов принять резец с пластиной из твердого сплава.

ПРАКТИЧЕСКОЕ ЗАНЯТИЕ №2

Расчет режима резания при точении аналитическим способом

   Цель работы: изучить методику расчета режима резания аналитическим способом. Ознакомиться и приобрести навыки работы со справочной литературой.

ОБЩИЕ СВЕДЕНИЯ

   Обработка заготовки точением осуществляется при сочетании двух движений: равномерного вращательного движения детали - движения резания (или главное движение) и равномерного поступательного движения резца вдоль или поперек оси детали - движение подачи. К элементам режима резания относятся: глубина резания t, подача S, скорость резания V.

   Глубина резания - величина срезаемого слоя за один проход, измеренная в направлении, перпендикулярном обработанной поверхности, т.е. перпендикулярном направлению подачи. При черновой обработке , как правило, глубину резания назначают равной всему припуску, т.е. припуск срезают за один проход

где    h - припуск , мм;

          D - диаметр заготовки, мм;

          d - диаметр детали, мм.

   При чистовой обработке припуск зависит от требований точности и шероховатости обработанной поверхности.

   Подача - величина перемещения режущей кромки инструмента относительно обработанной поверхности в направлении подачи за единицу времени (минутная подача Sм) или за один оборот заготовки. При черновой обработке назначают максимально возможную подачу исходя из жесткости и прочности системы СПИД, прочности пластинки, мощности привода станка; при чистовой обработке - в зависимости от требуемой степени точности и шероховатости обработанной поверхности.

   Скорость резания - величина перемещения точки режущей кромки инструмента относительно поверхности резания в направлении движения резания за единицу времени. Скорость резания зависит от режущих свойств инструмента и может быть определена при точении по таблицам нормативов [4] или по эмпирической формуле

где    Сv - коэффициент, учитывающий условия обработки;

          m, x, y - показатели степени;

          T - период стойкости инструмента;

          t - глубина резания, мм;

          S - подача, мм/об;

          Kv - обобщенный поправочный коэффициент, учитывающий изменения условий обработки по отношению к табличным

,

где    Kmv - коэффициент, учитывающий влияние материала заготовки;

          Knv - коэффициент, учитывающий состояние поверхности заготовки;

          Kuv - коэффициент, учитывающий материал инструмента;

          Kjv - коэффициент, учитывающий главный угол в плане резца;

          Krv - коэффициент, учитывающий радиус при вершине резца - учитывается только для резцов из быстрорежущей стали.

   При настройке станка необходимо установить частоту вращения шпинделя, обеспечивающую расчетную скорость резания.

, об/мин                                 (2.3)

   Основное технологическое (машинное) время - время, в течение которого происходит снятие сружки без непосредственного участия рабочего

, мин                           (2.4)

где    L - путь инструмента в направлении рабочей подачи, мм;

          i - количество проходов.

L=l+y+ , мм

где    l - размер обрабатываемой поверхности в направлении подачи;

          y - величина врезания, мм;

          - величина перебега, мм, =1¸2 мм.

y=t×ctgj ,

где    t - глубина резания;

          j - главный угол в плане резца.

   Пример решения задачи

   На токарно-винторезном станке 16К20 производится черновое обтачивание на проход вала D=68 мм до d=62h12 мм. Длина обрабатываемой поверхности 280 мм; длина вала l1= 430 мм. Заготовка - поковка из стали 40Х с пределом прочности sв=700 МПа. Способ крепления заготовки - в центрах и поводковом патроне. Система СПИД недостаточно жесткая. Параметр шероховатости поверхности Ra=12,5 мкм. Необходимо: выбрать режущий инструмент, назначить режим резания; определить основное время.

    Решение

1. Выполнение эскиза обработки.


рис. 1

2. Выбор режущего инструмента

Для обтачивания на проход вала из стали 40Х принимаем токарный проходной резец прямой правый с пластинкой из твердого сплава Т5К10 [2] или [3]. Форма передней поверхности радиусная с фаской [3]; геометрические параметры режущей части резца:

g=150 ;    a=12;          l=0  [3],

j=600 ;    j1=150; [3],

r=1 мм;   f=1 мм; [3].

3. Назначение режимов резания

3.1. Глубина резания. При черновой обработке припуск срезаем за один проход, тогда

3.2. Назначаем подачу. Для черновой обработки заготовки из конструкционной стали диаметром до 100 мм резцом сечением 16х25 (для станка 16К20) при глубине резания до 3 мм:

S=0,6¸1,2 мм/об [2], [3].

   В соответствии с примечанием 1 к указанной таблице и паспортным данным станка (см. Приложение 1 к данным методическим указаниям) принимаем S=0,8 мм/об.

3.3. Скорость резания , допускаемая материалом резца

  , м/мин

где Cv=340; x=0,15; y=0,45, m=0,2, T=60 мин  [2], [3]

   Поправочный коэффициент для обработки резцом с твердосплавной пластиной

Kv=Kmv×Knv×Kuv×Kjv

, [2], [3],

где Kr=1; nv=1 [2],

тогда            

Knv=0,8    [2] или [3],

Kuv=0,65  [2] или [3],

Kjv=0,9    [2] или [3].

 м/мин

   3.4. Частота вращения, соответствующая найденной скорости резания

, об/мин

 об/мин.

   Корректируем частоту вращения шпинделя по паспортным данным станка

nд=315 об/мин.

3.5. Действительная скорость резания

 , м/мин;  м/мин.

4. Основное время

 , мин

Путь резца L=l+y + , мм

Врезание резца y=t×ctgj=3×ctg 600=3×0,58=1,7 мм

Пробег резца =1,3 мм.

Тогда L=280+1,7+1,3=383 мм.

 мин.

   Задание на практическое занятие №2

   Выполнить расчет режимов резания аналитическим способом (по эмпирической формуле) по заданному варианту для обработки на токарно-винторезном станке 16К20.

   Исходные данные приведены в таблице 2.

   Порядок выполнения работы

1. Пользуясь инструкцией и дополнительной литературой, изучить методику определения режима резания. Ознакомиться со справочником [2] или [3]. Ознакомиться с условием задания.

2. Выполнить эскиз обработки.

3. Выбрать режущий инструмент.

4. Назначить глубину резания.

5. Определить подачу.

6. Рассчитать скорость резания.

7. Определить частоту вращения шпинделя и скорректировать по паспорту станка.

8. Определить действительную скорость резания.

9. Рассчитать основное технологическое время.

10. Составить отчет по форме 2.

Таблица 2

Номер вари-анта Заготовка, материал и его свойства Вид обработки и параметр шероховатости D, мм d, мм l, мм
1 2 3 4 5 6
1

Прокат. Сталь 20, sв=500 МПа

Обтачивание на проход Ra=12,5 мкм 90 82h12 260
2 Отливка с коркой. Серый чугун СЧ 20, НВ160 Обтачивание на проход Ra=12,5 мкм 120 110h12 310
3 Поковка. Сталь 12Х18Н9Т, НВ180 Обтачивание в упор Ra=1,6 мкм 52 50e9 400
4 Прокат. Сталь 14Х17Н2, НВ200 Растачивание в упор Ra=3,2 мкм 90 93H11 30
5 Отливка без корки СЧ30, НВ220 Растачивание на проход Ra=3,2 мкм 80 83H11 50
6 Отливка с коркой. Серый чугун СЧ 20, НВ210 Растачивание на проход Ra=12,5 мкм 120 124H12 100
7

Прокат. Сталь 38ХА, sв=680 МПа

Обтачивание на проход Ra=12,5 мкм 76 70h12 315
8

Обработанная. Сталь 35, sв=560 МПа

Растачивание на проход Ra=3,2 мкм 97 100H11 75
9 Отливка с коркой. Серый чугун СЧ 15, НВ170 Обтачивание в упор Ra=12,5 мкм 129 120h12 340
10 Обработанная. Серый чугун СЧ 10, НВ160 Подрезание сплошного торца Ra=12,5 мкм 80 0 3,5
11

Поковка. Сталь 40ХН, sв=700 МПа

Растачивание на проход Ra=3,2 мкм 77 80H11 45
12

Обработанная. Сталь Ст3, sв=600 МПа

Подрезание сплошного торца Ra=12,5 мкм 90 0 5
13

Прокат. Сталь 40Х, sв=750 МПа

Обтачивание в упор Ra=0,8 мкм 68 62e9 250
14

Обработанная. Сталь Ст5, sв=600 МПа

Растачивание на проход Ra=12,5 мкм 73 80H12 35
15 Отливка с коркой. Серый чугун СЧ 20, НВ180 Обтачивание на проход Ra=12,5 мкм 62 58h12 210
16 Отливка с коркой. Серый чугун СЧ 20, НВ200 Подрезание втулки Ra=3,2 мкм 80 40 2,5
17

Поковка. Сталь 20Х, sв=580 МПа

Растачивание сквозное Ra=1,6 мкм 48 50H9 50
18

Обработанная. Сталь 50, sв=750 МПа

Подрезание торца втулки Ra=3,2 мкм 60 20 2,0
19 Отливка с коркой. Бронза Бр АЖН 10-4, НВ170 Обтачивание на проход Ra=1,6 мкм 88 85e12 140
20 Прокат. Латунь ЛМцЖ 52-4-1, НВ220 Растачивание в упор Ra=3,2 мкм 48 53H11 65
Продолжение табл. 2
1 2 3 4 5 6
21 Обработанная. Серый чугун СЧ 30, НВ220 Подрезание торца Ra=1,6 мкм 65 0 1,5
22 Обработанная. Серый чугун СЧ 20, НВ220 Обработка в упор Ra=3,2 мкм 74 80H11 220
23

Поковка. Сталь 30ХН3А, sв=800 МПа

Обработка на проход Ra=12,5 мкм 105 115H12 260
24

Прокат. Сталь 30ХМ, sв=780 МПа

Подрезание торца Ra=1,6 мкм 80 0 2,5
25

Обработанная. Сталь 45, sв=650 МПа

Обработка на проход Ra=1,6 мкм 72 80H9 100
26

Прокат. Сталь ШХ15, sв=700 МПа

Растачивание на проход Ra=3,2 мкм 90 95H11 60
27 Поковка. Ковкий чугун КЧ30, НВ163 Обтачивание на проход Ra=12,5 мкм 115 110h7 150
28 Отливка с коркой. Серый чугун СЧ 15, НВ163 Обтачивание в упор Ra=6,3 мкм 150 142h8 70
29

Прокат. Бронза Бр АЖ 9-4, sв=500 МПа

Растачивание в упор Ra=12,5 мкм 60 69H11 50
30

Прокат. Сталь 35Г2, sв=618 МПа

Подрезание торца втулки Ra=6,3 мкм 100 80 3,0

Практическое занятие №3

Расчет режимов резания при токарных работах с помощью нормативно-справочной литературы

   Цель работы: Изучить методику назначения режима резания по таблицам нормативов. Ознакомиться и приобрести навыки работы с нормативами.

Общие положения

   Точение широко распространенный метод обработки резанием тел вращения. Применяется для удаления наружных, внутренних и торцовых поверхностных слоев заготовок (цилиндрических, конических и фасонных). Рассматривают следующие виды точения:

1) черновое точение ("обдирка") - удаление дефектных слоев заготовки, разрезка, отрезка и подрезка торцов заготовки. Срезается поверхностная "корка" и основная (»70%) часть припуска на обработку, позволяет получать шероховатость 50...12,5 Ra;

2) получистовое точение - снятие 20...25% припуска и позволяет получать шероховатость 6,3...3,2 Ra и точность 10...11-го квалитетов. Заготовка получает форму, близкую к детали.

3) чистовое точение - обеспечивает получение шероховатости 3,2...1,6 Ra и точность 7-9-го квалитетов. Деталь получает окончательную форму и размеры;

4) тонкое точение - позволяет при срезании очень тонких стружек получать на поверхностях детали шероховатость 0,40..0,20 Ra и точность 5-7-го квалитетов.

   Определение режимов резания состоит в выборе по заданным условиям обработки наивыгоднейшего сочетания глубины резания , подачи и скорости резания, обеспечивающих наименьшую трудоемкость и себестоимость выполнения операции.

   Режимы резания устанавливаются в следующем порядке:

   1. Определение глубины резания t мм и числа проходов i. При черновом точении весь припуск целесообразно снимать за один проход ( в ряде случаев, когда имеется лимит мощности станка, бывает выгодно снимать припуск за несколько проходов). Целесообразность этого должна определяться сравнительным расчетом продолжительности оперативного времени. Деление припусков на несколько проходов производится также при получистовом и чистовом точении, а также при обработке резцами с дополнительной режущей кромкой (j1=0).

   2. Выбор подачи S мм/об. Подача выбирается в зависимости от площади сечения державки резца, диаметра обработки и глубины резания. Выбранная подача проверяется на допустимость по мощности электродвигателя , прочности державки резца, прочности пластин из твердого сплава и от заданной чистоты поверхности.

   3. Определение нормативной скорости резания Vм/мин. И соответствующей ей частоты вращения n, мин-1. По значению скорости выбирается потребная частота вращения шпинделя, которая корректируется по паспорту станка.

   4. Определяются усилия и мощности резания по выбранным значениям t,S и V.

   5. Проверка возможности осуществления выбранного режима резания на заданном станке по его эксплуатационным данным. Если найденный режим не может быть осуществлен на заданном станке, а выбранная подача удовлетворяет, необходимо уменьшить скорость резания. Уменьшение скорости V осуществляется вводом поправочного коэффициента изменения скорости Kv в зависимости от отношения мощности на шпинделе, допустимой станком, к мощности по нормативам.

   6. Корректировка выбранного режима по станку в соответствии с его паспортными данными.

   Пример решения задачи

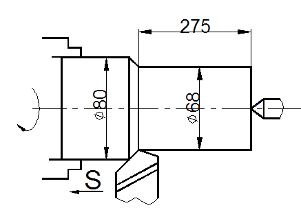
   Рассчитать режим резания при предварительной обточке детали типа вал на станке 16К20.

   Исходные данные: род и размер заготовки - прокат, сталь 45; sв=550 МПа; D=80 мм; d=68 мм; l=275 мм; условия выполнения операции - заготовка устанавливается в самоцентрирующийся патрон с поджатием центра задней бабки.

   Решение

1.


Выполнение эскиза обработки.

2. Выбор режущего инструмента.

   Для обтачивания вала из стали 45 принимаем токарный проходной резец прямой правый с пластиной из твердого сплава Т5К10 [2] или [3] j=45°; j1=10°; с=4 мм (толщина пластинки); ВхН=25х25 (сечение державки); Ip=1,5 Н (вылет резца).

3. Назначение режимов резания.

   Расчет режимов резания выполним в традиционной последовательности с использованием данных работы [7].

3.1 Глубина резания. При черновой обработке припуск срезаем за один проход , тогда

 мм

3.2 Назначаем подачу. Для державки резца сечением 25х25 мм, диаметра обработки до 100 мм и глубины резания до 8 мм рекомендуется подача S=0,5...0,7 мм/об;

   Проверим допустимость рекомендуемой подачи по мощности электродвигателя , прочности державки резца и прочности пластинки твердого сплава.

   Для глубины резания t=6 мм, мощности электродвигателя Nд=8 кВт и для резца j1>0° допускается подача S=0,7мм/об. Для стали с пределом прочности sв=550 МПа (55 кг/мм2) поправочный коэффициент Кмs=1,07. Следовательно, подача, допускаемая мощностью электродвигателя (из условий обеспечения работы для твердого сплава со скоростью не ниже 50 м/мин) S=0,7×1,07=0,75 мм/об.

   Для резца с державкой сечением 25х25 мм и глубиной резания t=6 мм находим подачу S=3 мм/об. Умножив эту подачу на поправочный коэффициент Кмs=1,07, соответствующий стали с пределом прочности sв=550 МПа (55 кг/мм2), и Кмs=0,58, соответствующий вылету резца l=1,5 H, найдем подачу, допустимую прочностью державки резца: S=3×1,07×0,58=1,86 мм/об.

   Для резца с главным углом в плане j=45°, толщиной пластинки твердого сплава с=4 мм и для глубины резания t=6 мм находим подачу S=1,11 мм/об.

С учетом поправочного коэффициента для стали (sв=550 МПа), Кмs=1,07, допускается подача по прочности пластинки твердого сплава

S=1,11×1,07=1,19 мм/об.

   Из сопоставления подач S=0,7 мм/об, S=1,86 мм/об и S=1,19 мм/об, видим, что величину подачи лимитирует мощность электродвигателя. Подача, допустимая мощностью электродвигателя, не ограничивает максимальную подачу S=0,7 мм/об. Такая подача имеется на станке (согласно паспортным данным), следовательно, ее и примем для выполнения технологического перехода обработки Æ68 .

3.3. Скорость резания и частота вращения шпинделя. Для глубины резания t=6 мм резца проходного прямого с главным углом в плане j=45° для S=0,7 мм/об соответствует V=100 м/мин, Pz=6630 H, Nэ=10,7 кВт.

   Определяем поправочные коэффициенты для измененных условий резца. В данном примере необходимо учесть только поправочный коэффициент в зависимости от предела прочности обработанного материала sв. Для sв=550 МПа находим Kmv =1,18, , .

Следовательно, для заданных условий обработки нормативные значения V, Pz и Nэ составляют: V=100×1,18=118 м/мин; Pz=6630×0,92=6100 Н; Nэ=10,7×1,09=11,6 кВт.

   Найденный режим не может быть осуществлен на заданном станке , так как эффективная мощность , потребная на резание Nэ=11,6 кВт, выше мощности на шпинделе, допустимой номинальной мощностью электродвигателя (7,5 кВТ по паспорту станка). Необходимо уменьшить скорость резания. Коэффициент изменения скорости резания зависит от отношения мощности на шпинделе, допускаемой станком, к мощности по нормативам.

   В данном примере это отношение будет 7,5/11,6=0,6.

   Для этого соотношения коэффициент изменения скорости резания: Kv =0,55 м/мин. Скорость резания, установленная по мощности станка ,

V=188×0,55=65 м/мин

Частота вращения шпинделя

 об/мин

По паспорту станка выбираем n=250 об/мин. Тогда фактическая скорость резания

 м/мин.

   Окончательно для перехода обработки Æ80: глубина резания t=6мм, подача S=0,7 мм/об, n=250 об/мин, Vф=62,8 м/мин.

4. Основное время

 мин.

где L - путь резца

L=l+l1=275+6=281 мм

здесь l1 - величина врезания резца (для данного примера). Для глубины резания t=6 мм и главном угле в плане j=45° находим l1=6 мм;

l - длина обработанной поверхности.

Задание на практическое занятие №3.

   Определить режимы резания по таблицам нормативов (по заданному варианту) для обработки на токарно-винторезном станке 16К20.

   Исходные данные приведены в таблице 3.

Порядок выполнения работы

1. Пользуясь инструкцией и дополнительной литературой, изучить методику определения режима резания. Ознакомиться со справочником [7].

2. Выполнить эскиз обработки.

3. Выбрать режущий инструмент, выполнить эскиз.

4. Назначить глубину резания.

5. Определить подачу.

6. Определить скорость, силу и мощность затрачиваемую на резание.

7. Определить частоту вращения шпинделя и скорректировать по паспорту станка.

8. Определить действительную скорость резания.

9. Определить основное технологическое время.                Таблица 3

Заготовка, материал и его свойства Вид обработки и параметр шероховатости D, мм d, мм l, мм
1 2 3 4 5 6
1

Прокат. Сталь 45, sв=600 МПа

Растачивание на проход, Ra=3,2 мкм 97 100H10 120
2

Прокат. Сталь 2Х13, sв=600 МПа

Обтачивание на проход, Ra=3,2 мкм 80 70h10 300
3

Прокат. Сталь ШХ15, sв=700 МПа

Растачивание в упор, Ra=12,5мкм 90 95H12 50
4 Отливка с коркой. Серый чугун СЧ 15, НВ197 Обтачивание в упор, Ra=12,5 мкм 100 94h12 150
5 Прокат. Латунь ЛМцЖ 52-4-1 НВ220 Растачивание на проход, Ra=12,5 мкм 48 54H12 70
6 Отливка. Чугун ВЧ 60-2. НВ240 Растачивание, Ra=3,2 мкм 70 63h10 60
7

Прокат. Сталь 40Х, sв=700 МПа

Обработка в упор,      Ra=12,5 мкм 66 70H12 100
8 Обработанная. СЧ 24, НВ207 Обработка в упор,         Ra=3,2 мкм 120 114h10 250
9 Поковка. Чугун КЧ33 НВ163 Обработка на проход,      Ra=12,5 мкм 110 116H12 150
10

Обработанная.Сталь20Х, sв=550 МПа

Обработка в упор,       Ra=1,6 мкм 80 70h7 200
11

Прокат. Сталь 40ХН, sв=700 МПа

Обработка на проход,      Ra=3,2 мкм 74 80H10 75
12

Прокат. Сталь 18ХГТ, sв=700 МПа

Обработка на проход,      Ra=12,5 мкм 170 155h12 125
13

Обработанная.Сталь65Г, sв=700 МПа

Обработка в упор,      Ra=12,5 мкм 62 70H12 80
14 Отливка с коркой. Серый чугун СЧ 21, НВ205 Обработка в упор,      Ra=12,5 мкм 125 113h12 275
15 Поковка. Чугун КЧ35 НВ163 Обработка на проход,      Ra=3,2 мкм 138 150H10 100
16

Обработанная.Сталь1Х13,sв=500МПа

Обтачивание на проход,      Ra=3,2 мкм 90 81h10 175
17

Прокат. Сталь 1Х18Н9Т, sв=550 МПа

Обработка в упор,      Ra=12,5 мкм 42 50H12 90
18 Отливка с коркой. Бронза БрАЖН 10-4. НВ170 Обтачивание на проход,      Ra=1,6 мкм 105 100h7 85
19 Отливка с коркой. Серый чугун СЧ 40, НВ210 Обработка на проход,      Ra=3,2 мкм 60 69H12 45
20

Обработанная.Сталь35, sв=560МПа

Обработка на проход,      Ra=1,6 мкм 115 100h7 280
21

Прокат. Сталь 38ХА, sв=680 МПа

Обработка на проход,      Ra=1,6 мкм 85 90H7 110
22

Отливка с коркой. Сталь35ХГСЛ, sв=800Мпа

Обтачивание, Ra=12,5 мкм 95 90h12 70
23

Прокат. Сталь 20, sв=420 МПа

Обработка на проход,      Ra=1,6 мкм 65 70H7 50
24

Обработанная.Сталь50, sв=900МПа

Обработка в упор,      Ra=12,5 мкм 55 51h12 35
25

Обработанная.Сталь50Х, sв=650МПа

Обработка в упор,       Ra=3,2 мкм 32 35H10 20
26

Отливка с коркой. Сталь30Л, sв=480МПа

Обработка на проход,      Ra=1,6 мкм 100 92h7 195

                                                                                                                                Продолжение табл. 3

1 2 3 4 5 6
27

Прокат. Сталь 30ХМ, sв=1000 МПа

Обработка на проход,      Ra=12,5 мкм 75 80H12 120
28

Прокат. Сталь 30, sв=600 МПа

Обработка в упор,       Ra=3,2 мкм 116 98h10 115
29 Отливка с коркой. Чугун ЖЧХ, НВ250 Обработка на проход,      Ra=12,5 мкм 95 115H12 180
30

Прокат. Сталь 65Г, sв=700 МПа

Обработка на проход,      Ra=12,5 мкм 150 128h12 300

ПРАКТИЧЕСКОЕ ЗАНЯТИЕ №4

Назначение режима резания при сверлении, зенкеровании и развертывании

   Цель работы: изучить методику назначения режимов резания по таблицам нормативов. Ознакомиться и приобрести навыки работы с нормативами.

ОБЩИЕ СВЕДЕНИЯ

    Наиболее распространенный метод получения отверстий резанием – сверление.

   Движение резания (главное движение) при сверлении – вращательное движение, движение подачи – поступательное. В качестве инструмента при сверлении применяются сверла. Самые распространенные из них – спиральные, предназначены для сверления и рассверливания отверстий , глубина которых не превышает 10 диаметров сверла. Шероховатость поверхности после сверления Ra=12,5¸6,3 мкм, точность по 11-14 квалитету. Градация диаметров спиральных сверел должна соответствовать ГОСТ 885-64. Для получения более точных отверстий (8-9 квалитет) с шероховатостью поверхности Ra=6,3¸3,2 мкм применяют зенкерование. Исполнительные диаметры стандартных зенкеров соответствуют  ГОСТ1677-75. Развертывание обеспечивает изготовление отверстий повышенной точности (5-7 квалитет) низкой шероховатости до Ra=0,4 мкм.

    Исполнительные размеры диаметров разверток из инструментальных сталей приведены в ГОСТ 11174-65, с пластинками из твердого сплава в ГОСТ 1173-65.

    Отличительной особенностью назначения режима резания при сверлении является то, что глубина резания  t=D/2, при рассверливании, зенкеровании и развертывании.

 , мм.

    При рассверливании отверстий подача, рекомендуемая для сверления, может быть увеличена в 2 раза.

    Порядок назначения остальных элементов режима резания аналогичен назначению режимов резания при токарной обработке.

    Средние значения припусков на диаметр, снимаемых зенкерами и развертками см. в приложении 4.

    Пример решения задачи

   На вертикально-сверлильном станке 2Н125 обработать сквозное отверстие диаметром 25Н7 (Ra=1,6 мкм), l=125 мм. Материал заготовки СЧ18, НВ210.

   Необходимо: выбрать режущий инструмент, назначить режим резания по таблицам нормативов, определить основное время.

    Решение:


Эскиз обработки

1. Выбор инструмента.

   Согласно исходных данных операция выполняется в три перехода: сверление, зенкерование и развертывание.

   Для сверления чугуна СЧ18 НВ210 согласно [7] выбираем сверло D=22 мм из стали Р18 , заточенное по методу В.И. Жирова, 2j =118°; 2j 0=70°; для зенкерования – цельный зенкер D=24,9 мм из стали Р18; j =45°; aр =10°; для развертывания – цельную развертку D=25 мм, j =5° из стали Р18.

    2. Выбор режима резания.

   Расчет режимов резания выполним в традиционной последовательности с использованием данных работы [7].

    Первый переход. Выбор подачи. Для сверления чугуна НВ210 сверлом диаметром 22 мм выбираем подачу S=0,65¸0,75 мм/об. С учетом поправочного коэффициента на длину сверления Кls=0,9 получам расчетные величины подач

S=0,59¸0,68 мм/об.

   По паспорту станка устанавливаем ближайшую подачу к расчетной S=0,56 мм/об.

Выбор скорости и числа оборотов.

   Исходя из диаметра сверла 22 мм и установленной подачи S=0,56 мм/об, методом двойной интерполяции определяем нормативные скорость резания и число оборотов (быстрее и удобнее вести расчет только по числу оборотов).

nн=396 об/мин.

   Учитывая поправочные коэффициенты на заточку сверла по методу В.И. Жирова (ЖДП) Кфv =1,05, на длину сверления (l=5D), Кlv =0,75 и на механические свойства серого чугуна НВ210 Кмv =0,88 , получаем расчетное число оборотов в минуту

n=nн× Кфv × Кlv × Кмv=396×1,05×0,75×0,88=274 об/мин.

Ближайшее число оборотов по паспорту станка n=250 об/мин. Тогда фактическая скорость резания будет равна

 м/мин.

   Проверка выбранного режима по осевому усилию и мощности.

   Для установленных условий сверления D=22 мм, S=0,56 мм/об и n=250 об/мин методом двойной интерполяции получаем осевое усилие Pн=6010 Н и крутящий момент Мкр=6572 кг×мм.

   С учетом поправочного коэффициента на обрабатываемый материал КМм=Кмр=1,06 и заточки по методу Жирова (ЖДП) Кфр=0,66 и Кфм=1 получим

Р=Рн× Кмр× Кфр=6010×1,06×0,66=4205 Н

   По паспорту станка наибольшее усилие, допускаемое механизмом подачи, равно 15000Н.

М=Ммрн×Кмм×Кфм=6572×1,06×1=6966 кг×мм.

   Пользуясь графиком определяем при Мкр=6966 кг×мм и n=250 об/мин мощность, потребную на резание : Nрез=1,6 квт.

   По паспорту станка мощность на шпинделе

Nэ=Nд×h=4,5×0,8=3,6 кВт; Nэ=3,6>Nрез=1,6 кВт.

    Следовательно, станок не лимитирует выбранного режима резания.

   Второй переход. Выбор подачи.

   Для зенкерования отверстия в сером чугуне НВ210 зенкером диаметром 24,9 мм (25 мм) при последующей обработке отверстия одной разверткой рекомендуется подача S=0,55­¸0,6 мм/об. Ближайшая подача по паспорту станка S=0,56 мм/об.

    Выбор скорости резания и числа оборотов.

   Исходя из диаметра зенкера D=24,9 (25) мм, для подачи S=0,56 мм/об путем интерполяции определяем число оборотов nн=329 об/мин.

   С учетом поправочного коэффициента на обрабатываемый материал Kмv=0,88 число оборотов будет равно n=nн× Kмv=329×0,88=289 об/мин. Ближайшее число оборотов по паспорту станка n=250 об/мин. Фактическая скорость резания

 м/мин.

    Третий переход. Выбор подачи.

    Для развертывания отверстия в сером чугуне НВ>200 механической разверткой D=25 мм с чистотой поверхности отверстия Ra=1,6 мкм рекомендуется подача S=1,9 мм/об. Ближайшая подача по паспорту станка S=1,6 мм/об.

    Выбор скорости резания и числа оборотов.

   Для развертывания отверстия диаметром 25 мм с подачей 1,6 мм/об рекомендуется число оборотов nн=105 об/мин. С учетом поправочного коэффициента на обрабатываемый материал серый чугун НВ>200 Кмn=0,88. Тогда

n=nн× Кмn=105×0,88=92 об/мин

Ближайшее число оборотов по паспорту станка

n=90 об/мин.

Фактическая скорость резания

 м/мин.

    Определение основного (технологического) времени.

   Величина врезания и перебега инструментов l1 при работе на проход для сверла с двойной заточкой равна 12 мм; для зенкера 5 мм и для развертки 30 мм.

   При длине отверстия l=125 мм основное (технологическое) время каждого перехода равно

 мин

 мин

 мин

Основное время операции

T0=t01+t02+t03=0,98+0,93+1,0=2,91 мин.

   Задание на практическое занятие №4.

   Выполнить расчет режима резания по таблицам нормативов для обработки сквозного отверстия на вертикально-сверлильном станке 2Н135 по заданному варианту. Исходные данные в таблице 4.

Порядок выполнения работы аналогичен  предыдущей.

  Таблица 4  
Материал заготовки и его характеристики Диаметр отверстия D мм, параметр шероховатости, мкм Длина отверстия l, мм
1 2 3 4
1

Сталь 12ХН2, sв=800 МПа

18Н7, Ra=1,6 50
2

Сталь 12ХН3А, sв=950 МПа

25Н5, Ra=0,4 60
3 Серый чугун СЧ30, НВ200 30Н5, Ra=0,4 80
4 Серый чугун СЧ20, НВ210 35Н7, Ra=1,6 90
5

Сталь 38ХА, sв=680 МПа

28Н7, Ra=1,6 55
6

Сталь 35, sв=560 МПа

38Н8, Ra=6,3 75
7 Серый чугун СЧ15, НВ170 45Н9, Ra=3,2 45
8 Серый чугун СЧ10, НВ160 17Н7, Ra=1,6 50
9

Сталь 40ХН, sв=700 МПа

45Н9, Ra=6,3 100
10

Сталь Ст3, sв=600 МПа

50Н9, Ra=6,3 60
11

Сталь 40Х, sв=750 МПа

22Н5, Ra=0,4 95
12

Сталь Ст5, sв=600 МПа

16Н5, Ra=0,4 30
13 Серый чугун СЧ20, НВ180 38Н9, Ra=6,3 85
14 Серый чугун СЧ20, НВ200 50Н9, Ra=3,2 50
15

Сталь 20Х, sв=580 МПа

20Н5, Ra=0,4 40
16

Сталь 50, sв=750 МПа

30Н7, Ra=1,6 60
Продолжение табл. 4
1 2 3 4
17 Бронза Бр АЖН 10-4, НВ170 28Н7, Ra=1,6 55
18 Латунь ЛМцЖ 52-4-1, НВ220 40Н9, Ra=3,2 80
19 Серый чугун СЧ30, НВ220 23Н5, Ra=0,4 45
20 Серый чугун СЧ20, НВ220 32Н7, Ra=1,6 35
21

Сталь 30ХН3А, sв=800 МПа

20Н7, Ra=1,6 60
22

Сталь 30ХМ, sв=780 МПа

55Н8, Ra=3,2 110
23

Сталь 45, sв=650 МПа

48Н9, Ra=6,3 96
24

Сталь 20, sв=500 МПа

50Н8, Ra=3,2 100
25 Силумин АЛ4, НВ50 35Н7, Ra=1,6 60
26 Чугун КЧ35, НВ163 42Н9, Ra=6,3 50
27

Сталь 38ХС, sв=950 МПа

22Н5, Ra=0,4 45
28

Сталь 50, sв=900 МПа

37Н9, Ra=6,3 70
29 Чугун ЖЧХ, НВ280 32Н7, Ra=1,6 65
30 Чугун ВЧ60, НВ250 27Н5, Ra=0,4 55

Практическое занятие №5

Расчет режима резания при фрезеровании

   Цель работы: Изучить методику назначения режима резания по таблицам нормативов. Ознакомиться и приобрести навыки работы с нормативами.

ОБЩИЕ СВЕДЕНИЯ

   Фрезерование – один из самых производительных методов обработки. Главное движение (движение резания) при фрезеровании – вращательное; его совершает фреза, движение подачи обычно прямолинейное, его совершает фреза. Фрезерованием можно получить деталь точностью по 6-12 квалитету шероховатостью до Ra=0,8 мкм. Фрезерование осуществляется при помощи многозубого инструмента – фрезы. Фрезы по виду различают: цилиндрические, торцевые, дисковые, прорезные и отрезные, концевые, фасонные; по конструкции – цельные, составные и сборные.

   При торцевом фрезеровании (обработка торцевой фрезой) диаметр фрезы D должен быть больше ширины фрезерования В, т.е. D=(1,25¸1,5)В.

   Для обеспечения производительных режимов работы необходимо применять смещенную схему фрезерования (есть симметричная схема), для чего ось заготовки смещается относительно оси фрезы.

   При цилиндрическом фрезеровании различают встречное фрезерование, – когда вектор скорости (направление вращения фрезы) направлен навстречу направлению подачи; и попутное фрезерование, когда вектор скорости и направление подачи направлены в одну сторону. Встречное фрезерование применяют для черновой обработки заготовок с литейной коркой, с большими припусками. Попутное фрезерование применяют для чистовой обработки нежестких, предварительно обработанных заготовок с незначительными припусками.

   Глубина резания (фрезерования) t во всех видах фрезерования, за исключением торцевого фрезерования и фрезерования шпонок, представляет собой размер слоя заготовки срезаемой при фрезеровании, измеряемый перпендикулярно оси фрезы. При торцевом фрезеровании и фрезеровании шпонок шпоночными фрезами – измеряют в направлении параллельном оси фрезы.

   При фрезеровании различают подачу на один зуб Sz подачу на один оборот фрезы S и минутную подачу Sм мм/мин, которые находятся в следующем соотношении:

Sм= S×n= Sz×z×n

Где   n – частота вращения фрезы, об/мин;

          z – число зубьев фрезы.

   При черновом фрезеровании назначают подачу на зуб; при чистовом фрезеровании – подачу на один оборот фрезы.

   Скорость резания – окружная скорость фрезы, определяется режущими свойствами инструмента. Ее можно рассчитать по эмпирической формуле [2] , [3], или выбрать по таблицам нормативов [4], [7].

   Пример решения задачи.

   На вертикально-фрезерном станке 6Р12 производится торцевое фрезерование плоской поверхности шириной В=80 мм, длиной l=400 мм, припуск на обработку h=1,8 мм. Обрабатываемый материал серый чугун СЧ30, НВ220. Заготовка предварительно обработана. Обработка окончательная, параметр шероховатости обработанной поверхности Ra=3,2 мкм. Необходимо: выбрать режущий инструмент , назначить режим резания с использованием таблиц нормативов, определить основное (технологическое) время.

   Решение


Эскиз обработки

Рис. 3

   1. Выбор инструмента.

    Для фрезерования на вертикально-фрезерном станке заготовки из чугуна выбираем торцевую фрезу с пластинками из твердого сплава ВК6 [2] или [3], диаметром D=(1,25¸1,5)×В=(1,25¸1,5)×80=100¸120 мм. Принимаем D=100 мм; z=10, ГОСТ 9473-71 [2] или [3].

   Геометрические параметры фрезы: j=60°, a=12°, g=10°, l=20°, j1=5°.

Схема установки фрезы – смещенная.

          2.      Режим резания.

        2.1    Глубина резания.

   Заданный припуск на чистовую обработку срезают за один проход, тогда

t=h=1,8 мм

    2.2 Назначение подачи.

    Для получения шероховатости Ra=6,3 мкм подача на оборот S0=1,0¸0,7 мм/об [4].

   Тогда подача на зуб фрезы

 мм/зуб.

   2.3 Период стойкости фрезы.

   Для фрез торцевых диаметром до 110 мм с пластинками из твердого сплава применяют период стойкости

Т=180 мин [4],

   2.4 Скорость резания , допускаемая режущими свойствами инструмента.

   Для обработки серого чугуна фрезой диаметром до 110 мм, глубина резания t до 3,5 мм, подаче до 0,1 мм/зуб.

V=203 м/мин [4],

С учетом поправочных коэффициентов Kmv=1; Knv=1; при  ; КБV=1; Kjv=1 [4],

V=V× Kmv× Knv× КБV× Kj=203×1=203 м/мин.

Частота вращения шпинделя, соответствующая найденной скорости резания

 об/мин.

Корректируем по паспорту станка

n=630 об/мин.

Действительная скорость резания

 м/мин.

   2.5 Минутная подача Sм=Sz×z×n=0,1×10×630=630 мм/мин. Это совпадает с паспортными данными станка.

   3. Мощность, затрачиваемая на резание.

   При фрезеровании чугуна с твердостью до НВ229, ширине фрезерования до 85 мм, глубине резания до 1,8 мм, подаче на зуб до 0,13 мм/зуб, минутной подаче до 660 мм/мин

Np=3,8 кВт [4],

   3.1 Проверка достаточности мощности станка

   Мощность на шпинделе станка Nшп=Nд×h

Nд=7,5 кВт; h=0,8 (по паспорту станка)

Nшп=7,5×0,8=6 кВт.

Так как Nшп=6 кВт >Np=3,8 кВт, то обработка возможна.

   4. Основное время

 , мкм

где L=l+l1.

   Для торцового фрезерования фрезой диаметром 100 мм, ширине фрезерования 80 мм

l1=23 мм [4],

 мин.

   Задание на практическое занятие №5

   Выполнить расчет режима резания по таблицам нормативов по заданному варианту.

   Исходные данные приведены в таблице 5.

   Порядок работы аналогичен предыдущим.

Таблица 5
Вид заготовки и ее характеристика В, мм l, мм h, мм Вид обработки и параметр шероховатости, мкм Модель станка
1 2 3 4 5 6 7
1 Серый чугун СЧ30, НВ200 100 600 5 Торцовое фрезерование, Ra=12,5 6Р12
2 Серый чугун СЧ20, НВ210 150 500 4 Торцовое фрезерование, Ra=1,6 6Р12
3

Сталь 38ХА, sв=680 Мпа

80 400 6 Торцовое фрезерование, Ra=12,5 6Р12
4

Сталь 35, sв=360 Мпа

90 480 3,5 Торцовое фрезерование, Ra=1,6 6Р12
5 Серый чугун СЧ15, НВ170 50 300 3,5 Цилиндрическое фрезерование, Ra=3,2 6Р82Г
6 Серый чугун СЧ10, НВ160 80 250 1,5 Цилиндрическое фрезерование, Ra=3,2 6Р82Г
7

Сталь 40ХН, sв=700 Мпа

70 320 4 Цилиндрическое фрезерование, Ra=12,5 6Р82Г
8

Сталь Ст3, sв=600 Мпа

85 600 1,5 Цилиндрическое фрезерование, Ra=3,2 6Р82Г
9

Сталь 40Х, sв=750 Мпа

10 100 5 Фрезеровать паз, Ra=6,3 6Р12
10

Сталь Ст5, sв=600 Мпа

12 80 8 Фрезеровать паз ,Ra=6,3 6Р12
11 Серый чугун СЧ20, НВ180 20 120 10 Фрезеровать паз ,Ra=6,3 6Р12
12 Серый чугун СЧ20, НВ200 15 75 8 Фрезеровать паз ,Ra=6,3 6Р82Г
13

Сталь 20Х, sв=580 Мпа

8 110 8 Фрезеровать паз ,Ra=6,3 6Р82Г
14

Сталь 50, sв=750 Мпа

12 120 6 Фрезеровать паз ,Ra=6,3 6Р82Г
15 Бронза Бр АЖН 10-4 НВ170 100 300 4 Торцовое фрезерование, Ra=12,5 6Р12
16 Латунь ЛМцЖ 52-4-1, НВ220 60 180 1,5 Торцовое фрезерование, Ra=1,6 6Р12
17 Серый чугун СЧ30, НВ220 180 200 4,5 Торцовое фрезерование, Ra=12,5 6Р12
18 Серый чугун СЧ20, НВ220 110 280 2,5 Торцовое фрезерование, Ra=3,2 6Р12
19

Сталь 30ХНЗА, sв=800 Мпа

80 320 5 Цилиндрическое фрезерование, Ra=12,5 6Р82Г
20

Сталь 30ХН, sв=780 МПа

115 300 3 Цилиндрическое фрезерование, Ra=3,2 6Р82Г
21

Сталь 45, sв=650 МПа

40 280 1,8 Цилиндрическое фрезерование, Ra=1,6 6Р82Г
22

Сталь 20, sв=500 МПа

35 400 3,5 Цилиндрическое фрезерование, Ra=6,3 6Р82Г
Продолжение табл. 5
1 2 3 4 5 6 7
23 Силумин АЛ4, НВ50 55 250 4 Торцовое фрезерование, Ra=6,3 6Р12
24

Сталь 30ХМ, sв=950 МПа

70 310 4,5 Торцовое фрезерование, Ra=12,5 6Р12
25

Сталь 18ХГТ, sв=700 МПа

85 350 2,5 Торцовое фрезерование, Ra=3,2 6Р12
26 Чугун ВЧ60, НВ250 120 300 5 Торцовое фрезерование, Ra=12,5 6Р12
27

Сталь 50, sв=900 МПа

60 250 6 Торцовое фрезерование, Ra=6,3 6Р12
28 Чугун КЧ60, НВ169 200 450 5,5 Торцовое фрезерование, Ra=3,2 6Р12
29

Сталь 18ХГТ, sв=700 МПа

85 300 4,5 Цилиндрическое фрезерование, Ra=12,5 6Р82Г
30 Чугун ВЧ38, НВ170 65 200 3 Цилиндрическое фрезерование, Ra=3,2 6Р82Г

ПРАКТИЧЕСКОЕ ЗАНЯТИЕ №6

Расчет режима резания при нарезании зубьев зубчатых колес

Цель работы: изучить методику расчета режима резания при зубонарезании по таблицам нормативов. Приобрести навыки работы по нормативам.

ОБЩИЕ СВЕДЕНИЯ

   Профиль зубьев зубчатого колеса образуется путем удаления материала впадины следующими способами обработки: фрезерованием, строганием, долблением, протягиванием, шевингованием и шлифованием.

   Различают два метода нарезания зубьев:

   копирования – когда форма режущей кромки инструмента соответствует форме впадины зубчатого колеса (дисковые, пальцевые модульные фрезы, зубодолбежные головки);

   обкатки – поверхность зуба получается в результате обработки инструментом, режущие кромки которого представляют собой профиль сопряженной рейки  или профиль зуба  сопряженного колеса и во время обработки инструмент с заготовкой образуют сопряженную зубчатую пару (червячные фрезы, долбяки, шеверы и др.).

   Метод обкатки имеет следующие преимущества по сравнению с методом копирования:

   одним и тем же инструментом данного модуля можно нарезать зубчатые колеса с любым числом зубьев;

   обеспечивается более высокая точность и низкая шероховатость поверхности зубьев нарезаемого колеса;

   достигается более высокая производительность обработки благодаря непрерывности процесса и участию в работе одновременно большего количества лезвий.

   Дисковая и пальцевая модульные фрезы представляют собой фасонные фрезы, профиль зуба которых повторяет профиль впадины нарезаемого колеса. Обработка производится по методу копирования. Пальцевые модульные фрезы применяют для получения шевронных и зубчатых колес большего модуля. Главным движением (движением резания) является вращение фрезы вокруг своей оси. Движением подачи является движение фрезы вдоль оси заготовки.

   При обработке червячной фрезой (метод обкатывания) движение резания – вращение фрезы, движение подачи – поступательное движение фрезы вдоль оси заготовки.

   Зуборезный долбяк выполнен в виде зубчатого цилиндрического колеса и снабжен режущими кромками. Главное движение (движение резания) при зубодолблении – возвратно-поступательное движение долбяка, движений подачи два: движение обкатывания по делительным окружностям долбяка и нарезаемого колеса и радиальное перемещение. Зубодолбление применяют для нарезания наружных и внутренних зубьев прямых и косозубых колес.

   Глубина резания при черновом нарезании зубьев (Ra=12,5 мкм), как правило, принимается равной глубине впадины t=h=2,2×m, где m – модуль нарезаемого колеса, мм.

   Обычно черновые червячные фрезы профилируются такими, чтобы ими можно было нарезать зубья на полную глубину, но оставляя припуск на окончательную обработку лишь боковым сторонам зуба. Если мощности и жесткости станка недостаточно, припуск на черновую обработку срезают за два прохода: первый проход h=1,4m, второй проход , h=0,7m.

   Чистовую обработку в два прохода применяют только при зубодолблении цилиндрических колес дисковыми долбяками с модулем 6 мм и выше при шероховатости выше Ra=1,6 мкм.

   Подачи выбирают с учетом качества и точности нарезаемого колеса, мощности станка, модуля и числа зубьев нарезаемого колеса [5].

   Скорость резания устанавливают в зависимости от режущих свойств инструмента. Размеров нарезаемого зуба. Глубины резания, подачи и других факторов по таблицам нормативов [5], или по эмпирической формуле [3].

   Основное время при зубофрезеровании червячной фрезой

 , мин

где    z  - число зубьев нарезаемого колеса;

          n  - частота вращения фрезы, об/мин;

          S0 – подача фрезы за оборот заготовки, мм/об;

          K  - число заходов фрезы.

   При чистовой обработке применяют однозаходную фрезу, при черновой – многозаходную.

   L – величина хода фрезы

L=b+l1,

Где   b – ширина венца нарезаемого колеса, мм;

          l1 – величина врезания и перебега, мм

   Основное время при зубодолблении

 , мин,

где   m – модуль нарезаемого колеса, мм;

          z – число зубьев нарезаемого колеса;

          Kд – число двойных ходов в минуту долбяка, дв.ход/мин;

          S – круговая подача, мм/дв.ход;

          Sp – радиальная подача, мм/дв.ход;

          i – число проходов;

          h – припуск на обработку, мм.

   Пример решения задачи

   На зубодолбежном станке 5122 нарезают долбяком прямозубое зубчатое колесо модуля m=3 мм с числом зубьев z=40, шириной венца b=40 мм. Обработка чистовая (Ra=1,6 мкм) по сплошному металлу. Материал заготовки – сталь 40Х, твердость НВ190.

   Необходимо: выбрать режущий инструмент, назначить режим резания (по таблицам нормативов), определить основное время.

   Решение

Эскиз обработки


1.   Выбор инструмента

   Для зубодолбления цилиндрического колеса принимаем дисковый прямозубый долбяк модуля 3 тип 1 ГОСТ 9323-79 [2] или [3] из быстрорежущей стали Р6М5 [2] или [3].

   Угол заточки по передней поверхности зубьев gз=5° [2], [3], [5].

   2. Режим резания.

   2.1 Круговая подача для станка модели 5122 с мощностью двигателя 3 кВт, т.е. III классификационной группы [5] , для чистовой обработки по сплошному металлу, обработки стали с твердостью до НВ207, при модуле нарезаемого колеса до m=3 мм, S=0,25¸0,3 мм/дв.ход [5].

С учетом поправочных коэффициентов Кms=1 и паспортных данных станка принимаем S=0,25 мм/ дв.ход.

   2.2 Радиальная подача.

Sp=(0,1¸0,3)×S [5],

Sp=(0,1¸0,3)×0,25=0,025¸0,075 мм/дв.ход.

   С учетом паспортных данных станка принимаем

Sp=0,036 мм/дв.ход.

   2.3 Период стойкости долбяка для чистовой обработки Т=240 мин. [3].

2.4       Скорость резания, допускаемая режущими свойствами инструмента. Для чистовой обработки по сплошному металлу, круговой подаче S=0,25 мм/дв.ход и модуле до 4 мм

V=20,5 м/мин.

   C учетом поправочных коэффициентов Kmv=1; Kbv=1

Vp=V× Kmv × Kbv=20,5 м/мин.

 Число двойных ходов ходов долбяка в минуту , соответствующее найденной скорости резания,

где L – величина хода долбяка, мм

L=b+l1=40+8=48 мм,

Где l1 – перебег долбяка на две стороны.

   При ширине венца до 51 мм

l1=8 мм [5],

 мм/дв.ход 

   В соответствии с паспортными данными принимаем

Кд=200 мм/дв.ход.

   Действительная скорость резания

 м/мин.

   3. Проверка достаточности мощности станка

   3.1 Мощность, затрачиваемая на резание

   При чистовой обработке по сплошному металлу для данных условий обработки

N=1,1 кВт [5],

   С учетом поправочных коэффициентов KмN=1; KbN=1; KzN=1,1

Np=N× KмN × KbN × KzN=1,1×1×1×1,1=1,21 кВт.

   3.2 Мощность на шпинделе станка

Nш=Nд×h кВт,

где Nд=3 кВт; h=0,65 – паспортные данные станка

Nш=3×0,65=1,95 кВт.

   Так как Nш=1,95 кВт>Np=1,21кВт, то обработка возможна.

   4. Основное время

 , мин

где i – число проходов

 мин

   Задание на практическое занятие №6

   Выполнить расчет режима резания по таблицам нормативов по заданному варианту.

   Исходные данные приведены в таблице 6.

   Порядок выполнения работы аналогичен предыдущим.

Таблица 6
Материал заготовки и его свойства Вид обработки и шероховатость поверхности, мкм Мо-дуль, мм Число зубьев, z Шири-на венца, b

Угол наклона зубьев, b°

Число одно-временно обрабаты-ваемых зубьев, д

Мо-дель станка
1 2 3 4 5 6 7 8 9
1 Сталь 12ХНЗА, НВ210 Окончательная (по сплошному металлу) Ra=3,2 3 20 30 0 6 53А50
2 Сталь 30ХГТ, НВ200 Окончательная (по предварительно прорезанному зубу)* Ra=1,6 8 25 40 0 1 5122
3 Серый чугун СЧ25, НВ210 Предварительное (под последующее зубодолбление) 6 30 32 15 5 53А50
4 Серый чугун СЧ20, НВ200 Предварительное (под последующее шевингование) 3 60 50 0 1 5122
5 Сталь 45, НВ190 Окончательная (по сплошному металлу) Ra=1,6 2,5 80 60 0 3 5122
6 Сталь 40Х, НВ200 Предварительное (под шевингование) 7 28 55 0 1 5122
7 Сталь 35Х, НВ185 Окончательная (по сплошному металлу) Ra=1,6 2 54 20 30 10 53А50
8 Сталь 12Х18Н9Т, НВ180 Предварительное (под шевингование) 4 45 32 0 1 5122
9 Бронза Бр АЖН 10-4, НВ170 Предварительное (под последующее зубодолбление) 2,5 65 35 15 6 53А50
10 Латунь ЛМцЖ 52-4-1, НВ220 Окончательная (по сплошному металлу) Ra=1,6 1,5 84 25 0 1 5122
11 Сталь 14Х17Н2, НВ220 Окончательная (по предварительно прорезанному зубу)* Ra=1,6 5 32 50 0 1 5122
12 Сталь 20Х, НВ170 Предварительное (под шевингование) 5,5 24 24 0 1 5122
Продолжение табл. 6
1 2 3 4 5 6 7 8 9
13 Серый чугун СЧ10, НВ170 Предварительное (под последующее зубодолбление) 8 46 25 15 8 53А50
14 Серый чугун СЧ15, НВ190 Окончательная (по предварительно прорезанному зубу)* Ra=1,6 6 30 38 0 1 5122
15 Сталь 38ХА, НВ190 Окончательная (по сплошному металлу) Ra=1,6 1,5 55 24 0 1 5122
16 Сталь 35, НВ180 Предварительное (под шевингование) 4 42 40 0 1 5122
17 Сталь 20, НВ200 Окончательная (по сплошному металлу) Ra=1,6 1,5 120 60 0 3 53А50
18 Серый чугун СЧ30, НВ220 Предварительное (под последующее зубодолбление) 5 66 18 15 10 53А50
19 Сталь 20Х, НВ165 Окончательная (по предварительно прорезанному зубу)* Ra=1,6 8 22 30 0 1 5122
20 Сталь 45, НВ210 Окончательная (по сплошному металлу) Ra=3,2 2 85 50 0 1 5122
21 Сталь 35Х, НВ185 Предварительное (под шевингование) 3 65 42 0 1 5122
22 Сталь 45ХН, НВ220 Окончательная (по предварительно прорезанному зубу)* Ra=1,6 6 24 28 0 1 5122
23 Серый чугун СЧ30, НВ220 Предварительное (под последующее зубодолбление) 8 50 45 30 4 53А50
24 Серый чугун СЧ10, НВ160 Окончательная (по сплошному металлу) Ra=1,6 2,5 70 65 15 3 53А50
25 Сталь 45, НВ215 Окончательная (по сплошному металлу) Ra=1,6 2 80 30 0 6 53А50
26 Серый чугун СЧ20, НВ240 Окончательная (по сплошному металлу) Ra=1,6 3 22 45 0 6 53А50
* В вариантах окончательной обработки по предварительно прорезанному зубу принять припуск на зубодолбление по межцентровому расстоянию h=1¸1,4 мм.

ПРАКТИЧЕСКОЕ ЗАНЯТИЕ №7

Расчет режима резания при шлифовании

   Цель работы: изучить методику расчета режима резания при шлифовании аналитическим способом. Приобрести навыки работы со справочной литературой.

ОБЩИЕ СВЕДЕНИЯ

   Шлифование – процесс резания материалов с помощью абразивного инструмента, режущими элементами которого являются абразивные зерна. Движение резания при шлифовании – вращение шлифовального круга, движение подачи – возвратно-поступательное движение стола станка с заготовкой и (или) поступательное движение шлифовальной бабки со шлифовальным кругом.

   Различают круглое наружное шлифование, внутреннее круглое шлифование, плоское шлифование, бесцентровое шлифование. Круглое наружное шлифование применяется для обработки цилиндрических наружных поверхностей и осуществляется двумя способами: с продольной подачей (метод врезания) – применяется если длина шлифуемой поверхности меньше ширины круга.

   Разработку режимов резания при шлифовании начинают с выбора характеристики шлифовального круга.

   Для этого устанавливают:

   тип (форму) шлифовального круга [2] или [3],

   материал абразивного зерна [2] или [3] , [6],

   зернистость [2],

   индекс зернистости [2],

   твердость [2], [6],

   структура [2], [6],

   класс круга [2].

(Если выбор характеристики шлифовального круга производится по [3],

то ее следует перевести в новое обозначение).

   Выбор характеристики шлифовального круга можно провести по приложению 1 к данной инструкции.

   После выбора элементов характеристики следует записать полную характеристику, которая содержит такие параметры: форму (тип), марку зерна, зернистость, индекс зернистости, твердость круга, структуру, тип связки, класс круга, допустимую окружную скорость.

   Основными элементами режима резания при шлифовании являются: окружная скорость в м/с (указывается в конце характеристики круга и является максимальной допускаемой прочностью круга);

   скорость вращательного или поступательного движения детали в м/мин;

   глубина шлифования t мм – слой металла, снимаемый шлифовальным кругом за один или двойной ход при круглом или плоском шлифовании или же равная всему припуску на сторону при врезном шлифовании;

   продольная подача S – перемещение шлифовального круга вдоль своей оси в мм на оборот заготовки при круглом шлифовании или в мм на каждый ход стола при плоском шлифовании периферией круга;

   радиальная подача Sp – перемещение шлифовального круга в радиальном направлении в мм на один оборот детали при врезном шлифовании.

   Эффективная мощность (мощность необходимая для резания) рассчитывается по эмпирической формуле [2], [3] или определяется по таблицам нормативов.

   Основное время при круглом шлифовании с продольной подачей

 , мин   (7.1)

где    h – припуск на сторону, мм;

          Vc – скорость продольного хода стола , м/мин;

          t – глубина шлифования, мм;

          К – коэффициент выхаживания;

К=1,4 – при чистовом шлифовании;

К=1,1 – при предварительном шлифовании;

          L – величина хода стола, мм

L=l-(1-K×m)×Bk , мм          (7.2)

где   l – длина шлифуемой поверхности;

          К – число сторон перебега круга (К=2 – при сбеге круга в обе стороны, К=1 – при сбеге круга в одну сторону, К=0 – без сбега);

          m – перебег в долях ширины круга;

          Bk – ширина шлифовального круга, мм.

   При круглом наружном шлифовании методом врезания

 , мин,

где      nз – частота вращения заготовки, об/мин;

          Sp – радиальная подача, мм/об.

   При круглом шлифовании

, мин

где      S – продольная подача, мм/об.

   При круглом внутреннем шлифовании перебег круга в обе стороны равен 0,5×В, тогда

L=l-(1-2×0,5)×B, т.е.

L=l

   Плоское шлифование

, мин

где    Н – перемещение шлифовального круга в направлении поперечной подачи, мм;

          L – величина хода стола, мм;

          h – припуск на сторону;

          Vc – скорость движения стола, м/мин;

          g – число одновременно шлифуемых заготовок.

Н=Вз+Вк+5, мм

где    Вз – суммарная ширина заготовок, установленных на столе, мм.

          Вк – величина шлифовального круга, мм.

L=l+(10¸15), мм

где  l – суммарная длина заготовок , установленных на столе, мм.

   Пример решения задачи

   На круглошлифовальном станке 3М131 шлифуется шейка вала диаметром D=80h6 мм длиной l=300 мм, длина валаl1=550 мм. Параметр шероховатости обработанной поверхности Ra=0,4 мкм. Припуск на сторону 0,2 мм. Материал заготовки – сталь 45 закаленная, твердостью HRC45.

   Необходимо: выбрать шлифовальный круг, назначить режим резания; определить основное время.

   Решение


Эскиз обработки

Рис.5

   1. Выбор шлифовального круга.

   Для круглого наружного шлифования с продольной подачей (шлифовать с радиальной подачей нельзя из-за большой длины шлифуемой поверхности), параметра шероховатости Ra=0,4 мкм, конструкционной закаленной стали до HRC45 принимаем шлифовальный круг формы ПП, [2],

          характеристика – 24 А401К, [6],

          индекс зернистости – Н, [2],

          структура – 5, [6],

          класс – А, [2],

   Полная маркировка круга ПП24 А40НС15КА 35 м/с.

   Размеры шлифовального круга Dk=600 мм; Вк=63 мм (по паспорту станка).

   2. Режим резания

   2.1 Скорость шлифовального круга Vk =35 м/с [2].

   Частота вращения шпинделя шлифовальной бабки

, об/мин

 об/мин

   Корректируя по паспортным данным станка, принимаем

nш=1112 об/мин.

(корректируется только в меньшую сторону).

   Режимы резания для окончательного круглого наружного шлифования конструкционных сталей с подачей на каждый ход определяют по [2] или [3].

   2.2 Окружная скорость заготовки Vз =15¸55 м/мин; принимаем Vз=30 м/мин.

   Частота вращения шпинделя передней бабки, соответствующая принятой окружной скорости заготовки,

 , об/мин

 об/мин.

   Так как частота вращения заготовки регулируется бесступенчато, принимаем nз=120 об/мин.

   2.3 Глубина шлифования

t=0,005¸0,015 мм.

Принимаем, учитывая бесступенчатое регулирование поперечной подачи шлифовального круга на ход стола,

t=0,005 мм.

   2.4 Продольная подача

S=(0,2¸0,4)×Вк , мм/об.

   Принимаем S=0,25×Вк=0,25×63=15,75 мм/об.

   2.5 Скорость продольного хода стола

 м/мин.

   С учетом паспортных данных (бесступенчатое регулирование скорости продольного хода стола) принимаем

Vc=1,9 м/мин.

   3. Проверка достаточности мощности станка

   3.1 Мощность затрачиваемая на резание

Np=CN×Vзz×tx×Sy×dq , кВт [2], [3],

где    CN – коэффициент, учитывающий условия шлифования;

          x, y, z, q – показатели степени;

          V, t, S – элементы режима резания;

          d – диаметр шлифования, мм.

   Для круглого наружного шлифования закаленной стали с подачей на каждый ход шлифовальным кругом зернистостью 40, твердостью СМ1

CN=2,65; z=0,5; х=0,5; y=0,55; q=0,

тогда Np=2,65×300,5×0,0050,5×15,750,55×1=2,65×5,48×0,07×4,55=4,63 кВт.

   3.2 Мощность на шпинделе станка

Nшп=Nд×h , кВт

где    Nд =7,5 кВт; h=0,8 – паспортные данные станка (см. приложение 2 к                данным методическим указаниям).

Nшп=7,5×0,8=6  кВт.

Так как Nшп=6  кВт>Np=4,63 кВт, то обработка возможна.

   4. Основное время

 , мин

L=l-(1-K×m)×Вк , мм

где m – доля перебега круга , принимаем m=0,5 (т.е. половина круга); К=1 – число сторон перебега круга (см. эскиз обработки),

тогда

L=l-(1-1×0,5)×Вк=l-0,5× Вк=300-0,5×63=268,5 мм

К=1,4 – коэффициент выхаживания

 мин.

   Задание на практическое занятие №7

   Выполнить расчет режима резания аналитическим способом по заданному варианту.

   Исходные данные приведены в таблице 7.

   Порядок выполнения работы аналогичен предыдущим.

Таблица 7

Материал заготовки и его свойства Вид обработки и параметр шерохоатости поверхности, мкм Размер шлифуемой поверхности, мм Припуск на сторону , мм Кол-во одновре-менно обраба-тыва-емых деталей Модель станка
1 2 3 4 5 6 7
1 Сталь 45ХН закаленная, НRC45 Окончательная, Ra=0,8

D=60h8

l=240

0,22 1 3М131
2 Сталь 40Х незакаленная Окончательная, Ra=0,4

D=55h7

l=40

0,15 1 3М131
3 Серый чугун СЧ30, НВ220 Предварительная, Ra=1,6

D=120H8

l=140

0,25 1 3К228В
Продолжение табл. 7
1 2 3 4 5 6 7
4 Серый чугун СЧ15, НВ190 Окончательная, Ra=0,8

D=80H7

l=60

0,2 1 3К228В
5 Сталь 12Х18Н9Т незакаленная Предварительная, Ra=1,6

B=250

l=300

0,4 2 3П722
6 Сталь 40Х закаленная, НRC52 Окончательная, Ra=0,4

D=55H7

l=50

0,18 1 3К228В
7 Сталь 47А закаленная, НRC60 Окончательная, Ra=0,8

B=200

l=300

0,25 6 3П722
8 Серый чугун СЧ20, НВ200 Предварительная, Ra=1,6

B=280

l=650

0,5 1 3П722
9 Бронза Бр АЖН 10-4 НВ170 Окончательная, Ra=0,8

D=45h7

l=120

0,2 1 3М131
10 Сталь 40 закаленная, НRC35 Окончательная, Ra=0,4

D=84h7

l=300

0,1 1 3М131
11 Сталь Ст5 незакаленная Предварительная, Ra=1,6

D=120h8

l=48

0,25 1 3М131
12 Сталь 45Х закаленная, НRC45 Окончательная, Ra=0,8

D=85H7

l=60

0,18 1 3П722
13 Сталь 40ХНМА закаленная, НRC55 Окончательная, Ra=0,8

B=120

l=270

0,2 6 3П722
14 Латунь ЛМцЖ 52-4-1 Предварительная, Ra=1,6

D=120H8

l=80

0,25 1 3К228В
15 Сталь 48А закаленная, НRC60 Окончательная, Ra=0,4

D=80H7

l=70

0,15 1 3К228В
16 Сталь 35 незакаленная Предварительная, Ra=1,6

D=75h8

l=55

0,3 1 3М131
17 Сталь 45 закаленная, НRC40 Окончательная, Ra=0,8

D=38h7

l=100

0,15 1 3М131
18 Серый чугун СЧ10, НВ180 Предварительная, Ra=1,6

D=65h7

l=90

0,2 1 3М131
19 Серый чугун СЧ30, НВ220 Окончательная, Ra=0,8

B=45

l=250

0,25 10 3П722
20 Сталь 40 незакаленная Предварительная, Ra=1,6

D=58H8

l=60

0,3 1 3К228В
21 Сталь 40Х закаленная, НRC50 Окончательная, Ra=0,4

D=65H7

l=70

0,25 1 3К228В
22 Сталь Ст3 незакаленная Предварительная, Ra=1,6

B=55

l=150

0,45 20 3П722
23 Сталь 45Х закаленная, НRC52 Предварительная, Ra=1,6

B=80

l=250

0,35 8 3П722
24 Серый чугун СЧ20, НВ200 Предварительная, Ra=1,6

D=110h8

l=280

0,2 1 3М131
25 Сталь 30ХГТС закаленная, НRC55 Окончательная, Ra=0,4

D=65h7

l=50

0,25 1 3М131
26 Сталь 40Х закаленная, НRC40 Окончательная, Ra=0,8

D=65h7

l=200

0,3 1 3М131
ЛИТЕРАТУРА

1.   Аршинов В.А., Алексеев Г.А. Резание металлов и режущий инструмент. – М.: Машиностроение, 1976.

2.   Справочник технолога-машиностроителя. В двух томах. Т.2. Под ред. А.Г. Косиловой и Р.К. Мещерякова. – М.: Машиностроение, 1985.

3.   Справочник технолога-машиностроителя. В двух томах. Т.2. Под ред. А.А. Малова . – М.: Машиностроение, 1972.

4.   Общемашиностроительные нормативы режимов резания для технического нормирования работ на металлорежущих станках. Часть 1. – М.: Машиностроение, 1967.

5.   Общемашиностроительные нормативы режимов резания для технического нормирования работ на металлорежущих станках. Часть 2. – М.: Машиностроение, 1967.

6.   Справочник по обработке металлов резанием. Абрамов Ф.Н. и др. – К.: Техника, 1983.

7.   Справочник нормировщика-машиностроителя: в 2 т./Под ред. Е.М. Стружестраха. – М.: ГОСИздат, 1961. – Т,2. – 892 с.

Приложение I

ПАСПОРТНЫЕ ДАННЫЕ МЕТАЛЛОРЕЖУЩИХ СТАНКОВ

Токарно-винторезный станок 16К20

Высота центров, мм     -                            215

Расстояние между центрами, мм       -     до 2000.

Мощность двигателя,                      Nд=10 кВт

КПД станка                                                h=0,75.

Частота вращения шпинделя, об/мин: 12,5; 16; 20; 25; 31,5; 40;  50; 63; 80; 100; 125; 160; 200; 250; 315; 400; 500; 630; 800; 1000; 1250; 1600.

   Продольные подачи, мм/об: 0,05; 0,06; 0,075; 0,09; 0,1; 0,125; 0,15; 0,175;   0,2; 0,25; 0,3; 0,36; 0,4; 0,5; 0,6; 0,7; 0,8; 1,0; 1,2; 1,4; 1,6; 2,0; 2,4; 2,8.

   Поперечные подачи, мм/об: 0,025; 0,03; 0,0375; 0,045; 0,05; 0,0625; 0,075; 0,0875; 0,1; 0,125; 0,15; 0,175; 0,2; 0,25; 0,3; 0,4; 0,5; 0,6; 0,7; 0,8; 1,0; 1,2; 1,4.

   Максимальная осевая сила резания, допускаемая механизмом подачи.

Рх=600 кгс»6000 Н.

Вертикально-фрезерный станок 6В12

Площадь рабочей поверхности стола 320х1250 мм.

Мощность двигателя,                      Nд=7,5 кВт

КПД станка                                                h=0,8.

Частота вращения шпинделя, об/мин: 31,5; 40;  50; 63; 80; 100; 125; 160; 200; 250; 315; 400; 630; 800; 1000; 1250; 1600.

   Подачи стола продольные и поперечные , мм/мин: 25; 31,5; 40;  50; 63; 80; 100; 125; 160; 200; 250; 315; 400; 500; 630; 800; 1000; 1250.

   Подачи стола вертикальные, мм/мин: 8; 10; 13,3; 21; 26,6; 33,3; 41,6; 53,3; 66,6; 83,3; 105; 133,3; 166,6; 210; 266,6; 333,3; 400.

Горизонтально-фрезерный станок 6Р82Г

   Мощность, частота вращения и подачи такие же , как у станка 6Р12.

Зубофрезерный станок 53А50

Наибольший наружный диаметр нарезаемого колеса, мм – 500.

Наибольший модуль нарезаемого колеса, мм – 8.

Мощность двигателя,                      Nд=8 кВт

КПД станка                                                h=0,65.

Частота вращения шпинделя, об/мин: 40;  50; 63; 80; 100; 125; 160; 200; 240; 315; 405.

Вертикальные подачи суппорта (фрезы) за один оборот заготовки, мм/об: 0,75; 0,92; 1,1; 1,4; 1,7; 2,0; 2,2; 2,5; 2,8; 3,1; 3,4; 3,7; 4,0; 5,1; 6,2; 7,5.

Радиальные подачи , мм/об: 0,22; 0,27; 0,33; 0,4; 0,48; 0,55; 0,66; 0,75; 0,84; 1,0; 1,2; 1,53; 1,8; 2,25.

Зубодолбежный станок 5122

Наибольший наружный диаметр нарезаемого колеса, мм – 200.

Наибольший модуль нарезаемого колеса, мм – 5.

Мощность двигателя,                      Nд=3 кВт.

КПД станка                                                h=0,65.

Число двойных ходов долбяка в 1 мин: 200; 280; 305; 400; 430;  560; 615; 850.

Круговые подачи за один двойной ход долбяка, мм/дв.ход: 0,16; 0,2; 0,25; 0,315; 0,4; 0,5; 0,63; 0,8; 1,0; 1,25; 1,6.

Радиальные подачи , мм/дв.ход: 0,006; 0,009; 0,013; 0,036; 0,051; 0,072; 0,15.

Круглошлифовальный станок 3М131

Наибольший диаметр шлифуемой заготовки, мм – 280.

Наибольшая длина заготовки, мм – 700.

Мощность двигателя шлифовальной бабки Nд=7,5 кВт.

КПД станка                                                h=0,8.

   Частота вращения круга , об/мин: 1112 и 1285.

   Частота вращения обрабатываемой заготовки регулируется бесступенчато, об/мин: 40¸400.

   Скорость продольного хода стола регулируется бесступенчато, об/мин: 50¸5000.

   Периодическая поперечная подача шлифовального круга регулируется бесступенчато, мм/ход.стола: 0,002¸0,1.

   Непрерывная подача для врезного шлифования, мм/мин: 0,1¸4,5.

   Размеры шлифовального круга (нового) Dк=600 мм, Вк=63 мм.

Внутришлифовальный станок 3К228В

Наибольший диаметр шлифуемого отверстия, мм – 200.

Наибольшая длина шлифуемой поверхности, мм – 200.

Мощность двигателя шлифовального шпинделя Nд=5,5 кВт.

КПД станка                                                h=0,85.

Частота вращения обрабатываемой заготовки регулируется бесступенчато, об/мин: 100¸600.

Частота вращения шлифовального круга , об/мин: 4500; 6000; 9000; 13000.

Скорость продольного хода шлифовальной бабки регулируется бесступенчато, об/мин: 1¸7.

Поперечная подача шлифовального круга мм/ход: 0,001; 0,002; 0,003; 0,004; 0,005; 0,006.

Наибольшие размеры шлифовального круга Dк=175 мм, Вк=63 мм.

Плоскошлифовальный станок 3П722

Размер стола 320х1250 мм.

Мощность двигателя                                 Nд=15 кВт.

КПД станка                                                h=0,85.

   Частота вращения шлифовального круга , об/мин: 1500.

   Скорость движения стола – регулируется бесступенчато, м/мин: 3¸45.

   Поперечная подача шлифовальной бабки – регулируется бесступенчато,   мм/ход: 2¸48.

   Вертикальная подача круга, мм, на реверс шлифовальной бабки: 0,004; 0,005; 0,01; 0,015; 0,02; 0,025; 0,03; 0,035; 0,04; 0,045; 0,05; 0,055; 0,06; 0,065; 0,07; 0,075; 0,08; 0,085; 0,09; 0,095; 0,1.

 Размер шлифовального круга (нового) Dк=450 мм, Вк=80 мм.

Горизонтально-протяжной станок 7А510

Номинальная тяговая сила, Н=100000.

Длина рабочего хода, мм – 1250.

Высота планшайбы, lпл =70 мм.

Толщина фланца, планшайбы, lа =50 мм.

Толщина стола станка lс=70 мм.

Вертикально-сверлильный станок 2Н135

Мощность двигателя                                 Nд=4,5 кВт.

КПД станка                                                h=0,8.

   Частота вращения шпинделя , об/мин: 31,5; 45; 63; 90; 125; 180; 250; 355; 500; 710; 1000; 1440.

Подачи, мм/об: 0,1; 0,14; 0,2; 0,28; 0,4; 0,56; 0,8; 1,12; 1,6.

Максимальная осевая сила резания, допускаемая механизмом подачи станка                                                       Рmax =15000 Н.

Выбор характеристик шлифовальных кругов для различных условий шлифования (скорость круга V=35 м/с).

Приложение 2.

Вид шлифования Ra, мкм Конструкционная (углеродистая и легированная) сталь с твердостью HRC Жаропро-чная и коррозионно-стойкая сталь Чугун и бронза
30 30-50 50
1 2 3 4 5 6 7
Круглое наружное с продольной подачей 20-10 15А50С1К 15А50СМ2К 15А50СМ1К 15А50СМ1Б, К 54С50СМ1К
2,5-1,25 15А40-50С2К 15А40-50С1К 15А40-50СМ2К 15А40-50С1Б, К 54С40-50СМ1К
1,25-0,63 15А, 24А40СТ1К 24А40С1К 24А40СМ2К 24А40СМ2Б, К 63С, 24А40СМ2К
0,63-0,32 24А16-25СТ1К 24А16-25С2К 24А16-25С1К 24А16-25СМ2Б, К 63С, 25А16-25СМ2К
Круглое наружное с радиальной подачей 20-10 15А50С2К 15А50С1К 15А50СМ2К 15А50СМ2Б, К 54С50СМ2К
2,5-1,25 15А40-50СТ1К 15А40-50СМ2К 15А40-50СМ2К 15А40-50СМ2Б, К 54С40-50СМ2К
1,25-0,63 15А, 24А40СТ1К 24А40С1К 24А40С1К 24А40С1Б, К 63С, 24А40С1К
0,63-0,32 24А16-25СТ2К 24А16-25С2К 24А16-25С2К 24А16-25С1Б, К 63С, 24А16-25С1К
Круглое внутреннее 20-10 24А50С1К 24А50СМ2К 24А50СМ2К 24А50СМ1К, Б 54С50СМ1К
2,5-1,25 24А40С2К 24А40С1К 24А40СМ2К 24А40СМ2К, Б 54С40СМ2К
1,25-0,63 24А25С2К 24А25С2К 24А25С1К 24А25С1К, Б 63С, 24А25СМ2К
0,63-0,32 24А16СТ1К 24А16С2К 24А16С2К 24А16С1К, Б 63С, 24А16С1К
Плоское периферией круга 20-10 15А50СМ2К 15А50СМ1К 15А50М3К 15А50М3К, Б 63С, 54С, 24А50СМ2К
2,5-1,25 15А40СМ2К 15А40СМ1К 15А40М3К 15А40М3К, Б 63С, 54С, 24А40СМ2К
1,25-0,63 15А25С1К 15А25СМ2К 15А25СМ1К 15А25СМ1К, Б 63С, 54С, 24А25С1К
0,63-0,32 15А16С1К 15А16СМ2К 15А16СМ1К 15А16СМ1К, Б 63С, 54С, 24А16С1К
Плоское торцом круга 20-10 15А50СМ1Б 15А50СМ1Б 15А50СМ2Б 15А50М2Б 63С, 54С, 24А50СМ2Б
2,5-1,25 15А40СМ1Б 15А40СМ1Б 15А40М2Б 15А40М2Б 63С, 54С, 24А40СМ2Б
1,25-0,63 15А25СМ2Б 15А25СМ1Б 15А25М3Б 15А25М3Б 63С, 54С, 24А25С1Б
0,63-0,32 15А25СМ2Б 15А25СМ1Б 15А25М3Б 15А25М3Б 63С, 54С, 24А25С1Б
Бесцентровое с продольной подачей 20-10 15А50С2К 15А50С1К 15А50СМ2К 15А50СМ2Б, К 63С, 54С50СМ2К
2,5-1,25 15А, 24А40-50СТ1К 15А40-50С2К 15А40-50СМ2К 15А40-50СМ2Б, К 63С, 54С40-50СМ2К
1,25-0,63 15А, 24А40СТ1К 15А, 24А40С2К 15А, 24А40С1К 15А, 24А40С1Б, К 63С, 54С15А40С1К
0,63-0,32 24А16-25СТ2К 24А16-25СТ1К 24А16-25С2К 24А16-25С1Б, К 63С, 54С15А1625С2К
Бесцентровое с радиальной подачей 20-10 15А50СТ1К 15А50С2К 15А50С1К 15А50С1Б, К 63С, 54С50С1К
2,5-1,25 15А40-50СТ1К 15А40-50С2К 15А40-50С1К 15А40-50СМ1Б, К 63С, 54С40-50С1К
1,25-0,63 15А, 24А40СТ2К 15А, 24А40СТ1К 15А, 24А40С2К 15А, 24А40С2Б, К 63С, 54С15А40С2К
0,63-0,32 24А16-25СТ2К 24А16-25СТ1К 24А16-25С2К 24А16-25С2Б, К 63С, 54С15А1625С2К

Приложение 3

Параметры шероховатости поверхности и соответствующие им классы шероховатости

Класс шероховатости Параметры шероховатости для документации, разработанной до 1975 г. (ГОСТ 2789-73) Параметры шероховатости по ГОСТ 2789-73 (соответствует предпочтительному ряду)
Rz Ra
1 320 50
2 160 25
3 80 12,5
4 40 6,3
5 20 3,2
6 2,5 1,6
7 1,25 0,8
8 0,63 0,4
9 0,32 0,2
10 0,16 0,1
11 0,08 0,05
12 0,04 0,025
13 0,1 0,012
14 0,05 0,012

Приложение 4

Среднее значение припусков на диаметр, снимаемых зенкерами и развертками, в мм

Припуск Диаметр отверстия, в мм
11-18 19-30 31-50 51-80
Под зенкерование 0,5-0,8 1,0-1,5 1,6-1,8 3-4
Общий под черновое и чистовое развертывание 0,30 0,35 0,40 0,55
Под черновое развертывание 0,25 0,25 0,30 0,40
Под чистовое развертывание 0,05 0,10 0,10 0,15

Приведенные припуски определяют глубину резания для зенкеров и разверток.

СОДЕРЖАНИЕ

                                                                                                                  стр

Общие указания 1
Практическое занятие №1
Определение сил, действующих при точении, и мощности 1
Практическое занятие №2
Расчет режима резания при точении аналитическим способом 4
Практическое занятие №3
Расчет режима резания при токарных работах с помощью нормативно-справочной литературы 9
Практическое занятие №4
Назначение режима резания при сверлении, зенкеровании и развертывании 14
Практическое занятие №5
Расчет режима резания при фрезеровании 18
Практическое занятие №6
Расчет режима резания при нарезании зубьев зубчатых колес 22
Практическое занятие №7
Расчет режима резания при шлифовании 27
Литература 34
Приложение 1
Паспортные данные металлорежущих станков 35
Приложение 2
Выбор характеристик шлифовальных кругов для различных условий шлифования (скорость круга=35 м/с) 37
Приложение 3
Параметры шероховатости поверхности и соответствующие им классы шероховатости 38
Приложение 4
Средние значения припусков на диаметр, снимаемых зенкером и развертками 38

СОСТАВИТЕЛИ:

В.В. Зиль

Под общей редакцией профессора Р.П. Дидыка


© 2012 Рефераты, курсовые и дипломные работы.