рефераты
Главная

Рефераты по рекламе

Рефераты по физике

Рефераты по философии

Рефераты по финансам

Рефераты по химии

Рефераты по хозяйственному праву

Рефераты по цифровым устройствам

Рефераты по экологическому праву

Рефераты по экономико-математическому моделированию

Рефераты по экономической географии

Рефераты по экономической теории

Рефераты по этике

Рефераты по юриспруденции

Рефераты по языковедению

Рефераты по юридическим наукам

Рефераты по истории

Рефераты по компьютерным наукам

Рефераты по медицинским наукам

Рефераты по финансовым наукам

Рефераты по управленческим наукам

Психология и педагогика

Промышленность производство

Биология и химия

Языкознание филология

Издательское дело и полиграфия

Рефераты по краеведению и этнографии

Рефераты по религии и мифологии

Рефераты по медицине

Рефераты по сексологии

Рефераты по информатике программированию

Краткое содержание произведений

Реферат: Выбор оптимального варианта повышения мощности турбообводом в составе энергоблока ВВЭР-640

Реферат: Выбор оптимального варианта повышения мощности турбообводом в составе энергоблока ВВЭР-640

Санкт-Петербургский Государственный Технический Университет

Энергомашиностроительный факультет

Кафедра Атомных и тепловых энергетических установок

КУРСОВАЯ РАБОТА

Дисциплина: Режимы работы и эксплуатации атомных электрических станций

Тема: Выбор оптимального варианта повышения мощности турбообводом в составе энергоблока ВВЭР-640

Выполнил студент гр. 5М37/2: Ерёмин Н.Н.
Руководитель, к.т.н., доц.: Мышкин Н.С.

2001 г.


РЕФЕРАТ

страниц 21, рисунков 4

ТУРБООБВОД ЦВД, ТУРБООБВОД ЧВД, РАСЧЕТ РЕЖИМОВ ТЕХНОЛОГИЧЕСКОГО ОБОРУДОВАНИЯ.

          Рассчитана система повышения мощности ПТУ турбообводом. Рассмотрены два варианта вспомогательных турбин для двух вариантов их включения в технологическую схему. Проанализированы результаты расчетов. Произведен выбор оптимального варианта компенсации мощности турбообводом.

ABSTRACT

pages 21, figures 4

BYPASS TURBINE OF HPC, BYPASS TURBINE OF LPC, TECHNOLOGICAL EQUIPMENT REGIME CALCULATIONS.

          Steam-turbine plant capacity increasing system with bypass turbine was calculated. Two variants on bypass turbine for both variants of connection were considered. Calculation results were analyzed. The optimal scheme of capacity compensating system with bypass turbine was chosen.


Список использованных сокращений

АЭС – атомная электрическая стация;

ВВЭР – водо-водяной энергетический реактор;

Д – деаэратор;

К – конденсатор;

ПВД – регенеративный подогреватель высокого давления;

ПНД - регенеративный подогреватель низкого давления;

ПТУ – паротурбинная установка;

ПГ – парогенератор;

ПП – промежуточный пароперегреватель;

С – сепаратор;

СПП – сепаратор пароперегреватель;

ЦВД – цилиндр высокого давления основной турбины;

ЦНД – цилиндр низкого давления основной турбины;

ЧВД – часть высокого давления ЦВД основной турбины;

ЧСД – часть среднего давления ЦВД основной турбины.


Содержание

Введение.................................................................................................................. 5

Расчет схемы включения дополнительной турбины на обводе ЦВД................... 6

Алгоритм расчета................................................................................................ 6

Расчет схемы включения дополнительной турбины на обводе ЧВД................. 17

Анализ вариантов включения обводной турбины.............................................. 20

Список использованной литературы................................................................... 21


Введение

В соответствии с растущими во всем мире требованиями к безопасности АЭС, в нашей стране было принято решение о создании энергоблоков нового поколения, повышенной безопасности и надежности. Такой тип энергоблоков, как предполагалось, должен был получить широкое распространение в нашей стране. Поэтому многие из них могли быть построены в достаточном удалении от центральных энергосистем. Следовательно, в районах строительства таких энергоблоков не будет мощных потребителей вырабатываемой электроэнергии. Поэтому было принято решение о создании блоков средней мощности. За основу разработки реакторной установки был взят реактор ВВЭР-1000 с пониженной тепловой мощностью, в результате чего была повышена безопасность и надежность схемы в целом. Понижение мощности привело к замене части активных систем зашиты на пассивные, что в свою очередь увеличивает надежность системы безопасности реактора.

Этот проект получил название НП-500. Предполагавшаяся электрическая мощность реакторной установки была равна 500 МВт. Для этого реактора ЛМЗ спроектировал турбину К-600-6,9/50. Как видно из названия, данная турбина обеспечивала запас по мощности, по сравнению с реактором. Но в процессе разработки и тщательного расчета нейтронно-физических свойств АЗ было обосновано повышение мощности реактора из расчета 640 МВт (эл.). Поскольку турбоустановка, работая в номинальном режиме, вырабатывает 600 МВт электроэнергии, а реактор спроектирован на электрическую мощность 640 МВт, то необходимо рассмотреть варианты увеличения мощности паротурбинной установки. Первым из них является непосредственное увеличение мощности ПТУ за счет перепроектирования или доработки уже существующей турбины. Этот вариант достаточно дорогостоящ, поскольку потребуется разработка нового ЦВД и получение лицензий на новый тип турбин. Второй вариант требует меньших финансовых затрат для реализации. Его можно реализовать, установив вспомогательную турбину на обводе ЦВД. При этом получается выигрыш за счет мощности, производимой самой вспомогательной турбиной, и мощности, полученной за счет увеличения расхода через ЦНД основной турбины. При анализе этого варианта следует учесть изменение режимов работы всего технологического оборудования второго контура, в связи с чем появляется необходимость пересчета технологической схемы для режимов работы с включенной вспомогательной турбиной, и без нее.

В рамках бакалаврской работы [1] были посчитаны режимы работы технологического оборудования второго контура при подключении вспомогательной турбины на обводе ЦВД. Для получения зависимостей между схемами включения вспомогательной турбины и её конструкциями следует посчитать различные схемы включения дополнительной турбины, и характеристики ПТУ на различных режимах работы.

Таким образом, целью данной работы является определение зависимостей между схемами включения вспомогательной турбины и её конструкциями и нахождение наиболее экономически выгодного варианта использования турбообвода.

Расчет схемы включения дополнительной турбины на обводе ЦВД

В данном разделе приводится расчет тепловой схемы второго контура с учетом вспомогательной турбины на обводе ЦВД. Результаты расчетов для различных схем включения сводятся в таблицы и зависимости, представленные в последующих разделах.

Методика расчета тепловой схемы основана на методе тепловых балансов для основных элементов технологической схемы. Для определения термодинамических характеристик используются уравнения Юзы для воды и водяного пара, реализованные в пакете Mathcad 2000 Pro.

Алгоритм расчета

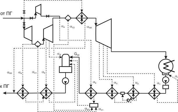
Используя результаты расчета вспомогательной турбины и данные проекта АЭС с ВВЭР-640 [2] составляется расчетная технологическая схема второго контура энергоблока с учетом подключенной вспомогательной турбины. Схема представлена на рис.1. и записываются исходные данные для расчета.

Рисунок 1. Расчетная тепловая схема ПТУ ВВЭР-640 с дополнительной турбиной на обводе ЦВД.

Давление перед РК основной турбины и в отборе на турбообвод:

Р0 = 6,87 МПа,

Р00 = 6,87 МПа.

Расход пара через голову основной турбины на номинальной мощности:

D0 = 980 кг/с.

Расход пара через обводную турбину:

Dдоп = 25 кг/с.

Давление пара в конденсаторе:

РК = 4,9 кПа.

Температура пара за промперегревателем:

tПП = 250 oC.

Давления в камерах отбора турбины представлены в табл.1.


Таблица 1. Давления в камерах отбора основной турбины.

Точка отбора Обозначение Давление, МПа

За РК основной турбины

Р0’0

6,52

На ПВД-6

Р10

3,07

За первой ступенью С

Рс10

3,01

На ПВД-5

Р20

2,08

К деаэратору

Р30

1,44

На ПНД-4

Р40

0,44

За второй ступенью С

Рс20

0,42

За ПП на входе в ЦНД

РПП0

0,41

На ПНД-3

Р50

0,20

На ПНД-2

Р60

0,099

На ПНД-1

Р70

0,05

На выходе ЦНД

РК0

0,0045

КПД для ЦВД и ЦНД основной турбины без учета влажности пара:

hЦВД сух. = 0,81;

hЦНД сух. = 0,83.

КПД обводной двухвенечной         турбины Кёртиса по данным расчета:

hДОП. = 0,501.

Зная термодинамические параметры в точках технологической схемы необходимо построить процесс расширения пара в основной и обводной турбине. Для этого используются записанные выше исходные данные и hs-диаграмма. Процесс расширения в hs-диаграмме представлен на рис.2.

Далее рассчитываем расход пара через элементы технологической схемы, для чего используется метод последовательных итераций. Суть метода заключается в последовательном вычислении по заданному алгоритму с последующим повторным вычислением с уточненными значениями исходных значений. Обычно пяти-шаговая итерация обеспечивает достаточную степень точности.

Рисунок 2. Процесс расширения пара в основной и обводной турбине в hs-диаграмме.

Для расчета зададимся начальными значениями искомых величин – доли расходы для номинального режима до (с индексом “0”) и после установки вспомогательной турбины:

Элемент схемы Без доп. турбины С доп. турбиной

Конденсат из ПП (aПП /aПП0 )

0,098

0,096

На ПВД-6 (a6 /a60 )

0,052

0,052

Конденсат из С1(aС1 /aС10 )

0,065

0,065

На ПВД-5 (a5 / a50 )

0,027

0,028

К деаэратору (aД /aД0 )

0,070

0,073

На ПНД-4 (a4 / a40 )

0,029

0,028

Конденсат из С2 (aС2 / aС20 )

0,037

0,067

На ПНД-3 (a3 / a30 )

0,026

0,024

На ПНД-2 (a2 / a20 )

0,017

0,016

На ПНД-1 (a1 / a10 )

0,042

0,039

Используя начальные значения для расчета, найдем полные расходы через элементы технологической схемы:

Dосн. = D - aПП .D – Dдоп.;         Dосн.0 = D0 - aПП0 .D0 – Dдоп.0;

D1ЦВД = Dосн. - a6 .D;                D1ЦВД0 = Dосн.0 - a60 .D0;

D1С = D1ЦВД - aС1 .D;                D1С0 = D1ЦВД0 - aС10 .D0;

D2ЦВД = D1С  - a5 .D;                D2ЦВД0 = D1С0  - a50 .D0;

D3ЦВД = D2ЦВД - .D;              D3ЦВД0 = D2ЦВД0 - aД0 .D0;

D4ЦВД = D3ЦВД - a4 .D;              D4ЦВД0 = D3ЦВД0 - a40 .D0;

DС2 = D4ЦВД + Dдоп. - aС2 .D;    DС20 = D4ЦВД0 - aС20 .D0;

D5ЦНД = DС2 - a3 .D;                 D5ЦНД0 = DС20 - a30 .D0;

D6ЦНД = D5ЦНД - a2 .D;             D6ЦНД = D5ЦНД - a2 .D0;

Энтальпию расширенного пара в точке входа его в основную линию найдём по формуле для энтальпий смеси:

 кДж/кг.

          Используя формулу Стодолы, найдём давления на частичном режиме:

          P0’ = P00 . 0,95 = 6,87 . 0,95 = 6,53 МПа;

           МПа;

           МПа;

           МПа;

           МПа;

 МПа;

 МПа;

 МПа;

 МПа;

 МПа;

 МПа.

Расчет температуры пара за промперегревателем произведём исходя из уравнения теплового баланса в промперегревателе:

K(DC2).Dt= DC2. (tПП – ts(PС2)),

          где K(DC2) – коэффициент теплопроводности для ПП; Dt – среднелогарифмический перепад температур в ПП; DC2 – расход пара на ПП; ts(PС2) – температура пара на входе в ПП; tПП – температура пара на выходе из ПП.

Коэффициент теплопередачи найдём по формуле:

         

           Вт/(м2.К).

          Найдем среднелогарифмический перепад температур при номинальном режиме:

           оС.

          Запишем уравнение теплового баланса в ПП для случаев без вспомогательной турбины и после ее установки. Поделив одно уравнение на другое, получим следующее равенство:

          .

          Разрешив это равенство относительно tПП мы найдём температуру пара за ПП после установки вспомогательной турбины. В результате вычислений получим:

          tПП = 248,2, оС.

          Расчет давлений в подогревателях произведём исходя из формулы Стодолы для частичных режимов:

           МПа;

           МПа;

           МПа;

           МПа;

 МПа;

 МПа;

 МПа.

Для расчета температур на выходе регенеративных подогревателей воспользуемся формулой для среднелогарифмического перепада температур и выразим температуру на выходе элемента как функцию температуры насыщения при заданном давлении в подогревателе, температуры рабочего тела на входе в элемент, коэффициента теплопередачи рабочей поверхности подогревателя, её площади и расхода рабочего тела:

.

Коэффициент теплопередачи определим как функцию от расхода через подогреватель:

.

Подставляя значения термодинамических величин для соответствующих элементов регенеративного подогрева функцию температуры на выходе, найдём температуры на выходе каждого элемента.

tПВД5 = ТВЫХ(Р2, ts(PД), K(D), 2560, D) = 210,7 оС;

tПВД6 = ТВЫХ(Р1, tПВД5, K(D), 2560, D) = 231,2 оС;

tОК1 = ТВЫХ(Р7, ts(PК) + 7, K(D), 990.2, (1 - aПП - a6 - a5 - a4 - aД - aС1 - aС2 - a3 - a2).D) = 79,0 оС;

tОК2 = ТВЫХ(Р6, tОК1, K(D), 1145, (1 - aПП - a6 - a5 - a4 - aД - aС1 - aС2 - a3 - a2).D) = 95,7 оС;

tОК3 = ТВЫХ(Р5, tОК2, K(D), 1766, (1 - aПП - a6 - a5 - a4 - aД - aС1 - aС2).D) =

= 118,7 оС;

tОК4 = ТВЫХ(Р4, tОК3, K(D), 2091, (1 - aПП - a6 - a5 - a4 - aД - aС1 - aС2).D) =

= 146,0 оС.

Далее рассчитываем технологическую схему непосредственно. Для этого берём начальные данные в соответствии с полученным процессом расширения пара в hs-диаграмме, записываем систему уравнений для относительных расходов в контуре и находим её решение методом последовательных итераций:

aа = 0,8;

aа = 1 - aПП - a6 - a5 - aД - a4 - aС1;

;

;

;

;

;

         

;

aОК = 1 - aПП - a6 - a5 - a4 - aД - aС1 - aС2;

.

После пяти шагов итераций получены следующие результаты:

aа = 0,659 – относительный расход через основной паропровод перед точкой включения обводной турбины.

aПП = 0,098;

aС1 = 0,065;

a6 = 0,052;

a5 = 0,027;

aД = 0,07;

a4 = 0,029;

aОК = 0,623;

aС2 = 0,037;

ts(PД) = 195;

Для нахождения a3 и a2 воспользуемся методом последовательных итераций для уравнений теплового баланса регенеративных подогревателей ПНД-2, ПНД-3:

;

;

;

.

В результате вычислений получены следующие значения:

a3 = 0,026;

a2 = 0,017;

.

Подставляя полученные значения в исходные данные, и проводя расчеты повторно до тех пор, пока окончательные результаты будут мало отличаться от исходных данных, мы получим истинные значения для термодинамических величин в точках технологической схемы на новом режиме работы. В этом состоит суть метода последовательных итераций. Приведенные расчетом результаты являются окончательными.

Зная относительные расходы через элементы технологической схемы, и термодинамические величины в точках схемы, мы можем найти мощность ПТУ с учетом внесенных изменений, а также экономический показатель работы энергоблока – КПД брутто.

NЦВД = D.[(1 - aПП - aДОП).(h0 – h1) + (1 - aПП - a6 - aС1 - aДОП).(hC1 – h2) +

+ (1 - aПП - a6 - aС1 - a5 - aДОП).(h2 – h3) + (1 - aПП - a6 - aС1 - a5 - aД –

- aДОП).(h3 – h4)] = 289,7 МВт.

NЦНД = D.[ (1 - aПП - a6 - aС1 - a5 - aД – aС2 - a4).(hПП – h5) + (1 - aПП - a6 – aС1 – a5 - aД – aС2 - a4 - a3).(h5 – h6) + (1 - aПП - a6 – aС1 - a5 - aД – aС2 –

- a4 – a3 - a2).(h6 – h7) + (1 - aПП - a6 – aС1 - a5 - aД – aС2 – a4 - a3 - a2 - a1).

.(h6 – h7) = 326,7 МВт;

NДОП = D.[aДОП . (h0 – h1K)] = 1005 . [0,025 . (2766 – 2535)] = 5,8 МВт.

Энтальпия питательной воды на входе в ПГ:

hПВ = h(tПВ6, 1,5.Р0).(1 - aПП) + aПП . h’(P00) = 997,2 . (1 – 0,098) + 0,098 .

 . 1261 = 1023 кДж/кг;

Таким образом, теплота, срабатываемая в ПТУ, равна:

          QТУ = D .(h’’(P0) – hПВ) = 1005 . (2774 – 1023) = 1760 МВт.

Для оценки изменений в режимах работы введём относительные изменения мощностей ЦВД, ЦНД и ПТУ в целом.

;

;

.

hБР = 35,4 %

DhБР = 0,4 %

Из полученных результатов вычислений видно, что при включении обводной турбины на обводе ЦВД прирост мощности ПТУ составит 3,7 %, а КПД брутто – 0,4 %. Низкая мощность обводной турбины – следствие её низкого КПД. При расчете турбины [1] были использованы стандартные профили лопаток, что и послужило причиной для низкого КПД вспомогательной турбины, поскольку в данных условиях ступени турбины работают на нерасчетных режимах. Следовательно, для улучшения экономичности предлагаемой турбины необходима разработка специальных профилей. Опыт разработки подобных турбин показывает, что КПД турбины может быть повышен до 0,75 за счет создания улучшенных профилей с учетом режима работы турбины. Пересчитав схему с учетом улучшенного КПД обводной турбины, получим следующие результаты:

DNЦВД = -0,015;

DNЦHД = 0,083;

DNT = 0,046;

NT = 627,6 МВт.

hБР = 35,9 %

DhБР = 0,9 %

В этом случае экономичность и мощность ПТУ значительно возросли: снизились потери в ЦВД за счет более глубокого расширения пара в обводной турбине, возросла её мощность, повысилась мощность установки в целом и КПД брутто установки. При этом прирост КПД брутто установки относительно начального значения вырос на 0,9 %, что позволяет сэкономить значительное количество средств в ходе кампании.

Расчет схемы включения дополнительной турбины на обводе ЧВД

Расчетная тепловая схема представлена на рис.3. Расчет проводится по аналогичному алгоритму, что и для схемы включения вспомогательной турбины на обводе ЦВД. Процесс расширения пара в основной и обводной турбине представлен на рис. 4.

Для данной схемы включения используется одновенечная ступень скорости. Выбор одновенечной ступени обусловлен следующими условиями: конструкция турбины должна иметь меньшие габариты для размещения на обводе ЧВД. Этот вариант ступени скорости имеет больший относительный окружной КПД по сравнению с предыдущим вариантом [3, с.239]. В то же время одновенечные ступени скорости имеют максимальные значения hu при U/C0 около 0,5.

Полученная в результате расчета мощность турбины составляет 4,5 МВт, что меньше мощности двухвенечной ступени. Однако одновенечная турбина дешевле в изготовлении и эксплуатации.

Рисунок 3. Расчетная тепловая схема ПТУ ВВЭР-640 с дополнительной турбиной на обводе ЧВД.

В результате расчетов получены следующие показатели работы ПТУ на номинальном режиме:

DNЦВД = 0,019;

DNЦHД = 0,076;

DNT = 0,057;

NT = 634,4 МВт.

hБР = 35,9 %

DhБР = 0,9 %

Рисунок 4. Процесс расширения пара в основной и обводной турбине в hs-диаграмме.

При данной схеме включения видно, что суммарная мощность ЦВД увеличилась на 1,9 %, а прирост мощности ЦНД составил только 7,6 %, что меньше предыдущего варианта схемы на 0,7 %. Эти изменения являются следствием следующих причин:

1.  При включении доп. турбины на обводе ЦВД в точке включения повышается давление пара, что приводит к увеличению перепада энтальпий на ЦНД, и понижению перепада на ЦВД. Как следствие понижается мощность, вырабатываема в ЦВЦ и повышается мощность ЦНД.

2.   При включении доп. турбины на обводе ЧВД точка включения находится между ЧВД и ЧСД. Следовательно, повышение давления уменьшает перепад энтальпий на ЧВД и повышает перепад на ЧСД. Суммарное изменение мощности ЧВД и ЧСД дает прирост мощности ЦВД на 1,9 %. В то же время из-за переноса точки включения перепад на ЦНД уменьшается, что уменьшает прирост мощности в этой части турбины, а изменение мощности происходит исключительно за счет увеличения расхода пара.


Анализ вариантов включения обводной турбины

Полученные в результате расчетов значения запишем в сводную таблицу:

Величина

Турбина на обводе
ЦВД ЧВД

NДОП, МВт

5,8

4,5

NЦВД, МВт

292,6

302,8

NЦНД, МВт

329,2

327,1

NТ, МВт

627,6

634,4

D NЦВД, %

-1,5

1,9

D NЦНД, %

8,3

7,6

D NТ, %

4,6

5,7

hБР, %

35,9

35,9

DhБР, %

0,9

0,9

Из таблицы видно, что первый вариант включения доп. турбины менее экономичный, по сравнению со вторым. Учитывая меньшую стоимость изготовления и эксплуатации одновенечной турбины, следует отдать предпочтение второму варианту.

Следует отметить, что полученные результаты являются оценочными и не могут быть взяты за основу при модернизации. Для получения точных значений необходимо производить поступенный пересчет основной турбины с учетом обводной, и таким образом определять точные значения технологических параметров в каждой точке технологической схемы. В то же время необходим более тщательный расчет вспомогательной турбины с учетом уникальности используемых профилей проточной части.


Список использованной литературы

1.   Ерёмин Н.Н. Анализ возможностей компенсации различия мощности (эл.) турбоустановки и реактора на АЭС с ВВЭР-640 // Выпускная работа бакалавра. – Филиал СПбГТУ в г. Сосновый Бор: кафедра управления ядерными реакторами, 2000.

2.   Атомная электрическая станция нового поколения с реакторной установкой средней мощности ВВЭР-640: Проект. - СПб.: Атомэнергопроект, 1993.

3.   Дейч М.Е., Филиппов Г.А., Лазарев Л.Я. Атлас профилей решеток осевых турбин. – М.: Машиностроение, 1965. – 96 с., ил.

4.   Зверков В.В., Игнатенко Е.И., Волков А.П. Резервы повышения мощности действующих АЭС с ВВЭР-440. – М.: Энергоатомиздат, 1987. - 80 с., ил.

5.   Иванов В.А. Режимы мощных паротурбинных установок. – Л.: Энергоатомиздат, 1986. – 284с., ил.

6.   Иванов В.А. Эксплуатация АЭС: Учебник для вузов. – СПб.: Энергоатомиздат, 1994. – 384 с., ил.

7.   Маргулова Т.Х. Атомные электрические станции. М.: Высшая школа, 1978.

8.   Тепловые и атомные электрические станции: Справочник / Под общ. ред. В.А. Григорьева, В.М. Зорина. – В 4х книгах. – М.: Энергоатомиздат, 1989.

9.   Щегляев А.В. Паровые турбины. Теория теплового процесса и конструкция турбин: Учебник для вузов. В 2х кн. - М.: Энергоатомиздат, 1993.


© 2012 Рефераты, курсовые и дипломные работы.