рефераты
Главная

Рефераты по рекламе

Рефераты по физике

Рефераты по философии

Рефераты по финансам

Рефераты по химии

Рефераты по хозяйственному праву

Рефераты по цифровым устройствам

Рефераты по экологическому праву

Рефераты по экономико-математическому моделированию

Рефераты по экономической географии

Рефераты по экономической теории

Рефераты по этике

Рефераты по юриспруденции

Рефераты по языковедению

Рефераты по юридическим наукам

Рефераты по истории

Рефераты по компьютерным наукам

Рефераты по медицинским наукам

Рефераты по финансовым наукам

Рефераты по управленческим наукам

Психология и педагогика

Промышленность производство

Биология и химия

Языкознание филология

Издательское дело и полиграфия

Рефераты по краеведению и этнографии

Рефераты по религии и мифологии

Рефераты по медицине

Рефераты по сексологии

Рефераты по информатике программированию

Краткое содержание произведений

Реферат: Исследование работы реверсивных счетчиков

Реферат: Исследование работы реверсивных счетчиков

          ЛАБОРАТОРНАЯ РАБОТА №З

ИССЛЕДОВАНИЕ РЕВЕРСИВНОГО СЧЕТЧИКА

ОГЛАВЛЕНИЕ

1. Цель работы
2. Основные теоретические положения
3. Описание обьекта и средств исследования
4. Методические рекомендации к выполнению работы
5. Содержание отчета
6. Контрольные вопросы
7. Список использованной литературы

1. ЦЕЛЬ РАБОТЫ

                                                                   

            Целью работы является:

 - теоретическое изучение принципа работы счетчиков и регистров;

 - экспериментальное исследование счетчика-регистра на интегральных микросхемах.

                                                                    

2. ОСНОВНЫЕ ТЕОРЕТИЧЕСКИЕ ПОЛОЖЕНИЯ

                                                                   

             Регистры и счетчики относятся к разряду цифровых устройств и являются одним из наиболее распространенных  элементов вычислительной техники. Они широко используются для построения устройств ввода, вывода и хранения информации, а также для выполнения некоторых арифметических и логических операций.

             Для построения счетчиков и регистров используются синхронные триггеры, переключение которых происходит только при наличии синхронизирующего сигнала ( синхроимпульса ) на входе  С. Наиболее часто для построения регистров и счетчиков используется универсальный  Д - триггер, имеющий специальный информационный вход  Д, и  динамический вход  С  ( рис.1 ).

             2.1. Устройство, называемое регистром, служит в основном для хранения чисел в двоичном коде при выполнении над ними различных  арифметических и логических операций. С помощью регистров выполняютоя такие действия над числами, как передача их из одного устройства в другое, арифметический и логический сдвиг в сторону младших или старших разрядов, преобразование кода из последовательного в параллельный и наоборот и т.д. Функциональная схема и условно - графическое обозначение регистра параллельного типа, собранного на универсальных Д-триггерах, приведена на рис.2 .

            По сигналу на входе С информация, поступившая на входы DО¸DЗ, записывается в регистр и хранится в нем до тех пор, пока не произойдет запись другой информации, либо не поступит сигнал на вход R, обнуляющий регистр.

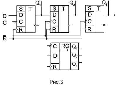
            Функциональная схема и условно-графическое обозначение регистра сдвига представлены на рис.З.

            Последовательный информационный код поступит на вход D регистра. Импульс команды сдвига С подается одновременно на синхронизирующие входы всех триггеров регистра и переводит каждый триггер в состояние, в котором находился триггер предыдущего разряда. Таким образом, каждый импульс команды сдвига "продвигает" записываемое число на один разряд вправо.

                              

            2.2. Устройство, называемое счетчиком, предназначено для подсчета числа поступающих на вход сигналов ( импульсов ) в произвольной системе счисления. Двоичные счетчики строятся на основе триггеров, работающих в счетном режиме ( Т - триггер  или счетный триггер).

            Счетный триггер может быть получен из универсального D - триггера путем соединения его инверсного выхода  0 со входом  D.

            Счетный триггер и эпюры сигналов, поясняющие его работу, представлены на рис.4.

            У счетного триггера состояние выхода изменяется на противоположное при поступлении на вход С каждого очередного счетного импульса.

            Функциональная схема и условнографическое обозначение двоичного счетчика с коэффициентом пересчета 23 представлена на рис.5.

            Каждый поступающий на вход счетчика импульс перебрасывает первый триггер в противоположное состояние (рис.6). Сигнал с инверсного выхода предыдущего триггера является входным сигналом для последующего и, таким образом, комбинация сигналов на выходах Q1, Q2, Q3  будет соответствовать числу поступивших на вход счетчика импульсов, представленному в двоичном коде. Счетчик данного типа называется асинхронным счетчиком.

 

            Если на счетный вход каждого последующего триггера счетчика подавать сигнал с прямого выхода предыдущего триггера, то счетчик будет производить операцию вычитания. Счетчики, способные выполнять функции сложения и вычитания, называются реверсивными.

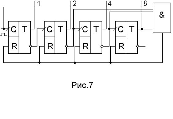
            Для построения счетчика с требуемым коэффициентом пересчета М, отличным от величины 2N (N - число двоичных разрядов счетчика), используется принудительный сброс счетчика в исходное состояние при достижении счетчиком числа М. Пример такого счетчика с М=9  (М=10012) представлен на рис.7.

 3. ОПИСАНИЕ ОБЪЕКТА И СРЕДСТВ ИССЛЕДОВАНИЯ

 

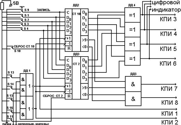
            3.1. Функциональная схема исследуемого устройства представлена на рис.8 . Устройство включает двоично - десятичный счетчик ДД2, двоичный счетчик ДДЗ, коммутатор входных сигналов ДД1 и логические элементы ДД4 и ДД5, выполняющие функции элементов объединения.

            Для подачи информационных и управляющих сигналов используется специальное устройство, управляемое наборными кнопками с фиксацией SА1¸SА16. Нажатому состоянию соответствует сигнал логической "1", отжатому состоянию - сигнал  логического "0". Кнопки  SА1¸SА16 расположены в левой части лабораторного стенда под надписью "Программатор кодов".

                                                

            3.2. Функцию двоичного счетчика выполняет микросхема К155ИЕ7. Данная микросхема представляет собой реверсивный четырехразрядный счетчик - регистр, в котором кроме двух счетных входов ( суммирующего "+1" и вычитающего "-1" ) и входа сброса Р   имеется четыре информационных входа DО¸DЗ и вход  С , разрешающий запись информации в счетчик. Кроме того, для наращивания разрядности счета в микросхеме предусмотрены выходы "³15" и " < 0", на которых при достижении счетчиком указанных чисел появляются сигналы логического "0". Выход  "³15" в этом случае следует соединять с входом "+1",  выход "< 0" - с входом "-1" аналогичной микросхемы.

               

            3.3. Функцию двоично-десятичного счетчика ДД2 выполняет микросхема К155ИЕ6. У заданной микросхемы коэффициент пересчета М=10 и сигнал переноса в старшие разряды на выходе “³9” вырабатывается при превышении счетчиком числа 9.

Рис.8

            3.4. При исследовании одного из счетчиков, другой должен находиться в исходном состоянии, что достигается подачей на вход  R данного счетчика уровня логической "1" с помощью кнопок SА10 или SA11.

                                                             

            3.5. Запись информации в счетчики производится в параллельном коде путем подачи на входы ДО¸ДЗ логических сигналов "0" и "1" с помощь кнопок SА1¸SА4 и подачи сигнала логического "0" на  вход С с помощью кнопки SА9 (для этого кнопку  SА9 надо отжать и снова нажать ).

                                          

            З.6. Счетные импульсы должны поступать на исследуемую схему с клеммы "непр.имп," ( "  ~|_|~|_|~ “ ) в виде непрерывной импульсной  последовательности и с клеммы "пачка имп." ( "_|~|_|~|_" ) в виде пачки импульсов с числом импульсов в пачке от 1 до 15. Управление режимом работы входов "+1" и "-1" счетчиков производится о помощью кнопок SA13¸SА16, которые обеспечивают выполнение следующих функций:

                                                            

            SА13 ("непр,+") - разрешение прохождения непрерывной импульсной последовательности на входы "+1" счетчиков;              

            SА14 ("пачка +") - разрешение прохождения пачки импульсов на входы "+1" счетчиков;                                       

            SА15 (“непр.-") - разрешение прохождения непрерывной последовательности импульсов на входы "-1" счетчиков;              

            SА16 ("пачка -") - разрешение  прохождения  пачки  импульсов  на   входы  

"- 1" счетчиков,

            Примечание. Не допускается одновременное нажатие двух и более                   кнопок SА13¸S А16.

            3.7. Для задания числа импульсов в пачке и посылки необходимой пачки в исследуемый узел используются четыре кнопки с фиксацией "20" ¸ "23 " и две кнопки без фиксации "Пуск" и “Устан.О", расположенные на панели лабораторного стенда под надписью "Программатор СИ".

            При этом должна соблюдаться следующая последовательность операций:

            3.7.1. Набрать заданное число импульсов в пачке в двоичном коде с помощью кнопок   “20”  ¸ "23". Нажатой кнопке соответствует логическая "1" (при этом загорается соответствующий индикатор).

            3.7.2. Нажать кнопку "устан.О".

            3.1.3. В режиме наблюдения одновременно двух сигналов на экране мультиметра величина и взаимное расположение этих сигналов регулируется ручками "~ " и “­¯“ соответственно в поле надписи "Коммутатор" отдельно для каждого канала ( "Вх1" для КПИ 10 и "Вх2" для КПИ 9 ).

            3.2. Исследование элемента ДД3 в статическом и динамическом режиме.

            3.2.1. Логические сигналы "0" и "1" на входе триггеров задаются с помощью кнопок с фиксацией SА1¸SА6, расположенных на передней панели блока К32 под надписью "Программатор кодов". Отжатое состояние кнопки соответствует заданию логического "0", а нажатое - заданию логической "1". Нажатое состояние кнопки сопровождается загоранием соответствующего светодиода зеленого цвета, расположенного вблизи данной кнопки "Программатора кодов".

                        

            3.2.2. Для подачи положительного импульса ( "_|~|_" ) на вход  С  триггера необходимо кратковременно перевести соответствующую кнопку из отжатого состояния в нажатое и обратно.

            3.2.3. Для индикации логических сигналов на выходе триггера, работающего в статическом режиме ( верхняя часть элемента ДДЗ ), служит левое цифровое табло блока К32. При этом кнопка " IO |_2 ", расположенная непосредственно под табло, должна находиться в нажатом состоянии.

            3.2.4 . Нижняя часть элемента ДДЗ представляет собой триггер, работающий в счетном режиме. На его счетный вход  С  поступает непрерывная последовательность импульсов. Одновременно такая же последовательность импульсов поступает в КПИ1. Выходные сигналы триггера ( прямой и инверсный ) поступают в КП2 и КПИЗ соответственно.

            3.2.5. Лабораторный стенд позволяет наблюдать на экране мультиметра одновременно два сигнала с любых двух КПИ из восьми ( двухканальный режим наблюдения ). Выбор двух определенных КПИ производится следующим образом:

            3.2.5.1. Нажать кнопку " ВСВ |_ ВНК " под надписью "КВУ", при этом у левых индикаторов обоих цифровых табло начинает светиться  знак запятой.

            3.2.5.2. При отжатой кнопке"Вх1 |_ Вх2" набрать с помощью кнопок " 20 ¸ 23  " программатора "СИ " двоичный код первого выбранного КПИ и нажать кнопку "Пуск". При этом на левом табло у знака запятой появится номер выбранного КПИ.

            3.2.5.3. При нажатой кнопке  "Вх1 |_ Вх2"  повторить указанную процедуру для второго выбранного КПИ. Номер этого КПИ появится у знака запятой правого табло.

            3.2.5.4. Нажать кнопку "Коммутатор" под надписью "Контроль V~"'. Теперь два выбранных КПИ через каналы коммутатора лабораторного стенда соединены с осциллографом мультиметра. Регулировка величины и расположения сигналов на экране осуществляется раздельно ручками " ~ " и " ­¯ " под надписью "Коммутатор". Слева расположены ручки регулировки первого канала коммутатора, справа - второго канала коммутатора.

            3.2.5.5. Для выхода из режима наблюдения сигналов на экране мультиметра перевести кнопку  "ВСВ |_ БНК" под надписью "КВУ" в  отжатое состояние.

            3.3. Исследование элементов ДД4 (статический режим) и ДД5 (счетный режим ).

            3.3.1. Логические сигналы "0" и "1" на S, R, J  и  К - входы универсальных триггеров подаются с помощью кнопок SА7¸SА12 ( аналогично рассмотренному в п.п.2.1. ).

            3.3.2. Сигнал на вход  С  триггера поступает от встроенного генератора импульсов лабораторного стенда, который вырабатывает серию импульсов положительной полярности. Число импульсов может изменяться от 1 до 15 и устанавливается с помощью кнопок с фиксацией " 20 ¸ 23 ", расположенных под надписью "Программатор СИ".  Кнопки без фиксации "Пуск" и "Устан.О" служат для задания режима работы генератора. При этом должна соблюдаться следующая последовательность действий:

            3.3.2.1. Набрать число импульсов в пачке в двоичном коде с помощью кнопок " 20 ¸ 23 ". Кнопки в нажатом состоянии соответствует двоичная единица ( при этом загорается соответствующий светодиод ).

            3.3.2.2. Нажать кнопку "Устан.О"и убедиться, что светодиод кнопки "Пуск" погашен. Генератор импульсов готов к работе.

            3.3.2.3. Нажать кнопку "Пуск". При этом генератор вырабатывает нужную пачку импульсов. Для повторного включения генератора нажать кнопку "Устан.О", а затем кнопку "Пуск" и т.д.

            3.3.3. Контроль выходных сигналов триггеров ДД4 осуществляется с помощью левого цифрового табло на блоке К32.

            3.3.4. Счетные импульсы на триггер ДД5, работающий в счетном режиме, поступают через элемент “И", собранный на микросхеме ДД1.

            3.7.3. Нажать кнопку "Пуск". При этом в исследуемый узел поступает заданная пачка импульсов.

                                        

            3.7.4. Для повторной посылки пачки импульсов нажать кнопку "Устан.О" и затем - кнопку "Пуск" и т.д.

            3.8. Считывание показаний счетчика производится с помощью двух цифровых табло, каждое из которых содержит четыре семисегментных индикатора. Оба табло расположены в левом верхнем углу лабораторного стенда. На левом цифровом табло индикация числа производится в двоичном коде, на правом  -  в десятичном коде ( для выбора того или иного кода кнопку  "10 |_ 2" необходимо установить в соответствующее положение ).

            3.9. Выходные сигналы двоичных разрядов и сигналы переносов счетчиков, а также входные счетные импульсы сложения и вычитания, поступают параллельно на восемь каналов передачи информации КПИ1¸КПИ8, что дает возможность их наблюдения на экране мультиметра, входящего в состав лабораторного стенда.

            Одновременно на экране мультиметра можно наблюдать сигналы двух каналов передачи информации. При этом необходимо выполнить следующие операции:

            3.9.1. Нажать кнопку "ВСВ |_ ВНК" под надписью "КВУ",

            3.9.2. При отжатой кнопке "Вх1 |_ Вх2"  набрать с помощью кнопок " 20 ¸ 23 ",  двоичный код первого выбранного КПИ и нажать кнопку "Пуск". При этом на левом табло появится номер выбранного КПИ.

            3.9.3. Повторить указанную процедуру при нажатой кнопке "Вх1 |_ Вх2". Номер второго выбранного КПИ должен появиться на правом табло.

            3.9.4. Нажать кнопку "Коммутатор" под надписью "Контроль”. При этом выбранные КПИ подсоединяются к соответствующему входу мультиметра. Размах и ориентация сигналов на экране мультиметра регулируется потенциометрами  " ~ "  и  " ­¯ " , расположенными под надписью "Коммутатор" отдельно для каждого канала.

            3.9.5. Для выхода из режима наблюдения сигналов на экране мультиметра необходимо отжать кнопку "ВСВ |_ ВНК" под надписью "КВУ".

4. МЕТОДИЧЕСКИЕ РЕКОМЕНДАЦИИ К ВЫПОЛНЕНИЮ РАБОТЫ

            4.1. Исследовать влияние исходного состояния счетчиков на правильность вводимой информации при подаче сигналов на входы Д0¸ДЗ.

            4.1.1. Ввести параллельным кодом с помощью кнопок SА1¸SА4 и SА9 некоторые заданные числа ( например " 710 , 1110 , 810 , 1210 , 1510 , 1010 “) в один из счетчиков ( см. п.3.5. ), одновременно производя считывание результатов с помощью цифровых табло.

            4.1.2. Повторить операции, указанные в п.4.1.1., для другого счетчика. Сделать выводы по п.4.1.

            4.2. Исследовать работу счетчиков в счетном ( суммирующем ) режиме с предварительной записью исходной информации.

            4.2.1. Подготовить генератор пачки импульсов для работы в режиме одиночного импульса ( п.3.7. ).

            4.2.2. Подготовить  подачу   импульсов на суммирующие входы счетчиков с помощью кнопки  SА14, переведя ее в нажатое состояние.

            4.2.3. Ввести параллельным кодом в один из счетчиков заданное преподавателем число.

            4.2.4. Подавая одиночные импульсы с помощью кнопок "Устан.О” и  “Пуск" ( см. п.п.3.7.3.,3.7.4. ), снять показания выходов разрядов счетчика и занести их в таблицу 1.

Таблица 1.

Порядковый номер импульса
Выходы Исх. информ. 1   2   3   4   5   6   7   8   9 10 11 12 13 14 15 16

Q0

СТ2

Q1

Q2

Q3

Q0

СТ10

Q1

Q2

Q3

            4.2.5. Повторить п.п.4.2.3., 4.2.4. для другого счетчика (см. п.3.4.).

            4.3. Исследовать работу счетчика в вычитающем счетном режиме с предварительной записью в него информации.

            4.3.1. Подготовить подачу пачки импульсов на вычитающие входы счетчика, приведя кнопку SA14 в отжатое, а кнопку SA16 - в нажатое состояние.

            4.3.2. Выполнить операции, указанные в п.п. 4.2.3.¸4.2.5.

            4.4. Исследовать суммирующий и вычитающий режим работы счетчиков.

            4.4.1. Подготовить генератор пачки импульсов для генерации пачки с числом импульсов от 5 до 9 ( п.3.7. ).

            4.4.2. Установить исследуемой счетчик в исходное состояние (обнулить). Выбрать режим счета ( "+" или "-" ) с помощью кнопок SА14 и SA16.

            4.4.3. Подать на счетчик пачку импульсов. Сравнить показания счетчика с заданным числом. Повторить указанную процедуру несколько раз, прогнозируя при этом показания счетчиков.

            4.4.4. Изменить режим работы счетчика, поменяв состояние кнопок SА14 и SА16, и выполнить операции, указанные в п.п.4.4.2. и 4.4.3.

            4.4.5. Повторить указанную процедуру ( п.п.4,4.2.¸ 4.4.4. ) для другого счетчика.

            4.5. Исследовать работу счетчиков в режиме переноса.

            4.5.1. Подать на суммирующие входы счетчиков последовательность импульсов с помощью кнопки SА13.

            4.5.2. Исследовать работу выхода "³15" счетчика СТ2, подключив КПИ1 на первый канал коммутатора, а КПИ8 не второй канал коммутатора в соответствии с "п.3.9.1.¸ 3.9.4. При этом счетчик СТ10 необходимо отключить нажатием кнопки SА10.

            4.5.3. Ручками плавной регулировки  "~" и " ­¯ " под надписью "Коммутатор", а также с помощью ручки "Стаб." на панели мультиметра добиться устойчивого изображения двух исследуемых сигналов. Срисовать сигнал  в едином масштабе времени.

            4.5.4. Исследовать выход  " > 9" счетчика СТ10, подключив КПИ7 на второй канал коммутатора ( кнопка "Вх1 |_ Вх2" должна быть нажата ). При этом счетчик СТ2 необходимо отключить нажатием кнопки SA11.

            4.5.5. Выполнить п.4.5.3.

            4.5.6. Подать на вычитающие входы счетчиков последовательность  импульсов с помощью кнопки SA15.

            4.5.7. Исследовать работу выхода "< 0" счетчиков, подключив КПИ2 на первый канал коммутатора, а КПИ7 или КПИ8 ( в зависимости от типа счетчика) на второй канал коммутатора, в соответствии с функциональной схемой устройства ( рис.8 ).

            4.5.8. Выполнить п.4.5.3. для выходов "< 0" обоих счетчиков.

5. СОДЕРЖАНИЕ ОТЧЕТА

1. Название и цель лабораторной работы.

2. Функциональная схема исследуемого устройства.

3. Таблицы и эпюры напряжений.

4. Выводы по работе.

6. КОНТРОЛЬНЫЕ ВОПРОСЫ

1. В чем заключается преимущество двоичной системы счисления по сравнению с другими системами?

2. Что такое регистр и каково его назначение?

3. Как работает двоичный счетчик импульсов?

4. Чем определяется необходимое число триггеров в счетчике и регистре?                                               

5. С помощью чего обеспечивается перевод счетчика из режима сложения в режим вычитания?

 6. Как осуществляется наращивание разрядности счетчиков?

7. СПИСОК ИСПОЛЬЗОВАННОЙ ЛИТЕРАТУРЫ

1. Хоровиц П., Хилл У. Искусство схемотехники. Ч. 1,3: Пер. с англ., Под ред. М.В.Гальперина - М.: Мир, 1983.

 

 


© 2012 Рефераты, курсовые и дипломные работы.