рефераты
Главная

Рефераты по рекламе

Рефераты по физике

Рефераты по философии

Рефераты по финансам

Рефераты по химии

Рефераты по хозяйственному праву

Рефераты по цифровым устройствам

Рефераты по экологическому праву

Рефераты по экономико-математическому моделированию

Рефераты по экономической географии

Рефераты по экономической теории

Рефераты по этике

Рефераты по юриспруденции

Рефераты по языковедению

Рефераты по юридическим наукам

Рефераты по истории

Рефераты по компьютерным наукам

Рефераты по медицинским наукам

Рефераты по финансовым наукам

Рефераты по управленческим наукам

Психология и педагогика

Промышленность производство

Биология и химия

Языкознание филология

Издательское дело и полиграфия

Рефераты по краеведению и этнографии

Рефераты по религии и мифологии

Рефераты по медицине

Рефераты по сексологии

Рефераты по информатике программированию

Краткое содержание произведений

Реферат: Расчет настроек автоматического регулятора

Реферат: Расчет настроек автоматического регулятора

Пермский Государственный Технический Университет


Курсовая работа


по предмету: Автоматизация технологических процессов и

производств.

Тема: Расчет настроек автоматического регулятора.


Выполнил: ст-т гр. АТП-93

Никулина Д. В.

Проверил: Бильфельд Н. В.


г. Березники, 1998


Содержание.


1. Координаты кривых разгона.

1.1 Схемы для Ремиконта.

1.2 Координаты и график кривой разгона по возмущению.

1.3 Координаты и график кривой разгона по заданию.

1.4 Координаты и график кривой разгона по управлению.

2. Интерполяция по 3 точкам.

2.1 Линейное сглаживание и график кривой разгона по возмущению.

2.2 Линейное сглаживание и график кривой разгона по заданию.

2.3 Линейное сглаживание и график кривой разгона по управлению.

3. Нормирование кривых разгона.

3.1 Нормирование кривой разгона по возмущению.

3.2 Нормирование кривой разгона по заданию.

3.3 Нормирование кривой разгона по управлению.

4. Аппроксимация методом Симою.

4.1 По возмущению.

4.2 По заданию.

4.3 По управлению.

5. Проверка аппроксимации методом Рунге - Кутта.

5.1 По возмущению.

5.2 По заданию.

5.3 По управлению.

5.4 Сравнение передаточных функций.

5.5 Сравнение кривых разгона.

6. Расчет одноконтурной АСР методом Роточа.


1. Задание


Исследовать работу комбинированной автоматической системы управления в целом и ее отдельных контуров. Провести расчет оптимальных настроечных параметров регуляторов АСР.


2. Координаты кривой разгона


С помощью программы связи ЭВМ с контроллером снимаем координаты кривой разгона.

Для этого сначала поочередно программируем Ремиконт:

1. по возмущению

2. по заданию

3. по управлению


В программе тренды меняя задание добиваемся устойчивости систем.

После того как системы установились приступаем к проведению эксперимента. Для этого устанавливаем алгоблок 11 с которого будем снимать кривую разгона, алгоблок 11 на который будем подавать скачек, амплитуду скачка 10 и интервал времени 0,5.

После просмотра полученных точек кривых разгона удаляем одинаковые.

И строим соответствующие графики.


2.1 Координаты и график кривой разгона по каналу возмущения


табл.2.1

1

0,0000

39,0000

22

11,0000

47,1500

2

1,0000

39,1500

23

11,5000

47,4500

3

1,5000

39,3500

24

12,0000

47,6000

4

2,0000

40,0000

25

12,5000

47,7000

5

2,5000

40,4000

26

13,0000

47,8500

6

3,0000

40,8000

27

13,5000

48,0500

7

3,5000

41,2000

28

14,0000

48,1000

8

4,0000

42,0500

29

14,5000

48,2000

9

4,5000

42,5000

30

15,0000

48,2500

10

5,0000

42,9000

31

15,5000

48,4000

11

5,5000

43,3000

32

16,0000

48,4500

12

6,0000

44,0500

33

16,5000

48,5000

13

6,5000

44,4000

34

17,0000

48,5500

14

7,0000

44,7500

35

17,5000

48,6500

15

7,5000

45,1000

36

19,0000

48,7000

16

8,0000

45,6500

37

19,5000

48,7540

17

8,5000

45,9000

38

20,0000

48,8000

18

9,0000

46,1500

39

21,5000

48,8500

19

9,5000

46,4000

40

22,0000

48,9000

20

10,0000

46,8000

41

26,5000

48,9500

21

10,5000

47,0000

42

27,0000

49,0000



2.2 Координаты и график кривой разгона для внутреннего канала


табл.2.2

1

0,0000

58,0000

30

15,0000

65,9500

2

1,0000

58,0500

31

15,5000

66,1000

3

1,5000

58,3000

32

16,0000

66,2000

4

2,0000

58,4500

33

16,5000

66,4000

5

2,5000

58,7000

34

17,0000

66,5000

6

3,0000

59,2000

35

18,5000

66,6000

7

3,5000

59,4500

36

18,0000

66,6500

8

4,0000

59,7000

37

18,5000

66,8000

9

4,5000

60,0000

38

19,0000

66,9000

10

5,0000

60,6000

39

19,5000

66,9500

11

5,5000

60,8500

40

20,0000

67,0500

12

6,0000

61,1500

41

20,5000

67,1500

13

6,5000

61,4500

42

21,0000

67,2000

14

7,0000

62,0000

43

21,5000

67,2500

15

7,5000

62,3000

44

22,0000

67,3000

16

8,0000

62,5500

45

22,5000

67,3500

17

8,5000

62,8000

46

23,0000

67,4000

18

9,0000

63,3000

47

23,5000

67,4500

19

9,5000

63,5500

48

24,0000

67,5000

20

10,0000

63,7500

49

24,5000

67,5500

21

10,5000

64,0000

50

25,0000

67,6000

22

11,0000

64,4000

51

26,0000

67,6500

23

11,5000

64,5500

52

26,5000

67,7000

24

12,0000

64,7500

53

28,0000

67,7500

25

12,5000

64,9500

54

29,0000

67,8000

26

13,0000

65,2500

55

31,5000

67,8500

27

13,5000

65,4000

56

32,0000

67,9000

28

14,0000

65,5500

57

39,0000

67,9500

29

14,5000

65,8500

58

39,5000

68,0000



2.3 Координаты и график кривой разгона основного контура


табл 2.3

1

0,0000

50,9500

30

14,5000

58,4000

2

0,5000

50,9500

31

15,0000

58,5500

3

1,0000

51,0000

32

15,5000

58,7500

4

1,5000

51,0500

33

16,0000

59,0000

5

2,0000

51,1000

34

16,5000

59,1500

6

2,5000

51,2000

35

17,0000

59,2500

7

3,0000

51,5000

36

17,5000

59,3500

8

3,5000

51,6500

37

18,0000

59,6000

9

4,0000

51,8500

38

18,5000

59,6500

10

4,5000

52,0500

39

19,0000

59,7500

11

5,0000

52,5000

40

19,5000

59,8500

12

5,5000

52,8000

41

20,0000

60,0000

13

6,0000

53,0500

42

20,5000

60,1000

14

6,5000

53,6000

43

21,0000

60,1500

15

7,0000

53,9000

44

21,5000

60,2000

16

7,5000

54,1500

45

22,0000

60,3000

17

8,0000

54,4500

46

22,5000

60,3500

18

8,5000

55,0000

47

23,0000

60,4000

19

9,0000

55,3000

48

23,5000

60,5000

20

9,5000

55,5500

49

24,0000

60,5500

21

10,0000

55,8500

50

25,0000

60,6000

22

10,5000

56,3500

51

25,5000

60,6500

23

11,0000

56,6000

52

26,0000

60,7000

24

11,5000

56,8500

53

27,0000

60,7500

25

12,0000

57,0500

54

27,5000

60,8000

26

12,5000

57,5000

55

30,0000

60,8500

27

13,0000

57,7000

56

30,5000

60,9000

28

13,5000

57,9000

57

36,0000

60,9500

29

14,0000

58,0500

58

36,5000

61,0000



3. Интерполяция по трем точкам.


В программе ASR, пользуясь пунктом “интерполировать по 3-м” поочередно считаем кривые разгона и строим соответствующий график.


3.1.Линейное сглаживание и график кривой разгона для внешнего контура


табл. 3.1

1

0,0000

38,9914

22

11,0000

47,2000

2

1,0000

39,1667

23

11,5000

47,4000

3

1,5000

39,5000

24

12,0000

47,5833

4

2,0000

39,9167

25

12,5000

47,7167

5

2,5000

40,4000

26

13,0000

47,8667

6

3,0000

40,8000

27

13,5000

48,0000

7

3,5000

41,3500

28

14,0000

48,1167

8

4,0000

41,9167

29

14,5000

48,1833

9

4,5000

42,4833

30

15,0000

48,2833

10

5,0000

42,9000

31

15,5000

48,3667

11

5,5000

43,4167

32

16,0000

48,4500

12

6,0000

43,9167

33

16,5000

48,5000

13

6,5000

44,4000

34

17,0000

48,5667

14

7,0000

44,7500

35

17,5000

48,6333

15

7,5000

45,1667

36

19,0000

48,7000

16

8,0000

45,5500

37

19,5000

48,7500

17

8,5000

45,9000

38

20,0000

48,8000

18

9,0000

46,1500

39

21,5000

48,8500

19

9,5000

46,4500

40

22,0000

48,9000

20

10,0000

46,7333

41

26,5000

48,9500

21

10,5000

46,9833

42

27,0000

49,0000



3.2. Линейное сглаживание и график кривой разгона для внутреннего контура


табл 3.2

1

0,0000

57,9667

30

15,0000

65,9667

2

1,0000

58,1167

31

15,5000

66,0833

3

1,5000

58,2667

32

16,0000

66,2333

4

2,0000

58,4833

33

16,5000

66,3667

5

2,5000

58,7833

34

17,0000

66,5000

6

3,0000

59,1167

35

18,5000

66,5833

7

3,5000

59,4500

36

18,0000

66,6833

8

4,0000

59,7167

37

18,5000

66,7833

9

4,5000

60,1000

38

19,0000

66,8833

10

5,0000

60,4833

39

19,5000

66,9667

11

5,5000

60,8667

40

20,0000

67,0500

12

6,0000

61,1500

41

20,5000

67,1333

13

6,5000

61,5333

42

21,0000

67,2000

14

7,0000

61,9167

43

21,5000

67,2500

15

7,5000

62,2833

44

22,0000

67,3000

16

8,0000

62,5500

45

22,5000

67,3500

17

8,5000

62,8833

46

23,0000

67,4000

18

9,0000

63,2167

47

23,5000

67,4500

19

9,5000

63,5333

48

24,0000

67,5000

20

10,0000

63,7667

49

24,5000

67,5500

21

10,5000

64,0500

50

25,0000

67,6000

22

11,0000

64,3167

51

26,0000

67,6500

23

11,5000

64,5667

52

26,5000

67,7000

24

12,0000

64,7500

53

28,0000

67,7500

25

12,5000

64,9833

54

29,0000

67,8000

26

13,0000

65,2000

55

31,5000

67,8500

27

13,5000

65,4000

56

32,0000

67,9000

28

14,0000

65,6000

57

39,0000

67,9500

29

14,5000

65,7833

58

39,5000

68,0000



3.3 Линейное сглаживание и график кривой разгона по основному каналу


табл. 3.3

1

0,0000

50,9500

30

14,5000

58,3333

2

0,5000

50,9500

31

15,0000

58,5667

3

1,0000

51,0000

32

15,5000

58,7667

4

1,5000

51,0500

33

16,0000

58,9667

5

2,0000

51,1167

34

16,5000

59,1333

6

2,5000

51,2667

35

17,0000

59,2500

7

3,0000

51,4500

36

17,5000

59,4000

8

3,5000

51,6667

37

18,0000

59,5333

9

4,0000

51,8500

38

18,5000

59,6667

10

4,5000

52,1333

39

19,0000

59,7500

11

5,0000

52,4500

40

19,5000

59,8667

12

5,5000

52,7833

41

20,0000

59,9833

13

6,0000

53,1500

42

20,5000

60,0833

14

6,5000

53,5167

43

21,0000

60,1500

15

7,0000

53,8833

44

21,5000

60,2167

16

7,5000

54,1667

45

22,0000

60,2833

17

8,0000

54,5333

46

22,5000

60,3500

18

8,5000

54,9167

47

23,0000

60,4167

19

9,0000

55,2833

48

23,5000

60,4833

20

9,5000

55,5667

49

24,0000

60,5500

21

10,0000

55,9167

50

25,0000

60,6000

22

10,5000

56,2667

51

25,5000

60,6500

23

11,0000

56,6000

52

26,0000

60,7000

24

11,5000

56,8333

53

27,0000

60,7500

25

12,0000

57,1333

54

27,5000

60,8000

26

12,5000

57,4167

55

30,0000

60,8500

27

13,0000

57,7000

56

30,5000

60,9000

28

13,5000

57,8833

57

36,0000

60,9500

29

14,0000

58,1167

58

36,5000

61,0000



4. Нормирование кривых разгона.


С помощью программы ASR в пункте нормировать последовательно производим нормирование сглаженных кривых и упорядочиваем время начиная с 0,0000, с шагом 0,5 для того чтобы привести полученную динамическую характеристику к единичному виду.


4.1 Нормированная кривая разгона для внешнего контура


табл.4.1

1

0,0000

0,0000

22

10,5000

0,8201

2

0,5000

0,0175

23

11,0000

0,8401

3

1,0000

0,0508

24

11,5000

0,8585

4

1,5000

0,0924

25

12,0000

0,8718

5

2,0000

0,1407

26

12,5000

0,8868

6

2,5000

0,1807

27

13,0000

0,9001

7

3,0000

0,2356

28

13,5000

0,9117

8

3,5000

0,2923

29

14,0000

0,9184

9

4,0000

0,3489

30

14,5000

0,9284

10

4,5000

0,3905

31

15,0000

0,9367

11

5,0000

0,4421

32

15,5000

0,9450

12

5,5000

0,4921

33

16,0000

0,9500

13

6,0000

0,5404

34

16,5000

0,9567

14

6,5000

0,5754

35

17,0000

0,9634

15

7,0000

0,6170

36

18,5000

0,9700

16

7,5000

0,6553

37

18,0000

0,9750

17

8,0000

0,6903

38

18,5000

0,9800

18

8,5000

0,7152

39

19,0000

0,9850

19

9,0000

0,7452

40

19,5000

0,9900

20

9,5000

0,7735

41

20,0000

0,9950

21

10,0000

0,7985

42

20,5000

1,0000


4.2 Нормированная кривая разгона для внутреннего контура


табл.4.2

1

0,0000

0,0000

30

14,5000

0,7973

2

0,5000

0,0150

31

15,0000

0,8090

3

1,0000

0,0299

32

15,5000

0,8239

4

1,5000

0,0515

33

16,0000

0,8372

5

2,0000

0,0814

34

16,5000

0,8505

6

2,5000

0,1146

35

17,0000

0,8588

7

3,0000

0,1478

36

17,5000

0,8688

8

3,5000

0,1744

37

18,0000

0,8787

9

4,0000

0,2126

38

18,5000

0,8887

10

4,5000

0,2508

39

19,0000

0,8970

11

5,0000

0,2890

40

19,5000

0,9053

12

5,5000

0,3173

41

20,0000

0,9136

13

6,0000

0,3555

42

20,5000

0,9203

14

6,5000

0,3937

43

21,0000

0,9252

15

7,0000

0,4302

44

21,5000

0,9302

16

7,5000

0,4568

45

22,0000

0,9352

17

8,0000

0,4900

46

22,5000

0,9402

18

8,5000

0,5233

47

23,0000

0,9452

19

9,0000

0,5548

48

23,5000

0,9502

20

9,5000

0,5781

49

24,0000

0,9551

21

10,0000

0,6063

50

24,5000

0,9601

22

10,5000

0,6329

51

25,0000

0,9651

23

11,0000

0,6578

52

25,5000

0,9701

24

11,5000

0,6761

53

26,0000

0,9751

25

12,0000

0,6993

54

26,5000

0,9801

26

12,5000

0,7209

55

27,0000

0,9850

27

13,0000

0,7409

56

27,5000

0,9900

28

13,5000

0,7608

57

28,0000

0,9950

29

14,0000

0,7791

58

28,5000

1,0000



4.3 Нормированная кривая разгона по основному каналу


табл. 4.3

1

0,0000

0,0000

30

14,5000

0,7579

2

0,5000

0,0050

31

15,0000

0,7779

3

1,0000

0,0100

32

15,5000

0,7977

4

1,5000

0,0166

33

16,0000

0,8143

5

2,0000

0,0315

34

16,5000

0,8259

6

2,5000

0,0498

35

17,0000

0,8408

7

3,0000

0,0713

36

17,5000

0,8541

8

3,5000

0,0896

37

18,0000

0,8673

9

4,0000

0,1177

38

18,5000

0,8756

10

4,5000

0,1493

39

19,0000

0,8872

11

5,0000

0,1824

40

19,5000

0,8988

12

5,5000

0,2189

41

20,0000

0,9088

13

6,0000

0,2554

42

20,5000

0,9154

14

6,5000

0,2919

43

21,0000

0,9221

15

7,0000

0,3201

44

21,5000

0,9287

16

7,5000

0,3566

45

22,0000

0,9353

17

8,0000

0,3947

46

22,5000

0,9420

18

8,5000

0,4312

47

23,0000

0,9486

19

9,0000

0,4594

48

23,5000

0,9552

20

9,5000

0,4942

49

24,0000

0,9602

21

10,0000

0,5290

50

24,5000

0,9652

22

10,5000

0,5622

51

25,5000

0,9701

23

11,0000

0,5857

52

25,5000

0,9751

24

11,5000

0,6153

53

26,0000

0,9801

25

12,0000

0,6434

54

26,5000

0,9851

26

12,5000

0,6716

55

27,0000

0,9900

27

13,0000

0,6899

56

27,5000

0,9950

28

13,5000

0,7131

57

28,0000

1,0000

29

14,0000

0,7347






5. Аппроксимация методом Симою.


С помощью программы ASR в пункту аппроксимации последовательно считаем площади каждой из кривой разгона для последующего получения уравнения передаточной функции.


Для кривой разгона по внешнему контуру для объекта второго порядка получаем следующие данные:

Значения площадей:

F1= 6.5614

F2= 11.4658

F3= -4.5969

F4= -1.1636

F5= 44.0285

F6= -120.0300


Ограничимся второй площадью. F1

a1 = F1 + b1

a2 = F2 + b2 + b1 F2

a3 = F3 + b3 + b2 F1 + b1 F2


a1 = 6.5614 + b1

a2 = 11.4658 + b1 6.5614

0 = - 4.5969 + b1 11.4658


Решив систему получаем : b1 = 0.4

a1 = 6.9614

a2 = 14.0904

Тогда передаточная функция объекта второго порядка по внешнему контуру имеет вид:


0.4 s

W(s)=-----------------------------

2

14.0904 s + 6.9614 s + 1


Для кривой разгона по внутреннему контуру для объекта второго порядка получаем следующие данные:

Значения площадей:

F1= 9.5539

F2= 24.2986

F3= -16.7348

F4= -14.7318

F5= 329.7583

F6= -1179.3989


Для определения передаточной функции решаем систему, так как F3

a1 = 9.5539 + b1

a2 = 24.2986 + 9.5539 b2

0 = -16.7348 + b1 24.2986


Решив систему получаем : b1 = 0.6887

a1 = 10.2426

a2 = 30.8783

Тогда передаточная функция объекта второго порядка по внутреннему контуру имеет вид:

0.6887 s + 1

W(s) = -----------------------------

2

30.8783s + 10.2426 s + 1


Для кривой разгона по заданию для объкта третьего порядка с запаздыванием получаем следующие данные:

Значения площадей:

F1= 10.6679

F2= 38.1160

F3= 30.4228

F4= -46.5445

F5= 168.8606

F6= -33.3020


Так как F3

1

W(s) =-------------------------------

2

38.1160 s + 10.6679 s + 1


6. Проверка аппроксимации методом Рунге - Кутта.


В программе ASR в пункте передаточная функция задаем полученные передаточные функции. И затем строим графики экспериментальной и аналитической кривых разгона (по полученной передаточной функции).


6.1 Для кривой разгона по внешнему контуру


Устанавливаем для проверки методом Рунге-Кутта конечное время 27c, шаг 0,5с.



6.2 Для кривой разгона по внутреннему контуру


Устанавливаем конечное время 39с, шаг 0,5с.


6.3 Для кривой разгона по основному каналу


При задании передаточной функции учитываем чистое запаздывание 0,08с.

Устанавливаем конечное время 32с, шаг изменения 0,5с.



Получили, что кривые разгона практически одинаковы, следовательно аппроксимация методом Симою сделана верно.

6.4 Сравнение экспериментальных и исходных передаточных функции:


объект исходная экспериментальная

передаточная передаточная

функция функция


второго порядка 1 0.6887 s

по возмущению W(s)= ------------------ W(s)= -----------------------------

2 2

36 s + 12 s + 1 30,8783 s + 10.2426 s + 1


второго порядка 1 0.4 s

по заданию W(s)= ------------------------------ W(s)= -------------------------------

2 2

16,1604 s + 8,04 s + 1 14.0904 s + 6.9614 s + 1


третьего порядка 1 1

с запаздыванием W(s)= ------------------------------------- W(s)= -------------------------------

по управлению 3 2 2

91.125 s + 60.75 s + 13.5 s + 1 38.1160 s + 10.6679 s + 1


Анализируя таблицу можно сделать вывод о том, что передаточные функции второго порядка практически одинаковы, а третьего порядка значительно отличаются.


6.5 Сравнение экспериментальных и фактических кривых разгона.


Для исходных передаточных функций с помощью программы ASR, пунктов аппроксимация (создать передаточную функцию и изменить время) получим координаты кривых разгона и сравним их с экспериментальной кривой:

- по внешнему контуру

- по внутреннему контуру


- по основному каналу


Полученные значению передаточных функций не значительно отличают от фактических, что говорит о достаточно не большой погрешности между фактическими и экспериментальными данными.


Расчет одноконтурной АСР методом Роточа.


В программе Linreg задаем параметры объекта. Выбираем в качестве регулятора ПИ- регулятор. И рассчитываем его настройки:


а) для экспериментальной передаточной функции.


В программе Linreg задаем передаточную функцию объекта второго порядка с запаздыванием. Выбираем ПИ-регулятор и определяем его настройки.

Получаем kp = 1.0796

Tu = 8.0434

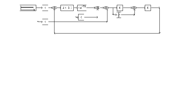
В программе SIAM пользуясь следующей схемой для одноконтурной системы

Подаем скачек на сумматор, стоящий после запаздывания и получаем график переходного процесса по заданию:


Подаем скачек на сумматор, стоящий перед объектом и получаем график переходного процесса по возмущению:


б) для фактической передаточной функции


В программе Linreg задаем передаточную функцию объекта третьего порядка с запаздыванием. Выбираем ПИ-регулятор и определяем его настройки.

Получаем kp = 0.8743

Tu = 8.3924

В программе SIAM пользуясь схемой для одноконтурной системы получаем

- переходный процесс по заданию:


Расчет каскадной АСР методом Роточа.


а) для экспериментальной передаточной функции.


Первоначально определим настройки внутреннего регулятора для внутреннего контура с передаточной функцией W1(s).

0.4s + 1

W1(s) = --------------------------

2

14.0904s + 6.9614s +1

С помощью программы ASR получим АФХ по передаточной функции и определим значения u(m,w), v(m,w), a(m,w), w.


v(m,w)

u(m,u)

a(m,w)

w

kp

Tu

1,0000

0,0000

0,0000

0,0000

0,0000

0,0000

1,0211

-0,0678

1,0234

0,0100

15,0783

0,0109

1,0360

-0,1398

1,0454

0,0200

7,4774

0,0211

1,0439

-0,2151

1,0659

0,0300

4,9709

0,0307

1,0442

-0,2931

1,0845

0,0400

3,7336

0,0395

1,0361

-0,3728

1,1012

0,0500

3,0067

0,0475

1,0194

-0,4531

1,1156

0,0600

2,5367

0,0547

0,9936

-0,5329

1,1275

0,0700

2,2147

0,0609

0,9587

-0,6108

1,1368

0,0800

1,9877

0,0660

0,9147

-0,6857

1,1431

0,0900

1,1826

0,0701

0,8619

-0,7559

1,1464

0,1000

1,1713

4,4754

0,8008

-0,8203

1,1464

0,1100

1,6386

4,5739

0,7323

-0,8775

1,1429

0,1200

1,1584

0,0749

0,6576

-0,9263

1,1360

0,1300

1,5905

0,0737

0,5778

-0,9658

1,1254

0,1400

1,6169

0,0711

0,4945

-0,9953

1,1114

0,1500

1,6842

0,0668

0,4095

-1,0143

1,0938

0,1600

1,8064

0,0609

0,3243

-1,0229

1,0731

0,1700

2,0137

0,0533

0,2407

-1,0214

1,0493

0,1800

2,3750

0,0438

0,1601

-1,0103

1,0229

0,1900

3,0885

0,0324

0,0840

-0,9906

0,9942

0,2000

5,0095

0,0000

0,0134

-0,9635

0,9635

0,2100

26,1125

0,0034

Так как настройки регулятора не могут быть отрицательными то ограничимся 3 квадрантом. И с помощью программы на BASIC рассчитаем оптимальные настройки для ПИ - регулятора методом Стефани по следующим формулам:

A^2(m,w) m 1

Tu = ------------------------ , kp = ---------- - ----------

w(m^2+1)* v(m,w) v(m,w) u(m,w)

наибольшее отношение kp/Tu и будет оптимальными настройками.

Получили что kp = 1.712763

Tu = 4.47537

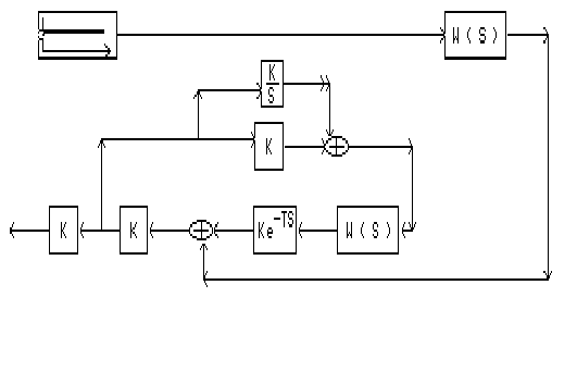
В программе SIAM с помощью схемы для одноконтурной системы без запаздывания получаем переходные процессы по заданию и по возмущению:


Сравнивая график кривой разгона по основному каналу и переходный процесс внутреннего контура каскадной системы делаем вывод о том, что за время запаздывания основного контура переходный процесс во внутреннем контуре затухнуть не успевает, следовательно передаточная функция эквивалентного объекта имеет вид:

Wоб(s) * Wp1(s)

Wоб(s) = --------------------------- =

1 + Wоб1(s) * Wp1(s)


1 1

--------------------------------- * (1,7128 + ---------- )

2 4,4754s

38,1160s + 10,6679s + 1

-------------------------------------------------------------- =

0,4s + 1 1

1 + --------------------------- * (1,7128 + ----------)

2 4,4754s

14,0904s + 6,9614s + 1


3 2

107.9987s + 67.4444s + 14.6247s + 1

= ---------------------------------------------------------------------------

5 4 3 2

4116.4785s + 3186.9547s + 969.316s + 138.1861s + 15.7294s + 1


Определяем настройки ведущего регулятора. Для ПИ-регулятора получаем:

kp = 0.1249

Tu = 5.4148

В программе SIAM с помощью схемы каскадной системы получаем переходный процесс по заданию:



С помощью схемы каскадной системы получаем переходный процесс по возмущению:


б) для реальной передаточной функции.


Определим настройки внутреннего регулятора для объекта второго порядка с передаточной функцией

1

W1(s) =-------------------------

2

16,1604s + 8.04s + 1

Получаем следующие настройки регулятора: kp = 4.3959

Tu = 6.5957

В программе SIAM пользуясь схемой одноконтурной системы без запаздывания получаем графики переходных процессов по заданию и по возмущению:


Сравнивая график кривой разгона по основному каналу и переходный процесс внутреннего контура каскадной системы делаем вывод о том, что за время запаздывания основного контура переходный процесс во внутреннем контуре затухнуть не успевает, следовательно передаточная функция эквивалентного объекта имеет вид:

Wоб(s) * Wp1(s)

Wоб(s) = --------------------------- =

1 + Wоб1(s) * Wp1(s)


1 1

--------------------------------- * (4.3959 + ---------- )

3 2 6.5957s

91.125s + 60.75s + 13.5s + 1

-------------------------------------------------------------- =

1 1

1 + ------------------------ * (4.3959 + ----------)

2 6.5957s

16.1604s + 8.04s + 1


3 2

468.5449s + 249.2673s + 37.0334s + 1

= --------------------------------------------------------------------------------------------

6 5 4 3 2

42696.154s + 49705.969s + 25770.6474s + 7229.3112s + 1076.6779s+71.4868s+ 1


Определяем настройки ведущего регулятора. Для ПИ-регулятора получаем:

kp = 1.2822

Tu = 6.3952

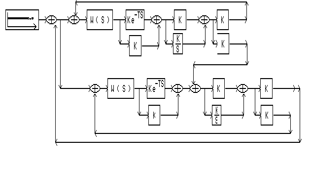
В программе SIAM с помощью схем для каскадной системы получим переходные процессы по заданию и по возмущению:


Расчет комбинированной АСР.


а) для эксперементальной передаточной функции

Расчет компенсирующего устройства

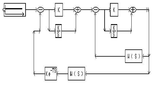
В программе SIAM с помощью смоделированной схемы комбинированной системы без компенсатора получим соответствующий переходный процесс:

Определим передаточную функцию фильтра для структурной схемы где выход компенсатора поступает на вход регулятора по формуле:

Wов(s)

Wф(s) = --------------------- ,

Wоб(s) * Wр(s)

где Wов(s) - передаточная функция канала по возмущению,

Wоб(s) - передаточная функция объекта,

Wp(s) - передаточная функция регулятора

0,6887s + 1

-----------------------------

2

30.8783 s + 10.2426 s + 1

Wф(s) = ---------------------------------------------------------- =

1 1

------------------------------- * (1.0796 + ---------- )

2 8.0434 s

38.8783 s + 10.6679 s + 1


4 3 2

232.5099 s + 40.1406 s + 98.6173 s + 8.6837 s

= -----------------------------------------------------------

3 2

268.1379 s + 119.8220 s + 18.9263 s + 1

Настроечные параметры компенсирующего устройства будут оптимальными, если АФХ фильтра равны нулю при нулевой и резонансной частоте.

б) для реальной передаточной функции


© 2012 Рефераты, курсовые и дипломные работы.