рефераты
Главная

Рефераты по рекламе

Рефераты по физике

Рефераты по философии

Рефераты по финансам

Рефераты по химии

Рефераты по хозяйственному праву

Рефераты по цифровым устройствам

Рефераты по экологическому праву

Рефераты по экономико-математическому моделированию

Рефераты по экономической географии

Рефераты по экономической теории

Рефераты по этике

Рефераты по юриспруденции

Рефераты по языковедению

Рефераты по юридическим наукам

Рефераты по истории

Рефераты по компьютерным наукам

Рефераты по медицинским наукам

Рефераты по финансовым наукам

Рефераты по управленческим наукам

Психология и педагогика

Промышленность производство

Биология и химия

Языкознание филология

Издательское дело и полиграфия

Рефераты по краеведению и этнографии

Рефераты по религии и мифологии

Рефераты по медицине

Рефераты по сексологии

Рефераты по информатике программированию

Краткое содержание произведений

Реферат: Цифровые устройства и микропроцессоры

Реферат: Цифровые устройства и микропроцессоры

МИНИСТЕРСТВО ВНУТРЕННИХ ДЕЛ

РОССИЙСКОЙ ФЕДЕРАЦИИ

ВОРОНЕЖСКИЙ ИНСТИТУТ

КОНТРОЛЬНАЯ РАБОТА № 1

по предмету “Цифровые устройства и микропроцессоры”

Вариант 8

                                              

Выполнил:               слушатель ­­31 учебной группы

                                                                                  радиотехнического факультета з/о

                                                                                  Оларь  Андрей Геннадьевич                     

                                                                                  шифр 00/72                                                  

                                                                                  347800 Ростовская область г. Каменск    

                                                                                  ул. Героев-Пионеров  д. 71 кв. 72            

                                                           Проверил:                                                                            

                                                                                                                                                        

                                                                                                                                                        

                                                                                                                                                        

                                                                                  “_____” _______________  200__ г.

ВОРОНЕЖ 2002 г.

Задания

                                                                                                                    стр.

1.    Расставить числа в порядке возрастания и объяснить свой выбор (8910, 2Е16, 578, 1110112)................................................................................. - 4

2.    Выполнить арифметические операции над двоичными числами, используя обратный код: а) 10111012-1101112; b)10101112-11100112.......... - 4

3.    Упростить выражение, применив правила де Моргана и основные тождества алгебры логики: а) , b)  - 4

4.    По таблице работы логического устройства записать СКНФ:..... - 5

                  

a)    получить минимальную нормальную форму (мкнф) с помощью метода Квайна;

b)    построить логическую схему устройства в базисе ИЛИ-НЕ;

c)    провести анализ работы полученной схемы при х1=1, х2=0, х3=0.

5.    Нарисовать символическое изображение и таблицу работы синхронного RS-триггера. В какое состояние перейдёт триггер, если на его входы последовательно подавать сигналы:............................................... - 6

6.    Построить схему регистра D-триггеров для записи числа 1010, начиная с цифры младшего разряда. Составить таблицу состояний его триггеров, показывающую запись отдельных цифр................................ - 7

7.    Частота следования импульсов на выходе второго триггера счётчика – 256 кГц. Сколько триггеров должен иметь счётчик, чтобы на его выходе получить импульс с частотой 32 кГц, 4 кГц.............................. - 7

8.    Построить схему суммирующего счётчика Т-триггеров ёмкостью 28    - 8

9.    Разработать логическую схему таймера с прямым отсчётом времени и выдачей звукового сигнала. Частота генератора – 1700 герц. Предусмотреть кнопки пуска, остановки и сброса. Указание: для сравнения заданного времени, следует использовать микросхему сравнения (типа К531СП1). - 8

10. Найти по справочнику микросхему К555ИР9. Нарисовать её условное изображение и выписать параметры (с учётом обозначения):...... - 11

а) типоразмер и изображение корпуса; б) напряжение питания и выводы, на которые оно подаётся; в) напряжения логических нуля и единицы; г) ток потребления (потребляемая мощность); д)диапазон рабочих частот; е) интервал рабочих температур; ж)время задержки включения (выключения); з) коэффициент объединения по входу; и) коэффициент разветвления по входу.

11. Что означают сокращения: ТТЛ, ДТЛ, n-МОП? Указать их основные отличительные характеристики...................................................... - 12

12. Назначение и основные функции микропроцессора?.................... - 13

13. Используя команды типового МП К1804, составить программу в машинных кодах:................................................................................. - 14

Ø выполнить загрузку числа 12 в ячейку Q , а 9 в РОН с адресом 3;

Ø из первого числа вычесть число 8 из шины данных, результат разместить в РОН с адресом первого числа;

Ø третье число сдвинуть на один разряд вправо и сложить с суммой первых двух чисел. Результат разместить в РОН с адресом 9.

14. Использованная литература........................................................... - 14

1.   Расставить числа в порядке возрастания и объяснить свой выбор:

 (8910, 2Е16, 578, 1110112)

Переведём данные числа в десятичную систему исчисления, кроме 8910, так как это число уже является десятичным.

1)   2Е16 - так как 2Е16=2*16+14=4610;

2)   578 - так как 578=5*8+7=4710;

3)   1110112 - так как 1110112=32+16+8+2=5910;

4)   8910

46<47<59<89

2.   Выполнить арифметические операции над двоичными числами, используя обратный код:

а) 10111012-1101112;  b) 10101112-11100112

a)   10111012-1101112=1001102            _ 1011101

     110111

+01011101

 11001001

 00100110

     100110

b)   10101112-11100112=-11011            _  1010111

    1110011

+ 01010111

   10001101

   11100100

      - 11011

3.   Упростить выражение, применив правила де Моргана и основные тождества алгебры логики:

а) , b)

a)  

b)  

4.   По таблице работы логического устройства записать СКНФ:

                  

a)    получить минимальную нормальную форму (мкнф) с помощью метода Квайна;

b)    построить логическую схему устройства в базисе ИЛИ-НЕ;

c)    провести анализ работы полученной схемы при х1=1, х2=0, х3=0.

Для данной функции СКНФ будет иметь вид:

a)   получим МКНФ данной функции с помощью метода Квайна:

Сравним попарно все члены функции: 1 и 2 члены не имеют общих импликант; 1 и 3 члены ;   3 и 5 члены ;   4 и 5 члены .

Составим таблицу:

* *

* *

* *

Из таблицы видно, что МКНФ данной функции будет иметь вид:

b)   построить логическую схему устройства в базисе ИЛИ-НЕ;


Логическая схема данного устройства в базисе ИЛИ-НЕ:

c)   провести анализ работы полученной схемы при х1=1, х2=0, х3=0.

Данное устройство состоит из элементов ИЛИ-НЕ, а на его входе присутствует лог «1» (х1=1), то на его выходе тоже будет лог «1», так как для данных логических элементов активным логическим сигналом является «1»,  следовательно, у(1,0,0) = 1.

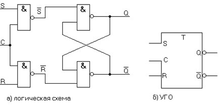
5.   Нарисовать символическое изображение и таблицу работы синхронного RS-триггера. В какое состояние перейдёт триггер, если на его входы последовательно подавать сигналы:

                               

Символическое изображение RS-триггера с инверсными входами:

Таблица работы синхронного RS-триггера:

Таблица-1 Таблица-2
S R C Q Режим работы Входы Выходы
Н Н /

Инверсия C S R Q

L Н / Н Запись Н 0 0 0 Q

Н L / L Запись L 0 1 0 Q

L L /

Q*

Предшествующее состояние 0 0 1 Q

0 1 1 Q

1 0 0 Q

1 1 0 1 0
1 0 1 0 1
1 1 1 * *

Как видно из таблицы № 2, состояние сигналов на входах S=R=C=1 недопустимо, что обозначено «*» (это является основным недостатком RS-триггеров).

6.   Построить схему регистра D-триггеров для записи числа 1010, начиная с цифры младшего разряда. Составить таблицу состояний его триггеров, показывающую запись отдельных цифр

Для записи 4-х разрядного числа, начиная с цифры младшего разряда, целесообразно применить не отдельные D-триггеры (К555ТМ2, ТМ7, ТМ8, ТМ9), а сдвигающий регистр К555ИР11А (смотреть рисунок). Биты 4-х разрядного числа надо подавать на вход D и сдвигать импульсами с входа L.

Десятичная запись 10 5 2 1
Двоичная запись 1010 101 10 1

7.   Частота следования импульсов на выходе второго триггера счётчика – 256 кГц. Сколько триггеров должен иметь счётчик, чтобы на его выходе получить импульс с частотой 32 кГц, 4 кГц

Каждый триггер счётчика уменьшает частоту в два раза, следовательно, частота на входе счётчика – 210=1024 кГц.

Составим таблицу падения частоты на триггерах счётчика:

Частота, кГц
Вход счётчика 1024
Выход 1-го триггера 512
Выход 2-го триггера 256
Выход 3-го триггера 128
Выход 4-го триггера 64
Выход 5-го триггера 32
Выход 6-го триггера 16
Выход 7-го триггера 8
Выход 8-го триггера 4
Выход 9-го триггера 2
Выход 10-го триггера 1

Из чего следует, что для получения на выходе счётчика импульса с частотой 32 кГц, счётчик должен состоять из 5-ти триггеров. А для получения, на выходе счётчика, импульса с частотой 4 кГц, счётчик должен состоять из 8-ми триггеров.

8.   Частота следования импульсов на выходе второго триггера счётчика – 256 кГц. Сколько триггеров должен иметь счётчик, чтобы на его выходе получить импульс с частотой 32 кГц, 4 кГц

Т – триггеры, в отличие от D и JK – триггеров, выпускаются в интегральной форме не в виде отдельных микросхем, а виде двоичных счётчиков, например: К555ИЕ19 – два 4-х разрядных двоичных счётчика. Ёмкость счётчика 28=4*7. При этом 710=1112.

Ниже приведена схема счётчика:

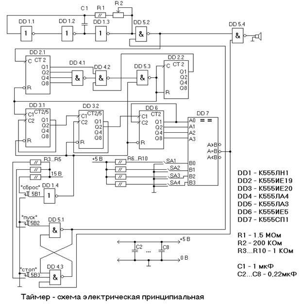
9.   Разработать логическую схему таймера с прямым отсчётом времени и выдачей звукового сигнала. Частота генератора – 1700 герц. Предусмотреть кнопки пуска, остановки и сброса.

Указание: для сравнения заданного времени, следует использовать микросхему сравнения (типа К531СП1)

Частота 1,7 кГц является не стандартной частотой (в большинстве случаев применяются генераторы с кварцевым резонатором частоты, например: 100 кГц, либо с синхронизацией от сети 50 Гц). Если таймер должен отсчитывать время в секундах (в задании это не оговорено), то входную последовательность импульсов необходимо разделить на 1700=17*10*10, что легко может быть реализовано с применением микросхем К555ИЕ19 и К555ИЕ20.

Микросхема К555СП1 позволяет сравнивать без приращения разрядности 4-х разрядные двоичные коды. Так как в задании не оговорен предел измерений таймера, то мы можем ограничиться пределом 16 секунд.

Функциональная и принципиальная схемы таймера представлены ниже:

10.      Найти по справочнику микросхему К555ИР9. Нарисовать её условное изображение и выписать параметры (с учётом обозначения):

а) типоразмер и изображение корпуса; б) напряжение питания и выводы, на которые оно подаётся; в) напряжения логических нуля и единицы; г) ток потребления (потребляемая мощность); д)диапазон рабочих частот; е) интервал рабочих температур; ж)время задержки включения (выключения); з) коэффициент объединения по входу; и) коэффициент разветвления по входу.

Условное изображение ИМС К555ИР9:

Корпус 2103-16.2 (старое обозначение 238.16-1):

Ø  шаг выводов 2,5 мм (изображение корпуса приведено на рисунке ниже);

Ø  напряжение питания 5±5% В на 16 вывод, 0 В на 8 вывод;

Ø  L – не более 0,4 В; Н – не менее 2,5 В, не более 5,5 В;

Ø  ток потребления не более 3 мА;

Ø  диапазон рабочих частот не более 25 МГц;

Ø  интервал рабочих температур от 100С до 700С;

Ø  время задержки включения/выключения 20 нс (Сн=15 пФ);

Ø  коэффициент объединения по входу – 1;

Ø  коэффициент разветвления по входу – 10.

11.      Что означают сокращения: ТТЛ, ДТЛ, n-МОП? Указать их основные отличительные характеристики.

ТТЛ – транзисторно-транзисторная логика, ДТЛ – диодно-транзисторная логика, n-МОП – логика на униполярных транзисторах с n-каналом. Все эти сокращения обозначают тип схемотехники и конструкции цифровых микросхем.

В настоящее время ДТЛ не применяется, ТТЛ вытеснены совместимыми с ними по уровням питания и сигналов сериями ТТЛШ (ТТЛ с диодами и транзисторами Шоттки (К555, К1531 и т.д.)), а n-МОП логика вытеснена КМОП (К564, К1564, К1554).

Основными параметрами, которые позволяют производить сравнение базовых ЛЭ различных серий, являются:

Ä напряжение источника питания – определяется величиной напряжения и величиной его изменения. ТТЛ – рассчитаны на напряжение источника питания равное 5 В ± 5%. Большая часть микросхем на КНОП структурах устойчиво работает при напряжении питания от 3 до 15 В, некоторые – при напряжении 9 В ± 10%;

Ä уровень напряжения логического нуля и логической единицы – это уровни напряжения, при которых гарантируется устойчивое различение логических сигналов, как нуля, так и единицы. Различают пороговое напряжение логического нуля (U0пор) и логической единицы (U1пор). Напряжение низкого и высокого уровня на выходе микросхем ТТЛ U0пор<2,4 В; U1пор>0,4 В. Для микросхем на КНОП структурах U0пор<0,3*Uпит; U1пор>0,7*Uпит. В тоже время отклонение выходных напряжений от нулевого значения и напряжения питания, достигают всего нескольких милливольт;

Ä нагрузочная способность – характеризуется количеством элементов той же серии, которые можно подключить к выходу элемента без дополнительных устройств согласования и называется коэффициентом разветвления по выходу. Для большинства логических элементов серии ТТЛ составляет 10, а для серии КМОП – до 100;

Ä помехоустойчивость – характеризуется уровнем логического сигнала помехи, которая не вызывает изменения логических уровней сигнала на выходе элемента. Для элементов ТТЛ статическая помехоустойчивость составляет не менее 0,4 В, а для серии КНОП – не менее 30% напряжения питания;

Ä быстродействие – определяется скорость переключения логического элемента при поступлении на его вход прямоугольного управляющего сигнала требуемой величины. Предельная рабочая частота микросхем серии ТТЛ составляет 10 МГц, а микросхем на КНОП структурах – лишь 1 МГц. Быстродействие определяется так же, как и среднее время задержки распространения сигнала: , где и - времена задержки распространения сигнала при включении и выключении. Для микросхем ТТЛ составляет около 20 нс, а для микросхем на КНОП структурах – 200 нс;

Ä потребляемая микросхемой от источника питания мощность – зависит от режима работы (статистический и динамический). Статистическая средняя мощность потребления базовых элементов ТТЛ составляет несколько десятков милливатт, а у элементов на КНОП структурах она более чем в тысячу раз меньше. Следует учитывать, что в динамическом режиме, мощность, потребляемая логическими элементами, возрастает;

Ä надёжность – характеризуется интенсивностью частоты отказов. Средняя частота отказов микросхем со средним со средним уровнем интеграции составляет: 1/час.

Для согласования уровня сигналов ТТЛ и КНОП применяют специальные ИМС (например, К564ПУ4).

12.      Назначение и основные функции микропроцессора?

Процессор предназначен для выполнения арифметической и логической обработки информации. Арифметические и логические операции можно выполнять как на дискретных элементах и на основе микросхем малой и средней степени интеграции, что приводит к росту размеров процессора, так и на БИС. В последнем случае говорят о микропроцессоре (МП).

К функциям микропроцессора можно отнести:

Ø  выбор из программной памяти ЭВМ команд, дешифрация и выполнение их;

Ø  организация обращения к памяти и устройствам ввода-вывода;

Ø  выполнение запросов на прерывание;

Ø  подача сигналов ожидания для синхронизации работы с медленно действующими устройствами памяти и ввода-вывода информации;

Ø  подача сигналов прямого доступа к памяти и другие сигналы;

Ø  формирование сигналов управления для обращения к периферийным устройствам.

Работа МП организуется по командам, записанным в памяти и поступающим в МП в порядке возрастания номеров ячеек, в которые они записаны.

13.      Используя команды типового МП К1804, составить программу в машинных кодах:

Ø выполнить загрузку числа 12 в ячейку Q , а 9 в РОН с адресом 3;

Ø из первого числа вычесть число 8 из шины данных, результат разместить в РОН с адресом первого числа;

Ø третье число сдвинуть на один разряд вправо и сложить с суммой первых двух чисел. Результат разместить в РОН с адресом 9.

Программа в машинных кодах

М2

Т8

Т7

Т6

М1

Т2

Т1

Т0

С

Т5

Т4

Т3

А3

А2

А1

А0

В3

В2

В1

В0

D3

D2

D1

D0

а 0 0 0 1 1 1 0 0 0 1 1 0 0
0 1 1 1 1 1 0 0 0 0 0 1 1 1 0 0 1
б 1 0 0 1 1 0 1 0 0 1 0 0 0 1 1 1 0 0 1 0 0 0
в 0 0 0 1 1 0 0 0 0 1 1 1 0 0
0 0 0 0 0 0 0 0 0 0 1 1 0 0
0 1 1 0 0 0 0 0 0 0 0 0 1 1 1 0 0 1

14.      Использованная литература

1.   «Цифровые интегральные микросхемы устройств охранно-пожарной сигнализации», В. Болгов - Воронеж 1997 г.

2.   «Основы микропроцессорной техники», В. Болгов, С. Скрыль, С Алексеенко – Воронеж 1997 г.

3.   «Цифровые устройства и микропроцессоры», учебно-методическое пособие, Болгов В.В. – Воронеж 1998 г.


© 2012 Рефераты, курсовые и дипломные работы.