рефераты
Главная

Рефераты по рекламе

Рефераты по физике

Рефераты по философии

Рефераты по финансам

Рефераты по химии

Рефераты по хозяйственному праву

Рефераты по цифровым устройствам

Рефераты по экологическому праву

Рефераты по экономико-математическому моделированию

Рефераты по экономической географии

Рефераты по экономической теории

Рефераты по этике

Рефераты по юриспруденции

Рефераты по языковедению

Рефераты по юридическим наукам

Рефераты по истории

Рефераты по компьютерным наукам

Рефераты по медицинским наукам

Рефераты по финансовым наукам

Рефераты по управленческим наукам

Психология и педагогика

Промышленность производство

Биология и химия

Языкознание филология

Издательское дело и полиграфия

Рефераты по краеведению и этнографии

Рефераты по религии и мифологии

Рефераты по медицине

Рефераты по сексологии

Рефераты по информатике программированию

Краткое содержание произведений

Реферат: Дифференциальный каскад

Реферат: Дифференциальный каскад

План:

Введение

Дифференциальный каскад:

Парные усилители и квазиидеальный дифференциальный каскад

Подавление синфазного сигнала квазиидеальным ДК

Квазиидеальный ДК и его выходной сигнал

Несовершенство простого реального ДК как причина развития техники сложных ДК

Макромодели ДК

Параметры ДК:

Усилительные параметры

Входные сопротивления

Неидеальный источник эмиттерного тока ДК

Синфазный сигнал и CMRR

Бисекция для расчета режима ДК по постоянному току

Синфазное входное сопротивление ДК

Список литературы

Введение.

       Дифференциальный каскад (ДК) представляет собой мостовую схему, в плечах которой включены идентичные элементы. В аналоговых интегральных микросхемах вследствие того, что все элементы создаются в едином технологическом процессе, практически обеспечивается идентичность резисторов и транзисторов. ДК питается от двухполярного источника питания с заземленной средней точкой, что позволяет подавать сигналы непосредственно на базы транзисторов. Если входы транзисторов заземлены, то токи транзисторов одинаковы, и вследствие идентичности резисторов Rk1 и Rk2 напряжение  на дифференциальном выходе Uвых.д меду колекторами будет равно нулю. Если на входы схемы поданы сигналы одинаковые по величине и фазе, называемые синфазными, то токи обоих транзисторов будут изменяться на одинаковую  величину, соответственно будут изменяться напряжения Uвых1 и Uвых2,а напряжение Uвых.д по-прежнему будет сохранаться равным нулю. Если на входы схемы поданы одинаковые по величине, но сдвинутые по фазе на 180* сигналы, называемые дифференциальными, то возрастание тока в одном плече будет сопровождаться уменьшением тока в противоположном, вследствие чего появится напряжение на дифференциальном выходе. Таким образом, схема в идеальном случае реагирует на дифференциальный сигнал и не реагирует на  синфазный. Изменение температуры, паразитные наводки, старение элементов, флуктуация параметров транзисторов можно рассматривать как синфазные входные воздействия. Следовательно, ДК обладает очень высокой устойчивостью работы и малочувствителен к помехам.

Дифференциальный каскад.

Парные усилители и квазиидеальный дифференциальный каскад (ДК).

     Изображенные на рисунке 1 а «почти» одинаковые транзисторы Т2 и Т1 образуют два несвязных друг с другом усилителя.

     При подаче входных напряжений  U2 и U1 напряжения на выходах усилителей Uвых2 и  Uвых1 можно записать через почти одинаковые коэффициенты усиления К1 и К2 в виде

Uвых2  = К2 * U2  ,

                                                                                    (1)

Uвых1  = К1 * U1  .


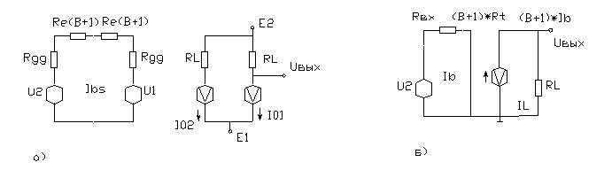
Рис. 1  Парные усилители и квазиидеальный дифференциальный каскад: а) “почти” одинаковые транзисторы Т2 и Т1; б) те же Т2 и Т1 включены в цепь сДК с идеальным генератором тока I0 в эмиттерной цепи (вместе резисторов Ree цепи а)

Разность (дифференциал) выходных напряжений составит

DUвых =Uвых2 -Uвых1  = К2 * U2  - К1 * U1 .                    (2)

Представим входные напряжения в виде суперпозиции синфазной Uс и дифференциальной Ud составляющих:

U2   = Uс  + Ud ,                                                             (3)

U1   = Uс  - Ud .

Откуда:

Ud = (U2  - U1 )/2,   Uc = (U2  + U1 )/2.                            (4)

Подставив (3) в (2), получим:

DUвых = К2 * (Uс  + Ud ) - К1 * (Uс  - Ud ) = Uс * (К2 –К1) + Ud * (К2 +К1).  (5)

Введя синфазный коэффициент усиления

Кс = К2 –К1                                                                                                          (6)

 

и дифференциальный коэффициент усиления

Кd = К2 +К1  ,                                                                  (7)          

запишем (5) в виде:

DUвых = Uс * Кс  + Ud * Кd  .                                          (8)

Пара (рис 1а) осуществляет, таким образом, вычитание сигналов на выходах усилителей; разность  DUвых (формулы 2, 8) наблюдается между коллекторными выходами транзисторов Т2 и Т1.

     Дифференциальный каскад (ДК, рис 1б) реализует вычитание сигналов на входах усилителей; разность DUвых /2 = dUвых наблюдается между коллектором Т1  и землей. При этом формулы (3-8) для ДК оказываются справедливыми (если заменить  DUвых на  dUвых = DUвых /2).

     Вследствие наличия генератора тока в квазиидеальном ДК потенциал общей точки его эмиттеров (е на рис.1б) обычно близок к нулевому.

Подавление синфазного сигнала квазиидеальным ДК.

Пользуясь (8), рассмотрим следующие частотные случаи:

1.   Если К2 = К1 (плечи одинаковы), то

   

dUвых = DUвых = Ud * Кd  .            (8а)

     При этом ДК становится идеальным, а синфазный сигнал полностью подавляется.

2.   Если  Uс = 0, то  dUвых / Ud = Uвых / Ud = Kd, где Kd  (коэффициент усиления дифференциального сигнала) определяется формулой (7). При этом синфазный сигнал  отсутствует.

3.    Если Ud = 0, то DUвых / Uс = Kс = К2 –К1. Это коэффициент усиления синфазного сигнала, определяемый формулой (6).

Для общего случая, когда присутствуют и дифференциальные и синфазные сигеналы, используем выражение  (8). Вынеся Ud * Кd за скобки, получим:

dUвых =  Ud/2  * Kd/2 * (1 + Uс*Kс / Ud*Kd ).       (9)

     Введя  в (9) коэффициент подавления синфазного сигнала (Common Mode Rejection Ratio, CMRR),

CMRR = Kd  /Kс,                          (10)

Получим:  dU0= Ud*Kd (1+ Uс/ Ud *CMRR )/2.    (11)

Второй терм в скобках выражений (8-10) для ДК весьма мал. При полной симметрии плеч и идеальном эталоне тока, подключенном к точке e рис 1б(т.е. для идеального ) имеем:

CMRR= ¥.                   (12)

Идеальный ДК и его выходной сигнал.

Сигнал, снимаемый с правого плеча ДК рис. 1б и отсчитываемый относительно земли, составляет

dUвых1 = Uвых1 = DUвых/2,            (13)

     Выразив dUвых = Uвых  и Ud по формулам (7) и (3) и введя Кn – собственный или номинальный (дифференциальный) коэффициент усиления ДК

Кn = Кd /2,                  (14)

И виртуальную разность

Un = U2  - U1 = Ud  *2,                   (15)

Получим

 dUвых = DUвых/2 = Ud  * Кd = Кn  * Un .   (16)

     У ДК Кn  достаточно велико, а Un  мало. ДК в составе операционного усилителя(ОУ) способствует обеспечению его идеальности, т.е. практической реализации виртуального нуля

Un = U2  - U1 = 0              (15а)

между входами ОУ U2   и U1.

Несовершеноство простого реального ДК как причина развития техники сложных ДК.

     Создание «идеального» ОУ связано с выполнением требований, относящихся к технике ДК и касающихся реализации:

1.   идеального источника эмиттерного тока;

2.   «бесконечно высокого» входного сопротивления;

3.   «бесконечно высокого» усиления.

Очевидно, два последних требования взаимно противоречивы, поскольку диктуемый вторым требованием микромощный режим входного ДК связан с резким снижением его крутизны. Поэтому возникает проблема реализации

4.   «предельно высоких» значений RL при условии идентичности нагрузок плец ДК.

   Практическое воплощение  простого  ДК(рис 1б) не удовлетворяет вышеперечисленным требованиям 1-4.

     Техника сложных ДК предусматривает применение электронных схем – эквивалентов, замещающих элементы рис 1б. Таковые эквиваленты реализуемы с помощью системы зеркал  с различными показателями и питанием от одного источника тока.

Макромодели ДК.


На рис. 2а показана макромодель ДК с источниками входных сигналов U2   и U1.

Рис 2. Макромодели ДК: а) модель с двумя источниками входных чигналов и постоянной составляющей токов выходных плеч; б) малосигнальная модель проходжения дифференциального сигнала

     Эти сигналы (U2   и U1)  включены навстречу друг другу. Предположим, что U2   немного превыает U1. Тогда через  каждую из базовых цепей Т1 и Т2 (рис. 1б) потечет полный базовый ток Ibs, cостоящий из постоянной составляющей

Ibd = I0/2*(b+1)           (17)

И малого  переменного сигнала Ib. Таким образом,

Ibs = Ibs+Ib.                     (18)

Этот ток вызовет появление коллекторных  токов левого плеча ДК

I02 = Ibd*b + Ib*B          (19)

И правого плеча ДК

I01 = Ibd*b - Ib*B.          (20)

В предположении b >>1 запишем для напряжения на выходе цепи рис. 2б:

Uвых = Е2 – (I0/2) * RL - Iвых1 * RL.   (21)

Подстановка (17) в (20)  и в (21) дает

Uвых = Е2 – (I0/2) * RL - I0*RL*b/2*(b+1) + Ib*B* RL.   (21a)

     Отсюда приращение млого выходного сигнала правого плеча ДК при изменении Ib составит:

dUвых =  Ib*B* RL.                                      (22)

Непосредственно из рис. 2а имеем:

Ib = (U2  - U1 )/2 * [Rgg + Re(B+1)]  = Ud  /Rвх.                    (23)

Где   Rвх = Rt*(B+1).                              (23а)

     Подставив (23) в (22)   при B>>1 получим:

dUвых =Ud*RL/Rt;                           (24)

Kd = dUвых /Ud  = RL/Rt= Sd * Rl,               (25)

Где

Sd = 1/Rt .              (26)

Параметры ДК.

Усилительные параметры.

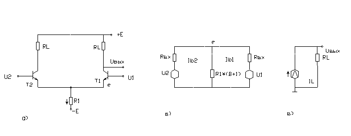
     Произведем бисекцию цепи рис 2б, отбросив входную цепь и заменив ее (рис 3) в соответствии с (22)  эквивалентным генератором, работающим непосредственно на нагрузку RL.


Рис.3 Преобразование линейной макромодели рис. 2б путем замены входной цепи эквивалентным генератором

     Предполагая, что режим ДК микротоковый, т.е. справедливо допущение Rt » Re, из (25) и (26) получим:

Kd = RL/Rе =  I0* RL/2*jт                         (27)

Sd = I0/2*jт .                               (28)

       На основании (14) для номинальных значений усиления и крутизны получим:

Kd = I0* RL /4*jт ,                                   (29)

Sd = I0/4*jт .                               (30)

     Из (27-30) видно, что с уменьшением I0  (при переходе в микромощный режим)  усиление и крутизна ДК падают. Единственный шанс обеспечить желаемые величины этих параметров – увеличить RL.


Входные сопротивления.

     Входное сопротивление микромощного ДК для дифференциальног сигнала определим как

Rвхd = Ud/Ib= Re*(B+1)= (B+1)*2*jт / I0.          (31)

     

      С учетом (15) аналогичным образом  определяется  номинальное входное сопротивление:

                    

 Rвхn = Un/Ib= 2*Re*(B+1)= 2*Rвхd = (B+1)*4*jт / I0.        (32)

Из (31) (32) видно, что для увеличения входных сопротивлений ДК необходимо увеличивать В. Таоке увеличение возможно при использовании транзисторов с тонкой базой (супербета БТ).

Неидеальный источник эмиттерного тока ДК.

     Выше уже говорилось о том, что любая  ассиметрия плеч ДК приводит к появлению синфазного усиления и снижению CMRR. Такого вже влияние «осевой» несимметрии, т.е. неидеальность генератора тока в эмиттерной цепи ДК (рис 4а). Эту  неидеальность учтем, поместив (рис 4б) резистор R1*(B+1) во входную цепь изученной ранее (рис 2а) модели. В этом случае  плечи ДК оказываются связанными; базовые точки Ib2 и Ib1 транзисторов Т1 и Т2 будут суммироваться на резисторе R1*(B+1).   Выходную цепь представим правым плечом ДК с генератором тока, управляемым Ib1 (рис 4в).

     Модель рис 4б-в пригодна для описания ДК, когда действуют входные сигналы U1 и U2, содержащие и синфазную и дифференциальную составляющие.

Рис. 4 Появление синфазного сигнала при неидеалоьном источнике тока в эмиттерных ДК: а) резистор R1, подключенный к точке е, заменил источник тока; б) модель входной цепи; в) модель выходной цепи


    Но дифференциальные составляющие входных сигналов обусловят противофазные токи через резистор R1; сумма этих токов окажется равной нулю и таким же будет падение напряжения на резисторе R1 (резистора как бы нет). Синфазные компоненты входных сигналов, наоборот, будут создавать суммарное падение напряжения на резисторе R1.

Синфазный сигнал и CMRR.

    Таким образом, суммарное падение напряжения на резисторе 

 R1*(B+1) создают лишь синфазные составляющие Ib2c, Ib1c базовых токов плеч ДК, причем

Ib2c= Ib1c= Ibc.                        (33)

     Модель рис 4б подвергнем бисекции применительно к синфазному сигналу. Для этого заменим левую половину входной цепи током Ib2c= Ibc левого контура, создающим вместе  с током Ib1c= Ibc на общем резисторе (в точке е) такое же напряжение 2*Ibc*R1*(B+1),  какое было до  бисекции модели. Получившаяся модель (рис 5а) описывает лишь проходжение синфазного сигнала.

   


Рис. 5 Бисекция модели рис. 4 для синфазного сигнала: а) одинаковые синфазные компоненты контурных токов Ib2 и Ib1 суммируются на общем резисторе плеч ДК; б) одноконтурная входная цепь – результат бисекции; в) выходная цепь ДК для синфазного сигнала

     Бисекция позволяет заменить сумму синфазных токов удвоением величины сопротивления резистора общей цепи (рис 5б). Выходная цепь для синфазного сигнала (рис 5 в) сощдает на выходе ДК синфазные составляющие тока Iвыхc и напряжения Uвыхс.

      На основании рис 5 найдем усиление синфазного сигнала

Кс = Uвыхс/ U1с= RL*I0c/ Ibc*(B+1)*( Re+ 2* R1) = RL*B*Ibc/ Ibc*[ Rвх+ 2* R1*(B+1)].                         (34)

Если В>>1, Rвх » В * Rвх, то:

Кс = RL/2* R1 + Rе.                            (35)

На основании формулы (27)

CMRR = Кd/Кс= RL*( Re+ 2*R1)/ Re*RL= 2*R1/ Re+1.         (36)

Таким образом, поскольку CMRR >>1, имеем:

CMRR» 2*R1/ Re.               (37)

    Из (37) видно, что для увеличения CMRR надо увеличивать  R1, т.е. заменить R1эталоном тока.

     C повышением рабочей частоты  падает CMRR вследствие влияния емкости, шунтирующей R1 или заменяющий этот резистор эталоном тока.

Бисекция для расчета режима ДК по постоянному току.

    Для расчета режима ДК по постоянному току заменим правый БТ (рис 4а) током его эмиттера. Двойной ток Iе учтем путем удвоения номинала резистора R1 (рис 6).


Рис. 6 Бисекция для расчета режима ДК по постоянному току

     Для микрокороткого режима Rt = Re, поэтому

Ie = -E1 – U*/ 2*R1 + Re.                   (38)

   Имеем также:

Ib = Ik /b; Ik = Ie + Ib.

Синфазное входное сопротивление ДК.

     Из рис. 2б и формулы (32) мы видели, что

Rвхn = 2*(B+1)* Re, откуда

Re= Rвхn/2*(В+1).                                  (39)

В то же время из (37) следует, что

R1= Rе*CMRR/2.                            (40)

Подставив  в (39) выражение  (40), получим:

Rвхс = U1с/ Ibс = 2*R1*(В+1) + Rвх »2*R1*(В+1).               (41)

Подставив (40) в (41), получим:

Rвхс » Rвхn*CMRR/2.                         (42)


Рис. 7 Модель входной цепи ДК

     Исходя из выражения (42), мы можем построить модель входной цепи ДК (рис 7).

     Мы видим,  что Rвхс >>Rвхn. Поэтому Rвхс пренебрегают всегда.

Использованная литература:

-          Радиоматериалы, радиокомпоненты и электроника : Учебное пособие / К.С. Петров. – СПб.: Питер, 2003.-512 с.: ил.

-          Основы микросхемотехники. – 3-е изд., перераб. и доп.       

         / А.Г. Алексенко. – М.: Юнимедистайл, 2002. – 448 с.:  

         ил.


© 2012 Рефераты, курсовые и дипломные работы.