рефераты
Главная

Рефераты по рекламе

Рефераты по физике

Рефераты по философии

Рефераты по финансам

Рефераты по химии

Рефераты по хозяйственному праву

Рефераты по цифровым устройствам

Рефераты по экологическому праву

Рефераты по экономико-математическому моделированию

Рефераты по экономической географии

Рефераты по экономической теории

Рефераты по этике

Рефераты по юриспруденции

Рефераты по языковедению

Рефераты по юридическим наукам

Рефераты по истории

Рефераты по компьютерным наукам

Рефераты по медицинским наукам

Рефераты по финансовым наукам

Рефераты по управленческим наукам

Психология и педагогика

Промышленность производство

Биология и химия

Языкознание филология

Издательское дело и полиграфия

Рефераты по краеведению и этнографии

Рефераты по религии и мифологии

Рефераты по медицине

Рефераты по сексологии

Рефераты по информатике программированию

Краткое содержание произведений

Реферат: Электропривод и обрабатывание фурмы(расчет)

Реферат: Электропривод и обрабатывание фурмы(расчет)

1. КРАТКАЯ ТЕХНОЛОГИЯ, МЕХАНИЧЕСКОЕ УСТРОЙСТВО, ТРЕБОВАНИЯ К ПРИВОДУ


Фурма предназначена для подачи кислорода в конвертер с интенсивностью до 1500 м3/мин и представляет из себя выполненную из меди (для лучшей теплопроводности) трубу. Каждый конвертер имеет две водоохлаждаемые фурмы. Каждая фурма снабжена независимым электроприводом. Одна фурма рабочая, другая резервная. Масса фурмы достигает 4 тонн, масса контргруза 2,5 тонн. Максимальная скорость перемещения фурмы равна 1 м/сек. При подходе фурмы к зеркалу металла (так называют поверхность жидкого металла) для её точной остановки на заданном уровне скорость опускания снижается до 0,2 м/сек.

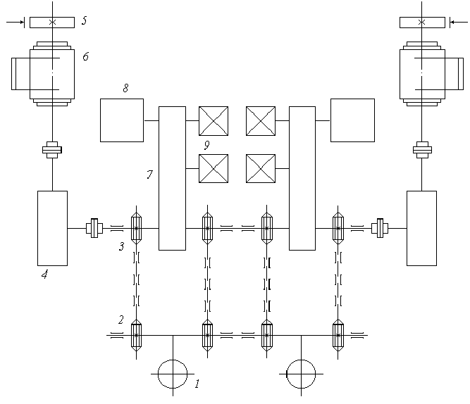
В качестве примера можно привести кинематическую схему приводов фурм конвертера на 250 тонн, по [1], стр. 68, рис. 27.

рис. 1.1

На кинематической схеме обозначено: 1 - фурма, 2 - звёздочка обводная (на старых моделях конвертеров применялась цепная передача, сейчас применяется тросовая), 3 - звёздочка приводная, 4 - силовой редуктор, 5 - тормоз, 6 - двигатель, 7 - кинематический редуктор, 8 - командоаппарат, 9 - сельсин.

На приводе каждой фурмы установлен двигатель постоянного тока с независимым возбуждением типа ДП-52 (32 кВт, 220 В, 760 об/мин). С приводом связаны многоцепной командоаппарат КАР-46 и два сельсина-датчика БД404А.


На рис. 1.2 приведена тахограмма работы заданного привода.


рис. 1.2


На рис. 1.3 приведена нагрузочная диаграмма работы привода.

рис. 1.3


Ммах = 0,9 кН*м, Uмах = 0,6 м/с, Uср = 0,5 м/с, Uмин = 0,1 м/с, темп разгона один и тот же = 0,5 м/с2.


Электрооборудование приводов фурм относится к потребителям первой категории (запитывается от двух независимых линий) и должно обладать максимальной надежностью, так как при отказе возможны аварии вплоть до взрыва при попадании воды в конвертер (при перегреве и расплавлении фурм - они ведь сделаны из меди, а рабочая температура конвертора 1550 - 16000 С) водоохлаждаемых фурм. На зарубежных фирмах иногда применяются устройства бесперебойного питания двигателей на аккумуляторах.


10. НАЛАДКА

ЭЛЕКТРООБОРУДОВАНИЯ


Наладка реверсивных преобразователей.

1. Внешний осмотр и паспортизация. Преобразователь осматривается внешне на предмет целостности деталей, комплектности, отсутствие видимых повреждений изоляции и приборов. При паспортизации проверяется соответствие данных поступившего преобразователя монтажному проекту.

2. Проверка сопротивления изоляции. Производится мегометром на 1000 В. Перед произведением измерений необходимо вынуть все электронные блоки, закоротить все тиристоры и автоматические выключатели. Преобразователь отключен от сети и заземлен. Проверяется сопротивление изоляции между силовой частью и корпусом, вторичными цепями и корпусом, силовой частью и вторичными цепями.

3. Испытание изоляции повышенным напряжением промышленной частоты. Uисп = 1,8 кВ. Напряжение плавно повышается до Uисп и удерживается на данном уровне 1 минуту, после так же плавно снижается до 30% Uисп , тогда отключается.

4. Проверка защит. Проверяется исправность реле защит, соответствие их данных и типа нужным, данные элементов защиты (межфазных емкостей, например).

5. Фазировка. Может производится специальным прибором - фазометром.

6. Проверка правильности подключения трансформатора собственных нужд. Проверка группы соединения трансформатора собственных нужд, обеспечивается ли угол сдвига фаз  = 30 0.

7. Наладка СИФУ. Состоит из нескольких пунктов.

7.1. Внешний осмотр блоков СИФУ. Производится также и с такими же целями, как и внешний осмотр всего преобразователя.

7.2. Измерение сопротивления изоляции электронных блоков. Производится мегометром на 100 В. Из-за опасности повреждения дорогих электронных блоков обычно проверяются не они сами, а гнёзда, в которые они вставляются. А чаще всего проверяют просто тестером между корпусом и плюсовым входом питания, проверяя только отсутствие пробоев.

7.3. Проверка выходных напряжений источника питания, измерение величины пульсаций выпрямленного напряжения и регулирование (если необходимо) электролитического конденсатора на выпрямителе.

7.4. Наладка генераторов развертки. Проверятся для генератора синусоидальной развертки форма получаемой на выходе синусоиды, для генератора пилообразной развертки одинаковый угол наклона импульсов во всех каналах. Параметры генераторов развертки регулируются путем изменения значений R или C.

7.5. Наладка согласующего элемента. Изменение опорного напряжения - настройка мах , номмин . Производится настройкой потенциомеров в цепях СЭ.

7.6. Настройка формирователя импульсов. Проверяется (и настраивается) форма импульсов (наличие узкого и высокого фронта сигнала - для быстрого открывания тиристора, наличие небольшого отрицательного уровня сигнала в свободном состоянии - до импульса и после - для лучшей помехозащищенности и так далее).

7.7. Проверяется распределитель импульсов. Так как он представляет из себя импульсный трансформатор, то проверка сводится к определению его исправности.

8. Проверка регулировочного диапазона преобразователя, на холостом ходу, измерение статических уравнительных токов.

9. Испытание преобразователя в режиме короткого замыкания. Выход преобразователя закорачивается, мах = начальному углу. Токи плавно поднимают до номинальных и проверяется асимметрия фазных токов. Не должно быть больших искажений и фазные токи не должны сильно отличаться друг от друга.

10. Построение характеристик преобразователя при работе на нагрузку, причем нагрузка должна по характеру (соотношение активной - реактивной частей сопротивления) соответствовать номинальной (рабочей).

11. Если нужно, то производится проверка преобразователя на параллельную работу.


11. ТЕХНИКА БЕЗОПАСНОСТИ ПРИ РЕМОНТАХ И ЭКСПЛУАТАЦИИ


Мероприятия по технике безопасности делятся на технические и организационные по [8].

К техническим мероприятиям, обеспечивающим безопасность оперативных и ремонтных работ относятся:

а) производство необходимых отключений (отключение рубильника на подстанции и автоматических выключателей силовых и оперативных цепей) и принятие мер, препятствующих подаче напряжения к месту работы вследствие ошибочного или самопроизвольного включения коммуникационной аппаратуры;

б) вывешивание плакатов: “Не включать - работают люди”, “Не включать - работа на линии”, “Не открывать - работают люди” и при необходимости установка ограждений;

в) присоединение к “земле” переносных заземлений. Проверка отсутствия напряжения на токоведущих частях, на которые должно быть наложено заземление (в нашем случае на силовых шинах преобразователя);

г) наложение заземлений (после проверки отсутствия напряжения), то есть включение заземляющих ножей (в нашей установке их нет), там, где они отсутствуют, наложение переносных заземлений;

д) ограничение рабочего места и вывешивание плакатов: “Стой - высокое напряжение”, “Не влезай - убьет”, “Работать здесь”, “Влезать здесь”. При необходимости, производится ограждение оставшихся под напряжением токоведущих частей, в зависимости от местных условий установка этих ограждений производится до или после наложения заземлений.

К организационным мероприятиям обеспечивающим безопасность работ в электроустановках относятся:

а) оформление работы нарядом или распоряжением;

б) допуск к работе;

в) надзор во время работы;

г) оформление перерывов в работе, переводов на другое рабочее место, окончания работы.

Правильное и четкое следование этим правилам позволит свести вероятность поражения работающих электрическим током до минимума.


2. ВЫБОР РОДА ТОКА И ВЕЛИЧИНЫ НАПРЯЖЕНИЯ


На металлургическом производстве применяются привода как переменного, так и постоянного тока. Каждый вид привода обладает своими достоинствами и недостатками.

Привод переменного тока прост и надёжен, удобен и нетребователен в эксплуатации, прост в подключении (основной род тока питающей сети: переменный 50 Гц), но возможности регулировки скорости вращения весьма ограничены и нет простого способа плавного регулирования частоты вращения.

Привод постоянного тока более гибок: двигатели по своему устройству допускают плавное регулирование скорости в широких пределах, большая допускаемая перегрузка по току позволяет создавать двигатели с высокой перегрузочной способностью, но за данные преимущества приходится платить большей сложностью двигателя (из-за наличия коллектора), трудностями в обслуживании и ремонте (машина постоянного тока слывет своенравной и капризной).

В соответствии с требованиями технологии, механизмы привода фурм должны позиционироваться с большой точностью (до нескольких сантиметров), что пока не могут обеспечить приводы переменного тока, хотя известны попытки замены приводов постоянного тока приводами системы ЧП-Д (частотный преобразователь - двигатель, например НПЧ - непосредственный преобразователь частоты). Таким образом для привода фурмы принимается привод постоянного тока.

Так как мощность двигателей привода невелика (менее 250 кВт), то для его питания потребуется напряжение < 1 кВ. Стандартный ряд напряжений допускает значения в 220, 440 и 660 В (на трамваях). Для крановых механизмов (и механизмов подьёма-спуска) применяются в основном 2 первых значения напряжения. Так как мощность двигателя по всей видимости, будет менее 100 кВт, для его питания хватит напряжения 220 В.

Вывод: применяется привод постоянного тока на напряжение 220 В.


3. РАСЧЕТ И ВЫБОР МОЩНОСТИ ДВИГАТЕЛЯ


3.1. Определяем эквивалентный момент двигателя, Мэ

(3.1)

где = 0,7 - коэффициент, учитывающий ухудшение условий охлаждения во время переходных процессов (по [2], стр. 10)

Мп - пусковые моменты

Мт - тормозные моменты

Му - моменты установившихся режимов

Все значения моментов берутся из задания.

tп - время пусков

tт - время тормозных режимов

tу - время установившихся режимов

Все значения времен берутся также из задания.

= 0,65 кН*М

3.2. Определяем скорость двигателя, n, об/мин:

(3.2)

где i - передаточное соотношение редуктора

Д - диаметр барабана, м

- скорость движения, м/сек.

Все данные берутся из задания.

В соответствии с заданной тахограммой выделяем 3 скорости: максимальную (0,6 м/с), среднюю (0,5 м/с) и минимальную (0,1 м/с).



3.3. Определяем продолжительность включения привода:

(3.3)

где tраб - общее время работы

tц - время цикла

по тахограмме tц=28,7 сек, tраб=12,7 сек.


3.4. Производим пересчет момента на стандартную продолжительность включения:

(3.4)

кН*М


Определяем мощность двигателя, Р, кВт

(3.5)

кВт

В соответствии с пунктом 2.1 методразработки ([2], стр. 4, пункт 2.1) увеличиваем мощность двигателя на 20% (из-за дополнительного нагрева пульсациями выпрямленного тока при системе ТП-Д).

Р / = Р*1,2 = 49,22*1,2 = 59,06 кВт


3.5. По каталогу, [3], стр. 408, приложение 7, выбираем двигатель постоянного тока типа П102. Его данные заносим в таблицу:


Таблица 3.1


тип

Р, кВт

об/мин

Iя ном, А

U, В

Rя, Ом

Rов, Ом

Iов, А

П102

55

750

286

220

0,0311

32,5

4,84


Максимальная скорость двигателя в приводе равна 687,55 об/мин, а максимальная скорость самого двигателя 750 об/мин, то есть в относительных единицах:


nmax = nmax / nном = 687,55/750 = 0,92


Минимальная скорость:

nmin = nmin / nном = 114,59/750 = 0,15


Диапазон регулирования скорости:

nmax / nmin = 687,55/114,59 = 6,00


4. ВЫБОР ОСНОВНОГО СИЛОВОГО ОБОРУДОВАНИЯ


4.1. Выбор тиристорного преобразователя

Учитывая, что использована однозонная система регулирования (т. к. максимальная скорость двигателя в относительных единицах nмах = 0,92 < 1), следовательно магнитный поток двигателя постоянный, определяем постоянную СмФ и строим нагрузочную диаграмму токов:

(4.1)

Н*м

По каталогу номинальный ток двигателя 286 А.

Мном = СмФ*Iном , СмФ = Мном / Iном (4.2)


СмФ = 700,33 / 286 = 2,45

Величина СмФ безразмерная и представляет собой постоянную, на которую надо умножить значения моментов на нагрузочной диаграмме для преобразования её в диаграмму токов.

Выполнив эти действия, получим диаграмму токов (на рис. 4.1).


рис. 4.1

Определяем среднеквадратичный ток двигателя.

(4.3)



= 251,43 А


В соответствии с пунктом 2.2 методразработки по [4], стр. 14, выбираем преобразователь типа КТЭУ 320/230 (комплектный тиристорный электропривод универсальный). Его данные: Id = 320 А, Ud = 230 В, = 2,25 (значение перегрузочной способности взято из [2], стр. 5, табл. 1).

Нужно произвести проверку правильности выбора преобразователя, проверку соответствия трём условиям:

Id н  Iном 320>286

Ud н Uном 230>220

 Id н Iмах 2,25*320=720>367,35


4.2. Выбор питающего трансформатора

Вторичное линейное напряжение трансформатора может быть определено по [2], стр. 6, табл. 4, для номинального напряжения преобразователя в 230 В оно составляет 205 В.

Максимальное значение выпрямленного напряжения по [2], пункт 2.3, стр. 6, определяется по формуле:

Ud0 = U2ф * кв (4.4)

где кв - коэффициент выпрямления, для трёхфазной мостовой схемы (в преобразователе КТЭУ применена такая) он равен 2,34.

Ud0 = 118,36*2,34 = 276,95 277 В

Определяем мощность трансформатора по формуле из [2], пункт 2.3, стр. 6:

S = кп * Ud0 * Idн (4.5)

где кп - коэффициент использования трансформатора, по [2], пункт 2.3, стр. 6, лежит в пределах 0,6...0,8 (при нагрузке в 60-80% от номинальной КПД трансформатора максимален).

S = 0,8 * 277 * 320 = 70900,46 В*А 71 кВ*А

По [2], пункт 8.2.2, стр. 12, первичное напряжение при S < 250 кВ*А принимаем в 380 В.

По [4], стр. 271, табл. 8.5, выбираем трансформатор типа ТСП-100/0,7-УХЛ4, данные сводим в таблицу:


Таблица 4.1


Тип

ном. S, кВ*А

вентильная обмотка

U, B I, А

потери, Вт

Рх.х. Рк.з

Uк, %

Iх,х, %

U1, В

ТСП-100/0,7-УХЛ4


93


205


262


440


2300


5,8


5


380


4.3. Построение регулировочной характеристики преобразователя, определение мин ,мах

Определяем циклическую номинальную, максимальную и минимальную скорости:

 = n / 9,55 (4.6)

ном = nном / 9,55 = 750 / 9,55 = 78,53 рад/сек

мах = nмах / 9,55 = 687,55 / 9,55 = 71,99 рад/сек

мин = nмин / 9,55 = 114,59 / 9,55 = 12 рад/сек


Номинальное сопротивление двигателя (по закону Ома):

Rном дв = Uном / Iном = 220 /286 = 0,77 Ом


Определяем КПД двигателя номинальный:

ном = Рном / (Uном * Iном) = 55000 / (220 * 286) = 0,87 = 87 %


Сопротивление якоря:

zя дв = 0,5 (1-ном) Rном дв (4.7)

zя дв = 0,5 (1- 0,87) 0,77 = 0,05 Ом


Определяем постоянный коэффициент к*Фном :


к*Фном = (4.8)

к*Фном = = 2,62 В*с / рад


Определяем максимальное и минимальное напряжение преобразователя:

Ud = к*Фном *  (4.9)

Ud мах = 2,62 * 78,53 = 205,7 В

Ud мин = 2,62 * 12 = 31,43 В

Для определения минимального угла регулирования преобразователя принимается напряжение на 10% выше напряжения, обеспечивающего максимальную скорость, для обеспечения возможности форсировки по [2], стр. 13:

= Ud мах * 1,1 = 205,7 * 1,1 = 226,27 В


Используя арккосинусы можно рассчитать минимальный и максимальный углы регулирования преобразователя аналитическим методом, не строя регулировочную характеристику.

cos a = Ud / Ud 0 (4.10)

cos aмах = Ud мин / Ud 0 = 31,43 / 277 = 0,11 , aмах = 83,48 0

cos aмин = Ud мах / Ud 0 = 226,27 / 277 = 0,82 , aмин = 35,23 0


4.4. Выбор сглаживающего реактора

Определяем критическую индуктивность:

(4.11)

где n - число пульсаций выпрямленного напряжения, для мостовой схемы n = 6.

мГн

Определяем индуктивность цепи якоря:

(4.12)

где -коэффициент, зависящий от компенсирования обмотки, 0,1...0,2

p - число полюсов, по [3] = 2

мГн

Определяем индуктивность реактора:

L р = L кр - Lя (4.13)

L р = 0,54 - 0,49 = 0,05 мГн

Так как требуемая индуктивность реактора крайне мала, то реактор можно не выбирать - ограничение зоны прерывистого тока будет обеспечено за счет собственной индуктивности якоря.


5. ВЫБОР САР , СТАТИЧЕСКИЙ

РАСЧЕТ САР.


5.1 В соответствии с заданием строим двухконтурную схему САР с внешним контуром скорости и внутренним контуром тока. Для обеспечения заданного темпа разгона использован задатчик интенсивности. Принципиальная схема САР представлена в приложении, лист1.

Некоторые пояснения и упрощения: на схеме тиристорный преобразователь представлен как пропорциональное звено с постоянным коэффициентом усиления (что справедливо, если привод работает только в режиме непрерывного тока - что обеспечивается индуктивностью цепи якоря, по пункту4.4). Так как система регулирования однозонная и магнитный поток постоянен, то есть момент двигателя пропорционален току якоря, а скорость вращения пропорциональна ЭДС, то двигатель может быть представлен упрощенной функциональной схемой.

При построении системы в качестве датчика тока использован датчик типа S402A,

в качестве датчика напряжения (ДНС) использован датчик типа S402 со стандартным коэффициентом усиления 1,

в качестве ячейки гальванической развязки (ЯРГ) использован датчик напряжения типа S402 со стандартным коэффициентом усиления 1,

в качестве делителей использованы делители типа S400 (ДНЗ, ДНОС).

Резисторы в делителях выбираются путём расчёта.

В качестве тахогенератора выбран тахогенегатор с крутизной характеристики  = 0,15 В/об/мин.

Напряжение питания схемы составляет 24 В.


5.2 Расчёт датчика тока, ограничение регулятора скорости

По нагрузочной диаграмме максимальный ток 367 А. По [2], раздел 5, стр. 8, выбираем шунт типа ШС-75 на ток Iш ном = 500 А. Номинальное падение напряжения при номинальном токе для шунтов этого типа составляет = 75 мВ.

Коэффициент шунта равен:

(5.1)

В/А

Принимая желаемый выход датчика при максимальном токе равным 10 В, определяем желаемый коэффициент датчика тока:

(5.2)

где Uш мах= Кш * Iмах = 0,15*10-4*367 = 0,055 В

Выбираем стандартный коэффициент датчика тока = 150, по номинальному ряду в [2], раздел 5, стр. 8.

Тогда выход шунта при номинальном токе двигателя равен:

Uд т ном = Ку дт * Кш * Iном (5.3)


Uд т ном = 150 * 0,15*10-4*286 = 6,44 В

При максимальном токе:

Uд т мах = Ку дт * Кш * Iмах (5.4)


Uд т мах = 150 * 0,15*10-4*367 = 8,26 В

Обеспечивая возможность форсировки и учитывая недоиспользование двигателя и преобразователя по перегрузочной способности принимаем ток ограничения на 20% выше максимального.

Iогр = Iмах *1,2 = 367 *1,2 = 440,4 А

U /д т мах = Uд т мах * 1,2 = 8,26 * 1,2 = 9,91 В

Принимаем сопротивление R11 = R9, то есть R11 = R9 = 20 кОм.

Ограничение регулятора скорости принимаем равным 10 В.


5.3 Расчёт цепи обратной связи по скорости, напряжения выхода задатчика интенсивности (ЗИ)

Определяем напряжение выхода тахогенератора при максимальной скорости двигателя:

Uтг мах =  * nмах (5.5)


Uтг мах = 0,15 * 687,55 = 103,13 В

Выбираем сопротивление делителя ДНОС, принимая Uвых = 8 В,

Rвых = 1 кОм.

(5.6)

, 2*R1 + 1 = 103,13 / 8 , R1 = 5,95 кОм

На рисунке 5.1 показана схема делителя ДНОС:

рис. 5.1

Выбираем резистор типа МЛТ из стандартного ряда из [2], раздел 5.2, стр. 8. Стандартный номинал резистора 6,2 кОм.

Определяем ток делителя (по закону Ома), значения сопротивлений подставляем в кОмах, ток получаем в мА:

мА

Определяем максимальное напряжение выхода делителя, также по закону Ома:

Uвых. мах = I*Rвых = 7,7*10 -3 *1*103 = 7,7 В

Выход датчика скорости на минимальной скорости. Для этого необходимо выход датчика на максимальной скорости поделить на величину, обратную диапазону регулирования или просто разделить на диапазон регулирования. По пункту 3.5 диапазон регулирования равен 6:

Uвых. мин = Uвых. мах / 6 = 7,7 / 6 = 1,28 В

Принимая сопротивление R12 равным R7, то есть R12 = R7 = 20 кОм, получаем необходимый выход задатчика интенсивности:

при максимальной скорости Uвых. ЗИ мах = 7,7 В

при минимальной скорости Uвых. ЗИ мин = 1,28 В.


5.3 Расчёт цепи задания

Учитывая, что коэффициент ЯРГ (ячейки развязки гальванической) = 1, рассчитываем делитель ДНЗ аналогично расчёту делителя ДНОС при желаемом напряжении выхода Uвых = 7,7 В и напряжении питания Uпит = 24 В:

R1 делителя ДНЗ = 1,06 кОм, Rстанд = 1,1 кОм типа МЛТ по [2], раздел 5.2, стр. 8.

Аналогично, максимальное напряжение выхода делителя равно:

Uвых. мах = I*Rвых

мА

Uвых. мах = I*Rвых = 7,5*10 -3*1*103 = 7,5 В


5.4 Расчёт параметров ЗИ

Темп разгона привода определяется по заданной тахограмме. Нарастание напряжения ЗИ определяется как отношение максимального напряжения на время разгона привода до максимальной скорости:

В/сек

Нужно рассчитать ёмкость конденсатора С1 . Принимаем напряжение ограничения Uогр = 5 В, R3 = 50 кОм.

(5.7)

Ф = 15,58 мкФ

Выход ЗИ при максимальной скорости составляет Uвых = 7,7 В, а напряжение задания Uвх = 7,5 В. Задаваясь сопротивлением R1 = 20 кОм, выбираем сопротивление R6 :

(5.8)

кОм

Получение минимальной скорости привода осуществляется путём введения сопротивления R2 в цепь задания, при этом выход ЗИ должен составлять Uвых = 1,28 В:

(5.9)

кОм

Поскольку кроме минимальной скорости (0,1 м/сек) есть ещё и средняя (0,5 м/сек), то необходимо поделить общее сопротивление R2 на два - сопротивление для получения средней скорости, назовём его Rср и сопротивление R2 в сложении с ним дающее 100,29 кОм.

Определим выход датчика скорости (и, соответственно, ЗИ) при средней скорости.

nср / nмах ; 527,96 / 687,55 = 0,77;

Uвых. ср = Uвых. мах * 0,77 = 7,7*0,77 = 5,93 В

По той же формуле определим значение Rср :

кОм

Столь малое значение сопротивления объясняется тем, что средняя скорость составляет примерно 80 % от максимальной, которая обходится без резистора вообще.

Итак Rср + R2 = 100,29 кОм, отсюда R2 = 100,29 - 5,97 = 94,32 кОм. Как это будет выглядеть, показано на рисунке 5.2:

рис. 5.2

Так как операционный усилитель А3 является инвертором и повторяет сигнал, лишь изменяя его знак, то сопротивления R4 и R5 выбираются одинаковыми и равными R4 = R5 = 20 кОм.


6. ВЫБОР РЕЛЕЙНОЙ СХЕМЫ,

КРАТКОЕ ОПИСАНИЕ РАБОТЫ


Релейная схема привода приведена в приложении, лист 2.

Некоторые пояснения к схеме:

KV1 - реле защиты от превышения напряжения тиристорного преобразователя.

KV2 - реле ЭДС преобразователя.

KV3 - реле ЭДС двигателя.

KA - реле максимальной токовой защиты.

KA1 - реле минимальной токовой защиты (контроля тока возбуждения).

KM - силовой контактор. Обеспечивает сборку схемы тиристорный преобразователь - двигатель, подключает двигатель к преобразователю (и отключает его). в его цепи питания есть контакт реле KL5 контролирующего правильность сборки схемы - подачу напряжения, разрешение работы привода, блокировки других схем и тому подобное.

КМ1 - контактор динамического торможения.

KL1, KL2 - промежуточные реле направления, определяющие полярность задания САР. Путевые выключатели SQ 2, SQ 3 обеспечивают остановку при ходе вперед и назад соответственно, SQ 1 определяет переход на ползучую скорость при ходе вперед.

KL3 - реле малой скорости при ходе вперед (обеспечивает введение сопротивления R2 в цепь задания).

KL4 - реле средней скорости при ходе вперед (обеспечивает введение сопротивления Rср в цепь задания).

KL5 - реле контроля правильности сборки схемы.

KL6 - реле, определяющее вертикальное положение конвертера (с помощью контакта конечного выключателя SQ) и разрешающее запуск двигателя.

YA - электромагнитный тормоз, фиксирующий верхнее и нижнее положение фурмы.

VD-R - цепь защиты от превышения напряжения у обмотки возбуждения двигателя (и такая же у катушки электромагнита).

HL1 - подание напряжения на двигатель (отключение ламп 1-3 свидетельствует о динамическом торможении).

HL2 - ход вперед.

HL3 - ход назад, HL4 - подача питания на схему.


7. РАСЧЕТ И ВЫБОР АППАРАТУРЫ УПРАВЛЕНИЯ И ЗАЩИТЫ


7.1. Выбор максимального токового реле

Выбор реле осуществляется исходя из номинального тока двигателя и уставки срабатывания. Номинальный ток двигателя 286 А (пункт 3.5.).

Уставку срабатывания реле принимаем на 10% выше тока ограничения, равного 440,4 А (пункт 5.2.).

Iуст = 1,1 * Iогр = 1,1 * 440,4 = 484,44 А

По [5], стр. 76, выбираем реле типа РЭВ 571 (постоянного тока) с самовозвратом, на номинальный ток 440 А, с регулируемой в пределах (0,7-3) Iном реле уставкой - в нашем случае 1,1 Iном реле .


7.2. Выбор минимального токового реле

Номинальный ток возбуждения двигателя составляет 4,84 А - двигатель работает без ослабления поля.

Уставка реле на отпадание принимаем равной 0,5 * Iном возб .

Iуст = 0,5 * Iном возб = 0,5 * 4,84 = 2,42 А

Принимаем реле РЭВ86 с номинальным током в 5 А, по [2], пункт 8.5.2., стр. 17. Ток срабатывания этого реле регудируется в пределах 0,3...0,6 Iном реле , в нашем случае 0,48 Iном реле .


7.3. Реле защиты от превышения напряжения

Срабатывание реле защиты от превышения напряжения должно происходить при напряжении, превышающем допускаемое напряжение двигателя. Выбираем напряжение срабатывания реле равнм 260 В (возможно при изменении мин.

Для установки выбираем реле РЭВ821 по [2], пункт 8.5.3., стр. 18, на номинальное напряжение 220 В. Напряжение втягивания составляет 110 В. Мощность реле 20 Вт, коэффициент возврата 0,4.

Определяем номинальный ток реле:

А

Так как напряжение втягивания в 2 раза меньше рабочего напряжения, то и ток втягивания в 2 раза меньше: Iвт = 0,5*Iр = 0,5*0,09 = 0,045 А = 45 мА.

Определяем сопротивление катушки реле по закону Ома:

Ом

Последовательно с реле включаем сопротивление R4 . Определяем общее сопротивление цепи при требуемом уровне напряжения втягивания:

Ом

Сопротивление резистора R4 будет равно:

R4 = Rобщ - Rк = 5777,78 - 2420 = 3357,78 Ом

Определяем мощность резистора:

P= I2вт * R = (0,045)2 * 3357,78 = 6,8 Вт

Выбираем резистор типа ПЭВР-10 с сопротивлением, равным 4 кОм по [2], пункт 8.5.3., стр. 18.


7.4. Реле ЭДС преобразователя

Служит для обеспечения возможности сборки схемы при напряжении преобразователя, близком к нулю и для контроля напряжения преобразователя.

Напряжение втягивания реле принимаем равным 30 В, напряжение отпадания реле равно 25 В, коэффициент возврата равен 0,83.

Схема включения реле приведена на рисунке 7.1.:

рис. 7.1.

Выбираем реле типа РЭВ821 по [2], пункт 8.5.4., стр. 18. Номинальное напряжение 48 В. Напряжение втягивания 10 В. Коэффициент возврата 0,4. Потребляемая мощность 5 Вт.

Определяем номинальный ток реле:

Iном = P / Uном = 5 / 48 = 0,1 А


7.5. Выбор тормозного электромагнита и его сопротивления

Для фиксации начального (верхнего) и конечного (нижнего) положения фурмы применён электромагнитный тормоз. Требуемый момент тормоза равен Мторм = 0,4 * Мном . По пункту 4.1. Мном = 700,33 Н*м, следовательно Мторм = 0,4 *700,33 = 280,13 Н*м.

По [6], подходит электромагнит марки ТКП 300 со следующими номинальными данными: Uк = 110 В, Мторм = 340 Н*М, Р= 285 Вт.

Для форсированного ратормаживания на электромагнит подаётся полное напряжение питания (220 В) и через выдержку времени 0,5 сек реле КТ, в цепь электромагнита вводится сопротивление Rэ , что предохраняет его от входа из строя из-за длительного перегрева двойным током.

Вычисляем номинальный ток электромагнита:

Сопротивление резистора равно:

Рассеиваемая тепловая мощность резистора равна:

РR = I2*R = 2,59 2 * 42,47 = 284,9 Вт

По [3], стр. 371, табл. 5-10 выбираем ящик сопротивлений типа ЯС100/2 с ленточными и проволочными элементами, в нашем случае проволочными, марки НС 414/48, Iном = 2,7 А, R = 48 Ом, в ящике 10 элементов.


7.6. Определяем значение сопротивления в цепи сигнальных ламп

В качестве сигнальных ламп в схеме применены лампы типа К-24 со следующими номинальными данными: Uпит = 24 В, Iном = 90 мА.

Так как напряжение питания оперативной цепи составляет 220 В, то для зашиты лампы необходимо ввести сопротивление. Его значение определяется по закону Ома:

Рассеиваемая тепловая мощность резистора равна:

РR = I2*R = 0,09 2 * 2200 = 17,82 Вт

Выбирается резистор типа ПЭВ-25, сопротивление 2,2 кОм, рассеиваемая мошность 25 Вт.


7.7. Выбор аппаратуры управления

В предыдущих разделах были выбраны реле КА, КА1, KV1, KV2. Для остальных видов аппаратов управления составляется таблица, данные взяты из [5], разные разделы и страницы, и [6].

Автоматический выключатель QF выбран только для оперативной схемы, на небольшой ток отсечки - до 10 А (можно было взять и на меньший ток), для силовой схемы автоматический выключатель входит в комплект поставки тиристорного преобразователя (КТЭП).


Таблица 7.1.

позиция обозначения

наименование аппаратов

требуемые

параметры

каталожные данные

тип технические

данные

КМ,

КМ1

силовой

контактор

Uк = 220 В,

Iг. к.= 286 А,

nг. к. =1, nвс. к. =2

КМ2000

Uк = 220 В,

Iном = 320 А,

nг. к. =1, nвс. к. =4


КL 1-6


промежуточ-ное реле

Uк = 220 В,

nз. к. =6,

nразм. к. =2.


РП 41

Uк = 220 В, восьмиконтакторное исполнение: nк. зам. =6,

nк. разм. =2, Р=25 Вт


KV3


реле напряжения

Uк = 220 В,

nк. =2,

Uвт = 0,85 *Uном


РЭВ 84

Uк = 220 В,

nк. зам. =2,

Rк = 3,7 кОм


КТ


реле времени

Uк = 220 В,

nк. =1,

t = 0,5 сек


РЭВ 811

Uк = 220 В, выдержка времени на отпускание 0,25-1 с.

YA

тормозной электромагнит

Мторм = 0,4*Мдв=

=0,4*700=280 Н*М

ТКП 300

Uк = 110 В

Мторм = 340 Н*М

SQ

путевой

выключатель

nконт = 3

ВПК 2000А

Uк = 220 В,

I к.= 4...6 А

QF

автоматичес-кий выключатель

Uк = 220 В


АП50

Uк = 220 В,

Iотсечки = 10 А


8. РАСЧЕТ И ВЫБОР ПИТАЮЩИХ ЛИНИЙ


8.1. Необходимо выбрать питающий кабель для якорной цепи и проверить его на падение напряжения. Он состоит из двух участков: от цеховой распределительной подстанции до тиристорного преобразователя и от тиристорного преобразователя до якорной цепи двигателя. Длина этих участков составляет 60 и 40 метров соответственно, напряжение на них 380 и 220 В. Кабели выбираются по соотношению Iрас  Iдоп .

(8.1)

где Id ном - номинальный ток преобразователя

- коэффициент, зависящий от схемы выпрямления преобразователя, для мостовой равен 2,34

А

По [7], стр. 22, табл. 1.3.7., выбираем трехжильный кабель с алюминиевыми жилами, пластмассовой изоляцией в свинцовой оболочке, с сечением токопроводящих жил в 70 мм2, для прокладки кабеля в воздухе. Iдоп = 140 А > Iрас = 111,66 А.

Проверяем выбранный кабель на падение напряжения на выбранном участке. Uдоп = 5 %.

(8.2)

где - коэффициент, зависящий от материала проводника, для алюминия равен 35

l - длина питающего кабеля (для этого участка равна 60 м)

S - сечение токопроводящей жилы, мм2

Так как Uрас = 2,15 % < Uдоп = 5 % , то кабель выбран правильно.

Выбираем кабель для второго участка. I рабочий двигателя равен 286 А. По [7], стр. 22, табл. 1.3.7., выбираем три одножильных кабеля с алюминиевыми жилами, пластмассовой изоляцией в свинцовой оболочке, с сечением токопроводящих жил в 120 мм2. Iдоп для этих кабелей при прокладке в воздухе = 295 А.

Проверяем выбранные кабели на падение напряжения на выбранном участке. Uдоп = 5 % , l = 40 м.

(8.2)

Так как Uрас = 2,48 % < Uдоп = 5 % , то можно использовать эти кабели.


8.2. Для питания цепи возбуждения применим двужильный кабель с сечением токопроводящих жил в 6 мм2 - из-за повышенных требований к этому участку трассы, в частности необходимость повышенной механической прочности (так как ток возбуждения составляет 4,84 А, то чисто по току можно было бы принять кабель меньшего сечения).


8.3. В качестве контрольных кабелей принимаем кабеля сечением в 1,5 мм2, количество жил для каждого кабеля своё (количество требуемых каналов + 1 резервный) и будет приведено на схеме внешних соединений в приложении, лист 4.


9. ВОПРОСЫ МОНТАЖА

ЭЛЕКТРООБОРУДОВАНИЯ


Развитие технологии монтажных работ приводит к их индустриализации, то есть к стремлению максимально ускорить и упростить монтаж, сделать его наподобие детского конструктора - чтобы так же легко собирать технологические линии, сети освещения, крупные установки, конвейеры и так далее. Индустриализация работ - это совокупность организационных и технических мероприятий, обеспечивающих выполнение как можно большего обьёма работ вне зоны монтажа. Она предусматривает сборку оборудования в крупные монтажные узлы, желательно сразу целые технологические блоки, стандартизацию оборудования и монтажных единиц (чтоб не путались в разнообразии), доведение оборудования до максимальной степени готовности вне монтажной зоны (для сокращения обьёма пуско-наладочных работ), а также и ряд других мер.

Современная технология производства монтажных работ предусматривает ведение их в 2 стадии: заготовка монтажных узлов в мастерских и монтажных участках (вне зоны монтажа) и непосредственно сам монтаж.

На первой стадии производятся следующие работы:

1) Непосредственно на строительной площадке производят разметку трасс электросетей и заземлений.

2) Закладывают трубы для кабелей, трасс заземления и тому подобное в фундаменты.

3) Контролируют установку закладных элементов (фундаментов, крепежных деталей, проемов, ниш и так далее).

4) Осуществляется контроль за образованием персонала во время строительства.

До начала второй стадии должны быть закончены строительные и отделочные работы в электромонтажных помещениях.

На второй стадии выполняется непосредственный монтаж на объекте:

1) На подготовленные места устанавливается электрооборудование.

2) По готовым трассам прокладывают готовые элементы электропроводок.

3) Подключают смонтированные электрические сети к установленному электроборудованию.


ЛИТЕРАТУРА


1. Марголин Ш. М. “Электрооборудование конверторных цехов”. Москва, “Металлургия”, 1977.


2. Заслов А. Я., Тимофеев В. Л. “Проектирование электроприводов по системе ТП-Д”, метод-разработка, Н-Тагил, 1994.


3. Вешенский С. Н. “Характеристики двигателей в электроприводе”. Москва, “Энергия”, 1977.


4. “Комплектные тиристорные электроприводы”, справочник, под редакцией кандидата технических наук Перельмуттера В. М. Москва, “Энергоатомиздат”, 1988.


5. “Реле защиты и автоматики”, справочник, Какуевицкий Л. И., Смирнова Т. В., под редакцией Хейфица М. Э., Москва, “Энергия”, 1972 год.


6. “Электротехнический справочник“, том 2 . Москва , “Энергоатомиздат” , 1986.


7. “Правила устройства электроустановок”, шестое издание. Москва, “Энергоатомиздат” , 1987.


8. “Правила технической эксплуатации электроустановок потребителей и Правила техники безопасности при эксплуатации электроустановок потребителей”. Издание третье. Атомиздат. 1975.


СОДЕРЖАНИЕ

стр.

Введение 3

1. Краткая технология, механичес-

кое устройство, требования к

электроприводу 4

2. Выбор рода тока и величины

напряжения 7

3. Расчёт и выбор мощности

двигателя 8

4. Выбор основного силового

оборудования 11

5 Выбор САР , статический

расчёт САР 15

6. Выбор релейной схемы, краткое

описание работы 20

7. Расчёт и выбор аппаратуры

управления и защиты 21

8. Расчёт и выбор питающих линий 25

9. Вопросы монтажа электро-

оборудования 27

10. Наладка электрооборудования 28

11. Техника безопасности при

ремонтах и эксплуатации 30

Литература 31

Приложения 32


Нижнетагильский ордена Трудового

Красного знамени

горно-металлургический колледж

имени Е.А. и М.Е. Черепановых


ЭЛЕКТРОПРИВОД И ЭЛЕКТРООБОРУДОВАНИЕ

ПРИВОДА ФУРМЫ

Пояснительная записка

КП.1804.452.29.00.ПЗ.


Руководитель

Заслов А. Я.

Дата 15.11.1997

Проект разработал

Перваков А. А.

Дата 1.02.1998


1998


ВВЕДЕНИЕ


В современном производстве огромную роль играют различные машины и механизмы, большая часть которых приводится в действие электроприводом. Это связано с определёнными удобствами электрической энергии и двигателей на её основе - простота получения, передачи, легкость трансформации и преобразованием в другие виды энергии: механическую, тепловую, световую и тому подобное.

Основные виды управляющих аппаратов: рубильники, переключатели, контакторы, реле были изобретены сразу после появления первых электрических машин и в дальнейшем развивались в основном реле - появились многие их типы: реле на втягивание-отпадание, тока-напряжения, защитные и промежуточные, времени (в том числе и с часовым механизмом). На основе реле, контакторов, путевых и конечных выключателей строили большие релейно-контакторные схемы управления, могущие осушествлять даже некоторые функции автоматики (управление по шаблону, простейшие манипуляции и так далее).

Современные электропривода для исполнительных механизмов имеют следующие основные части: двигатель (или двигатели - для многодвигательного привода), управляющей системы (тиристорный преобразователь - двигатель, система генератор - двигатель, релейно - контакторная схема и так далее), передаточного механизма (редуктора). Дальнейшее развитие идет в сторону уменьшения размеров и расширения функций системы управления - путём внедрения микропроцессорной техники и цифровых систем, максимальным приближением двигателей к рабочему механизму и упрощения передаточного механизма. Особого прогресса в конструкции самих двигателей не наблюдается, так как всё здесь уже изобретено отцами -основателями и дальнейший прогресс может быть осуществлен в основном за счёт применения новых электротехнических материалов (сверхпроводников, материалов с ограниченной проводимостью, диэлектрических материалов и тому подобное).


НТГМК


Курсовой проект


по предмету Системы управления электроприводами


Студент Перваков А. А.

Специальность 1806

Группа 452


Н. Тагил

1998


Будем писать таким-же шрифтом, что и курсовой. Сегодня вторник 3 Февраль 1998, время15:41. Курсоовй я сдал ещё в пятницу (крайний срок суббота, а отец всё равно не доволен !!!). Сегодня была защита. Вчера играли с Васькой в Worms+ и я ни хрена ничего не учил. Получил курсовой сразу в субботу, но ничего не исправил. Сидел сейчас на защите и немного исправил. Нам с Олегом Кудрявцевым защищаться не надо. И то дело. А то все графические делать пришлось, только не на большом формате.

Ну ладно, плыви, курсовой.

Они храняться 5 лет, в 2003-м можно забирать.”

Это записка автора этого курсового проекта – Алексея Первакова, а через год его убили… Прошу всех, кто знал его и кому пригодилась эта работа, помянуть автора добрым словом, пусть земля ему будет пухом.

Друг


КП.1806.452.29.00.ПЗ



© 2012 Рефераты, курсовые и дипломные работы.