рефераты
Главная

Рефераты по рекламе

Рефераты по физике

Рефераты по философии

Рефераты по финансам

Рефераты по химии

Рефераты по хозяйственному праву

Рефераты по цифровым устройствам

Рефераты по экологическому праву

Рефераты по экономико-математическому моделированию

Рефераты по экономической географии

Рефераты по экономической теории

Рефераты по этике

Рефераты по юриспруденции

Рефераты по языковедению

Рефераты по юридическим наукам

Рефераты по истории

Рефераты по компьютерным наукам

Рефераты по медицинским наукам

Рефераты по финансовым наукам

Рефераты по управленческим наукам

Психология и педагогика

Промышленность производство

Биология и химия

Языкознание филология

Издательское дело и полиграфия

Рефераты по краеведению и этнографии

Рефераты по религии и мифологии

Рефераты по медицине

Рефераты по сексологии

Рефераты по информатике программированию

Краткое содержание произведений

Реферат: Искусственные минералы

Реферат: Искусственные минералы

Научная конференция

Выполнили  студенты гр. ПК-21  Власов Ю.А., Махвиеня С.О.

Белорусский Государственный Университет Транспорта

Кафедра’ Строительные конструкции, основания и фундаменты ‘

Искусственное получение минералов представляет известный интерес. С одной стороны, это позволяет исследовать процессы минералообразования, с другой – даёт возможность получать нужные для практики минеральные вещества, что широко используется в технологии строительных материалов.

Искусственным путем (методом синтеза) можно получать минералы, которые встречаются в природных условиях (алмаз, корунд, кварц и др.), и минералы, которые в природных условиях самостоятельно не встречаются (алит, белит и др.), а входят в состав различных технических продуктов, таких как цементы, огнеупоры и т.д.

Искусственно полученные естественные минералы путем синтеза из исходных веществ выгодно отличаются от своих аналогов, образованных в природных условиях, так как в них отсутствуют химические и механические примеси. В настоящие время в промышленных целях получен ряд минералов, которые редко встречаются в природе, но обладают ценными свойствами (флюорит, корунд и др.). В 1961 в СССР синтезированы искусственные алмазы, прочность которых была в 40% выше естественных. В таблице 1 приведены некоторые минералы полученные искусственно.

Некоторые естественные минералы, полученные искусственно

Минералы Формула Минералы Формула
Сфалерит ZnS Самородная
Корунд . . А1203 сера .... S
Галенит . . PbS Ангидрит . . CaSO4
Барит .... BaSO4 Энстатит . . . mr (Si206)
Магнетит FeFe2O4 Малахит . . . CuCO∙Cu(OH)2
Оливин . . (Fe, Mg)2(Si04) Шпинель . . A12 Mg04
Полевые шпаты Кварц .... SiO2
Самородная Галит .... NaCl
медь . . . Cu Асбест . . .
Карбонаты . . Слюды .... — .
Алмаз . . . С Пирофиллит .

Методы синтеза естественных минералов можно разделить на две группы:

1) синтез проводимый в условиях нормального давления.

2) синтез осуществляемый при повышенных давлениях.

В настоящие время получение искусственных минералов сводится к следующим процессам :

1) кристаллизация расплава;

2) реакции, в которых участвуют газовые компоненты;

3) получение минералов в присутствие водных растворов;

4) получение минералов путем реакции в твердой среде.

Методы синтеза минералов требуют специальной аппаратуры, длительны по времени и весьма трудоёмки. В целом задача синтеза минералов еще далеко не решена.

Однако в настоящие время многим исследователям стран СНГ удалось получить целый ряд ценных минералов, которые перестали быть достоянием лабораторий и освоились промышленностью.

Ниже дается краткое описание искусственных минералов, которые встречаются в технических продуктах (цементы, огнеупоры и т.д.), и некоторых высокопрочных кристаллов. Многие из этих минералов входят в состав различных технических продуктов. В связи с этим их описание даётся по группам минералов, выделенных по химическому составу (табл.2).

Искусственные минералы технических продуктов и высокопрочные кристаллы(таб.2)

Группа Минералы Химическая формула
Силикаты кальция

А ЛИТ

Белит

Волластоипт Псевдоволластонит Ранкинит

3CaO∙SiO2 2CaO∙SiO β-CaO-SiO2 α –CaO∙SiO2 3CaO-2Si02
Алюминаты кальция Трехкальциевый алюминат Пятикальциевый трех-алюминат Однокальциевый алюминат Однокальциевый двухалюминат

ЗСаО∙А12О3 5CaO∙3Al2O3

CaO∙Al203 CaO∙2Al2O3

Алюмосиликат кальция Геленит 2CaO∙Al2O∙SiO2
Алюмосиликат Муллит 3Al2O3-SiO2
Силикаты кальция и магния Окерманит Монтигеллит 2CaO-MgO-2SiO2 CaO-MgO-2SiO2
Алюмоферрит кальция Целит От CaO-Fe2O3 до 8CaO-3 Al2O3-Fe2O3
Ферриты кальция Однокальциевый феррит Двухкалышевый феррит CaO-Fe2O3 2CaO-Fe2O3
Группа Минералы Химическая формула

Окислы и гидроокислы

Окислы и гидроксилы

Известь (свободная окис

Известь (свободная окись кальция) Портлаидит (гидрат окиси кальция)

Периклаз (окись магния) Кремнезем Тридимит Кристобалит

СаО

СаО

Са (ОН)2

MgO

SiO2 Si02 Si02

Гипс и продукты его обезвоживания Гипс α-полугидрат β-полугидрат Ангидрит CaS04.2H20 CaSO4-0,5H20 CaSO4-0,5H2O CaSO4
Прочие соединения кальция Ольдгамит Перовскит CaS CaO∙TiO2
Высокопрочные кристаллы Карбиды вольфрама Карбиды молибдена Нитрид ниобия Карбид бора Карбид кремния WC и W2C Mo2C и МоС Nb3N5 B4C SiC

Искусственные минералы технических продуктов.

Силикаты кальция.

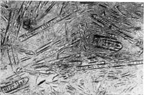
Алит (трехкальцевый силикат) 3CaO∙SiO2 представляет собой бесцветные мелкие кристаллы в виде гексагональных табличек или призм (иногда игловидных) с неясно выраженной спайностью по одному направлению (рис. 1). Сингония тригональная. Кристаллы нередко обнаруживают зональную структуру, особенно хорошо видную при изучении препаратов в отраженном свете. Погасание прямое или под небольшим углом. Однослойный, показатели преломления Ng=1,772, Np=1,718, двойное лучеприломление малое: Ng- Np=0.004. Оптический знак кристалла отрицателен.

Твердость алита по шкале Мооса колеблется между 5 и 6, удельный вес 3,2. Является главным минералом портландцементного клинкера, входит также в доломитовые огнеупоры. Легко может гидратироваться и разлагаться соляной кислотой, способен твердеть под водой.

Белит (двухкальциевый силикат) 2СаО • 5SiO2 в трех видах: α-, β- и γ-формы, причем по оптическим данным αиβ между собою весьма сходны, а переход в γ-форму сопровождается резким изменением свойств α- и β-фор-мы образуют правильные округлые зерна, часто призматического облика, со спайностью по призме (рис. 1). Для белита во многих случаях характерна сложная двойниковая структура и темноокрашенные включения, имеющие правильную ориентировку. В шлифах эти формы имеют желтоватую окраску. За счет растворенных Fе2О3 и Сг2О3 зерна приобретают коричневый или зеленый цвет.

β-форма белита под микроскопом наблюдается в виде трех разновидностей: 1) зерен с двумя или тремя системами взаимнопересекающихся штрихов, каждая из которых состоит из параллельных линий, 2) форм с одной системой двойниковых пластинок; 3) несдвойникованных зерен.Искусственные минералы

Показатели преомления α- и β-форм: Ng=1,735, Nр=1,717, Ng — Nр = 0,018, оптический знак положительный. Удельный вес 2,974.

Рис. 1 Кристаллы белита в клинкере (210Х)

γ-2СаО∙ЗSiO2 (фелит) имеет призматический облик со спайностью по призме; погасание прямое; показатели преломления: Ng = 1,654, Nр= 1,642, Ng — Nр=0,012. Это низкотемпературная форма, возникающая из β-формы при 675° С, имеет плотность примерно на 10% меньше плотности α- и β -белита, поэтому такое превращение сопровождается разрушением вещества до состояния тонкой пыли. Появление фелита в вяжущих породах и огнеупорах нежелательно, так как по способности к гидратации и твердению эта форма не активна и в ряде случаев (доломитовые огнеупоры) приводит к разрушению. Вода на γ-форму не действует, она легко разлагается кислотами.

Белит в значительных количествах присутствует в портландцементном клинкере, в шлаках, доломитовых и магнезиально-доломитовых огнеупорах. Портландцемент с высоким содержанием белита отличается замедленным твердением, но зато стоек к разрушающему действию агрессивных вод.

Искусственные минералыВолластонит β-СаО∙5SiO2 и псевдоволластонит α-СаО-5SiO2— однокальциевые силикаты. Волластонит — природный минерал, образуется также при расстекловании некоторых технических стекол. Форма кристаллов игольчатая, брусковидная и волокнистая со спайностью, параллельной удлинению. Система моноклинная. Ng = 1,631, Nр = 1,616, Ng — Nр = 0,015. Оптический знак отрицательный. Погасание параллельно удлинению. Рис. 2. Псевдоволластонит в стекле (74 X) Удельный вес 2,915. В воде не разлагается, в кислотах легко растворяется.

Псевдоволластонит имеет форму округлых зерен или шестиугольных бесцветных табличек с ясно различимой спайностью и иногда с полисинтетическими двойниками (рис. 2). Удельный вес 2,912. Ng=1,654, Nр = 1,610, Ng— Nр = 0,044, оптический знак положительный. Цвета интерференции яркие (красные, зеленые, желтые тона). Оба минерала характерны для шлаков.

Ранкинит ЗСаО • 2SiO2 (трехкальциевый дисиликат) встречается в основных и кислых доменных шлаках в виде округлых неправильных по очертаниям зерен, по-видимому, ромбической (?) сингонии. В отдельных случаях ранкинит дает крупные порфировые выделения. Показатели преломления: Ng=1,650, Nр= 1,641, двупреломле-ние слабое: Ng —Nр = 0,009, оптический знак положительный.

Алюминаты кальция

В эту группу входят несколько минералов: трехкальциевый алюминат, пятикальциевый трехалюми-нат, моноалюминат кальция и однокальциевый двуалю-минат.

Трехкальциевый алюминат ЗСаО • А12О3 кристаллизуется в кубической сингонии и образует изометрические бесцветные мелкие зерна с прямоугольными или гексагональными очертаниями и с несовершенной спайностью. Это соединение может находиться также в аморфном состоянии.

Кристаллы трехкальциевого алюмината изотропны, N=1,710, твердость 6, удельный вес 3,04. Может растворять в себе до 2,5% Ре2О3, замещающих А1203, и тогда N=1,715. Способен легко гидратироваться и твердеть с выделением большого количества тепла. Растворяется в кислотах. Входит в состав цементного клинкера. В шлифах наиболее легко устанавливается методом окрашивания.

Пятикальциевый трехалюминат 5СаО • ЗА12Оз кристаллизуется в кубической системе в виде округлых, реже треугольных зерен без спайности. Бесцветный, в составе шлаков окрашен в интенсивно зеленый цвет. Оптически изотропен, N=1,608. Мол-сет растворять в себе до 2% Ре2О3, замещающих А1203, тогда N=1,613. Твердость 5, удельный вес 2,69—2,71.

Неустойчивая форма пятикальциевого трехалюмината обычно представлена игольчатыми или таблитчатыми индивидами ромбической сингонии, которые нередко собраны в сферолитовые радиально-лучистые стяжения. Кристаллы в прозрачных шлифах имеют бледно-зеленую окраску с ясно выраженным плеохроизмом от оливково-серых до голубовато-зеленых тонов. Ng=1,692, Nр = 1,687, Ng-Np = 0,005. Погасание прямое.

Пятикальциевый трехалюминат входит в состав глиноземистых доменных шлаков, клинкеров глиноземистого и портлендского цемента, причем в последнем в виде самостоятельных выделений не встречается.

Однокальциевый алюминат СаО • А12О3 образует таблитчатые прямоугольные очертания, бесцветные кристаллы со спайностью в одном направлении. Нередко наблюдаются сложные и псевдогексагональные тройнико вые срастания. Погасание табличек прямое; Ng=1,663, Np=1,643, Ng — Np = 0,020; оптический знак отрицательный. Может растворять в себе до 15% СаО • А12О3, при этом Ng = 1,720, а Np=1,70. Удельный вес 2,981. Является главной минералогической частью глиноземистого цемента и входит в состав доменного шлака.

Однокальциевый двухалюминат СаО • 2А12Оз образует моноклинные сильно вытянутые игольчатые или призматические кристаллы иногда длиной в несколько миллиметров. Бесцветен. Имеет большой угол погасания (до 31°), благодаря чему легко распознается. Показатели преломления: Ng=1,654, Np = 1,617, двуиреломление высокое— 0,035. Оптически положителен. Присутствует в клинкере глиноземистого цемента.

Алюмосиликат кальция

Искусственные минералы

Геленит 2СаО • А12Оз • 51О2 кристаллизуется в квадратной сингонии и дает прозрачные бесцветные таблички или призмы ,с ясно различимой спайностью, расположенной поперек его удлиненных кристаллов. Иногда образует кре - стообразные скелетные формы роста. Показатели преломления: Ng=1,669, Nр = 1,658. Двупреломление умеренное:Ng—Nр= 0,011. Цвета интерференции беловато-желтые.Оптический знак отрицательный. Одноосный. Разлагается в солянойкислоте. В глиноземистых цементах геленит размещается между кристаллами однокальциевого алюмината или прорастает их. По свойствам относится к инертной части цемента. Типичный минерал доменныхшлаков (рис. 3).

Алюмосиликат

Муллит ЗА12О3 • 5Ю2 образует игловидные, призматические или волокнистые кристаллы с ясно различимой совершенной спайностью. Сингония ромбическая. В чистом виде бесцветен, но от примесей Ре2Оз и 5Ю2 часто получает розовую или синеватую окраску.

Искусственные минералыЭти примеси ведут к повышению светопреломления до Ng=1,682, Np=1,661 и Ng — Np=0,021, в то время как у чистых муллитовых кристаллов Ng=1,654, Np = 1,642, а Ng — Np = 0,012. Оптически положительный.

Искусственные минералыМинерал может давать сростки и скопления (рис. 4). Примеси Fе2О3 и SiO2 вызывают появление плеохроизма в желтоватых и голубоватых тонах. Удельный вес муллита 3,03. Размер кристаллов муллита разнообразен: от 2 до 5 мк в шамоте до 10 мм по длине в муллитовых изделиях. Входит также в состав фарфора.

Силикаты кальция и магния

Окерманит 2СаО •МgО-2SiO2 встречается в природе и образуется искусственно в виде бесцветных квадратных коротких призм или табличек с показателями преломления: Ng=1,638, Nр=1,631. Двупреломление слабое: Ng — Np = 0,007. Оптический знак положительный. Одноосный. Окерманит во всех отношениях смешивается с геленитом, образуя серию геленитокерманитов (мелилиты), оптические свойства которых варьируют вместе с составом. Форма таких кристаллов сходна с геленитом. Их сингония тетрагональная. Удельный вес 3,18. Входят в состав магнезиальных цементов, огнеупоров, шлаков.

Монтичеллит СаО • МgО • 2SiO2 кристаллизуется в ромбической системе и дает в природе и в технических продуктах бесцветные призматические зерна со слабой неясной спайностью. Сингония ромбическая. Удельный вес 3,2. Оптические свойства изучены недостаточно. Показатели преломления при содержании его в виде 10%-ного твердого раствора 2MgO∙5SiO2 имеют следующие величины: Ng= 1,655—1,651, Np=1,638—11,640, Ng—Nр = = 0,015, оптический знак положительный. Встречается в различных шлаках.

Алюмоферрит кальция

Целит (алюмоферрит кальция) представляет собой кристаллы, состав которых может варьировать от 8СаО • ЗА12О3 • Fе2О3 до СаО • Fе2О3. Кристаллы целита в портландцементном клинкере заполняют промежутки между алитом и белитом, иногда создавая тончайшие прорастания с другими второстепенными минералами. Они имеют призматическую или округлую форму, сингония ромбическая, цвет от светло-бурого до темно-бурого. В шлифах ясно выражен плеохроизм от светло-желтых до темно-бурых оттенков, угол погасания весьма мал. В отраженном свете целит имеет большую отражательную способность, в силу чего кажется светлоокрашенным.

По данным Н. А. Торопова (1950), в клинкере с повышенным содержанием окиси железа состав целита приближается к 2СаО ∙ Fе2О3 в нормальных клинкерах — к 4СаО ∙ А12О3 ∙ Ре2О3 и 8СаО ∙ ЗА12О3 ∙Ре2О3.

Показатели преломления для 4СаО∙А12О3∙Fе2О3 (разновидности, называемой браунмиллеритом): Ng = 2,08, Np=1,98, Ng — Np = 0,10. От содержания в нем 1—2% МgО (периклаза) светопреломление несколько снижается, а клинкер приобретает характерную зелено-серую окраску. Удельный вес 3,77. Присутствие браунмиллерита снижает экзотермический эффект твердения портландцемента. Встречается также в шлаках.

Ферриты кальция

В эту группу входят два минерала: однокаль-циевый феррит СаО∙Fе2О3 и двухкальциевый феррит 2СаО∙Fе2О3. Оба они играют роль минерализаторов в различных огнеупорах и некоторых видах портландцемента.

Однокальциевый феррит СаО∙Fе2О3 представляет собой длинные игольчатые кристаллы, слабо прозрачные под микроскопом. Сингония квадратная или гексагональная. Окраска черная, а в порошке интенсивно красная. Показатели преломления: Ng = 2,465, Np = 2,345, двупре-ломление высокое: Ng — Np = 0,120. Феррит в твердом состоянии может растворять в себе до 10% СаО∙А12О3 и тогда показатели преломления снижаются: Ng = 2,25, Np = 2,13, а двупреломление Ng — Np = 0,12. Растворяется в кислотах. Встречается в составе клинкера глиноземистого цемента.

Двухкальциевый феррит 2СаО∙Fе2О3 кристаллизуется в виде черных кристаллов, которые в шлифах имеют желтовато-бурую окраску. Спайность отсутствует Ng = 2,29, Np = 2,20, Ng — Np = 0,090. Оптически положительный. Растворяется в соляной кислоте.

Двухкальциевый феррит при гидратации твердения не дает. Образуется в доломитовых огнеупорах, в портландцементе и шлаках. В магнезитовых огнеупорных массах применяется как ускоритель спекания периклаза.

Окислы и гидроокислы

Известь СаО (свободная окись кальция) представляет собой бесцветные кристаллы кубической сингонии. Форма зерен округлая. Встречаются кубики или кучные скопления с ясно выраженной спайностью по трем взаимно перпендикулярным направлениям. Кристаллы оптически изотропны. Их показатель преломления N=1,836. В шлифах отличается грубым рельефом. СаО присутствует в клинкере портландцемента (до 10%) обычно в виде мелких зернышек, которые иногда наблюдаются внутри кристаллов ЗСаО∙А12О3, а также в мартеновских шлаках и т. д. В отраженном свете СаО определяется методом травления поверхности шлифов (микрохимические реакции).

Портландит (гидрат окиси кальция) Са(ОН)2. Образует бесцветные шестиугольные кристаллы гексагональной сингонии с совершенной спайностью. Показатели преломления: Ng=1,574, Np=1,545, Ng — Np = 0,029. Оптический знак отрицательный. Удельный вес 2,23. Входит в состав строительных растворов, различных вяжущих, силикатного кирпича, динаса.

Периклаз (окись магния) МgО встречается в виде округлых октаэдрических или кубических кристаллов незначительных размеров. Спайность по плоскостям куба. Чистый периклаз бесцветен, при частичном растворении в нем окислов железа приобретает желтоватую окраску. Минерал изотропный, показатель преломления N=1,734—1,737. В прозрачном шлифе распознается с трудом. Определяется при травлении поверхности шлифа в силу своей большой отражающей способности. Удельный вес 3,58. Периклаз — наиболее важная составная часть магнезитовых и доломитовых огнеупоров, входит также в клинкер портландцемента, в шлаки и т. д. Иногда в кристаллах периклаза, например в спекшемся магнезите, наблюдаются темные точечные выделения магне-зиоферрита.

Кремнезем 5SiO2 в технических продуктах встречается в виде различных полиморфных форм, из которых главными являются кварц, тридимит, кристобалит, а также кремнеземистое стекло. Минерал кварц, представляющий собой низкотемпературную форму SiO2 (образуется ниже 573°С).Остановимся на характеристике других форм.

Тридимит — умеренная температурная форма SiO2. Кварц в тридимит превращается при температуре выше 870° С. Кристаллы бесцветные или светло-серые, имеют форму пластинок или удлиненных табличек, часто с характерным образованием копьевидных двойников. Размер зерен может достигать 3—4 мм. Сингония ромбическая, удельный вес 2,27, Ng=1,473, Np = 1,469,. Ng-Np = 0,004.

Искусственные минералы

В динасе содержание трндимита достигает 50—70%. Переход SiO2 в тридимитовую форму сопровождается значительным увеличением объема. Встречается также в шлаках.

Кристобалит — высокотемпературная фаза SiO2 (образуется при температуре выше 1470°С). Дает правильные октаэдры, зернистые скопления и чешуйчатые сростки, иногда с полисинтетическим двошшкованием сложной сотовидной структуры (рис. 5). Кристаллы бесцветные, реже молочного цвета. Удельный вес 2,32. Ng=1,487, Np=1,484, Ng — Np = 0,003. Входит в состав динаса.

Кремнеземистое стекло возникает при достаточно быстром охлаждении кремнеземистого расплава. Оно может быть бесцветным или молочной окраски, последняя обусловлена воздушными пузырьками. Стекло изотропно. N= 1,459, удельный вес 2,203. Устойчиво в кислотах (кроме плавиковой и фосфорной). Кремнеземистое стекло широко применяется как изоляционный, кислотоупорный, огнеупорный и электроизоляционный материал.

Гипс и продукты его обезвоживания

Гипс СаSО4∙Н2О и ангидрит СаSO4 — природные образования.Среди продуктов обезвоживания гипса выделяются кристаллические вещества: α-полугидрат (СаSО4∙ 0,5Н2О), β-полугидрат (СаSО4∙0,5Н2О), γ-обезвоженный полугидрат, β-обезвоженный полугидрат, α- ангидрит (СаSО4), β-ангидрит и γ-нерастворимый ангидрит.

α-Полугидрат СаSO4∙0,5Н2О получается при нагревании гипса под давлением 120—125 атм. При этом образуются бесцветные кристаллы в виде удлиненных игл или шестиугольных призм с поперечными полосками (рис. 6). Сингония моноклинная. Показатели преломления при обезвоживании возрастают: Ng=1,584, Np=1,559. Двупреломление высокое: Ng — Np = 0,025.

Искусственные минералы

Рис. 6. Продукт обжига α-полугидрата при 150° (150Х)

Удельный вес 2,72—2,73. Главная составная часть высокотемпературного гипса.

β-Полу гидрат СаSО4∙0,5Н2О образуется при нагревании гипса на воздухе до 120° С и потере воды в виде газообразной фазы. Дает мелкозернистую или волокнистую массу бесцветных кристаллов. Ng=1,556, .Np = 1,550, Ng — Nр = 0,006. Удельный вес 2,67—2,68. β-Полугидрат менее устойчив, чем α-полугидрат. Главная составная часть варочного гипса.

Ангидрит СаSО4 — искусственный минерал, так называемый растворимый ангидрит, образующийся при обезвоживании полугидратов при температуре выше 220° С. Встречается в двух модификациях — αиβ. Отличается по своим свойствам от природного растворимого ангидрита. Растворимый ангидрит имеет форму призм с прямым погасанием и положительным удлинением. Показатели преломления для α-ангидрита: Ng=1,570, Np=1,554, для β-ангидрита: Ng=1,570, Nр = 1,546. Растворимые ангидриты на воздухе быстро гидратируются.

Гипс и продукты его обезвоживания широко применяются в качестве вяжущего, формовочного материала и т.д.

Прочие соединения кальция

Ольдгамит (сульфид) СаS образуется в составе основного доменного шлака в присутствии значительного количества серы. Кристаллизуется в виде очень мелких округлых изотропных зерен кубической сингонии с очень высоким светопреломлением (N = 2,90). Зерна бесцветны, водянопрозрачны. Мелкие зерна ольдгамита трудно различимы даже при больших увеличениях микроскопа. Удельный вес 2,71. Входит в состав шлаков и цементов.

Перовскит СаО ∙ ТiO2 кристаллизуется в форме октаэдров псевдокубической сингонии с ясно различимой спайностью. Окраска светло-бурая. Показатель преломления N = 2,36. Входит в состав доменных шлаков.

Искусственные высокопрочные кристаллы

Высокопрочные искусственные кристаллы применяются в технике как режущий и абразивный материал. Таких кристаллов уже известно более 40. Это различные карбиды, нитриды, гидриды и бориды. Твердость их по шкале Мооса превышает 7.

Карбид бора — твердый раствор бора, В4С. Облик кристаллов ромбоэдрический с усечением призматическими и пирамидальными формами. Сингония гексагональная. Удельный вес 2,48—2,52. Твердость по шкале Мооса около 9. Под микроскопом в отраженном свете карбид бора имеет белый цвет, высокую отражательную способность, высокий рельеф.

Карбид кремния (карборунд) 51С кристаллизуется в зависимости от температуры в кубическую (1650— 2000° С) или гексагональную (свыше 2000° С) сингонии. Структуры карбида кремния относятся к слоистым и состоят из чередующихся пачек слоев тетраэдров [814С] и [С514] двоякой ориентации. Удельный вес кубического карбида кремния 3,216, а гексагонального – 3,217, Ng=2.697, Np=2.654 , Ng-Np=0.043. В проходящем свете – зеленый, синий, реже бесцветный или дымчатый. В отраженном свете кристаллы светло-серые, почти белые, имеют высокую отражательную способность и высокий рельеф. Твердость по шкале Мооса более 9.

Нитрид ниобия Nb3N5 образуется восстановлением трехокиси ниобия сажей в атмосфере азота при 1200 ˚C. Это кристалл с плотной гексагональной решеткой. Удельный вес 8,4. Твердость по шкале Мооса 8 – 9.

Карбиды вольфрама WC и W2C получают расплавлением вольфрамового ангидрида WO3 c сажей в пламени вольтовой дуги. Оба карбида относятся к гексагональной сингонии. Твердость по шкале Мооса у WC=9, W2C =9 – 10.

Карбиды молибдена Мо2С и МоС получают расплавлением смеси молибденового ангидрида с карбидом кальция и углем в вольтовой дуге или плавлением шихты, содержащей уголь и МоО2. Кристаллы гексагональной сингонии. Твердость по шкале Мооса 7 – 9.

Список литературы

1)Инжинерная геология. Минск 2001г.

2)Искуственые минералы, их свойства и строение. Москва1989г.

3)А так же по средствам Интернета, (рисунки).


© 2012 Рефераты, курсовые и дипломные работы.