рефераты
Главная

Рефераты по рекламе

Рефераты по физике

Рефераты по философии

Рефераты по финансам

Рефераты по химии

Рефераты по хозяйственному праву

Рефераты по цифровым устройствам

Рефераты по экологическому праву

Рефераты по экономико-математическому моделированию

Рефераты по экономической географии

Рефераты по экономической теории

Рефераты по этике

Рефераты по юриспруденции

Рефераты по языковедению

Рефераты по юридическим наукам

Рефераты по истории

Рефераты по компьютерным наукам

Рефераты по медицинским наукам

Рефераты по финансовым наукам

Рефераты по управленческим наукам

Психология и педагогика

Промышленность производство

Биология и химия

Языкознание филология

Издательское дело и полиграфия

Рефераты по краеведению и этнографии

Рефераты по религии и мифологии

Рефераты по медицине

Рефераты по сексологии

Рефераты по информатике программированию

Краткое содержание произведений

Реферат: Исследования магнитных полей в веществе (№26)

Реферат: Исследования магнитных полей в веществе (№26)

Нижегородский  Государственный Технический Университет.

Лабораторная работа по физике № 2-26.

 

 Исследования магнитных полей в веществе.


Выполнил студент

Группы 99 – ЭТУ

Наумов Антон Николаевич

Проверил:


Н. Новгород 2000г.

Цель работы: получение зависимостей индукции магнитного поля, намагниченности и магнитной проницаемости ферромагнетика от напряженности магнитного поля; наблюдение петли гистерезиса для различных ферромагнетиков; изучение магнитных цепей.

 

Практическая ценность работы: экспериментально изучаются важнейшие свойства ферромагнетиков наличных марок: НМ 3000, НМ 600, ППГ (прямоугольная петля гистерезиса).

 

Теоретическая часть.

Опыт 1. Снятие основной кривой намагничивания (ОКН) ферромагнетика.

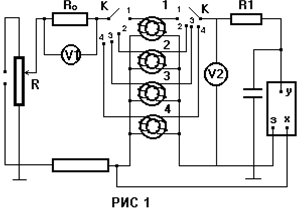
Схема экспериментальной установки.

Собрали цепь по схеме, показанной на РИС. 1. Для этого вольтметры V1 и V2 подключили к клеммам A-B и С-D - на верхней крышке макета соответственно. Переключатель К поставили в позицию 1. При этом исследовали трансформатор, кольцевой сердечник которого выполнен из ферита марки НМ 600, сопротивление R0=1 Ом. Таким образом, показания вольтметров численно равны: V1 - эффективному значению тока, текущего в текущей обмотке исследуемого трансформатора; V2 - эффективному значению ЭДС во вторичной обмотке. С помощью движка потенциометра R установили ток равный 0,5 А и плавно уменьшили его до нуля.  Сняли показания вольтметров V1 и V2.

 Данные для расчетов:

                   

Используемые формулы:

                                        

                                     


Таблица № 1. Результаты расчетов.

U1, В

e2, В

Im, А

em, В

Hm,А/м

В102,Тл

Jm×10-3,А/м

m×102

1 0,04 0,01 0,06 0,02 3,75 0,1 0,78 2,1
2 0,10 0,18 0,14 0,25 8,75 1,6 12,77 14,6
3 0,14 0,34 0,20 0,48 12,50 3,1 24,61 19,7
4 0,21 0,73 0,30 1,03 18,75 6,6 52,50 28,0
5 0,29 1,13 0,41 1,60 25,63 10,2 81,25 31,7
6 0,36 1,42 0,51 2,01 31,88 12,8 102,02 32,0
7 0,40 1,57 0,57 2,22 35,63 14,1 112,23 31,5
8 0,48 1,79 0,68 2,53 42,50 16,1 127,93 30,1
9 0,54 1,91 0,76 2,70 47,50 17,2 136,80 28,8
10 0,59 1,99 0,83 2,81 51,86 17,9 142,62 27,5
11 0,65 2,10 0,92 2,97 57,50 18,9 150,08 26,1
12 0,70 2,14 0,99 3,03 61,88 19,3 153,46 24,8
13 0,76 2,22 1,07 3,14 66,88 20,0 159,17 23,8
14 0,84 2,29 1,19 3,24 74,38 20,6 164,38 22,1
15 0,90 2,33 1,27 3,30 79,38 21,0 167,49 21,1
16 0,95 2,36 1,34 3,34 83,75 21,3 169,18 20,2
17 1,00 2,40 1,41 3,39 88,13 21,6 171,85 19,5

Опыт 2. Наблюдение петли гистерезиса.

Для изготовления постоянного магнита лучше использовать ППГ, так как его коэрцитивная сила больше, чем у НМ-3000, а поэтому его сложней размагнитить.

Для изготовления сердечника силового трансформатора лучше взять ферромагнетик с меньшей коэрцитивной силой, чтобы снизить затраты на его перемагничивание.

   

Опыт 3. Исследование сердечника с зазором.

            


Графики.

График зависимости В=В(Н)                                  График зависимости m=m(Н)

 



График зависимости J=J(H)            

 

Вывод: на этой работе мы получили зависимости индукции магнитного поля, намагниченности и магнитной проницаемости ферромагнетика от напряженности магнитного поля; наблюдали за петлей гистерезиса для различных ферромагнетиков; изучили магнитные цепи.

 


© 2012 Рефераты, курсовые и дипломные работы.