рефераты
Главная

Рефераты по рекламе

Рефераты по физике

Рефераты по философии

Рефераты по финансам

Рефераты по химии

Рефераты по хозяйственному праву

Рефераты по цифровым устройствам

Рефераты по экологическому праву

Рефераты по экономико-математическому моделированию

Рефераты по экономической географии

Рефераты по экономической теории

Рефераты по этике

Рефераты по юриспруденции

Рефераты по языковедению

Рефераты по юридическим наукам

Рефераты по истории

Рефераты по компьютерным наукам

Рефераты по медицинским наукам

Рефераты по финансовым наукам

Рефераты по управленческим наукам

Психология и педагогика

Промышленность производство

Биология и химия

Языкознание филология

Издательское дело и полиграфия

Рефераты по краеведению и этнографии

Рефераты по религии и мифологии

Рефераты по медицине

Рефераты по сексологии

Рефераты по информатике программированию

Краткое содержание произведений

Реферат: Источник питания

Реферат: Источник питания

Раздел: Цепи постоянного тока.


Тема: Законы Кирхгофа.


Цепи в которых резисторы , а также источники питания соединены произвольно , называют   разветвленными или сложными.

  

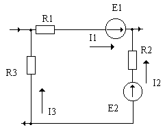
                     рис 1.                            

Узел - точка электрической цепи , где соединяются три или более

проводников.

Ветвь - участок электрической цепи , где проходит один и тот же ток (ветвь располагается между двумя узлами. ) 

Контур - замкнутая электрическая цепь состоящая из нескольких ветвей.

Первый закон Кирхгофа:

Сумма токов , подтекающих к узловой точке цепи , равна сумме токов , вытекающих из нее.

Для узла B электрической цепи , показанного на рис 1. , ток I1 направлен к узлу , токи I2 и I3 от него. Согласно определению I1 + I2 = I3  или I1 + I2 - I3 = 0.

Алгебраическая сумма токов в узле равна нулю:

                          рис 2.                                      рис 3.                                      Рис4.

Задание 1. Составить уравнения по первому закону Кирхгофа для узла 2 (рис 2.), для узла С ( рис 3.) и для узла D ( рис 4. ).

                                                                                               

Второй закон Кирхгофа:

Алгебраическая сумма всех действующих Э.Д.С. в любом контуре электрической цепи равна алгебраической сумме всех падений напряжений на резисторах , входящих в данный контур:

.

Для контура ( рис 5. ) второй закон Кирхгофа запишется в виде

E1 - E2 = I1R1 - I2R2 +I3R3.

                                             рис 5.                                                                          рис 6.                                                             

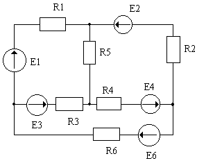
Задание 2. Составить уравнения по второму закону Кирхгофа для контура , показанного на ( рис 6. ) и для контура ABCD ( рис 4. ).

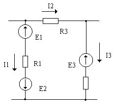
                                                            рис 7. 

Задание 3. Для схемы электрической цепи ( рис 7. ) определить количество узлов , показать токи в ветвях и составить уравнения по первому и второму законам Кирхгофа.



© 2012 Рефераты, курсовые и дипломные работы.