рефераты
Главная

Рефераты по рекламе

Рефераты по физике

Рефераты по философии

Рефераты по финансам

Рефераты по химии

Рефераты по хозяйственному праву

Рефераты по цифровым устройствам

Рефераты по экологическому праву

Рефераты по экономико-математическому моделированию

Рефераты по экономической географии

Рефераты по экономической теории

Рефераты по этике

Рефераты по юриспруденции

Рефераты по языковедению

Рефераты по юридическим наукам

Рефераты по истории

Рефераты по компьютерным наукам

Рефераты по медицинским наукам

Рефераты по финансовым наукам

Рефераты по управленческим наукам

Психология и педагогика

Промышленность производство

Биология и химия

Языкознание филология

Издательское дело и полиграфия

Рефераты по краеведению и этнографии

Рефераты по религии и мифологии

Рефераты по медицине

Рефераты по сексологии

Рефераты по информатике программированию

Краткое содержание произведений

Реферат: Измерение потерь в дроссе

Реферат: Измерение потерь в дроссе

Московский Энергетический Институт

(технический университет)

кафедра ЭИ

Курсовая работа

 По теме: ”Измерение потерь в дросселе.”

                                                                       Группа: ТФ-13-98

                                                                           Студент: Поярков М.Ю.

             Научный руководитель: Комаров Е.В.

Москва 2002г.

Содержание:

1. Техническое задание____________________________________________3

2. Введение и цель работы__________________________________________3

3. Анализ технического задания_____________________________________4

4. Реализация технического задания. Разработка структурной

схемы ___________________________________________________________7

5. Анализ элементов структурной схемы. Расчет узлов схемы

    Измерение мощности потерь _____________________________________9

5.1 Блок управления драйвером________________________________9

          5.2 Управление ключами с помощью драйвера___________________10

            5.2.1 Ключи ___________________________________________12

          5.3 Измерительная схема _____________________________________14

                   5.3.1 Фильтрация сигнала  _______________________________14

6. Выводы _______________________________________________________14

7. Литература  ____________________________________________________15

8. Приложение  ___________________________________________________16

1.Техническое задание.

Разработать устройство измеряющее потери в дросселе, при следующих параметрах электрической цепи:

Рис  2

 
частота работы устройства f=(10¸100) кГц,  среднее значение тока I0=(1¸20)А,,индуктивности катушки дросселя .

I

 

Рис  1

 
                                                 

Подпись: I0                            

t

 

E

 

T

 
                            

                                     

                                     

t

 
                                     


необходимо обеспечить работу схемы (см рис1) в импульсном режиме, т.е. ток и напряжение должны изменяться как показано на рис2.

                2. Введение и цель работы.

В настоящее время существует несколько методов оценки потерь в дросселе, при чем, большинство из них могут только качественно оценить потери в дросселе. Для реализации количественной оценки потерь было необходимо большое количество элементов, несколько источников питания.                

Целью данной работы является разработка алгоритма и схемы измерения, позволяющей использовать меньшее число элементов и количественно оценить электрические потери, возникающие в дросселе при наличии в нем активного сопротивления. Благодаря появлению новой технической базы это стало возможным.

        3. Анализ технического задания.

          Для решения данной задачи необходимо рассмотреть несколько случаев, которые характеризуют процессы  протекающие в дросселе.

Рис  3

 
          В начале, рассмотрим идеальный случай, когда в дросселе отсутствует активная часть сопротивления. (см рис 3)

                                                L                           L


                   E                           E

В данном случае среднее значение тока

, где  - минимальное значение тока;

                        - максимальное значение тока;

 ;      ;

  ;  ;    

Таким образом, при заданных значения Di и L, мы можем, изменяя напряжение менять тем самым частоту работы схемы.

Теперь рассмотрим тот же случай при помощи гармонического анализа. Функцию напряжения E(t) (см рис2) можно представить в виде ряда Фурье.

Функцию тока  I(t) (cм рис3) также можно представить аналогичным способом.

То есть:

 ,

,

;

T/2

 

0

 
  =   

После прохождения сигналов I(t), E(t) через усилитель, данные функции примут следующий вид :

          Мощность потерь в дросселе определяется следующей формулой:

 ;

 DP – это мощность, которая будет на выходе умножителя без сигнала на его входе, т.е. это погрешность нуля.

При E=24 B, L=10-4  Гн,  fт1 =107 МГц, fт2 =106 МГц, ;  

Для n=1

         

Теперь рассмотрим случай, когда дроссель не идеальный, т.е. в дросселе присутствует активная часть сопротивления.

          Тогда,

, где   

Запишем эту функцию через ряд

Фурье, тогда для 0<t<T/2

  

t

 

t

 
Для случая n=1

для тех же значений L, E, T, R=10 Ом, t1 , t2.

         P1=14.6751 Вт.

          Теперь рассмотрим  следующий промежуток времени T/2<t<T,0<t<t2


     

t

 


Функция напряжения E(t):

 

для тех же значений L, E, T, R=10 Ом, t1 , t2.      P2=14.6752 Вт.

P= P1 +P2=29.3503 Вт.

3. Реализация технического задания. Разработка структурной схемы.

Рис  4

 
Для реализации поставленной задачи необходимо разработать схему, которая обеспечивала бы заданные режимы работы. Эта схема имеет следующий вид(см рис4 ).

U11 U22

  X

 

Фильтр

 


U1


U2                                                                                 

                                                                                рис 4.2

Рассмотрим работу  данной схемы:

Ток, протекающий через дроссель, при помощи катушки преобразуется в напряжение с помощью прибора под названием LEM.Это бесконтактный датчик тока. Он сделан на основе влияния магнитного поля на датчик Холла. Провод, по которому течёт ток намагничивания, продевается в отверстие LEM–а, а на выходе получаем напряжение пропорциональное току в проводе.

Это напряжение подается на вход следующего элемента структурной схемы.

 Этим элементом является устройство сравнения, в котором  сравнивается напряжение с LEM-a с напряжениями U11 и U22 , которые  соответственно эквиваленты I1  и I2.

Рис  5

 
 Далее, с устройства сравнения сигнал подается на цифровую микросхему, осуществляющую контроль над состояниями ключей. Эта микросхема называется драйвер. В зависимости от цифровых уровней поступающих на драйвер он либо открывает, либо закрывает ключ. В данном применении ключи открываются и закрываются по очереди, формируя сигнал на дросселе представленный на рис 5.

T, c

 


5. Анализ элементов структурной схемы. Расчет узлов схемы.

Измерение мощности потерь.

Электрическая схема прибора изображена в приложении №1.

5.1 Блок управления драйвером.

Схема, реализующая управление драйвером изображена на рис.9. Cигнал с LEM-а приходит на триггеры Шмидта. Триггеры реализованы на компараторах LM311 фирмы National Semiconductor.

Основные параметры компаратора LM311 представлены в таблице 1

Табл 1

 
Параметры

Значения

Напряжение питания

0-36В
Входное напряжение ±15В

Входной ток

0-50мA

Напряжение смещения

0,7мВ

Входной ток

60нА

Ток смещения

4нА

Коэффициент усиления

200В/мВ

 Рис 9

 

UОС

 


Для расчета напряжений срабатывания и отпускания, найдем коэффициент передачи LEM-а , отсюда мы видим, что  где . Теперь мы можем вычислить номиналы резисторов R1 и R2 из формулы

 

 

 Таблица 2

 
          RS-триггер, стоящий после триггера Шмидта, выполняет функцию по управлению драйвером. Поочередно изменяя логический сигнал на выходе RS-триггера, мы изменяем значения сигналов на выходе драйвера, т.е. что соответствует поочередному включению и выключению ключей. Зависимость сигнала на выходе RS-триггера от значений сигналов на его входе представлена в таблице 2.

R S Q

Q_

1 0 1 0
0 1 0 1
0 0

Qn-1

Qn-1

1 1 X X

5.2 Управление ключами с помощью драйвера

Для управления ключами мы выбрали драйвер фирмы Harris Semiconductor. Его основные технические характери

стики представлены в

таблице 3.

 Таблица 3

 
Параметры

Значения

Напряжение питания(Vdd ,Vсс)

0-16 В
Выходное напряжение (HO)

Vdd-0.4 В

Выходное напряжение (LO)

0-Vcc

Время срабатывания 10нсек

Напряжение логической “1”

9,5-VddВ

Напряжение логического “0”

0-6B

Рис 10

 
Для пояснения  работы драйвера изобразим его временную диаграмму (рис.10).


                                        

                                                                  

                                                                  

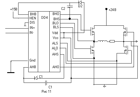
Микросхема используется по стандартной схеме подключения изображённой на рис.11

          Рассчитаем навесные элементы, показанные на рис 11. Элементы С1 , С2, D1 ,D2 – соответственно бутстреповская ёмкость и бутстреповский диод (bootstrap). Согласно рекомендации фирмы изготовителя драйвера, выбираем емкости  С1 =С2 =30.5 нФ.

          К бутстреповскому диоду ставят два условия. Во-первых, он должен полностью блокировать обратное напряжение. Во-вторых, он должен быть быстродействующим. Выбираем диодUF4002, с временем срабатывания 25 нсек.

          5.2.1 Ключи

В схеме, мы применяем ключи IRF3205 фирмы International Rectifier. Основные технические характеристики представлены в таблице 4.

Таблица 4

 


Параметры

Значения

Время нарастания переднего фронта Id(on)

           14нсек

Время спада заднего фронта td(off)

           43нсек

Полный заряд бызы QG

170нКл

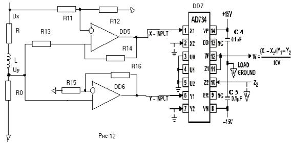
5.3 Измерительная схема, Измерение мощности.

 Схема, реализующая измерения потерь в дросселе изображена

   на рис. 12.


Для измерения потерь в дросселе нам необходимо два сигнала Ux - напряжение на дросселе и Uy – напряжение эквивалентное току проходящему через дроссель.

В качестве перемножителя берем AD734 фирмы Analog Devices.  Навесные элементы C4 =C5=0.1 мкФ. Основные технические данные приведены в таблице 5.

Таблица 5

 


Параметры

Значения

Функция преобразования

Статическая ошибка преобразования

         

       0,1%

Входное напряжение 0-10 В
Выходное напряжение 0-10 В

Так как уровень входного напряжения на AD734 равен 10 В, то следовательно:

 Ux=24 В усиливать не надо, а наоборот его  необходимо уменьшить до уровня в 10 В. Тогда коэффициент усиления K=10/24=0,4.

 ; R11 = R13= Rу1, R12 =R14 =Rу1 , тогда 

Rу1 /Rу2=1.2 .Выбираем  R11 = R13= Rу1 =12 КОм, R12 =R14 =Rу1=10Ком

Uy=0.2 В, это получается исходя из соображений максимального тока протекающего через дроссель и сопротивления R0=0.01 Ома. Тогда

коэффициент усиления K=10/0.2=50. ; R16 =50 КОм,

R15 =1 КОМ.

5.3 Измерительная схема.

5.3.1Фильтрация сигнала.

Так как сигнал после перемножителя  будет иметь следующую форму

, то его надо отфильтровать. После прохождения сигнала через фильтр останется только постоянная составляющая. Частотный фильтр реализован на AD712 фирмы Analog Devices.

t>>T, следовательно t=R18 C=103  Ом1 мкФ=10-3 с

          Для перевода результирующего сигнала с земли, принадлежащей измерительной части схемы, на землю общую для элементов, управляющих ключами, мы используем изолированный усилитель ISO124 фирмы BURR- BROWN.  Основные технические характеристики представлены в таблице 6.

Таблица 6

 


Параметры

Значения

Напряжение питания

±18 В

Напряжение входа

±100 В
Полоса пропускания 50 КГц

Выводы по работе:

Данный алгоритм и схема измерения позволяют  обеспечить заданные режимы работы схемы, которые позволяют определять  электрические потери в дросселе с высокой степенью точности.

Литература:

1.              ”Аналоговая и цифровая электротехника”, Ю.П. Опадчий, О.П. Гудкин, А.И. Гуров. Москва, “Горячая Линия-Телеком”,2000 г.

2.              “Справочник по математике”, И.Н. Бронштейн,

3.              К.А. Семендяев. Москва,”Наука”, 1980г.

4.              Справочник “Цифровые и аналоговые интегральные микросхемы”, С.В. Якубовский, В.И. Кулешова. Москва “Радио связь”,1990 г.

5.              Datasheet фирм International Rectifier, National Semiconductor, LEM. Application Note фирмы International Rectifier

6.              Конспект лекций Е.В. Комарова ”Физические основы электроники” , 2000-2001г.


© 2012 Рефераты, курсовые и дипломные работы.