рефераты
Главная

Рефераты по рекламе

Рефераты по физике

Рефераты по философии

Рефераты по финансам

Рефераты по химии

Рефераты по хозяйственному праву

Рефераты по цифровым устройствам

Рефераты по экологическому праву

Рефераты по экономико-математическому моделированию

Рефераты по экономической географии

Рефераты по экономической теории

Рефераты по этике

Рефераты по юриспруденции

Рефераты по языковедению

Рефераты по юридическим наукам

Рефераты по истории

Рефераты по компьютерным наукам

Рефераты по медицинским наукам

Рефераты по финансовым наукам

Рефераты по управленческим наукам

Психология и педагогика

Промышленность производство

Биология и химия

Языкознание филология

Издательское дело и полиграфия

Рефераты по краеведению и этнографии

Рефераты по религии и мифологии

Рефераты по медицине

Рефераты по сексологии

Рефераты по информатике программированию

Краткое содержание произведений

Реферат: Компенсационный метод измерения

Реферат: Компенсационный метод измерения

Компенсационный метод (метод противопос­тавления) измерения заключается в уравновешивании, осуществляе­мом включением на индикатор равновесия либо двух электрически

Рис. 7.2, Схема компенсации на­пряжений


не связанных между собой, но противоположно направленных напряжений или ЭДС, либо двух раздельно регулируемых токов. Компенсационный метод исполь­зуют для непосредственного срав­нения напряжений или ЭДС, тока и косвенно для измерения других электрических, а также неэлектри­ческих величин, преобразуемых в электрические.

Применяют следующие схемы компенсации: а) напряжений или ЭДС (рис. 7.2); б) электрических токов (рис. 7.3).



Рис. 7.3. Схема компенсации токов


Схема, показанная на рис. 7.2, наиболее распространенная. В ней измеряемое напряжение Ux компенсируется равным, но про­тивоположным по знаку известным напряжением UK. Падение на­пряжения UK создается током / на изменяемом по значению ком­пенсирующем образцовом сопротивлении RK. Изменение Rк про­исходит до тех пор, пока UK не будет равно Ux. Момент компен­сации определяют по отсутствию тока в цепи магнитоэлектриче­ского гальванометра G; при этом мощность от объекта измерения не потребляется.

Компенсационный метод обеспечивает высокую точность изме­рения.

Компенсаторами или потенциометрами называют устройства, предназначенные для измерения методом компенсации напряжения или э.д.с., а также ряда других электрических величин, связанных с напряжением или э.д.с. с функциональной зависимостью (например, I, P, R, и др.).

В практических схемах компенсаторов для обеспечения необходи­мой точности измерения ток I в рабочей цепи определяют не ампер­метром непосредственной оценки, а компенсационным методом с помощью эталона ЭДС нормального элемента. Нормальные эле­менты обеспечивают постоянную во времени ЭДС, равную 1,01865 В при температуре 20 °С, внутреннее сопротивление 500—1000 Ом, ток перегрузки 1 мкА. С изменением температуры окружающей среды значение ЭДС уменьшается на каждый градус повышения температуры:


Et = E20 - 0,00004 (t - 20) - 0,000001 (t ~ 20)2, (7.3)


где E t — ЭДС при температуре t, °С; E20 — ЭДС при 20 °С.

Схема компенсатора представлена на рис. 7.4. Она содержит источник вспомогательной ЭДС Eвсп для питания рабочей цепи, в которую включают регулировочное Rp, компенсирующее RK и образцовое RH сопротивления. К зажимам НЭ подключают нор­мальный элемент, ЭДС которого Eнэ, к зажимам X — искомую ЭДС Ех. В качестве индикатора равновесия используют высоко­чувствительный магнитоэлектрический гальванометр G.

При работе с Компенсатором выполняют две операции:

1) устанавливают ток / в рабочей цепи компенсатора с помощью источника вспомогательной ЭДС Eвсп (положение 1 переключа­теля В);

2) измеряют искомую ЭДС Ех (положение 2 переключателя В).

Для установки рабочего тока предварительно определяют темпе­ратуру окружающей среды, затем по (7.3) вычисляют точ­ное значение ЭДС нормаль­ного элемента для данной температуры. Далее устанав­ливают образцовое сопротив­ление RH, значение которого выбирают в зависимости от значений тока в рабочей це­пи и ЭДС при температуре t (сопротивление RK состоит из катушки с постоянным значе­нием сопротивления и после­довательно соединенной с ней температурной декадой). За­тем переключатель В ставят в положение 1 и ЭДС

Рис. 7.4. Схема компенсатора


нормального элемента противопоставляют падению напряжения на Ru, которое регулируется с помощью изменяющего значение тока / в рабочей цепи резистором Rp. Момент компенсации соответствует нулевому отклонению гальванометра G, т. е. Eнэ = IRn.

После установления рабочего тока I для измерения Ех переключатель В ставят в положение 2 и регулировкой образцового компенсирующего сопротивления Rк вновь доводят до нуля ток в цепи гальванометра G. Тогда

(7.4)

где I — значение тока, установленное при положении 1 переклю­чателя В;RK— значение образцового компенсирующего сопро­тивления, при котором имеет место состояние равновесия.

Сопротивление RK выполняют по специальным схемам, кото­рые обеспечивают постоянное сопротивление между точками 3, 4 и переменное сопротивление между точками 3, Д, а также необхо­димое число знаков и точность отсчета.

Указанным условиям удовлетворяют схемы с замещающими (рис. 7.5) и шунтирующими декадами (рис. 7.6). В схеме с замещаю­щими декадами все секции верхних декад полностью дублированы соответствующими секциями нижних декад. Переключатели двух одинаковых декад связаны механически. При перемещении пере­ключателей общее сопротивление остается неизменным: если умень­шаются значения сопротивлений верхних декад, то увеличиваются значения сопротивлений нижних декад, и наоборот. Компенсирую­щее напряжение можно снимать с верхних или нижних декад. Каждая последующая декада имеет сопротивление секции в десять раз меньше предыдущей. Р схеме с шунтирующими декадами при каждом положении двойных переключателей одна секция верхней декады шунтируется девятою секциями нижней декады, при этом

Рис. 7.5, Схема с замещающими декадами


общее сопротивление между точками 3 и 4 (см. рис. 7.4) остается неизменным. Ток через ceкции сопротивлений нижней декады Г в десять раз меньше тока ' через секции сопротивлений верхней декады, т. е.

Компенсирующее напряжение можно определить так:

UK=mUA + Nuб,


где m, n — соответственно число включенных секций верхней и нижней декад; ua, U б падения напряжения на отдельных секциях соответствую­щих декад.

Рассмотренные вари­анты выполнения сопро­тивления RK обеспечи­вают неизменность его полного значения, а сле­довательно, и неизмен­ность тока I в момент компенсации, если ЭДС вспомогательного источ­ника Eвсп — const.

В зависимости от зна­чения сопротивления рабочей цепи различают компенсаторы постоянного тока большого сопротивления (высокоомные 10—40 кОм, ток рабочей цепи 10~3 — 10~4 А, порядок измеряемого напряжения 1—2,5 В, погрешность измерения 0,02 % от измеряемой величины) и малого сопротивления (низкоомные 10-1000 Ом; ток рабочей цепи 0,1- 0.001 А, порядок измеряемого напряжения до 100Мв, погрешность

измерения 0,5% от измеряемого значения.

Высокоомные компенсаторы при­меняются для измерений в высокоомных цепях, где из-за ус­ловий успокоения гальванометра и согласования его сопротив­ления с сопротивлением схемы применяют высокоомные галь­ванометры, а потому целесообразно иметь высокоомный и цепь самого компенсатора. Низкоомные компенсаторы применяют­ся в противоположных условиях. Высокоомные компенсаторы рассчитываются на измерение напряжений порядка I—2,5 в, имеют рабочий ток в главной рабочей цепи 10~s —10 ~* а и со­противление этой цепи 10000—40000 ом.

Низкоомные компенсаторы рассчитаны на измерение на­пряжений менее 100 мв , сопротивление главной рабочей цепи их имеет величину от десятков до 2000 ом и ток в главной ра­бочей цепи 10 ~1—10~3 а.

Как высокоомные, так и низкоомные компенсаторы пред­назначены для поверки измерительных приборов и мер (шун­тов, делителей, измерительных катушек, нормальных элемен­тов и пр.), а также для выполнения всякого рода рабочих из­мерений.

Компенсационный метод относится к наиболее точным сре­ди методов и приборов, предназначенных для измерения на­пряжений: погрешность его может иметь порядок 0,01% и да­же 0,0011%.

В компенсаторе постоянного тока, как и в любом другом приборе, построенном на косвенном методе измерения, резуль­тирующая погрешность измерения (абсолютная или относи­тельная) является функцией частных погрешностей, вносимых каждым элементом схемы. В компенсаторе к таким элементам относятся нормальный элемент, гальванометр, сопротивления RH и R—чем точнее выполнены эти элементы, тем точнее ре­зультат измерения.

Своей высокой точности компенсаторы постоянного тока обязаны присутствию в схеме нормального элемента, э. д. с. которого известна с точностью до тысячных долей процента, с которым (косвенным образом) производится сравнение неиз­вестного напряжения или э. д. с.

Для облегчения расчета допустимой погрешности измере­ния большая часть современных компенсаторов снабжается формулой, указанной в инструкции к пользованию прибором. В этой формуле допустимые для данного компенсатора по­грешности, возникающие за счет несовершенства изготовле­ния элементов схемы, остающиеся постоянными в процессе из­мерений, объединяются в постоянный член уравнения и не требуют постоянного пересчета.

Переменной величиной в формуле является сопротивление Rbc, которое в процессе работы может принимать разные значения в зависимости от порядка измеряемого напряжения и от опыта экспериментатора.

При измерении ЭДС источников с большим внутренним сопро­тивлением или напряжений, действующих в высокоомных цепях, входное сопротивление магнитоэлектрических и электронных вольтмет­ров может быть недоста­точно большим, поэтому целесообразно использо­вать дифференциальный или компенсационный метод.

Дифференциальный метод основан на изме­рении разности между

Рис. 7.7. Схема измерения постоянного напря­жения дифференциальным методом


измеряемым и образцовым напряжением при их неполной компен­сации. Схема измерения представлена на рис. 7.7. Высокоомный электронный вольтметр у! с чувствительным пределом служит для измерения разностного напряжения между измеряемым Ux и образ­цовым UK напряжениями. Магнитоэлектрический аналоговый или цифровой вольтметр У2 используется для измерения образцового напряжения 1/к. Рекомендуется при UK0 измерить вольтмет­ром V1 ориентировочное значение Ux, а уже затем установить по вольтметру V2 удобное для отсчета напряжение UK. Измеряемое напряжение Ux при указанной полярности включения вольт­метра V1 определяется как Ux=UK +∆U

Дифференциальный метод обеспечивает высокую точность изме­рения напряжения. Погрешность измерения определяется в основ­ном погрешностью вольтметра, измеряющего L/K.

Входное сопротивление цепи

RВХ=UX/I=(UK+∆U)/(∆U/RV1)=RV1(UK/∆U+1) (7.7)

намного превышает входное сопротивление rvi вольтметра Vt. Гальванометрические компенсаторы служат для измерения ма­лых постоянных напряжений (порядка 10~8 В). Основными элементами гальванометрического компенсатора (рис. 7.8) являются: измерительный механизм магнитоэлектрического зеркального галь­ванометра G, образцовый резистор обратной связи Rк, фоторези­сторы ФR1 и ФR2, источники постоянного напряжения с Е1 = Е2, магнитоэлектрический микроамперметр.

На зеркальце гальвано­метра G направлен луч света от прожектора Пр. При отсутствии напряжения Vх луч света, отраженный от зеркала, одинаково освещает фотосопро­тивления, в результате ток Iк = 0. При подаче на вход измерителя напряжения Ux в цепи гальванометра G появ­ляется ток Iг, подвижная часть гальванометра повора­чивается на некоторый угол и происходит перераспределе­ние освещенности фоторези­сторов и изменение их соп­ротивлений.

Рис. 7.8


Согласно схеме включения фоторезисторов и полярности Uх сопротивление фоторезистора ФR1 уменьшится, а ФR2 увеличится. Через резистор RK потечет ток Iк, создавая на RK компенсирующее напряжение UK, почти равное измеряемому напряжению Ux. Значение тока Iк авто­матически изменяется в зависимости от изменения измеряемого напряжения Ux, но всегда так, что выполняется условие Ux ~ UK обеспечиваемое за счет небольших изменений тока Iг в цепи галь­ванометра:

Iг -= (UxUK)/(Rr + RK) = U/(Rr + RK). (7.8)

Чем чувствительнее гальванометр, тем при меньших измене­ниях IГ произойдет соответствующее изменение тока Iк, нужное для выполнения условия UK UX.

Повышение чувствительности достигается благодаря примене­нию специальной конструкции гальванометра, что обеспечивает при токах порядка 10~10— 10~14 А максимальный угол поворота подвижной части.

Значение компенсирующего тока Iк зависит от значений E1 = E2, относительного изменения фотосопротивлений и может достигать нескольких десятков микроампер.

Гальванический компенсатор имеет высокую чувствительность :при высоком входном сопротивлении.

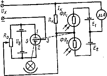
Электрометрические компенсаторы — измерители напряжения, использующие электромеханический электрометр и имеющие весьма • высокое входное сопротивление (1016—1017 Ом). Они просты ,и удобны в эксплуатации. Электромеханический электрометр представляет собой чувствительный электростатический измерительный механизм, легкая подвижная часть которого подвешивается на тонкой упругой нити. В механизме применяется световой ука­затель положения подвижной части. Схема электрометрического компенсатора представлена на рис. 7.9, где электрический электро­метр, состоящий из двух неподвижных обкладок 1, 2 и подвижной обкладки 3, расположенной симметрично относительно неподвиж­ных.

Рис. 7,9, Схема электрометрического компенсатора


К подвижной обкладке прикреплено миниатюрное зеркальце. На неподвижные обкладки подается напряжение возбуждения UВ, что позволяет повысить чувствительность и возможность установки нуля показаний электрическим путем (при замкнутых зажимах Ux

посредством переменного резистора R0).

Принцип работы элект­рометрического компенса­тора аналогичен работе гальванометрического ком­пенсатора.

При подключении изме­ряемого напряжения Ux подвижная часть электро­метра Э повернется на не­который угол, что приве­дет к перераспределению световых потоков, освещаю­щих фоторезисторы ФRl

и ФR2 к появлению тока компенсации Iк и соответст­венно напряжения UК, уравновешивающего измеряемое напря­жение Ux. Подвижная часть электрометра будет отклоняться до тех пор, пока не наступит равенство напряжений Ux = UK. Так как сопротивление резистора обратной связи RK может быть незначительным, то ток Iк может быть сравнительно большим и измеряться микроамперметром. Входной ток компенсатора опре­деляется токами утечки, поэтому он мал, а следовательно, входное сопротивление велико (1016 — 1017 Ом). Кроме измерителей напря­жения строятся и высокочувствительные электрометрические изме­рители тока.


ПРИМЕНЕНИЕ КОМПЕНСАТОРОВ ПОСТОЯННОГО ТОКА

Компенсаторы, как было указано, способны измерять на­пряжение или э. д. с.; косвенным образом с их помощью мож­но измерять и ряд других электрических величин, таких, как ток, сопротивление, мощность, связанных с напряжением оп­ределенной зависимостью.

Как приборы высокой точности, компенсаторы используют­ся в измерительной технике в основном, для поверки измери­тельных приборов непосредственной оценки — амперметров, вольтметров, ваттметров. Целью поверки является нахождение основной погрешности прибора и установление степени его со­ответствия классу точности, указанному на шкале этого при­бора.

Кроме того, во многих случаях при лабораторных исследо­ваниях, технических и промышленных измерениях также поль­зуются компенсационными схемами (либо для достижения вы­сокой точности измерений, либо для выполнения измерения без отбора тока от объекта измерения).

Ниже приведены схемы измерения основных электриче­ских величин.

Схема для измерения напряжения и э. д. с.

Измеряемое напряжение Ux подводится к зажимам I3, делителя напряжения (рис. VI-26). Поскольку величина Ux мо­жет меняться в больших пределах, достигая сотен и даже ты­сяч вольт, а компенсатор непосредственно способен измерять напряжение порядка (1ч2) в, между компенсатором и изме­ряемым напряжением включают делитель напряжения.

На рисунке приведена схема делителя напряжения типа ДН-1, выпускаемого специально для компенсаторов. Измеряе­мое напряжение, на которое включен поверяемый вольтметр, целиком подводят к делителю напряжения, а к компенсато­ру—только часть этого напряжения. Напряжения; подводимое к делителю, Ux, и снимаемое с делителя к ком­пенсатору, Ux , связаны между собой зависимостью:

где R—максимальное сопротивление делителя;

r—сопротивление, с которого снимается напряжение Ux'.

Рис. VI-26

В делителе ДН-1 сделаны отводы, позволяющие снимать к компенсатору точно 1/10, 1/100, 1/500 часть подведенного на­пряжения.


Схема для измерения тока


Измеряемый ток, который проходит по поверяемому ампер­метру (в случае его поверки), пропускается через образцовое сопротивление Ко, значение которого известно с достаточной степенью точности (рис. VI-27).

Напряжение, возникающее на известном сопротивлении от измеряемого тока, подается на компенсатор, где измеряется обычным путем.

Значение тока, измеренное компенсатором, рассчитывает­ся по формуле

IX=UK/R0


где U кпоказание компенсатора

.

Образцовые сопротивления, представляют собой сопротивления высокого класса точ­ности и всегда имеют номинальные значения вида 1-10", где п— целое число.

Как правило, они имеют четыре зажима: два токовых и два потенциальных. Токовыми зажимами образцовое сопротивле­ние включается в токовую цепь, а с потенциальных снимается напряжение к компенсатору.

Для увеличения точности измерения rq выбирают таким, чтобы падение напряжения на нем от измеряемого тока было не менее 10% значения верхнего предела измерения данного компенсатора; при этом будут использованы все декады мага­зина R компенсатора.

Схема для измерения сопротивлений

Измеряемое сопротивление Rx включается чаще всего пос­ледовательно с образцовым сопротивлением R0. Падения на­пряжений, создаваемые на этих сопротивлениях, Uх и UQ, из­меряются компенсатором (рис. VI-28).

Рис. VI-28


Для последовательной схемы, где сопротивления обтекают­ся одним и тем же током, будет справедливо соотношение

Схема для измерения мощности и поверки ваттметров

На рис. VI-29 изображена схема, которая применяется при измерении мощности и, в частности, при градуировке и повер­ке ваттметров.

С помощью переключателя П компенсатор присоединяется попеременно то в цепь напряжения ваттметра, то в цепь его тока.

Вначале, при положении 1 переключателя П, с помощью компенсатора устанавливается номинальное 'напряжение ватт­метра, которое в дальнейшем поддерживается постоянным и периодически проверяется опять-таки на компенсаторе. Затем переключатель Я ставят в положение 2 и, регулируя реостатом /?рег ток в последовательной цепи ваттметра, устанавливают стрелку прибора на оцифрованных отметках шкалы, измеряя силу тока.

Для каждой отметки определяется значение мощности как произведение тока ,на напряжение, и результат расчета сверя­ется с показанием прибора. Разность между показанием при­бора и результатом измерения мощности на компенсаторе даст основную погрешность ваттметра для каждого поверенного деления шкалы.


КОМПЕНСАТОРЫ ПЕРЕМЕННОГО ТОКА

Компенсаторы переменного тока — это приборы, измеряю­щие на переменном токе напряжения и некоторые другие электрические величины, связанные с напряжением функцио­нальной зависимостью (ток, сопротивление, мощность и др.). Как известно, напряжение на переменном токе можно пред­ставить как комплексную величину и изобразить в виде век­тора, занимающего определенное положение на комплексной плоскости (рис. VI-30),

Компенсационный метод из­мерения на переменном токе, так же как и на постоянном, за­ключается в уравновешива­нии неизвестного напряжения известным. Для того, чтобы скомпенсировать на перемен­ном токе напряжение. Ux, необ­ходимо и достаточно прило­жить к нему другое напряже­ние Uк, равное по амплитуде, форме кривой и частоте, но сдвинутое по фазе относитель­но Ur на 180°.


компенсаторы переменного тока значительно менее точны, чем компенсаторы постоянного тока. Причиной тому служит отсутствие образцовой переменной синусоидальной э. д. с., с помощью которой можно было бы установить рабочий ток в компенсаторе, как это делается на постоянном токе. В ком­пенсаторах переменного тока величина рабочего тока устанав­ливается по амперметру обычно электродинамической систе­мы, класс точности которого в наилучшем случае 0,1—0,2.

Таким образом, высокая точность измерения, свойственная компенсаторам постоянного тока, на переменном токе теряет­ся. Несмотря на это, компенсатор переменного тока — один из важнейших приборов, позволяющий судить не только о вели­чине измеряемого напряжения, но и о его фазе.

Кроме того, в момент измерения компенсатор не потребля­ет мощности от источника измеряемой величины и, следова­тельно, не оказывает влияния на работу схемы, что тоже яв­ляется его ценным качеством.

В уравнении (VI-46) представлены две формы записи ком­плексного напряжения UX,.: алгебраическая— с двумя составляющими UXA и UXP и показательная—с модулем Ux и фа­зой φx- измеряемой величины. Если напряжение Ux предста­вить в алгебраической форме, то для компенсации его необхо­димо скомпенсировать порознь активную и реактивную со­ставляющие.

Если же напряжение Uх характеризовать модулем и фа­зой, то для компенсации его нужно скомпенсировать модуль и фазу величины. В соответствии с этим различают две группы компенсаторов:

а) полярно-координатные с отсчетом измеряемого напря­жения 1в полярных координатах;

б) прямоугольно-координатные с отсчетом действительной и мнимой составляющих напряжения по действительной и мни­мой осям.

Рассмотрим схему и принцип действия прямоугольно-коор­динатного компенсатора, изображенного на рис. VI-31.

Рис. VI-31

Компенсатор состоит из двух контуров: / и //. Напряжение источника питания схемы U, связанное с первым контуром че­рез трансформатор, вызывает в этом контуре ток I1, величину которого можно регулировать реостатом Rрег и измерять ам­перметром.

Проходя по реохорду АВ, представляющему собой чисто активное сопротивление, ток 1\ создает на нем падение напря­жения UKA совпадающее по фазе с током.

Контур 1 связан с контуром 2 через воздушный трансфор­матор М (катушку взаимной индуктивности без стального сер­дечника).

При протекании тока I1 через первичную обмотку катушки М в ней возникает магнитный поток ф, находящийся в фазе с током I1 который вызовет появление во .вторичной обмотке э д. с Е2 отстающей от потока ф на 90°.

Если пренебречь индуктивным сопротивлением вторичной обмотки воздушного трансформатора, то можно считать, что ток второго контура I2 совладает по фазе с э. д. с. Е2, а напря­жение Uкр на реохорде АВ, представляющем собой чисто активное сопротивление, совпадает по фазе с током I2.

Таким образом, в схеме создаются условия, при которых токи I1 и I2, а также напряжения, снимаемые с реохордов АВ и А'В', сдвинуты на угол 90° одно по отношению к другому.

Векторная диаграмма компенсатора приведена на рис. VI-32. Как видно из рис. VI-31, середины реохордов АВ и А'В' электрически соединены, образуя нулевую точку схемы.

Измеряемое напряжение UX=UXA+jUxp подводится к зажимам /—2 и далее, че­рез вибрационный гальвано­метр, к движкам Д и Д2.

Компенсирующее напряжение UX=UKA+ fUKp, равное геометрической сумме напряжений Uha и UKp, возникающих па реохордах, снимается с движков Д\ и Д2. Напряжение UKa. которое создается на реохорде первого контура, называют ак­тивной составляющей компенсирующего напряжения, а на­пряжение UKP на реохорде второго контура -- его реактивной составляющей.


Меняя положение движков Д и Д2, можно получить ком­пенсирующее напряжение в любом из четырех квадрантов комплексной плоскости.

В момент компенсации вибрационный гальванометр, вклю­ченный последовательно в цепь напряжений L\ и иы, пока­жет отсутствие тока. Величины Uка и Uhp, имеющие место в момент компенсации схемы, отсчитываются непосредственно по шкалам реохордов АВ и А'В'.

Модуль измеряемого напряжения будет равен


14



Литература


1.Э.Г. Атамалян Приборы и методы измерения электрических величин

2.М.А.Быков, Е.М.Лебедева, Т.Б.Липеровская. Электрические измерения электрических величин

3.Д.Ф.Тартаковский, А.С.Ястребов, Метрология, стандартизация и технические средства измерений

15



Оглавление


1.Компенсационныйметод………………………………………………2

2. Применение компенсаторов постоянного тока……………………8

3. Схема для измерения напряжения и э. д. с…………………………9

4. Схема для измерения тока…………………………………………9

5. Схема для измерения сопротивлений…………………………10

6. Схема для измерения мощности и поверки ваттметров………...10

7. Компенсаторы переменного тока……………………………….11


МИНИСТЕРСТВО ОБРАЗОВАНИЯ РОССИЙСКОЙ ФЕДЕРАЦИИ

БАШКИРСКИЙ ГОСУДАРСТВЕННЫЙ УНИВЕРСИТЕТ

АКАДЕМИЯ КОМПЛЕКСНОЙ БЕЗОПАСНОСТИ ПРЕДПРИНИМАТЕЛЬСТВА


РЕФЕРАТ

на тему: Компенсационный метод измерения


Выполнил: студент гр. УК-01-01

Ключников А.А.

Проверил: Гарифуллин Н.М.


Уфа-2003


© 2012 Рефераты, курсовые и дипломные работы.