рефераты
Главная

Рефераты по рекламе

Рефераты по физике

Рефераты по философии

Рефераты по финансам

Рефераты по химии

Рефераты по хозяйственному праву

Рефераты по цифровым устройствам

Рефераты по экологическому праву

Рефераты по экономико-математическому моделированию

Рефераты по экономической географии

Рефераты по экономической теории

Рефераты по этике

Рефераты по юриспруденции

Рефераты по языковедению

Рефераты по юридическим наукам

Рефераты по истории

Рефераты по компьютерным наукам

Рефераты по медицинским наукам

Рефераты по финансовым наукам

Рефераты по управленческим наукам

Психология и педагогика

Промышленность производство

Биология и химия

Языкознание филология

Издательское дело и полиграфия

Рефераты по краеведению и этнографии

Рефераты по религии и мифологии

Рефераты по медицине

Рефераты по сексологии

Рефераты по информатике программированию

Краткое содержание произведений

Реферат: Нелинейные электрические цепи

Реферат: Нелинейные электрические цепи

Министерство общего и профессионального образования РФ


Брянский государственный

технический университет


Кафедра “Электротехника и

промышленная электроника”


РАСЧЁТНО-ГРАФИЧЕСКАЯ

РАБОТА №3

Несимметричные и несинусоидальные режимы

в трехфазных цепях


Студент группы 94-АТП

А. Е. Захаров

Преподаватель

Л. А. Потапов



Брянск 1997

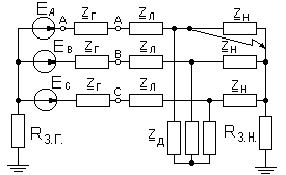
Исходные данные:

Фазная Э.Д.С. генератора ЕА = 230 В;

Сопротивления генератора:

Ом; Ом;

Rзг = 3 Ом; Rзн = 8 Ом; R = 5 Ом;

Сопротивление линии:

Сопротивления двигателя:

Решение:

I. Расчет трехфазной электрической цепи со статической нагрузкой (в исходной схеме включатель 1S разомкнут)

1. Рассчитать токи и напряжение UN’’O (напряжение прикосновения) при симметричной нагрузке (в схеме отсутствует короткое замыкание).

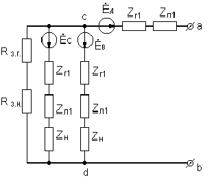
Схема замещения:

Т. к. нагрузка симметричная, применим расчет на одну фазу: фазу А:

Напряжение прикосновения UN’’O будет равно нулю, т. к. нагрузка симметричная.


2. Рассматривая электрическую цепь относительно выводов, которые замыкаются в результате короткого замыкания как активный двухполюсник, найти параметры активного двухполюсника.

Найдем эквивалентное сопротивление относительно точек а и b:

Окончательно

Получили

3. Рассчитать ток короткого замыкания

4. Найти все токи и сравнить с результатом расчета п. 3. Найти отношения токов в ветвях с источниками к соответствующим токам симметричного режима.


5. Определить активную мощность, потребляемую всеми приемниками в симметричном и несимметричном режимах работы.

При симметричной нагрузке:

В несимметричном режиме:

P = 114,4 * 45,6 * cos(400 - 450) + 286,4 * 17,13 * cos(-1540 + 190,70) + 374,8 * 22,4 *

* cos(133,40 - 96,70) + 160,3 * 53,4 * cos 00 = 5196,8 + 3933,5 + 6731,3 + 8560 = 24421,6 Вт;


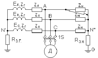
II. Расчет трехфазной несимметричной

электрической цепи с двигательной нагрузкой

(в исходной схеме выключатель 1S замкнут)

1. Составляем эквивалентные схемы для каждой последовательности:

Прямая последовательность:



Обратная последовательность:


Нулевая последовательность:


2. Сформировать систему шести линейных уравнений относительно неизвестных симметричных составляющих токов и напряжений на несимметричном участке линии.

3. С помощью ЭВМ найти неизвестные симметричные составляющие токов и напряжений.

Решая данную систему с помощью ЭВМ, получим:

4. По найденным в п. 3 симметричным составляющим рассчитать токи во всех ветвях. Проверить соответствие 1-го закона Кирхгофа для токов в узлах N’ и N’’.

5. Найти линейные напряжения на двигателе.

Токи в двигателе и линии при прямой последовательности:

Закон Кирхгофа выполняется, расчеты правильные.


III. Расчет несинусоидального режима

в трехфазной электрической цепи


Значение емкости находится из выражения:

С = Со * (1 + 0,1N) = 70 * (1 + 0,6) = 112 мкФ;

где N – номер варианта;

Для 3-й гармоники имеем нулевую последовательность:

Для 5-ой гармоники соответствует обратная последовательность

Мгновенные гначения фазных токов будут:

Дуйствующие значения фазных токов:

Мгновенное значение тока в емкости будет равномгновенному значению тока в фазе С.

Для нахождения показания ваттметра найдем ток в нейтральном проводе:



© 2012 Рефераты, курсовые и дипломные работы.