рефераты
Главная

Рефераты по рекламе

Рефераты по физике

Рефераты по философии

Рефераты по финансам

Рефераты по химии

Рефераты по хозяйственному праву

Рефераты по цифровым устройствам

Рефераты по экологическому праву

Рефераты по экономико-математическому моделированию

Рефераты по экономической географии

Рефераты по экономической теории

Рефераты по этике

Рефераты по юриспруденции

Рефераты по языковедению

Рефераты по юридическим наукам

Рефераты по истории

Рефераты по компьютерным наукам

Рефераты по медицинским наукам

Рефераты по финансовым наукам

Рефераты по управленческим наукам

Психология и педагогика

Промышленность производство

Биология и химия

Языкознание филология

Издательское дело и полиграфия

Рефераты по краеведению и этнографии

Рефераты по религии и мифологии

Рефераты по медицине

Рефераты по сексологии

Рефераты по информатике программированию

Краткое содержание произведений

Реферат: Операционный усилитель

Реферат: Операционный усилитель

Лабораторная работа №2

Операционный усилитель


Цель работы:


Ознакомиться с основными характеристиками

операционных усилителей, исследовать некоторые устройства построенные на ОУ


Оборудование:


Установка ЛСЭ-1М

Осцилограф С1-73

Цифровой вольтметр В7-16


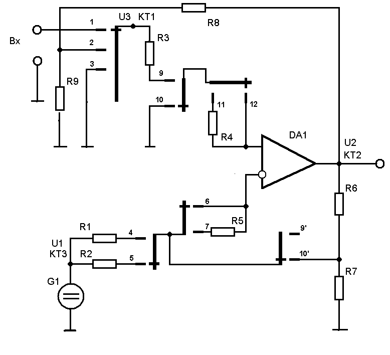
Собираем схему УПТ. коммутаторы: 4,10,11,10.


Используем в качестве входного сигнала напряжение источника постоянного тока G1. Плавно изменяя Uвх снимаем показания и строим график передаточной характеристики


KUoc =-R6/R1= -5


Собираем схему компаратора . комутаторы: 3,4,6,9,12.


Опорное напряжение равно нулю, т. к. неинвертирующий вход подключен к “земле”, в качестве входного сигнала используем напряжение источника постоянного тока G1.

Снимаем показания и строим график передаточной характеристики .

Так же для компаратора с гистерезисной характеристикой, комутаторы: 2,4,6,9,12.


Uср. = 4,62 (R7/R7+R6) = 4,2в

Uотп = -3,04(R7/R7+R6) =-2,75в

Uг = Uср. - Uотп =1,4в


Вывод: Графики передаточных характеристик далеки от идеальных, видимо, неуравновешенны плечи источника питания ОУ.

Расчётные данные так же отличаются от экспериментальных.

Например для УПТ KUoc =-5 следовательно при UВХ =1в UВЫХ =-5в при UВХ –1в, UВЫХ = 5в на деле это не так UВЫХ = -3,03в и 4,56в.

передаточная характеристика компаратора нестабильна в районе порога переключения, поэтому значение Uвых = 0 при U вх = 0 условно (гистерезисный компаратор свободен от этого недостатка)


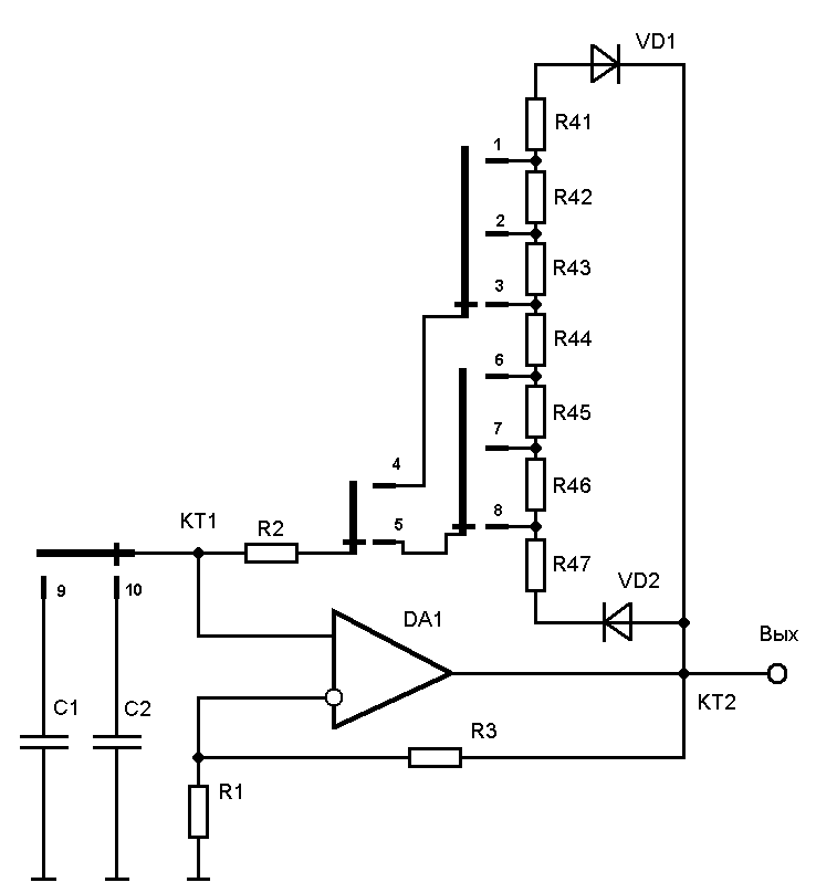
Собираем схему мультивибратора . комутаторы: 2,8,5. комутаторы 9 или 10

1,1 = (R2+R41+R42+R43+R44+R45+R46) C1= 6.75mS

tu1,1= 1,1ln(1+(2R1/R3) = 7.41mS

2,1 = (R2+R47) C1 = 1.005mS

tu2,1= 2,1ln(1+(2R1/R3) =1.103mS

f1=1/t1,1+t2,1 = 0.12кГц


КТ3



КТ2




КТ1



1,2 = (R2+R41+R42+R43+R44+R45+R46) C2= 2.115 mS

tu1,2= 1,2ln(1+(2R1/R3) = 2.31 mS

2,2 = (R2+R47) C2 = 0.3149 mS

tu2,2 = 2,2ln(1+(2R1/R3) = 0.34 mS

f2=1/t1,2+t2,2 = 0.38 кГц

Таблица 1. передаточная характеристика инвертирующего У.П.Т.


U G1[в]


-1,5


-1


-0,5


0


0,5


1


1,5


Uвых[в]


4,62


4,558


2,415


0,1


-2,22


-3,027


-3,39


Таблица 2. передаточная характеристика компаратора


U G1[в]


-1,5


-1


-0,5


-0,1


0


0,1


0,5


1


1,5


Uвых[в]


4,62


4,62


4,625


4,625


0


-3,042


-3,035


-3,04


-3,04


Таблица 3. передаточная характеристика гистерезисного компаратора


U G1[в]


-1


-0,6


-0,4


-0,1


0


0,1


0,4


0,6


1


Uвых[в]


4,62


4,62


4,62


4,62


4,62


4,62


4,62


-3,04


-3,04


U G1[в]


1


0,6


0,4


0,1


0


-0,1


-0,4


-0,6


-1


Uвых[в]


-3,04


-3,04


-3,04


-3,04


-3,04


-3,04


4,62


4,62


4,62



Передаточная характеристика гистерезисного компаратора



Передаточная характеристика компаратора





Передаточная характеристика У.П.Т.




мультивибратор



R1
100k
R2 2k
R3 100k
R41 4.7k
R42 5.1k
R43 6.8k
R44 8.2k
R45 8.2k
R46 12k
R 47 4.7k
C 1 0.15мкф
C 2 0,047мкф
VD1,2 Кд522
DA 1 553уд1



УПТ и компаратор


R1
2k
R2 10k
R3 2k
R4 10k
R5 10k
R6 10k
R7 100oм
R8 91k
R9 24k
DA 1 140уд1

Передаточная характеристика гистерезисного компаратора




Передаточная характеристика компаратора



© 2012 Рефераты, курсовые и дипломные работы.