рефераты
Главная

Рефераты по рекламе

Рефераты по физике

Рефераты по философии

Рефераты по финансам

Рефераты по химии

Рефераты по хозяйственному праву

Рефераты по цифровым устройствам

Рефераты по экологическому праву

Рефераты по экономико-математическому моделированию

Рефераты по экономической географии

Рефераты по экономической теории

Рефераты по этике

Рефераты по юриспруденции

Рефераты по языковедению

Рефераты по юридическим наукам

Рефераты по истории

Рефераты по компьютерным наукам

Рефераты по медицинским наукам

Рефераты по финансовым наукам

Рефераты по управленческим наукам

Психология и педагогика

Промышленность производство

Биология и химия

Языкознание филология

Издательское дело и полиграфия

Рефераты по краеведению и этнографии

Рефераты по религии и мифологии

Рефераты по медицине

Рефераты по сексологии

Рефераты по информатике программированию

Краткое содержание произведений

Реферат: Отчет по лабораторной работе

Реферат: Отчет по лабораторной работе

МОСКОВСКИЙ ГОСУДАРСТВЕННЫЙ ИНСТИТУТ РАДИОТЕХНИКИ ЭЛЕКТРОНИКИ И АВТОМАТИКИ

(ТЕХНИЧЕСКИЙ УНИВЕРСИТЕТ)

 

     

ОТЧЕТ

ПО ЛАБОРАТОРНОЙ РАБОТЕ

ОПРЕДЕЛЕНИЕ УДЕЛЬНОГО ЗАРЯДА ЭЛЕКТРОНА МЕТОДОМ МАГНЕТРОНА

Студент ???????????
Группа

???????????

Москва 2003

ТЕОРЕТИЧЕСКОЕ ВВЕДЕНИЕ


              Удельным зарядом электрона называется отношение заряда е электрона к его массе m. Экспериментальные методы определения е / m основаны на действии электрического и магнитного полей на электроны, движущийся в этих полях с определенной скоростью.

На заряд q, находящийся в электрическом поле напряженностью   действует сила :

.

(1)

На заряд q, движущийся в магнитном поле с индукцией со скоростью , действует сила Лоренца, перпендикулярная векторам и и равная

.

(2)

Величина силы Лоренца зависит от угла между направлением скорости и вектором индукции магнитного поля:

.

(3)

Сила Лоренца, как следует из (2), направлена различно для положительных и отрицательных зарядов, движущихся в одном направлении.

Рис.1

Поскольку сила Лоренца всегда перпендикулярна к скорости частицы, то работу над частицей она не совершает, а сообщает движущемуся заряду нормальное ускорение, не изменяя величины скорости (энергии) заряда.

Пусть заряженная частица массы m с зарядом +q летит со скоростью v под углом к силовым линиям магнитной индукции. Разложим скорость на две составляющие: - параллельную полю, и - перпендикулярную полю.

Тогда сила Лоренца равна:

.

(4)

Но вектор направлен вдоль вектора . Следовательно, в направлении поля на частицу не действует сила и она летит с постояннной скоростью .

Сила постоянна по модулю и перпендикулярна скорости и . Эта сила сообщает частице центростремительное ускорение и частица будет двигаться по окружности. Радиус этой окружности можно найти, записав второй закон Ньютона:

(5)

.

(6)

Время, за которое частица совершает один полный оборот - период вращения - равен:

.

(7)

За один оборот заряд сместится вдоль направления вектора на расстояние :

.

(8)

Таким образом, частица участвует одновременно в двух движениях: с постоянной скоростью вдоль линии индукции магнитного поля и по окружность в плоскости, перпендикулярной магнитному полю. Результирующим движением является движение по спирали с шагом h.

Рис. 2

В настоящей работе для определения удельного заряда электрона e/m используется цилиндрический магнетрон. Магнетроном называется двухэлектродная электронная лампа (диод), в которой электроны, летящие от катода к аноду, наряду с электрическим полем, подвергаются действию внешнего магнитного поля. Магнитное поле, направленное вдоль вертикальной оси лампы, создается соленоидом.

Соленоид состоит из большого числа витков изолированной медной проволоки, намотанной на каркас. При пропускании через соленоид электрического тока IC возникает магнитное поле, которое в средней части соленоида близко к однородному. Индукцию магнитного поля соленоида можно определить исходя из теоремы о циркуляции для вектора : циркуляция вектора по произвольному замкнотому контору равна алгебраической сумме токов, охватываемых контуром, умноженной на магнитную постоянную m0 ( m0 = 4 p Ч 10-7 Гн/м):

.

(9)

В качестве контура удобно выбрать прямоугольник бесконечно малой высоты.

123.GIF (6541 bytes)

Рис. 3

Тогда

.

(10)

На участках АB и CD скалярное произведение равно нулю, так как здесь вектор перпендикулярен вектору . На участке DA скалярное произведение равно нулю, так как здесь нет поля (все поле сосредоточено внутри соленоида). Таким образом формулу (10) можно представить в виде:

.

(11)

Сумма токов, охватываемых контуром, равна

,

(12)

где IC - сила тока в соленоиде, N - число витков, охватываемых контуром.

Подставляя (11) и (12) в (9), получим:

.

(13)

Таким образом, индукция магнитного поля бесконечно длинного соленоида, равна:

,

(14)

где n - число витков на единицу длины соленоида.

Диод представляет собой высоковакуумный баллон Б с двумя впаянными в него электродами - анодом А и катодом К. Анод имеет форму цилиндра радиуса rA . Катод представляет собою полый цилиндр радиуса rС , по оси которого расположена вольфрамовая нить - нить накала.

Раскаленный катод испускает термоэлектроны, образующие вокруг катода электронное облако. При создании между анодом и катодом разности потенциалов UA (анодное напряжение), электроны начинают перемещаться от катода к аноду вдоль радиусов, и во внешней цепи лампы возникает анодный ток IA , величина которого зависит от приложенного анодного напряжения. Чем больше анодное напряжение, тем больше электронов в единицу времени достигают анода, следовательно, тем больше анодный ток. При некотором значении анодного напряжения все электроны, вырванные с поверхности металла в результате термоэлектронной эмиссии, достигают анода и при дальнейшем увеличинии UA ток не увеличивается, т.е. достигает насыщения..

На электрон в электрическом поле, создаваемым между катодом и анодом, действует сила еЕ. Здесь Е - напряженность поля между катодом и анодом (поле цилиндрического конденсатора):

.

(15)

Разность потенциалов между катодом радиуса r0 и анодом радиуса rА равна:

.

(16)

Отсюда находим постоянную С:

.

(17)

Таким образом , уравнение движения электрона (второй закон Ньютона) в электрическом поле , создаваемом между катодом и анодом, можно представить в виде:

.

(18)

Значение времени пролета электрона от катода к аноду дает решение уравнения (18):

.

(19)

Для определения удельного заряда электрона магнетрон помещают в поле соленоида так, что лампа находится в центре соленоида, где поле однородно (Рис.5). Магнитное поле соленоида перпендикулярно плоскости, в которой движутся к аноду электроны, вырванные с катода.

В магнетроне на каждый электрон, движущийся в лампе по радиусу от катода к аноду, со стороны магнитного поля соленоида действует сила Лоренца, определяемая по формуле (2). Так как электроны движутся радиально, а магнитное поле соленоида направлено по оси лампы, то угол между и равен 900 и сила Лоренца, действующая на движущийся электрон, перпендикулярна и . Величина силы Лоренца равна:

.

(20)

Под действием силы Лоренца электроны движутся по криволинейным траекториям, форма которых близка к дуге окружности . С увеличением индукции магнитного поля соленоида (силы тока в соленоиде) радиус траектории уменьшается (см. формулу (6). На рис. 6 показаны траектории движения электронов при различных значениях индукции магнитного поля. Здесь представлены траектории трех электронов, вылетающих с поверхности катода с различными скоростями. Обратите внимания, что при малых полях все  электроны попадают на анод и поэтому анодный ток остается неизменным при увеличении магнитного поля (см. рис 7). При некотором поле уже не все электроны попадают на анод и поэтому анодный ток уменьшается. Когда ни один электрон не попадает на анод, ток в анодной части цепи прекращается.

Рис. 6

Рассмотрим идеальный случай, когда скорости всех вылетивших с поверхности катода электронов равны. При некотором значении тока в соленоиде радиус окружности R становится равным половине расстояния между катодом и анодом rА/2. Такой режим работы лампы называется критическим. При этом по соленоиду течет критический ток Iкр , которому соответствует критическое поле В = Вкр.

При В > Вкр электроны перестают попадать на анод и анодный ток уменьшается скачком ( кривая I на рис. 7).

Рис. 7

При выполнении условия В = Вкр время пролета электрона от катода к аноду, определеляемое формулой (19), равно полупериоду вращения электрона по окружности. Период определяется по формуле (7). Таким образом:

.

(21)

Отсюда находим удельный заряд электрона:

.

(22)

Эту формулу можно представить в другом виде:

.

(23)

где k - постоянная установки, зависящая от конструкции лампы. Значение постоянной k и числа витков n соленоида на единицу длины указаны в паспорте установки.

В реальном магнетроне, вследствие некоторого разброса скоростей электронов и нарушения соостности катода и магнитного поля, анодный ток уменьшается не скачком (кривая 2 на рис. 7). Значение силы тока соленоида в точке перегиба кривой и будет критическим током. Для нахождения Iкр надо построить график зависимости производной (точнее ) от тока в соленоиде IC и по положению максимума оределить критический ток соленоида.

Рис. 8


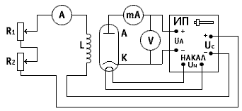
В работе используется электрическая схема, представленная на рис.9. Она состоит из двух цепей: а) - цепь соленоида, б) - цепь диода.

В цепи соленоида реостаты R1 и R2 служат для изменения силы тока IС , протекающего через соленоид L. Сила тока IС измеряется с помощью амперметра А. Наряжение в цепи соленоида UС подается с источника питания ИП.

Рис. 9

В цепи диода источник питания ИП служит для подачи анодного напряжения UА на лампу и  напряжения UN на нить накала лампы. Анодное напряжение UА измеряется с помощью вольтметра V . Сила тока IА в анодной части цепи измеряется с помощью миллиамперметра mA. Анодное напряжение регулируется с помощью ползунка, вмонтированного в источник питания.


1. Основная расчетная формула для определения удельного  заряда электрона :

                                          

где Ua— анодное напряжение, L — длина соленоида, D — диаметр соленоида, N — число  витков  соленоида, Ra — радиус анода, m0— магнитная постоянная,  Ic,кр   — критический ток соленоида.

 Магнетрон :

а) соленоид

диаметр D = 33,5 мм ,

длина  L   = 50,00 мм.,

число витков   N  =   213;

DD  = 0,1 мм.,

DL = 0,01 мм;

б) диод

радиус анода Ra    = 5,00 мм.,

DR  = 0,01 мм.

         Ua = 5 В.

2.Cхема электрической цепи.


3.Результаты измерений (в форме табл.1-2).

Первое анодное напряжение

Ic, А

0 0,6 1,2 1,4 1,6 1,8 2,0 2,2 2,4 2,6 2,8 3,0 3,4 3,8 4,2 4,6 4,8 5,0

Ia, мА

15 15 15 15 14,5 14,5 14 13,5 13,5 13 13 12,5 11,5 11 10 9,5 9,5 9
Второе анодное напряжение

Ic, А

0 0,6 1,2 1,8 2,4 3 3,6 4,2 4,8 5

Ia, мА

22 22 22 21,5 20,5 19 18 16 15 15

4. График зависимости анодного тока от тока в соленоиде I a = f(Ic) представлен на миллиметровке

5. Определение критического тка   Ic    в соленоиде .

6.Удельный заряд электрона

                                                          Кл / кг .

|e|   _

m                                                  Кл / кг.

7. Окончательный  результат

8. Вывод:


© 2012 Рефераты, курсовые и дипломные работы.