рефераты
Главная

Рефераты по рекламе

Рефераты по физике

Рефераты по философии

Рефераты по финансам

Рефераты по химии

Рефераты по хозяйственному праву

Рефераты по цифровым устройствам

Рефераты по экологическому праву

Рефераты по экономико-математическому моделированию

Рефераты по экономической географии

Рефераты по экономической теории

Рефераты по этике

Рефераты по юриспруденции

Рефераты по языковедению

Рефераты по юридическим наукам

Рефераты по истории

Рефераты по компьютерным наукам

Рефераты по медицинским наукам

Рефераты по финансовым наукам

Рефераты по управленческим наукам

Психология и педагогика

Промышленность производство

Биология и химия

Языкознание филология

Издательское дело и полиграфия

Рефераты по краеведению и этнографии

Рефераты по религии и мифологии

Рефераты по медицине

Рефераты по сексологии

Рефераты по информатике программированию

Краткое содержание произведений

Реферат: Расчет нагрузок с помощью ЭВМ

Реферат: Расчет нагрузок с помощью ЭВМ

F= 60*24=1440м2 - площадь цеха.


Росв=19*60*24=27,36 квт.

__________

Spi = Ppi2+Qpi2

Расчетные нагрузки всех потребителей складываются. Результаты расчета электрических нагрузок цеха сведены в таблицу 2.1.


Spi

Ipi= 

3*Uн


In=Ip+Inycк наиб (много электроприемников).

1n=Iр-1н наиб +1пуск наиб(мало приемников),

-где In- пиковый ток.

I пуск наиб - пусковой ток наибольшего по мощности двигателя;

In наиб - номинальный ток наибольшего по мощности двигателя;

1р - расчетный ток двигателя;

1пуск наиб = 5*1н наиб.

2.2. Расчет электрических нагрузок фабрики.

В практике проектирования систем электроснабжения сетей до 1000 В и выше применяют различные методы определения электрических

нагрузок.

Расчет электрических нагрузок фабрики произведем по установленной мощности и коэффициенту спроса, так как определение расчетной силовой магрузки, по этому методу является приближенным и поэтому его применение рекомендуется для предварительных расчетов и определение электрических нагрузок.

Расчетную нагрузку однофазных по режиму работы приемников определяют но формуле:


Рр = Кс,а * Рном; (2.5)


Qp=Pp*tg; (2.6)


________

Sр= Pp2+Qp2;


Где Кc,a коэффициент спроса по активной мощности, принят по Taблице 22 [2];

Рн м - номинальная (установленная) мощность электроприемника,

кВ .

tg - соответствует cos данной группы приемников, взят из табл.22 [2]

Sp полная мощность, кВа.

Пример расчета нагрузок для насосной станции 1 подъема:


Рр =194*0,9 =174,6 кВт;


Qp= 174,6*0,75 == 130,9 кВар;

_____________

Sp= l30,952 +174,62 =218,2кВа.


Расчетные нагрузки для остальных приемников электрической энергии рассчитываются аналогичным образом, поэтому сведены в таблицу 2.3

После расчета нагрузок приемников электрической энергии рассчитываются потери в цеховых трансформаторных подстанциях (ТП). Потери активной и реактивной энергии в цеховых ТП принимаются 2% и 10% (сooтветственно) от полной нагрузки всех цехов напряжением до 1000В.

Потери в цеховых ТП составляют:

Р= 0,02*2667 = 53,34 кВт;

Q= 0,1*2667 = 266,7 кВар;

После расчета электрических нагрузок электроприемников напряжением до 1000В и расчета электрических нагрузок электроприемников на­пряжением выше 1000В их суммируют с учетом коэффициента разновременности максимумов нагрузки отдельных групп. Значение коэффициенты разновременности максимумов нагрузки можно приближенно принимать равным 0,9 [6].

Сумарная полная нагрузка по фабрике с учетом коэффициента раз-новременности максимума:

__________________________

Sp= (Рр +Pp)2 + (Qp^ +Qp)2 * Кр. м. (2.7)


Где Рр расчетная активная мощность приемника электрической энергии напряжением до 1000В, кВт;

Qp - расчетная реактивная мощность приемника электрической энергии напряжением до 1000В, кВар;

Pp - расчетная активная мощность приемника электрической энергии напряжением выше 1000В, кВт;

Qp расчетная реактивная мощность приемника электрической энергии напряжением выше 1000В,кВар;

Кр. м = 0,9 - коэффициент разновременности максимумов нагрузки из [6].

________________

Sp = (4415,2)2+(2815,42)2 *0,9 = 4712,82.

После расчета электрических нагрузок фабрики составляется сводная таблица (2.3) электрических нагрузок отдельных приемников электрической энергии.


2.3. Расчет электрических нагрузок с применением ЭВМ.

Расчет электрических нагрузок - одна из тех операций, которые наиболее легко поддаются автоматизации с помощью ЭВМ. Предложено несколько алгоритмов и программ машинного расчета электрических нагрузок, однако наиболее простым является алгоритм расчета трехфазных электрических нагрузок, разработанный мной.

В основу этого алгоритма положен метод упорядоченных диаграмм. Особенность алгоритма заключается в том, что он позволяет за один прием определить расчетные нагрузки для любого количества элементов цеховой электрической сети (ЦЭС) с неограниченным количеством приемников электроэнергии. Алгоритм разработан с учетом иерархичности структуры цеховых сетей и реализуется на ЭВМ любою класса.

Исходная информация для расчета электрических нагрузок накапливается а специальном оперативном массиве Н, число строк которого равно количеству ступеней распределения электроэнергии. Максимальное количество ступеней распределения электроэнергии ( трансформаторы, шинопроводы, магистрали, силовые распре­делительные пункты) определяются конкретной программой и в данном случае принято равным 10. Количество столбцов принято равным шести, что вытекает из сущности метода упорядоченных диаграмм.

IIо каждому приемнику электроэнергии с переменным графиком нагрузки (с коэффициентом использования Ки2, средние активные Рср и реактивные Qcp нагрузки. По каждому приемнику электроэнергии с практически постоянным графикомнагрузки (Ки>=0,6) - средние активные Рср и реактивные Qcp нагрузки.


Вводить необходимо следующие показатели по порядку :


1.Количество приемников (общее).

2.Ступень.

3.Группа.

4.Количество однотипных приемников.

5.Рном одного приемника.

6.К(и) - коэффицент использования.

7.tg . - тангенс .


Результаты расчета для примеров находятся в приложении.


2.4. Выбор числа, мощности и расположения цеховых трансформаторных подстанций низковольтной сети.


Число трансформаторов выбирается в зависимости от условий окружающей среды, мощности потребителей, категорийности и режима работы приемников электроэнергии. Мощность цеховых трансформаторов в нормальных условиях должна обеспечивать питание всех приемников промышленных предприятий. Так как в цехе имеются потребители разных категорий надежности, требуется определить коэффициент загрузки трансформаторов средневзвешенный, по которому будет определятся число трансформаторов:


КзI*PpI+КзII*PрII+КзIII*РрIII'

Kзсв= ; (2.8)

РрI+РрII+РрIII PpI


РрI - мощность потребителей 1 категории (60%);

PpII - 40%- мощность потребителей 2 категории;

PpIII - мощность потребителей 3 категории;

KзI =0,7коэффициент загрузки трансформаторов 1 категории;

KзII =0,85 коэффициент загрузки трансформаторов 2 категории;

KзIII=0 коэффициент загрузки трансформаторов 3 категории.


Номинальная мощность трансформаторов определяется по удельной плотности нагрузки:


0.7*60+0.85*40

Кз св = ;

60+40


Принимаю номинальную мощность трансформатора Sнэ=160 квА. Определяем число трансформаторов, требующихся для передачи полной мощности потребителям:


Sp 346.81

=  =  =0.24; (2.9)

F 1440


Принимаю 3 трансформатора мощностью по 160 квА ТСЗ - 160/10. Так помещение пожароопасное, то в цехе целесообразно применение cyxoго трансформатора.


2.5. Выбор числа, мощности и расположения цеховых трансформаторных подстанций высоковольтной сети.


Минимально возможное число тансформаторов:


Рр

Nmin= —————— + N (2.11)

Кзсв*Sнэ


где Pр расчетная активная низковольтная нагрузка, кВт из табл.31

Кз.св =0,7 - средневзвешенный коэффициент загрузки, из [6].

N - добавка до целого числа.

Sн.э =- 630 кВа - эффективная мощность трансформаторов при удельной плотности нагрузки до 0,2 кB*A/м2,из [6]

2250.6

Nmin = -——— = 5,1 + 0,9 = 6 трансформаторов;

0.7*630


Экономически оптимальное число трансформаторов:


Noпt = Nmin + m; (2.12)


Где m дополнительно установленные трансформаторы, принимается по рис.4-6[6]


Noпt=6+0=6 трансформаторов.


Максимальная реактивная мощность, которую целесообразно передать через трансформаторы:

_________________________________

Qmx1m = (Noon * Кзсв * Suum)2 - Pp2; (2.13)


__________________

Qmx1m = (6*0,7*630)2-2250,62 =1391,44 кВар;


Суммарная мощность конденсаторных батарей на напряжение до 1000В:


Qнк1=Qp - Qmax1m; (2.14)


где Qp - расчетная реактивная мощность приемника электричеcкой энергии без учета потерь в трансформаторах из табл.31

Qнк1 =1262 -1391,44 = 129,4Квар;


Так как расчете Qнк 0, тo установка батарей конденсаторов при выборе оптимального числа трансформатров не требуется.

Определяг коэффициент загрузки трансформаторов:

Sр

Кз= ; (2.15)

Nsном,т


Sp --полная низковольтная нагрузка из таб. кВа;

n - количество устанавливаемых трансформаторов;

S ном,т номинальная мощность трансформаторов, кВа;


Пример расчета коэффициента загрузки Кз для фабрики:


1758,75

Кз = ------------ = 0.7;

4*630


Принимаем к установке на фабрике, а именно, в цехе рудоподготовки и цехе обогащения четыре трансформатора, по два в каждом цеху, марки ТМ 630/6.


Паспортные данные трансформаторов взяты из табл:


Ubh 6кВ Ixx = 2%

Uhh = 0,4кВ; Раз = 7,6кВт

Рхх = 1,42кВ;

Uкк = 5,5 %;.


Результаты выбора трансформаторов для остальных приемников электрической энергии и расчета коэффициента загрузки производится аналогично и сведен в табл .2.4

3 ВЫБОР СХЕМЫ ЭЛЕКТРОСНАБЖЕНИЯ ЦЕХОВ.

3.1 Выбор схемы и расчет низковольтной цеховой сети.

Так как мощность потребителей большая и присутствуют потребили 1 категории, то потребители запитываются с шин трансформатора. В цехе принимаю радиальную схему электроснабжения с одной трансформаторной подстанцией, включающей в себя два трансформатора. Так как помещение пожароопасное, то питающие про­водики выбираю типа АПРТО, проводники прокладываются в стальных трубах. Выбор питающих проводников по экономической плотности не производится, так как выбранное сечение проводов и жил кабелей в 2-3 раза превышают выбранные по нагреву расчетным током. В нормальном и аварийном режимах питающие линии должны удовлетворять условиям:


Кпр*Iдоп1  Io; (3.1)


Кпр*Кпер*Iдоп I ав; (3.2)


где Кпр коэффициент, учитывющий особенности прокладки;


Кпр=1 - если прокладывается 1 кабель;


Кпр=0,9- если прокладывается 2 кабеля;


Iдоп - длительно допустимый ток выбранного проводника;


Io номинальный ток;

Кпер = 1,3- коэффициент перегрузки;

Iaв - аварийный ток.

Проверка по согласованию с действием защиты производится после выбора защитных устройств, пункт 6.1.

Номинальный ток единичного потребителя рассчитывается по формуле:


Рнно

Iо = —————— (3.3)

3 *Uhho * cos


где Pном - номинальная мощность единичного потребителя;


Uном - номинальное напряжение (0,4 кв).


Пример расчета для потребителя номер один токарно-винторезный.


При токе потребителя 35,ЗА выбираю кабель АПРТО сечением 10 мм2 (3 а; провода по 10 мм2), допустимый ток при таком сечении 47 А.(табл.2,15 [2] ). Все питающие проводники от единичных потребителей сводятся в распределительные пункты типа ПР с 6-8 отходящими линиями. К распределительным пунктам подходят кабели такого же типа, что и к единичным потребителям, но большего сечения. Для того, чтобы найти расчетный ток кабелей, подходящих к распределительным пунктам, составляется таблица, аналогичная таблице 2.1. "Расчет электрических нагрузок цеха", но потребители запитываются по группам как они подключаются к распределительным пунктам. После расчета таблицы находится ток кабеля:

Sp

Iпр=  (3.4)

3*Uн


Все данные по расчету тока кабеля к распределительным пунктам сведены в табл.3.1 Выбор питающих проводников сведен в табл. 3.2. После расчета таблицы находим расчетный ток, который протекает по проводу к распределительному пункту, например к ПР1:


74,4

Iо =  = 107.4 А

3*0.4


Пример выбора АВ для провода к ПР1;


Номинальный ток в проводе 107.4А; Выбираем АВ: А3710Б с Iном=160А. Ток установки электромагнитного расцепителя;

27

Iуэм = 1.25*(107,4 + 5 ) = 628,5 А

3*0.4*5


Ток теплового расцепителя:


Iт = 1.3*107,4=139,4А. (3.5)


3.2. Выбор схемы и расчет высоковольтной сети.

Система электроснабжения предприятия состоит из источников пи­тания и линий электропередач, осуществляющих подачу электроэнергии к предприятию, понижающих, распределительных и преобразователь­ных подстанций и связывающих их кабелей и воздушных линий.

Требования, предъявляемые к электроснабжению предприятий в ос­новном зависят от потребляемой ими мощности и характера электриче­ских нагрузок, особенностей технологии производства, климатических условий, загрязненности окружающей среды и других факторов.

Схемы и конструктивное исполнение системы электроснабжения должны обеспечивать возможность роста потребления электроэнергии предприятием без коренной реконструкции системы электроснабжения. Требования технологии оказывают решающее значение при определении степени надежности питания и построения схемы электроснабжения. Недоучет этих требований может привести как к недостаточному резервированию, так и к излишним затратам.

Источником электроснабжения обогатительной фабрики будет служить энергосистема, через ГПП, примыкаемой к территории обо­гатительной фабрики. От ГПП до распределительных устройств обо­гатительной фабрики электроэнергия передается по воздушным линиям электропередачи напряжением 6000 В.

Вторая линия электропередачи обеспечивает передачу электроэнергии от ГПП до КТПН насосной станции 1 подъема, с отпайками к распре­делительному устройству 6000В насосной станции оборотной воды. Каждая линия состоит из двух взаиморезервируюмых цепей. От распределительного устройства 6000В обогатительной фабрики по кабельным линиям 6000В осуществляется питание:

-двух высоковольтных электродвигателей бесшаровых мельниц мокрого самоизмельчения руды (по 630 кВт каждый);

-двух комплектных трансформаторных подстанций цеха рудоподготовки мощностью 630 кВа каждая;

-двух комплектных трансформаторных подстанций цехов обогащения и доводки мощностью 630 кВа каждая;

-одной комплектной трансформаторной подстанции мощностью 630 кВа для электрического освещения помещений и территории фабрики. По степени надежности электроснабжения фабрика и хвостовое хозяйство относятся к потребителям 2 категории.

Согласно параграфу 13.28 ПУЭ сборные шины в пределах РУ по экономической плотности тока не выбираются, поэтому выбор производим по допустимому току, равного току наиболее мощного присоединения, в данном случае генератора.

Наибольший ток нормального режима принимается при загрузке генератора до номинальной мощности Рном, при номинальном напряжении U cos ф ном:

Рном

Iном=Iном.г =  (3.3);

3*Vном *cos


где Рном - номинальная мощность генератора принимается по табл.2-1 [10],кВт;

Vном - номинальное напряжение сети ,кВ;

cos - коэффициент мощности номинальный , принимается по табл.2-1 [10]

4000

Iном = Iном.г = ————— = 458,7 А;

3*6.3*0.8


Принимаем шины прямоугольного сечения аллюминиевые 2(40*4) мм2,

Iдоп = 480А из таб.3.14[7].

Проверяем выбранное сечение шин по допустимому току в нормальном режиме:


Imax Iдоп;

Imax = 458,7А Iдоп = 480 А;

Проверка сборных шин на термическую стойкость производится после расчетов токов короткого замыкания .

Условие проверки:

Sт min Sт

где S т min - минимальное сечение по термической стойкости ,мм2;

S т - выбранное сечение шин, мм2.

Выбор сечения линий электропередач производим по экономической плотности тока:

Ip

F э = ---- ; (3.5)

э

где Iр - расчетный ток линии;

э - экономическая плотность тока из табл.5-7[5], мм2;

Fэ - ceчeн» ; линии, мм2.

по допустимому току нагрева в послеаварийном режиме:

1доп Iав;

где Iдоп - допустимый ток нагрева линии, принимается по табл.п 3.3 |7],А.


Определим расчетный ток линии:

Sp

Iр= ; (3.6)

3V*n


где Sp = 29 3,75кВА - расчетная мощность фабрики из таб. ;

V = 6,3 кВ подводимое напряжение;

n - количе во линий;


2948,75

Iр=  = 135,3 А;

3*6,3*2


Iав = 2*Iр = 2*135,3 =270А.


Определяем сечение линии электропередачи:


Ip 135,3

Fэ=  =  = 96,6 мм2

э 1.4


По таблице 3.3[7] выбираем воздушную линию из 2-х взаиморе-зервирующих цепей марки АС/16, Iдоп = ЗЗОА.

Проверяем выбранное сечение линии по нагреву током послеаварийном режиме:

Iдоп =ЗЗОА>Iав=270А


Sp = Sр пнc + Sp н об воды + Sp н 1 подъема; (3.7)


где Sp пн = 388,98 - расчетная мощность пульпонасосной станции из таб.З.1[7];


Sp н об воды = 919,83 кВА - расчетная мощность насосной станции оборотной воды из таб.3.1

Sp н 1 подьема = 218,25 кВА - расчетная мощность насосной станции 1 подъема и таб.3.1


Sp = 388,98 + 919,83 + 218,25 = 1527,06 кВА;


1527.25

Iр=  = 70 А;

3*6,3*2


Iрав = 2*Iр =2*70 = 140 А;


70

Рэ =  = 50 мм2

1.4


По таб.3.3[7] выбираю воздушную линию из двух взаимореэервиуемых линий марки АС 50/8, Iдоп = 210А.

Проверяем их по нагреву током в послеаварийном режиме:


Iдоп = 210А > I ав = 140А;

Sp = Sр н об воды + Spн 1 подъема; (3.8)

Sp =919,83+218,25 = 1138,88 кВА;

1138,88

Ip =  = 52,2 А;

2 3*6,3


Iав = 2*52,2 = 104.4А


52,2

Fэ =  = 37,3 мм2;

1.4


По таблице П.3.3 [7] выбираю сечение воздушной линии АС 35/6,2;

Iдоп =175.A

Проверяем линию по нагреву током в послеаварийном режиме:


Iдоп = 175А > Iав =104,4А.


Sp = 218.25А;


218,25

Ip=  = 10 А ;

23*6.3


Iав = 2*10 = 20 А;


10

Fэ =  = 7 мм2;

1.4

По табл.П.3.3 [7] выбираем сечение воздушной АС25/4,2; Iдоп = 135А. Проверяем линию по нагреву током в послеаварийном режиме:

Iдоп = 135А > Iав =20А.

Выбор сечения питающих кабелей производим:

- по экономической плотности тока;

- по допустимому току нагрева в нормальном и аварийном режимах;

- по термической устойчивости к токам КЗ.


Выбор кабельной линии производим по расчетному току трансформатора:


Spm (3.9)

Ip=  = 57,8 А;

3*Vн

где Spm = 630 кВА - расчетная мощность трансформатора из таб.3.2

Vн = 6,3 кВ - подводимое напряжение:

630

Iр= 

3*6,3


Ip 57.8

Fэ=  =  41,3 мм2

э 1.4

где э =1,4 мм2 - экономическая плотность тока для кабелей с аллюминевыми жилами с бумажной пропитанной изоляцией в аллюминевой оболочке, при числе часов использования максимума нагрузки 4000 часов принимается по табл. 5-7 [5].

Пo таб.10. [2] принимаю кабель марки ААШв проложенный в кабельном канале, сечением 35 мм2. Выбор сечения кабеля по допустимому току нагрева производится по неравенствам:

  • в нормальном режиме:


Ip

1доп ; (3.10)

Кпр

где Iр - расчетный ток трансформатора;

Кпр - коэффициент прокладки учитывающий число параллельно работающих кабелей проложенных в земле.

Кпр =1- так как прокладывается 1 кабель [1].


Iдоп =125А >Iр-57,8А.


в аварийном режиме:

Iaa

Iдоп 

Кпр * Кпер

где Кпер - коэффициент перегрузки, на начальной стадии проектирования допускается перегрузка кабеля на 30%, [I].

80,9

1доп > = 62,2 А;

1.3


После расчета тока КЗ производим проверку выбранного сечения кабеля по термической устойчивости к токам КЗ.


630

Ip =  = 57,8 А.

3*6,3


Iав = 1.4 Iр +Ip = 1.4* 57.8 + 57,8 – 138,72 А.


57,8

Fэ =  = 41,3 мм2.

1,4

4. РАСЧЕТ ТОКОВ КОРОТКОГО ЗАМЫКАНИЯ .

4.1. Расчет токов короткого замыкания и проверка наустойчивость основного электрооборудования низковольтной сети .

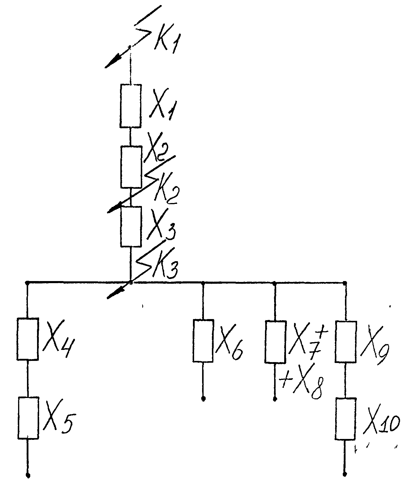
Первую точку для определения тока КЗ выбираем сразу после трансформатора. В этой точке ток КЗ будет максимальным, и если он будет меньше, чем предел динамической устойчивости у автоматов, то оборудование выбрано верно и расчет токов КЗ на этом прекращается.


Трансформатор


ТСЗ-160/10 Ква

SH=160 кВА

Uвн = 10 кВ

Uнн = 0,4 кВ

Рхх = 700 Вт

Ркк=2700

Uкк = 5,5%

Iхх = 4%


Рис 4.1 cхема замещения для расчета токов КЗ в точке К1.

Ток трехфазного КЗ определяется по формуле:


Iк=  (4.1)

_________________

/ ________

3(R2+X2)


где Uн - номинальное напряжение сети, В;

R - суммарное активное сопротивление цепи, мОм;

X - суммарное реактивное сопротивление цепи, мОм;

где

R = Ртр+Рав (4.2)


Рк*Uнн2

Где  *106 = 16,9 мОм

Smm2


Активное сопротивление трансформатора.


Rав =1,1 мОм - активное опротивление АВ с учетом переходных сопротивлий контактов (табл.2.54[1]


R = 16,9+1,1 мОм = 18мОм

Х = Хтр+Хав ; (4.3)

1де

Хав = 0,5 мОм - реактивное сопротивление АВ (табл.2.54[1])

_____________

Хтр = Zmm2 – Rmm2 (4.4)


10 * Uк* Uнн2 10 *5,5 *0,42

Zтр =  =  0,055Ом = 55 мОм;

Smm 160

_________

Хтр552-16,92 =52,3 мOм


  • реактиктивное сопротивление трансформатора;


X =52,3+0,5 =52,8 мОм


400

Iк=  = 4,14 кА.

__ ________

3*182+52,82


Ударный ток КЗ находим по формуле :


Iу =2*Ку*Iк ( 4.5)


-0.01

Ta

Ку =( 1+е ) - ударный коэффициент; (4.6)


X 52,8

Ta =  =  = 0.009 с - постоянная времени

R 314*18


-0.01

Ta

Ку =( 1+е ) = 1.33;


Iy = 1,41*1,33*4,14=7,8 кА;

Для точки К2:


R = Rтр +Rав1+Rав2+Rкл1


активное сопротивление трансформатора.


Rав 1,2 =1,1 мОм - активное сопротивление АВ с учетом переходных сопротивлений контактов (табл.2.54[1])


Rкл1=4 мОм

R= 16,9+1,1+1,1+4 =23,1мOм

X = Хтр+Хав1+Хав2+Хкл1;


ГдеХав 1,2 = 0,5 мОм - реактивное сопротивление АВ (табл.2.54[1])

_____________

Xтp =Zmm2 –Rmn2 ;

10*Uк*Uнн2 10*5,5 *0.42

Zтp = ——-——— = ————— = 0,055 Ом = 55 мОм;

Smm 160


_________

Xтp =552 –16,92 = 52,3 мОм ;

  • реактивное сопротивление трансформатора;


X =52,3+0,5+0,5+0,828= 54,1 мОм


400

Iк=  =3,08 кА

___________

3*23,12+54,12


Ударныг кок КЗ находим по формуле:


iy= 2*Ку*Iк;


-0.01

Ta

Ку =( 1+е ) -ударный коэффициент;


X 54,1

Ta =  =  = 0.0074 с - постоянная времени

R 314*23,1


-0.01

0.007

Ку =( 1+е ) = 1.26;


Iу = 1,41*1,26*3,08 = 7,740 кА;


Остальные результаты сводим в таблицу 4.1



К1

К2

КЗ

К4

К5

Кб

К7

К8

К9

К10

4,14

3,08

3,05

3,05

3,70

3,20

3,25

3,40

3,60

3,40

Iуд

7,88

7,74

7,50

7,40

7,04

6,08

6,17

7,75

6,84

6,46


4.2. Расчет токов короткого замыкания и проверка на устойчивость. основного электрооборудования высоковольтной сети.

Расчет токов КЗ в сетях напряжением выше 1000В производится для выбора основного электрооборудования и для проверки оборудования и проводников электрической энергии на термическую и электродинамическую устойчивость.

Расчет токов КЗ в сетях напряжением выше 1000В и ниже 1000В имеют различия. В сетях напряжением выше 1000В обычно суммарное активное сопротивление цепи до точки КЗ меньше тройного реактнвного сопротивления цепи до той же точки КЗ.

Поэтому при расчете тока КЗ допускается учитывать только реактивное сопротивления элементов.

Расчет токов КЗ для сети напряжением выше 1000В производим в относительных единицах. Составляем схему замещения для схемы электроснабжения фабрики pис .4.2 нумеруем ее элементы в порядке расположения.

Приииг аю за базисные единицы номинальную мощность^ранс-форматор ^ 8б=8нач.тр=^МВА, принята но табл.2-1{101 и среднее напряжен •е ступени с точками короткого замыкания V6=Vcp==6,J кВ.

Опреде яем базисный ток:

16. - ____ » JSfL = о.9^ (4.7) УЗ*Уб ^*б^ \ /

Опреде.' яем сопротивление эяемеятов схемы замещения. Трансфер larop напряжением 63 кВ:

^ . Uk*Sb х1 ' 100^ (4»s)

где V . напряжение короткого замыкания трансформатора, принимас ся равным X^d тя^ 10,5 % ,]

XI « 103*10/100*^3 = 0,223 Воздушна i линия напряжением 63 кВ

Х? -Худ*1Ц; (4.9)

где X; i - удельное реактивное сопротивление линии, принято по таблице 2 Ц S ]; ff/i/кн где 1-д яна линии^ W

Х2 ^,4*1,36* 10. =0,137 6,3

Х5 ^4*е,Ш*-10 =0,0187;

б32

Хб ^,4*0,045*^. »= 0,0045;

б^

ХУ -0,4*0,652* ^-^ 0,066 6^

Х1>»0,4*0,ИО*^°-0.011 6,3

Кабельные линии:

ХЗ=Худ*1^;

где X} \ - удельное реактивное сопротивление линии, принимается по таб2-3|. ];

XJ = 0,0625*0,05* -^ = 0,0007

Х7=0,0625*0,03*-10^ = 0,00004 6,3

XI 1=0,0625*0,05* ю = 0,0004 6,3

Х13=0,0625*0,05*-110^ = 0,0007

achi tpoH'ibie двигатели:

X-^'d*-^- (4.10) ^

где X"d- сверхпереходное сопротивление асинхронного двигателя и? табл 4-3[10];

S ном, д - номинальная мощность асинхронного двигателя;

Sиoм.дв=^w^)ff. (4.11) cos

где Рном дв - ном. активная мощность двигателя, из табл 4.3 [10] cos(p -коэффициент мощности двигателя, из табл 4-3 [10]

shom дв = —°- = 700/о9.4 0,9

Х4== 0,2*-10-= 2,86 0,7

Х8= 0,2*-10- =4,54 0,44

X12=X14=0,2*-10-=5,7

__________________» 035 '___________________________________.——

Определи! s суммарное сопротивление до точки К1 Х15 -Х13+Х14== 0,0007+5,7=5,7 Х16 =ХП+Х12= 0,0007+5,7=5,7

S 7*^ 7

Х17 Х1511Х16= ' э» =2.85 5,7+5,7

Х18 = Х17 + Х9 +Х10 = 2,85+ 0,011+0,066 = 2,927 Х19 -Х7+Х8= 4,54+0,0004 =4,54 Х20 - Х19 + Х6 = 4,54 + 0,0045 = 4,5445

4 5445 * 7 927

Х21 - Х2011 X18 = ' ' = 1,78 4,5445+2.927

Х22 - Х21 + Х5 = 1,78 + 0,0187 = 1,799 Х23 = X3 + Х4 = 0,0004 + 2,86 = 2,86 Х24 = Х23 + Х2 = 2,86 + 0,137 = 2,997 Х25 - Х2411 X22 = 1,124

Х2(» - XI 11 Х25 == °'223*1'124 = о,186 0,223+1,124

Определи ток короткого замыкания в точке К1

1к1 -——^б, (4.12)

Л 20

где Х26- -уммарное сопротивление до точки К1

1к =1/0,86 * 0,9 = 5,82 kA

Для о ределения тока КЗ в точке К1, необходимо учитывать подпитку . I асинхронных двигателей.

В орие ггировочных расчетах можно принимать максимальный ток подпитки г асинхронных двигателей;

_______L , =6,5*1ном ^____________________(4ЛЗ)_______

Номиналы' ли ток асинхронного двигателя мощностью 630 кВт

т pu 630

iho' = - —— = -7=————— = 64/t

^l/HCOSip ^/3*6,3*0,9

Максимал! 1ый ток подпитки от всех асинхронных двигателей составит:

1^ ^2*6,5*64 =832 А;

Номиналы ли ток асинхронного двигателя мощностью 400 кВТ:

1но » = ——400——:= 36,66.4 ;

д/3*6,3*0,9

Номинальгилй ток асинхронного двигателя мощностью 315 кВТ;

ih^i = _ 315—— = 32^ ;

^/3*6,3*0,9

Максима. i.sibiH ток подпитки от всех асинхронных двигателей составит:

1^=3*32 =96 А;

Тогда ток Ю в точке К1 составит:

1к 1 - 4,84 +0,832 + 0,03666 + 0,096 = 5,8 кА;

Определи л суммарное сопротивление до точки КЗ:

О 223 * 1 799 Х?7 = XI 11 X22 = ' ' = 0,198;

0,223+1,799

Х2Н = Х27 + Х2 = ОД98 + ОД37 = 0,335;

Определи?, гок КЗ в точке КЗ:

1к..=-1—* 0,9 =2,69/^;

0,335

С учете тока подпитки асинхронного двигателя , ток КЗ в точке КЗ составит:

1к =2,69+0,832= 3,522 кА;

Результат! расчетов остальных точек кз сведены в таблицу 4.2

Д^ля оп| .-деления ударного тока нахожу ударный коэффициент для характерш х точек короткого замыкания по таблице 3-8 [7 ]:

iy; = л/2Куд * М = л/2 * 1,94 * 5,8 = 15,9кА; (4.14)

iy; I = л/2 * Куд * ikk = V2 * 1,369 * 3,49 = 6,76^,

Результат» расчетов остальных ударных токов кз сведены в таблицу 4.2

Определен (е периодической составляющей тока КЗ:

In =1к; (4.15)

In ,=5,8к^

In ,=3,49кЛ,

Результаты расчетов остальных значений периодической составля­ющей кз сведены в таблицу 4.2

Значение апериодичной составляющей тока КЗ в произвольный момент времени определяется по формуле:

iat=-•^/2*/^c*f'u ; (4.16)

»де т - моменг времени определения тока КЗ, С;

ta - постоянная времени затухания апериодической составляющей тока КЗ, принимается для характеристики точек по табл.3-2[7]

°1 1 atl = е°16 = 4,39^ ;

°1 •• V2*3,49"0'04 =0,4кА,

Резул i ' s расчетов остальных значений апериодической составля­ющее < -.с «ены в таблицу 4.2

Oi с шч интеграл джоуля тока КЗ, характеризующий количество

гепл( .-» .'• [еляющейся в аппарате за время КЗ:

I -^(toom+Ta); (4.17)

где ft . i емя от начала КЗ до его отключения, с.:

t - tp3 + 1вык;

где t > ^ мя действия релейной зашиты , с tp3==0,02|7];

к - плное время отключения выключателя, с,(1вык = 0,06[8];

(, ;j= 0,02+0,06= 0,08с;

То» и. од им интеграл Джоуля тока:

\82 (0,08 + 0,16) = г,\кА2 * с, \ » =-- 3,492 (0,08 + 0,04) = 1,46кЛ2 * с;2 (0,08 + 0,04) = 1,46кЛ2 * с;

Резу. 2 .ы расчетов остальных значений интеграла Джоуля кз свед» ,» таблицу 4.2

Таблица 4.2


Kl К2 КЗ К4 К5 К6
It 5,82 2,71 3,53 3,33 3,32 3,23
15,8 6,83 6,8 7,8 7,8 7,8
lit 5,82 3,52 4,3 3,56 3,5 3,3
at 4,39 0,41 0,4 0,41 0,4 0,39
»k 8,1 1,5 1,46 1,47 1,47 1,49

4.3 Р счет токов короткого замыкания с применением ЭВМ.

асчет оков КЗ в сложных схемах электрических установок предс-TiBJi .т соб(. 1 трудоемкую задачу, и применение средств вычислительной 1 хн »н для е решения весьма целесообразно. Г'р01 )аммы »асчета токов КЗ на ЭВМ нашли самое широкое применение в пра^ икс пр ектирования электроустановок.

1Я р счета на ЭВМ начального значения периодической с »с 1. ияющ и токов КЗ в электроустановках применяются принцип нал

^яже ра-сматривается метод расчета, базирующийся на принципе |"ал«1

\}=Zi (4.6)

где IJ и I - голбцовые матрицы узловых напряжений и узловых токов. Нап яжени т узла в нагрузочном режиме:

Uni= ^ Zyiklk, (4.7)

t-i

где N - 4HCJ о узлов в схеме замещения.

В аварийной режиме в схеме замещения имеется лишь один источник тока

a y3Jse КЗ (и 1еет обозначение "с":

Ic = Ui .c/Zcc, (4.8) при ном на фяжение в 1-м узле:

11ав!= iH.cZic/Zcc. (4.9) nocJ е опре; мления напряжений во всех узлах схемы замещения токи в


ветвях находятся по выражению:


Iij = (Ui – Ui)Yуij. (4.10)


Алгоритм позволяет расчитать и токи КЗ за ветвями, оканчивающимися точкой КЗ. Данные ветви узловой проводимости не учитываются. Ток КЗ и напряжение в I – м узле при КЗ за такой ветвью находятся по формулам:


Ii = Uн.c./(Zcc + Zn); (4.11)

Ui = Uнi – U н.c. Zic/(Zcc +Z n) (4.12)


Где Zn – сопротивление ветви, которая заканчивается точкой КЗ.

Результаты расчетов токов КЗ для обоих вариантов даны в приложении. Как видно из результатов расхождения не существенны.


отчет по схеме с напряжением в цепи ниже 1кВ


общие параметры схемы :


Базисная мощность: Sb = 10.000 MBA

Номинальная мощность КЗ ЭС: Sc = 10.000 MBA

Номииальное напряжение: Un = 400.000 В


Трансформатор (Т1):

Тип ТСЗ-160/10

Напряжение КЗ = 5.500 %

Номитальная мощность=0.160 MBA

Потери активной мощности при КЗ=2.700кВ


Рубильник (S1):

Переходное сопротивление = 0.000 мОм


Автомагические выключатели :


Пемен •

| га,[м0м]

1 ха,[м0м]

1rka,[м0м]

SF1

1.100

0.500

1.800

SF2

1.100

0.500

1.800


SF3

1.100

0.500

1.800

SF4

1.100

0.500

1.800

SF5

1.100

0.500

1.800

SF6

1.100

0.500

1.800

SF7

1.100

0.500

1.800

SF8

1.100

0.500

1.800

SF9

1.100

0.500

1.800

SF10

1.100

0.500

1.800


Шины и кабельные линии :

1 Элемен

r,[м0м]

х,[м0м]

1,[м]

Ш1

0.000

0.000

0.000

Ш2

0.000

0.000

0.000

ШЗ

0.000

0.000

0.000

KL1

0.130

0.700

20.000

KL2

0.130

0.700

30.000

KL3

0.130

0.700

58.300

KL4

0.130

0.700

37.000

KL5

0.130

0.700

62.500

KL6

0.130

0.700

69.800

KL7

0.130

0.700

45.500

KL8

0.130

0.700

72.000

KL9

0.130

0.700

78.000


Асинхронные двигатели :

'хемек •

Рпош,[кВт]

1 kpd

Соs

AD1

AD2

AD3

AD4

158.000

142.700

132.800

107.100

1 0.920

1 0.920

1 0.920

1 0.920

0.90

0.90

0.90

0.90


Сопротиление ЭС: Хс=1.000 рaчетные сопротивления элементов

Элемент

Хе, [мОм]

Re, [мОм]

Т1

52.347

16.875

SF1

2.900

0.500

SF2

2.900

0.500

SF3

2.900

0.500

SF4

2.900

0.500

SF5

2.900

0.500

SF6

2.900

0.500

SF7

2.900

0.500

SF8

2.900

0.500

SF9

2.900

0.500

SF10

2.900

0.500

Ш1

0.000

0.000

Ш2

0.000

0.000

Ш3

0.000

0.000

KLI

2.600

14.000

KL2

3.900

21.000

KL3

7.580

40.800

KL4

4.810

25.900

KL5

8.120

43.700

KL6

9.070

48.800

KL7

5.910

31.800

KL8

9.360

50.400

KL9

10.340

54.600


Отчет по схеме напряжением в цепи вьше 1кВ

Общие параметры схемы :


Базисная мощность: Sb = 10.000 MBA

Мощность К3 ЭС: Sk = 100.000 MBA

Наприжени» ЭС: Ues = 110.000 кВ

Базисное напряжение: Ub = 6.300 кВ

Базисный ток: 16(110) = 0.052 кА

Базисный ток: 16(10) = 0.902 кА


Трансформатор (Т1):


Тип =ТМН 6300/115

Напряжение КЗ = 10.500 %

Номинальная мощность 6.300 MBA

Линии :


Элемент

Xud,[Ом/км]

1,км

ВЛ1

0.400

10.000

KL1

0.063

0.050

KL3

0.063

0.050

KL5

0.400

0.186

КL8

0.400

0.045

КL10

0.400

0.110

KLII

0.063

0.050


Асинхронные двигатели :


Элемент

Pnom,[кВт]|

Kpd

Cos

АД1

1 630.000 1

1 0.940 1

0.91 1

АД2

1 0.000 1

1 0.000 1

0.00 1

АД3

1 0.000 1

1 0.000 1

0.00 1

АД4

1 630.000 1

1 0.940 1

0.91 1


Синхронные двигатели :

Элементы

Snom,[кВт]

Xd

СД1

0.000

0.000

СД2

0.000

0.000

СДЗ

0.000

0.000

СД4

0.000

0.000


Расчетные сопротивления элементов


ЭС: Хс =0.100

L1 X = 4.400

Т1 Х = 0.167

KL1 Х = 0.000

KL3 Х = 0.000

KL5 Х = 0.004

KL8 Х = 0.000

KL10 Х = 0.000

KL11 Х = 0.000

СД1 Х = 0.000

СД2 Х = 0.000

СДЗ Х = 0.000

СД4 Х = 0.000


Расчетные токи асинхронных двигателей

АД1 Iad = 70.099

АД4 Iad = 70.099

Tоки КЗ

Kl Ik = 5.825 кА

К2 Ik = 2.712 кА

КЗ Ik » 3.536 кА

К4 Ik = 3.336 кА

К5 Ik = 3.323 кА

Кб Ik = 3.235 кА

Ударные токи КЗ :

Kl iy = 15.883 кА

К2 iy = 6.830 кА

КЗ iy = 6.870 кА

К4 iy = 7.826 кА

К5 iy = 7.876 кА

Кб iy = 7.845 кА

5. ЫБОР И ПРОВЕРКА КОММУТАЦИОННОЙ АППАРАТУРЫ НА НАПРЯЖЕНИЕ 10 кВ.

5.1.Расчет и выбор защитных устройств высоковольтной сети.


Для защиты всех оходящих линий к установке принимаю комплектные распределительные устройства (шкафы КРУ), которые предчазны для приема и распределения электроэнергии трехфазнго переменного тока промышленной частоты, состоят из набора типовых шкафов и поставляются заводом - изготовителем в полностыо смонтированном виде со всей аппаратурой и всеми соединени ми главных и вспомогательных цепей.tt рас? ределительных устройствах 6000 В установим ячейки типа К-59 не базе галомаслянного выключателя ВК -10- 20/бЗОУЗ;»•• РУ ( ЮОВ обогатительной фабрики -14 дат;

ti РУ ( ЮОВ пульпонасосной станции -10 шт;к РУ ( ЮОВ насосной станции оборотной воды -13 шт;Ныбо| КРУ сводим в таблицы (5.1);(5.2);(5.3); для обогатительной фабрики, » ульпонасосной станции и насосной станции оборотной воды.


5 2. Проверка на устойчивость основного электрооборудования высоковольтной схемы.

После выбора комплектных распределительных устройств, а также определения токов короткого замыкания, необходимо проверить выбранное сечение кабелей на термическую стойкость и токам короткого замыкания.

Воздействие тока КЗ учитывают только при выборе сечения кабельных линий защищаемых релейной защитой. Кабели, защищаемые токоограничивающими предохранителями, на термическую стойкость к токам КЗ не проверяют, так как время срабатывания предохранителя мало и выделившееся тепло не в состоянии нагреть кабель до опасной температуры. Термическая стойкость к токам КЗ сечение определяется по формуле, мм2.

__

Fт =I*tn/Km; (6.4)


где I - установившееся значение тока КЗ, А;


tn - приведенное время К3, с;


Кт- температурный коэффициент, учитывающий ограничение допустиимой температуры нагрева жил кабеля ( принимая Кт= 95, та63,4[6],с1/2 /мм 2

tn = tг1,a – tn1 n (6.5)

где tn,a - апериодическая составляющая времени тока КЗ (принимая tn

0.2 [6]),с

0,05(’’)2, (6.6)

где - отношение начального сверхпереходного тока КЗ к устано­вившемуся току КЗ принимаю = 0,18[4].


tг,а = 0,05*0,182= 0,002с;

tn 0,002+0,2= 0,202с

После расчета сечения по формуле (6.4), за стандартное термически стойкое сочетание принимается ближайшее меньшее сечение к расчетной величие Fт. Такое решение обусловлено ошибкой в сторону завышения, заложенной в методе расчета.

Для примера рассмотрим проверку кабельной линии ст РУ 6000В фабрики до цеха рудоподготовки.

Установившееся значение тока КЗ для проверки этого кабеля составляет 3,522 кА (точка КЗ). Тогда по формуле (6.4):

_____

3522*0.202

Fт =  = 16,7 мм 2

95

Ближайшее меньшее стандартное сечение 16 мм2 и из расчета видно, что ранее выбранно выбранное данное сечение кабеля 35 мм2 по условиям термической стойкости токами КЗ проходит по условиям.


Проверка сечения остальных кабельных линий производится аналогично, поэтому сведена в таблицу 5.4

Произведем проверку выбранного сечения сборных шин РУ 6000В ГПП.


Кт=91 А* с 112 / мм2 принимаем по таб. 3.14 [7].


Тогда находим по формуле (3.26) термически стойкое к токам КЗ сечение сборных шин.


_____

5800*0,202

Fт =  = 28,6 мм2

91


Из расчета видно, что ранее выбранное сечение сборных шин проходит по условию . По таб 10.6[2] принимаю к прокладке кабель марки ААШВ сечением = 35 мм2, Iдоп == 125 А.


Iдоп =125 > Iр=57,8А.


Iдоп > 138,72/1,3= 106 А;


После расчетов токов КЗ производим проверку выбранного сечения кабеля по термической устойчивости к токам КЗ.

Выбор сечения кабельной линии от РУ6000В фабрики до насосной стаиции oборотной воды:


100

Iр =  = 9 А;

3*6,3


Iав = 9*1,4 =12,8 А;


Fэ 9/1,4 = 6,4 мм2


По таб. 10 [2] принимаем к прокладке кабель марки ААШв сечением F =10 мм2 Iдоп = 60А.


Iдоп = 60А > Iр =9А;


Iдоп > 12,8/1,5 =9,8 А;


После проверки видно , что все ранее выбранные кабели (их сечение) проходят по условиям проверки устойчивости к токам КЗ.

СВОДНАЯ ТАБЛИЦА ПО ВЫБОРУ КРУ ФАБРИКИ.

ТАБЛИЦА 5.1

Условие выбора

Расчетные данные

Каталожные

Uc.ном Uном

6кВ

10 kb

I расч Iном

135,3 А

630 А

 Inp.c

5,8

20 кА

Iуд  inp.c

15,9

51 кА

Int Iотк.ном

5,8

20 кА

2Int+int 2*Iотк.ном*(1+ ном)

5,4

33,4 кА

кI2пр.т*tт

1,5 кА2 * с

1200 кА^с

СВОДНАЯ ТАБЛИЦА ПО ВЫБОРУ КРУ ПНС. ТАБЛИЦА 5.2

Условие выбора

Расчетные данные

Каталожные

Uc.номUном

6кВ

10 kb

I расч Iном

70 А

630 А

 Inp.c

3,49

20 кА

iуд iпp.c

6,76

51 кА

Int  Iотк.ном

3,49

20 кА

2*int + iat 2*Iотк.ном*(1+ ном)

5,33

33,4 кА

к  I2пр.т*tт

1,46 кА2с

1200 кА2с


СВОДНАЯ ТАБЛИЦА ПО ВЫБОРУ КРУ НАСОСНОЙ

СТАНЦИИ ОБОРОТНОЙ ВОДЫ.

ТАБЛИЦА 5.3

Условие выбора

Расчетные данные

Каталожные

Uc.ном  Uном

6кВ

10 kb

I расч  Iном

52,2 А

630 А

 Iпp.c

3,56

20 кА

iуд  iпp.c

6,89

51 кА

Iпt  I отк.ном

3.56

20 кА

2*Iпт+ iаt2*Iотк.ном*(1+ном)

5,44

33,4 кА

кI2np.т*tт

1,52 кА2с

1200 кА2с


ПРОВЕРКА КАБЕЛЬНЫХ ЛИНИЙ НА ТЕРМИЧЕСКУЮ УСТОЙЧИВОСТЬ

К ТОКАМ КЗ.

ТАБЛИЦА 5.4

Кабельная линия

Минимальное сечение по термической стой­кости, мм

Ранее выбранное

2

сечение, мм

Принятое сечение,мм2

РУ 6000В Фабрикн-цех рудоподготовки

3х16

3х35

3х35

РУ 6000В Фабрики-цех обогащения

3х16

3х35

3х35

РУ 6000В Насосной оборотной воды-хвостовое хозяйство

3х16

3х10

3х16

РУ 6000В Фабрики-безшаровые мельиицы

3х16

3х50

3х50

РУ 6000 В ПНС-агрегат иал.

3х16

3х16

3х16

РУ 6000В Насосной оборотной воды-агр.

3х16

3х16

3х16


6 ВЫБОР И ПРОВЕРКА КОММУТАЦИОННОЙ АППАРАТУРЫ НА НАПРЯЖЕНИЕ 0,4 кВ.


6.1.Расчет и выбор защитных устройств низковольтной сети.


Для защиты электропотребителей от токов короткого замыкания и перегрузки используются автоматические выключатели (АВ) и плавкие предохранители. Так как в цехе есть потребители первой категории, то для их защиты от токов короткого замыкания используем АВ, а от перегрузок будут предохранять магнитные пускатели, установленные около двигателя.

Выбор АВ производится по следующим условиям:


-для всех видов: Iн Iо;


Освещени : Iн (1,2—1,3)Iо;


Iаа (6.1);

  • для двигателей нагрузки: Iн Iо;


Iуэм 1,25 * Iддо (6.2);


Для питающих кабелей линий: Iн нm * 1,4


Iуэ 1,5 Innи (6.3);


В пожароопасном помещении необходимы два вида защиты: защита от токов КЗ и защита от перегрузок. Для защиты от токов КЗ и перегрузок реобходимо знать ток уставки электромагнитного и теплового расцепителей;


Iyэм = 1,25 * Iпик;


Где Iпик = Iр + 5* Iдв max - много двигателей;


Iпик =5* Iо - мало двигателей.


Iт= (1,2—1,3) * Iр;


где Ip - pacчетный (номинальный) ток.

Пример расчета и выбора АВ для токарно-винторезного


станка. Номинальный ток потребителя 35,3 А. Выбираем выключатель АЕ 2046 с номинальным током 63А.


Ток усгавки электромагнитного расцепителя:


Iуэм = 1,3*35,3=220,6 А;


Ток теплового расцепителя:


Iт= 1,3*35,3=45,9 А.


Пример выбора АВ для провода к IIP1;


Номинальный ток в проводе 107,4А; Выбираю АВ: А3710Б с Iном=160А. Ток уставки электромагнитного расцепителя:

27

Iуэм = 1,25(107,4+5  = 628,5 А.

3 *0,4* 0,5


Ток теплового расцепителя:


Iт = 1,3*Ip=l,3*107,4=139,4A.


Расчет и выбор автоматических выключателей сведен в таблицу 6.1


Iав аварийный ток линии;


Iдоп = 5*Iо - пусковой ток потребителя;


Iуэм - ток электромагниной уставки АВ;


Iнт - номинальный ток трансформатора;


Iн – номинальный ток АВ;


Iо -расчетный ток линии;


Iпик = Iр+5 Iдв mах - Iдв mах - пиковый ток;


Iдв max - номинальный ток самого мощного двигателя.


Sнэ 2*160

Iнт =  =  = 461,9 А

3Uн 3*0.4


Расчет и вы6op автоматических выключателей сведен в таблицу 6.1.

6.2. Проверка проводников по согласованию с защитой

низковольтной схемы.


В пожароопасных производственных помещениях защита от перегрузок обязательна. От перегрузок сеть защищает в АВ тепловой расцепитель. Поэтому для расчетных значений тока теплового Iт (Табл.6.1), по таблице справочника выбираем номинальный ток максимальных тепловых расцепителей, этот ток и будет током зашиты. Проверка производится в соответсвии с условием :

Кпр - коэффициент учитывающей особенности прокладки:

Кпр = 1- так как прокладывается один кабель:

Iдоп - длительно допустимый ток выбранного типа проводника.

Кзащ - коэффициент защиты (Iдоп / Iзащ). Так как АВ применяется для защиты только от токов КЗ, а тепловая защита обеспечивается магнитным пускателем, то Кзащ =0,2А, (табл. 6.74.[3]).

Iзащ = 3*Iн - номинальный ток уставки электромагнитного расцепителя защитного АВ.

Пример проверки проводников по согласованию с защитой:


1. Токарно-винторезный станок:

Iном Iт = 45,9А; Iт ном= 50А=Iзащ;


Кзащ для теплового расцепителя = 1


Iдoп Kзaщ*Iзaщ Iдoп 50A


Iдопном = 60А; Сечение: 16мм2

2. Провод к ПР1:


Iт нoм Iт = 139,6A; Iт ном = 160А = Iзащ;

Iдоп 160А; Iдоп ном = 165А; сечение 70мм2


Результаты сведены в таблицу 6.2.


6.3. Проверка на устойчивость основного электрооборудования . низковольтной схемы.


Расчет тока КЗ в точке К1 показал, что наибольший ток КЗ в сети не превышает предела динамической устойчивости и автомашческих выключателей, следовательно все основное защитное электрооборудование выбрано верно.

7.К ШПЕНСАЦИЯ РЕАКТИВНОЙ МОЩНОСТИ.


7.1. Выбор компенсирующих устройств в сети 10 кВ.


Одним из основных вопросов, решаемых при проектировании и эксплуатации систем электроснабжения, является вопрос о компенсации реактивной мощности.

Компенсация реактивной мощности с одновременным улучшения качества электроэнергни является одним из направлений сокращения потерь электроэнергии и повышения эффективности электроустановок промышленных предприятий.

Расчет производим в соответствии с инструкцией по определению реактивной и мощности компенсирующих устройств (Оку).

Наиболыпая суммарная нагрузка предприятия, принимаемая для определения мощности компенсирующих устройств (КУ), равна:


Q max = Кн.св *Q р.ф; (7.1)


Где К н.св - коэффициент несовпадения по времени наибольших активной нагрузки энергосистемы и реактивной нагрузки промышленного предприятия, принимается равным К н.св == 0,9 [5].

Орф = 2533,8 кВар - расчетная суммарная реактивная нагрузка фабрики принимается по таблице.

Суммарная мощность компенсирующих устройств:


Qку = Qmах * Qэ1; (7.2) где Q 1 - оптимальная мощность передаваемая энергосистемой:

Qэ1 = а* Ррф; (7.3)


где а =0.6 коэффициент, определяемый по уровню подводимого напряжения, равного 6000; [6];

Ррф = 3973,7 кВт - расчетная активная нагрузка фабрики, принимаемая по таблице :


Qэ1 = 0,6*3973,7 = 2384,22 кВар;

Суммарная мощность КУ фабрики.


Q ку = 2407,18 - 2384,22 = 22,97 кВар.


На фабрике высоковольтные конденсаторные батареи (ВБК) не уста­навливаются, так как расчетная мощность КУ фабрики менее 1000 кВар на секцию шин 6000 В.


7.2. Выбор компенсирующих устройств в сети 0,4 кВ.


В качестве компенсирующих устройств в цеховых сетях прирленяг гся в основном комплексные конденсаторные установки (ККУ). При расчетах расчетах ККУ нужно стремиться к сокращению числа цеховых трансформаторов. Исходя из этого, количество трансформаторов уменьшаем до 2-х.

Определяем реактивную мощность, потребляемую из сети при уменьшении числа трансформаторов:

_________________________

Q = (Nmm-1)2 *Sнн2 *Kз2cв - Pp2 (7.4)

_________________________

Q = ( 3-1)2 *160 2 * 0,762 - 224.462 = 93,62 кВар.;


Определим мощность компенсирующих устройств на один трансформатор:

Qр - Qх

Qнбк =  (7.5)

Nmm


249,05 - 93,62

Qнбк =  = 77,72 кВар.;

2


Nmр’ = 2;


Количество трансформаторов с ККУ.

По табл. 2.192 [1| выбираем ККУ: УК4-038-100УЗ.

Проверк 1 правильность выбора ККУ:


cos = Pp/Sp’ ;


Sp = Кз cв * Sнэ*Nтp = 0,76*160*2=243,2 кВа


  • полная мощность с учетом ККУ.


cos = 224,46 / 243,2 = 0,92 - коэффициент мощности более 0,85,


следовательно, расчет компенсирующих устройств произведен правильно.


Коэффициент загрузки трансформаторов с учетом компенсирующих устройств:


Sр’ 243,2

Kз =  =  = 0.76; (7.6)

Sнн*Nmp' 160*2


7.3 Расчет компенсации реактивной мощности с применением ЭВМ.


Рассматриваемая в данном разделе методика расчета мощности и размещения компенсирующих устройств (КУ) может быть использована при проектировании электроснабжения крупных промы пленных предприятий, к сети 6-10 кВ которых подключается значительное число цеховых трансформаторов. Правильно выбрать средства компенсации реактивной мощности для электрических сетей промышленного предприятия напряжением до 1000 В и 6-10 кВ можно только при комплексном рассмотрении этого вопроса. На промышенных предприятиях основные потребители реактивной мощьности присоединяются чаще всего к электрическим сетям до 1000 В. Компенсация реактивной мощности этих потребителей может осуществляться с помощью КУ, присоединенных непосредственно к сети до 1000 В либо к сети 6-10 кВ. Первое решение требует установки дорогих КУ низкого напряжения. Второе позволяет использовать более экономичных КУ на напряжение 6-10 кВ, но вызывает необходимость передавать реактивную мощность через цеховые трансформаторы, что в свою очередь приводит к увеличению их числа и росту потерь электроэнергии в них.

Правильный выбор мощностей КУ, размещенных в сетях до 1000 В в 6-10 кВ, возможен лишь при технико-экономических расчетах для различных вариантов размещения и мощности КУ и последующем сравнении расчетных затрат по каждому из вариантов.

Излагаемая ниже методика и алгоритм расчета базируются на основных положениях. Задача расчета формулируется следующим образом для расчетной схемы ( рис.1) определить мощности батарей конденсаторов низкого напряжения Qнн и 6-10 кВ Qв; реактивную мошьность, выдаваемую в сеть синхронными двигателями 6-10 кВ Qc; реактивную мощность, получаемую из энергосистемы в часы пик, Оэ которые обеспечили бы минимум расчетных затрат по системе электроснабжения, зависящих от этих величин, при некоторых заданных параметрах системы.

Идея алгоритма заключается в том, что при увеличении числа трансформаторов (Т) возможно уменьшение расчетных затрат за счет более дешевой реактивной мощности (РМ), вырабатываемой конденсаторными батареями, устанавливаемыми на высоком напряжении (ВБ). Данный алгоритм имеет ряд особенностей. Во-первых он предусматривает автоматическое формирование сразу нескольких вариантов размещения КУ в зависимости от баланса РМ на предприятии: первый - использование всех источников реактивной мощностии СД, ВБ и НБ (НБ- батареи конденсаторов, устанавливаемых на напряжении 0,4 или 0,66 кВ); второй - использование СД и НБ;

третий - использование только НБ. Причем третий вариант рассчитывается в любом случае. По каждому варианту определяются приведенные затраты, которые учитывают стоимость потерь активной мощности в Т, в СД и энергосистеме; затраты .связанные с компенсацией РМ, ВБ и ВН, а также капитальные затраты на ТП и подключение ВБ:


D1Qc D2Qc Pкк12 B2Qэ2

З = С (  +  + ) + В1Qэ + + р пор301 +

Qнно NcQнсQ2 S2номN


+КтNp нор +310Qнн+311Qв.


Во-вторыx, данном алгоритме число Т увеличивается не на два, а до тех пор, пока затраты по текущему варианту не превысят на 5% наименьшее из них. При этом контроль затрат производится по первому варианту размещения КУ. В-третьих, по желанию пользователя (если г = 0) предусмотреиа возможность повторного счета для режима полной компенсации РМ. К ограничениям алгоритма, как и самой методики, отсутствие учета потерь энергии в распределительной сети. Программа для расчета компенсации -KOMPENS. Исходные данные, необходимые для расчета, вводятся в следующем порядке:


Расчетная активная мощность, МВт;

Q(Qо) - paсчетная реактивная мощность, Мвар;

tgн,o(t3) нормативный коэффициент, задаваемый предприятию энергосистемой:

Sном(s) - номинальная мощность цехового трансформатора, МВ*А;

- коэфициент загрузки трансформаторов;

Кт(с1) - стоимость цеховой трансформаторной подстанции, приходящаяся на один трансформатор, руб.

D1(g1),D2(g2) -коэффициенты, характеризующие потери активной мощность в СД 6-10 кВ, кВт;

Qном(о5) номинальная РМ одного СД, Мвар;

Nc (м1) - количество однотипных СД 6-10 кВ;

С(с2) - стоимость потерь активной мощности, руб/кВт;

В1(b1),В2(b2) -коэффициенты, характеризующие потери активной мощности в энергосистеме соответственно, руб.*МВт/Мвар;

Рк(а1) - потери КЗ в трансформаторах , кВт;

рнор(bЗ)- суммарный коэффициент нормативных отчислений от


капитальных вложений;


301(z2) – стоимость ячеек отходящих линий 6-10 кВ доя подключения батарей конденсаторов высокого напряжения(ВБ),руб;

310(z3) – удельная стоимость компенсации для батарей конденсаторов низкого напряжения (НБ),руб/Мвар;

311(z4) – то же для ВБ,руб/Мвар;

tg(t1) – действительный коэффициент реактивной мощности.


Результаты расчетов находятся в приложении.


KO.11 UO

тр-1 oe


q ;шп,СД) мВар

q(sum,BB) мВар

q(sum,HE) мВар

прв.затр. тыс. руб.

qOC) мВар

2

3

< .000 ' .000

0.000 0.000

1.381 1.381

14.040 18.485

1.152 1.152


Введите массив исходных данных


Ст Гр N Р(ном) К(И) ТG(Ф)

  1. 1 1 257,8 0,14 1,98

1 1 1 346,1 0,14 1,73

1 1 1 99,4 0,17 1,17

1 1 1 53,1 0,17 1,73

1 1 1 45,2 0,14 2,29

1 1 1 75 0,2 1,73

1 1 1 34 0,7 0,75

1 1 1 27,36 1 0


Введите массив исходных данных


Ст Гр N Р(ном) К(И) ТG(Ф)

  1. 1 1 2826 0,7 0,75

1 1 1 36 0,45 0,88

1 1 1 18 0,88 0,75

1 1 1 18 0,5 0,88

1 1 1 60 0,9 0,88

1 1 1 71 0,3 0,62

1 1 1 580 0,88 0,48

1 2 1 1260 0,8 0,78

1 2 1 800 0,8 0,48

  1. 2 1 1260 0,78 0,48

Введите массив исходных данных


Ст Гр N Р(ном) К(И) ТG(Ф)

1 1 1 2826 0,7 0,75

1 1 1 36 0,45 1,88

1 1 1 18 0,88 0,75

1 1 1 18 0,5 0,88

1 1 1 60 0,9 0,88

1 1 1 71 0,3 0,62

1 1 1 580 0,88 0,48

1 2 1 1260 0,8 0,78

1 2 1 800 0,8 0,48

1 2 1 1260 0,78 0,48


Результаты расчета


Ст Гр N(э) К(и) З(см) Q(см) К(м) Р(р) Q(р) S(P) I(р)

1 1 5 0,75 2190,9 1500 1,006 2196 6152,05 2667 81

1 2 3 0,85 4415,1 2815,7 1,000 4415 22815,72 5236 46

*************************************************************************

*************************************************************************


Результаты расчета


Ст Гр N(э) К(и) З(см) Q(см) К(м) Р(р) Q(р) S(P) I(р)

1 1 5 0,75 2190,9 1500 1,006 2196 6152,05 2667 81

1 2 3 0,85 4415,1 2815,7 1,000 4415 22815,72 5236 46

*************************************************************************

******************************************************************

Результаты расчета


Ст Гр N(э) К(и) З(см) Q(см) К(м) Р(р) Q(р) S(P) I(р)

1 1 5 0,75 2190,9 1500 1,006 2196 6152,05 2667 81

1 2 3 0,85 4415,1 2815,7 1,000 4415 22815,72 5236 46

*************************************************************************

*************************************************************************


ВЫБОР ПИТАЮЩИХ ПРОВОДНИКОВ

ТАБЛИЦА 3.2



N

п/п


Снабжаемый потребитель



Рном

кВт


Cos ч


I 0

А


Тип

провода


Сечение

мм 2


Iдоп

А

1

Токарно-винторезный станок 1М 64

11

0,45

35,3

АПРТО

3X10

47

2

Токарно-винторезный станок 1К 62

4,6

0,45

14,8

АПРТО

3X2,5

19

3

Токарно-винторезный станок 1М 65

15

0,45

48,1

АПРТО

3X16

60

4

Токарно-револьверный станок 1Г 340П

15,5

0,45

49,7

АПРТО

3X16

60

5

Долбежный станок 7403

13,8

0,45

44,3

АПРТО

3X10

47

6

Поперечно-строгальный станок 7110

11

0,45

35,3

АПРТО

3X10

47

7

Универсально-фрезерный станок 6Р 82Ш

21,7

0,5

62,6

АПРТО

3X25

80

8

Горизонтально-фрезерный станок 6Г 82

13,5

0,5

39,0

АПРТО

3X10

47

9

Вертикально-фрезерный станок 6Т 12

13

0,5

37,5

АПРТО

3X10

47

10

Зубофрезерный станок 5К 328

22,7

0,65

50,4

АПРТО

3X16

60

11

Универсальный зубофрезерный 5Р 20

7

0,65

15,5

АПРТО

3X2,5

19

12

Круглошлифовальный станок 3М 174

20

0,5

57,7

АПРТО

3X16

60

13

Плоскошлифовальный станок 3Д 725

12,7

0,5

36,7

АПРТО

3X10

47

14

Внутришлифовальный станок 3К 322

10,2

0,5

29,4

АПРТО

3X6

32

15

Вертикально-сверлильный станок 2Р 40

23

0,5

66,4

АПРТО

3X25

80

16

Радиально-сверлильный станок 2М 550

27

0,5

78,0

АПРТО

3X25

80

17

Настольно-сверлильный станок С10Р-15П

26

0,5

75,1

АПРТО

3X25

80

18

Координатно-расточный станок 2А 265

16,5

0,65

36,6

АПРТО

3X10

47

19

Универсально-заточный станок 3В6 42

11,3

0,4

40,8

АПРТО

3X10

47

20

Кран-балка электрическая МК 20

25

0,5

72,2

АПРТО

3X25

80

21

Вентилятор АИ

17

0,8

30,7

АПРТО

3X6

32

22

Освещение

27,36

1

39,5

АПРТО

3X10

47

23

Провод к ПР1



107

АПРТО

3X50

130

24

Провод к ПР2



99,3

АПРТО

3X50

130

25

Провод к ПР3



95,7

АПРТО

3X50

130

26

Провод к ПР4



59,2

АПРТО

3X16

60

27

Провод к ПР5



48,6

АПРТО

3X16

60

28

Провод к ПР6



39,7

АПРТО

3X10

47

29

Провод к ПР7



82,0

АПРТО

3X35

95

30

Провод к ПР8



47,9

АПРТО

3X16

60

31

Провод к ПР9



59,2

АПРТО

3X16

60


СВОДНАЯ ТАБЛИЦА ПО ВЫБОРУ КРУ ФАБРИКИ.

ТАБЛИЦА 5.1

Условие выбора

Расчетные данные

Каталожные

Uc.ном Uном

6кВ

10 kb

I расч Iном

135,3 А

630 А

Inp.c

5,8

20 кА

Iуд inp.c

15,9

51 кА

Int Iотк.ном

5,8

20 кА

2Int+int 2*Iотк.ном*(1+ ном)

5,4

33,4 кА

кI2пр.т*tт

1,5 кА2 * с

1200 кА^с

СВОДНАЯ ТАБЛИЦА ПО ВЫБОРУ КРУ ПНС. ТАБЛИЦА 5.2

Условие выбора

Расчетные данные

Каталожные

Uc.номUном

6кВ

10 kb

I расч Iном

70 А

630 А

Inp.c

3,49

20 кА

iуд iпp.c

6,76

51 кА

Int Iотк.ном

3,49

20 кА

2*int + iat 2*Iотк.ном*(1+ ном)

5,33

33,4 кА

к I2пр.т*tт

1,46 кА2с

1200 кА2с


СВОДНАЯ ТАБЛИЦА ПО ВЫБОРУ КРУ НАСОСНОЙ

СТАНЦИИ ОБОРОТНОЙ ВОДЫ.

ТАБЛИЦА 5.3

Условие выбора

Расчетные данные

Каталожные

Uc.ном Uном

6кВ

10 kb

I расч Iном

52,2 А

630 А

Iпp.c

3,56

20 кА

iуд iпp.c

6,89

51 кА

Iпt I отк.ном

3.56

20 кА

2*Iпт+iаt2*Iотк.ном*(1+но)

5,44

33,4 кА

кI2np.т*tт

1,52 кА2с

1200 кА2с


ПРОВЕРКА КАБЕЛЬНЫХ ЛИНИЙ НА ТЕРМИЧЕСКУЮ УСТОЙЧИВОСТЬ

К ТОКАМ КЗ.

ТАБЛИЦА 5.4

Кабельная линия

Минимальное сечение по термической стой­кости, мм

Ранее выбранное

2

сечение, мм

Принятое сечение,мм2

РУ 6000В Фабрикн-цех рудоподготовки

3х16

3х35

3х35

РУ 6000В Фабрики-цех обогащения

3х16

3х35

3х35

РУ 6000В Насосной оборотной воды-хвостовое хозяйство

3х16

3х10

3х16

РУ 6000В Фабрики-безшаровые мельиицы

3х16

3х50

3х50

РУ 6000 В ПНС-агрегат иал.

3х16

3х16

3х16

РУ 6000В Насосной оборотной воды-агр.

3х16

3х16

3х16


РАСЧЕТ ЭЛЕКТРИЧЕСКИХ НАГРУЗОК ЦЕХА

ТАБЛИЦА 2.1


Наименование Количество Установленная Коэфицент Ср.нагрузка за Расчетные нагрузки

N групп электропри мощность М использо- cos ч / max загруж. Nэф Км за смену Iр/

п/п приемников емников ПВ 100% кВт вания Ки tg ч смену

одного общее Pсм Qсм Рр Qр Sp Iп

кВт кВар кВт кВар кВа

1 2 3 4 5 6 7 8 9 10 11 12 13 14 15 16

Переменный

график

нагрузки :

1. Станки :

токарные .

долбежные .

поперечно- 0,45

строгальн . 21 4,6-15,5 257,8 0,14 1,98 36,1 71,5 47,5 71,5 85,8 123,8

2. Фрезерный 0,5 372,5

сверлильн 16 13-27 346,1 0,14 1,73 48,5 83,9 63,8 83,9 105,4 152,1

3. Зубофрезер- 541,8

ные .

Координа-

тно-расто-

чные . 7 7-22,7 99,4 0,17 0,65 16,9 19,8 47,7 1,31 22,2 19,8 29,7 42,9

4. Шлифоваль- 1,17 294,9

ные . 4 10,2 –20 53,1 0,17 0,5 9,0 15,6 11,8 15,6 19,6 28,3

5. Универса- 1,73 317,0

льно-заточ-

ный . 4 11,3 45,2 0,14 0,4 6,3 14,4 8,3 14,4 16,6 24,0

6. Кран-балка . 2,29 187,1

3 25 75 0,2 0,5 15,0 26,0 19,7 26,0 32,6 47,1

Постоянный 1,73 335,8

график

нагрузки :

1. Вентилято-

ры . 2 17 34 0,7 0,8 23,8 17,85 1 23,8 17,85 29,75 42,9 0,75 165,6

2. Освещение . 27,36 1,0 1 / 0 27,36 0 1 27,36 0 27,36 39,5 197,5

ИТОГО : 937,96 0,15 182,96 249,05 224,46 249,05 346,8 500,6 2412,2


N

п/п

Наимен.

электро

прием.

Кол-во

электр.

прием.

Установленн.

мощность ПВ

100% кВт

М

Ки

cos ч /

tg ч

Средняя нагрузка за max загружен. смену.

Nэф

Км

Расчетные нагрузки

за смену.





одного

общее




Рсм/кВт

Qсм/Квт



Pр/Квт

Qр/кВар

Sр/кВар

А


1

2

3

4

5

6

7

8

9

10

11

12

13

14

15

16


ПР1

Радиаль-сверл

2М 550

3

27

81


0,14


11,3

19,5



29,83

19,5





Настоль-

сверл

С10Р-15П

2

26

52


0,14

0,5 /1,73

7,28

12,6

5,99

2,6

19,22

12,6

74,4

107,4



Кран-

балка

МК 20

1

25

25


0,2


5

8,65



13,2

8,65





ИТОГО:

6


158


0,15


23,58

40,75



62,25

40,75




ПР2

Настоль-

сверл

С10Р-15П

1

26

26


0,14

0,5/1,73

3,64

6,3



9,61

6,3





Вертик-

сверл

2Р 40

3

23

69


0,14

0,5/1,73

9,66

16,7

5,98

2,6

25,5

16,7





Зубофрез

5К 328

1

22,7

22,7


0,17

0,65/1,1

3,86

4,5



10,19

4,5





Кран-

балка

МК 20

1

25

25


0,2

0,5/1,73

5

8,65



13,2

8,65





ИТОГО:

6


142,7


0,15


22,16

36,15



58,5

36,15

68,8

99,3


ПР3

Зубофрез

5К 238


1

22,7

22,7


0,17

0,65/1,1

3,86

4,5



10,19

4,5





1

2

3

4

5

6

7

8

9

10

11

12

13

14

15

16


Кругло-

шлифов

3М 174

1

20

20


0,17

0,5/1,7

3,4

5,9

5,97

2,6

8,98

5,9





Кран-

балка

МК 20

1

25

25


0,2

0,5/1,7

5

8,65



13,2

8,65





ИТОГО:

6


132,8


0,15


21,36

34,85



56,39

34,85

66,3

95,7


ПР4

Координ-

расточн

2А 265

1

16,5

16,5


0,17

0,65/1,1

2,8

3,3



7,39

3,3





Токарно-

револьв

1Г 340 П

2

15,5

31


0,14

0,45/1,9

4,34

8,6



11,46

8,6





Долбежн

7403

2

13,8

27,6


0,14

0,45/1,9

3,86

7,7

5,97

2,6

10,19

7,7





Горизон-

фрезерн

6Г 82

1

13,5

13,5


0,14

0,5/1,7

1,89

3,3



4,99

3,3





ИТОГО:

6


88,6


0,15


12,89

22,9



34,03

22,9

41,0

59,2


ПР5

Вертикал

фрезерн

6Т 12

1

13

13


0,14

0,5/1,7

1,82

3,1



4,8

3,1





Плоскош

3Д 725

1

12,7

12,7


0,17

0,5/1,7

2,16

3,7



5,7

3,7





Универс-

заточный

3В6 42

2

11,3

22,6


0,14

0,4/2,3

3,16

7,24

5,97

2,6

8,34

7,24





Токарно-

винторез

1М 65


2

11

22


0,14

0,45/1,9

3,08

6,1



8,13

6,1




1

2

3

4

5

6

7

8

9

10

11

12

13

14

15

16


ПР6

Токарно-

винторез

1М 64

2

11

22


0,14

0,45/1,9

3,08

6,1



8,13

6,1





Попереч-

строгал

7110

1

11

11


0,14

0,45/1,9

1,54

3,0



4,07

3,0





Внутри-

шлифов

3К 322

1

10,2

10,2


0,17

0,5/1,73

1,73

3,0

5,97

2,6

4,57

3,0





Универ-

зубофрез

5Р 22

2

7

14


0,17

0,65/1,1

2,4

2,8



6,34

2,8





ИТОГО:

6


57,2


0,15


8,75

14,9



23,1

14,9

27,5

39,7


ПР7

Координ-

расточн

2А 265

1

16,5

16,5


0,17

0,65/1,1

2,8

3,3



7,39

3,3





Токарно-

револьв

1Г 340 П

1

15,5

31


0,14

0,45/1,9

4,34

8,6



11,46

8,6





Долбежн

7403

2

13,8

27,6


0,14

0,45/1,9

3,86

7,7



10,19

7,7





Токарно-

винторез

1К 62

1

15

15


0,14

0,45/1,9

2,1

4,2

5,97

2,6

5,54

4,2





Вентилят

АИ

1

17

17


0,7

0,8/0,75

11,9

8,9



11,9

8,9





ИТОГО:



107,1


0,2


25,0

32,7



46,48

32,7

56,8

82,0


ПР8

Горизон-

фрезерн

6Г 82

1

13,5

13,5


0,14

0,5/1,73

1,89

3,3



3,97

3,3





















1

2

3

4

5

6

7

8

9

10

11

12

13

14

15

16



Вертикал

фрезерн

6Т 12

1

13

13


0,14

0,5/1,73

1,82

3,1

6,95

2,1

3,82

3,1





Универс-

заточный

3В6 42

2

11,3

22,6


0,14

0,4/2,29

3,16

7,24



6,64

7,24





Токарно-

винторез

1М 64

3

11

33


0,14

0,45/1,98

4,62

9,14



9,7

9,14





ИТОГО:

7


82,1


0,14


11,49

22,78



24,13

22,78

33,2

47,9


ПР9

Токарно-

винтовой

1М 64

2

11

22


0,14

0,45/1,98

3,08

6,1



8,13

6,1





Попереч-

строгал

7110

1

11

11


0,14

0,45/1,98

1,54

3,0



4,07

3,0





Внутри-

шлифов

3К 322

1

10,2

10,2


0,17

0,5/1,73

1,73

3,0

5,59

2,6

4,57

3,0





Универ-

зубофрез

6Р 20

1

7

7


0,17

0,65/1,17

1,19

1,4



3,14

1,4





Токарно-

винторез

1К 62

1

4,6

4,6


0,14

0,45/1,98

0,64

1,28



1,69

1,28





Вентилят

АИ

1

17

17


0,7

0,8/0,75

11,9

8,9



11,9

8,9





ИТОГО:

7


71,8


0,28


20,08

23,68



33,5

23,68

41,0

59,2



Расчет электрических нагрузок фабрики.

Таблица 2. 3


Наименование

объекта

Катего

рия

Номинал

мощн.

Pном,кВт

К-т

спр.

tg

Расчетная нагрузка

по фабрике

Pp,кВт

Qр,кВар

Sр,кВа

1

2

3

4

5

6

7

8

Нагрузка ниже 1000 в.








1.Фабрика.

2

2826

0,7

0,75

1407

1055,25

1758,75

2.Пульпонасосная

cтанция.

2

36

0,5

0,88

9

7,9

11,98

3.Насосная станция

1-го подъема.

2

18

0,9

0,75

174,6

130,95

218,25

4.Насосная оборотной

воды.

2

18

0,5

0,88

4

3,52

5,33

5.Сифонный водозабор.

2

60

0,95

0,88

57

50,16

75,9

6.Участок ремонтных

работ.

2

71

0,35

0,62

23

14,26

27

Освещение.

3

580

0,9

0,48

522

250,6

579

Суммарная нагрузка ниже 1000 в.





2196,6

1512,64

2667

Суммарные потери в

трансформаторах.





53,94

266,7


Нагрузка выше 1000 в.








1.Фабрика.

2

1260

0,85

0,48

1071

518,7

1190

2.Пульпонасосная

cтанция.

2

800

0,85

0,48

340

163,2

377

3.Насосная оборотной

воды.

2

1260

0,8

0,48

756

362,88

838,6

Суммарная нагрузка выше 1000 в.





4415,2

2815,72

5236,46

Итого по фабрике с

учетом Крн = 0,9





3973,7

2533,878

4712,8


ЧИСЛО , МОЩНОСТЬ И ТИП ТРАНCФОРМАТОРОВ.

ТАБЛИЦА 2. 4


Наименование

объекта


Sр, кВа

n*Sном.тр

Кз

Тип трансформатора

1

2

3

4

5

1.Фабрика.

1758,75

4x630

0.7

ТМ 630/6

2.Насосная станция

1-го подъема.

218,25

2x160

0.7

ТМ 160/6

3.Насосная оборотной

воды и сифонный водозабор.

81,23

1x100

0.8


ТМ 100/6

4.Освещение.

579

1x630

0.9

ТМ 630/6


ВЫБОР ЗАЩИТНОЙ АППАРАТУРЫ

ТАБЛИЦА 6.1



N

п/п


Снабжаемый потребитель



I 0

А



I уэм

А


I т

А


Тип

АВ


I ном

А



Предел

дин. уст.

кА


1

Токарно-винторезный станок 1М 64

35,3

220,6

45,9

АЕ2046

63

10

2

Токарно-винторезный станок 1К 62

14,8

92,5

19,2

АЕ2036

25

10

3

Токарно-винторезный станок 1М 65

48,1

300,6

62,5

АЕ2046

25

10

4

Токарно-револьверный станок 1Г 340П

49,7

310,6

64,6

АЕ2046

63

10

5

Долбежный станок 7403

44,3

276,9

57,6

АЕ2046

63

10

6

Поперечно-строгальный станок 7110

35,3

220,6

45,9

АЕ2046

63

10

7

Универсально-фрезерный станок 6Р 82Ш

62,6

391,3

81,4

АЕ2046

100

20

8

Горизонтально-фрезерный станок 6Г 82

39,0

243,6

50,7

АЕ2046

63

10

9

Вертикально-фрезерный станок 6Т 12

37,5

234,4

48,8

АЕ2046

63

10

10

Зубофрезерный станок 5К 328

50,4

315,0

65,5

АЕ2046

63

10

11

Универсальный зубофрезерный 5Р 20

15,5

96,9

20,2

АЕ2036

25

10

12

Круглошлифовальный станок 3М 174

57,7

360,6

75,1

АЕ2056

100

20

13

Плоскошлифовальный станок 3Д 725

36,7

229,4

47,7

АЕ2046

63

10

14

Внутришлифовальный станок 3К 322

29,4

183,8

38,2

АЕ2046

63

10

15

Вертикально-сверлильный станок 2Р 40

66,4

415,0

86,3

АЕ2056

100

20

16

Радиально-сверлильный станок 2М 550

78,0

487,5

101

АЕ2056

100

20

17

Настольно-сверлильный станок С10Р-15П

75,1

469,4

97,6

АЕ2056

100

20

18

Координатно-расточный станок 2А 265

36,6

228,8

47,6

АЕ2046

63

10

19

Универсально-заточный станок 3В6 42

40,8

225,0

53,0

АЕ2046

63

10

20

Кран-балка электрическая МК 20

72,2

451,3

93,9

АЕ2056

100

20

21

Вентилятор АИ

30,7

191,9

39,9

АЕ2046

63

10

22

Освещение

39,5

47,4

51,4

АЕ2046

63

10

23

Провод к ПР1

107

628,5

139

А3710Б

160

75

24

Провод к ПР2

99,3

600,0

129

А3710Б

160

75

25

Провод к ПР3

95,7

576,8

124

А3710Б

160

75

26

Провод к ПР4

59,2

308,4

77,0

АЕ2056

100

20

27

Провод к ПР5

48,6

298,0

63,2

АЕ2046

63

10

28

Провод к ПР6

39,7

271,4

51,6

АЕ2046

63

10

29

Провод к ПР7

82,0

307,2

106

А3710Б

160

75

30

Провод к ПР8

47,9

305,9

62,3

АЕ2046

63

9

31

Провод к ПР9

59,2

273,0

77,0

АЕ2056

100

20


РЕЗУЛЬТАТЫ ПРОВЕРКИ ПРОВОДНИКОВ ПО СОГЛАСОВАНИЮ С ЗАЩИТОЙ

ТАБЛИЦА 6.2



N

п/п


Снабжаемый потребитель



I защ

А


I доп

провода

А


Тип

провода


Сечение

мм 2

1

Токарно-винторезный станок 1М 64

50

60

АПРТО

3X16

2

Токарно-винторезный станок 1К 62

20

28

АПРТО

3X4

3

Токарно-винторезный станок 1М 65

63

80

АПРТО

3X25

4

Токарно-револьверный станок 1Г 340П

63

80

АПРТО

3X25

5

Долбежный станок 7403

63

80

АПРТО

3X25

6

Поперечно-строгальный станок 7110

50

60

АПРТО

3X16

7

Универсально-фрезерный станок 6Р 82Ш

80

95

АПРТО

3X35

8

Горизонтально-фрезерный станок 6Г 82

50

60

АПРТО

3X16

9

Вертикально-фрезерный станок 6Т 12

50

60

АПРТО

3X16

10

Зубофрезерный станок 5К 328

63

80

АПРТО

3X25

11

Универсальный зубофрезерный 5Р 20

20

28

АПРТО

3X4

12

Круглошлифовальный станок 3М 174

80

80

АПРТО

3X25

13

Плоскошлифовальный станок 3Д 725

50

60

АПРТО

3X16

14

Внутришлифовальный станок 3К 322

40

47

АПРТО

3X10

15

Вертикально-сверлильный станок 2Р 40

100

130

АПРТО

3X50

16

Радиально-сверлильный станок 2М 550

100

130

АПРТО

3X50

17

Настольно-сверлильный станок С10Р-15П

100

130

АПРТО

3X50

18

Координатно-расточный станок 2А 265

50

60

АПРТО

3X16

19

Универсально-заточный станок 3В6 42

50

60

АПРТО

3X16

20

Кран-балка электрическая МК 20

100

130

АПРТО

3X50

21

Вентилятор АИ

40

47

АПРТО

3X10

22

Освещение

50

60

АПРТО

3X16

23

Провод к ПР1

160

165

АПРТО

3X70

24

Провод к ПР2

160

165

АПРТО

3X70

25

Провод к ПР3

125

130

АПРТО

3X50

26

Провод к ПР4

80

80

АПРТО

3X25

27

Провод к ПР5

63

80

АПРТО

3X25

28

Провод к ПР6

50

60

АПРТО

3X16

29

Провод к ПР7

125

130

АПРТО

3X50

30

Провод к ПР8

63

80

АПРТО

3X25

31

Провод к ПР9

80

80

АПРТО

3X25


Токи КЗ:


К1: Ik = 4,140

К2: Ik = 3,080

К3: Ik = 3,050

К4: Ik = 3,055

К5: Ik = 3,700

К6: Ik = 3,200

К7: Ik = 3,250

К8: Ik = 3,400

К9: Ik = 3,600

К10: Ik = 3,400


Ударные токи КЗ:


К1: Iу = 7,880

К2: Iу = 7,745

К3: Iу = 7,503

К4: Iу = 7,400

К5: Iу = 7,040

К6: Iу = 6,080

К7: Iу = 6,175

К8: Iу = 7,750

К9: Iу = 6,840

К10: Iу = 6,460


2. РАСЧЕТ МАКИМАЛЬНЫХ НАГРУЗОК.


2.1 Расчет электрических нагрузок цеха МСЦ.


Расчет электрических нагрузок проводится методом упорядоченных диаграмм. Все приемники разбиты на группы, имеющие одинаковые коэффициенты мощности соs (tg ). Для всей группы с переменным графиком нагрузки определяется эффективное чило электроприемников:


(Рнi )2

Nэф =  ; (2.1)

Pнi2­­­­­­


где Pнi - номинальная мощность i – потребителя.


Nэф=47.75


В соответствии с Nэф Кисв выбирается коэффициент максимума Км (таб. 2.6 [1]). Коэффициенты использования Ки и коэффициенты мощьности соs выбираются по таблице 2.2[1].


Коэффициент использования средневзвешенный:

Рсмi

Кисв ; (2.2)

Рнi


Где Рсмi- средняя нагруэка эа максимально загруженную смену.


Кисв = 0.15;


Рсмi = Рнi*Киi;


Qсмi = Рсмi*tg I


Расчетная нагрузка


Ррi=Рсмi*Км;


Qрi =Qсмi;


Расчетная нагрузка освещения определяется по удельной плотности нагрузки:



Рр осв =Руд* F; (2.3)


где Руд = 19вт/м­2 удельная плотность нагрузки.


F= 60*24=1440 м2 площадь цеха.


Росв = 19*60*24=27.36 квт.

__________

Spi= Ррi2+Qpi2


Расчетные нагрузки всех потребителей складываются.


Результаты расчета электрических нагрузок цеха сведены в таб.2.1.


Spi

Iрi=  ;

3*Uн


In=Ip+Iпуск наиб (много электроприемников).


In=Ip-Iн наиб +Iпуск наиб (мало приемников).


где In – пиковый ток.


Iпуск наиб - пусковой ток наибольшего по мощности двигателя;

Iн наиб - номинальный ток наибольшего по мощности двигателя;

Ip - расчетный ток двигателя;


Iпуск наиб = 5*Iн наиб


2.2. Расчет электрических нагрузок фабрики.


В практике проектирования систем электроснабжения сетей до 1000 В и выше применяют различные методы определения электрических нагрузок.

Расчет электрических нагрузок фабрики произведем по установленной мощности и коэффициенту спроса, так как определение расчетной силовой нагрузки, по этому методу является приближенным и поэтому его применение рекомендуется для предварительных расчетов и определение электрических нагрузок.

Расчетную нагрузку однофазных по режиму работы приемников определяют по формуле:


Рр = Кс,а *Рном; (2.5)


Qp = Рр*tg; (2.6)

_________

Sp =  Pp2 + Qp2


где Кс,а - коэффициент спроса по активной мощности, принят по таблице 22[2];


Рном – номинальная (установленная) ощность электроприемника, кВт;


tg - соответствует соs данной группы приемников, взят из табл. 22[2];

Sp – полная мощность, кВа.


Пример расчета нагрузок для насосной станции 1 подьема:


Рр = 194 * 0.9 = 174.6 кВт;

Qр = 174.6 * 0.75 = 130.95 кВар;

_______________

=  130.952+174.602 = 218.25 кВа.


Расчетные нагрузки для остальных приемников электрической энергии расчитываются аналогичным образом, поэтому сводим их в таблицу 2.3

После расчета нагрузок приемников электрической энергии расчитываются потери в цеховых трансформаторных подстанциях (ТП). Потери активной и реактивной энергии в цеховых ТП принимаются 2% и 10% (соответственно) от полной нагрузки всех цехов напряжением до 1000В.


Потери в цеховых ТП составляют:

Р = 0.02*2667 = 53.34 кВт;


Q = 0.1 *2667 = 266.7 кВар;


После расчета электрических нагрузок электроприемников напряжением до 1000В и расчета электриеских нагрузок электроприемников напряжением выше 1000В их суммируют с учетом коэффициента разновременности максимумов нагрузки отдельных групп. Значение коэффициента разновременности максимумов нагрузки можно приближенно принимать равным 0.9 [6].


Полная суммарная нагрузка по фабрике с учетом коэффициента разновременности максимума:

_______________________

Sр = (Рр +Рр)2+(Qр+Qр)2*Кр.м.


Где Рр - расчетная активная мощность приемника электрической энергии напряжением до 1000В, кВт;

- расчетная реактивная мощность приемника электрической энергии напряжением до 1000В, кВт;

Рр - расчетная активная мощность приемника электрической энергии напряжением выше 1000В, кВт;

- расчетная реактивная мощность приемника электрической энергии напряжением выше 1000В, кВт;

Кр.м = 0.9 коэффициент разновременности максимумов нагрузки из [6].

________________

Sр = (4415.2)2+(2815.4)2*0.9 = 4712.8 кВА.


После расчета электрических нагрузок фабрики составляется свободная таблица (2.3) электриеских нагрузок отдельных приемников электрической энергии.


© 2012 Рефераты, курсовые и дипломные работы.