рефераты
Главная

Рефераты по рекламе

Рефераты по физике

Рефераты по философии

Рефераты по финансам

Рефераты по химии

Рефераты по хозяйственному праву

Рефераты по цифровым устройствам

Рефераты по экологическому праву

Рефераты по экономико-математическому моделированию

Рефераты по экономической географии

Рефераты по экономической теории

Рефераты по этике

Рефераты по юриспруденции

Рефераты по языковедению

Рефераты по юридическим наукам

Рефераты по истории

Рефераты по компьютерным наукам

Рефераты по медицинским наукам

Рефераты по финансовым наукам

Рефераты по управленческим наукам

Психология и педагогика

Промышленность производство

Биология и химия

Языкознание филология

Издательское дело и полиграфия

Рефераты по краеведению и этнографии

Рефераты по религии и мифологии

Рефераты по медицине

Рефераты по сексологии

Рефераты по информатике программированию

Краткое содержание произведений

Реферат: Расчет разветвленной электрической цепи постоянного тока

Реферат: Расчет разветвленной электрической цепи постоянного тока

Министерство науки и образования Республики Казахстан

Технико-экономическая академия кино и телевидения

                                                   Кафедра инженерных дисциплин

   

КУРСОВАЯ РАБОТА

по предмету «Теория электрических цепей»

              на тему «Расчет разветвленной электрической цепи

постоянного тока»

 

         Специальность:            380440 “Программное и аппаратное обеспеспечение вычисли-

                                              тельной техники и сетей”

         Студент:                                                                              Бучинский Ю.А.      

         

          Группа:                                                ПАОС-03-2у с

               

          Руководитель:                                                                   Шабанова А.Р.    

             

          Защищена с оценкой                                                          

 

         

Алматы

2003

Содержание.

Введение.                                                                                                                        3

1 Теоритическая часть.                                                                                                  4

   1.1. Электрический ток. Сила тока. Условия существования тока в цепи.           4

   1.2. Электродвижущая сила (ЭДС). Напряжение.                                                   6

   1.3. Закон Ома для участка цепи. Омическое сопротивление проводника.

          Удельное сопротивление.                                                                                    7

   1.4. Зависимость удельного сопротивления от температуры.                                8

          Сверхпроводимость.

   1.5. Последовательное и параллельное соединение проводников.                       10

   1.6. Закон Ома для полной цепи.                                                                              13

   1.7. Источники тока, их соединения.                                                                       15

   1.8. Измерение тока и разности потенциалов цепи.                                               18

   1.9. Работа и мощность электрического тока. Закон Джоуля-Ленца.                  20

   1.10. Электрический ток в металлах.                                                                       22

   1.11. Электрический ток в электролитах. Закон электролиза (закон Фарадея). 23

2 Расчётная часть.                                                                                                         27

   2.1Задание на курсовую работу                                                                               27

   2.2.Составление уравнений по двум законам Кирхгофа.                                      28

   2.3.Определение всех токов и напряжений методом контурных токов.              29

   2.4.Метод узловых потенциалов.                                                                             31

   2.5.Энергетический баланс мощностей.                                                                  33

   2.6 Построение потенциальных диаграмм для двух замкнутых контуров.         34

Заключение.                                                                                                                  36

Список литературы.                                                                                                     37

Введение.

     В процессе выполнения курсовой работы мы попытаемся про анализировать схему разветвленной электрической цепи постоянного тока. В полном объёме изучим её работу. А также будем рассматривать, различные методы определения токов, напряжений и узловых потенциалов. Проверим на практике различные законы Ома, законы Кирхгофа, баланса мощностей. Наглядно графическим методом покажем зависимость напряжения от сопротивления путем построения потенциальных диаграмм, для замкнутых контуров.

1 Теоритическая часть.

   1.1. Электрический ток. Сила тока. Условия существования тока в цепи.

Электрическим током называется упорядоченное (направ­ленное) движение заряженных частиц.

Электрический ток возникает при упорядоченном движении свободных электронов, а металлах и полупроводниках или поло­жительных и отрицательных ионов в электролитах. В газах упорядоченно движутся ионы и электроны. За направление тока при­нимают то направление, в котором упорядоченно движутся положительно заряженные частицы. В металлах направление тока противоположно направлению движения свободных элек­тронов (отрицательно заряженных частиц).

О наличии электрического тока в проводнике можно судить по явлениям, сопровождающим ток, т.е. по его действиям:

1) тепловому — проводник с током нагревается. Например, работа электронагревательных приборов основана на этом действии тока. Но есть вещества, у которых данный эффект отсутству­ет — сверхпроводники;

2) химическому — изменение химического состава проводника и разделение его на составные части. Это действие наблюдается в электролитах и газах. Например, из раствора медного купо­роса можно выделить чистую медь. Само явление разложения вещества током называется электролизом;

3) магнитному — вокруг любого проводника с током существует магнитное поле, действующее с некоторой силой на соседние токи или намагниченные тела. Например, вблизи проводника с током магнитная стрелка ориентируется определенным образом.

Магнитное действие тока проявляется всюду, независимо от свойств проводника, и поэтому оно является основным действием электрического тока. Количественной характеристикой электри­ческого тока является сила тока I, которая определяется количеством электричества q, протекающего через поперечное сечение проводника за 1 с.

I=q/D t

Сила тока равна отношению заряда Dq, переносимого через поперечное сечение проводника за интервал времени Dt, к этому интервалу времени. Электрический ток, сила и направление ко­торого не меняется с течением времени, называется постоянным током. В СИ заряды (количество электричества) измеряются в кулонах, а время в секундах, единицей силы тока является ампер (А).

Название единицы силы тока дано в честь французского фи­зика Андре Ампера (1775-1836). Единица тока определяется на основе магнитного взаимодействия токов.

Распределение тока по сечению проводника характеризуется вектором плотности тока i, модуль которого равен:

i=I/s

     Плотность тока определяет ток, приходящийся на единицу площади поперечного сечения проводника. Направление вектора плотности тока совпадает с направлением тока.

Сила тока может быть как положительной, так и отрицатель­ной. Если направление тока совпадает с положительным направ­лением вдоль проводника, то I > 0. Если ток направлен в противо­положную сторону, то I< 0.

Сила тока в металлическом проводнике зависит от заряда, переносимого каждой частицей, концентрации частиц, скорости их направленного движения и площади поперечного сечения про­водника:

I=q0*n* v*s

Рассмотрим участок проводни­ка длиной ДL и площадью попере­чного сечения S. Положительное направление в проводнике cсовпада­ет с направлением движения частиц и средней скоростью частиц v, за­ключенных в объеме, ограниченном сечениями 1 и 2.

В данном объеме

V=Dl*S

Содержится общее число частиц


      Рис.1

 N=n*v=n*Dl*S,

где п =N/V — концентрация частиц (число частиц в единице

объема). Общий заряд всех частиц:

q=q0*V=q0*n*Dl*S где q0 — заряд каждой частицы. За промежуток времени

Dt=Dl/v

все частицы данного объема пройдут через сечение 2. Сила тока в

проводнике:

I=q/Dt=q0*n*Dl*S/Dt=q0*n*Dl*S/Dl/v=q0*n*v*S

 

Можно выразить скорость упорядоченного движения элек­тронов в проводнике, учитывая, что заряд электрона e=q0:

V=|I|/e*n*S

Обычно эта скорость мала. Под скоростью электрического тока понимают скорость распространения вдоль проводника электрического поля, под действием которого электроны (или другие носители тока) приходят в упорядоченное движение.

Для возникновения и существования тока в веществе необходи­мо наличие свободных носителей заряда и электрического поля, действующего на заряды с некоторой силой, под действием которой заряженные частицы приходят в упорядоченное движение.

    1.2. Электродвижущая сила (ЭДС). Напряжение.

Постоянный электрический ток в цепи вызывается стацио­нарным электростатическим полем (кулоновским полем), кото­рое должно поддерживаться источником тока, создающим посто­янную разность потенциалов на концах внешней цепи. Поскольку ток в проводнике несет определенную энергию, выде­ляющуюся, например, в виде некоторого количества теплоты, необходимо непрерывное превращение какой-либо энергии в электрическую. Иначе говоря, помимо кулоновских сил стацио­нарного электростатического поля на заряды должны действо­вать еще какие-то силы, неэлектростатической природы — сто­ронние силы.

Любые силы, действующие на электрически заряженные час­тицы, за исключением сил электростатического происхождения (т.е. кулоновских), называют сторонними силами.

     Природа (или происхождение) сторонних сил может быть раз­личной: например, в гальванических элементах и аккумулято­рах — это химические силы, в генераторах — это сила Лоренца или силы со стороны вихревого электрического поля.

     Внутри источника тока за счет сторонних сил электрические заряды движутся в направлении, противоположном действию сил электростатического поля, т.е. кулоновских сил. Благодаря этому на концах внешней цепи поддерживается постоянная разность по­тенциалов. Во внешней цепи сторонние силы не действуют.

     Работа электрического тока в замкнутой электрической цепи совершается за счет энергии источника, т.е. за счет действия сто­ронних сил, т.к. электростатическое поле потенциально. Работа этого поля по перемещению заряженных частиц вдоль замкнутой электрической цепи равна нулю.

     Количественной характеристикой сторонних сил (источника тока) является электродвижущая сила (ЭДС).

Электродвижущей силой е называется физическая величина, численно равная отношению работыЛд^ сторонних сил по переме­щению заряда ^ вдоль цепи к значению этого заряда:

e=Aст/q

     Электродвижущая сила выражается в вольтах (1 В = 1 Дж/Кл). ЭДС — это удельная работа сторонних сил на данном участке, т.е. работа по перемещению единичного заряда. Напри­мер, ЭДС гальванического элемента равна 4,5В. Это означает, что сторонние силы (химические) совершают работу в 4,5 Дж при перемещении заряда в 1 Кл внутри элемента от одного полюса к другому.

Электродвижущая сила является скалярной величиной, ко­торая может быть как положительной, так и отрицательной. Знак ЭДС зависит от направления тока в цепи и выбора направления обхода цепи .

     Сторонние силы не потенциальны (их работа зависит от формы траектории), и поэтому работа сторонних сил не может быть выражена через разность потенциалов между двумя точка­ми. Работа электрического тока по перемещению заряда по про­воднику совершается кулоновскими и сторонними силами, поэто­му полная работа А равна:

A=Aкул+Aст

Физическая величина, численно равная отношению работы, совершаемой электрическим полем при перемещении положительного

 заряда из одной точки в другую, к значению заряда д, называется напряжением V между этими точками:

U=A/q или

U=Aкул/q+Aст/q

Учитывая, что

Aкул/q=ф1-ф2=-Dф

т.е. разности потенциалов между двумя точками стационарного электростатического поля, где ф1и ф2 — потенциалы начальной и конечной точки траектории заряда, а

Aст/q=e имеем:

U= (ф1- ф2)+e

В случае электростатического поля, когда на участке не при­ложена ЭДС (е = 0), напряжение между двумя точками равно разности потенциалов:

U=ф1- ф2

При разомкнутой электрической цепи (Г = 0) напряжение равно ЭДС источника:

U=е

Единица напряжения в СИ — вольт (В), В = Дж/Кл. Напря­жение измеряют вольтметром, который подключается парал­лельно тем участкам цепи, на которых измеряют напряжение.

     1.3. Закон Ома для участка цепи. Омическое сопротивление проводника.

            Удельное сопротивление.

Закон Ома устанавливает зависимость между силой тока в проводнике и разностью потенциалов (напряжением) между двумя точками (сечениями) этого проводника. В 1826 г. немецким физиком Георгом Омом (1787-1854) экспериментально было об­наружено, что отношение разности потенциалов (напряжения) на концах металлического проводника к силе тока есть величина постоянная:

U/I=R=const

     Эта величина, зависящая от геометрических и электрических свойств проводника и от температуры, называется омическим (активным) сопротивлением, или просто сопротивлением.

Согласно закону Ома для участка цепи

     Сила тока прямо пропорциональна разности потенциалов (напряжению) на концах участка цепи и обратно пропорци­ональна сопротивлению этого участка:

I=U/R,

где U — напряжение на данном участке цепи, R, — сопротивление данного участка цепи. Произведение силы тока на сопротивление называется иногда падением напряжения:

U=I*R

     Сопротивление проводника является его основной электри­ческой характеристикой, определяющей упорядоченное переме­щение носителей тока в этом проводнике (или на участке цепи).

Единица омического сопротивления в СИ — ом (Ом). Провод­ник имеет сопротивление 1 Ом, если при силе тока в нем 1 А разность потенциалов (напряжения) на его концах равна 1 В, т.е. 1 Ом - 1 В/1 А.

Сопротивление К зависит от свойств проводника и от его гео­метрических размеров:

R=p*l/S,

Где p — удельное сопротивление вещества, I — длина проводника, S — площадь поперечного сечения. Единицей удельного сопро­тивления в СИ является 1 Ом • м (или 1 Ом • м/м2).

     Удельное сопротивление вещества численно равно сопротивле­нию однородного цилиндрического проводника, изготовленного из данного материала и имеющего длину 1 м и площадь поперечного сечения 1 м , или численно равно сопротивлению проводника в форме куба с ребром 1 м, если направление тока совпадает с направ­лением нормали к двум противоположным граням куба.

     В зависимости от удельного сопротивления все вещества де­лятся на проводники (удельное сопротивление мало), диэлектри­ки (очень большое удельное сопротивление) и полупроводники с промежуточным значением удельного сопротивления.

     1.4. Зависимость удельного сопротивления от температуры.

           Сверхпроводимость.

С изменением температуры удельное сопротивление изме­няется:

р=p0*(1+at),

гдер 0 — удельное сопротивление проводника при 0°С, ( темпе­ратура по шкале Цельсия) — удельное сопротивление при тем­пературе ^, а —. температурный коэффициент сопротивления. Этот коэффициент характеризует зависимость сопротивления ве­щества от температуры.

Температурный коэффициент сопротивления равен относи­тельному изменению сопротивления проводника при нагревании на 1°К. Его можно определить из условия:

R-R0/R=at,

если До — сопротивление проводника при 0°С, К — сопротивление проводника при температуре {.

Сопротивление проводника меняется за счет изменения удельного сопротивления, так как при нагревании геометричес­кие размеры проводника меняются незначительно.

Для всех металлов к > 1 и мало меняется при изменении температуры проводника.

Удельное сопротивление проводника линейно зависит от тем­пературы (рис. 61). У чистых металлов, а =1/273*K-1, для раство­ров электролитов, а < 0 и с увеличением температуры сопротивле­ние уменьшается. ,

столкновении с ионами электро­ны теряют скорость направлен­ного движения. Это и приводит

Возрастание удельного со­противления можно объяснить тем, что с ростом температуры амплитуда колебаний ионов кристаллической решетки ме­таллов увеличивается и возрас­тает вероятность их столкнове­ния с электронами. Это и приводит к возрастанию удельного сопротивления. Столкновении с ионами электроны теряют скорость направленного движения.


     Рис.2 Зависимость удельного сопротивления от температуры.


     Рис.3 Зависимость удельного сопротивле­ния от температуры для ртути.

Зависимость сопротивле­ния металлов от температуры используется, например, в тер­мометрах сопротивления.

Многие проводники обла­дают свойством сверхпроводи­мости, состоящей в том, что их сопротивление скачком падает до нуля при охлаждении ниже определенной критической температуры Т^, характерной  для данного материала. Такие  вещества получили название сверхпроводники.

     Впервые это явление наблюдал в 1911 г. нидерландский физик Гейке Камерлинг-Оннес (1853-1926). Он обнаружил, что ртуть при Т = 4,15°К переходит в новое состояние, названное сверхпроводящим (рис. 62). Позже им было установлено, что электрическое сопротивление ртути восстанавливается при T < Tk в достаточно сильном магнитном поле. Прохождение тока в сверх­проводниках происходит без потерь энергии, поэтому их исполь­зуют в электромагнитах со сверхпроводящей обмоткой. На основе явления сверхпроводимости иногда работают элементы памяти счетно-вычислительных устройств. Устройство переключающих элементов электронных вычислительных машин иногда основано на принципе разрушения сверхпроводящего состояния магнит­ным полем.

     Ведутся исследования по созданию сверхпроводящих линий электропередачи, но главная трудность здесь в необходимости глубокого охлаждения всей линии для перехода в сверхпроводящее состояние до температуры ниже 20°К.

    1.5. Последовательное и параллельное соединение проводников.

На практике электрические цепи представляют собой сово­купность различных проводников, соединенных между собой оп­ределенным образом. Наиболее часто встречающимися типами соединений проводников являются последовательное и парал­лельное соединения.

Последовательное соединение проводников

При таком соединении все проводники включаются в цепь поочередно друг за другом. Примером такого типа соединения проводников может быть соединение ламп в елочной гирлянде:

выход из строя одной лампы размыкает всю цепь.

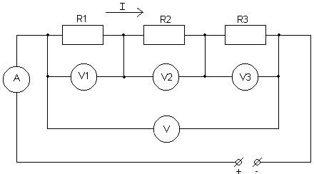
Рассмотрим случай последовательного соединения трех про­водников сопротивлениями J^, Д^, Ну подключенных к источни­ку постоянного тока. Схема такой электрической цепи представ­лена на рисунке.

     Рис.
4

Амперметром А измеряют общую силу тока JT в цепи. Вольт­метрами V1, V2, V3 измеряют напряжение на каждом проводнике, а вольтметром V — напряжение на всем участке цепи.

Расчет токов, напряжений и сопротивлений на участке цепи при таком соединении делают с помощью четырех правил.

а) Сила тока одинакова во всех участках цепи:

I1=I2=I3=I=const.

так как в случае постоянного тока через любое сечение провод­ника за определенный интервал времени проходит один и тот же заряд.

б) Падение напряжения в цепи равно сумме падений напряжений на отдельных участках:

U1+U2+U3=U

Это можно установить из опытов по показаниям вольтметров.

в) Падение напряжения на проводниках прямо пропорционально их сопротивлениям:

U1/U2=R1/R2

Согласно закону Ома для участка цепи  и правилу (а):

I=U1/R1;

I2=U2/R2=>U1/R1=U1/R2, откуда

U1/U2=R1/R2

г) Общее сопротивление цепи равно сумме сопротивлений отдель­ных участков:

R=R1+R2+R3

Воспользуемся законом Ома для участка цепи и правилами (а) и (б):

I=U/R=>U=I*R

Аналогично:

U1=I*R1, U2=I*R2, U3=I*R3

U=U1+U2+U3=I*R1+I*R2+I*R3=I*(R1+R2+R3)=I*R

 Откуда получим формулу для общего сопротивления цепи:

R=R1+R2+R3

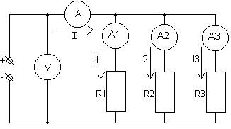
Параллельное соединение

Например, соединение приборов в наших квартирах, когда выход из строя какого-то прибора не отражается на работе ос­тальных.

При параллельном соединении трех проводников сопротивле­ниями R1, R2 и R3 их начала, и концы имеют общие точки подклю­чения к источнику тока. Все вместе параллельно соединенные проводники составляют разветвление, а каждый из них называ­ется ветвью. Схема соединения изображена на рисунке.


     Рис.5

Силу тока в каждой ветви измеряют амперметрами A1, A2 и A3. Для расчета токов, напряжений и сопротивлений также пользу­ются четырьмя правилами:

а) Падение напряжения в параллельно соединенных участках цепи одинаково:

U1=U2=U3=U=const.

так как во всех случаях падение напряжения измеряют между

одними и теми же точками.

б) Сила тока в неразветвленной части цепи равна сумме сил токов, текущих в разветвленных участках цепи:

I1=I2=I3=I

в) Сила тока в разветвленных участках цепи обратно пропорцио­нальна их сопротивлениям:

I1:I2:I3=1/R1:1/R2:1/R3

Воспользуемся законом Ома для участка цепи:

I1=U1/R1=>U1=I1*R1

Аналогично:

U2=I2*R2

U3=I3*R3

 Согласно правилу (а):

 U1=U2=U3=>I1*R1=I2*R2=I3*R3, откуда

I1:I2:I3=1/R1:1/R2:1/R3

г) Общее сопротивление цепи:

1/R=1/R1+1/R2+1/R3

Согласно закону Ома для участка цепи:

I=U/R

и для каждой ветви:

I1=U1/R1; I2=U2/R2; I3=U3/R3

Используя правила (а) и (б), получим:

I=I1+I2+I3=U/R1+U/R2+U/R3=U*(1/R1+1/R2+1/R3) =U/R,

откуда

1/R=1/R1+1/R2+1/R3

     1.6. Закон Ома для полной цепи.

     Рис.
6

Закон Ома для полной (замкнутой) цепи выражает связь между силой тока в цепи, ЭДС и полным сопротивлением.

Рассмотрим полную электрическую                    Т  цепь, состоящую из источника тока с ЭДС е и внутренним сопротив­лением r и внешнего сопротивления R. Внутреннее сопротивление — сопро­тивление источника тока, внешнее со­противление — сопротивление потре­бителя электрического тока, например резистора.                                   

Электрический ток совершает работу не только на внешнем, но и на внутреннем участке цепи: нагревается не только резистор, но и сам источник тока.

По закону сохранения энергии работа электрического тока в замкнутой цепи, равная работе сторонних сил источника тока, равна количеству теплоты, выделившейся на внутреннем и внеш­нем участках цепи:

A=Aст=Q

Поскольку за время Dt через поперечное сечение проводников пройдет заряд. Dq, то работа сторонних сил по перемещению заря­да равна:

Aст=e*Dq=eI*Dt

где I=Dq/Dt - сила тока в проводнике. При этом выделившееся

количество теплоты согласно закону Джоуля-Ленца  равно:

Q=I2R*Dt+I2r*Dt

Тогда

Aст=eI*Dt=I2R*Dt+I2r*Dt, или

E=I*R+I*r

Здесь произведение IR называется падением напряжения на внешнем участке цепи, Ir — падением напряжения на внутрен­нем участке цепи.

Таким образом, ЭДС равна сумме падений напряжений на внешнем и внутреннем участках полной (замкнутой) цепи.

Напряжение U (падение напряжений) на внешней цепи:

U=e-Ir

Сумма внешнего и внутреннего сопротивлений есть полное сопротивление цепи: R + r. Закон Ома для полной цепи:

I=e/R+r

Сила тока в полной электрической цепи равна отношению ЭДС цепи к ее полному сопротивлению.

Следствия из закона Ома для полной цепи

1. Если внутреннее сопротивление источника тока r мало по срав­нению с внешним сопротивлением R, то оно не оказывает замет­ного влияния на силу тока в цепи. При этом напряжение на зажимах источника приблизительно равно ЭДС:

U=IR=е

2. Когда внешнее сопротивление цепи стремится к нулю (R -> 0) — при коротком замыкании, сила тока в цепи определяется внут­ренним сопротивлением источника и принимает максималь­ное значение:

Imax=e/r

3. При разомкнутой цепи, когда R-> оо (сопротивление внешнего участка цепи бесконечно велико) I = 0, напряжение источни­ка тока равно его ЭДС. или ЭДС источника измеряется разнос­тью потенциалов на его клеммах:

e=U=ф2-ф1

Знак ЭДС и напряжение на участке цепи могут быть положи­тельными и отрицательными. Значение ЭДС считается положи­тельным, если она повышает потенциал в направлении тока — ток внутри источника идет от отрицательного полюса к положитель­ному полюсу источника. Напряжение принимается положитель­ным, если ток внутри источника идет в направлении понижения потенциала (от положительного полюса источника к отрицатель­ному полюсу).


     1.7. Источники тока, их соединения.

На практике несколько источников электрической энергии соединяются в группу — батарею источников электрической энергии. Соединение в батарею может быть последовательное, параллельное и смешанное.


     При последовательном соедине­нии положительный полюс предыду­щего источника соединяется с отрица­тельным полюсом последующего.

Полная ЭДС цепи равна алгебраи­ческой сумме ЭДС отдельных элемен­тов, а внутреннее сопротивление бата­реи равно сумме сопротивлений источников:

     Рис.7

e=Si=1ei,

r=Si=1ri,

     Объяснить это можно тем, что при последовательном соедине­нии электрический заряд поочередно проходит через источник электрической энергии и в каждом из них приобретает энергию. Внутреннее сопротивление батареи также увеличивается.

При последовательном соединении одинаковых источников с ЭДС е и внутренним сопротивлением г ЭДС батареи  и ее внут­реннее сопротивление равны.

eб=e*n,

Rб=R*n

где п — число источников.

Закон Ома для полной цепи при последовательном соедине­нии одинаковых источников тока записывается в виде;

I=(e*n)/(R+r*n)

где e и r — ЭДС и внутреннее сопротивление одного источника, R — сопротивление внешнего участка цепи, I — сила тока в цепи.


     Рис.8

     Например, полная цепь со­держит несколько источников тока, ЭДС которых равны E1,E2,E3 а внутренние сопротивле­ния—r1,r2,r3, соответственно. ЭДС, действующая в цепи, равна:

eб=e1 -e2+e3-e4

Сопротивление батареи равно:

r,, = r, + r, + r, + г.

     При этом учитываем, что положительными являются те ЭДС, которые повышают потенциал в направлении обхода цепи, т.е. направление обхода цепи совпадает с переходом внутри источни­ка от отрицательного полюса источника к положительному.

    Последовательное соединение источников тока применяется в тех случаях, когда нужно повысить напряжение на внешней цепи, причем сопротивление внешней цепи велико по сравнению с внутренним сопротивлением одного источника.

     Рис.
9

При параллельном соединении источников все их положительные

полюсы присоединены к одному проводнику, а отрицательные—к другому.                

Полная ЭДС цепи (всей батареи равна ЭДС одного источника: eб= e,а           внутреннее сопротивление батареи равно:

Rб=r/n

где п — число параллельно соединенных источников.

     При параллельном соединении ток одного источника элект­рической энергии уже не проходит через другие, и поэтому каж­дый заряд получает энергию только в одном источнике. Сопротив­ление батареи меньше сопротивления одного источника, так как через каждый источник электрической энергии проходит только часть зарядов, перемещающихся во внешней цепи.

Закон Ома для полной цепи при параллельном соединении одинаковых источников тока записывается в виде:

I=e/(R+r/n)

     Если заменить один источник тока батареей параллельно со­единенных источников, то ток в цепи возрастает.

Параллельное соединение источников тока применяется в тех случаях, когда нужно усилить ток во внешней цепи, не изменяя напряжения, причем сопротивление внешней цепи мало по срав­нению с сопротивлением одного источника.

Если ЭДС источников различны, то для источников тока на­пряжений и ЭДС в различных участках цепи удобно пользоваться правилами Кирхгофа, сформулированными в 1847 г. немецким Физиком Густавом Робертом Кирхгофом (1824-1887).

1. Первое правило (правило узлов).

Алгебраическая сумма сил токов, сходящихся в любом узле, равна нулю:

SIi=0

i= 1

где п — число проводников, сходя­щихся в узле. Узлом в разветвлен­ной цепи называется точка, в кото­рой сходится не менее трех проводников. Токи, теку­щие к узлу, считаются положи­тельными, а токи, текущие от узла, отрицательными.

     Рис.
10

 

Узел токов. I1+I2+I4=I3+I5 или I1+I2-I3+I4-I5=0.

2 Второе правило (правило контуров).

В любом замкнутом контуре, выделенном в разветвленной электрической цепи, алгебраическая сумма произведений сил токов /; на соответствующее сопротивление ri равна алгебраической сумме всех электродвижущих сил, в этом контуре:

Si=1IiRi=Sk=1ek

Токи считаются положительными, если они совпадают с ус­ловно выбранным направлением обхода контура. ЭДС считается

     Рис.
11

положительной, если она повышает потенциал в направлении

 Контур, выделенный из разветвленной цепи.

обхода контура (т.е. направление обхода совпадает с переходом от отрицательного полюса к положительному). Направление обхода контура выбирается по часовой стрелке или против часовой стрел­ки рис .

I1R1+I2R2-I3R3=e1+e2-e3

     1.8. Измерение тока и разности потенциалов цепи

Силу электрического тока в цепи измеряют амперметром (от «ампер» и греческого metreo — измеряю), который включается в цепь последовательно по отношению к тому участку, в котором измеряется ток.


     Рис.12

     Так как сам амперметр обладает сопротивлением Лд, то при его включении сопротивление всей цепи возрастает, а ток в ней уменьшается при неизменном напряжении в соответствии с зако­ном Ома. Чем меньше сопротивление амперметра, тем меньше изменяется ток в цепи при включении в нее амперметра и тем точнее его показания. Следовательно, сопротивление ампер­метра должно быть очень малым. Амперметр нельзя подключать к сети без нагрузки, т.к. произойдет короткое замыкание.

     Любой амперметр рассчитан на измерение сил токов до некоторого rмаксимального значения 1д, т.е. имеет верхний предел измерений. В соответствии с этим различают микро -, милли-, кило - и наноампер-метры. Для измерения токов, боль­ших, чем те, на которые рассчитан амперметр, параллельно ему вклю­чается резистор Лщ, называемый шунтом.

     Рис.13

     Сопротивление шунта в несколько раз меньше, чем собствен­ное сопротивление амперметра Дд, поэтому большая часть изме­ряемой силы тока I пройдет через шунт. Через амперметр должен идти ток, не превышающий Jg, причем эта сила тока меньше измеряемой силы тока I в п раз.

Следовательно, цена деления прибора (нижний предел измере­ний) возрастет в га раз, а его чувствительность уменьшится в п раз.

Нужное сопротивление шунта к амперметру можно рассчи­тать, применяя правила параллельного соединения проводников. При параллельном соединении напряжение на шунте [7щ и амперметре 1/д одинаково 17щ -= Уд.


     Рис.14

     Прибор для измерения разности потенциалов (напряжения) между любыми двумя точками проводника         R с током называется вольтметром (от «вольт» и греческого metreo — измеряю). Вольтметр включается в цепь  параллельно тому участку цепи, на  котором измеряется напряжение.

Вольтметр обладает сопротивлением Ry После его включения в цепь сопротивление всей цепи уменьшается, а ток в ней увели­чивается. Следовательно, сопротивление вольтметра должно быть достаточно большим по сравнению с сопротивлением участ­ка цепи, на котором измеряется напряжение. При этом ток в вольтметре будет мал и не внесет заметных искажений в измеряе­мое напряжение. Вольтметр можно включать в сеть, если он рас­считан на напряжение, превышающее напряжение сети.

    Любой вольтметр рассчитан на предельное напряжение U"„. Для расширения пределов измерения напряжений вольтметра пользуются добавочными сопротивлениями, которые присоеди­няют последовательно вольтметру. Величину добавочного сопро­тивления -Кд, необходимого для измерения напряжений в п раз больших, чем те, на которые рассчитан прибор, найдем согласно правилам последовательного соединения проводников. Измеряемое напряжение U = Uy • п равно также сумме напряже­ний, приходящихся на вольтметр (UВ = U /nи на добавочное сопротивление U д:


     Рис.15

U-U.+U,

     Цена деления вольтметра и его пределы измерения увеличи­ваются в га раз, при этом его чувствительность уменьшается во столько же раз.

При последовательном соединении в вольтметре и добавочном сопротивлении устанавливается один и тот же ток

1=1в=1д,.

     1.9 Работа и мощность электрического тока. Закон Джоуля-Ленца.

Работу сил электрического поля, создающего упорядоченное движение заряженных частиц в проводнике, т.е. электрический ток, называют работой тока.

Работа, совершаемая электрическим полем по перемещению заряда q на участке цепи, равна:

и3

A=q•U=I•U•t=I2*R•t= U2/R*t

где I — сила тока на данном участке, U — напряжение на участке цепи, t — время прохождения тока по участку цепи, q == It — электрический заряд (количество электричества), протекающий через поперечное сечение проводника за промежуток времени t. Единицей измерения работы служит джоуль: 1 Дж = 1 А* 1 В* 1 с. 1 Дж есть работа постоянного тока силой в 1 А в течение 1 с на участке напряжением в 1 В.

По закону сохранения энергии эта работа равна изменению энергии проводника.

     Мощность электрического тока при прохождении его по про­воднику с сопротивлением R равна работе, совершаемой током за единицу времени:

P=A/t=I*U=U2*R

     Единицей измерения мощности электрического тока в СИ служит ватт: 1 Вт = 1 Дж/с. Работу тока можно также определить следующим образом:

A=P*t

Единицей измерения работы также является киловатт-час (кВт • ч) или ватт-час (Вт • ч):

1Вт*ч=3.6*102 Дж

В этих единицах работу обычно выражают в электротехнике. Полную мощность, развиваемую источником тока с ЭДС  и внутренним сопротивлением г, когда во внешней цепи включена нагрузка с сопротивлением R, определяют по формуле:

P=I(R+r) =IR+Ir=I*I*(R+r) =Ie

Полная мощность идет на выделение тепла во внешнем и внутреннем сопротивлении.

Полезная мощность (мощность, выделяемая во внешнем со­противлении) равна:

Pполез=I2R=e2R/(R+r)2

Она используется в электронагревательных и осветительных приборах.

Теряемая мощность (мощность, выделяемая во внутреннем сопротивлении) равна:

Pтер=I2r=e2r/(R+r)2

Она не используется.

Мощность тока во всей внешней цепи при любом соединении равна сумме мощностей на отдельных участках цепи.

Работа электрического поля приводит к нагреванию провод­ника, если на участке цепи под действием электрического поля не совершается механическая работа и не происходят химические превращения веществ. Поэтому энергия (количество теплоты), выделяемая на данном участке цепи за время t, равна работе электрического тока:

Q=A

Количество теплоты, выделяющееся проводником при нагре­вании его током, определяют по закону Джоуля-Ленца:

Q = I2 Rt или

 Q=I *U * t

Этот закон был установлен экспериментально английским ученым Джеймсом Джоулем (1818-1889) и русским ученым Эмилием Христиановичем Ленцем (1804—1865) и сформулирован сле­дующим образом.

Количество теплоты, выделяемое проводником с током, равно произведению квадрата силы тока, сопротивления проводника и времени прохождения тока по проводнику.

При последовательном соединении проводников с сопротив­лением R1 и R2 количество теплоты, выделенное током в каждом проводнике, прямо пропорционально сопротивлению этих про­водников:

 Q1/Q2 =R1/R2, т.к. I1 = I2 при последовательном соединении

Количество теплоты, выделенное током в параллельно соеди­ненных двух участках цепи без ЭДС с сопротивлениями 2^ и И^, обратно пропорционально сопротивлению этих участков:

Q1/Q2 =R1/R2, т.к.  U1 = U2 при параллельном соединении

     1.10. Электрический ток в металлах.

     Прохождение тока через металлы (проводники I рода) не со­провождается химическим изменением, следовательно, атомы металла не перемещаются вместе с током. Согласно представле­ниям электронной теории, положительно заряженные ионы (или атомы) составляют остов металла, образуя его кристаллическую решетку. Электроны, отделившиеся от атомов и блуждающие по металлу, являются носителями свободного заряда. Они участву­ют в хаотическом тепловом движении. Эти свободные электроны под действием электрического поля начинают перемещаться упорядоченно с некоторой средней скоростью. Таким образом, прово­димость металлов обусловлена движением свободных электро­нов. Экспериментальным доказательством этих представлений явились опыты, выполненные впервые в 1912 г. советским акаде­миком Леонидом Исааковичем Мандельштамом (1879-1944) и Николаем Дмитриевичем Папалекси (1880-1947), но не опубли­кованные ими. Позже в 1916 г. американские физики Т.Стюарт и Ричард Чейс Толлин (1881-1948) опубликовали результаты своих опытов, оказавшихся аналогичными опытам советских ученых.

     Концы проволоки, намотанной на катушку, припаивают к двум изолированным друг от Друга металлическим дискам. При помощи скользящих контактов (щеток) к концам дисков присо­единяют гальванометр.

     Катушку приводят во вращение, а затем резко останавлива­ют. Если предположить, что в металле есть свободные заряды, то после резкой остановки катушки свободные заряженные частицы будут двигаться некоторое время относительно проводника по инерции. Следовательно, в катушке возникнет электрический ток, который из-за сопротивления проводника будет длиться не­большое время. Направление этого тока позволит судить о знаке тех частиц, которые двигались по инерции. Так как возникаю­щий ток зависит от величины и массы зарядов, то этот опыт по­зволяет не только предположить существование в металле свобод­ных зарядов, но и определить знак зарядов, их массу и величину (точнее, определить удельный заряд — отношение заряда к массе).

Опыт показал, что после остановки катушки в гальванометре возникает кратковременный электрический ток. Направление этого тока говорит о том, что по инерции движутся отрицательно заряженные частицы. Измерив величину заряда, переносимого этим кратковременным током через гальванометр, удалось опре­делить отношение величины свободных зарядов к их массе. Оно оказалось равным е/т = 1,8 • 1011 Кл/кг, что совпадает со значе­нием такого отношения для электрона, найденным ранее другими способами.

Итак, опыт показывает, что в металлах имеются свободные электроны, упорядоченное движение которых создает в металлах электрический ток.

Под влиянием постоянной силы со стороны электрического поля электроны в металле приобретают определенную скорость упорядоченного движения, которая является постоянной. Упоря­доченное движение электронов в металле можно рассматривать как равномерное движение, т.к. со стороны ионов кристалличес­кой решетки на них действует некоторая тормозящая сила — при столкновениях с ионами свободные электроны передают им кине­тическую энергию, приобретенную при свободном пробеге под действием электрического поля. Следовательно, средняя ско­рость упорядоченного движения электронов пропорциональна напряженности электрического поля в проводнике v см Е. Учиты­вая связь напряженности и разности потенциалов на концах проводника (Е = U/d), можно сказать, что скорость движения электронов пропорциональна разности потенциалов на концах проводника v ~ U.

     От скорости упорядоченного движения частиц зависит сила тока в проводнике: I = q0nv S, поэтому сила тока пропор­циональна разности потенциалов на концах проводника I ~ U, что дает качественное объяснение закона Ома на основе электронной теории проводимости металлов.

     Нагревание проводника при прохождении по нему постоянного тока можно объяснить тем, что кинетическая энергия электронов передается при столкновении ионов кристаллической решетки.

     Количественную теорию движения электронов в металле можно построить на основе законов квантовой механики, класси­ческая механика Ньютона неприменима для описания этого движения.

     1.11. Электрический ток в электролитах. Закон электролиза

              (закон Фарадея).

     Растворы, проводящие электрический ток, называются электролитами. Ток в электролите обусловлен движением поло­жительных и отрицательных ионов, т.е. осуществляется ионной

проводимостью.

     Электролитами являются растворы кислот, щелочей и солей, а также расплавленные соли. Электролиты иначе называют про­водниками II рода (проводники с ионной проводимостью). Про­хождение тока в электролитах связано с переносом вещества.

     Ионами называют атомы или молекулы, потерявшие или присоединившие к себе один или несколько электронов. Положи­тельно заряженные ионы называют иначе катионами (ионы ме­таллов в растворах солей, водорода в растворе кислот), а отрица­тельно заряженные — анионами (ионы кислотных остатков и гидроксильной группы ОН~).

     Пластины, создающие электрическое поле в электролите, на­зывают электродами. Электрод, который соединен с положитель­ным полюсом источника тока, называется анодом, а электрод, соединенный с отрицательным полюсом, — катодом. Возникно­вение ионов в электролитах объясняется процессом электролити­ческой диссоциации — распадом молекул растворенного вещест­ва на положительные и отрицательные ионы под действием растворителя. Молекулы растворяемых веществ состоят из взаи­мосвязанных ионов противоположного знака, которые удерживаются друг около друга электри­ческими силами притяжения.

     Взаимодействие этих молекул с полярными молекулами рас­творителя — воды — приводит к уменьшению силы взаимодейст­вия притяжения ионов в молекулах (диэлектрическая проницае­мость воды равна 81). При хаотическом тепловом движении молекул растворенных веществ и растворителей происходят их столкновения, которые приводят к распаду молекул на отдельные разноименно заряженные ионы.

     Степенью диссоциации, а называют долю молекул растворен­ного вещества, распадающихся на ионы, т.е. это отношение числа молекул п, диссоциировавших на ионы, к общему числу молекул растворенного вещества N

     Степень диссоциации зависит от температуры, диэлектричес­кой проницаемости растворителя и концентрации электролита. При повышении температуры степень диссоциации возрастает, т.к. тепловое движение способствует разрыву молекул на ионы и, следовательно, концентрация ионов увеличивается. Чем больше диэлектрическая проницаемость £ растворителя, тем выше сте­пень диссоциации, поскольку сила взаимодействия ионов в моле­куле электролита в растворе уменьшена b£ раз.

     Ионы разных знаков могут объединяться (рекомбинировать) в нейтральные молекулы при тепловом хаотическом движении ионов в растворе. В результате в растворе при неизменных усло­виях устанавливается динамическое равновесие между процесса­ми электролитической диссоциации и рекомбинации ионов, при котором число молекул, распадающихся на ионы в единицу вре­мени, равно числу пар ионов, которые за это время воссоединяют­ся в нейтральные молекулы- Ионы в электролитах движутся хао­тически до тех пор, пока в жидкость не опускаются электроды. Тогда на хаотическое движение ионов накладывается их упорядо­ченное движение к соответствующим электродам. В жидкости при этом возникает электрический ток.

     Прохождение тока через электролит сопровождается выделе­нием на электродах составных частей растворенного вещества — электролизом. Положительно заряженные ионы (катионы) дви­жутся к катоду и приобретают на этом электроде недостающие электроны. Отрицательно заряженные ионы (анионы) отдают аноду лишние электроны. Таким образом, на аноде происходит реакция окисления, а на катоде — восстановления.

Электролизом называют процесс выделения на электродах веществ, связанный с окислительно-восстановительными реак­циями.

Количественные характеристики электролиза определяются законами электролиза (законами Фарадея).

     Первый закон электролиза (первый закон Фарадея)

Масса вещества, выделившегося на электроде за время Д? при прохождении электрического тока, пропорциональна силе тока и времени.

Коэффициент пропорциональности k называется электрохи­мическим эквивалентом вещества. Он численно равен массе

вещества, которые выделяется при переносе ионами через электро­лит единичного заряда. Единица измерения электрохимического эквивалента k = [кг/Кл].

     Второй закон электролиза (второй закон Фарадея) устанавливает пропорциональность между электрохимическим и химическим эквивалентом вещества:

k =1/eNa * m / n

где/; — молярная масса вещества, п — валентность, Na — число  Авогадро, e— заряд электрона, m / n — химический эквивалент (или грамм-эквивалент) вещества.

Произведение заряда электрона на постоянную Авогадро носит название постоянной (числа) Фарадея:

F=e Na

Законы Фарадея можно объединить выражением:

т. = 1/F * m / n IDt

Это выражение называют объединенным законом электроли­за Фарадея.

Постоянная Фарадея численно равна электрическому заряду, который нужно пропустить через электролит для выделения на электроде массы любого вещества, равной в килограммах отноше­нию молярной массы вещества к валентности. Значение числа Фарадея в СИ:

F = 96485 Кл/моль

Электрический заряд q любого иона согласно объединенному закону Фарадея равен:

q= +- nF/ Na

Заряд одновалентного иона (л = 1) равен по абсолютному зна­чению заряду электрона:

q=e=1,602*10-19 Kл

     Таким образом, любой электрический заряд является крат­ным элементарному заряду — заряду электрона е.

Электролиз широко применяется в различных электрохими­ческих производствах. Например, это электролитическое получе­ние металлов из водных растворов их солей и из расплавленных солей; гальваностегия, гальванопластика, электрополировка. Электролитическое получение металлов из водных растворов их солей может быть осуществлено рафинированием или электроэкстракцией.

     Рафинирование представляет собой очищение металла от не­большого количества примесей путем электролиза с активным анодом (в качестве анодов в электролитическую ванну помещают металл с примесями), электролитом служит раствор соли очища­емого металла. При электролизе такой анод растворяется, приме­си оседают на дно, а на катоде выделяется чистый металл. Рафи­нированием получают чистые медь, серебро и золото.

     Электроэкстракцией называется извлечение металла из электролита при неактивном аноде. Электролитом служит вод­ный раствор соли металла, выделяющегося на катоде, а на аноде выделяются кислород или хлор. Таким способом получают чис­тые цинк и никель.

     Электролиз расплавленных солей проводится с помощью не­активных (угольных) электродов и при высокой температуре, применяется при добывании металлов, реагирующих с водой и поэтому не выделяющихся из водных растворов. Таким путем добывают магний, алюминий, бериллий, литий, калий, кальций и другие металлы.

     Гальваностегией называется покрытие металлических пред­метов слоем другого металла с помощью электролиза на активном аноде. Таким путем пользуются для покрытия предметов не окис­ляющимся на воздухе металлом, чтобы предохранить их от кор­розии. Например, при никелировании, хромировании и т.д. Галь­ваностегией также пользуются для изготовления украшений (серебрение и золочение).

     Гальванопластикой называется получение металлических копий с рельефных изображений на каких-либо поверхностях путем электролиза при активном катоде. Гальванопластика имеет большое значение, например, для изготовления клише, применяемых в литографии.

     Электрополировка заключается в выравнивании металличес­кой поверхности с помощью электролиза. В электролитическую ванну в качестве анода опускается предмет, поверхность которого должна быть отполирована. При электролизе в раствор уходит больше всего вещества с выступающих неровностей на поверхнос­ти анода, т.е. происходит его полировка.

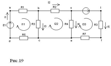
2 Расчётная часть

    2.1Задание на курсовую работу

     Расчет разветвлённой электрической цепи постоянного тока.

     Для заданной электрической цепи необходимо:

1)     Записать систему уравнений по законам Кирхгофа (без расчетов);

2)     Определить все токи и напряжения методами контурных токов и узловых потенциалов;

3)     Проверить результаты расчетов по уравнениям баланса мощностей;

4)     Построить потенциальные диаграммы для двух замкнутых контуров.

ЭДС=E1=E2=50 В

Резисторы  R1=12 Ом

                    R2=24 Ом

                    R3=15 Ом

                    R4=18 Ом

                    R5=30 Ом

                    R6=30 Ом

                    R7=30 Ом

2.2 Составление уравнений по двум законам Кирхгофа.


Записываем уравнения по первому закону Кирхгофа для любых двух узлов:

Узел А: I1+I2+I3=0

Узел B: I3+I4+I5=0

1)   Выбираем независимые контуры и направления их обходов.

3) Записываем уравнения по второму закону Кирхгофа для выбранных независимых контуров.

I1*(R1+R6)-I2*R3=E1

I3*R2+I2*R3-I4*R4=0

I4*R4-I5*R7-I5*R5=E2

4) Подставим численное значение:
 

I1+I2-I3=0

I3+I4+I5=0

I1*(12+30)-I2*15=50

I3*24+I2*15-I4*18=0

I4*18-I5*30-I5*30=50

     2.3 Определение всех токов и напряжений методами контурных

           токов.


1)   Выбираем независимые контуры:

R6,E1,R1,R6;

R3,R2,R4;

R4,E2,R5,R7;

2)   Полагаем, что в каждом контуре течет свой контурный ток: I11,I22,I33.

3)   Произвольно выбираем их направления.

4)   Записываем уравнения по второму закону Кирхгофа относительно контурных токов, для выбранных независимых контуров:

I11(R1+R3+R6)-I22*R3=E1

I22(R2+R3+R4)-I11*R3-I33*R4=0

I33(R4+R5+R7)-I22*R4=E2

Подставим численные значения:

I11*57-I22*15+0=50

-I11*15+I22*57-I33*18=0

0-I22*18+I33*78=50

5)   Решаем полученную систему уравнений через определители:

Главный определитель:

         |57    -15    0|

D=     |-15   57  -18| = 253422+0+0-0-17550-18468=217404

         |0     -18   78|      

Вспомогательный определитель 1:

         |50   -15    0|

D1=   |0      57 -32| = 222300+0+13500-0-0-16200=219600

         |50   -18  78|

Вспомогательный определитель 2:

         |57    50    0|
D2=   |-15   0   -18| = 0+0+0-0-(-58500)-(-51300)=109800

         |0      50  78|

Вспомогательный определитель 3:

         |57   15   50|
D3=   |-15  57     0| = 162450+13500+0-0-11250-0=164700

         |0    -18   50|

I11=D1/D=219600/217404=1.01(A)

I22=D2/D=109800/217404=0.505 (A)

I33=D3/D=-164700/217404=0.757 (A)

I1=I11=1.01 (A)

I2=I22=-0.505 (A)

I3=I11-I22=1.01-0.505=0.505 (A)

I4=I22-I33=0.505-0.757=-0.252 (A)

I5=I33=0.757 (A)

6)Энергетический баланс мощностей

На основании закона сохранения энергии количество теплоты выделяющиеся в единицу времени на резисторах должно равняться

энергии доставляемой за это же время источниками энергии.

                                              

                                                 SIE=SI2R

E1*I1+E2*I5=I12 *(R1+R5)+I22*R2+I32 *R3+I42*R4+I52*(R5+R7)

50.5+37.5=32.64+6.120+3.825+0.068+34.382

88.35=77.055 (Вт)

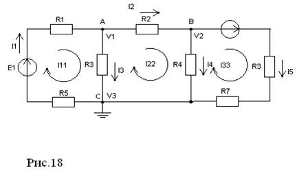
     2.4 Метод узловых потенциалов.


1) Выбираем базисный узел (целесообразно за базисный принимать тот узел, в котором пересекается больше всего ветвей):

V3=0

2) Задаемся положительными направлениями узловых потенциалов от базисного узла.

3) Записываем собственные и взаимные проводимости узлов, исключая базисный:

g11=0.0238+0.0416+0.0666=0.132 (Сим)

g22=0.0416+0.0555+0.0166=0.1137 (Сим)

g12=0.0416 (Сим)

4) Введем узловые токи для всех узлов, исключая базисный:

I11,I22

I11=1.1904 (A)

I22= -0.8333 (A)

Узловой ток равен алгебраической сумме токов от действия ЭДС ветвей пересекающихся в данном узле.

Если ЭДС направлено к узлу, то ЭДС записываем со знаком «+»,
в противном случае «-».

5)     Записываем систему уравнений:

 V1*g11-V2*g12=I11

 V2*g22+V1*g21=I22

g12=g21=0.0416 (Сим)

V1*0.132+V2*(-0.0416)=1.1904

V2*0.1137+V1*(-0.0416)= -0,8333

V1*0.132-V2*0.0416=1.1904

-V1*(-0.0416)+V1*0.132= -0.8333

         |0.132   -0.0416|

  D=   |-0.0416   0.132| = 0.0174-0.0174=0.0157

         |1.1904   -0.0416|

 D1=  |-0.8333     0.132| = 0.1571+0.0346=0.1225

         |0.132        1.1904|

 D2=  |-0.0416   -0.8333| = (-0.1099)-(-0.0495)= -0.0604

V1=D1/D= 0.125/0.0157= 7.8025

V2=D2/D= -0.0604/0.0157= -3.8471

I1=(V3-V1+E1)/(R1+R6)=42.1975/42=1.0047 (A)

I2=(V1-V2)/R2=11.6496/24=0.4854 (A)

I3=(V3-V1)/R3= -7.8025/15= -0.5201 (A)

I4=(V3-V2)/R4= 0.2137 (A)

I5=(V3-V2+E2)/(R5+R7)= 53.8471/60=0.8974 (A)

     2.5 Энергетический баланс мощностей

На основании закона сохранения энергии количество теплоты выделяющиеся в единицу времени на резисторах должно равняться энергии доставляемой за это же время источниками энергии.

SIE=SI2R

Энергетический баланс мощностей методом контурных токов:

E1*I1+E2*I5=I12 *(R1+R5)+I22*R2+I32 *R3+I42*R4+I52*(R5+R7)

50.5+37.5=32.64+6.120+3.825+0.068+34.382

88.35=77.055 (Вт)

                                            

                                                

Энергетический баланс мощностей методом узловых потенциалов:

E1*I1+E2*I5=I12 *(R1+R5)+I22*R2+I32 *R3+I42*R4+I52*(R5+R7)

50.235+44.87=42.3948+5.6547+4.0575+0.8208+48.318

95.105=101.245 (Вт)

     2.6 Построение потенциальных диаграмм для двух замкнутых контуров.


Va=0

Vb=Va-I1*R1= -12.05                     B (12;-12.0564)

        R=12 (Ом)

Vc=Vb-I3*R3= -19.8579       C (27;-19.8579)

        R=R+15 (Ом)

Vd=Vc-I1*R6= -50.02           D (57;-50.02)

        R=R+30 (Ом)

Va=Vd+E1= 0                        A (57;0)

        R=57 (Ом)

     Рис. 20

Vt=0

Vf=Vt+I5*R5= 22.71             F(30;22.71)

       R=30 (Ом)

Ve=Vf+I5*R7= 45.42            E(60;45.42)

       R=R+30 (Ом)

Vs=Ve-I4*R4= 40.884           S(78;40)

       R=R+18 (Ом)

Vt=Vs-E2= 10                        T(78;10)

       R=78 (Ом)

  

     Рис. 21

Заключение.

     В процессе выполненных заданий я проанализировал схему разветвленной электрической цепи постоянного тока, в полном объёме изучил её работу, различные методы определения токов и напряжений, узловых потенциалов, проверил на практике различные законы Ома, законы Кирхгофа, баланс мощностей. Наглядно графическим методом показал зависимость напряжения от сопротивления.

Список литературы.

Дятлаф А.А. Яворский Б.М. Курс физики//Высшая школа . 2000г.

Башин М. Л. Теория электрических цепей // Электротехника. 2001г.

Кринина М. Физика для высшеё школы // Физфакультет. 2000г.

Савельев И.Р. Курс общей физики // Москва 2000г.

Шабанова А.Р. Лекции // 2003г.


© 2012 Рефераты, курсовые и дипломные работы.