рефераты
Главная

Рефераты по рекламе

Рефераты по физике

Рефераты по философии

Рефераты по финансам

Рефераты по химии

Рефераты по хозяйственному праву

Рефераты по цифровым устройствам

Рефераты по экологическому праву

Рефераты по экономико-математическому моделированию

Рефераты по экономической географии

Рефераты по экономической теории

Рефераты по этике

Рефераты по юриспруденции

Рефераты по языковедению

Рефераты по юридическим наукам

Рефераты по истории

Рефераты по компьютерным наукам

Рефераты по медицинским наукам

Рефераты по финансовым наукам

Рефераты по управленческим наукам

Психология и педагогика

Промышленность производство

Биология и химия

Языкознание филология

Издательское дело и полиграфия

Рефераты по краеведению и этнографии

Рефераты по религии и мифологии

Рефераты по медицине

Рефераты по сексологии

Рефераты по информатике программированию

Краткое содержание произведений

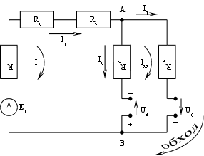
Реферат: Расчетные работы по электротехнике

Реферат: Расчетные работы по электротехнике

ТипОвая расчетная работа №1.


Дано:


Е1=110 В

R1=0,2 Ом

R8=R9=0,4 Ом

R5=R6=1 Ом

U5=60 В

U6=50 В


Найти: токи в ветвях тремя методами.


Решение:


  1. Метод законов Кирхгофа.

    1. Запишем I закон Кирхгофа для узла А: (1);

Запишем I закон Кирхгофа для узла В: (2);

    1. Запишем II закон Кирхгофа для трех контуров:

для контура I - : (3);

для контура II - : (4);

для контура III - : (5).

Решим систему уравнений (1), (3), (4):

I1

-I2

-I3

0

(R1+R8+R9)∙I1

R5∙I2

0

E1+U5

0

-R5∙I2

R6∙I3

-U5-U6

Выпишем коэффициенты при неизвестных:

1 -1 -1 0

(R1+R8+R9)

R5

0

E1+U5

0

-R5

R6

-U5-U6

Подставим численные значения из исходных данных:

1 -1 -1 0
(0,2+0,4+0,4) 1 0 110+60
0 -1 1 -60-50

Определим Δ, ΔI1, ΔI2, ΔI3 по формулам:

По формулам Крамера определим:

- токи в трех ветвях.

    1. Проверка: по I закону Кирхгофа для узла А:;

76,(6)-93,(3)+16,(6)=0


  1. Метод контурных токов.

Пусть в каждом контуре протекает только один контурный ток. В первом ток I11, во втором ток I22.

Запишем II закон Кирхгофа для первого контура:

Запишем II закон Кирхгофа для второго контура:

Решим систему этих уравнений и определим контурные токи:

Токи во внешних ветвях равны контурным токам, значит:

I1=I11=76,7 A – ток в первой ветви.

I3=I22=-16,6 - ток в третей ветви.

В смежной ветви ток равен разности контурных токов:

I2=I22-I22=76,7+16,6=93,3 A – ток во второй ветви.

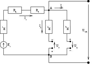
  1. Метод узловых напряжений.

К узлам А и В подводится напряжение UAB – узловое, направление которого выбирается произвольно.



  1. I закон Кирхгофа для узла А: (1);

  2. II закон Кирхгофа для контура I - :

(2);

II закон Кирхгофа для контура II -:

(3);

II закон Кирхгофа для контура III - :

(4);

Для определения напряжения между узлами UAB уравнения (2), (3), (4) необходимо подставить в уравнение (1):

- напряжение между узлами А и В.

Токи в ветвях определим по уравнениям (2), (3), (4):

- токи в трех ветвях.


- 3 -


ТипОвая расчетная работа №2.



Дано:



Найти:



Решение:


  1. - действующее значение напряжения.

- действительная часть

- мнимая часть

  1. - действующее значение тока.

- действительная часть

- мнимая часть

  1. Определить R (активное сопротивление) по закону Ома.

- полное сопротивление.

R=9 Ом

  1. - активная мощность.

  2. - реактивное сопротивление.

  3. - полная мощность.

  4. - показательная форма записи.

Ψ=0°

- показательная форма записи.

  1. Ψi=53° - начальная фаза тока.


- 2 -


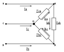
ТипОвая расчетная работа №4.


Дано:


Za=Zb=Zc=1,5+j2

Uп=220 В


Определить:


Iл – линейный ток

Iф – фазный ток

Р – активная мощность

Q – реактивная мощность

S – полная мощность


Построить:


Векторную диаграмму токов и напряжения.


Решение:


  1. На схеме UA, UB, UC – фазные напряжения;

UAB, UBC, UCA – линейные напряжения;

ZA, ZB, ZC –фазные сопротивления нагрузок;


  1. Определение фазного сопротивления нагрузок:

Схема будет симметричной если UA=UB=UC=UФ=127 В


  1. Определение комплексов напряжений в фазах А, В, С:


  1. Определение фазных токов:

  1. Действующие значения фазных токов:


  1. При соединении фаз источника энергии и приемника звездой линейные токи равны соответственно фазным токам.

В случае симметричного приемника действующие значения всех линейных и фазных токов одинаковы, т.е. Iп= Iф

IА= IВ= IС= IП=50,8 А


  1. Определение мощности в фазах:

где - комплексно-сопряженное число.

Тогда полная мощность всей цепи определяется:

Действующее значение полной мощности

Т.к. S=P+Qj, то

активная мощность.

реактивная мощность.

  1. Диаграмма:

- 4 -


Типавая расчетная работа №5.


Дано:


Za=Zb=Zc=1,5+j2

Uл=220 В


Определить:


Iл – линейный ток

Iф – фазный ток

Р – активная мощность

Q – реактивная мощность

S – полная мощность


Построить:


Векторную диаграмму токов и напряжения.


Решение:


  1. Uл=Uф=220 В

UAB=UBC=UCA=220 В

Записать комплексы фазных напряжений

  1. Определение комплексов токов в фазах:

  1. Действующие значения фазных токов:


  1. При соединении "треугольник" в трехфазной симметричной системе справедливы соотношения:


  1. Определение мощности в фазах:

где - комплексно-сопряженное число.

Тогда полная мощность всей цепи определяется:

Действующее значение полной мощности

Т.к. S=P+Qj, то

активная мощность.

реактивная мощность.

  1. Диаграмма:

- 4 -


© 2012 Рефераты, курсовые и дипломные работы.