рефераты
Главная

Рефераты по рекламе

Рефераты по физике

Рефераты по философии

Рефераты по финансам

Рефераты по химии

Рефераты по хозяйственному праву

Рефераты по цифровым устройствам

Рефераты по экологическому праву

Рефераты по экономико-математическому моделированию

Рефераты по экономической географии

Рефераты по экономической теории

Рефераты по этике

Рефераты по юриспруденции

Рефераты по языковедению

Рефераты по юридическим наукам

Рефераты по истории

Рефераты по компьютерным наукам

Рефераты по медицинским наукам

Рефераты по финансовым наукам

Рефераты по управленческим наукам

Психология и педагогика

Промышленность производство

Биология и химия

Языкознание филология

Издательское дело и полиграфия

Рефераты по краеведению и этнографии

Рефераты по религии и мифологии

Рефераты по медицине

Рефераты по сексологии

Рефераты по информатике программированию

Краткое содержание произведений

Реферат: Тиристоры

Реферат: Тиристоры

Устройство, принцип работы, обозначения диодных и триодных тиристоров .

Приборы с четырехслойной структурой  р-п-р-п  представляют  собой один из видов многочисленного семейства полупроводниковых приборов, свой­ства которых определяются наличием в толще полупроводниковой пластины смежных слоев с различными типами проводимости. Основу такого прибора со­ставляет кремниевая пластина, имеющая четырехслойную структуру, в которой чередуются слои с дырочной р и электронной n проводимостями (рис. l.a)  Эти четыре слоя образуют три р-п перехода J1,J2, J3. Выводы в приборах с че- тырехслойной структурой делаются от двух крайних областей (р и n), а в боль­шинстве приборов - и от внутренней области р.


Крайнюю область р структуры, к которой подключается положительный полюс источника питания, принято называть анодом  A  , крайнюю область n, к которой подключается отрицательный полюс этого источника,-катодом К, а вывод от внутренней области р-управляющим электродом УЭ. Естественно, что для полупроводникового прибора такие определения носят ус­ловный характер, однако они получили широкое распространение по аналогии с тиратронами и ими удобно пользоваться при описании схем с этими приборами.

Согласно ГОСТ 15133-77 все переключающие полупроводниковые приборы с двумя устойчивыми состояниями, имеющие три или более р-п перехода, на

Рис.. Схематическое устройство полупроводникового прибора с четырехслой- ной структурой (а), представление его в виде двухтранзисторной схемы (б, в)

зываются тиристорами. Приборы с двумя выводами (анод и катод) назы­ваются диодными тиристорами или динисторами, а приборы с тремя выводами (анод, катод, управляющий электрод) - т р и о д н ы м и  - тристорами или тринисторами.

Полупроводниковый прибор с четырехслойной структурой может быть мо­делирован комбинацией двух обычных транзисторов с различными типами про­водимости (рис. 1.б.в); VT1 со структурой p-n-pi и VT2 со структурой п-р-п. У транзистора VT1 переход J1 является эмиттерным, а переход J2 коллекторным, у транзистора УТ2 эмиттерным служит переход J3, а коллекторным J2, таким образом, оба транзистора имеют общий коллекторный переход J2 (рис. 1.б). Крайние области четырехслойной полупроводниковой структуры являются эмит­терами, а внутренние-базами и коллекторами составляющих транзисторов VT1 и VT2.

База и коллектор транзистора VT` соединяются соответственно с коллекто­ром и базой транзистора VT2, образуя цепь внутренней  положительной обратной связи (рис. 1.б.в). Действительно, из рис. l.в видно, что коллекторный ток Ik1 транзистора VT1 одновременно является базовым током 2, отпирающим тран­зистор VT2, а коллекторный ток  Ik2 последнего-базовым током  Iб1, отпирающим трамзистор VT1, т. е. база каждого транзистора питается коллек­торным током другого транзистора.

2. Вольт-амперные характеристики .диодных и триодных тиристоров

Режим работы динисторов и тринисторов хорошо иллюстрируется их 'статическими вольт-амперными характеристиками, из которых можно получить представление об основных параметрах этих приборов. На рис. 5,а приведена типовая вольт-амперная характеристика динистора. Здесь по горизонтальной оси .отложено напряжение и между его анодом и катодом (анодное напряжение), а по вертикальной-ток I, протекающий через прибор. Область характеристики при положительных анодных напряжениях образует прямую ветвь, а при отрицательных - обратную ветвь характеристики. На характеристике можно выде­лить четыре участка, обозначенные на рис. 5,a арабскими цифрами, каждый из  которых соответствует особому состоянию четырехслойной полупроводниковой структуры.

Участок 1 характеристики соответствует закрытому состоянию (в прямом .направлении) динистора. На этом участке через динистор протекает небольшой ток Iзс -ток прибора в закрытом состоя­нии. В закрытом состоянии сопротивление промежутка анод-катод прибора велико и обратно пропорционально значению тока Iзс . В пределах участка 1 увеличение анодного напряжения мало влияет на ток, пока не будет достигну­то напряжение (точка а характеристики), при котором в четырехслойной по­лупроводниковой структуре наступает лавинообразный процесс нарастания тока, и динистор переключается в открытое состояние. Прямое напряжение, соответствующее точке а характеристики, называется напряжением переключения Uпри, а ток, протекающий при этом через прибор,-током переключения Iпри.

В процессе переключения динистора в открытое состояние незначительное увеличение тока сопровождается быстрым уменьшением напряжения на аноде прибора (участок 2), так как составляющие транзисторы переходят в режим насыщения (рис. l.б.в). Сопротивление динистора в пределах участка 2 стано­вится отрицательным.

Участок 3 вольт-амперной характеристики соответствует открытому состоя­нию прибора. В пределах этого участка все три р-п перехода полупроводнико­вой структуры включены в прямом направлении и относительно малое напря­жение, приложенное к прибору, может создать большой ток Iос в открытом со­стоянии, который при данном напряжении источника питания практически оп­ределяется только сопротивлением внешней цепи. Падение напряжения на от­крытом приборе-напряжение в открытом состоянии Uос, как и у обычного диода, незначительно зависит от прямого тока. Что касается значения наи­большего постоянного тока, который может пропускать прибор в этом режиме, то, как обычно в полупроводниковых структурах, он определяется площадью

 р-п перехода и условиями охлаждения прибора.

Динистор сохраняет открытое состояние, пока прямой ток Iпр будет

больше некоторого минимального значения-удерживающего тока Iуд (точка б на характеристике). При снижении тока до значения Iпр < Iуд  динистор скач­ком возвратится в закрытое состояние.

Таким образом, динистор может находиться в одном из двух устойчивых состояний. Первое (участок 1) характеризуется большим напряжением на при­боре (Uзс) и незначительным током '(Iзс), протекающим через него, а второе (участок 3) -малым напряжением на приборе (Uос) и большим током (Iос). Рабочая точка на участке 2 вольт-ампердой характеристики находиться не мо* жет.


Участок 4 характеризует собой режим динистора, когда к его электродам приложено напряжение обратной полярности Uобр (плюс к катоду, минус к аноду) , - непроводящее состояние в обратном направлении. Режим полупроводникового прибора с четырехслойной структурой при подаче напряжения обратной полярности определяется запирающими свойства­ми р-п перехода J1 (рис. 1.а). Таким образом, обратная ветвь вольт-амперной характеристики фактически определяет режим перехода J1, включенного в об­ратном направлении, и имеет такой же вид, как и обратная ветвь характерис- тми обычного кремниевого диода. Обратный ток Iобр мал и примерно равен теку в закрытом состоянии. Если увеличивать (по абсолютному значению) 'напряжение Uoбp, то при некотором его значении Uпроб,  называемым обрат­ным напряжением пробоя (точка а на участке 4), наступает пробой перехода I1, который может привести к разрушению прибора. Поэтому пода­вать на полупроводниковые приборы с четырехслойной структурой даже на короткое время обратное напряжение, близкое к Uпроб , недопустимо. Наибольшее обратное напряжение, которое может выдерживать прибор, указывается в его паспортных данных и при эксплуатации не должно превышаться.

Рассмотрим теперь семейство статических вольт-амперных характеристик тринистора, изображенное на рис. 5,6. Изменяемым параметром семейства явля­ется значение тока Iy в цепи управляющего электрода.

Вольт-амперная характеристика при токе Iy=0, по существу, представляет собой характеристику динистора и обладает всеми особенностями, рассмотрен­ными выше. При подаче управляющего тока и его последующем увеличении (I"'y>I''y>I'y>Q) участки I и 2 характеристики укорачиваются, а напряже­ние переключения снижается (U"прк<U'прк<Uпрк). Каждая характеристика, соответствующая большему току Iy, располагается внутри предшествующей. Наконец, при некотором значении управляющего тока I'"у вольт-амперная на- рветеристика тринистора вообще «спрямляется» и становится подобной прямой ветви характеристики обычного кремниевого диода (рис 5,6). Соответствующее эначение управляющего тока называется отпирающим током управления 1'"у=1у.от. Следовательно, при подаче такого тока управления тринистор переключается из закрытого состоя­ния в открытое при любом значении прямого (анодного) напряжения, находя­щегося в пределах 0<Uупр<=Uзс.

Управляющий электрод тринистора выполняет роль своеобразного «под­жигающего» электрода (аналогично действию сетки в тиратроне). Причем уп­равляющее действие этого электрода проявляется лишь в момент включения тринистора: закрыть прибор или изменить значение тока, протекающего через открытый прибор, изменяя ток управления, невозможно. (Исключение составля­ет специальный тип приборов--запираемые тиристоры, которые открываются положительным, а закрываются отрицательным сигналами на управляющем элек­троде [2].)

Выключить открытый тринистор можно, как и динистор, только сделав пря­мой ток меньше значения удерживающего тока Iуд (рис. 5.б).

Способ открывания тринисторов током управляющего электрода имеет существенные достоинства, так как позволяет коммутировать большие мощно- сти в нагрузке маломощным управляющим сигналом (коэффициент усиления по мощности составляет примерно 5X102..2X103).

Важной особенностью почти всех типов полупроводниковых приборов с че- тырехслойной структурой является их способность работать в импульсных ре­жимах с токами, значительно превышающими допустимые постоянные токи в открытом состоянии. Так, например, динисторы КН102 при постоянном токе не более 0.2А допускают импульсный ток до 10 А, тринисторы типов КУ203 и КУ216 способны пропускать импульсные токи до 100 А при допустимом посто­янном токе 5 А и т. д.


Включение триодных тиристоров постоянным и импульсным токами.

На рис.  показаны от­пирающий сигнал (ток iу), длительность фронта которого для простоты . при­нята равной нулю, и кривая нара­стания прямого тока, на которой отмечены две точки, соответствующие уровням 0,1 и 0,9 установившегося зна­чения тока Iпр.

Время, необходимое для того, чтобы ток тринистора достиг уровня 0,1 уста­новившегося значения, называется в р е м е н е м  з а д е р ж к и  п о  управля- ющему  электроду tу.зд. Временной интервал между уровнями 0,1 и 0,9 установившегося значения тока называ­ется  в р е м е н е м   н а р а с т а н и я      п р я м о г о т о к а  tпр. За точкой 0,9 Iпр ток растет значительно медленнее, это-время распространения тока на всю проводящую площадь перехода. Уровни, по которым отсчитываются указанные интервалы, показаны на рис. 

Время включения по управляющему электроду тринистора  t у.вкл, которое приводится в справочных данных:

t  у.вкл=t у.зд+t нр

Обычно t у.зд  в несколько раз больше t нр

 и практически определяет время t  у.вкл .

В течение времени задержки t у.зд во внутренней р-области накапливаете минимальный заряд, достаточный для развития лавинооблазного процесса на­растания тока через структуру. В этом интервале времени через тринистор про- ходит небольшой ток, в основном определяемый током управляющего электро­да (16). Процесс включения среднего перехода I2 (рис. 1.а) только развивает­ся, и, если в течение промежутка времени t у.зд снять управляющий сигнал, три- нистор возвратится в закрытое состояние. Время задержки в некоторых преде­лах зависит от тока управления Iy: возрастает при уменьшении тока Iу и не­сколько сокращается при увеличении тока до значения импульсного отпираю­щего тока Iу.от.и. При токах Iу > Iу.от.и  задержка t у.зд практически не меняется.

В конце интервала времени t у.зд прямой ток достигает значения тока удер- экания, и в полупроводниковой структуре начинает развиваться лавинообразный процесс нарастания тока.. При больших токах управления, имеющих фронт с крутизной несколько ампер в микросекунду, зона начальной проводимости среднего пере­хода увеличивается. Скорость распространения процесса включения в среднем (коллекторном) переходе зависит от конструкции управляющего электрода структуры и составляет примерно 1 ... 10 мм/мкс.

Время включения по управляющему электроду t у.вкл у маломощных три- нисторов составляет 1 ...2 мкс, у приборов средней мощности доходит до 10мкс. Приборы, специально предназначенные для импульсного режима работы, имеют меньшее значение t у.вкл . Например, у тринисторов КУ104 оно не превышает 0,3 мкс, а у тринисторов КУ216  0,15 мкс.

Для уверенного отпирания тринистора от источника постоянного тока зна­чения управляющего тока Iу и управляющего напряжения Uу выбираются из условий

Iу>=Iу.от

Uу>=Uу.от

Iу Uу  <= Ру

где Iу.от  - постоянный отпирающий ток управления: Uу.от - постоянное отпи­рающее напряжение управления; Ру  - допустимая средняя мощность, рассеи­ваемая на управляющем электроде.

В цепях постоянного тока тринисторы могут отпираться различными спосо- бами. Конкретный способ управления во многом зависит от функций устройст­ва. Один из наиболее простых способов, при котором источник анодного пита­ния Uпит одновременно используется и для получения необходимого отпираю­щего тока в цепи управляющего электрода, иллюстрируется схемами на рис.


 

     В схеме рис. 9а  тринистор  включается сразу при подаче анодного пи­тания, если суммарное сопротивление анодной нагрузки и резистора R1 обес­точивает ток управляющего электрода

Iу=Uпит/(Rн+R1)>=Iу.от.

После открывания прибора напряжение на аноде снижается до значения Uос, все напряжение источника питания практически оказывается приложенным к нагтрузке и в цепи управляющего электрода начинает протекать незначительный ток, равный  Iу=Uпит/R1.

Для отпирания тринистора в устройстве, показанном на рис. 9,6, необходи­мо кратковременно нажать кнопку S1. Если при этом значение тока Iу, прете-

кающего в цепи управления, удовлетворяет приведущему условию , то тринистор пере­ключится в открытое состояние. Обычно для надежного включения достаточно через цепь управляющего электрода пропустить ток

Iу=(1…1,1)Iу.от, для че­го сопротивление резистора R1 (рис. 9,6), ограничивающего ток управляющего электрода, рассчитывается по формуле

R1 = (0,9 ... 1) Uпит/Iу.от (1)

Для схемы рис. 9.в рассчитамное по формуле (1) сопротивление резистора Я, должно быть уменьшено на значение сопротивления анодной нагрузки Rн.

Резистор R2 (рис. 9,6) обеспечивает гальваническую связь управляющего электрода с катодом, что увеличивает устойчивость работы тринистора в жду­щем режиме (особенно при повышенной температуре окружающей среды). Ре­комендуемое сопротивление этого резистора указывается в справочных данных некоторых типов тринисторов. Обычно у маломощных приборов оно составляет несколько сотен ом, а у приборов средней мощности-примерно 50...100 Ом.

В схеме рис. 9.в тринистор открывается и через нагрузку начинает про­ходить ток при размыкании выключателя .S1. Такой способ отпирания тринистора менее экономичен, чем два предыдущих, поскольку от источника питания по­стоянно потребляется ток, равный Uпит/R1; при закрытом приборе он протекает через замкнутые контакты S1, а при размыкании выключателя-через цепь уп­равляющий электрод-катод тринистора. Сопротивление резистора R1 рассчи­тывается по формуле (1).


Широкое распространение получили импульсные способы управления три- нисторами. которые являются наиболее экономичными и позволяют фиксировать момент включения прибора с высокой точностью. Фактически схема рис. 9.б также иллюстрирует импульсный способ отпирания-длительность управляю­щего импульса равна времени, пока замкнуты контакты кнопки S1 .

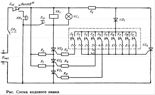
На рис.  приведена схема устройства, выполняющего функции дверного кодового замка, которая иллюстрирует многочисленные возможности практиче­ского использования выключателей на тринисторах с кнопочным управлением.

Основу замка составляет переключатель на трех тринисторах VS1-VS3, соединенных последовательно. В анодную цепь тринистора VS3 включена об­мотка электромагнита YA1, сердечник которого служит запором для двери. Це­почка последовательно соединенных тринисторов может быть переключена в проводящее состояние только при отпирании каждого из них в определенной последовательности: первым должен быть открыт тринистор VS1, вторым – VS2 и, наконец, - VS3 .

Открываются тринисторы с помощью кнопок, оправляющие электроды три- нисторов могут быть подсоединены к контактам любых трех кнопок S0-S9 пульта, установленного на стене с наружной стороны двери. При показанном

на схеме соединении управляющих электродов тринисторов с кнопками кодом замка является число 430, и поэтому первой должна быть нажата кнопка .S4, затем-кнопка S3 и последней-кнопка S0. Сопротивления резисторов R1 и R2 обеспечивают выполнение условия Iпр>Iуд, поэтому после включения тринисторов VS1 и VS2 при кратковременном нажатии кнопок S4 и S3 соответственно эта приборы остаются в проводящем состоянии. После нажатия кнопки S0 включа­ется тринистор VS3, напряжение источника питания Uпит через замкнутые кон­такты выключателя SA1 и кнопки S10 подается на обмотку электромагнита YA1, при этом одновременно загорается сигнальная лампа HL1. Электромагнит втя­гивает сердечник и таким образом открывает замок двери. При открывании двери контакты выключателя SA1 размыкаются и разрывают цепь питания, тринисторы вновь выключаются, и после закрывания двери устройство возращается в исходное состояние .

Тринистор VS4 служит для того, чтобы исключить возможность открыть замок подбором кода. Контакты кнопок, не использованных в коде, соединены между собой и подключены к управляющему электроду тринистора VS4. Ес­ли при попытке подобрать код будет нажата любая из этих кнопок, то тринистор VS4 откроется и замкнет цепь управления тринисторов VS1-VS3, и тогда ни один из них уже невозможно будет включить. Сопротивление резис­тора R6 рассчитывается по формуле Uпит/R6>Iуд  поэтому тринистор VS4 по­сле отключения остается в проводящем состоянии. Такой же результат будет и при одновременном нажатии всех кнопок, так как тринистор VS4 откроется раньше, чем три последовательно соединенных тринистора VS1-VS3. Полезно обратить внимание на то, что этому обстоятельству способствует также и боль­шее значение управляющего тока прибора VS4 по сравнению с тринисторами VS1-VS3. Чтобы устройство возвратить в исходное состояние после включения тринистора VS4, следует нажать кнопку S10 «Вызов», контакты которой раз­рывают цепь питания тринистора VS4, и последний закрывается. Одновременно замыкающие контакты этой кнопки включают звонок HA1 звуковой сигнализа­ции. Кстати, этой кнопкой можно пользоваться просто как кнопкой звонка, ес­ли ход замка не известен.

С помощью кнопки S11 замок можно открыть дистанционно из помещения. При нажатии этой кнопки тринисторы VS1-VS3 замыкаются накоротко и на­пряжение питания подается на обмотку электромагнита YA1. Кнопку S11 сле­дует держать нажатой до тех пор, пока дверь не будет открыта.

Для изменения кода замка провода, идущие от управляющих электродов тринисторов VS1-VS3, подсоединяют к зажимам 0...9  в соответствии с кодо­вым числом; остальные зажимы соединяют между собой и подключают к уп­равляющему электроду тринистора VS4.


© 2012 Рефераты, курсовые и дипломные работы.