рефераты
Главная

Рефераты по рекламе

Рефераты по физике

Рефераты по философии

Рефераты по финансам

Рефераты по химии

Рефераты по хозяйственному праву

Рефераты по цифровым устройствам

Рефераты по экологическому праву

Рефераты по экономико-математическому моделированию

Рефераты по экономической географии

Рефераты по экономической теории

Рефераты по этике

Рефераты по юриспруденции

Рефераты по языковедению

Рефераты по юридическим наукам

Рефераты по истории

Рефераты по компьютерным наукам

Рефераты по медицинским наукам

Рефераты по финансовым наукам

Рефераты по управленческим наукам

Психология и педагогика

Промышленность производство

Биология и химия

Языкознание филология

Издательское дело и полиграфия

Рефераты по краеведению и этнографии

Рефераты по религии и мифологии

Рефераты по медицине

Рефераты по сексологии

Рефераты по информатике программированию

Краткое содержание произведений

Курсовая работа: Волоконно-оптические линии связи

Курсовая работа: Волоконно-оптические линии связи

Введение

Хотя и существуют сети, которые для передачи данных применяют радиопередачу и другие виды беспроводных технологий, но подавляющее большинство ЛВС в качестве передающей среды используют кабель. Чаще всего это кабель с медной жилой для переноса электрических сигналов, но оптоволоконный кабель со стеклянным сердечником, по которому передаются световые импульсы, начинает приобретать все большую популярность. В силу того, что оптоволоконный кабель использует свет (фотоны) вместо электричества, почти все проблемы, присущие медному кабелю, такие как электромагнитные помехи, перекрестные помехи (переходное затухание) и необходимость заземления, полностью устраняются.

Передача информации по оптическим линиям связи имеет всего лишь 50-летнюю, но весьма бурную историю. В основе оптической передачи лежит эффект полного внутреннего отражения луча, падающего на границу двух сред с различными показателями преломления. Световод представляет собой тонкий двухслойный стеклянный стержень, у которого показатель преломления внутреннего слоя больше, чем наружного. Световод, управляемый источник света и фотодетектор образуют канал оптической передачи информации, протяженность которого может достигать десятков километров. Световоды пропускают свет с длиной волны 0,4-3 мкм (400-3000 нм), но пока практически используется только диапазон 600-1600 нм (часть видимого спектра и инфракрасного диапазона). История оптоволоконной передачи началась с коротковолновых (около 800 нм) систем. По мере совершенствования технологий производства излучателей и приемников уходят в сторону более длинных волн — через 1300 и 1500 к 2800 нм, передача которых может быть эффективнее. Высокая частота электромагнитных колебаний этого диапазона (1013-1014 Гц) дает потенциальную возможность достижения скорости передачи информации вплоть до терабит в секунду. Реально достижимый предел скорости определяется существующими источниками и приемниками сигналов — в настоящее время освоены скорости до нескольких гигабит в секунду.

Структура оптического волокна . Устройство световода

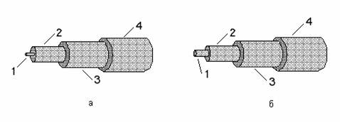
Устройство световода иллюстрирует рис. 1. Внутренняя часть световода называется сердцевиной (иногда переводят как “ядро”), которая представляет собой нить из стекла или пластика, внешняя – оптической оболочкой волокна, или просто оболочкой (cladding) являющаяся специальным покрытием сердцевины, отражающим свет от ее краев к центру.

В зависимости от траектории распространения света различают одномодовое и многомодовое волокно. Многомодовое (многочастотное) волокно (MMF – Multi Mode Fiber) имеет довольно большой диаметр сердцевины - 50 или 62,5 мкм при диаметре оболочки 125 мкм или 100 мкм пои оболочке 140 мкм. Одномодовое (одночастотное) волокно (SMF – Single Mode Fiber) имеет диаметр сердцевины 8 или 9,5 мкм при том же диаметре оболочки. Снаружи оболочка имеет пластиковое защитное покрытие (coating) толщиной 60 мкм, называемое также защитной оболочкой. Световод (сердцевина в оболочке) с защитным покрытием называется оптическим волокном.

Волоконно-оптические линии связи

Рис. 1    Оптоволокно в буфере: а – одномодовое, б – многомодовое

                1 – сердцевина

                2 – оптическая оболочка

                3 – защитное покрытие

                4 – буфер (необязательный)

Оптоволокно в первую очередь характеризуется диаметрами сердцевины и оболочки, эти размеры в микрометрах записываются через дробь: 50/125, 62,5/125, 100/140, 8/125, 9,5/125 мкм. Наружный диаметр волокна (с покрытием) тоже стандартизован, в телекоммуникациях в основном используются волокна с диаметром 250 мкм. Применяются также и волокна с буферным покрытием или просто буфером (buffer), диаметром 900 мкм, нанесенным на первичное 250-мкм покрытие.

Одномодовое и многомодовое волокна

Как уже отмечалось, существует два типа оптоволоконного кабеля: одномодовый и многомодовый. Основное отличие между ними заключается в толщине сердечника и оболочки. Одномодовый световод обычно имеет толщину порядка 8/125 микрон, а многомодовое волокно 50/125 микрон. Эти значения соответствуют диаметру сердечника и диаметру вместе взятых: сердечника и оболочки.

Световой луч, распространяющийся по сравнительно тонкому сердечнику одномодового кабеля, отражается от оболочки не так часто, как это происходит в более толстом сердечнике многомодового кабеля. Для передачи данных в последнем применяется полихромный (многочастотный) свет, а в одномодовом используется свет только одной частоты (монохромное излучение), отсюда они и получили свои названия. Сигнал, передаваемый одномодовым кабелем, генерируется с помощью лазера, и представляет собой волну, естественно, одной длины, в то время как многомодовые сигналы, генерируемые светодиодом (LED – Light Emitted Diode), переносят волны различной длины. В одномодовом кабеле затухания сигнала (потери мощности сигнала) практически исключены. Это и ряд выше перечисленных качеств позволяют одномодовому кабелю функционировать с большей пропускной способностью по сравнению с многомодовым кабелем и преодолевать расстояния в 50 раз длиннее.

С другой стороны, одномодовый кабель намного дороже и имеет сравнительно большой радиус изгиба по сравнению с многомодовым оптическим кабелем, что делает работу с ним неудобной. Большинство оптоволоконных сетей используют многомодовый кабель, который хотя и уступает по производительности одномодовому кабелю, но зато значительно эффективней, чем медный. Телефонные компании и кабельное телевидение, тем не менее, стремятся применять одномодовый кабель, так как он может передавать большее количество данных и на более длинные дистанции.

Режимы прохождения луча

Распространение света в волокне иллюстрирует рис. 2. Для того чтобы луч распространялся вдоль световода, он должен входить в него под углом не более критического относительно оси волокна, то есть попадать в воображаемый входной конус. Синус этого критического угла называется числовой апертурой световода NA.

Волоконно-оптические линии связи

Рис. 2    Ввод света в оптоволокно

                1 – входной косинус

                2 – осевая мода

                3 – мода низкого порядка

                4 – мода высокого порядка

                5 – критический угол

                              

В многомодовом волокне показатели преломления сердцевины и оболочки различаются всего на 1-1,5 % (например, 1,515:1,50) При этом апертура NA – 0,2-0,3, и угол, под которым луч может войти в световод, не превышает 12-18° от оси. В одномодовом же волокне показатели преломления различаются еще меньше (1,505:1,50), апертура NA – 0,122 и угол не превышает 7° от оси. Чем больше апертура, тем легче ввести луч в волокно, но при этом увеличивается модовая дисперсия и сужается полоса пропускания.

Числовая апертура характеризует все компоненты оптического канала — световоды, источники и приемники излучения. Для минимизации потерь энергии апертуры соединяемых элементов должны быть согласованными друг с другом.

Строго говоря, распространение сигнала в оптоволокне описывается уравнениями Максвелла. В большинстве случаев можно пользоваться приближением геометрической оптики. Если рассматривать распространение сигнала с позиций геометрической оптики, то световые лучи, входящие под различными углами, будут распространяться по различным траекториям (рис. 3). Более высоким модам соответствуют лучи, входящие под большим углом, они будут иметь большее число внутренних отражений по пути в световоде и будут проходить более длинный путь. Число мод для конкретного световода зависит от его конструкции: показателей преломления и диаметров сердцевины и оболочки, а также и длины волны.

Волоконно-оптические линии связи

Рис. 3    Распространение волн в световодах: а – одномодовом, б – многомодовом со ступенчатым профилем, в – многомодовом с градиентным профилем

                1 – профиль показателя преломления

                2 – входной импульс

                3 – выходной импульс     

                              

Световой импульс, проходя по волокну, из-за явления дисперсии изменит свою форму – “размажется”. Различают несколько видов дисперсии: модовая, материальная и волноводная. Модовая дисперсия присуща многомодовому волокну и обусловлена наличием большого числа мод, время распространения которых различно. Материальная дисперсия обусловлена зависимостью показателя преломления от длины волны. Волноводная дисперсия обусловлена процессами внутри моды и характеризуется зависимостью скорости распространения моды от длины волны.

Мощность и потери сигнала

Мощность оптического сигнала измеряется в логарифмических единицах дБм (децибел к милливатту): уровню 0 дБм соответствует сигнал с мощностью 1 мВт. Потери (loss) сигнала в каком-либо элементе являются затуханием. Тогда большее затухание будет соответствовать и большим потерям сигнала.

По мере распространения луча происходит его затухание, вызванное рассеянием и поглощением. Поглощение – преобразование в тепловую энергию – происходит во вкраплениях примесей; чем чище стекло, тем эти потери меньше. Рассеяние – выход лучей из световода – происходит в изгибах волокон, когда лучи более высоких мод покидают волокно. Рассеяние происходит и в микроизгибах, и на прочих дефектах поверхности границы сред.

Волоконно-оптические линии связи

Рис. 4    График зависимости затухания от длины волны

                              

Для волокна указывают погонное затухание (дБ/км), и для получения значения затухания в конкретной линии погонное затухание умножают на ее длину. Затухание имеет тенденцию к снижению с увеличением длины волны, но при этом зависимость немонотонна, что видно из рис. 4. На нем видны окна прозрачности многомодового волокна в областях с длинами волн 850 мкм и 1300 мкм. Для одномодового волокна окна находятся в диапазонах около 1300 и 1500-1600 мкм. Естественно, что с целью повышения эффективности связи аппаратура настраивается на длину волны, находящуюся в одном из окон. Одномодовое волокно используется для волн 1550 и 1300 нм, при этом типовое погонное затухание составляет 0,25 и 0,35 дБ/км соответственно. Многомодовое волокно используется для волн 1300 и 850 нм, где погонное затухание — 0,75 и 2,7 дБ/км.

В оптической передаче самые сложные задачи связаны с концами и стыками волокон. Это генерация световых импульсов и ввод их в волокно, прием и детектирование сигналов, и просто соединение отрезков волокон между собой. Луч, падающий на торец волокна, входит в него не весь: он частично отражается обратно, часть проходящей энергии рассеивается на дефектах (шероховатости) поверхности торца, часть “промахивается” мимо конуса, принимающего свет. То же самое происходит и на выходе луча из волокна. В итоге каждый стык вносит потери проходящего сигнала (типовое значение 0,1-1 дБ), а уровень отраженного сигнала может находиться в пределах – 15-60 дБ.

Пропускная способность

В большинстве современных технологий информация по световодам передается с помощью импульсов в двухуровневой дискретной форме (есть сигнал – нет сигнала), аналога полярности электрического сигнала здесь нет. Информационная пропускная способность линии определяется ее полосой пропускания и принятой схемой кодирования. Полоса пропускания определяется как максимальная частота импульсов, различимых приемником. Полоса пропускания волоконной линии ограничивается из-за явления дисперсии, поэтому она зависит от длины. Особенно это заметно на многомодовом волокне.

Для многомодового волокна ширина полосы пропускания BW (МГц) связана с длиной L (км) через параметр, называемый полосой пропускания – А (МГц*км). Для одномодового волокна полоса пропускания зависит от молекулярной дисперсии и ширины спектра источника SW.

По полосе пропускания А можно определить максимальную частоту, при которой импульсы будут еще различимыми после прохождения через световод заданной длины. Можно решить и обратную задачу – определить максимальную длину световода, пропускающего импульсы заданной частоты. Коэффициент А приводится в спецификации на волокно и указывается для конкретной длины волны. Современные многомодовые кабели имеют А=160-500 МГц*км. Что касается современных одномодовых кабелей и лазерных излучателей, то они обеспечивают полосу пропускания порядка 1 ГГц при длине линии 100 км.

Эффективность использования полосы пропускания определяется принятой схемой кодирования. В технологии FDDI (и 100BaseFX), например, применяется физическое кодирование по методу NRZI, при котором один бит передается за один такт синхронизации. Это означает, что каждые 4 бита полезной информации кодируются 5-битным символом, передаваемым за 5 тактов. Таким образом, коэффициент использования полосы пропускания составляет 4/5=0,8, и для передачи данных со скоростью 100 Мбит/с требуется обеспечить передачу импульсов с частотой (полосой) 125 МГц.

В технологиях современных поколений используется когерентное излучение с модуляцией частоты или фазы сигнала. При этом достигается пропускная способность, измеряемая гигабитами в секунду при длине в сотни километров без регенерации. Другое направление — солитоновая технология, основанная на передаче сверхкоротких (10 пс) импульсов-солитонов. Эти импульсы распространяются без искажения формы, и в идеальной линии (без затухания) дальность связи не ограничена при гигабитных скоростях передачи. Для этих технологий, пока не имеющих отношения к локальным сетям, пропускная способность линии определяется иными способами.

Источники и приемники излучения

В качестве источников излучения используются светодиоды и полупроводниковые лазеры. Светодиоды (LED – Light Emitted Diode) являются некогерентными источниками, генерирующими излучение в некоторой непрерывной области спектра шириной 30-50 нм. Из-за значительной ширины диаграммы направленности их применяют только при работе с многомодовым волокном. Самые дешевые излучатели работают в диапазоне волн 850 нм (с них началась волоконная связь). Передача на более длинных волнах эффективнее, но технология изготовления излучателей на 1300 нм сложнее и они дороже.

Лазеры являются когерентными источниками, обладающими узкой спектральной шириной излучения (1-3 нм, в идеале – монохромные). Лазер дает узконаправленный луч, необходимый для одномодового волокна. Длина волны – 1300 или 1550 нм, осваиваются и более длинноволновые диапазоны. Быстродействие выше, чем у светодиодов. Лазер менее долговечен, чем светодиод, и более сложен в управлении. Мощность излучения сильно зависит от температуры, поэтому приходится применять обратную связь для регулировки тока. Лазерный источник чувствителен к обратным отражениям: отраженный луч, попадая в оптическую резонансную систему лазера, в зависимости от сдвига фаз может вызвать как ослабление, так и усиление выходного сигнала. Нестабильность уровня сигнала может приводить к неработоспособности соединения, поэтому требования к величине обратных отражений в линии для лазерных источников гораздо жестче. Лазерные источники применяются и для работы с многомодовым волокном (например, в технологии Gigabit Ethernet 1000Base-LX). Спектральные характеристики излучателей изображены на рис. 5.

Волоконно-оптические линии связи

Рис. 5    Спектральные характеристики излучателей:

                а – светодиод

                б – лазер              

Детекторами излучения служат фотодиоды. Существует ряд типов фотодиодов, различающихся по чувствительности и быстродействию. Простейшие фотодиоды имеют низкую чувствительность и большое время отклика. Большим быстродействием обладают диоды, у которых время отклика измеряется единицами наносекунд при приложенном напряжении от единиц до десятков вольт. Лавинные диоды обладают максимальной чувствительностью, но требуют приложения напряжения в сотни вольт, и их характеристики сильно зависят от температуры. Зависимость чувствительности фотодиодов от длины волны имеет явно выраженные максимумы на длинах волн, определяемых материалом полупроводника. Самые дешевые кремниевые фотодиоды имеют максимальную чувствительность в диапазоне 800-900 нм, резко спадающую уже на 1000 нм. Для более длинноволновых диапазонов используют германий и арсенид индия и галлия.

На основе излучателей и детекторов выпускают готовые компоненты – передатчики, приемники и приемопередатчики. Эти компоненты имеют внешний электрический интерфейс ТТЛ или ЭСЛ. Оптический интерфейс – коннектор определенного типа, который часто устанавливают на отрезок волокна, приклеенный непосредственно к кристаллу излучателя или детектора.

Передатчик (transmitter) представляет собой излучатель со схемой управления. Основными оптическими параметрами передатчика являются выходная мощность, длина волны, спектральная ширина, быстродействие и долговечность. Мощность передатчиков указывают для конкретных типов волокон (чтобы в расчетах не учитывать диаграмму направленности, диаметр и апертуру излучателя).

Приемник (receiver) – это детектор с усилителем-формирователем. Приемник характеризуется диапазоном принимаемых волн, чувствительностью, динамическим диапазоном и быстродействием (полосой пропускания).

Поскольку в сетях всегда используется двунаправленная связь, выпускают и трансиверы (transceiver) – сборку передатчика и приемника с согласованными параметрами.

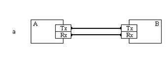
Топология соединений

Оптоволоконная передача допускает разнообразие топологий соединения устройств. Каждое устройство с оптическим портом, как правило, имеет приемник и передатчик каждый со своим коннектором. Наиболее простая и распространенная топология соединений – двухточечная (рис. 6, а). Здесь выход передатчика одного порта соединяется отдельным волокном с входом противоположного порта. Таким образом, для дуплексной связи необходимо два волокна. На основе двухточечного соединения строится и звездообразная топология (рис. 6, б), где каждый порт периферийного устройства соединяется парой волокон с отдельным портом центрального устройства, которое может быть как активным, так и пассивным.

Волоконно-оптические линии связи

В кольцевой топологии выход передатчика одного устройства соединяется с входом следующего и так далее до замыкания кольца. Для того чтобы устройства могли обмениваться информацией по кольцу, они все должны быть включены и исправны, что не всегда достижимо. Для возможности работы кольца при отключении отдельных устройств, применяют обходные коммутаторы (bypass switch).

Волоконно-оптические линии связи

Рис. 6    Топология соединений: а – двухточечная, б – звездообразная           

Обходной (он же проходной) коммутатор представляет собой пассивное управляемое устройство, включаемое между линиями связи и коннекторами приемника и передатчика устройства. Он имеет поворотное зеркало с электрическим приводом. При наличии управляющего напряжения зеркало принимает такое положение, при котором станция включена в кольцо. При отсутствии управляющего напряжения зеркало поворачивается так, что кольцо замыкается, минуя станцию, и, кроме того, в тестовых целях приемник станции подключается к ее передатчику. Под пассивностью коммутатора подразумевается то, что он не имеет собственных приемников и передатчиков, а также усилительных схем.

С оптоволокном также возможна организация разделяемой среды передачи на чисто пассивных элементах-разветвителях. Разветвителъ (coupler) представляет собой многопортовое устройство для распределения оптической мощности (здесь под портом понимается точка подключения волокна). Световая энергия, поступающая на один из портов, распределяется между другими портами в заданном соотношении. В реальном разветвителе присутствуют и различные потери, так что сумма выходных мощностей будет меньше входной. Разветвители реализуются с помощью сварки узла из нескольких волокон или с помощью направленных отражателей.

Т-разветвителъ имеет 3 порта, такие разветвители можно соединять в цепь, реализуя шинную топологию с разделяемым доступом к среде передачи (рис. 7, а). Для того чтобы в цепочку можно было соединять значительное количество абонентов, разветвители должны большую часть мощности пропускать насквозь, а к абонентам ответвлять меньшую. Абоненты, имеющие раздельные коннекторы приемников и передатчиков, должны подключаться к шине через дополнительные разветвители. В такой сети потери между абонентами сильно зависят от их взаимного расположения в цепочке, в результате чего повышаются требования к ширине динамического диапазона приемников. С ростом количества абонентов потери (в децибелах) растут линейно.

Волоконно-оптические линии связи

Рис. 7    Применение T-разветвителей: а – оптическая шина, б – двухточечное соединение    

Волоконно-оптические линии связи

Рис. 8    График зависимости потерь от числа абонентов   

В разветвителе “звезда” свет, входящий в любой порт, равномерно распределяется между всеми остальными. На основе такого разветвителя может строиться сеть с разделяемой средой передачи и звездообразной топологией. Здесь рост потерь с увеличением числа узлов происходит гораздо медленнее, но расплатой является большая потребность в оптическом кабеле — от каждого абонента к разветвителю идет пара волокон. На рис. 8 приведены графики потерь для сетей с идеальными (без внутренних потерь) и реальными разветвителями обоих типов.

Оптоволоконные кабели

Оптоволокно само по себе очень хрупкое и для использования требует дополнительной защиты от внешних воздействий. Кабели, применяемые в сетях, используют одномодовые и многомодовые волокна с номинальным диаметром оболочки 125 мкм в покрытии с наружным диаметром 250 мкм, которые могут быть заключены и в 900-мкм буфер. Оптический кабель состоит из одного или нескольких волокон, буферной оболочки, силовых элементов и внешней оболочки. В зависимости от внешних воздействий, которым должен противостоять кабель, эти элементы выполняются по-разному.

По количеству волокон кабели подразделяют на симплексные (одножильные), дуплексные (2 волокна) и многожильные (от 4 до нескольких сотен волокон). В многожильных кабелях обычно применяются однотипные волокна, хотя производители кабеля под заказ могут комплектовать его и разнотипными (ММ и SM) волокнами. Ориентировочные значения основных параметров волокон приведены в табл. 1. Наиболее популярно многомодовое волокно 62,5/125, однако его полосы пропускания на волнах 850 нм недостаточно для организации длинных магистралей Gigabit Ethernet. Волокно 100/140, указанное в спецификации Token Ring, применяется ограниченно. Из одномодовых больше распространено волокно 9,5/125.

Таблица 1. Основные параметры оптических волокон

ВОЛОКНО ЗАТУХАНИЕ, дБ/км ПОЛОСА ПРОПУСКАНИЯ, МГц*км АПЕРТУРА
мкм/мкм 850 нм 1300 нм 1550 нм 850 нм 1300 нм NA
8/125, 9,5/125 - 0,35 0,22 - - 0,1
50/125 2,7-3,5 0,7-2,0 - 400-500 400-500 0,20
62,5/125 2,7-3,5 0,7-1,5 - 160-200 400-500 0,275
100/140 5,0 4,0 - 100 200 0,29

Волокна характеризуются и более подробными геометрическими параметрами (допуски диаметров, эксцентриситет, некруглость), но их приводят не во всех спецификациях и в практических расчетах они не фигурируют.

Буфер отделяет волокно от остальных элементов кабеля и является первой ступенью защиты волокна. Буфер может быть плотным или пустотелым. Плотный буфер (tight buffer) заполняет все пространство между покрытием и внешней оболочкой кабеля. Простейшим плотным буфером является 900-мкм защитное покрытие волокна. Плотный буфер обеспечивает хорошую защиту волокна от давления и ударов, кабель в плотном буфере имеет небольшой диаметр и допускает изгиб с относительно небольшим радиусом. Недостатком плотного буфера является чувствительность кабеля к изменению температуры: из-за разницы в коэффициентах теплового расширения волокна (малый) и буфера (большой) при охлаждении буфер будет «съеживаться», что может вызвать микроизгибы волокна. Кабель с плотным буфером применяют в основном для разводки внутри помещений и изготовления коммутационных шнуров.

В кабеле с пустотелым буфером (loose tube) волокна свободно располагаются в полости буфера — жесткой пластиковой трубки, а оставшееся пространство может быть заполнено гидрофобным гелем. Такая конструкция более громоздка, но обеспечивает большую устойчивость к растяжению и изменениям температуры. Здесь волокна имеют длину большую, чем длина кабеля, поэтому деформации оболочки не затрагивают само волокно. В зависимости от назначения и числа волокон профиль буфера может иметь различную форму.

Силовые элементы обеспечивают требуемую механическую прочность кабеля, принимая на себя растягивающие нагрузки. В качестве силовых элементов используют кевларовые нити, стальные стержни, стренги из скрученной стальной проволоки, стеклопластиковые стержни. Самую высокую прочность имеет стальная проволока, но для полностью непроводящих кабелей она неприменима.

Внешняя оболочка защищает всю конструкцию кабеля от влаги, химических и механических воздействий. Кабели для тяжелых условий эксплуатации могут иметь многослойную оболочку, включающую и бронирующую рубашку из стальной ленты или проволоки. Материал внешней оболочки определяет защищенность кабеля от тех или иных воздействий, а также горючесть кабеля и токсичность выделяемого дыма.

В локальных сетях применяют кабели наружной, внутренней и универсальной прокладки. Наружные (outdoor) кабели отличаются лучшей защищенностью от внешних воздействий и более широким диапазоном допустимых температур. Однако по противопожарным нормам их не разрешается использовать внутри помещения, поскольку при горении они выделяют токсичный дым. По этой причине длина прокладки такого кабеля внутри помещения ограничивается 15 м — далее должна быть распределительная коробка, в которой этот кабель стыкуется с внутренним.

Внутренний (indoor) кабель, как правило, менее защищен, но и менее опасен при возгорании. Универсальный (indoor/outdoor) кабель сочетает в себе защищенность и безвредность, но, как правило, он дороже специализированного.

Распределительный (distribution) кабель состоит из множества волокон (часто в 900-мкм буфере), его разделывают в распределительных коробках и панелях, корпуса которых защищают волокна от механических воздействий.

В общих спецификациях на оптический кабель указывают, следующие параметры (приводятся без обозначений, в силу неоднозначностей разных классификаций):

назначение кабеля, его защищенность, наличие электропроводящих элементов, возможные способы прокладки;

тип и количество волокон;

диапазон рабочих температур, отдельно может указываться для прокладки и эксплуатации;

допустимое растягивающее усилие;

минимальный радиус изгиба, постоянного и кратковременного;

максимальное раздавливающее усилие;

для самонесущих кабелей – длина пролета и стрела провиса;

внешний диаметр;

погонный вес;

материал внешней оболочки и/или характеристики горючести.

Оптический кабель требует особо бережного отношения при прокладке. Если для медного кабеля нарушение предельно допустимых параметров (усилия, радиус изгиба) приводит, как правило, только к ухудшению характеристик (до обрыва проводников дело доходит редко), то такие «вольности» с оптическим кабелем могут приводить к разрыву (излому) волокна. Для обнаженного волокна особенно опасно сочетание растяжения и изгиба, в кабелях с пустотелым буфером воздействие на волокно смягчается.

Оптический кабель чувствителен к перепадам температур, от которых волокно может трескаться. Для кабелей, выходящих из помещения, нужно принимать во внимание и воздействие градиента температуры: он определяется через разницу температур, которая зимой может достигать и 50-60 °С, и толщину стен. Если градиент выше допустимого, волокно может треснуть.

Для работы в условиях высокого уровня радиации требуется специальный кабель. От высокого уровня радиации волокно может мутнеть, в результате чего возрастет затухание сигнала в кабеле. Сверхмощное облучение (ядерный взрыв) приводит к резкому возрастанию затухания, которое экспоненциально снижается до допустимого за время, исчисляемое десятками минут.

Оптические соединители

Оптические соединители предназначены для постоянного или временного, разъемного или неразъемного соединения волокон. Основные параметры соединителя – вносимые потери и уровень обратного отражения. Для минимизации потерь необходимо точное взаимное позиционирование соединяемых волокон, что особенно сложно достичь для одномодовых волокон. Важной характеристикой соединителей является диапазон рабочих температур – тепловое расширение компонентов соединителя влияет на точность позиционирования со всеми вытекающими последствиями. Качество соединений сильно связано со стоимостью соединителей или необходимого оборудования, поэтому идеального соединителя на все случаи жизни нет.

Неразъемные соединители

Самое лучшее постоянное неразъемное соединение волокон обеспечивает сварка – вносимые потери < 0,05 дБ (типовое значение 0,01 дБ для ММ и 0,02 дБ для SM), обратные отражения < -60 дБ. Перед сваркой волокна освобождают от защитного буфера и специальным инструментом скалывают кончики. Качественно выполненная операция обеспечивает довольно гладкую поверхность скола, перпендикулярную к оси волокна. Подготовленные концы закрепляют в сварочном аппарате, который осуществляет точное позиционирование волокон по трем координатам. Позиционирование выполняется автоматически или вручную, под наблюдением через микроскоп. После точного совмещения стык сваривается электрической дугой. Место сварки из-за внутренних напряжений становится довольно хрупким. От излома его защищают специальной термоусадочной трубочкой, которую надевают на один из концов до сварки, а потом надвигают на стык и нагревают. Главный недостаток сварки –zнеобходимость использования дорогого оборудования и источника электроэнергии на месте работы. Сварка в основном применяется при прокладке длинных линий, где большое количество стыков ставит жесткие ограничения на вносимое затухание и надежность соединения.

Для неразъемного (постоянного или временного) соединения волокон без использования сварки применяют механические соединители – сплайсы (splice). Сплайсы фиксируют волокна в требуемом положении и обычно допускают многоразовое использование.

Разъемные соединители

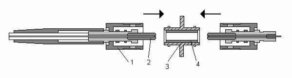
Для разъемного соединения двух волокон на их концы устанавливают коннекторы (connector), они же вилки, которые вставляют в соединительные розетки (receptacle), изображенные на рис. 9.

Коннектор имеет два функциональных элемента – корпус 1 и наконечник 2. Наконечник (ferrule), закрепляемый на волокне, обеспечивает его центровку в розетке. От материала, из которого изготовлен наконечник, зависит качество коннектора – уровень вносимых потерь. Лучшим материалом считается керамика – допуски при ее обработке минимальны, затем идет нержавеющая сталь, самые дешевые коннекторы имеют пластмассовый наконечник. Волокно закрепляется в наконечнике либо с помощью эпоксидного клея (традиционный способ), либо с помощью обжима соответствующей детали коннектора. Выступающий кончик волокна скалывают и полируют. Полировка необходима для того, чтобы стыкуемые волокна в наконечниках могли как можно ближе придвигаться друг к другу, а шероховатости поверхностей не вносили бы дополнительных потерь. Наконечник закрепляется в корпусе коннектора либо неподвижно, либо относительно свободно. Корпус обеспечивает закрепление кабеля и фиксацию коннектора в розетке. “Плавающее” закрепление наконечника защищает сам оптический стык от механических воздействий на корпус коннектора и кабель.

Волоконно-оптические линии связи

Рис. 9    Разъемное соединение               

Розетка состоит из корпуса и центрирующей вставки. Корпус розетки 3 обеспечивает ее крепление на панели и фиксацию коннекторов. Вставка 4 обеспечивает точное взаимное позиционирование наконечников коннекторов. Материал вставки – керамика или бронза – влияет на качество соединителя, им определяется точность позиционирования наконечников.

По типу соединяемых волокон разъемы делятся на одномодовые и многомодовые. Для одномодовых требуется более высокая точность позиционирования (из-за малого диаметра сердцевины волокна). Здесь для наконечников коннекторов и центрующих вставок розеток обычно используют керамику, которую можно обрабатывать с меньшими допусками. В таких коннекторах часто применяют “плавающий” наконечник, чтобы внешние механические воздействия не приводили к нарушению позиционирования. Некоторые типы коннекторов выпускают с внутренним диаметром наконечника 125, 126 и 127 мкм, что связано с допуском на наружный диаметр оболочки волокна. При сборке таких коннекторов подбирают наконечник с минимальным диаметром, который удается надеть на конкретное волокно. Этим достигается наибольшая точность центровки. Для снижения уровня обратных отражений применяют наконечники с полировкой PC и АРС. По этим причинам одномодовые коннекторы дороже многомодовых вариантов коннекторов того же типа. Одномодовые коннекторы можно использовать и для многомодового волокна, но это слишком дорого.

Цветовая маркировка (по TIA/EIA-568A): многомодовые коннекторы и адаптеры (розетки) – бежевые, одномодовые — синие.

По количеству соединяемых волокон коннекторы делятся на одинарные (симплексные), дуплексные (двойные) и многоканальные.

В оптических коннекторах используются разные механизмы фиксации. Поворотные фиксаторы — байонетные (ST) или винтовые (FC) — не позволяют получать дуплексные конструкции с высокой плотностью портов. Гораздо удобнее фиксация “тяни-толкай” (push-pull), применяемая в разъемах SC (одиночных и дуплексных).

Типы коннекторов

В отличие от электрических разъемов, из которых в сетях применяется в основном один тип (RJ-45), оптических коннекторов существует великое множество, что не способствует удешевлению оптических технологий. Разъемы различаются размерами, формой, способом фиксации коннектора, количеством соединяемых волокон, простотой установки и требуемым для этого инструментом. При кажущейся простоте этих изделий они имеют высокую цену, обусловленную необходимостью применения прецизионной механической обработки деталей из специальных материалов для получения стабильных и повторяемых характеристик при работе в заданном диапазоне температур с гарантированным числом циклов соединений.

Коннекторы ST – одиночные, с байонетной фиксацией, диаметр наконечника 2,5 мм. Потери 0,2-0,3 дБ. Технология установки – клеевая или обжимная. Стандартами СКС допускаются, если уже используются в существующих линиях, но не рекомендуются для новых инсталляций.

Коннекторы ХТС – вариант ST с технологией обжима Light Crimp (только для ММ).

Коннекторы SC и SC Duplex – одиночные и дуплексные, диаметр наконечника 2,5 мм. Потери 0,2-0,3 дБ. В дуплексном варианте два одиночных коннектора объединяются общим зажимом или соединяются защелками. Фиксация “тяни-толкай”. Технология установки – клеевая или обжимная (Light-Crimp – только для ММ). Стандарты СКС рекомендуют этот тип для использования в кабельной сети здания.

Коннекторы FC и FC/PC – одиночные, с резьбовой фиксацией, диаметр наконечника 2,5 мм. Потери 0,2-0,3 дБ. Наконечник “плавает” относительно корпуса и оболочки кабеля. Устойчивы к вибрациям и ударам. Эффективны для SM-волокна, применяются в бортовых системах, кабельном телевидении, дальней связи.

Коннекторы FDDI – дуплексные, диаметр наконечника 2,5 мм. Фиксация с помощью двух боковых пружинящих защелок. Коннектор довольно громоздкий и дорогой. В основном применяется в аппаратуре FDDI. Система ключей предотвращает неправильное использование портов.

Рассмотренные выше коннекторы по сравнению с электрическими довольно громоздки, они не позволяют обеспечить высокую плотность портов на распределительных панелях и активном оборудовании. В TIA/EIA при разработке новой редакции стандарта 568 была предпринята попытка покончить с многообразием коннекторов и определить единый малогабаритный абонентский дуплексный соединитель, вписывающийся в габариты малогабаритной розетки RJ-45. Однако принять единый из нижеследующих так и не удалось.

Коннектор MT-RJ – малогабаритный дуплексный, имеет двухволоконный наконечник с закрепленными и отполированными фрагментами волокна. Фиксируется защелкой, предназначен для проводки внутри здания. Для оконцовки необходимо лишь зачистить кабель, сколоть волокна и зафиксировать их, как в сплайсе CoreLink. Выпускается для одномодовых и многомодовых (50/125 и 62,5/ 125) волокон. Уровень обратных отражений -44 дБ.

Коннектор OptiSPEED LC – улучшенный малогабаритный дуплексный вариант SC. Фиксация аналогична RJ-45. Потери 0,1-0,2 дБ, обратные отражения -20 дБ для ММ и -40 дБ для SM.

Коннектор OPTI-JACK – дуплексный, диаметр наконечника 2,5 мм, фиксация аналогична RJ-45. Потери 0,19 дБ SM и 0,16 дБ ММ, обратные отражения -20 дБ для ММ и -(40-45) дБ для SM.

Коннектор SCDC и SCQC – дуплексный и 4-канальный, наконечники 2,5 мм, фиксация аналогично SC.

Коннектор VF-45 – дуплексный, для выравнивания волокон используется V-образный профиль. Дешевый и простой в установке, потери 0,3 дБ, обратные отражения -20 дБ.

Розетки, адаптеры, аттенюаторы

Для каждого из вышеперечисленных типов коннекторов выпускаются розетки с различными вариантами крепления (резьба, фланец, защелки и т. п.). Для соединения разнотипных коннекторов применяют переходные розетки, среди которых распространены SC-ST SC-D-ST, SC-FC.

FM-адаптеры (Female-Male – вилка-розетка) представляют собой комбинацию коннектора и розетки со вклеенным отрезком волокна. Предназначены для защиты приемников и излучателей измерительной аппаратуры от механических повреждений при многократных подключениях-отключениях.

Адаптеры для обнаженного волокна применяют для временной оконцовки волокна (при тестировании). Они имеют коннектор с отполированным фрагментом волокна и подпружиненный фиксатор волокна. При нажатии на кнопку фиксатор открывается, и в адаптер можно ввести предварительно сколотое волокно. По отпускании кнопки волокно фиксируется. Адаптеры обеспечивают уровень вносимых потерь 1 дБ.

Аттенюаторы выполняются в виде розеток (фиксированные и регулируемые) или FM-адаптеров (только фиксированные).

Сетевые технологии

Варианты для оптоволоконных соединений имеют все классические и современные сетевые технологии. Каждая из них имеет характерные особенности: длину волны, режим передачи (MM/SM), ограничения на затухание и время распространения сигнала, требования к полосе пропускания, тип используемых коннекторов.

Ethernet 10/100/1000 Мбит/с

Для технологии Ethernet (10 Мбит/с) стандартный оптический коннектор, типа ST. Для технологии Fast Ethernet (100 Мбит/с) и Gigabit Ethernet (1000 Мбит/с) в основном применяют коннекторы SC, в более современной аппаратуре используют компактный MT-RJ.

IEEE 802.3

Стандарт 802.3 для оптической среды при скорости 10 Мбит/с, предусматривает длину волны 850 нм (ММ). Существуют и фирменные устройства на 1310 нм, используемые как с SM, так и с ММ. Предполагается введение альтернативного коротковолнового (850 нм) стандарта lOOBaseSX для связи ММ-волокном на короткие расстояния. Gigabit Ethernet имеет оптические версии с разной длиной волны: lOOOBaseSX -850 нм (MM), lOOOBaseLX - 1300 нм (MM/SM), lOOOBaseLH (предполагаемая) - 1310 или 1550 нм (SM). Лазерные передатчики портов Gigabit Ethernet при работе с ММ-волокном вызывают эффект дифференциальной модовой задержки.

Token Ring

Фирма IBM первоначально использовала ММ-волокно 100/140 нм. Стандарт 802.5 определяет ММ-волокно, длину волны 850 нм. В “фирменных” решениях используется и SM-волокно, 1310 нм. Оптические порты имеются в ряде хабов. Для соединения обычных портов существуют устройства TRC (Token Ring converter) и TRX (Token Ring extender).

FDDI

В качестве передатчиков используют светодиоды или лазеры на 1300 нм. Коннекторы – специфические дуплексные FDDI MIC или более дешевые ST или SC. Для обеспечения непрерывности кольца при отключении станции применяют обходные коммутаторы ОВР (optical bypass switch), для двойного кольца – сдвоенные. Иногда используют и сумматоры-разветвители (coupler) – с их помощью сигналы передатчика и приемника объединяют в одном волокне.

ATM

В качестве физического интерфейса в ATM используется SONET (ОС-1, 3, 12, 24 48, 192) или SDH (STM-1, 4, 8, 16, 64). В локальных сетях чаще встречается OC-3/STM-1 (155 Мбит/с) и OC-12/STM-4 (622 Мбит/с), где могут применяться как многомодовые, так и одномодовые порты. В старших каналах, применяемых в коммутаторах глобальных сетей, используются только лазерные источники и SM-волокно.

ARCnet (TCNS)

Оптическая среда для сетей ARCnet существует только в ее реализации фирмой Thomas-Conrad — TCNS. Скорость передачи 100 Мбит/с, топология — звезда с активным хабом, коннекторы ST, многомодовое волокно с длиной до 900 м.

МОНТАЖ

По сравнению с электрическим кабелем, монтаж оптики имеет свои особенности, влияющие на конструкции абонентских розеток, соединительных коробок и коммутационных панелей. Это связано с технологией установки соединителей. В процессе оконцовки коннектор приходится брать в руки, помещать в сушильную печь, полировальную машину. Для этого многожильный кабель приходится разделывать на большой длине, оставляя 1-1,5 м обнаженного (в защитном покрытии) волокна. После оконцовки эти излишки должны быть уложены в специальные направляющие с радиусом изгиба не менее 30 мм и защищены от повреждений. Из-за этих укладочных направляющих оптические абонентские розетки по сравнению с электрическими имеют больший размер корпуса.

Сплайс-пластины предназначены для закрепления сварных стыков или сплайсов в местах соединения многожильных кабелей.

Оптические распределительные коробки предназначаются для разделки многожильных кабелей и оконцовки множества абонентских кабелей в распределительных пунктах.

Инструменты, расходные материалы и приборы

Для работы с оптоволоконным кабелем требуется обширный и дорогой инструментарий. Для разделки кабеля применяют:

нож для разрезания оболочек;

ножницы специальные для резки упрочняющих кевларовых нитей кабеля;

тросокусы, кусачки и ножовки для перерезания силовых тросов и снятия брони кабеля;

стриперы для снятия наружных оболочек;

стриперы для снятия 250-мкм покрытия и 900-мкм буфера со стандартного 125-мкм волокна;

скалыватель для волокна в первичном (250 мкм) и буферном (900 мкм) покрытии.

Набор инструментов и материалов для оконцовки зависит от типа устанавливаемого коннектора:

стриперы для наружной (3 мм) оболочки и буферных покрытий (250 и 900 мкм);

кримпер для кольца, обжимающего внешний (3 мм) буфер;

средства фиксации волокна в наконечнике – комплект для эпоксидной вклейки;

ручка-скалыватель (scribe tool) – резец из корунда или сапфира в держателе для скалывания волокна, выходящего из наконечника коннектора;

механический скалыватель (cleave tool) – более удобный инструмент для скалывания кончиков.

Для работы с оптическими коннекторами применяют чистящие средства:

изопропиловый спирт для промывки коннекторов, безворсовые чистящие салфетки;

спиртовые салфетки (пропитаны изопропиловым спиртом);

баллончики со сжатым воздухом для продувки коннекторов от пыли.

Для эпоксидной вклейки требуется:

компаунд – эпоксидный клей и отвердитель;

емкость и деревянная лопаточка для смешивания;

шприц с иглой (ероху applicator) для ввода компаунда;

печка для ускорения сушки.

Для сварки волокон применяют сварочные аппараты с различной степенью автоматизации процесса, существенно различающиеся по возможностям, производительности и цене. Основные характеристики аппаратов:

типы свариваемых волокон;

типичные потери на соединении: от 0,12 до 0,02 дБ для SM, от 0,05 до 0,01 дБ для ММ-волокон;

способ юстировки волокон: ручной (под наблюдением через встроенный микроскоп) или автоматический.

Для контроля и измерения параметров оптических линий применяют различные приборы:

оптические;

измерительные комплекты;

тестеры-телефоны;

индикаторы излучения;

измерители длины оптических линий;

оптические рефлектометры OTDR (Optical Time Domain Reflectometer);

локаторы дефектов.

ЗАКЛЮЧЕНИЕ

В качестве заключения, будет целесообразно рассмотреть достоинства и недостатки волоконно-оптических линий связи.

Достоинства

Широкая полоса пропускания - обусловлена чрезвычайно высокой частотой несущей 1014Гц. Это дает потенциальную возможность передачи по одному оптическому волокну потока информации в несколько терабит в секунду. Большая полоса пропускания - это одно из наиболее важных преимуществ оптического волокна над медной или любой другой средой передачи информации.

Малое затухание светового сигнала в волокне. Выпускаемое в настоящее время отечественными и зарубежными производителями промышленное оптическое волокно имеет затухание 0,2-0,3 дБ на длине волны 1,55 мкм в расчете на один километр. Малое затухание и небольшая дисперсия позволяют строить участки линий без ретрансляции протяженностью до 100 км и более.

Низкий уровень шумов в волоконно-оптическом кабеле позволяет увеличить полосу пропускания, путем передачи различной модуляции сигналов с малой ибыточностью кода.

Высокая помехозащищенность. Поскольку волокно изготовлено из диэлектрического материала, оно невосприимчиво к электромагнитным помехам со стороны окружающих медных кабельных систем и электрического оборудования, способного индуцировать электромагнитное излучение (линии электропередачи, электродвигательные установки и т.д.). В многоволоконных кабелях также не возникает проблемы перекрестного влияния электромагнитного излучения, присущей многопарным медным кабелям.

Малый вес и объем. Волоконно-оптические кабели (ВОК) имеют меньший вес и объем по сравнению с медными кабелями в расчете на одну и ту же пропускную способность. Например, 900-парный телефонный кабель диаметром 7,5 см, может быть заменен одним волокном с диаметром 0,1 см. Если волокно "одеть" в множество защитных оболочек и покрыть стальной ленточной броней, диаметр такого ВОК будет 1,5 см, что в несколько раз меньше рассматриваемого телефонного кабеля.

Высокая защищенность от несанкционированного доступа. Поскольку ВОК практически не излучает в радиодиапазоне, то передаваемую по нему информацию трудно подслушать, не нарушая приема-передачи. Системы мониторинга (непрерывного контроля) целостности оптической линии связи, используя свойства высокой чувствительности волокна, могут мгновенно отключить "взламываемый" канал связи и подать сигнал тревоги. Сенсорные системы, использующие интерференционные эффекты распространяемых световых сигналов (как по разным волокнам, так и разной поляризации) имеют очень высокую чувствительность к колебаниям, к небольшим перепадам давления. Такие системы особенно необходимы при создании линий связи в правительственных, банковских и некоторых других специальных службах, предъявляющих повышенные требования к защите данных. Рассмотрение волоконно-оптических сенсорных систем выходит за рамки материала данной книги.

Гальваническая развязка элементов сети. Данное преимущество оптического волокна заключается в его изолирующем свойстве. Волокно помогает избежать электрических "земельных" петель, которые могут возникать, когда два сетевых устройства неизолированной вычислительной сети, связанные медным кабелем, имеют заземления в разных точках здания, например на разных этажах. При этом может возникнуть большая разность потенциалов, что способно повредить сетевое оборудование. Для волокна этой проблемы просто нет.

Взрыво- и пожаробезопасность. Из-за отсутствия искрообразования оптическое волокно повышает безопасность сети на химических, нефтеперерабатывающих предприятиях, при обслуживании технологических процессов повышенного риска.

Экономичность ВОК. Волокно изготовлено из кварца, основу которого составляет двуокись кремния, широко распространенного, а потому недорогого материала, в отличии от меди. В настоящее время стоимость волокна по отношению к медной паре соотносится как 2:5. При этом ВОК позволяет передавать сигналы на значительно большие расстояния без ретрансляции. Количество повторителей на протяженных линиях сокращается при использовании ВОК. При использовании солитонных систем передачи достигнуты дальности в 4000 км без регенерации (то есть только с использованием оптических усилителей на промежуточных узлах) при скорости передачи выше 10 Гбит/с.

Длительный срок эксплуатации. Со временем волокно испытывает деградацию. Это означает, что затухание в проложенном кабеле постепенно возрастает. Однако, благодаря совершенству современных технологий производства оптических волокон, этот процесс значительно замедлен, и срок службы ВОК составляет примерно 25 лет. За это время может смениться несколько поколений/стандартов приемо-передающих систем.

Удаленное электропитание. В некоторых случаях требуется удаленное электропитание узла информационной сети. Оптическое волокно не способно выполнять функции силового кабеля. Однако, в этих случаях можно использовать смешанный кабель, когда наряду с оптическими волокнами кабель оснащается медным проводящим элементом. Такой кабель широко используется как в России, так и за рубежом.

НЕДОСТАТКИ

Несмотря на многочисленные преимущества перед другими способами передачи информации волоконно-оптические системы имеют также и недостатки, главным образом из-за дороговизны прецизионного монтажного оборудования и надежности лазерных источников излучения. Многие из недостатков вероятнее всего будут нивелированы с приходом новых конкурентоспособных технологий в волоконно-оптические сети.

Стоимость интерфейсного оборудования. Электрические сигналы должны преобразовываться в оптические и наоборот. Цена на оптические передатчики и приемники остается пока еще довольно высокой. При создании оптической линии связи также требуются высоконадежные специализированное коммутационное пассивное оборудование, оптические соединители с малыми потерями и большим ресурсом на подключение-отключение, оптические разветвители, аттенюаторы.

Монтаж и обслуживание оптических линий. Стоимость работ по монтажу, тестированию и поддержке волоконно-оптических линий связи также остается высокой. Если же повреждается ВОК, то необходимо осуществлять сварку волокон в месте разрыва и защищать этот участок кабеля от воздействия внешней среды. Производители тем временем поставляют на рынок все более совершенные инструменты для монтажных работ с ВОК, снижая цену на них.

Требование специальной защиты волокна. Прочно ли оптическое волокно? Теоретически да. Стекло как материал выдерживает колоссальные нагрузки с пределом прочности на разрыв выше 1ГПа (109 Н/м2). Это казалось бы означает, что волокно в единичном количестве с диаметром 125 мкм выдержит вес гири в 1 кг. К сожалению, на практике это не достигается. Причина в том, что оптическое волокно, каким бы совершенным оно не было, имеет микротрещины, которые инициируют разрыв. Для повышения надежности оптическое волокно при изготовлении покрывается специальным лаком на основе эпоксиакрилата, а сам оптический кабель упрочняется, например нитями на основе кевлара (kevlar). Если требуется удовлетворить еще более жестким условиям на разрыв, кабель может упрочняться специальным стальным тросом или стеклопластиковыми стержнями. Но все это влечет увеличение стоимости оптического кабеля.

Преимущества от применения волоконно-оптических линий связи настолько значительны, что несмотря на перечисленные недостатки оптического волокна, дальнейшие перспективы развития технологии ВОЛС в информационных сетях более чем очевидны.

Список литературы

М. Гук, “Аппаратные средства локальных сетей”

Дж. Стерлинг, “Техническое руководство по волоконной оптике”

В. Г. Олифер, “Компьютерные сети”

Cisco System, WEB-издание в оригинале “Cisco Networking Academies”

www.tt.ru, WEB-издание “ВОЛС Технологии”


© 2012 Рефераты, курсовые и дипломные работы.