рефераты
Главная

Рефераты по рекламе

Рефераты по физике

Рефераты по философии

Рефераты по финансам

Рефераты по химии

Рефераты по хозяйственному праву

Рефераты по цифровым устройствам

Рефераты по экологическому праву

Рефераты по экономико-математическому моделированию

Рефераты по экономической географии

Рефераты по экономической теории

Рефераты по этике

Рефераты по юриспруденции

Рефераты по языковедению

Рефераты по юридическим наукам

Рефераты по истории

Рефераты по компьютерным наукам

Рефераты по медицинским наукам

Рефераты по финансовым наукам

Рефераты по управленческим наукам

Психология и педагогика

Промышленность производство

Биология и химия

Языкознание филология

Издательское дело и полиграфия

Рефераты по краеведению и этнографии

Рефераты по религии и мифологии

Рефераты по медицине

Рефераты по сексологии

Рефераты по информатике программированию

Краткое содержание произведений

Реферат: Автоматизированное управление в технических системах

Реферат: Автоматизированное управление в технических системах

Министерство образования Украины

Одесский государственный политехнический университет

Кафедра автоматики и управления в технических системах

Контрольная работа по дисциплине

«Автоматизированное управление в технических системах»

Студент:        Лозанов В. В.

Преподаватель:  Кузнецов А. А.

Курс:           5

Группа:         ЗАТ-962

Шифр:           960277

2000

1.     Что дает внедрение АСУ в экономическом аспекте и в социальном?

 

Современный этап развития промышленного произ­водства характеризуется переходом к использованию пе­редовой технологии, стремлением добиться предельно высоких эксплуатационных характеристик как действу­ющего, так проектируемого оборудования, необходи­мостью свести к минимуму любые производственные по­тери. Все это возможно только при условии существен­ного повышения качества управления промышленными объектами, в том числе путем широкого применения АСУ ТП.

Технико-экономическими предпосылками создания АСУ ТП являются прежде всего рост масштабов произ­водства, увеличение единичной мощности оборудования, усложнение производственных процессов, использование форсированных режимов (повышенные давления, темпе­ратуры, скорости реакций), появление установок и це­лых производств, функционирующих в критических ре­жимах, усиление и усложнение связей между отдельны­ми звеньями технологического процесса. В последнее время в развитии многих отраслей промышленности по­явились новые факторы, связанные не только с повыше­нием требований к количеству и качеству выпускаемой продукции, но и с напряженностью в области трудовых ресурсов. Рост производительности труда, в том числе пу­тем его автоматизации, становится практически единст­венным источником расширения производства. Указан­ные обстоятельства предъявляют новые требования к масштабам использования и к техническому уровню АСУ ТП, к обеспечению их надежности, точности, быстро­действия, экономичности, т. е. к эффективности их функционирования.

Еще одной важной предпосылкой применения АСУ ТП в промышленности является необходимость ре­ализации значительных потенциальных производствен­ных резервов. Заметим, что техническая база производства в большинстве отраслей промышленности достигла к настоящему времени такого уровня развития, при ко­тором эффективность производственного процесса са­мым непосредственным и существенным образом зави­сит от качества управления технологией и организации производства. Поэтому на первый план выдвигается за­дача оптимального управления технологическими процессами, решить которую без развитой АСУ ТП в большинстве случаев невозможно.

Однако следует иметь в виду, что создание АСУ ТП является сложной научно-технической и организацион­но-экономической проблемой, решение которой требует значительных и все возрастающих трудовых, матери­альных и финансовых ресурсов. Вследствие этого в ка­честве первоочередных выступают задачи наиболее эффективного использования капитальных вложений, правильного выбора направлений, установления очеред­ности и рациональных объемов работ по созданию и применению АСУ ТП. При их решении немаловажную роль играют обоснование, определение и анализ техни­ческой рациональности и экономической эффективности автоматизированных систем управления на основе еди­ных и научно обоснованных методических принципов.

Закономерность появления и отличительные призна­ки АСУ ТП станут более понятными, если рассмотреть хотя бы вкратце в историческом аспекте возникновение и развитие систем автоматизации промышленных объек­тов. Она прошла через несколько качественно различ­ных этапов. Как правило, переход к каждому из них был связан с появлением новых технических средств. В свою очередь эти средства разрабатывались в ответ на непре­рывно растущие требования практики управления, обус­ловленные усложнением процессов производства и ограниченностью возможностей человека как их непо­средственного участника.

Задача управления технологическими процессами возникла одновременно с появлением материального производства, т. е. процессов целенаправленного преоб­разования материи или энергии. Первоначально всю эту задачу решал человек, который, подавая определенные количества материала и энергии, одновременно «на глаз» оценивал ход процесса, при необходимости корректировал его и устанавливал момент завершения преобразования.

По мере усложнения производства требовалось более развитое и точное управление. В таких условиях ограниченность способностей человека, невозможность «на глаз» и «на ощупь» проконтролировать процесс производства были серьезным препятствием для даль­нейшего развития. Поэтому первыми помощниками человека стали различные контрольно-измерительные устройства.

На заре автоматизации человек вел технологический процесс, находясь возле местных контрольно-измери­тельных приборов, установленных непосредственно на оборудовании и работающих в прямом контакте с ма­териальными потоками. Эти средства давали ему воз­можность более точно и, главное, объективно оценивать работу технологического объекта и, следовательно, улучшать его использование.

Дальнейший рост мощностей и размеров оборудова­ния заставил задуматься о том, как освободить рабоче­го от утомительной задачи: все время находясь у работающих машин и аппаратов, следить за показа­ниями приборов и вручную осуществлять необходимые подстройки и переключения. В этой связи важным тех­ническим достижением явилось создание измерительных, регулирующих и исполнительных устройств с внешним источником энергии, в том числе исполнительных ме­ханизмов с пневматическим и электрическим приводом. Это позволило организовать посты контроля и дистанци­онного управления и широко применить автоматические регуляторы. В результате значительно улучшились усло­вия работы обслуживающего персонала: уменьшилась физическая нагрузка, более удобным стало рабочее место, благоприятнее стала и внешняя среда.

С освоением контрольно-измерительных и управляю­щих устройств с унифицированным выходным сигналом появилась возможность объединять местные посты в центральные щиты управления. Были разработаны и стали широко применяться так называемые мнемосхе­мы, на которых в изображение технологической схемы объекта встраивались приборы сигнализации и индика­ции. Применение мнемосхем значительно улучшило условия работы оператора. В связи с унификацией сиг­налов открылись новые пути для развития техники автоматизации, что привело к появлению агрегатных комплексов технических средств, а также центральных пунктов управления.

С введением унифицированных измерительных и управляющих сигналов, передаваемых на расстояние, пе­реработка информации была территориально отделена от технологического процесса. Она сконцентрировалась в центральном пункте управления, где были установле­ны соответствующие приборы: регуляторы, датчики, ключи управления, самописцы и т. д. Этих средств дли­тельное время было вполне достаточно для выполнения алгоритмов контроля и управления, предлагаемых тео­рией и удовлетворяющих запросам практики.

Таким образом, к концу рассматриваемого периода были достаточно полно автоматизированы действия по получению, сбору и представлению информации о со­стоянии отдельных технологических переменных объекта и по дистанционному осуществлению на него управляю­щих воздействий, т. е. два основных функциональных элемента системы управления. Оставался неавтоматизи­рованным третий элемент—принятие решений, без ко­торого эффективное управление любым объектом невозможно: располагая информацией об управляемом объекте, нужно ее использовать для проведения требу­емых вычислений, на основании которых необходимо

принять решение и осуществить управление технологи­ческим процессом.

Значительным подспорьем в решении этой задачи для человека-оператора служили автоматические регулято­ры; они освобождали его от необходимости ежеминутно принимать решения по управлению большим количест­вом стабилизируемых технологических переменных. Од­нако управление процессом в целом оставалось за оператором: практически трудно осуществить правиль­ное автоматическое взаимодействие большого числа ре­гуляторов, обеспечивающих раздельное регулирование параметрами в каждом контуре (участке) процесса, т.е. создать  взаимосвязанную систему  автоматического управления процессом как единым целым. По-прежнему оператор должен был принимать решения по управле­нию. относящиеся к взаимодействию многих контуров. Для этого он по показаниям измерительных приборов интуитивно производил необходимые оценки и вычисле­ния, принимал решения и осуществлял управляющие воздействия. Однако по мере усложнения процессов даже самые квалифицированные операторы перестали удовлетворительно справляться с этими задачами.

Чтобы яснее представить себе всю трудность стоя­щих перед каждым оператором задач, следует учесть, что при управлении современным промышленным объек­том к нему надо подходить как к единому целому, а не как к набору различных независимых элементов. Необходимо весь производственный процесс вести в некотором оптимальном режиме, при котором может быть получен надлежащий эффект управления. Важно также отметить, что системы управления, используемые в настоящее время в промышленности, часто принадле­жат к так называемым большим системам, т. е. харак­теризуются участием значительного числа людей, разно­образных машин и аппаратов, наличием связанных между собой достаточно сложных подсистем, обладаю­щих своими частными целями и критериями и, наконец, наличием развитой иерархии уровней управления: агре­гат—производство—предприятие.

Анализ подобных промышленных объектов и систем управления показывает, что для них характерны сле­дующие тенденции:

·       практически во всех отраслях промышленности наблюдается неуклонное возрастание единичной произ­водительности агрегатов; так, за последнее десятилетие мощность создаваемых энергоблоков тепловых электро­станций последовательно повышалась до 300, 500 и 800 МВт, а в последнее время превзошла 1 млн. кВт;

·       аналогичная картина укрупнения объектов наблюдается на предприятиях нефтеперерабатывающей, металлурги­ческой и других отраслей промышленности; как след­ствие увеличиваются важность и технико-экономическая результативность управления технологическими объек­тами;

·       соответственно интенсивно возрастает необходимая «мощность» применяемых систем контроля и управле­ния; иллюстрацией этой тенденции может служить рис. B.I, на котором показаны кривые изменения числа точек измерения и числа управляющих воздействий на объектах тепловых электростанций за последние 20 лет (по данным 12 зарубежных электростанций); если 6 1965 г. число измеряемых сигналов не превышало в среднем 500, то в 1975 г. оно уже приближалось к 3000; число управляющих сигналов за этот же период времени возросло с 500 до 2000; эти цифры наглядно показывают изменение масштабов управления крупными технологическим объектами;

·       в последнее время коренным образом изменяются взгляды на значение энергетических ресурсов, экономию топлива, роль человека в производстве и на защиту окружающей среды; в ре­зультате происходит су­щественное   повышение требований к качеству ведения технологических процессов;

·       по мере повышения степени автоматизации производства происходит естественный процесс во­влечения все новых и 'но­вых агрегатов и участков в сферу действия центра­лизованного управления.

Этот процесс диктуется экономическими соображениями: оптимизация работы отдельного агрегата или отдельной установки не гаран­тирует максимального экономического эффекта для производства в целом; оптимум для него чаще всего достигается при некотором компромиссе между частны­ми критериями оптимизации. В результате этого растет, однако, степень взаимосвязанности отдельных агрегатов и усложняются алгоритмы управления объектом в це­лом; возникают задачи создания интегрированных систем управления. Все это приводит к резкому услож­нению задач управления.

В таких условиях и возникла проблема автоматиза­ции собственно управления, т. е. процесса принятия решений, которая потребовала привлечения современ­ных математических методов и новых технических средств. В результате появились автоматизирован­ные системы управления, т. е. развитые челове­ко-машинные системы, реализующие такой автоматизи­рованный процесс сбора и переработки информации, ко­торый необходим для принятия решений по управлению объектом (процессом, производством) в целом. При этом роль человека в любой АСУ весьма существенна: так как ряд ответственных задач принятия решений в силу их сложности, многогранности и не изученности не под­дается формализации, их выполнение не может быть полностью автоматизировано и остается за человеком.

По мере развития отмеченных выше тенденций стало очевидно, что функциональные возможности традици­онных средств автоматизации в сфере переработки информации уже недостаточны. И тогда на первый план вышла электронная вычислительная машина (ЭВМ). Она сразу взяла на себя практически все функции слож­ной первичной обработки данных и централизованного контроля, а также рутинную задачу ведения отчетности (составления протоколов) о работе технологического объекта, ставшую в усложнившемся производстве обя­зательной. Но это было только начало. Поскольку ЭВМ стоила слишком дорого, разработчики систем управле­ния старались возложить на нее как можно больше функций. В этой ситуации стремление автоматизировать процессы принятия решений помогло быстро осознать значение новых функциональных возможностей ЭВМ во многих направлениях.

В результате средства вычислительной техники стали не только разгружать человека от выполнения рутинной нетворческой работы, связанной с большим числом про­стых операций по обработке крупных массивов инфор­мации, но и оказывать ему помощь в выполнении твор­ческих задач (принятие решений по распределению ограниченных ресурсов, оптимизации технологического процесса и т. п.).

Важно отметить, что по мере повышения степени автоматизации принятия решений, необходимых для управления отдельными технологическими аппаратами и участками, последние теряют значение самостоятель­ных объектов управления и сливаются во все более крупные производственные комплексы. В результате появились мощные централизованные системы управле­ния, в которых с помощью ЭВМ концентрируются контроль и управление большим числом агретов. По­нятно, что в такой системе оператор-технолог как звено, принимающее  наиболее ответственные решения по управлению всем объектом в целом, играет исключи­тельно важную роль.

Как уже отмечалось, основным инструментом для решения современных проблем управления материаль­ным производством служат так называемые АСУ, в ко­торых центральная, главенствующая роль и творческие способности человека сочетаются с широким применени­ем современных математических методов и средств ав­томатизации, включая вычислительную технику.

В  соответствии с государственным  стандартом АСУ—это человеко-машинная система, обеспечиваю­щая автоматизированный сбор и обработку информации, необходимой для оптимизации управления в различных сферах человеческой деятельности. Процесс оптимиза­ции предполагает выбор такого варианта управления, при котором достигается минимальное или максималь­ное значение некоторого критерия, характеризующего качество управления.

Как правило, общий критерий экономической эффек­тивности управления технологическим процессом непри­меним из-за сложности определения необходимых коли­чественных зависимостей в конкретных условиях; в та­ких случаях формируют частные критерии оптимально­сти, учитывающие специфику управляемого объекта и дополненные условными ограничениями. Такими частны­ми критериями, например, могут быть:

·       максимальная производительность агрегата при опре­деленных требованиях к качеству продукции, условиях эксплуатации оборудования и т. д.;

·       минимальная себестоимость при выпуске продукции в заданном объеме и заданного качества;

·       минимальный расход некоторых компонентов, напри­мер дорогостоящих присадок или катализатора.

Чтобы добиться желаемого (в том числе оптимально­го) хода технологического процесса, в системе управле­ния им необходимо в нужном темпе выполнять множест­во различных взаимосвязанных действий: собирать и анализировать информацию о состоянии процесса, реги­стрировать значения одних переменных и стабилизиро­вать другие, принимать и реализовывать соответствую­щие решения по управлению и т. д. Именно эта «дея­тельность» системы управления была ранее названа функционированием, т. е. выполнением ею установлен­ных функции.

 

2.     Что такое комплексная задача управления и в чем состоит проблема ее декомпозиции?

 

Функция управления в сложных системах осуществляется управ­ляющей частью А с которой взаимодействует остальная управляемая часть В (рис. 1)


Как видно из структуры система состоит из управляющих   устройств и управляемых объектов. Такое выделение приводит  к  упрощению исследования системы.                               

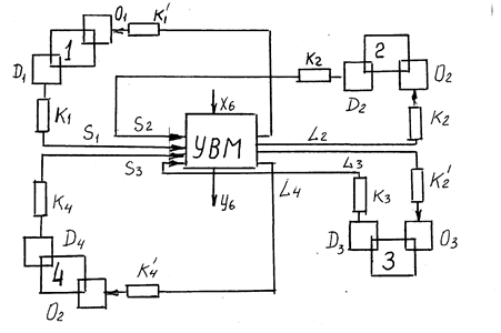
Для управления современными объектами используется большое количество элементов (подсистем). Совокупность элементов, участвующих в управлении называется управляющим комплексом. Типичный управляющий комплекс состоит из элементов следующих типов (рис. 2):  D – датчики осведомительной информации; S – средства передачи информации; L- управляющие элементы; O – органы управления;- k, k1 - различные преобразующие и переходные устройства

Рис. 2

Роль элемента каждого типа в процессе функционирования ясна из его названия.

Управление сложной системой может быть централизованным

и децентрализованным. Централизованное управление предполагает концентрацию функций управления в одном центре сложной системы. Такая структура обладает рядом достоинств: I) позволяет доста­точно просто реализовать процессы информационного взаимодейст­вия; 2) создает принципиальную возможность глобально-оптималь­ного управления системой в целом; 3) исключает необходимость в пересылках промежуточных результатов; 4) позволяет легко кор­ректировать оперативно-изменяемые данные; 5) дает возможность достигнуть максимальной эксплуатационной эффективности при ми­нимальной избыточности технических средств.

С системотехнической точки зрения основными недостатками структуры с единым управлением являются: необходимость исключи­тельно высокого объема запоминающих устройств, высокой произво­дительности и надежности средств обработки данных для достиже­ния приемлемого качества управления; высокая суммарная протя­женность каналов связи при наличии территориально-рассредоточенных объектов управления.                   

Децентрализованное управление - распределение функций уп­равления по отдельным элементам системы. Построение системы с такой структурой возможно только в случае независимости объек­тов управления по материальным, энергетическим, информационным ресурсам. Для выработки управляющего воздействия на каждый объект необходима информация о состоянии только этого объекта. Фактически такая система представляет собой совокупность нес­кольких независимых систем со своей информационной и алгоритми­ческой базой.

Процесс управления значительно упрощается при использовании системы управления с иерархической структурой. Для управления иерархической структуры характерно наличие нескольких уровней. управления. Типичным примером систем такого рода является адми­нистративное управление. На рис-3 приведены классы структур.


3.     Приведите примеры систем управления Запасами?

 

Задачи управления запасами составляют самый распространенный и изученный в настоящее время класс задач исследования операций. Они обладают следующей особенностью. С увеличением запасов уве­личиваются расходы на их хранение, но уменьшаются потери из-за возможной их нехватки. Следовательно, одна из задач управления запасами заключается в определении такого уровня запасов, кото­рый минимизирует следующий критерий: сумму ожидаемых затрат по хранению запасов, а также потерь из-за их дефицита.

В зависимости от условий задачи управления запасами делятся на следующие три группы:

1. Моменты поставок или оформления заказов на пополнение запа­сов фиксированы. Определить объемы производимой или закупаемой партии запасов.

2. Объемы производимой или закупаемой партии запасов фикси­рованы. Определить моменты оформления заказов.

3. Моменты оформления заказов и объемы производимых или за­купаемых партий не фиксированы. Определить эти величины, исходя из сформулированного выше критерия.

Задачи управления запасами составляют самый многочисленный класс экономических задач исследования операций, решение которых имеет важное народнохозяйственное значение. Особенно повышается значение этих задач в период массового внедрения АСУ. Правильное и своевременное определение оптимальной стратегии управления запа­сами, а также нормативного уровня запасов, позволяет высвободить значительные оборотные средства, замороженные в виде запасов, что в конечном счете повышает эффективность используемых ресурсов. Достаточно в этой связи упомянуть первую АСУП в нашей стране — систему «Львов», внедренную на Львовском телевизионном заводе, где значительная составляющая экономической эффективности от внедрения АСУП, определялась в результате оптимального управле­ния запасами предприятия.

Элементы системы задачи управления запасами следующие:

1) система снабжения; 2) спрос на предметы снабжения; 3) возмож­ность пополнения запасов; 4) функции затрат; 5) ограничения; 6) при­нятая стратегия управления запасами.

Рассмотрим подробнее каждый из этих элементов. Системы снабжения бывают: децентрализованные однокаскадные;

централизованные многокаскадные.

Спрос на предметы снабжения бывает: стационарный или не­стационарный; детерминированный или случайный.

Различают такие способы пополнения запасов:

мгновенная поставка; задержка поставок на фиксированный интервал времени; задержка поставок на случайный интервал времени.

Функции затрат составляют в совокупности критерий эффективности принятой стратегии управления запасами и учитывают расходы на хранение, стоимость поставок, затраты, связанные с за­казом каждой новой партии, затраты на штрафы.

Приведем возможные варианты составляющих функции затрат.

Расходы на хранение бывают: пропорциональные среднему уровню положительного запаса за период времени сущест­вования положительного запаса; пропорциональные остатку к концу периода; нелинейная функция среднего положительного запаса и вре­мени его существования.

Стоимость поставки бывает: пропорциональной объему поставки; постоянной; пропорциональной числу номенклатур; про­порциональной необходимому приросту интенсивности производства.

Штрафы бывают таких видов: пропорциональные средней по­ложительной недостаче за период; пропорциональные положительной недостаче к концу периода; постоянные; нелинейные функции от сред­ней недостачи и продолжительности ее существования.

Ограничения в задаче управления запасами бывают: на максимальный объем запасов; на максимальный вес; на максимальную стоимость; на среднюю стоимость; на число поставок в заданном интер­вале времени; на объем поставки; на вероятность недостачи.

Рассмотрим некоторые модели.

а). Модель управления запасами.

Возникновение задачи управления запасами обусловлено взаимо­действием двух сторон: поставщика и заказчика.

Оптимальное управление запасами сводится к решению заказчи­ком оптимизационной задачи по определению наивыгоднейшего объема и времени (момента) заказа, которые минимизируют расходы на хранение запасов и штраф за срыв поставок потребителю готовой про­дукции.

В условиях предприятия возможны три основных типа запасов, обусловленных разным содержательным смыслом понятий "поставщик" и "заказчик" в пределах одного предприятия.

Это следующие типы запасов.

1. Запасы сырья, материалов и комплектующих изделий, которые необходимы для производства конечного продукта предприятия.

2. Промежуточные запасы полуфабрикатов, производимых самим предприятием, которые используются на последующих стадиях произ­водства.

3. Запасы готовой продукции предприятия.

При создании запасов первого типа заказчиком является пред­приятие в целом, а поставщиком внешние организации. Основное наз­начение этого вида запасов - ослабить зависимость производствен­ного ритма предприятия от сбоев в работе предприятий поставщиков и работы транспорта. Задача управления запасами первого типа ре­шается в подсистеме материально-технического снабжения.

Для запасов второго типа поставщиком и заказчиком являются разные участки самого предприятия. Назначение запасов этого типа обусловлено двумя основными факторами:

а) стремлением ослабить зависимость производственного ритма различных участков производства (например, цехов) при цепочечной структуре предприятия, ибо задержка на одном участке влечет ла­винообразное нарастание задержек в последующих участках цепи, что вызывает простои и, как следствие, существенные экономические потери;

б) экономической целесообразностью выпуска продукции данного вида крупными партиями (переход с одного вида продукции на другой связан с переналадкой оборудования или изменением режима техно­логического процесса). Для запуска в производство очередной партии продукции данного вида необходимо иметь начальный запас.

Задача управления запасами второго типа решается в подсисте­ме оперативного управления основным производством.

Для запасов третьего типа поставщиком является предприятие в целом, а заказчиком - потребитель готовой продукции предприя­тия. Необходимость создания запасов этого типа связана с тем, что предприятие в случае срыва плана поставок готовой продукции подвергается штрафу. Поэтому целесообразно иметь некоторый запас готовой продукции, который мог бы компенсировать непредвиденные сбои в производственном ритме предприятия и естественные коле­бания спроса на готовую продукцию.

Рассмотрим основные понятия, используемые в операционной модели управления запасами:

Q1 - объем пополняемого запаса (объем заказываемой партии),шт.

U - скорость поступления заказанной партии, шт./ед. вр.;

возможно U = ∞, т.е. мгновенное поступление всей партии Q  ;

V - скорость расходования запаса, шт./ед. вр.;

tQ  - интервал между соседними заказами, ед.вр.;

Т - рассматриваемый (плановый) период времени, ед. вр.

Рассмотрим издержки, связанные с созданием и содержанием запаса. Эти издержки можно сгруппировать следующим образом:

1) затраты на создание Запаса;

2) затраты на закупку партии;

2) затраты на хранение запасов.

Затраты на создание запаса включают расходы на оформление заказа, размещение и заключение договоров, почтовые и телеграф­ные расходы, расходы по разъездам агентов снабжения, оплату учет­ных оверашй и т.д. В первом приближении можно считать, что зат­раты на создание запаса не зависят от объема заказа Q.  Обозна­чим затраты на создание запаса a , руб.

Затраты на закупку партии определяются закупочными ценами единицы запасаемого продукта и объемом партии Q   . Затраты этого вида неизбежны в том случае, если необходимый продукт неп­рерывно поставляется и тут же потребляется без образования запа­са. Поэтому эти затраты не участвуют собственно в модели созда­ния и содержания запасов.

3 затраты на хранение запасов входят расходы на складские операции; амортизационные расходы использования складского помещения; потери за счет омертвления средств при хранении запаса; потери за счет порчи и морального старения хранящегося продукта; загрузочно-разгурочные, транспортные расходы и т.д. Пусть рас­ходы на хранение единицы продукта в единицу времени составляют b руб./ед.вр. Обозначим расходы в течение цикла tQ на создание и хранение единицы продукта С. ,руб./шт. Эта величина складывается из затрат на создание в запас единицы продукта (1-я группа) и затрат на хранение единицы продукта (3-я группа).

Пусть за период Т можно произвести несколько заказов на однородный продукт с объемом каждого заказа Q. Если размер разового заказа велик, то число поставок за период Т  неболь­шое, и издержки 1-й группы невелики, но при этом возрастает среднее количество хранимого запаса и возрастают затраты 3-й группы.

Если же делать заказы малыми партиями, то затраты на хране­ние небольшого запаса будут велики, но зато из-за большого коли­чества поставок в течение периода  Т   возрастут затраты на оформление большого числа заказов (издержки 1-й группы). Таким образом, задача определения наилучших значений Q и tQ яв­ляются оптимизационной и суть ее сводится к отысканию оптимальных значений Q и tQ, минимизирующих суммарные расходы на соз­дание и хранение запасов за весь плановый период Т

Рассмотрим задачу определения значений  Qo и tQ - для двух моделей: для модели без страховых запасов и для модели со страховыми запасами.

Модель без страховых запасов

Предполагается, что U и V ( u>V) - постоянные вели­чины, и в момент полного исчерпания запасов начинается новая поставка, т.е. дефицит продукта не допускается. Графически дейст­вие такой модели изображено на рис.3.1.

Уровень запасов в течение полного цикла tQ движения запа­сов, начинающийся в момент времени t = 0 можно описать следующим образом:

                              (3.1.)

   


Примем во внимание следующие очевидные соотношения:

                    (3.2.)

где Q  - объем заказа.

    С учетом (3.2) выражение (3.1) можно переписать в виде

                                              (3.3.)

Определим средний объем запаса Q за цикл - tQ:

    (3.4.)

Тогда среднее время хранения единицы запасенного продукта равно

Пусть b, руб./(шт.ед.вр.), есть затраты на хранение единицы продукта в единицу времени. Тогда за цикл tQ удельные затра­ты на хранение единицы запасенного продукта, руб./шт., составят

                    (3.5.)

Удельные затраты на создание в запас единицы продукта,руб./шт., равны

                                   (3.6.)

Тогда суммарные расходы на создание и хранение единицы запаса, руб./шт., в течение цикла tQ составят

                                      (3.7.)

Если изобразить графически зависимость затрат на создание и содержание запасов от объема заказа Q (рис.3.2), то нетрудно убедиться, что суммарная кривая C(Q)   имеет экстремум, поло­жение которого определяется соответствующими значениями величин правой части соотношения (3.7). Определим оптимальный объем заказываемой партии Q0.    из условия

                      (3.8.)

Решая (3.8), получим

                    (3.9.)

Если постановка осуществляется мгновенно, т.е. l= 0 и U = ¥,  оптимальный объем пратии равен

                                           (3.10.)

Из сопоставления (3.10) и (3.9) следует, что при постепенной поставке заказа объем заказываемой партии должен быть больше.

Величина удельных дополнительных расходов при оптимальном объеме заказа q0   равна

                      (3.11.)

Наконец, оптимальная величина интервала между соседними зака­зами составляет

               (3.12.)

Модель со страховым запасом

Графически действие этой модели изображено на рис.3.3., Прив­лекая рассуждения, которые использовались при рассмотрении пре­дыдущей модели, нетрудно получить следующие результаты. Средее количество запаса Qср за цикл tQ составит

     (3.13)


При постоянной скорости расходования запасов V среднее время хранения единицы запасенного продукта равно

               (3.14.)

Это выражение отличается от значения tсp   для предыдущей модели наличием постоянного слагаемого Qcp/V . За цикл tQ   удельные затраты на хранение единицы запасенного продук­та, руб./шт., определяются по формуле

            (3.15.)

Удельные затраты за цикл на создание в запас единицы продукта, руб./шт., равны по-прежнему

         (3.16.)

В (3.16) не входят расходы на образование QCTP, поскольку стра­ховой запас создается однажды и циклически не возобновляется. Дополнительные расходы на запасание и хранение единицы, руб./шт., для заказа объемом  Q   составляют

      (3.17.)

Переменная С.   в (3.17) имеет экстремум по Q   и величина экстремального значения C0 , очевидно, отличается от (3.11) на постоя ную величину bQстр/V

Приравняв нулю производную dc/dQ,   , получим:

откуда                                                  (3.18.)

Следовательно, оптимальный объем заказываемой партии в модели со страховым запасом такой же, как и для модели без страхового запаса. Это означает, что и выражение для оптималвного интервала восполнения заказов имеет прежний вид

               (3.19.)

Величина удельных дополнительных расходов   Cо    , соответствую щих Q0 равна

               (3.20.)

что отличается лишь постоянным слагаемым bqстр/V от расхо­дов для модели с

нулевым страховым запасом.

В модели страховых запасов весьма существенным является воп­рос определения оптимального уровня страхового запаса Qoстр Для определения Qстр необходимы предположения о вероятност­ном поведении задержек пополнения запасов Dt  и потерях за­казчика в результате этих задержек.

Предположим, что задержка Dt  в выполнении данного заказа не зависит от задержек выполнения других заказов. Кроме того, предположим, что вероятность того, что эта задержка превзойдет время  t , выражается экспоненциальной зависимостью, т.е.

Тогда

Плотность вероятности случаной величины  Dt имеет вид

Для экспоненциального распределения ,  ед. вр. и, следовательно, g   выражается в 1/ед. вр. Физически пара­метр  g  соответствует среднему количеству задержек в еди­ницу времени, а величина 1/g  есть средняя продолжительность задержки Dt  . Предположим далее, что потери заказчика в еди­ницу времени простоя равны В  руб,/ед.вр.

Время, в течение которого хватит страхового запаса для работы с прежним расходом V , равно

Если задержка  Dt > tстр , то заказчик начинает нести потери вследствие простоя. Величина этих потерь равна В(t-tстр). Величина средних потерь заказчика вследствие простоев опреде­ляется математическим ожиданием случайной величины которое можно представить в виде

Рис. 3.4

Плотность вероятности случайной величины   Dt > tстр изобра­жена на рис.3.4. Следовательно, для В можно записать

В расчете на единицу заказанного продукта удельные средние по­тери, руб./шт., вследствие простоев равны

Дополнительные удельные расходы, руб./шт., на хранение единицы страхового запаса есть

Таким образом, общие удельные (на единицу продукта) расходы по хранению страхового запаса плюс средняя величина удельных потерь за счет возможных задержек выполнения заказов определяются вы­ражением

Из условия   можно найти оптимальную величину стра­хового запаса

Ясно, что размер потерь от простоя объекта в единицу времени должен превышать расходы на хранение запаса объема Q0 в единицу времени, иначе бы эксплуатация объекта стала делом не­выгодным, а величина страхового запаса Qctp0  получилась бы отрицательной.

Кроме рассмотренных возможны и более сложные модели обра­зования запасов, например: при различных уровнях оптовых заку­почных цен; при ограничениях на оборотные средства, размер складов; при необходимости создавать многономенклатурные запасы;

при вероятностном характере спроса и потребления запасаемого, продукта и т.д.        

4.     Достижение каких целей преследуется при оперативном управлении?

 

Цели и задачи оперативного управления производством. Эффект от автоматизации оперативного управления. Информационное обеспечение оперативного управления. Постановка задачи опера­тивного управления как выдачи составления расписаний. Критерии оптимизации расписаний. Задача составления расписаний как ком­бинаторная задача. Методы решения задачи составлений расписаний.

    Оперативное управление представляет собой процесс времен­ной и пространственной организации производства. Структурно-оперативное управление подразделяется на три группы задач, взаимосвязь между которыми образует иерархическую трехуровне­вую структуру.

    На третьем (нижнем) уровне решаются задачи управления отдельными технологическими операциями и их элементами, напри­мер, поддержание режимов резания металла в металлообрабатываю­щих системах, выполнение движения робота, обеспечение заданных параметров движения транспортных средств, конвейерной ленты транспортеры и т.д.

    Как правило, в автоматическом режиме эти функции выпол­няются регуляторами, являющимися элементами систем автоматичес­кого управления.

На втором этапе решаются задачи локального управления оборудования, основные функции которых заключаются в выполне­нии последовательности технологических операций в соответствии с заданной программой (логическое управление). Программа со­держит такую информацию о значениях технологических параметров операций, которые используются регуляторами третьего уровня.

    На первом (верхнем) уровне решаются задачи управления материальными потоками, проходящими через технологическое подразделение.

    Можно выделить три основные задачи оперативного управле­ния: оперативное (календарное) планирование, задача составле­ния расписаний, оперативный контроль и корректировка планов.

5.     Как разрешаются конфликты в двухуровневой системе?

 

Понятие многоуровневой иерархической структуры управления нельзя определить одной сжатой краткой формулировкой. Исчер­пывающее определение потребовало бы перечисления всех возмож­ных альтернатив. Поэтому мы отметим лишь несколько существен­ных характеристик, присущих всем иерархическим системам. К ним относятся: последовательное вертикальное расположение под­систем, составляющих данную систему (вертикальная декомпози­ция) ; приоритет действий или право вмешательства подсистем верхнего уровня; зависимость действий подсистем верхнего уров­ня от фактического исполнения нижними уровнями своих функций.

Существуют три основных вида описания сложных иерархических систем характеризующиеся уровнями абстрагирования:

страта, слой, эшелон. Стратифицированное описание или страти­фицированная система задается семейством моделей, каждая из которых описывает поведение системы с точки зрения различных уровней абстрагирования.

Выбор страт, в терминах  которых описывается система, зависит от исследователя, его знаний и заинтересованности в деятельности системы. В общем случае стратификация неразрывно связана с интерпретацией производимых системой действий. Ас­пекты описания функционирования системы на различных стратах в общем случае не связаны между собой, поэтому принципы и законы, используемые для характеристики системы на любой страте, в общем случае не могут быть выведены из принципов, используемых на других стратах. Существует ассимметричная зависи­мость между условиями функционирования системы на различных стратах. Требования, предъявляемые к работе системы на любой страте, выступают как условия или ограничения деятельности на нижестоящих стратах.

На каждой страте имеется свой собственный набор терми­нов, концепций и принципов. Понимание системы возрастает при последовательном переходе от одной страты к другой: чем ниже мы спускаемся по иерархии, тем более детальным становит­ся раскрытие системы, чем выше мы поднимаемся, том яснее становится смысл и значение всей системы.

Другое понятие иерархического подхода относится к про­цессам принятия сложных решений. Почти в любой реальной си­туации принятая сложных решений существуют две предельно простые, но чрезвычайно важные особенности:

- когда приходит время принимать решения, принятие и вы­полнение решения нельзя откладывать;

- неясность относительно  последствий различных альтерна­тивных действий и отсутствие достаточных знаний о имеющихся связях препятствуют достаточно полному формализованному опи­санию ситуации, необходимому для

рационального выбора дей­ствий.

Для решения сложной задачи принятия решения, последняя расчленяется (декомпозируется) на более мелкие подпроблемы, так что решение всех подпроблем позволяет решить исходную проблему. Такая иерархическая структура называется иерерхической структурой слоев принятия решения. Иерархическая структура состоит из трех уровней (слоев).

1. Слой выбора. Задача этого слоя - выбор способа действий m. Принимающий решение элемент на уровне этого слоя получает информацию, применяя тот или иной алгоритм переработки, находит нужный способ действий.

2. Слой адаптации. Задача этого слоя - конкретизация множества неопределенностей U , с которым имеет дело слой выбора. Назначение второго слоя - сужение множества неоп­ределенностей.

3. Слой самоорганизации. На уровне этого слоя проис­ходит выбор структуры, функций и стратегий будущей системы. Многоуровневая организационная иерархия подразумевает, что:

I. Система состоит из семейства четко выделенных взаимо­действующих подсистем;                  

2. Некоторые из подсистем являются принимающими решения, элементами;

3. принимающие решения элементы располагаются иерархически в том смысле, что некоторые из них находятся под влиянием или управляются другими решающими элементами.

Каждая из трех приведенных форм описания иерархических структур имеет свою область.

Применение: концепция страт введена для целей моделиро­вания, концепция слоев - для вертикальной декомпозиции решае­мой задачи над подзадачи, концепция эшелонов относится к взаим­ной связи между образующие систему элементами принятия решения,

Несмотря на различие, существуют и общие для всех трех понятий черты:

1. Элемент верхнего уровня имеет дело с более крупными подсистемами или с более широкими аспектами поведения системы в целом.

2. Период принятия решения для элемента верхнего уровня больше, чем для элементов нижних уровней.

3. .Элемент верхнего уровня имеет дело с более медленными аспектами поведения всей системы.

4. Описания и проблемы на верхних уровнях менее структурированы, содержат больше неопределенностей и более трудны для количественной формализации.

Для теории многоуровневых систем двухуровневая система принятия решений представляет специфический интерес:

1. это простейший тип систем, в котором проявляются все наиболее существенные характеристики многоуровневой системы;

2. более сложные многоуровневые системы могут быть построе­ны из двухуровневых подсистем, как из блоков.

Взаимодействие между вышестоящим элементом и каждым из нижестоящих элементов таково, что действие одного из них зависит от действий другого, причем эти взаимоотношения являются динами­ческими и изменяются во времени.

Существуют два возможных момента времени для координации нижестоящих элементов:

1. вмешательство до принятия решения;

2. вмешательство после принятия решения и следующие варианты организации взаимодействия элементов нижестоящего уровня:

- координирование путем прогнозирования взаимодействий;

- координирование путем оценки взаимодействий;

- координирование путем "развязывания" взаимодействий;

- координирование типа "наделение ответственностью";

- координирование путем "создания коалиций".

Координация, сама представляющая собой сложную для решения проблему, имеет два сложных направления: направление самоорганизации (изменение структуры) и направление управления (выбор координирующего вмешательства при фиксированной струк­туре) .

Изменения функции и взаимосвязей в результате самоорга­низаций, используемых в процессе координации называется мо­дификацией. Различают два вида модификаций: модификация целей и модификация образов (для выбранного способа координации).

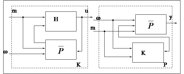
Проблему координации в многоуровневой системе с достаточ­ной общностью можно рассмотреть на примере двухуровневой сис­темы (рис.5.1.), где приняты следующие обозначения.


Рис. 5.1

Р – процесс (управляющая система)

С1…Сn – системы управления нижнего уровня

С0 – управляющая система (координатор)

m(m(M) - управляющие сигналы (входы)

M - множество управляющих сигналов               •

w(wÎW ) - сигналы входы, представляющие собой внешние воз­мущения, поступающие из среды

у( у( Y)  - выход процесса Р

 У - множество входов процесса Р

g(gÎj)  - координирующий сигнал

Zi  - множество информационных сигналов (сигналов обрат­ной связи).

Тогда в системе выполняются следующие соотношения в виде отображения P:

M x W ® Y; Ci: j x Zi ®Mi; C0:V®j;

¦i : M x W x Y® Zi; ¦0 : j x Z x M® w

С учетом полученных отображений можно записать уравнение функции взаимодействия подпроцессов

K(m, w)=H(m,P(m, w))

P(m, w)=(m,k(m, w),w)

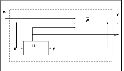
Взаимосвязь между процессом Р и "развязанными" подпроцессами, представленными блоком Р и связующими функциями по­казана на рис.5.2.

Рис.5.2

Сделаем несколько замечаний относительно процесса и его представления через процессы.

1. Каждая локальная управляющая система C1,C2…Cn заинтересована главным образом в каком нибудь одном направ­лении процесса, хотя окончательный результат ее действий зависит от всего процесса.

2. Связующие функции Hi  предопределяют характер деком­позиции процесса, и обычно их следует выбирать по возможности простыми.

3. Функция взаимодействия К отражает весь процесс Р, так как для любого управляющего сигнала  m  и возмущающего воздействия W, к- определяет (поскольку k(m,w)=U связующие сигналы, которые поступают на вход подпроцессов Pi и кроме того, U = H(m,P(m,w) К может также рассматриваться как отображение подпроцесса. Рис.5.3


Рис. 5.3

Управляющая система рассматривается как система, сос­тавленная решающих элементов и реализаторов, связанных каскадно и может рассматриваться как задача межуровневой координации. Для рассмотрения данного раздела следует вос­становить основные понятия алгебраической теории множеств.

 

6.     Как нумеруются вершины сетевого графика?

Сетевой график - графическое изображение се­тевой модели комплекса операций в виде стрелок и кружков.

Порядок построения сетевых графиков определяется принятой технологией и организацией работ.

Сетевые графики только отражают существующую или проектируемую очередность и взаимосвязь выпол­нения работ. При построении сетевой модели необходимо учитывать определенные требования.

Эти требования являются общими для всех сетевых моделей.

Первое: Никакая работа не может быть начата, пока все предшествующие ей работы не будут завершены.

Второе: в сетевых графиках с ориентацией на события (работы) в каждое событие должно входить и исходить из него не менее одной работы. Не допустимы тупиковые события, из которых не выходит ни одна работа или в которые не входит  ни одна работа.

Третье: в сетевом графике не должно быть замкнутых контуров.

Четвертое: для построения параллельных, одновременно выпол­няемых работ в сетевых графиках с ориентацией на события следует вводить дополнительное событие и фиктивную работу.

Пятое: для изображения двух дифференцированно зависимых работ необходимо в сетях расчленить данные работы путем ввода дополнительного события и указать их точную зависимость от пред­шествующих работ дополнительной фиктивной работой.

Шестое: в условиях сложной работы, когда выполнение какой/то ее части позволяет начать одну или несколько других работ, сле­дует данную работу разделить на последовательно выполняемые, от которых берут начало другие работы.

Задачи

1.     Предприятию требуется в год 56000 деталей определенного типа, используемых как комплектующие изделия. Поставщики могут поставить ежедневно 400 деталей. Расходы на оформление заказов на отдельные партии деталей составляют 650 руб. Стоимость хранения 1000 деталей в месяц — 600 руб.

Требуется определить оптимальный объем затариваемой партии деталей Q0 , дискретность возобновления заказов  и суммарные годовые расходы Сå за счет создания и содержания запасов

Дано:

 

А = 56000

В = 400

С = 650

Д = 1000

Е = 600

Решение:

В рассмотренных понятиях условия задачи выглядит следующим образом:

Период Т = 1 год; расходы на хранение одной детали в месяц b = 0,6 руб./дет. мес.; скорость расходования деталей V = 56000/12 = 4666 дет/мес.; скорость поставки деталей

U = 400 * 30 = 12000 дет. мес.

Определим оптимальный размер заказа:

 дет.

Оптимальный интервал между соседними заказами:

 мес.

Удельные суммарные расходы на создание и удержание запасов:

 руб./дет.

Суммарные годовые расходы на оборудование и хранение запасов:

Сå = 0,396 · 56000 = 221 95 руб./год.

 

 

2.     Предприятие в течение года потребляет «А» комплектующих изделий определенного типа. Поставщик ив течении декады может поставить «Б» изделий, однако в среднем на протяжении квартала допускается «В» отклонений от графика поставок. Суточный простой обходится предприятию в «Г» руб. Содержание «Д» изделий на складе в течение месяца обходится в «Е» руб. Чтобы уменьшить потери от простоев, предприятие создает страховые запасы. Необходимо определить оптимальный объем страхового запаса и суммарные расходы на содержание запасов в течение года, если оформление заказа обходится в «Ж» руб.

Дано:

 

А = 56000 изд.

Б = 2600 изд.

В = 30 откл.

Г = 10400 руб.

Д = 2 5 изд.

Е = 0,6 руб.

Ж = 80 руб.

Решение:

 

В приняты обозначениях условие задачи можно представить следующим образом:

Скорость расходования запаса:

шт./мес.

Скорость поставки запаса

 шт./мес.

 Среднее количество задержек в ед. времени

 и

 

руб./ мес.

руб./шт. мес.

а = 80 руб.

Определим оптимальный объем заказа:

 шт.

Определим оптимальный цикл:

 мес.

Определим оптимальную величину страхового запаса:

 шт.

Определим величину удельных дополнительных затрат:

 руб./ист.

Суммарные затраты за год:

 руб.


© 2012 Рефераты, курсовые и дипломные работы.