рефераты
Главная

Рефераты по рекламе

Рефераты по физике

Рефераты по философии

Рефераты по финансам

Рефераты по химии

Рефераты по хозяйственному праву

Рефераты по цифровым устройствам

Рефераты по экологическому праву

Рефераты по экономико-математическому моделированию

Рефераты по экономической географии

Рефераты по экономической теории

Рефераты по этике

Рефераты по юриспруденции

Рефераты по языковедению

Рефераты по юридическим наукам

Рефераты по истории

Рефераты по компьютерным наукам

Рефераты по медицинским наукам

Рефераты по финансовым наукам

Рефераты по управленческим наукам

Психология и педагогика

Промышленность производство

Биология и химия

Языкознание филология

Издательское дело и полиграфия

Рефераты по краеведению и этнографии

Рефераты по религии и мифологии

Рефераты по медицине

Рефераты по сексологии

Рефераты по информатике программированию

Краткое содержание произведений

Реферат: Измерение параметров АЦП

Реферат: Измерение параметров АЦП

Министерство общего и профессионального образования РФ

-------------------------------------------------------------------------------------------------------

Новгородский Государственный Университет

им. Ярослава Мудрого


кафедра ФТТиМ


Контроль параметров АЦП

Реферат по дисциплине:

Испытания изделий электронной техники.


Выполнил:

Студент группы 4031

_______Галинко В.Ю.

«___»_____________1999


Проверил:

Преподаватель каф. ФТТиМ

_______Крутяков.Л.Н.

«___»_____________1999


Новгород

1999

Содержание


Введение

3

1. Основные структуры ИМС АЦП

4

2. Характеристики ИМС АЦП

7

3. Контроль статических параметров ИМС АЦП

13

4. Контроль динамических параметров ИМС АЦП

19

Список использованных источников

23


Введение

Цифро-аналоговые и аналого-цифровые преобразовате­ли АЦП находят .широкое применение в различ­ных областях современной науки и техники. Они являют­ся неотъемлемой составной частью цифровых измери­тельных приборов, систем преобразования и отображе­ния информации, программируемых источников питания, индикаторов на электронно-лучевых трубках, радиоло­кационных систем, установок для контроля элементов и микросхем, а также важными компонентами различных автоматических систем контроля и управления, устройств ввода—вывода информации ЭВМ. На их основе строят преобразователи и генераторы практически любых функ­ций, цифроуправляемые аналоговые регистрирующие устройства, корреляторы, анализаторы спектра и т. д. Велики перспективы использования быстродействующих преобразователей в телеметрии и телевидении. Несом­ненно, серийный выпуск малогабаритных и относительно дешевых АЦП еще более усилит тенденцию про­никновения метода дискретно-непрерывного преобразо­вания в сферу науки и техники. Одним из стимулов раз­вития цифро-аналоговых и аналого-цифровых преобразо­вателей в интегральном исполнении в последнее время является широкое распространение микропроцессоров и методов цифровой обработки данных. В свою очередь потребность в АЦП стимулирует их разработку и производство с новыми, более совершенными характе­ристиками. В настоящее время применяют три вида тех­нологии производства АЦП: модульную, гибрид­ную и полупроводниковую. При этом доля производства полупроводниковых интегральных схем (ИМС ЦАП и ИМС АЦП) в общем объеме их выпуска непрерывно возрастает и в недалеком будущем, по-видимому, в мо­дульном и гибридном исполнениях будут выпускаться лишь сверхточные и сверхбыстродействующие преобра­зователи с достаточно большой рассеиваемой мощно­стью.

В данной главе рассматриваются основные структу­ры, характеристики и методы контроля интегральных микросхем АЦП.

1 Основные структуры ИМС АЦП


Рис. 1. Обобщенная структурная схема АЦП


Обобщенная структурная схема АЦП (рис.1) представляет собой дискретизирующее устройство ДУ, тактирующее работу кванту­ющего КвУ и кодирующего КдУ устройств. На вход квантующего устройства по­ступает преобразуемый сиг­нал x(t), а с выхода кодиру­ющего устройства снимается дискретный сигнал ДС, кото­рый для АЦП в интеграль­ном исполнении обыччно име­ет форму двоичного параллельного кода. В результате равномерного квантования мгновенное значение xi не­прерывной величины x(t) представляется в виде конеч­ного числа п ступеней квантования Δх:

Xi=nΔx=x ±Δk,

где Δk - погрешность квантования, обусловленная тем, что преобразуемая величина х может содержать нецелое число п ступеней квантования Δх.

Максимально возможная погрешность квантования (погрешность дискретности) определяется ступенью квантования, т. е.

Δkmax= Δx

Для известного диапазона xmax максимально возмож­ное число дискретных значений преобразуемого сигнала х (включая х==0)

nmax=(xmax/ Δx+1)

При этом, как правило, погрешность квантования не должна превышать общую погрешность преобразования.

Следовательно, если известно значение допустимой отно­сительной погрешности преобразования γmaх, то при опре­делении ступени квантования необходимо учитывать со­отношение

Δx ≤ (γmaх /100)*xmax


Кроме того, следует учитывать, что АЦП обладают определенным порогом чувствительности Хп.ч, т. е. спо­собностью вызывать изменение выходной информации преобразователя при воздействии на его вход наимень­шего значения преобразуемого сигнала. Поэтому значе­ние Δx должно превышать Хп.ч и удовлетворять неравен­ству


Хп.ч < Δx ≤ (γmaх /100)*xmax


Реализацию обобщенной структуры можно осущест­вить различными способами, которые рассмотрены ниже. Независимо от способа построения АЦП всем им прису­ща методическая погрешность, обусловленная погрешно­стью квантования Δx.

В зависимости от области применения АЦП их основ­ные характеристики (точность, разрешающая способ­ность, быстродействие) могут существенно отличаться. При использовании АЦП в измерительных устройствах главную роль играет точность преобразования, а быстро­действие этих устройств ограничено реальной скоростью регистрации результата измерения. При использовании АЦП в качестве устройства ввода измерительной инфор­мации в ЭВМ от него требуется быстродействие в боль­шей степени.

Широкое применение АЦП в различных областях на­уки и техники явилось предпосылкой создания разных структур АЦП, каждая из которых позволяет решить определенные задачи, предъявляемые к АЦП в каждом конкретном случае. Из всего многообразия существую­щих методов аналого-цифрового преобразования в интегральной технологии нашли применение в основном три:

1) метод прямого (параллельного) преобразования;

2) метод последовательного приближения (поразряд­ного уравновешивания);

3) метод интегрирования.

Каждый из этих методов позволяет добиться наилуч­ших параметров (быстродействия, разрешающей способ­ности, помехоустойчивости и т. д.). Потребность в АЦП с оптимальными параметрами или с отдельными экстре­мальными параметрами обусловила появление структур преобразователей, использующих комбинацию перечис­ленных методов. Рассмотрим структурные схемы АЦП, нашедших наибольшее распространение в интегральной технологии.

В АЦП с параллельным преобразованием входной сигнал прикладывается одновременно ко входам всех компараторов. В каждом компараторе он сравнивается с опорным сигналом, значение которого эквивалентно определенной кодовой комбинации. Опорный сигнал сни­мается с узлов резистивного делителя, питаемого от ис­точника опорного напряжения. Число возможных кодо­вых комбинаций (а следовательно, число компараторов) равно 2m1, где т—число разрядов АЦП. АЦП прямо­го преобразования обладают самым высоким быстродей­ствием среди других типов АЦП, определяемым быстро­действием компараторов и задержками в логическом де­шифраторе. Недостатком их является необходимость в большом количестве компараторов. Так, для 8-разрядно­го АЦП требуется 255 компараторов. Это затрудняет реализацию многоразрядных (свыше 6—8-го разрядов) АЦП в интегральном исполнении. Кроме того, точность преобразования ограничивается точностью и стабильно­стью каждого компаратора и резистивного делителя. Тем не менее на основе данного принципа строят наиболее быстродействующие АЦП со временем преобразования в пределах десятков и даже единиц наносекунд, но огра­ниченной разрядности (не более шести разрядов).

АЦП последовательного приближения имеет несколь­ко меньшее быстродействие, но существенно большую разрядность (разрешающую способность). В нем исполь­зуется только один компаратор, максимальное число срабатываний которого за один цикл измерения не превы­шает числа разрядов преобразователя. Суть такого ме­тода преобразования заключается в последовательном сравнении входного преобразуемого напряжения Us с выходным напряжением образцового ЦАП, изменяю­щимся по закону последовательного приближения до момента наступления их равенства (с погрешностью дискретности). Входной сигнал Ux с помощью аналогового компаратора КН сравни­вается с выходным сигналом образцового ЦАП, который управляется в свою очередь регистром последовательно­го приближения РгПП. При запуске схемы РгПП уста­навливается генератором Г в исходное состояние. При этом на выходе ЦАП формируется напряжение, соответ­ствующее половине диапазона преобразования, что обес­печивается включением его старшего разряда 100 ... 0. Если Us меньше выходного напряжения ЦАП, то стар­ший разряд выключается, включается второй по стар­шинству разряд (на входе ЦАП код 0100...0), что соот­ветствует 'формированию на выходе ЦАП напряжения, равного половине предыду­щего. В случае если Их пре­вышает это напряжение, то дополнительно включается третий разряд (на входе ЦАП код 0110...0), что при­водит к увеличению выходного напряжения ЦАП в 1,5 раза. При этом выходное напряжение ЦАП вновь сравни­вается с напряжением Ux и т. д. Описанная процедура повторяется т раз (где mчисло разрядов АЦП). В итоге на выходе ЦАП формируется напряжение, отли­чающееся от входного преобразуемого напряжения Ux не более чем на единицу младшего разряда ЦАП. Результат преобразования напряжения Ux в его цифровой эквива­лент—параллельный двоичный код Nx—снимается с выхода РгПП. Очевидно, погрешность преобразования и быстродействие такого устройства определяются в основ­ном параметрами ЦАП (разрешающей способностью, ли­нейностью, быстродействием) и компаратора (порогом чувствительности, быстродействием). Преимуществом рассмотренной схемы является возможность построения многоразрядных (до 12 разрядов и выше) преобразова­телей сравнительно высокого быстродействия (время 'пре­образования 'порядка нескольких сот наносекунд). На ос­нове метода последовательного приближения реализова­на и серийно выпускается ИМС 12-разрядного АЦП К572ПВ1 с временем преобразования 100 мкс.

Наиболее простыми по структуре среди интегрирую­щих преобразователей являются АЦП с преобразовани­ем напряжения в частоту, построенные на базе интегри­рующего усилителя и аналогового компаратора. Погреш­ность их преобразования определяется нестабильностью порога срабатывания компаратора и постоянной времени интегратора. Более высокими метрологическими харак­теристиками обладают АЦП, реализованные по принци­пу двойного интегрирования (например, ИМС, 11-раз­рядного АЦП К572ПВ2), поскольку при этом практиче­ски удается исключить влияние на погрешность преобра­зования нестабильности порога срабатывания компара­тора и постоянной времени интегратора.

Анализ описанных методов преобразования и струк­турных схем АЦП позволяет сделать вывод, что наи­большим быстродействием обладают АЦП прямого пре­образования, однако их разрядность невысока. АЦП поразрядного уравновешивания, обладая средним быст­родействием, дают возможность получить достаточно высокую разрешающую способность. Но помехозащи­щенность тех и других преобразователей невысока. АЦП интегрирующего типа, обладая наименьшим быстродей­ствием, обеспечивают наибольшую помехозащищенность и точность преобразования.

2. Характеристики ИМС АЦП

Основными параметрами, характеризующими ИМС АЦП, являются разрешающая способность, нели­нейность, коэффициент преобразования, погрешность полной шкалы, смещение нуля, абсолютная погрешность, дифференциальная нелинейность, монотонность, время преобразования.

Разрешающая способность определяется числом дис­кретных значений выходного сигнала преобразователя, составляющих его предел преобразования. Чем больше число дискретных значений, тем выше разрешающая способность преобразователя. Двоичный m-разрядный преобразователь имеет 2m дискретных значений, а его разрешающая способность равна 1/2m. В преобразовате­лях различают наименьший и наибольший значащие раз­ряды. В двоичной системе кодирования наименьший зна­чащий разряд — это разряд, имеющий наименьший вес. Вес младшего разряда определяет разрешающую способ­ность. Наибольший значащий разряд соответствует наибольшему весу. В двоичной системе кодирования наи­больший значащий разряд имеет вес 1/2 номинального значения максимально возможного выходного сигнала при всех включенных разрядах (полной шкалы преобра­зования).


a) б)

Рис. 2. Примеры линеаризации выходной характеристики преобразователей:

а—линеаризующая прямая проходит через крайние точки реальной харак­теристики преобразователя; б — линеаризация для получения минимальной погрешности линейности



Разрешающая способность характеризует как ЦАП, так и АЦП и может выражаться либо в процентах, либо в долях полной шкалы. Например, 12-разрядный АЦП имеет разрешающую способность 1/4096, или 0,0245% от значения полной шкалы. Преобразователь с полной шка­лой напряжения 10 В может обеспечивать изменение выходного кода на единицу при изменении входного напря­жения на 2,45 мВ. Аналогично 12-разрядный ЦАП дает изменение выходного напряжения на 0,0245% от значе­ния полной 'шкалы при изменении двоичного входного кода на один двоичный разряд. Разрешающая способность является скорее расчетным параметром, а не тех­нической характеристикой, поскольку она не определяет ни точность, ни линейность преобразователя.

Нелинейность н, или интегральная нелинейность, ха­рактеризуется отклонением н(х) реальной характерис­тики преобразователя fp(x) от прямой. При этом значе­ние н(х) зависит от метода линеаризации. Рис. 2,а иллюстрирует способ линеаризации, когда линеаризую­щая прямая проходит через крайние точки реальной ха­рактеристики ЦАП. При этом наблюдается максималь­ная погрешность линейности (нелинейность н). На рис. 2,б прямая проводится таким образом, что макси­мальное отклонение fp(x) от прямой получается в два раза меньше. Однако для этого необходимо знать харак­тер реальной характеристики ЦАП, что очень 'сложно обеспечить в серийном производстве. Поэтому, как пра­вило, погрешность линейности определяют при прохож­дении линеаризующей прямой через крайние точки ха­рактеристики fp (х). Для определения нелинейности (ко­торая обычно выражается в процентах от полной шкалы или в долях единицы младшего разряда) необходимо знать аналитическую зависимость между выходным ана­логовым сигналом ЦАП и его цифровым входом. Для ЦАП с двоичными т-разрядами аналоговый выход Uвых зависит от входного двоичного кода в идеальном случае (в отсутствие погрешностей преобразования) таким об­разом:

Uвых = Uоп(B12-1+B22-2+…+ Bm2-m), (1)

где B1, B2, ..., Bm—коэффициенты двоичного числа, име­ющие значение единицы или нуля (что соответствует включению или выключению разряда); Uonопорное напряжение ЦАП. Так как

то выходное напряжение ЦАП при всех включенных раз­рядах (B1, B2, ..., Bm = 1) определяется соотношением

(2)

Таким образом, при включении всех разрядов выход­ное напряжение ЦАП, равное напряжению полной шка­лы Uп.ш, отличается от опорного напряжения Uоп на зна­чение младшего разряда преобразователя Δ:

(3)

При включении i-ro разряда выходное напряжение ЦАП

Uвых=Uоп2-i (4)

Выражение (1) показывает линейную зависимость между аналоговым выходом и цифровым входом преоб­разователя. Следовательно, сумма аналоговых выходных величин, полученная для любой комбинации разрядов, действующих независимо, должна быть равна аналого­вому сигналу, который получается при одновременном включении всех разрядов этой комбинации. Э

Рис 3 Характеристики ЦАП с различными значениями коэффициентов преобразования


то являет­ся основой простого и эффективного контроля нелиней­ности: включаются различные комбинации разрядов и регистрируется соответствующий аналоговый сигнал. За­тем каждый разряд этой комбинации включается отдель­но и записывается соответствующее ему значение выходного напряжения. Алге­браическая сумма этих значений срав­нивается с суммой, получаемой для всех разрядов выбранной комбинации, включённых одновременно. Разность сумм и будет погрешностью линейности для данной точки выходной характеристики преобразователя. Наи­худшим случаем для погрешности линей­ности является вклю­чение всех разрядов, поскольку при этом погрешность опреде­ляется суммой по­грешностей всех раз­рядов.


Преобразователь считается линейным, если его максимальная погрешность линейности δn не превышает 1/2 значения младшего разряда Δ. Оценку линейности АЦП проводят так же, как и для ЦАП.

Таким образом, нелинейность характеризует как ЦАП, так и АЦП и наряду с дифференциальной нели­нейностью имеет первостепенное значение для оценки качества преобразователей, поскольку все другие по­грешности (смещение нуля, погрешность полной шкалы и т. д.) могут быть сведены к нулю соответствующими регулировками.

Коэффициент преобразования Кпр определяет наклон характеристики преобразователя. Как отмечалось, для идеального ЦАП наклон характеристики должен быть таким, чтобы при включении всех разрядов (двоичный код полной шкалы No на его цифровых входах равен 111...1) выходное напряжение полной шкалы Uп.ш ЦАП было меньше опорного напряжения Uоп на значе­ние младшего разряда Δ, что соответствует прямой 1 на рис. 3 [соотношение (2)]. Для ЦАП с токовым выхо­дом наклон характеристики определяется номиналом ре­зистора обратной связи Roc (Рис. 4), который нахо­дится в составе преобразователя и предназначен для включения в цепь обратной связи усилителя-преобразо­вателя тока в напряжение. При номинальном значении Rос напряжение Un.ш отличается от Uon на значение младшего разряда Δ. Если номинал Roc больше, то ко­эффициент преобразования возрастает (прямая 3 на рис. 3), если меньше,—то уменьшается (прямая 2 на рис 3). Это объясняется тем, что абсолютные значения младшего разряда Δ2 и Δ3 для характеристик 2 и 3 рис. 3 отличаются от расчетного номинального значения Δ1, определяемого соотношением (3). При этом фактиче­ские значения младших разрядов преобразования опре­деляются соотношением

Δф=Uп.ш.ф./(2m-1)

где Uп.ш.ф.—фактическое значение полной шкалы преоб­разователя.

Погрешность полной шкалы δп.ш отражает степень отклонения реального коэффициента преобразования от расчетного, т. е. под δп.ш понимают разность между но­минальным значением полной шкалы преобразователя Uп.ш.н, определяемым соотношением (2), и его фактичес­ким значением Uп.ш.ф. Таким образом, для ЦАП

де Δн и Δф — номинальное и фактическое значения еди­ницы младшего разряда преобразователя.

Относительная погрешность полной шкалы определя­ется выражением

и, следовательно, не зависит от коэффициента преобра­зования ЦАП.

Погрешность полной шкалы АЦП харак­теризуется отклонением действительного входного напряжения от его расчетного значения для полной шкалы вы­ходного кода. Она может быть обусловлена погрешнос­тями опорного напряжения Uoп, многозвенного резистивного делителя, коэффициента усиления усилителя и т. д. Погрешность шкалы может быть скорректирована с по­мощью регулирования коэффициента усиления выходно­го усилителя или опорного напряжения.

Смещение нуля (погрешность нуля) равно выходному напряжению ЦАП при нулевом входном коде или среднему значению входного напряже­ния АЦП, необходи­мому для получения нулевого кода на его выходе. Смещение нуля вызвано током утечки через разряд­ные ключи ЦАП,

напряжением смеще­ния выходного уси­лителя либо компаратора. Данную погрешность можно скомпенсировать с помощью внешней по отношению к ЦАП или АЦП регулировки нулевого смещения. По­грешность нуля δ0 может быть выражена в процентах от полной шкалы или в долях младшего разряда. Следует отметить, что погрешность полной шкалы определяют с учетом смещения нуля характери­стики преобразователя, в то время как при определении погрешности линейности линеаризующая прямая должна проходить через начало реальной функции преобразова­ния fр(х), т. е. смещение нуля δ0 необходимо корректи­ровать, чтобы не внести погрешность в измерение линей­ности, поскольку она суммируется всякий раз при счи­тывании выходного сигнала. Действительно, для ЦАП справедливо неравенство

Uвых(B1+B2+…+Bm)+δ0≠UвыхB1+ UвыхB2+…+ UвыхBm+mδ0

в левой части которого погрешность нуля 6о суммируется один раз (все разряды включены), а в правой—т раз (m отдельных считываний выходного сигнала ЦАП). При этом погрешность измерения нелинейности будет мень­ше, если смещение нуля 6о запоминается и вычитается из напряжения каждого последующего считываемого раз­ряда до того, как будет произведено определение нели­нейности.

Абсолютная погрешность преобразования отражает отклонение фактического выходного сигнала преобразо­вателя от теоретического, вычисленного для идеального преобразователя. Этот параметр указывается обычно в процентах к полной шкале преобразования и учитывает все составляющие погрешности преобразования (нели­нейность, смещение нуля, коэффициент преобразования). Поскольку абсолютное значение выходного сигнала пре­образователя определяется опорным напряжением Uoп [см. соотношения (3), (4)], то абсолютная погрешность преобразования находится в прямой зависимости от ста­бильности напряжения Uоп. В большинстве преобразова­телей используется принцип двойного кодирования. По­этому для получения кратного значения младшего раз­ряда обычно выбирают Uon= 10,24 В. В этом случае для 12-разрядных ЦАП расчетное номинальное значение младшего разряда Δ=2,5 мВ и напряжение полной шка­лы Uп.ш.н= 2,5 (212—1) мВ= 10237,5 мВ.

Изменение напряжения Uon, например, на 1% вызо­вет изменение абсолютной погрешности преобразования также на 1%, что составит в верхней точке диапазона 102,375 мВ.

Дифференциальная нелинейность δн.д определяется отклонением приращения выходного сигнала преобразо­вателя от номинального значения младшего разряда при последовательном изменении кодового входного сигнала на единицу. Дифференциальная нелинейность идеально­го преобразователя равна нулю. Это означает, что при изменении входного кода преобразователя на единицу его выходной сигнал изменяется на значение младшего разряда. Допустимым значением дифференциальной не­линейности считается (1/2)Δ(1/2 значения младшего раз­ряда).

Дифференциальная нелинейность может быть вычис­лена таким образом. Для конкретного m-разрядного пре­образователя расчетное значение единицы младшего раз­ряда Δр=[Uп.ш/(2m—l).

обеспечивающее контроль схем различного назначения, обычно сложное и дорогостоящее. Установки специаль­ного назначения, контролирующие схемы, как правило, одного типа, выполняют контроль быстрее, и с ними мо­гут работать люди, не обладающие большим опытом и мастерством.

В преобразователях с высокой разрешающей способ­ностью необходимо проконтролировать большое количе­ство параметров для получения информации о работе преобразователя. Например, 12-разрядный ЦАП или АЦП имеет 212, или 4096, возможных комбинаций вход— выход. Безусловно, без применения автоматизированной высокопроизводительной установки решить проблему контроля подобных преобразователей невозможно.

При контроле ИМС АЦП, особенно многораз­рядных, необходимо соблюдать меры предосторожности при подключении контролируемого преобразователя к установке контроля. Линии связи должны быть такой длины и такого сопротивления, чтобы падение напряже­ния на них не вызвало значительного увеличения по­грешности измерения параметров ИМС АЦП.

Если проверяют ЦАП с токовым выходом, то к его выходу подключают операционный усилитель, обеспечи­вающий преобразование выходного тока ЦАП в напря­жение. При этом резистор обратной связи, входящий в состав ЦАП, подключают без подстроечных потенцио­метров, чтобы можно было измерить погрешность сме­щения нуля и полной шкалы.

Далее перед измерением параметров ЦАП нужно определенное время для его прогрева, чтобы обеспечить установившийся тепловой режим контроля. Это относит­ся в первую очередь к контролю нелинейности ЦАП, поскольку требуется большое количество измерений, за время которых из-за нагрева ЦАП его параметры могут существенно измениться. Например, у ЦАП с рассеивае­мой мощностью порядка 500 мВт время прогрева в зави­симости от типа корпуса колеблется от 5 до 15 мин.

С целью уменьшения времени контроля желательно проводить контроль параметров ЦАП не во всех точках его выходной характеристики. Минимальный объем по­лучаем при контроле значений всех разрядов, включае­мых по одному. Однако такой контроль допустим только в случае малого взаимного влияния разрядов, когда все разряды или комбинации разрядов, которые включаются, полностью независимы от включенного (выключенного) состояния других разрядов. В противном случае для по­лучения достоверного результата следует производить контроль по всем дискретным значениям выходного сиг­нала, т. е. в 2mочках характеристики.

Далее будут рассмотрены методы контроля статичес­ких и динамических параметров ИМС АЦП, ко­торые могут быть использованы в автоматизированных системах контроля, предназначенных как для обеспече­ния серийного производства ИМС АЦП, так и для их входного контроля.

Рис. 4. Характеристика АЦП при наличии шума Рис. 5. Характеристика идеального четырехразрядного АЦП


3. Контроль статических параметров ИМС АЦП

Из-за неопределенности квантования при аналого-цифровом преобразовании, равной 1/2 значения младшего раз­ряда Δ, контроль АЦП представляет большие трудности по сравнению с контролем ЦАП, поскольку приходится не просто измерять выходной сигнал для заранее определённого кода (в случае ЦАП), но также определять как выходной код, так и точку (момент) изменения выходного кода при непрерывном изменении входного напряжения. Шумы (в преобразуемом сигнале или в преобразователе) вносят неопределенность в точное задание аналоговых входных величин, при которых происходят кодовые преобразования выходных сигналов, а также увеличивают диапазон квантования. Характер погрешности, обуслов­ленной влиянием шума, показан на рис. 4.

При отсутствии шума и погрешности линейности АЦП изменение выходного кода происходит при номинальных значениях входного напряжения. При отсутствии шума и наличии допустимых погрешностей линейности АЦП выходной код изменяется при изменении входного напряжения относительно его номинального значения на (±1/2) Δ. Шумы вызывают увеличение неопределенности момента изменения выходного кода (шумы показаны на рис. 4 в виде тонких линий).

Отметим, что точность АЦП не может быть лучше его разрешающей способности. В ЦАП, напротив, техниче­ские требования по точности превосходят требования по разрешающей способности. Такое различие объясняется противоположным характером этих преобразователей:

выход ЦАП может с высокой точностью воспроизводить уровень, являющийся мерой точного числа, между тем как выходной уровень АЦП определяется любой вход­ной величиной в пределах кванта.

Наибольшим числом контролируемых параметров об­ладают АЦП последовательного приближения, в котором применяются ЦАП и компаратор в цепи обратной связи. Эти преобразователи, так же как и ЦАП, характеризуют­ся дифференциальной нелинейностью и немонотонностью в отличие от интегрирующих АЦП, у которых может на­блюдаться только нелинейность. На рис. 5 показана выходная характеристика идеального четырехразрядного АЦП, каждая ступенька которой постоянна по ширине и равна Δ. Тем не менее даже для идеального АЦП (всех типов) существует неопределенность, равная (±1/2)А относительно входного напряжения, соответствующего какому-либо выходному коду АЦП. У реального АЦП (имеющего нелинейность) неопределенность возрастает до суммы погрешностей квантования и линейности. Если ЦАП, применяемый в АЦП последовательного приближения, нелинеен, то размер ступеньки отклонится от идеального значения и напряжения переходов сдвинутся от напряжении идеальных переходов. На рис. 10.30 при­ведена характеристика АЦП, внутренний ЦАП которого имеет погрешности разрядов: δ1=(l/2)A (при коде 1000), δ2=(—1/2)А (при коде 0100), δ3=0 (при коде 0010), δ4=0 (при коде 0001). Области рис. 10.30, отме­ченные пунктирными кружками, свидетельствуют о том, что изменения в по­грешности дифференци­альной линейности (а следовательно, и в по­грешности линейности) имеют место при пере­носах кода.Метод контроля па­раметров АЦП, кото­рый необходимо ис­пользовать в каждом конкретном случае, за­висит от многих причин. Одна из них—время преобразования контро­лируемого АЦП. Для преобразователей со временем преобразова­ния менее 100 мкс (пре­образователи последовательного .приближения) могут быть использованы все методы контроля. Иначе обстоит дело при контроле «медленных» АЦП. Например, пре­образователи интегрирующего типа, время преобразова­ния которых составляет десятки и сотни миллисекунд, не могут быть исследованы динамическим методом, преду­сматривающим наблюдения погрешности с помощью ос­циллографа.Простейший метод контроля параметров АЦП за­ключается в применении образцового ЦАП для форми­рования входного аналоговового сигнала контролируемо­го АЦП и в последующем сравнении входного кода об­разцового ЦАП и выходного кода АЦП. Однако он не определяет точного значения входного сигнала в момент перехода кода в пределах А. Поэтому таким методом можно определить точность калибровки (погрешность шкалы), нелинейность, дифференциальную нелинейность АЦП с погрешностью контроля не менее Δ. Рассмотрим схемы нескольких устройств, позволяющих автоматизировать процесс контроля параметров АЦП, в которых ис­пользуется многоразрядный образцовый ЦАП, предна­значенный для формирования входного сигнала АЦП ли­бо для восстановления аналогового сигнала из выходно­го кода АЦП. При этом линейность ЦАП должна быть на порядок выше линейности проверяемого АЦП.

На рис. 6 представлена схема одного из таких устройств. С генератора Г напряжение синусоидальной формы Uвх поступает на вход контролируемого АЦП и

Рис. 6. Схема устройства автоматического контроля парамет­ров АЦП

на один из входов дифференциального усилителя У. Ре­зультат преобразования в виде кода Ni с частотой запус­ка АЦП заносится в регистр. Затем код Ni преобразует­ся с помощью образцового ЦАП (разрядность которого должна быть, по крайней мере, на четыре единицы боль­ше разрядности контролируемого АЦП) в аналоговый сигнал Uвыx, подаваемый на другой вход усилителя. Раз­ностный сигнал усилителя ΔU=k(Uвх Uвыч) характе­ризуется суммой погрешности квантования (±1/2)А и погрешности линейности АЦП. Следует учитывать, что любой сдвиг по фазе между входным сигналом АЦП и задержанным выходным сигналом ЦАП дает дополни­тельную погрешность. Поэтому для минимизации этой дополнительной погрешности частота входного сигнала должна быть достаточно низкой и определять ее необхо­димо исходя из быстродействия контролируемого АЦП и образцового ЦАП.

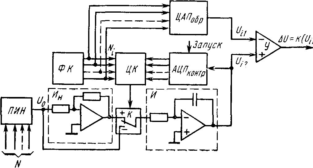
На рис. 7 приведена схема еще одного устройства автоматического контроля АЦП, где образцовый ЦАП используется в качестве формирователя входного воздей­ствия на контролируемый преобразователь. Формирователь кодов ФК обеспечивает формирование на цифровых входах образцового ЦАП любой требуемой кодовой ком­бинации. Выходное напряжение ЦАП подается на вход контролируемого АЦП. Цифровой код Ni с АЦП переда­ется в запоминающий регистр ЗРг после каждого преоб­разования. Цифровое слово Ni’, присутствующее на входе образцового ЦАП, вычитается в устройстве ВУ из кода Ni и цифровая ошибка ΔN=Ni—Ni’ подается на ЦАП с низкой разрешающей способностью, на выходе которого

Рис. 7. Схема устройства контроля АЦП с разбраковкой резуль­тата контроля

она представляется в аналоговой форме. Кроме того, цифровая ошибка ΔN может быть подана на цифровой компаратор ЦК, в который занесены верхний и нижний пределы ее допустимых значений, что позволяет произве­сти проверку АЦП по принципу «годен—не годен», т. е. разбраковку контролируемых преобразователей. Разре­шающая способность образцового ЦАП в данной схеме, как и в предыдущей, должна быть на порядок выше, чем в контролируемом АЦП, чтобы уровень квантования ана­логового сигнала на входе АЦП не ограничивал разре­шающую способность считывания ошибки.

Как указывалось, сложность контроля параметров АЦП заключается в том, что каждому его выходному числовому коду соответствует определенная непрерывная аналоговая входная величина (ширина ступеньки на рис. 5, 10.30), крайние значения которой формируют со­ответствующие смежные числовые переходы. Поэтому для более качественного контроля характеристик АЦП тре­буется определение значения каждого из переходных уровней входного напряжения, что не обеспечивается пре­дыдущей схемой.

На рис. 8 изображена схема устройства, осущест­вляющего контроль выходной характеристики АЦП с ав­томатическим поиском переходных уровней. Это достига­ется включением контролируемого АЦП в цепь обратной связи, регулирующей его входное напряжение. Цифровой код Ni определяемого перехода с формирователя кодов ФК поступает на цифровой компаратор ЦК и на образ

Рис. 8. Схема устройства контроля АЦП с автоматическим поиском переходных уровней

цовый ЦАП. На другой вход компаратора подается вы­ходной цифровой сигнал контролируемого АЦП. Цифро­вой компаратор вырабатывает сигнал, управляющий ключом К, через который на вход интегратора И посту­пает напряжение Но определенной полярности, формируе­мое программируемым источником напряжения ПИН и инвертором Ин. Система сфазирована таким образом, что изменяющееся выходное напряжение интегратора прибли­жает выходной код АЦП к записанному в компаратор коду Ni. В момент достижения равенства кодов направ­ление изменения выходного напряжения интегратора из­меняется на противоположное вследствие переключения ключа К. В дальнейшем процесс продолжается при пе­риодическом пилообразном колебании выходного напря­жения интегратора вблизи уровня перехода. Точность, с которой производится поиск уровня перехода, определя­ется постоянной времени Т интегратора, его входным ин­тегрируемым напряжением Uo и быстродействием конт­ролируемого АЦП. Действительно, приращение ΔUи выходного напряжения интегратора за время интегрирова­ния tи определяется соотношением

ΔUи=U0tи/T

Длительность интегрирования зависит от начальной разности кодов, поступающих на цифровой компаратор:

при большой разности длительность больше. Минималь­ное значение tn будет при периодическом колебании вы­ходного напряжения интегратора относительно уровня пе­рехода. При этом tи определяется периодичностью отсче­тов АЦП, т. е. его быстродействием, и в предельном слу­чае не превышает периода запуска АЦП Тзап. Для обес­печения требуемой точности контроля значение ΔUи не должно превышать нескольких процентов от значения младшего разряда Л контролируемого АЦП. При извест­ных параметрах контролируемого АЦП (Δ и Тзап) и по­стоянной времени Т интегратора входное интегрируемое напряжение Uo для допустимой относительной погрешно­сти γ= ΔUи/Δ поиска уровня перехода определяется не­равенством

и для каждого конкретного типа АЦП формируется про­граммируемым источником напряжения ПИН. Для уменьшения времени поиска уровня перехода при боль­ших начальных рассогласованиях входных кодов компа­ратора начальное значение Uo устанавливается значи­тельно большим требуемого до момента наступления ра­венства кодов, после чего U0 автоматически приводится к заданному значению. Найденное таким образом напря­жение перехода Ui2 сравнивается затем дифференциаль­ным усилителем У с напряжением Ui1, создаваемым об­разцовым ЦАП. Разностное выходное напряжение усили­теля и будет характеризовать погрешность контролируе­мого АЦП в заданной точке характеристики.

Рассмотренные методы контроля АЦП с использова­нием образцового ЦАП нашли широкое применение при создании автоматизированного контрольно-измерительного оборудования.

4. Контроль динамических параметров ИМС АЦП

Для преобразования быстроизменяющихся сигналов с широким частотным спектром, быстрого ввода информа­ции в ЭВМ, в частности аналоговых сигналов с первич­ных преобразователей при работе в многоканальных ин­формационных системах, требуются АЦП, имеющие хорошую линейность и малое время преобразования. По­следнее определяют как интервал времени, в течение ко­торого выходной сигнал АЦП при подаче ступенчатого входного сигнала достигает значения, отличающегося от установившегося не более чем на допустимую погреш­ность. Следует иметь в виду, что при определении вре­мени преобразования необходимо учитывать статическую погрешность преобразования, чтобы последняя не входи­ла составной частью в результирующую погрешность определения времени преобразования. Поэтому под уста­новившимся значением выходного сигнала АЦП пони­мают результат преобразования в статическом режиме, когда процесс преобразования заведомо завершился.

В

Рис 9 Схема Устройства измерения времени преобразования АЦП с внещним запуском.

отличие от ЦАП, для которых динамическая и ста­тическая погрешности преобразования могут быть опре­делены как составная часть его разрешающей способно­сти, в контролируемом АЦП погрешность преобразования, как бы мала она ни была, лимитируется погрешно­стью его дискретности. Помимо определения времени пре­образования в ряде случаев требуется контроль допол­нительных динамических характеристик: времени пере­ходного процесса во входных цепях АЦП tвх и времени цикла преобразования tц, необходимого для отработки всех разрядов АЦП и получения на выходе соответству­ющего кода. Эти характеристики связаны соотношением tпр=tвх+tц, поэтому достаточно проконтролировать tгр и одну из оставшихся величин. Контроль времени tвх целесообразен, когда оно соизмеримо со временем кодиро­вания, поскольку значение tax можно использовать в дальнейшем для определения соответствующей составля­ющей результирующей погрешности в динамическом ре­жиме. Если время преобразования не зависит от значе­ния входного сигнала, то целесообразно контролировать одно значение tпр в точке, расположенной в верхней поло­вине диапазона измерений.

Контроль динамических параметров ИМС АЦП суще­ственно зависит от конкретной структуры преобразователя, в частности от наличия синхронизирующих команд АЦП.



Для преобразователей, использующих команду внеш­него запуска и вырабатывающих сигнал окончания цик­ла преобразования, значение tпр, определяют измерением временного интервала между импульсами запуска и кон­ца цикла .преобразования. На рис. 9 приведена схема устройства измерения времени преобразования таких АЦП. С помощью .программируемого сточника образцовых напряжений ЦАПобр на входе АЦПконтр формируется требуемое значение напряжения, соответствующее коду Ni, который выдается формирова­телем кодов ФК на устройство сравнения кодов УСК и ЦАПобр. Затем производят периодический запуск АЦП импульсами генератора, определяющими момент начала преобразования. Импульсы, соответствующие моменту конца преобразования, поступают на Вход 2 измерителя временного интервала, на Вход 1 которого .поступают им­пульсы запуска АЦП. Полученный результат определяет время преобразования tпp контролируемого АЦП, а раз­ность кодов ΔN, выдаваемая УСК в момент окончания преобразования, характеризует динамическую погреш­ность преобразования.

При визуальном методе контроля с помощью осцил­лографа эту задачу решают следующим образом. Для АЦП с последовательным кодом преобразования на эк­ране осциллографа определяют временной интервал меж­ду импульсом запуска и моментом появления импульса выходного кодового сигнала контролируемого АЦП, со­ответствующего его младшему разряду (рис. 10.35, а). При параллельной форме выдачи цифровой информации с АЦП время преобразования наблюдается на экране ос­циллографа как расстояние (по временной оси) между передними фронтами импульса запуска АЦП и импульса t-го разряда, соответствующего допустимой динамиче­ской погрешности преобразования (рис. 10.35, б).

Автоматическое измерение tпр подобных АЦП иллю­стрируется рис. 10. Отличие данной схемы от схемы рис. 9 состоит в том, что момент выдачи выходной информации с АЦП в устройство сравнения кодов УСК относительно импульса запуска АЦП можно менять с помощью программируемой линии задержки ЛЗ, обес­печивающей запись выходного кода АЦП в запоминаю­щий регистр ЗРг1 в конкретный момент времени /,, от­стоящий от импульса запуска АЦП на известное число п дискретных значений δt. Время задержки между им­пульсами запуска и считывания выходного сигнала АЦП определяется соотношением tзд =nδt. Момент записи вы­ходного кода АЦП в регистр ЗРг1 и передачи его кода в УСК последовательно приближается к моменту запуска АЦП до тех пор, пока погрешность преобразования АЦП не превысит допустимое значение .

Для ис­ключения влияния погрешности формирования входного сигнала АЦП и его статической погрешности преобразо­вания на определение динамической погрешности АЦП устройством сравнения кодов сопоставляют текущее зна­чение выходного сигнала АЦП при с его вы­ходным сигналом Ni' для режима преобразования, когда . Для этого при управляющем коде Ni на входе об­разцового ЦАП результат преобразования АЦП Ni' в статическом режиме его работы (при tзд>>tпр) записы­вается в запоминающий регистр ЗРг2 и затем сравнива­ется с текущим результатом преобразования АЦП Ni' при уменьшении tзд. В момент времени, когда выходной сигнал AN устройства сравнения кодов превысит допустимую погрешность преобразования, уменьшение времен­ной задержки tзд устройством управления УУ прекраща­ется и производится регистрация ее значения tзд=tпр= =nδt=KNx, т. е. время преобразования tпр пропорцио­нально входному коду Nx программируемой линии за­держки.

Для преобразователей, не использующих команду внешнего запуска и не формирующих сигнал окончания цикла преобразования, время преобразования tпр определяют путем измерения минимального временного интервала между моментами подачи ступенчатого входного сигнала АЦП и выдачи сигнала преобразования, находящегося в пределах допустимых значений. Единственное отличие схемы, обеспечивающей контроль tпр таких АЦП, от предыдущей состоит в том, что момент начала преоб­разования совпадает с моментом подачи через ключ К (показанный на рис. 10 пунктиром), управляемый им­пульсом запуска генератора Г, входного воздействия с ЦАП на контролируемый АЦП. Сложность реализации такой схемы, особенно для контроля быстродействующих АЦП, заключается в высоких требованиях к параметрам формируемого ключом входного воздействия АЦП, вре­мя достижения которым номинального значения должно быть много меньше времени преобразования контроли­руемого АЦП. Регистр ЗРг2, запоминающий результат преобразования АЦП в статическом режиме, позволяет исключить статическую погрешность ключа (в том числе его временную нестабильность) и тем самым значитель­но уменьшить требования к параметрам входного сигна­ла АЦП.

Схема устройства измерения времени преобразования tпр тактируемых АЦП (рис. 11), в которых начало преобразования совпадает с моментом поступления им­пульса запуска (синхронизирующего импульса), отлича­ется от предыдущих схем тем, что частота fг тактовых импульсов генератора Г возрастает до момента превыше­ния результатом преобразования контролируемого АЦП допустимого значения, после чего с помощью устройства измерения частоты Ч производят измерение частоты так­товых импульсов, определяющих время преобразования: tnp=n/fr, где п—число тактов уравновешивания за один цикл измерения, зависящее от разрядности контролируе­мого АЦП.

В данной главе были рассмотрены основные структу­ры ИМС АЦП, параметры и методы их контро­ля. Проведенный анализ методов контроля позволяет сде­лать вывод, что наиболее универсальным является метод, использующий образцовый ЦАП, на базе которого воз­можно построение автоматизированного КИО для провер­ки как ЦАП, так и АЦП. Среди контролируемых парамет­ров наибольшую сложность с точки зрения обеспечения их контроля представляют нелинейность характеристи­ки преобразователей и их время преобразования. В первом случае требуется образцовый преобразователь с высокой разрешающей способностью и линейностью, во втором — широкополосный усилитель и быстродействующий стробируемый дискриминатор

Рис. 10. Схема устройства измерения времени преобразования тактируемых АЦП

Рис 11 Схема устройства измерения времени преобразования АЦП без фиксации момента окончания цикла преобразования



уровней с высокой чувстви­тельностью по амплитуде. Все это свидетельствует о том, что создание автоматизированного КИО для ИМС АЦП является очень сложной научно-технической про­блемой. Непрерывное совершенствование параметров вы­пускаемых ИМС АЦП, повышение их разрешаю­щей способности, быстродействия требуют дальнейшего совершенствования существующих и разработки новых методов и средств контроля. Появление преобразователей с числом разрядов 16 и более вызывает необходимость создания КИО, которое по точностным характеристикам приближается к эталонным средствам. Обеспечение до­стоверного контроля подобных преобразователей стано­вится возможным лишь в случае создания КИО, в кото­ром для получения результата измерения широко исполь­зуется вычислительная техника, позволяющая проводить статистическую обработку результатов отсчета, вводить дополнительные коррекции и т. д. При этом желаемый ре­зультат может быть достигнут, если КИО работает на специально оборудованном метрологическом участке, ис­ключающем воздействие на него различных внешних де­стабилизирующих факторов.

Список использованных источников


1. Измерения и контроль в микроэлектронике: Учебное пособие по специальностям электронной техники/Дубовой Н.Д., Осокин В.И., Очков А.С. и др.; Под ред. А.А.Сазонова.- М.:Высш. Шк.,1984.-367с., ил.


© 2012 Рефераты, курсовые и дипломные работы.