рефераты
Главная

Рефераты по рекламе

Рефераты по физике

Рефераты по философии

Рефераты по финансам

Рефераты по химии

Рефераты по хозяйственному праву

Рефераты по цифровым устройствам

Рефераты по экологическому праву

Рефераты по экономико-математическому моделированию

Рефераты по экономической географии

Рефераты по экономической теории

Рефераты по этике

Рефераты по юриспруденции

Рефераты по языковедению

Рефераты по юридическим наукам

Рефераты по истории

Рефераты по компьютерным наукам

Рефераты по медицинским наукам

Рефераты по финансовым наукам

Рефераты по управленческим наукам

Психология и педагогика

Промышленность производство

Биология и химия

Языкознание филология

Издательское дело и полиграфия

Рефераты по краеведению и этнографии

Рефераты по религии и мифологии

Рефераты по медицине

Рефераты по сексологии

Рефераты по информатике программированию

Краткое содержание произведений

Реферат: Передающее устройство систем телеизмерения

Реферат: Передающее устройство систем телеизмерения

Подпись


Изм

Лист

Лист

документа


Содержание


1 Введение 1

2 Назначение и область применения 3

3 Технические характеристики 4

4 Структурная схема передатчика 4

5 Разработка и расчёт основных блоков схемы 6

5.1 Параметры НС – кода 6

5.2 Выбор комбинаций НС –­ кода 9

5.2.1 1 –я посылка 10

5.2.2 2-ая посылка 13

5.3 Выбор АЦП 15

5.4 Расчёт делителя напряжения 18

5.5 Реализация регистра 19

5.6 Разработка логического узла 20

5.7 Выбор передаваемых частот и полос пропускания 20

5.8 Расчёт генераторов гармонических колебаний 22

5.9 Расчёт полосовых фильтров 24

5.10 Разработка блока управления 26

6 Основные требования к алгоритмам диагностирования 28

7 Техническая диагностика и прогнозирование 31

8 Связь технической диагностики с надежностью и качеством 34

9 Основы теории технической диагностики 37

10 Разработка технического диагностирования 39

11 Разработка схемы диагностирования 43

12 Диагностирование работоспособности системы 45

13 Заключение 47


1 Введение


Проектирование современных систем телемеханики в корне отличается от тех же систем спроектированных буквально несколько лет назад. Это объясняется в первую очередь тем, что для построения современных систем телемеханики широко используются интегральные микросхемы и средства вычислительной техники.

Использование современных технологий неизбежно влечёт к повышению скорости работы систем, улучшения качества и размеров систем, повышению точности и т.д., по сравнению со своими предшественниками, выполненными на транзисторах и диодах. Так кроме традиционных функций (телеуправление, телеизмерение, телесигнализация, телерегулирование и передача статистической информации) они могут осуществлять предварительный отбор информации после её сбора, образовывать сигналы, оптимальные для передачи по данному каналу связи, принимать решения для управления местной автоматикой, выдавать по выбору и повторно информацию диспетчеру для визуального контроля и регулирования и т.д.

Кодирование применяемое в современных системах телемеханики позволяет повышать их защищённость от помех за счёт более совершенных кодов которые в схемной реализации более просты чем их соратники, а сжатие данных позволяет увеличить объём передаваемой информации по тем же каналам связи.

Устройства телеизмерения (ТИ) осуществляют передачу на расстояние значений измеряемых величин, их регистрации или ввода данных в автоматическое устройство. Все системы ТИ подразделяют на аналоговые и дискретные. Дискретные системы ТИ наиболее близки по принципам построения схем и используемой аппаратуре к системам телеуправления. Характерная особенность дискретных систем – осуществление в передающем устройстве операции квантования по уровню. При этом вместо передачи непрерывного ряда значений измеряемой величины передаётся конечное её значений (уровней), каждому из которых соответствует при кодировании определённая кодовая комбинация. В зависимости от принципа кодирования различают частотно-импульсные (использующие числовой код) и кодово-импульсные (использующие многоэлементный код) дискретные системы ТИ.

К аналоговым системам принято относить такие системы ТИ, в которых каждому из непрерывного ряда значений измеряемой величины соответствует вполне определённый сигнал ТИ.

Основное преимущество дискретных систем по сравнению с аналоговыми – незначительное влияние изменения параметров линии связи и помех в каналах связи на передаваемые сигналы.

К преимуществам кодово-импульсных систем ТИ следует отнести высокую помехоустойчивость и отсутствие принципиальных ограничений для повышения точности телепередачи, обусловленные дискретным характером сигналов. Кроме того, такие системы приспособлены для вывода информации в цифровой форме.

В кодово-импульсных системах кодируется либо угол поворота стрелки первичного измерительного прибора, либо унифицированный электрический параметр (ток или напряжение), в которой предварительно преобразуется измеряемая величина.

Задача кодирования сообщения в общем случае заключается в согласовании свойств источника сообщений со свойствами канала связи. Различают кодирование источника сообщений (эффективное кодирование) и кодирование, учитывающее влияние помех в канале связи (помехоустойчивое кодирование).


2 Назначение и область применения


Устройства телеизмерения осуществляют передачу на расстояние значений измеряемых величин, их регистрации или ввода данных в автоматическое устройство. В основном такие системы применяются в условиях, когда передача данных затруднительна в прямом виде, тогда стаёт вопрос о применении таких систем.

3 Технические характеристики


Основные технические характеристики разрабатываемого передатчика системы телеизмерения имеют следующие значения:


- диапазон изменения измеряемой величины, В 0 – 15
- допустимая приведённая погрешность измерения, В 2.8

- максимальная частота изменения измеряемого напряжения, Гц

100
- метод разделения сигналов Частотно-временной
- метод избирания Частотно-распределительно-комбинационный
Вид проектируемого устройства Передатчик
- код

Неприводимый сменно-посылочный (НС)


4 Структурная схема передатчика


Разрабатываемая схема приёмника должна осуществлять передачу полученной информации без временных интервалов между посылками, а также производить её обработку с наименьшим временем.

Структурная схема изображена на рисунке 4.1.




Измеряемое напряжение поступает на вход делителя напряжения, предназначенного для согласования уровня входного сигнала с входом АЦП. Преобразованное напряжение поступает на АЦП, с выхода которого часть двоичного кода, соответствующая первой посылке, сразу же подаётся на блок кодирования (блок логических устройств), а остальная часть – на триггеры, выступающие в роли регистра. Блок регистров предназначен для хранения двоичного кода в то время, когда выходы АЦП находятся в Z – состоянии, что позволяет осуществлять беспрерывную передачу. С выхода блока регистров двоичный код поступает на логический блок (блок кодирования), где происходит преобразование двоичного кода в неприводимый сменно-посылочный код. Сигналы с выхода логического блока поступают на блок преобразования в частоту логических сигналов, где находятся генераторы частоты, ключи включения генераторов, полосовые фильтры и сумматор. Колебания с выходов полосовых фильтров поступают на сумматор, с выхода которого в линию поступает выходной сигнал. Работой вышеперечисленных блоков управляет блок управления, который должен производить следующие операции:

  • запуск АЦП на преобразование;

  • управление передачей данных с АЦП;

  • управлять записью в регистры;

  • управлять очерёдностью выдачи в линию посылок.


5 Разработка и расчёт основных блоков схемы


5.1 Параметры НС – кода


Допустимая погрешность для АЦП определяется по следующей формуле:


=0,5доп , (5.1)


=0,5*2.8 = 1.4%.


Количество уровней квантования АЦП (N):


N = 100/ + 1, (5.2)


N = 100/1.4 + 1 = 72.4 .


Поскольку такая разрядность не может быть достигнута то принимаем N=128.


Разрядность кодовой комбинации (n):

n = log2 N, (5.3).


n = log2 128 = 7.


Для преобразования комбинаций двоичного кода (ДК) в НС – код комбинации ДК разбиваются на n групп, число которых равно числу посылок НС – кода nв.

Комбинациям ДК каждой группы присваиваются комбинации частот из соответствующих групп сочетаний, образованных для построения посылок НС – кода .При разбиении разрядов ДК на группы, а так же при формировании комбинаций посылок НС – кода следует учитывать, что число возможных перестановок в группе (комбинаций ДК) не должно превышать количества комбинаций соответствующих посылок:

, (5.4)

где

Niгрдк – число комбинаций i – ой группы ДК;

Nnвi – количество комбинаций i – ой посылки НС.


Выбор числа частотных позиций nч для построения комбинаций посылок НС – кода производится из условия:


. (5.5)


Примем nв = 3 (nв – количество посылок).

Для преобразования семиразрядного ДК в НС – код , у которого nв=3 mч=2, количество необходимых комбинаций:


Nком 23+2*22 =16.


При nч = 7 Nком = 21,а при nч = 6 Nком = 15 ,поэтому будем использовать 7 частотных позиций.


Относительная скорость передачи определяется по следующей формуле:


, (5.6)

где

M – количество информации;

nч – количество частотных позиций;

nв – количество посылок.

По формуле (5.6) находим относительную скорость передачи:


Rf = 7/(7*3) =0.3(3).


Принимая nв = 2 и используем те же формулы.

Для преобразования шестиразрядного ДК в НС – код , у которого nв=2 , mч=2 количество необходимых комбинаций будет равно:


Nком 23 + 24 = 24.


При nч = 8 Nком = 28, поэтому используем 8 частотных позиций.


По формуле (5.6) находим относительную скорость передачи:

Rf = 7/(8*2) =0.43.


На основании вышеприведённых расчётов делаем вывод, что НС – код с параметрами nв = 2 , mч = 2 обеспечивает большую скорость передачи при небольшом затрате аппаратных ресурсов.

5.2 Выбор комбинаций НС –­ кода


На основании вышеприведённых расчётов используем для передачи 8 частотных позиций, то возможно получение 28 комбинаций (Таблица 5.1)


Таблица 5.1

1-2 1-3 1-4 1-5 1-6 1-7 1-8
2-3 2-4 2-5 2-6 2-7 2-8
3-4 3-5 3-6 3-7 3-8
4-5 4-6 4-7 4-8
5-6 5-7 5-8
6-7 6-8
7-8

Для построения кодовых комбинаций 1 – ой посылки нужно использовать 16 комбинаций частот, а для 2-ой посылки 8 комбинаций частот.

По расчётам проведённым ранее необходимо использовать восемь частот, а следовательно, для равномерного использования всех частот каждая частота для первой посылки должна использоваться четыре раза, а для второй два раза. Выбор частотных комбинаций следует производить при помощи карты Карно, потому что использование карт Карно позволит значительно оптимизировать представлении каждой кодовой комбинации для построения логического узла.


5.2.1 1 –я посылка

Ч

D0

D0

астота 1
и 2


1

1

2

2

D3

1

1

2

2

D2









D1



Частота 3 и 4










3

3

4

4

3

3

4

4


Частота 5 и 6






6

5

5

6

6

5

5

6






Частота 7 и 8



8

7

7

8









8

7

7

8


Исходя из данных по картам Карно получаем функции для частот приведённые в таблице 5.2.1.1.

Таблица 5.2.1.1

Частоты Функции
1

2

3

4

5

6

7

8


Исходя из выше приведенных функций получаем комбинации частот для первой посылки приведенные в таблице 5.2.1.2:

таблице 5.2.1.2

код 0000 0001 0010 0011 0100 0101 0110 0111 1000 1001 1010 1011 1100 1101 1110 1111
част. 1-8 2-8 1-7 2-7 3-8 4-8 3-7 4-7 1-6 2-6 1-5 2-5 3-6 4-6 3-5 4-5

5.2.2 2-ая посылка

Частота 1 и 2


1

1



2

2




Частота 3 и 4


3

4



3

4




Частота 5 и 6

D0





5

5

D2



6

6

D1



Частота 7 и 8

D0





7

8

D2



7

8

D1



Аналогично определяем комбинации и для второй посылки.

Получаем следующие функции (таблица 5.2.2.1).

Таблица 5.2.2.1

Частоты Функции
1

2

3

4

5

6

7

8


Конечные значения кодовых комбинаций для второй посылки приведены в таблице 5.2.2.2.


таблице 5.2.1.2

код 000 001 010 011 100 101 110 111
част. 1-3 5-8 1-4 5-7 2-3 6-8 2-4 6-7

5.3 Выбор АЦП


Так как разрядность кода равна 7, то для удобства использования и простоты подключения выбираем микросхему КР572ПВ3. Микросхема представляет собой восьмиразрядный АЦП последовательных приближений, предназначенный для ввода аналоговой информации в микропроцессоры, микроЭВМ и другие устройства вычислительной техники и обеспечивает следующие режимы: сопряжения, статической памяти и с произвольной выборкой. Условное обозначение приведено на рисунке 5.3.1

A/D

BUSY

DB1

DB2

DB3

DB4

DB5

DB6

DB7

DB8

Рисунок 5.3.1


В данной схеме АЦП будет работать в режиме статической памяти. На рисунке 5.3.2 изображена временная диаграмма работы АЦП в этом режиме, а в таблице 5.3 указаны состояния выходов АЦП и текущее функциональное состояние АЦП в зависимости от комбинации сигналов на входе.




Рисунок 5.3.2


Таблица 5.3

CS RD

BUSY

DB7—DB0

Функциональное состояние АЦП

L

H H Z Начало преобразования
L ? H Z –данные Считывание данных
L ? H Данные -- Z Сброс
H X X Z Отсутствие выборки
L H L Z Преобразование
L ? L Z Преобразование
L ? L Z Запрещено

Основные параметры АЦП:


Входное напряжение(максимальное) 10В
Номинальное напряжение питания (вывод 1)
Ток потребления по входу (по выводу 1) 4мА
Опорное напряжение (вывод 2) - 10B
Выходное напряжение низкого уровня

Выходное напряжение высокого уровня >4B
Частота внутреннего тактового генератора 0,4..1,5Мгц
Время преобразования

Входное сопротивление по выводам 3, 4 6..30кОм

5.4 Расчёт делителя напряжения


Блок делителя напряжения предназначен для согласования уровня входного сигнала с входом АЦП. Так как разрядность АЦП равна 8 и максимальное значение входного напряжения равно 10В, а измеряемое напряжение не превышает 15В, то входной блок должен обеспечивать деление напряжения на 6. Этот узел можно реализовать при помощи простого делителя напряжения на резисторах (см. рис. 5.4).


R1


Uвх

Uвых



R2




Рисунок 5.4



Коэффициент деления этой схемы определяется формулой (5.7), при этом необходимо учитывать, что бы значения сопротивлений резисторов в делителе напряжения были раз в 5 меньше входного сопротивления АЦП.


(5.7)


Входное сопротивление АЦП лежит в пределах 6.. 30кОм, поэтому выберем значение R2 равным 1кОм. Из формулы (5.7) R1= 5кОм.

5.5 Реализация регистра


Регистры реализуем при помощи параллельного соединения трёх D-триггеров с соединением С-входов, при помощи которых происходит запись информации в триггеры. Схема регистра изображена на рисунке 5.5.



Рисунок 5.5


Для построения схем регистров используем микросхему КР1533ТМ7, представляющая собой счетверённый D-триггер с общим С-входом.


5.6 Разработка логического узла


Согласно таблицам функций преобразования из двоичного кода в НС-код строим схемы обоих посылок. Коммутация производится при помощи четырёхканального мультиплексора КР1554 .Схема логического блока показана на схеме электрической принципиальной. Основная суть состоит в том, что номер посылки определяется третьим входом на схемах И, т.е. на какие элементы будет подана «1», та часть кода и будет закодирована.


5.7 Выбор передаваемых частот и полос пропускания


Передаваемые частоты должны располагаться в полосе частот от 0,4 до 3,2 кГц. Поскольку рекомендуется передавать частоты в полосе шириной 2,2 кГц, то, приняв центральную частоту равной 1,8 кГц, определим границы полосы частот от 0,7 кГц до 2,9 кГц. Поскольку канал связи имеет параболическую характеристику скорости распространения колебаний различных частот, минимум которой находится на центральной частоте 1,8 кГц (рис. 5.7), то крайние подканалы должны иметь большую ширину чем центральные, так как она определяется по формуле:

, (5.8)

где

tпос – время посылки;

- задержка распространения сигнала;

tнар – время нарастания сигнала.

В свою очередь время нарастания сигнала определяется:

(5.9)


Соответственно крайние передающие частоты должны располагаться на большем расстоянии друг от друга. Выбранные частоты сведены в таблицу 5.7.


Таблица 5.7

№ подканала Значение центральной частоты (кГц)

Ширина подканала

(Гц)

1 0.7 230
2 0,9 215
3 1,3 205
4 1,6 200
5 1,8 200
6 2,0 200
7 2,3 205
8 2,7 210

П
о графику (рис. 5.7) определяем значение Dt , и по формулам (5.8) и (5.9) находим ширину каждого подканала. Значения сводим в таблицу 5.4.


5.8 Расчёт генераторов гармонических колебаний


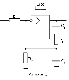
Для реализации генераторов возьмём схемы на основе операционных усилителей (ОУ) с мостом Вина. Реализация схем генераторов на основе операционных усилителей является наиболее простой. Схема генератора гармонических колебаний приведена на рис. 5.8.




Если принять R1 = R2 = R и C1 = C2 = C , то частота колебаний будет определяться формулой:

. (5.10)


При этом коэффициент усиления но частоте генерации должен быть не менее 3 и определяется по формуле:

. (5.11)


По формулам (5.10) и (5.11) рассчитаем значения сопротивлений резисторов и емкостей конденсаторов для всех генераторов гармонических колебаний, и полученные значения сведём в таблицу 5.8

Значения сопротивлений резисторов R в каждом генераторе примем равным 10 кОм.


Таблица 5.8


Частота колебаний

Значение С

Значение Rос




Рассчитаное

По Е24

Рассчитаное

По Е24


1

0,7 кГц

24,1 нФ

24 нФ

20 кОм

20 кОм


2

0,9 кГц

18 нФ

18 нФ

20 кОм

20 кОм


3

1,3 кГц

12 нФ

12 нФ

20 кОм

20 кОм


4

1,6 кГц

9,95 нФ

10 нФ

20 кОм

20 кОм


5

1,8 кГц

8,84 нФ

9,1 нФ

20 кОм

20 кОм


6

2,0 кГц

7,96 нФ

8,2 нФ

20 кОм

20 кОм


7

2,3 кГц

6,92 нФ

6,8 нФ

20 кОм

20 кОм


8

2,7 кГц

5,89 нФ

5,6 нФ

20 кОм

20 кОм


5.9 Расчёт полосовых фильтров


В качестве полосовых фильтров возьмём активные фильтры, использующие аппроксимацию Баттарворда как наиболее простые, обеспечивающие стабильные характеристики и часто употребляемые в практике. Для фильтров второго порядка обобщённое выражение для передаточной характеристики выражается формулой:

, (5.12)

где

H0 – максимальный коэффициент передачи в рабочей полосе частот;

п – собственная частота (частота, на которой располагается пик АЧХ );

Q – добротность п/r (r – ширина полосы, определённая как разность между частотами, на которых коэффициент передачи уменьшается на 3 дБ)

С
хема полосового фильтра Баттерворда приведена на рис. 5.9.


.

Если при расчёте принять R­1 = R2 = R4 = R и С3 = С5 = С, тогда формулы для расчета фильтра выглядят следующим образом:

(5.13)

По формулам (5.13) рассчитаем значения элементов фильтров, значения сопротивлений резисторов R и Rвх примем равные 10кОм. Полученные данные сведём в таблицу 5.9.

Таблица 5.9


Частота колебаний

Полоса пропускания

Значение С

Значение Rос





Рассчитаное

По Е24

Рассчитаное

По Е24


1 0,7 кГц 235 Гц 28,0 нФ 22 нФ 20 кОм 20 кОм

2 0,9 кГц 215 Гц 25,0 нФ 18 нФ 20 кОм 20 кОм

3 1,3 кГц 205 Гц 17,3 нФ 12 нФ 20 кОм 20 кОм

4 1,6 кГц 200 Гц 14,0 нФ 10 нФ 20 кОм 20 кОм

5 1,8 кГц 200 Гц 12,5 нФ 9,1 нФ 20 кОм 20 кОм

6 2,0 кГц 200 Гц 11,3 нФ 8,2 нФ 20 кОм 20 кОм

7 2,3 кГц 205 Гц 9,79 нФ 6,8 нФ 20 кОм 20 кОм

8 2,7 кГц 210 Гц 8,34 нФ 5,6 нФ 20 кОм 20 кОм

5.10 Разработка блока управления


Схема блока управления представленная на чертеже управляет работой АЦП и переключением посылок. Счётчик, работающий от генератора тактовых импульсов, выдаёт комбинации на логический узел, посредством которого определяется момент времени поступления необходимой комбинации. Комбинации, используемые в работе блока управления и их назначение, приведены в таблице 5.10.

Время перехода от одной комбинации до другой, определяемое частотой генератора тактовых импульсов, равно 0.43 мс.

Регистр в блоке управления, аналогичны регистру в логическом блоке, предназначен для поддержания постоянного сигнала до поступления новой команды.

Таблица 5.10

0000
0001

Сброс АЦП и начало преобразования

0010

Конец преобразований, считывание информации, запись её в регистр и обработка 1-ой посылки

0011
0100
0101
0110
0111
1000
1001

Конец обработки 1-ой посылки, считывание информации с регистра и обработка 2-ой посылки

1010
1011
1100
1101
1110
1111

6 Основные требования к алгоритмам диагностирования


Диагностирование объектов на основе допускового способа контроля параметров - задача построения алгоритмов диагностирования сводится к выбору составов контрольных точек.

Эффективность процессов диагностирования, оцениваемая, например, временем диагностирования или затратами аппаратуры на хранение и реализацию алгоритмов диагностирования, в некоторых случаях существенно зависит от качества последних.

Оптимизация алгоритмов диагностирования возможна тогда, когда число элементарных проверок, достаточных для решения конкретной задачи диагностирования, меньше числа всех допустимых (т. е. физически возможных и реализуемых) элементарных проверок данного объекта. Для разных элементарных проверок могут требоваться разные затраты на их реализацию; эти проверки могут давать разную информацию о техническом состоянии объекта. Кроме того, одни и те же элементарные проверки могут быть реализованы в различной последовательности.

Поэтому для решения одной и той же задачи диагностирования (например, проверки исправности) можно построить несколько алгоритмов, различающихся либо составом элементарных проверок, либо последовательностью их реализации, либо, наконец, тем и другим вместе и поэтому, возможно, требующих разных затрат на их реализацию.

Необходимость увеличения производительности труда на операциях диагностирования, сокращения времени обнаружения, поиска и устранения неисправностей, уменьшения объемов и сложности средств диагностирования вызывает интерес к разработке методов построения оптимальных алгоритмов, требующих минимальных затрат на их реализацию. Построение оптимальных алгоритмов во многих случаях сопряжено с трудностями вычислений и поэтому зачастую удовлетворяются оптимизированными алгоритмами диагностирования, затраты на реализацию которых как-то уменьшены, но не обязательно минимальны.

Задачи построения оптимальных алгоритмов диагностирования при невысокой размерности могут успешно решаться методами обработки таблиц покрытий (для безусловных алгоритмов) и методами теории вопросников (для условных алгоритмов).

Эффективность процессов диагностирования определяется не только качеством алгоритмов диагностирования, но и в не меньшей степени качеством средств диагностирования. Последние могут быть аппаратурными или программными, внешними или встроенными, ручными, автоматизированными или автоматическими. специализированными или универсальными.

Выбор или разработка средств тестового диагностирования должны осуществляться с учетом многих факторов:

  • наличия серийного выпуска требуемых средств;

  • наличия подходящих средств на заводе-изготовителе объекта;

  • массовости выпуска объекта и его сложности;

  • требуемой производительности средств и т. п.

Средства функционального диагностирования являются, как правило, встроенными и поэтому разрабатываются и создаются одновременно с объектом.

"Традиционные" подходы к организации диагностического обеспечения не могут быть успешно применены для объектов высокой сложности, в том числе для объектов вычислительной тех-

Контролепригодность обеспечивается в результате преобразования структуры проверяемого объекта к виду, удобному для диагностирования. Для этого в объект еще на этапе его проектирования вводят дополнительную аппаратуру — встроенные средства тестового диагностирования.

К встроенным средствам тестового диагностирования можно отнести дополнительные контрольные точки, дополнительные входы для блокирования сигналов и задания требуемых значении сигналов, а также специальную аппаратуру, которая при диагностировании изменяет структуру объекта, оставляя ее исходной в режиме эксплуатации, генерирует тесты и анализирует результаты их реализации.

Из-за отсутствия регулярных и экономичных методов повышения контроле-пригодности объектов на практике широко используются неформальные рекомендации, облегчающие диагностирование объектов.


7 Техническая диагностика и прогнозирование


Оценивая область, охватываемую технической диагностикой, рассмотрим три типа задач определения технического состояния объектов.

К первому тину относятся задачи определения технического состояния, в котором находится объект в настоящий момент времени Это - задачи диагностирования. Задачи второго типа - предсказание технического состояния, в котором окажется объект в некоторый будущий момент времени. Это — задачи прогнозирования. К третьему типу относятся задачи определения технического состояния, в котором находился объект в некоторый момент времени в прошлом. По аналогии можно говорить, что это задачи генеза.

Задачи первого типа формально следует отнести к технической диагностике, а второго типа - к технической прогностике (к техническому прогнозированию). Тогда отрасль знания, которая должна заниматься решением задач третьего типа, естественно назвать технической генетикой.

Задачи технической генетики возникают, например, в связи с расследованием аварий и их причин, когда техническое состояние объекта в рассматриваемое время отличается от состояния, в котором он был в прошлом, в результате появления первопричины, вызвавшей аварию. Эти задачи решаются путем определения возможных или вероятных предыстории, ведущих в настоящее состояние объекта. К задачам технической прогностики относятся, например, задачи, связанные с определением срока службы объекта или с назначением периодичности его профилактических проверок и ремонтов. Эти задачи решаются путем определения возможных или вероятных эволюции состояния объекта, начинающихся в настоящий момент времени.

Решение задач прогнозирования весьма важно, в частности, для организации технического обслуживания объектов по состоянию (вместо обслуживания по срокам или ста ресурсам). Непосредственное перенесение методов решения задач диагностирования на задачи прогнозирования невозможно из-за различия моделей, с которыми приходится работать:

при диагностировании моделью обычно является описание объекта, в то время как при прогнозировании необходима модель процесса эволюции технических характеристик объекта во времени. В результате диагностирования каждый раз определяется не более чем одна "точка" указанного процесса эволюции для текущего момента (интервала) времени. Тем не менее хорошо организованное диагностическое обеспечение объекта с хранением всех предшествующих результатов диагностирования может дать полезную и объективную информацию, представляющую собой предысторию (динамику) развития процесса изменения технических характеристик объекта в прошлом, что может быть использовано для систематической коррекции прогноза и повышения его достоверности.

В период эксплуатации весьма важным является индивидуальное прогнозирование технического состояния каждого конкретного экземпляра объекта, которое позволяет обслуживать объекты по их состоянию. При индивидуальном прогнозировании априорная информация должна быть индивидуальной для каждого экземпляра объекта. Если эту информацию получать в процессе эксплуатации, то она будет учитывать не только конкретные условия применения данного экземпляра объекта по назначению, условия его обслуживания, храпения и транспортирования, но также специфические особенности экземпляра, зависящие, в частности, от конкретных условий изготовления объекта и его составных частей.

Однако и при таком расчленении трудности разработки практически эффективных методов прогнозирования для сложных объектов остаются значительными.

Наиболее простой была бы явная аналитическая модель в которой отсутствует зависимость будущего технического состояния от случайных помех и погрешностей. Стремясь к "идеальной" модели, применяют различные способы математической обработки моделей с целью уменьшения зависимости окончательных результатов измерения прогнозирующих параметров и прогноза от случайных функций Y, X и W. Эти способы заключаются главным образом в сглаживании случайных процессов применением операторов сглаживания, таких, как опера- ' торы математического ожидания, текущего среднего, экспоненциального сглаживания, и некоторых других. Для применения операторов сглаживания необходимо знать характеристики сглаживаемых случайных процессов, например вероятности появления величин Y, X и W, интервалов сглаживания и др., что сопряжено с необходимостью получения и обработки больших объемов априорной информации, что практически далеко не всегда возможно.

Простейшими критериями Годности могут быть, например, абсолютные значения или скорости изменения абсолютных значений интенсивностей отказов, или некоторых (прогнозирующих) параметров.

Конечно, наиболее трудными являются вопросы обоснованного назначения предельного значения критерия годности, а также выбора прогнозирующих параметров. Теоретически обоснованные ответы на эти вопросы удается получить далеко не всегда и только для очень простых объектов. В большинстве случаев, однако, могут оказаться приемлемыми методы экспертных оценок.


8 Связь технической диагностики с надежностью и качеством


Качество продукции есть совокупность ее свойств, обусловливающих пригодность продукции удовлетворять определенные потребности в соответствии с ее назначением. Среди показателей качества продукции важное место занимают показатели ее надежности (безотказности, долговечности, сохраняем ости, ремонтопригодности). Наличие или появление дефектов, что возможно на любой стадии жизни продукции (объектов), отрицательно сказывается на ее качестве и надежности.

Физический аспект, являющийся основным для неделимых объектов, охватывает выбор, совершенствование и создание новых материалов, поиск и реализацию новых физических принципов работы, новых видов энергии и способов ее преобразования, задание щадящих условий применения объектов, совершенствование технологии производства и конструкции и т. п.

Аппаратурный аспект охватывает принципы и методы организации и использования аппаратурной (материальной) избыточности. Это - мажорирование (в частности, дублирование и троирование), распределенное резервирование, статическое и динамическое резервирование, ненагруженный и нагруженный резерв, и т. п.

Информационный аспект надежности включает в себя принципы и методы получения и использования избыточной информации, поступающей на объект, а также передаваемой, перерабатываемой, хранимой и выдаваемой объектом. Это, например, применение избыточных кодов, исправляющих ошибки, и многократное (в частности, двукратное) повторение во времени операций передачи и обработки информации. К информационному аспекту следует отнести также вопросы, связанные с организацией падежного (в частности, нечувствительного к ошибкам) матобеспечения вычислительных машин.

Целью мероприятий, выполняемых в рамках физического аспекта надежности, является создание таких объектов, которые как можно меньше подвержены появлению в них дефектов как при производстве, так и при их эксплуатации. Однако избежать возникновения дефектов в более или менее сложных объектах, особенно при длительной их эксплуатации, нельзя.

Для реализации диагностического обеспечения в общем случае требуется ввести аппаратурную и информационную избыточность, а также дополнительно затратить энергию. Поэтому разработчик, желающий иметь хорошее диагностическое обеспечение для проектируемого объекта, должен сознавать, что для этого потребуются затраты, которые должны определяться технико-экономическими соображениями или даже расчетами, но которые начнут окупаться немедленно -в процессе изготовления объекта и при его наладке. В первую очередь разработчику надлежит рассмотреть все стадии и этапы жизни объекта и для каждого такого этапа решить вопрос о необходимости решении той .или иной задачи диагностирования, выбрать или назначить требуемую полноту обнаружения и глубину поиска возможных (вероятных, допустимых) дефектов объекта, За этим должна следовать разработка и создание соответствующих систем диагностирования.

Главными показателями качества систем диагностирования являются гарантируемые ими полпота обнаружения и глубина поиска дефектов. К числу "вторичных" показателей качества систем диагностирования можно отнести затраты на аппаратуру, время, энергию, а также показатели надежности средств диагностирования, в том числе достоверность диагноза.

Для правильной организации проектирования систем диагностирования такие основные исходные данные, как состав обнаруживаемых дефектов и глубина их поиска, должны быть заданы не "в среднем", а в виде совершенно конкретных перечней дефектов и сменных составных частей объекта.

Внедрение в практику проектирования указанных выше методов количественных расчетов в определенной мере дело будущего. В настоящее время целесообразно согласовывать показатели надежности объектов и характеристики их систем диагностирования путем итеративного рассмотрения ряда вариантов. При этом существенно полезными и эффективными являются машинные системы моделирования надежности, которые обеспечивают возможность учета характеристик диагностического обеспечения моделируемых объектов.


9 Основы теории технической диагностики


В качестве широко применяемых диагностических моделей аналоговых объектов можно назвать их логические модели и графы причинно-следственных связей. Эти модели пригодны в тех случаях, когда возможна организация диагностирования на принципах допускового контроля параметров объекта. Электрические цепи как объекты диагностирования могут быть представлены моделями, разработанными в рамках общей электротехники, а для анализа этих моделей с целью построения алгоритмов диагностирования привлекаются известные методы расчета таких цепей.

Для решения задач тестового диагностирования динамических систем привлекаются методы, основанные на результатах теории чувствительности. Применительно к линейным аналоговым системам разработаны методы дешифрации результатов физических экспериментов над такими объектами с целью как обнаружения, так и поиска их неисправных блоков. Тестовыми воздействиями при этом являются гармонические входные сигналы. Методы, получившие общее название методов интегральной диагностики, основаны на анализе переходных процессов, вызываемых специальными входными воздействиями, и применяются для диагностирования относительно простых "неделимых" объектов (например, резисторов, конденсаторов и других изделий электротехники и электроники) . При этом путем обработки результатов диагностирования удается определять наличие скрытых дефектов, влияющих, например, на показатели долговечности изделий.

Содержательно задача построения теста состоит в том, чтобы найти (вычислить, выбрать, назначить) такую совокупность и, возможно, последовательность входных воздействий, при подаче которой на объект диагностирования получаемые ответы объекта в заданных контрольных точках позволяют сделать заключение о его техническом состоянии. Проверяющие тесты предназначены для проверки исправности или работоспособности объекта, а тесты поиска дефектов — для указания места и, возможно, причин дефектов, нарушающих исправность или работоспособность объекта диагностирования. Для дискретных объектов тесты (точнее, алгоритмы тестового диагностирования) строятся либо по структурным, либо по функциональным моделям объектов диагностирования. Для простых объектов модели могут быть явными, для сложных объектов всегда применяются неявные модели. Тесты могут быть детерминированными или вероятностными. Среди последних заметное место занимают тесты, Представляющие собой псевдослучайные последовательности входных воздействий.

Довольно часто тестовые воздействия выбираются по "физическим" соображениям, например воздействия типа скачка или импульса входного сигнала в методах интегральной диагностики, а также воздействия, применяемые в методах неразрушающего контроля технического состояния.

В качестве тестовых могут быть использованы входные воздействия, являющиеся рабочими при применении объекта по назначению. Это имеет место при организации тестового диагностирования аналоговых объектов, в частности тогда, когда последние представлены их логическими моделями или графами причинно-следственных связей. Составленные таким образом тесты называются функциональными.


10 Разработка технического диагностирования


Разрабатываемая схема приёмника должна осуществлять передачу полученной информации без временных интервалов между посылками, а также производить её обработку с наименьшим временем.

Структурная схема изображена на рисунке 10.




Схема блока управления представленная на чертеже управляет работой АЦП и переключением посылок. Счётчик, работающий от генератора тактовых импульсов, выдаёт комбинации на логический узел, посредством которого определяется момент времени поступления необходимой комбинации. Комбинации, используемые в работе блока управления и их назначение, приведены в таблице 5.10.

Время перехода от одной комбинации до другой, определяемое частотой генератора тактовых импульсов, равно 0.43 мс.

Регистр в блоке управления, аналогичны регистру в логическом блоке, предназначен для поддержания постоянного сигнала до поступления новой команды.


0000
0001

Сброс АЦП и начало преобразования

0010

Конец преобразований, считывание информации, запись её в регистр и обработка 1-ой посылки

0011
0100
0101
0110
0111
1000
1001

Конец обработки 1-ой посылки, считывание информации с регистра и обработка 2-ой посылки

1010
1011
1100
1101
1110
1111

Для определения работоспособности всей системы, исходя из материала изложенного выше, составляем следующую таблицу причинно-следственных связей (таб.10.1).


Таблица 10.1


1

2

3

4

5

S0

1 1 1 1 1

S1

0 1 0 0 0

S2

0 0 0 0 0

S3

1 1 0 0 0

S4

1 1 1 0 0

S5

1 1 1 1 0

В таблице применены следующие обозначения:

  • i – проверочная посылка i–ого блока;

  • Siнеисправность i –ого блока.


По данным этой таблицы строим таблицу для определения работоспособности всей системы (таб.10.2).


Таблица 10.2


1

2

3

4

5

S01

1 0 1 1 1

S02

1 1 1 1 1

S03

0 0 1 1 1

S04

0 0 0 1 1

1

S05

0 0 0 0

Посылка соответствующая выделенной единице – посылка необходимая для проверки работоспособности всей системы. Т.е. если результат после пятого блока системы при воздействии на систему контрольной посылкой будет равен единице, что соответствует рабочему состоянию, то можно сделать утвердительный вывод что система находится в рабочем состоянии и продолжить нормальную работу.

Если эта проверка даст нулевой результат, то это значить что система имеет неисправный блок, а значить необходимо искать место неисправности.

Для нахождения места неисправности составляют следующую таблицу (таб.10.3).


Таблица 10.3


1

2

3

4

5

S12

0 1 0 0 0

S13

1 0 0 0 0

S14

0 1 1 0 0

S15

1 0 1 1 0

S23

1 1 0 0 0

S24

1 1 1 0 0

S25

1 1 1 1 0

S34

0 0 1 0 0

S35

0 0 1 1 0

S45

0 0 0 1 0

Для нахождения места неисправности необходимо и достаточно использовать только четыре проверки вместо пяти – 1,2,3 и 4 посылки.


11 Разработка схемы диагностирования


Создание схемы технического диагностирования в основном заключается в создании некоторого стандартного воздействия на систему и контроле за реакцией системы на это воздействие (т.е. сравнение выходной величины системы с необходимым значением).

Для данной системы телеизмерения входной величиной является аналоговая величина некоторой измерянной величины. Соответственно, блок создания стандартного проверочного воздействия должен создавать аналоговый сигнал, которым наиболее вероятно определить работоспособность системы.

В качестве стандартного сигнала возьмём постоянный во времени аналоговый сигнал с амплитудой равной 15В, т.к. такой проверочный сигнал позволит намного уменьшить схемную реализацию контролирующего устройства.

Т.к. постоянный во времени аналоговый сигнал амплитудой 15В уже используется для питания микросхем, то блок для своевременной подачи стандартного сигнала будет состоять только лишь из одного триггера пропускающего этот сигнал по команде блока управления схемы системы телеизмерения (рис.11).




Данное решение блока создания стандартного сигнала очень простое и экономичное, однако, это решение имеет один минус – нестабильность питания микросхем от внешних источников.

Но с другой стороны, если питание микросхем будет нестабильным, то стандартный проверочный сигнал будет создан неверно и естественно что контролирующий блок выдаст ошибку работы системы. Данный случай показывает, что диагностирование будет вестись не только по работоспособности отдельных блоков, но и по правильности их питания от внешних источников.


12 Диагностирование работоспособности системы


Из данных приведенных в таблице 10.2, следует, что для проверки работоспособности системы необходимо проверить только пятую посылку, т.е. проверить выходной сигнал пятого блока – блок преобразования в частоту.

Т.к. выходной сигнал пятого блока – аналоговый сигнал определённой частоты, то для контроля правильности этого сигнала необходимо использовать ЦАП и блок логических элементов сравнивающий выходной сигнал с сигналом который должен быть на выходе. Связь этих элементов показана на рисунке 11.




Триггер показанный на рисунке 11 выполняет функцию “клапана” для задержки информации в нормальном режиме работы системы. Этот триггер может также использоваться в качестве триггера пропускающего входной сигнал.

Таким образом, если логическая схема контроля выдаёт сигнал высокого уровня, то система в данный момент времени работоспособна, если низкого уровня, то система в данный момент времени не работоспособна и необходимо провести ещё ряд тестов.

Для наибольшей достоверности работоспособности системы данное диагностирование должно проводится постоянно в тот момент времени когда входной сигнал системы отсутствует. Для этого необходимо что бы блок управления системы постоянно давал разрешение на проверку работоспособности системы в момент времени когда непроисходят преобразования в АЦП.


13 Заключение


Разработаное устройство передачи данных выполняет преобразования аналогового сигнала в НС-код без пауз, что значительно повышает скорость передачи данных.

Также данное устройство постоянно в моменты простоя системы производит контроль на работоспособность, что позволяет намного повысить надёжность работы устройства, а значить предотвращение необратимых ошибок в приёмном устройстве.

При возникновении ошибки в системе схема контроля за работоспособностью останавливает работу устройства и выдаёт визуальный сигнал о непригодности системы к работе.

Данное устройство систем телеизмерения соответствует техническому заданию на бакалаврскую работу.


47



© 2012 Рефераты, курсовые и дипломные работы.