рефераты
Главная

Рефераты по рекламе

Рефераты по физике

Рефераты по философии

Рефераты по финансам

Рефераты по химии

Рефераты по хозяйственному праву

Рефераты по цифровым устройствам

Рефераты по экологическому праву

Рефераты по экономико-математическому моделированию

Рефераты по экономической географии

Рефераты по экономической теории

Рефераты по этике

Рефераты по юриспруденции

Рефераты по языковедению

Рефераты по юридическим наукам

Рефераты по истории

Рефераты по компьютерным наукам

Рефераты по медицинским наукам

Рефераты по финансовым наукам

Рефераты по управленческим наукам

Психология и педагогика

Промышленность производство

Биология и химия

Языкознание филология

Издательское дело и полиграфия

Рефераты по краеведению и этнографии

Рефераты по религии и мифологии

Рефераты по медицине

Рефераты по сексологии

Рефераты по информатике программированию

Краткое содержание произведений

Реферат: Разработка программной и аппаратной поддержки к методическим указаниям Программирование микроконтроллеров

Реферат: Разработка программной и аппаратной поддержки к методическим указаниям Программирование микроконтроллеров

Министерство ОБРАЗОВАНИЯ РОССИЙСКОЙ ФЕДЕРАЦИИ


Воронежский Государственный Университет

Физический факультет



№______________________

кафедральной регистрации

“К ЗАЩИТЕ ДОПУЩЕНА”

Зав. кафедрой физики полупроводников

и микроэлектроники

проф. __________ Петров Б.К.

“____”__________2002 г.


УДК.681.3 КОРОБКОВ Георгий Николаевич


РАЗРАБОТКА ПРОГРАММНОЙ И АППАРАТНОЙ
ПОДДЕРЖКИ К МЕТОДИЧЕСКИМ УКАЗАНИЯМ
«ПРОГРАММИРОВАНИЕ МИКРОКОНТРОЛЛЕРОВ»


Магистерская диссертация по направлению «Физика»


Научный руководитель

доц. ___________ Клюкин В.И.


ВОРОНЕЖ 2002


РЕФЕРАТ


УДК. 681.3 КОРОБКОВ Георгий Николаевич

РАЗРАБОТКА ПРОГРАММНОЙ И АППАРАТНОЙ ПОДДЕРЖКИ К МЕТОДИЧЕСКИМ УКАЗАНИЯМ «ПРОГРАММИРОВАНИЕ МИКРОКОНТРОЛЛЕРОВ». – Магистерская диссертация по направлению «Физика», Воронеж, ВГУ, 2002. – 93 с., илл. 45, табл. 4, прилож. 5, библ. 21 назв.


В настоящее время микроконтроллеры принимают все большее распространение. Однако, информации по вопросам обучения программированию микроконтроллеров в соединении с внешними исполнительными бывает не достаточно.

В работе рассмотрены архитектура, аппаратные и программные средства распространенных и недорогих микроконтроллеров фирмы ATMEL серии AVR типа AT90S1200, AT90S2313, AT90S4414 и AT90S8515. Анализ методики программирования в интегрированной среде разработке позволил объединить практические рекомендации с некоторыми особенностями обучения программирования микроконтроллеров. На основании этого предложен алгоритм обучения.

Предложен макет программатора, который позволяет, как программировать, так и обучать этому процессу. Приведен набор типовых задач которые могут быть реализованы на вспомогательных платах внешних устройств, подключаемых к программатору через соответствующие порты.

Так же приведены решения четырех типовых задач по работе с памятью, индикацией, устройство «кодовый замок» и устройство измерителя частоты звукового диапазона. В приложениях приведены тексты программ и справочные данные на рассмотренные AVR микроконтроллеры.

СОДЕРЖАНИЕ

ВВЕДЕНИЕ 5

1. ОСНОВЫ АРХИТЕКТУРЫ МИКРОКОНТРОЛЛЕРОВ 7

1.1. ОСНОВНЫЕ ТИПЫ МИКРОКОНТРОЛЛЕРОВ И ИХ АРХИТЕКТУРА 7

Система команд. 9

Типы памяти МК. 9

1.2. Аппаратные средства 11

1.2.1. Запуск микроконтроллера 11

Сброс в начальное состояние. 11

1.2.2. Тактирование и командные циклы 11

1.2.3. Программный счетчик и АЛУ 12

1.2.4. Подпрограммы и функции 14

Прерывания. 15

Таймеры. 17

1.2.5. Ввод/вывод данных 18

Аналоговый компаратор. 19

Программирование устройств. 20

Безопасность памяти программ. 21

1.3. Инструментальные и программные средства разработки и отладки 21

Симуляторы 22

Интегрированные среды разработки 23

Язык Ассемблера. 25

Языки программирования высокого уровня. 26

1.4. Основные типы интерфейсов МК. 28

1.4.1. Подключение переключателей и подавление «звона» контактов. 28

1.4.2. Световая индикация. 29

Семи сегментный индикатор. 29

1.4.3. Ввод с матричной клавиатуры. 31

2. ОСОБЕННОСТИ ПОСТРОЕНИЯ И ФУНКЦИОНИРОВАНИЯ МИКРОКОНТРОЛЛЕРОВ ФИРМЫ ATMEL СЕМЕЙСТВА AVR 33

2.1. Архитектура микропроцессорного ядра AVR-микроконтроллеров 33

Программная модель AVR и система команд. 35

Адресация регистров ввода/вывода и памяти SRAM. 36

Программный счетчик и стек 38

Регистр состояния. 40

Прерывания. 41

2.2. Аппаратные средства AVR. 42

Системный тактовый генератор. 42

Таймеры. 42

Сторожевой таймер. 43

Устройство внешнего вывода. 44

Аналоговый ввод/вывод. 45

Конфигурирование МК 46

Память данных EEPROM. 47

Подключение питания и запуск. 48

Программирование в системе. 48

2.3. Система команд микроконтроллера AVR 50

Способы адресации данных 50

Команды пересылки данных. 53

Команды арифметических и логических операций. 54

Команды ветвления 55

Битовые команды и команды тестирования битов. 56

3. ПРОГРАММНОЕ И ИНСТРУМЕНТАЛЬНОЕ ОБЕСПЕЧЕНИЕ ПРОЦЕССА ПРОГРАММИРОВАНИЯ МИКРОКОНТРОЛЛЕРОВ 57

3.1. Написание и отладка программного кода с помощью AVR Studio 57

3.1.1. Обзор AVR Studio 58

3.1.2. Создание нового проекта 59

3.1.3. Исполнение программного кода 63

3.2. Анализ методики реализации разработки программного обеспечения 70

3.2.1. Классификация вариантов заданий 70

Варианты заданий 71

Основные принципы выполнения заданий. 73

3.2.2. Рассмотрение типовых примеров 74

3.3. Описание макета программатора. 78

ЗАКЛЮЧЕНИЕ 81

БИБЛИОГРАФИЧЕСКИЙ СПИСОК ИСПОЛЬЗОВАННЫХ ИСТОЧНИКОВ 82

ПРИЛОЖЕНИЕ 1
Инструкции процессоров AVR. 84

ПРИЛОЖЕНИЕ 2.
Таблица регистров микроконтроллера AT90S1200 89

ПРИЛОЖЕНИЕ 3.
Программа для измерителя звуковой частоты 90

ПРИЛОЖЕНИЕ 4.
Программа для устройства «кодовый замок» 93

ПРИЛОЖЕНИЕ 5.
Основные характеристики микроконтроллеров AVR 95


ВВЕДЕНИЕ


Можно считать что микроконтроллер (МК) – это компьютер, разместившийся в одной микросхеме. Отсюда и его основные привлекательные качества: малые габариты; высокие производительность, надежность и способность быть адаптированным для выполнения самых различных задач.

Микроконтроллер помимо центрального процессора (ЦП) содержит память и многочисленные устройства ввода/вывода: аналого-цифровые преобразователи, последовательные и параллельные каналы передачи информации, таймеры реального времени, широтно-импульсные модуляторы (ШИМ), генераторы программируемых импульсов и т.д. Его основное назначение – использование в системах автоматического управления, встроенных в самые различные устройства: кредитные карточки, фотоаппараты, сотовые телефоны, музыкальные центры, телевизоры, видеомагнитофоны и видеокамеры, стиральные машины, микроволновые печи, системы охранной сигнализации, системы зажигания бензиновых двигателей, электроприводы локомотивов, ядерные реакторы и многое, многое другое. Встраиваемые системы управления стали настолько массовым явлением, что фактически сформировалась новая отрасль экономики, получившая название Embedded Systems (встраиваемые системы).

Достаточно широкое распространение имеют МК фирмы ATMEL, функциональные возможности которых охватывают все перечисленные задачи [1,2].

Применение МК можно разделить на два этапа: первый – программирование, когда пользователь разрабатывает программу и прошивает ее непосредственно в кристалл, и второй – согласование спроектированных исполнительных устройств с запрограммируемым МК. Значительно облегчают отладку программы на первом этапе – симулятор, который наглядно моделирует работу микропроцессора. На втором этапе для отладки используется внутрисхемный эмулятор, который является сложным и дорогим устройством, зачастую недоступным рядовому пользователю.

В тоже время в литературе мало уделено внимания вопросам обучения программированию некоторых недорогих МК, в сочетании с реальными исполнительными устройствами.

Разработка макета программатора отличающегося простотой, наглядностью и низкой себестоимостью, становиться необходимой как для самого программирования кристаллов, так и для наглядного обучения широкого круга пользователей основам программирования МК.


1. ОСНОВЫ АРХИТЕКТУРЫ МИКРОКОНТРОЛЛЕРОВ

1.1. ОСНОВНЫЕ ТИПЫ МИКРОКОНТРОЛЛЕРОВ И ИХ АРХИТЕКТУРА

Если представить все типы современных микроконтроллеров (МК), то можно поразиться огромным количеством разнообразных приборов этого класса, доступных потребителю. Однако все эти приоры можно разделить на следующие основные типы:

  • Встраиваемые (embedded) 8-разрядные МК;

  • 16- и 32-разрядные МК;

  • Цифровые сигнальные процессоры.

Промышленностью выпускаются очень широкая номенклатура встраиваемых МК. В них все необходимые ресурсы (память, устройства ввода-вывода и т.д.) располагаются на одном кристалле с процессорным ядром [3]. Если подать питание и тактовые импульсы на соответствующие входы МК, то можно сказать, что он как бы «оживет» и с ним можно будет работать. Обычно МК содержат значительное число вспомогательных устройств, благодаря чему обеспечивается их включение в реальную систему с использованием минимального количества дополнительных компонентов. В состав этих МК входят:

  • Схема начального запуска процессора (Reset);

  • Генератор тактовых импульсов;

  • Центральный процессор;

  • Память программ (E(E)PROM) и программный интерфейс;

  • Средства ввода/вывода данных;

  • Таймеры, фиксирующие число командных циклов.

Общая структура МК показана на рис. 1.1. Эта структура дает представление о том, как МК связывается с внешним миром.

Более сложные встраиваемые МК могут дополнительно реализовывать следующие возможности:

  • Встроенный монитор/отладчик программ;

  • Внутренние средства программирования памяти программ (ROM);

  • Обработка прерываний от различных источников;

  • Аналоговый ввод/вывод;

  • Последовательный ввод/вывод (синхронный и асинхронный);

  • Параллельный ввод/вывод (включая интерфейс с компьютером);

  • Подключение внешней памяти (микропроцессорный режим).

Все эти возможности значительно увеличивают гибкость применения МК и делают более простым процесс разработки систем на и основе.



Рис. 1.1. Структура микроконтроллера.

Некоторые МК (особенно 16- и 32-разрядные) используют только внешнюю память, которая включает в себя как память программ (ROM), так и некоторый объем памяти данных (RAM), требуемый для данного применения. Они применяются в системах, где требуется большой объем памяти и относительное не большое количество устройств (портов) ввода/вывода. Типичным примером применения такого МК с внешней памятью является котроллер жесткого диска (HDD) с буферной кэш-памятью, который обеспечивает промежуточное хранение и распределение больших объемов данных (порядка нескольких мегабайт). Внешняя память дает возможность такому микроконтроллеру работать с более высокой скоростью, чем встраиваемый МК.

Цифровые сигнальные процессоры (DSP) – относительно новая категория процессоров. Назначение DSP состоит в том, чтобы получать текущие данные от аналоговой системы, обрабатывать данные и формировать соответствующий отклик в реальном масштабе времени. Они обычно входят в состав систем, используясь в качестве устройств управления внешним оборудованием, и не предназначены для автономного применения.

Система команд.

В зависимости от числа используемых кодов операций системы команд МК можно разделить на две группы: CISC и RISC. Термин CISC означает сложную систему команд и является аббревиатурой английского определения Complex Instruction Set Computer. Аналогично термин RISC означает сокращенную систему команд и происходит от английского Reduce Instruction Set Computer. Систему команд МК 8051 можно отнести к типу CISC. Однако, не смотря на широкую распространенность этих понятий, необходимо признать, что сами названия не отражают главного различия между системами команд CISC и RISC. Основная идея RISC архитектуры – это тщательный подбор таких комбинаций кодов операций, которые можно было бы выполнить за один такт тактового генератора. Основной выигрыш от такого подхода – резкое упрощение аппаратной реализации ЦП и возможность значительно повысить его производительность.

Очевидно, что в общем случае одной команде CISC соответствует несколько команд RISC. Однако обычно выигрыш от повышения быстродействия в рамках RISC перекрывает потери от менее эффективной системы команд, что приводит к более высокой эффективности RISC систем в целом по сравнению с CISC.

Однако в настоящее время грань между CISC и RISC архитектурой стремительно стирается. Например, МК семейства AVR фирмы Atmel имеют систему команд из 120 инструкций, что соответствует типу CISC. Однако большинство из них выполняется за один такт, что является признаком RISC архитектуры. Сегодня принято считать, что признаком RISC архитектуры является выполнение команд за один такт тактового генератора. Число команд само по себе значения уже не имеет.

Типы памяти МК.

Можно выделить три основных вида памяти, используемой в МК:

а) память программ;

б) память данных;

в) регистры МК.

Память программ представляет собой постоянную память, предназначенную для хранения программного кода и констант. Эта память не изменяет содержимого в процессе выполнения программы. Память данных предназначена для хранения переменных в ходе выполнения программы. Регистры МК – этот вид памяти включает внутренние регистры процессора и регистры, которые служат для управления периферийными устройствами.

Для хранения программ обычно служит один из видов постоянной памяти: ROM (масочные ПЗУ), PROM (однократно программируемые ПЗУ), EPROM (электрически программируемые ПЗУ с ультрафиолетовым стиранием) или EEPROM (ПЗУ с электрической записью и стиранием, к этому виду также относятся современные микросхемы Flash-памяти). Все эти виды памяти являются энергонезависимыми – это означает, что содержимое памяти сохраняется после выключения питания МК.

Многократно программируемые ПЗУ – EPROM и EEPROM (Electrically Erasable Programmable Memory) подразделяются на ПЗУ со стиранием ультрафиолетовым (УФ) облучением (выпускаются в корпусах с окном), и МК с электрически перепрограммируемой памятью, соответственно.

В настоящее время протоколы программирования современной EEPROM памяти позволяют выполнять программирование МК непосредственно в составе системы, где он работает. Такой способ программирования получил название – ISP (In System Programming). И теперь можно периодически обновлять программное обеспечение МК без удаления из платы. Это дает огромный выигрыш на начальных этапах разработки систем на базе МК или в процессе их изучения, когда масса времени уходит на многократный поиск причин неработоспособности системы и выполнение последующих циклов стирания-программирования памяти программ.

Функционально Flash-память мало отличается от EEPROM. Основное различие состоит в способности стирания записанной информации. В памяти EEPROM стирание производится отдельно для каждой ячейки, а во Flash-памяти стирание осуществляется целыми блоками.

ОЗУ (RAM) – оперативное запоминающее устройство, используется для хранения данных. Эту память называют еще памятью данных. Число циклов чтения и записи в ОЗУ неограниченно, но при отключение питания вся информация теряется.


1.2. Аппаратные средства

1.2.1. Запуск микроконтроллера

Во многих приложениях используется батарейное питание МК, а в некоторых случаях применяются даже конденсаторы большой емкости, которые обеспечивают сохранение работоспособности при кратковременных отключеньях питания. Поэтому проблема энергопотребления (энергосбережения) весьма актуальна для МК. Так как практически все современные МК производятся по КМОП технологии, то они потребляют значительно меньше мощности, чем ранее выпускавшиеся биполярные или n-МОП – микроконтроллеры.

Сброс в начальное состояние.

На рис. 1.3. изображена схема сброса. Эту схему лучшего всего использовать в случаях, когда гарантированно поддержание напряжения питания в рабочем диапазоне. Кнопка RESET используется в процессе разработки устройств для сброса МК в начальное состояние. (См. рис. 1.2. )



Рис. 1.2. Схема RESET.

1.2.2. Тактирование и командные циклы

Существует три способа задания тактовой частоты МК. Первый способ – использование кварцевого резонатора. Второй способ синхронизации – использования RC генератора. Третий способ синхронизации – это подача тактовых импульсов от внешнего генератора. С его помощью можно задать любую частоту синхронизации.

Следует обратить внимание на то, что командные циклы и такты синхронизации не одно и тоже. Командный цикл состоит обычно из нескольких тактов, которые необходимы процессору для выполнения команды. На рис. 1.3, показан командный цикл, состоящий из четырех тактов.



Рис. 1.3. Командный цикл и машинные такты.

В течении командного цикла микропроцессор или микроконтроллер выполняет необходимые операции, используя тактовые сигналы для синхронизации этих операций. Некоторые команды требуют для выполнения более одного командного цикла.

1.2.3. Программный счетчик и АЛУ

Программный счетчик (Program Counter) или счетчик команд (СК) используется для указания следующей команды выполняемой программы. Реализация этой функции значительно усложняется, когда необходимо сохранить содержимое СК при вызове подпрограмм и обработке запросов прерывания или обеспечить ветвление программы. СК представляет собой счетчик с параллельным вводом/выводом. В процессорах с Принстонской архитектурой содержимое СК поступает оп шине данных в схему управления памятью, указывая адрес считываемой команды. Часто СК входит в состав схемы управления памятью – это позволяет избежать передачи адреса по внутренней шине данных. Важные особенности функционирования СК – параллельная загрузка нового содержимого, поступающего с шины данных, возможность сброса (возврат к адресу первой команды программы), реализация инкремента. В 8-разрядных МК разрядность СК обычно больше, чем 8 бит. При загрузки в СК нового адреса, он поступает по шине данных частями по 8-бит, что требует выполнения дополнительных машинных циклов. Чтобы сократить время загрузки СК, некоторые МК имеют команды ветвления, при которых загружается только 8 младших разрядов адреса, а старшие разряды остаются без изменения. При выполнении такой команды достаточно передать по шине данных только один байт, тогда как для загрузки полного 16-разрядного адреса требуется пересылка двух байт.

После чтения очередной команды содержимое СК увеличивается (инкрементируется), чтобы обеспечить переход к адресу следующей команды. Если выполняется вызов подпрограммы или происходит прерывание, то адрес возврата (текущее состояние СК) может быть сохранен в стеке без выполнения дополнительных тактов для инкремента содержимого СК. В работе с МК необходимо следить, чтобы значение СК не вышло за пределы памяти программ. Так как это может привести к выполнению неопределенных команд и непредсказуемому результату.

Арифметико-логическое устройство (АЛУ) процессора используется для выполнения всех математических операций в программе. Это операции включают сложение, вычитание, логическое И, логическое ИЛИ, сдвиг содержимого регистров и установку содержимого регистра состояния в соответствии с полученным результатами. АЛУ не используется при чтении или записи данных или команд, оно служит только для обработки данных.

АЛУ можно представить как аппаратный блок, который обрабатывает два слова данных (операнды) и сохраняет полученный результат (см. рис. 1.4). Как вводятся операнды в АЛУ и куда поступает результат – зависит от конкретного типа МК. В этом состоит одно из основных различий между разными типами процессоров и системами команд. Некоторые МК выбирают один операнд из регистра-аккумулятора и сохраняют результат также в аккумуляторе. Другие МК позволяют использовать различные источники операндов и места размещения результатов.



Рис. 1.4. Структура АЛУ.

АЛУ обычно работает только с положительными целыми числами. Однако при выполнении вычитания получаются отрицательные числа, если вычитаемое больше уменьшаемого. Для представления отрицательных чисел используется дополнительный код – «дополнение до двух». Это необходимо учитывать при знакомстве с работой АЛУ.

Вместо вычитания одного числа из другого, происходит добавление отрицательного числа:

А – В = А + (-В),

где отрицательное число (-В) представляется в дополнительном коде. Чтобы получить дополнительный код отрицательного двоичного числа, необходимо инвертировать значение каждого бита, а затем прибавить единицу:

-В = ( В ^ 0хff ) + 1, где ^ - операция «исключительное или».

Сложность АЛУ во многом определяет сложность всего МК в целом. Часто над созданием АЛУ работает группа разработчиков, сравнимая по составу с той, которая работает над остальной частью микропроцессора или микроконтроллера. От того, как работает АЛУ, зависит функционирование процессора, входящего в состав МК, а значит и всего МК в целом.

1.2.4. Подпрограммы и функции

При вызове подпрограммы или функции требуется сохранить содержимое СК для того, чтобы команда возврата могла вернуть управление исходной программе. Это может выполняться автоматически путем сохранения адреса возврата в сетке. При возврате к исходной программе адрес извлекается из стека и загружается в СК. Вызов функции может быть реализован в МК, не имеющих стека, путем использования индексного регистра для эмуляции стека. Если нельзя непосредственно загрузить в стек содержимое СК, то адрес возврата к исходной программе можно сохранить в эмулированном стеке.

Иногда приходится передавать функции некоторые параметры. Один из самых эффективных и часто встречаемых способов передачи параметров в функцию – это поместить их в стек перед вызовом функции. В подпрограмме можно загрузить индексный регистр значения указателя стека и таким образом получить доступ к параметрам.

Другим способом передачи параметров является их сохранение в регистрах процессора или в памяти данных в качестве специальных переменных. Передача параметров через регистры сокращает число регистров, доступных при выполнении функции. Сохранение же параметров в виде специальных переменных уменьшает объем памяти, доступной для использования программой. Данное ограничение может быть весьма существенно для МК. Обычно значения возвращаемых параметров загружаются в регистры процессора, т.к. это наиболее быстрый и эффективный способ передачи данных.

Прерывания.

Прерывание – это запуск специальной подпрограммы (называемой «обработчиком прерывания» или «программой обслуживания прерывания»), который вызывается сигналом аппаратуры. На время выполнения этой подпрограммы реализация текущей программы останавливается(см. рис.1.5). Термин «запрос на прерывание» (interrupt request) используется потому, что иногда программа отказывается подтвердить прерывание и выполнить обработчик прерывания немедленно.



Рис. 1.5. Выполнение прерываний.

МК может не реагировать на прерывания, пока не завершится выполнение текущей задачи – этот реализуется путем запрещения (маскирования) обслуживания запроса прерывания. После решения задачи возможен один из двух вариантов: сброс маски и разрешение обслуживания прерывания, что приведет к вызову обработчика прерывания, или анализ значения битов, указывающих на поступление запросов прерывания и непосредственное выполнение программы обслуживания без вызова обработчика прерывания. Такой метод обработки прерывания используется, когда требуется обеспечить заданное время выполнения основной программы, так как любое пребывание может нарушить реализацию необходимого интерфейса.

Обработчик всегда обеспечивает следующую последовательность действий:

  1. Сохранить содержимое регистров контекста.

  2. Сбросить контроллер прерываний и оборудование, вызвавшее запрос.

  3. Обработать данные.

  4. Восстановить содержимое регистров контекста.

  5. Вернуться к прерванной программе.

Регистры контекста – это регистры, определяющие текущее состояние выполнения основной программы. Обычно к их относят СК, регистры состояния и аккумулятор. Другие регистры МК, такие как индексные регистры, могут быть использованы в процессе обработки прерывания, поэтому их содержимое также необходимо сохранить. Все остальные регистры являются специфическими для конкретного типа МК и его применения.

После сброса в исходное состояние контроллер прерываний готов воспринимать следующий запрос, а оборудование, вызывающее прерывание, готово посылать запрос, когда возникают соответствующие причины. Если поступит новый запрос прерывания, то регистр маскирования прерываний процессора предотвратит обработку прерывания, но регистр состояния прерываний зафиксирует этот запрос, который будет ожидать своего обслуживания. После завершения обслуживания текущего прерывания маска прерывание будет сброшена, и вновь поступивший запрос поступит на обработку.

Вложенные прерывания сложны некоторым типам МК, которые не имеют стека. Эти прерывания так же могут вызывать проблемы, связанные с переполнением стека.

Иногда МК может быстро отреагировать на запрос прерывания, приняв необходимые данные, которые будут потом использованы после решения текущей задачи. Это реализуется путем сохранения поступивших данных в массиве памяти и последующей их обработки, когда выполнение исходной программы буде завершено. Такой способ обслуживания является хорошим компромиссом между немедленной полной обработкой прерывания, которая может потребовать много времени, и игнорированием прерывания, что может привести к потере информации о событии, вызвавшем прерывание.

При обработке прерывания содержимое регистра состояния обычно (но не всегда) автоматически сохраняется вместе с содержимым СК перед обработкой прерывания. Это избавляет от необходимость сохранять его в памяти программными средствами с помощью команды пересылки, а затем восстанавливать при возврате к исходной программе. Однако такое автоматическое сохранение реализуется не во всех типах МК.

Если содержимое регистра состояния сохраняется перед началом обработки прерывания, то по команде возврата производится его автоматическое обновление. Если содержимое других регистров изменяется при выполнении обслуживания прерывания, то оно также должно быть сохранено в памяти до изменения и восстановлено перед возвратом в основную программу.

«Вектор прерывания» – это адрес, который загружается в СК при переходе к обработчику прерывания. Существует несколько типов векторов. Адрес, который загружается в СК при запуске МК (RESET) называется «вектор сброса». Для различных прерываний могут быть заданы различные вектора. Но иногда различным прерываниям назначается один вектор. Это не должно вызвать проблем при работе с МК, так как чаще всего он исполняет одну единственную программу. В МК, где аппаратная часть хорошо известна, не должно возникнуть каких либо проблем при совместном использовании векторов прерываний.

В заключении можно добавить, что системные подпрограммы – это своего рода программные прерывания, которые с помощью специальных процессорных команд имитируют аппаратные прерывания. Они располагаются в произвольном месте памяти, или могут требовать для обращения к ним межсегментных переходов.

Таймеры.

Таймеры в микропроцессорных системах используются не только для обеспечения заданной задержки, но и для решения гораздо более широкого круга задач. Обычно для переключения таймера используют тактовые импульсы процессора. Загрузив в таймер начальное значение, можно отсчитывать определенные интервалы времени, фиксируя окончание интервала по моменту переполнения таймера. Часто перед таймером включают предварительный делитель тактовой частоты, чтобы иметь возможность отсчитывать более длинные интервалы времени. Делитель обеспечивает инкремент содержимого таймера после поступления определенного числа тактовых импульсов.

Их можно использовать для точного формирования временных интервалов, подсчета импульсов на выходах МК, формирования последовательности импульсов, тактирования приемопередатчика последовательного канала связи. Таймеры/счетчики способны вырабатывать запросы прерываний, переключая ЦП на их обслуживание по событиям и освобождая его от необходимости периодического опроса состояний таймеров. Поскольку основное применение МК находят в системах реального времени, таймеры/счетчики являются их обязательным элементом. В некоторых модификациях число таймеров достигает 32.

1.2.5. Ввод/вывод данных

Основной интерфейс между МК и внешними устройствами реализуется через параллельные порты ввода/вывода. Во многих МК выводы этих портов служат также для выполнения других функций, например последовательного или аналогового ввода/вывода.

Во многих МК отдельные выводы портов могут быть запрограммированы на ввод или вывод данных. Необходимо обратить особое внимание на то, при вводе данных считывается значение сигнала, поступающего на внешний вывод, а не содержимое триггера данных. Если к внешнему выводу подключены выводы других устройств, то они могут установить свой уровень выходного сигнала, который будет считан вместо ожидаемого значения данных, записанных в триггер. В некоторых МК существует возможность выбора между чтением данных, установленных на выходе триггера или на внешнем выводе.

Когда на шину необходимо вывести «0» или «1», то сначала записывают соответствующее значение в триггер данных, а затем с помощью триггера управления на выходе устанавливается необходимый уровень потенциала. Триггер управления разрешает вывод данных на шину. В современных МК обеспечивается индивидуальный доступ к триггерам данных и управления с помощь адресной шины.

Внешний вывод может быть также использован для подачи запроса прерывания. Это обычно реализуется, когда вывод работает в режиме ввода.

Наиболее распространенный вид связи между различными электронно-вычислительными системами – это последовательный обмен. В этом случае байт данных передается по единственному проводу бит за битом с обеспечением синхронизации между приемником и источником данных. Очевидное преимущество последовательной передачи данных состоит в том, что она требует небольшого количества линий связи.

Существует множество стандартных последовательных протоколов передачи данных. В некоторых МК эти протоколы реализуются внутренними схемами, размещенными на кристалле, что позволят упростить разработку различных приложений.

Аналоговый компаратор.

Часто в МК встраивается аналоговый компаратор напряжений. Компаратор представляет собой простую схему, которая, которая сравнивает два напряжения. Обычно один сигнал называют входным, а другой опорным.[7] На выходе устанавливается «1», если входное напряжение больше, чем опорное (см. рис. 1.6). этот способ наиболее удобно использовать в таких устройствах, как термостаты, где необходимо контролировать достижение определенного уровня измеряемой величины, которая задается значением входного напряжения.




Рис. 1.6. Сигналы на входе и выходе аналогового компаратора.

Программирование устройств.

Программирование устройств, в том числе и микроконтроллеров обычно происходит следующим образом. В регистр программатора загружается значение, которое необходимо разместить по определенному адресу, затем включается схема, которая пересылает содержимое этого регистра по заданному адресу, проходит некоторое время ожидания, пока завершиться процесс программирования выбранной ячейки памяти и, на конец, выполняется верификация, т.е. проверяется правильность записанного значения. Программирование всего устройства может занять от нескольких секунд до нескольких минут в зависимости от размера памяти и алгоритма программирования.

Часто оборудования для программирования оказывается слишком дорогим, особенно для радиолюбителей и предприятий малого бизнеса. Но в некоторых случаях для программирования требуется весьма простое и доступное оборудование. К примеру, некоторые модели PIC и AVR микроконтроллеров программируются очень легко. Существует также устройства, которые не требуют оборудования для программирования, на пример, МК Basic STAMP, или имеют встроенный аппаратно-программный блок, избавляющий от необходимости использования внешнего оборудования, кроме источника повышенного напряжения для программирования, как МК 68НС05.

Очень важный аспект, касающийся программирования устройств, заключается в том, что может ли устройство быть запрограммировано в системе. Это называется внутрисистемное программирование (ВСП) – от английского In-System Programming (ISP). Если МК допускает возможность такого программирования, то это означает, что он может быть смонтирован на плату с пустой памятью программ, которая затем может быть запрограммирована без какого либо влияния на остальные компоненты схемы. Это может стать важным обстоятельством при выборе МК. Использование ВСП избавляет МК от необходимость покупать специальный программатор, дает возможность обновлять программное обеспечения без изменения расположенных на плате аппаратных средств и позволяет производителям создавать запас готовых изделий, которые могут легко модифицироваться в соответствии с поступающими заказами.

Безопасность памяти программ.

Для многих приложений желательно защитить программный код, записанный в МК. Чтобы обеспечить такую возможность многие МК содержат специальные средства для предотвращения считывания хранящихся в них программ. Часто такая возможность реализуется путем установки определенного значения конфигурационного бита в процессе программирования. Обычно значения этого бита можно изменить только в процессе перепрограммирования содержимого памяти МК, например при УФ стирании содержимого EPROM.

Встроенная защита не может предотвратить все возможности считывания программного кода. Такое считывание можно произвести во многих лабораториях, выполняющих анализ причин отказов микросхем, причем за очень короткое время. Чтобы усложнить и сделать операцию считывания менее эффективной, некоторые компании зашифровывают записанные программы путем перемешивания команд и включают специальные аппаратные блоки, которые преобразуют перемешенные данные в поток команд процессора. И все же, установка бита защиты не может гарантировать абсолютную защиту программного кода загруженного в МК.

1.3. Инструментальные и программные средства разработки и отладки

Самый эффективный способ отладки программ для МК – применение специализированных профессиональных инструментальных отладочных средств, к которым следует отнести:

  • внутрисхемные эмуляторы (ВСЭ) – программно аппаратное средство, способное замещать собой эмулируемый процессор в реальном устройстве;

  • программные симуляторы – программное средство способное имитировать работу МК и его памяти;

  • мониторы отладки – специальная программа, загружаемая в память отлаживаемой системы.

  • платы развития (Evaluation Boards – оценочные платы) – своеобразные конструкторы для макетирования прикладных систем;

  • эмуляторы ПЗУ – программно-аппаратное средство, позволяющее заменить ПЗУ отлаживаемого устройства на ОЗУ, в которое можно загрузить программу с компьютера через один из стандартных каналов связи.

Помимо этого существуют и комбинированные устройства и наборы.

Симуляторы

Как правило, симулятор состоит из отладчика, модели ЦП и памяти. Более совершенные устройства содержат в своем составе модели встроенных периферийных устройств (таймеров, портов, АЦП и систем прерываний).

Симулятор должен уметь загружать файлы программ в всех популярных форматах, максимально полно отображать информацию о состоянии ресурсов симулируемого МК, а также предоставлять возможности по симуляции выполнения загружаемой программы в различных режимах. В процессе отладки модель выполняет программу, и на экране монитора компьютера отображается текущее состояние модели.

Загрузив программу в симулятор, пользователь может запускать ее пошаговом или непрерывном режиме, задавать условные или безусловные точки останова, контролировать и свободно модифицировать содержимое ячеек памяти и регистров симулируемого МК. Симулятор позволяет быстро проверить логику выполнения программы, правильность выполнения арифметических операций.

В зависимости от класса используемого отладчика некоторые модели симуляторов поддерживают высокоуровневую отладку программ.

Симулятор может содержать и ряд дополнительных программных средств, например интерфейс внешней среды. Наличие такого интерфейса позволяет создавать и гибко использовать модель внешней среды МК, функционирующую и воздействующую на отлаживаемую программу по заданному алгоритму.

В реальной системе МК обычно «занимается» считыванием информации с подключенных к нему устройств (датчиков), обработкой ее и выдачи управляющих сигналов на исполнительные устройства. Для того чтобы в простом симуляторе смоделировать работу датчика, нужно в ручную изменять текущее состояние модели периферийного устройства, к которому в реальной системе подключен датчик. Но существует ряд современных разработок программных симуляторов, в которых чтобы имитировать внешние условия и ситуации, обычно используется специальный файл входных воздействий. Этот файл задает последовательность входных сигналов, поступающих на моделируемое устройство.


К примеру, для микроконтроллеров AVR этот входной файл программного симулятора может выглядеть следующим образом:

000000000:00

000000006:F1

000000015:18

000000109:1C

000000203:61

000000250:10

000000344:1F

000000391:71

999999999:ff

где каждая строка содержит – цикл:данные , поступающие на какой либо указанный порт.

В некоторых моделях симуляторов эта проблема имитации внешних сигналов решена таким образом, что симулятор имеет встроенное средство для создания моделей подключенных к МК внешних устройств, включая средства графического отображения информации.

Очевидная особенность программных симуляторов в том, что загруженные в них программы выполняются в масштабе времени, отличном от реального. Однако низкая цена, возможность отладки даже при отсутствии макета отлаживаемого устройства делают программные симуляторы весьма привлекательным средством отладки. Необходимо также отметить, что существует целый класс ошибок, которые можно обнаружить только с помощью симулятора.

Интегрированные среды разработки

Идея единства программного и аппаратного обеспечения систем на базе МК является очень важной. Объединение инструментальных средств разработки программного обеспечения с инструментальными средствами разработки аппаратного обеспечения может стать важным преимуществом при разработке устройств.

Существенно облегчают и ускоряют процесс разработки и отладки микропроцессорных систем, так называемые интегрированные среды разработки. Они совмещают в себе текстовый редактор для написания исходных текстов, трансляторы с ассемблера и Си, линкер, отладчик, справочную информацию по МК и другие средства, необходимые разработчику. Настройка трансляторов, линкера и других компонентов производится не методом указания ключей в командной строке, а в виде диалоговых окон, где нужно только расставить «галочки» в нужных местах. Преобразование исходных текстов программ в файл машинных кодов запускается нажатием одной клавишей.

Появление интегрированных сред разработки программ ещё больше повысило эффективность создания программ для МК, позволило разработчику сосредоточиться на сути решаемой задачи и отвлечься от конкретных деталей ее реализации. Интегрированные пакеты для разработки программ выпускают несколько фирм, пакеты разных производителей схожи между собой по функциям, но различаются предоставляемыми сервисными возможностями, удобством работы и качеством генерированного машинного кода.

Напомним, что при традиционном подходе начальный этап написания программ строится следующим образом. Исходный текст набирают с помощью какого либо текстового редактора. По завершению набора работа с текстовым редактором прекращается и запускается кросс-компилятор. Как правило, новая программ содержит синтаксические ошибки, и компилятор сообщает о них на консоль оператора. Затем вновь запускается текстовый редактор, и оператор ищет и устраняет выявленные ошибки. При этом сообщение об их характере, выведенные компилятором уже не видны, так как экран занят текстовым редактором.

Этот цикл может повторяться не один раз. И если программа относительно сложна, собирается из различных частей, подвергается редактированию или модернизации, то даже этот начальный этап может потребовать очень много сил и времени программиста.

Избежать рутинной работы и тем самым существенно повысить производительность труда программиста позволяет появившиеся и быстро завоевывающие популярность так называемые интегрированные среды (оболочки) разработки (Integrated Development Environment – IDE).

Как правило, хорошая интегрированная среда объединяет имеющиеся средства отладки (внутрисхемный эмулятор, программный симулятор и программатор) и обеспечивает работу программиста с текстами программ в стиле диалоговых окон.

Интегрированная среда позволяет:

  • использовать встроенный многофайловый текстовый редактор, специально ориентированный на работу с исходными текстами программ;

  • наблюдать одновременно в многооконном режиме диагностику выявленных при компиляции ошибок и исходный текст программы доступный редактированию;

  • вести параллельную работу над несколькими проектами. Менеджер проектов позволяет использовать любой проект в качестве шаблона для вновь создаваемого. Опции используемых компиляторов и список исходных файлов проекта устанавливаются в диалоговых меню и сохраняются в рамках проекта, устраняя необходимость работы с неудобными bat – файлами:

  • подвергать перекомпиляции, только редактировавшиеся модули;

  • загружать отлаживаемую программу в имеющиеся средства отладки и работать с ними без выхода из оболочки;

  • подключать к оболочки практически любые программные средства.

В последнее время функции интегрированных сред разработки становится принадлежностью программных интерфейсов наиболее «продвинутых» эмуляторов и отладчиков симуляторов. Такие функциональные возможности в сочетании с дружественным интерфейсом существенно ускоряют работу программиста.

Таким образом, выбирая инструментальные средства отладки, целесообразно принимать в расчет следующий комплекс показателей: перечень поддерживаемых МК, ограничения на ресурсы эмулируемых/симулируемых МК, возможность символьной отладки, перечень поддерживаемых компиляторов и, наконец, сервисные возможности.

Язык Ассемблера.

Прежде чем начать разработку какого либо устройства на база МК очень важно познакомиться с основами программирования на языке Ассемблера. При создании приложений для МК следует не только освоить этот метод программирования, но и научиться хорошо понимать, как шаг за шагом выполняется ваша программа, и что при этом происходит в устройстве.

Чтобы процесс изучения языка, написание и отладка программ на Ассемблере был более простым и понятным, существует несколько приемов. Во-первых – использование визуализации процедур выполнения команд процессором. Во-вторых – применение методов структурного программирования, чтобы сделать программы более простыми для чтения и понимания.

Визуализацию выполнения команд лучше всего осуществлять, используя структурную схему процессора или МК, на которой отмечается прохождение данных при выполнении каждой команды. В результате обеспечивается хорошее визуальное представление процесса выполнения команд.

Языки программирования высокого уровня.

Для программирования МК можно использовать различные языки высокого уровня. Термин «язык высокого уровня» служит для обозначения языков, используемых для написания легко читаемых программ, которые конвертируются (компилируются) в язык ассемблера, а затем преобразуются в объектный код (биты и байты) для их выполнения микроконтроллером.

Перечислим основные характеристики языков высокого уровня:

  • наличие встроенных функций (например, консольный ввод/вывод) с подключаемыми библиотеками;

  • разнообразные типы данных (8-, 16-, 32-битные и с плавающей точкой);

  • выполнение арифметических операций с использованием стека;

  • использование локальных и глобальных переменных, указателей и структур данных;

  • распределение памяти;

  • доступ к аппаратным регистрам;

  • символическая информация для симулятора/эмулятора.

Реализация этих характеристик может быть проблематичной для встраиваемых МК, которые обладают следующими особенностями:

  • ограниченный объем памяти программ ROM и памяти данных RAM;

  • отсутствие BIOS или операционной системы;

  • переопределяемый ввод/вывод (когда вывод может использоваться как цифровой/аналоговый/последовательный вход/выход).

Таким образом, использование ассемблера необходимо, если к размеру и быстродействию генерируемого кода предъявляются очень жесткие требования. В настоящее время таких случаев становится все меньше и меньше, т.к. практически всегда можно взять более «быстрый» МК с большим объемом памяти. Кроме того, современные пакеты кросс средств позволяют легко писать смешанные программы, где часть модулей написана на Си, а наиболее критичные к быстродействию части – на ассемблере. Компиляторы Си позволяют также вставлять в исходные тексты ассемблерные инструкции.

При разработке программного обеспечения для МК существует несколько правил, которые следует выполнять, чтобы объем используемых ресурсов не превысил доступный предел.

  1. Использовать только один вид интерфейса с аппаратными средствами (внешними устройствами). Применения различных интерфейсов создает проблемы, если потребуется подключать другие типы внешних устройств.

  2. Идентифицировать глобальные переменные, специфичные для подпрограмм, и не использовать их где-нибудь еще в коде.

  3. Использовать везде, где возможно, локальные переменные (это можно реализовать только в языках высокого уровня).

  4. Если предполагается наличие временно используемых переменных, то программа должна обеспечить их уникальное использование.

Следование этим правилам при разработке прикладных программ избавит вас в дальнейшем от проблем, связанных с устранением трудно выявляемых неустойчивых ошибок в программе.

1.4. Основные типы интерфейсов МК.

1.4.1. Подключение переключателей и подавление «звона» контактов.

При замыкании и размыкании переключателей в цепи возникают импульсные помехи, вызванные дребезгом контактов. Эти помехи обычно называют «шумом» или «звоном». Такое явление часто возникает в системах на базах МК, где для ввода данных используется клавиатура, и «звон» может восприниматься как многократное нажатие клавиши (см. рис. 1.7). «Звон» возникает при установке и разрыве контакта путем нажатия на клавишу.



а) б)

Рис. 1.7. а) схема ключа; б) дребезг контактов.

Чтобы устранить данный эффект, используются специальные схемы или программные методы для подавления «звона». Один из простых схемотехнических способов устранения «звона» состоит в подключении RC-цепи. В этой схеме время, требуемое для заряда разряда конденсатора до порогового напряжения, маскирует «звон» контактов при переключении. Можно также установить триггер Шмитта между схемой ключа и МК, чтобы усилить эффект подавления «звона». Недостатки этого метода – дополнительные затраты на компоненты, которые должны быть установлены на плате, и дополнительное время, требуемое для заряда/разряда RC-цепи. Все это может затруднить использование данной схемы, так как для некоторых ключей с большим уровнем шумов дополнительная задержка может составить десятые доли секунды. Значительно лучший способ избавиться от «звона» – сделать это программно. Если уровень напряжения на выходе ключа не изменяется в течении 20мс, то можно считать, что «звон» окончился, и больше изменения состояний не ожидается.

1.4.2. Световая индикация.

Очень часто вывод данных реализуются с помощью светодиодов LED (Light Emitting Diode), которые достаточно дешевы и легко подключаются к МК. Обычно для свечения светодиода требуется ток более 16 мА, что для большинства МК находится в диапазоне допустимых значений выходных токов. Следует помнить, что светодиод является диодом, пропуская ток только в одном направлении.

Типичная схема подключения светодиода к выводу МК показана на рис. 1.8. В этой схеме светодиоды будут светиться когда МК выдает сигнал «0» (низкое напряжение). Когда вывод работает в качестве входа данных или на него выводится «1», то светодиод будет выключен.

Резистор сопротивлением 220 Ом используется для ограничения тока, т.к. слишком большой ток может вывести из строя МК и светодиод. Некоторые МК содержат ограничители тока на выходных линиях, что устраняет потребность в ограничивающем резисторе. Но все же целесообразно, на всякий случай, включить этот резистор, чтобы гарантировать, что короткое замыкание на «землю» или напряжение питания Vcc, не выведет из строя МК.



Рис. 1.8. Подключение светодиода к микроконтроллеру.

Семи сегментный индикатор.

Вероятно самый простой вывод числовых десятичных и шестнадцатеричных данных – это использование семи сегментного индикатора (ССИ). Такие индикаторы были очень популярны в 70х годах, но в последствии их место заняли жидкокристаллические индикаторы (ЖКИ). Но светодиодные индикаторы до сих пор являются полезными приборами, которые могут быть включены в схему без больших усилий для создания программного обеспечения. Включая определенные светодиоды (зажигая сегменты), можно выводить десятичные числа (см. рис. 1.9).

Каждый светодиод в индикаторе имеет свой буквенный идентификатор (A, B, C, D, E, F, G), и одна из ножек светодиода подключена к соответствующему внешнему выводу. Вторые ножки всех светодиодов соединены вместе и подключены к общему выводу. Этот общий вывод определяет тип индикатора: с общим катодом или с общим анодом.

Подключение индикатора к МК осуществляется весьма просто: обычно индикатор подключают как семь или восемь (если используется десятичная точка) независимых светодиодов. Наиболее важной частью работы при подключении к МК нескольких ССИ является назначения линий вводе вывода для каждого светодиода. Решение этой задачи в начале выполнения проекта упростит вам монтаж разводки и отладку устройств в дальнейшем. Типичный способ подключения нескольких индикаторов состоит в том, чтобы включить их параллельно и затем управлять протеканием тока через общие выводы отдельных индикаторов. Так как величина этого тока обычно превышает допустимое значение выходного тока МК, то для управления оком включается дополнительные транзисторы, которые выбирают, какой из индикаторов будет находиться в активном состоянии.



Рис. 1.9. Семи сегментный индикатор.

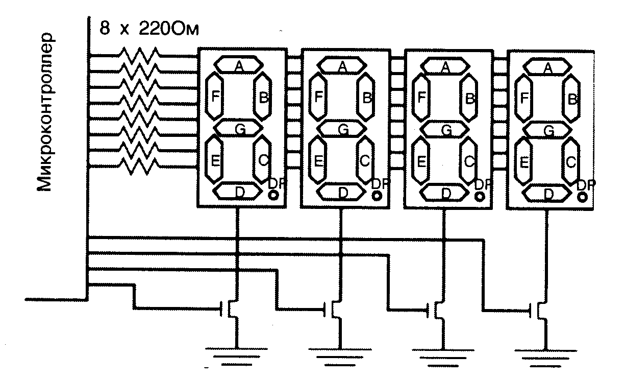
На рис. 1.10 показано подключение к МК четырех ССИ. В этой схеме МК выдает данные для индикации, последовательно переходя от одного индикатора к другому. Каждая цифра будет высвечиваться в течении очень короткого интервала времени. Это обычно выполняется с помощью подпрограммы обслуживания прерываний таймера. Чтобы избежать мерцания изображения, подпрограмма должна выполняться со скоростью, обеспечивающий включение индикатора, по крайней мере, 50 раз в секунду. Чем больше цифр, тем чаще должны следовать прерывания от таймера. Например, при использовании восьми ССИ цифры должны выводиться со скоростью 400 раз в секунду.



Рис. 1.10. Подключение к МК четырех ССИ.

1.4.3. Ввод с матричной клавиатуры.

Во многих приложениях требуется производить ввод данных с клавиатуры. Это может быть реализовано при помощи отдельных кнопок, но такой подход слишком расточителен с точки зрения использования линий ввода/вывода МК. Лучшим решением является использование матричной клавиатуры, которая представляет собой набор ключей, объединенных в ряды и столбцы (см. рис. 1.11).



Рис. 1.11. Подключение к МК матричной клавиатуры.

Для чтения состояния определенного ключа на столбец подается сигнал, а затем считывается состояние рядов. Обычно ряды подключаются к высокому потенциалу, а опрашиваемый столбец соединяется с землей. Если при сканировании считывается низкий уровень сигнала, то это означает, что ключ в данной позиции ряд-столбец замкнут. На рис. 1.11 показаны два МОП-транзистора, которые используются для подключения столбцов к земле. Но в некоторых МК выводы могут работать в режиме с открытым коллектором, и следовательно имитировать работу этих транзисторов, делая их включение ненужным.

Матричная клавиатура может быть расширена практически до любого размера, используя при этом небольшое число выводов МК. Например, 104-клавишная клавиатура ПК – это матрица, содержащая 13х8 ключей.


2. ОСОБЕННОСТИ ПОСТРОЕНИЯ И ФУНКЦИОНИРОВАНИЯ МИКРОКОНТРОЛЛЕРОВ ФИРМЫ ATMEL СЕМЕЙСТВА AVR


2.1. Архитектура микропроцессорного ядра AVR-микроконтроллеров

Архитектура AVR была оптимизирована так, чтобы соединить достоинства Гарвардской и Принстонской (Фон Неймана) архитектуры для достижения очень быстрого и эффективного выполнения программ. Такая организация обеспечивает высокую эффективность процессора при обработке данных.

Основной идеей всех RISC (Reduced Instruction Set Computer), как известно, является увеличение быстродействия за счет сокращения количества операций обмена с памятью программ. Для этого каждую команду стремятся уместить в одну ячейку памяти программ. При ограниченной разрядности ячейки памяти это неизбежно приводит к сокращению набора команд микропроцессора.

У AVR-микроконтроллеров в соответствии с этим принципом практически все команды (исключая те, у которых одним из операндов является 16-разрядный адрес) также упакованы в одну ячейку памяти программ. Но сделать это удалось не за счет сокращения количества команд процессора, а путем расширения ячейки памяти программ до 16 разрядов. Такое решение является причиной богатства системы команд AVR по сравнению с другими RISC-микроконтроллерами.

Организация памяти AVR выполнена по схеме Гарвардского типа, в которой разделены не только адресные пространства памяти программ и памяти данных, но также и шины доступа к ним. Для более углубленного понимания архитектуры приведем две схемы (см. рис. 2.1 и 2.2).

Вся программная память AVR-микроконтроллеров выполнена по технологии FLASH и размещена на кристалле. Она представляет собой последовательность 16-разрядных ячеек и имеет емкость от 512 слов до 64K слов в зависимости от типа кристалла.

Разделение шин доступа (рис. 2.2.) к FLASH памяти и SRAM памяти дает возможность иметь шины данных для памяти данных и памяти программ различной разрядности, а также использовать технологию конвейеризации. Конвейеризация заключается в том, что во время исполнения текущей команды программный код следующей уже выбирается из памяти и дешифрируется.



Рис. 2.1. Архитектура AVR-микроконтроллеров.



Рис. 2.2. Структурная схема архитектуры процессора семейства AVR.

Для сравнения вспомним, что у микроконтроллеров семейства MCS-51 выборка кода команды и ее исполнение осуществляются последовательно, что занимает один машинный цикл, который длится 12 периодов кварцевого резонатора.

В случае использования конвейера приведенную длительность машинного цикла можно сократить. Например, у PIC-микроконтроллеров фирмы Microchip за счет использования конвейера удалось уменьшить длительность машинного цикла до 4 периодов кварцевого резонатора. Длительность же машинного цикла AVR составляет один период кварцевого резонатора. Таким образом, AVR способны обеспечить заданную производительность при более низкой тактовой частоте. Именно эта особенность архитектуры и позволяет AVR-микроконтроллерам иметь наилучшее соотношение энергопотребление/производительность, так как потребление КМОП микросхем, как известно, определяется их рабочей частотой [9,11].

Программная модель AVR и система команд.

На рисунке 2.3 изображена программная модель AVR-микроконтроллеров, которая представляет собой диаграмму программно доступных ресурсов AVR. Центральным блоком на этой диаграмме является регистровый файл из 32 оперативных регистров (R0-R31) или как их обычно называют регистры общего назначения (РОН). Все РОН непосредственно доступны АЛУ. Старшие регистры (см. рис. 2.4.) объединены парами и образуют три 16-разрядных регистра, предназначенных для косвенной адресации ячеек памяти (AVR без SRAM имеют только один 16-битный регистр Z).



Рис. 2.3. Программная модель AVR-микроконтроллеров.

Регистровый файл, блок регистров ввода/вывода и оперативная память, как показано на рис. 2.3, образуют единое адресное пространство, что дает возможность при программировании обращаться к 32 оперативным регистрам и к регистрам ввода/вывода как к ячейкам памяти, используя команды доступа к SRAM (в том числе и с косвенной адресацией) [8].

Все арифметические и логические операции, а также часть операций работы с битами выполняются в АЛУ только над содержимым РОН. Следует обратить внимание, что команды, которые в качестве второго операнда имеют константу (SUBI, SBCI, ANDI, ORI, SBR, CBR), могут использовать в качестве первого операнда только регистры из второй половины РОН (R16-R31). Команды 16-разрядного сложения с константой ADIW и вычитания константы SBIW в качестве первого операнда используют только регистры R24, R26, R28, R30.




Рис. 2.4. Регистровый файл или РОН.

Во время выполнения арифметических и логических операций или операций работы с битами АЛУ формирует те или иные признаки результата операции, то есть устанавливает или сбрасывает биты в регистре состояния SREG (Status Register) (см. рис. 2.5).

Признаки результата операции могут быть затем использованы в программе для выполнения дальнейших арифметико-логических операций или команд условных переходов.

Адресация регистров ввода/вывода и памяти SRAM.

Регистры ввода/вывода, также изображенные на рис. 1, представляют собой набор регистров управления процессорного ядра и регистров управления и данных аппаратных узлов AVR-микроконтроллера. Регистрами ввода/вывода являются регистры SREG, MCUSR и указатель стека SPH:SPL а также регистры, управляющие системой прерывания микроконтроллера, режимами подключения EEPROM памяти, сторожевым таймером, портами ввода/вывода и другими периферийными узлами. Изучение данных регистров удобно выполнять одновременно с изучением конкретного периферийного узла.

Все регистры ввода/вывода могут считываться и записываться через РОН при помощи команд IN, OUT (см. группу команд передачи данных приложение 1). Регистры ввода/вывода, имеющие адреса в диапазоне $00 - $1F (знак $ указывает на шестнадцатеричную систему счисления), обладают возможностью побитовой адресации. Непосредственная установка и сброс отдельных разрядов этих регистров выполняется командами SBI и CBI (см. группу команд работы с битами приложение 1). Для признаков результата операции, которые являются битами регистра ввода/вывода SREG, имеется целый набор команд установки и сброса. Команды условных переходов в качестве своих операндов могут иметь как биты-признаки результата операции, так и отдельные разряды побитно адресуемых регистров ввода/вывода.

На рис. 2.3 показано распределение адресов в едином адресном пространстве. Младшие 32 адреса ($0 - $1F) соответствуют оперативным регистрам т.е. РОН. Следующие 64 адреса ($20 - $5F) зарезервированы для регистров ввода/вывода. Внутренняя SRAM у всех AVR начинается с адреса $60.

Таким образом, регистры ввода/вывода имеют двойную нумерацию. Если используются команды IN, OUT, SBI, CBI, SBIC, SBIS, то следует использовать нумерацию регистров ввода/вывода, начинающуюся с нуля (назовем ее основной). Если же к регистрам ввода/вывода доступ осуществляется как к ячейкам памяти, то необходимо использовать нумерацию единого адресного пространства оперативной памяти данных AVR. Очевидно, что адрес в едином адресном пространстве памяти данных получается путем прибавления числа $20 к основному адресу регистра ввода/вывода.

Для хранения оперативных данных программист, кроме РОН, может использовать внутреннюю и внешнюю (если они имеются) блоки SRAM (см. рис. 2.3).

Работа с внешней SRAM может быть программно разрешена/запрещена установкой/сбросом бита SRE в регистре ввода/вывода MCUSR.

Операции обмена с внутренней оперативной памятью AVR-микроконтроллер выполняет за два машинных цикла. Доступ к внешней SRAM требует одного дополнительного цикла на каждый байт по сравнению с внутренней памятью. Кроме того, установкой бита SRW в регистре ввода/вывода MCUSR можно программно увеличить время обмена с внешней SRAM еще на один дополнительный машинный цикл ожидания.

Выполнять арифметико-логические операции и операции сдвига непосредственно над содержимым ячеек памяти нельзя. Нельзя также записать константу или очистить содержимое ячейки памяти. Система команд AVR позволяет лишь выполнять операции обмена данными между ячейками SRAM и оперативными регистрами. Достоинством системы команд можно считать разнообразные режимы адресации ячеек памяти. Кроме прямой адресации имеются следующие режимы: косвенная, косвенная с пост-инкрементом, косвенная с пре-декрементом и косвенная со смещением.

Поскольку внутренняя и внешняя SRAM входят в единое адресное пространство (вместе с оперативными регистрами и регистрами ввода/вывода), то для доступа к ячейкам внутренней и внешней памяти используются одни и те же команды.

Следует отметить, что регистры ввода/вывода не полностью используют отведенные для них 64 адреса. Неиспользуемые адреса зарезервированы для будущих применений, дополнительных ячеек памяти по этим адресам не существует.

Программный счетчик и стек

В ячейках оперативной памяти организуется системный стек, который используется автоматически для хранения адресов возврата при выполнении подпрограмм, а также может использоваться программистом для временного хранения содержимого оперативных регистров (команды PUSH и POP). В начале любой программы необходимо инициализировать стек программными средствами, т.е. занести в Указатель Стека (Stack Pointer) начальное значение, равное самому старшему адресу ячейки в оперативной памяти. Микроконтроллеры, не имеющие SRAM, содержат трехуровневый аппаратный стек.

Следует иметь в виду, что если стек располагается во внешней SRAM, то вызовы подпрограмм и возвраты из них требуют двух дополнительных циклов, если бит SRW не установлен, и четырех, если установлен.

Размер стека, организуемого в оперативной памяти, ограничен лишь размерами этой памяти. Если микроконтроллер содержит на кристалле 128 байт внутренней SRAM и не имеет возможности подключения внешней SRAM, то в качестве указателя вершины стека используется регистр ввода/вывода SPL. Если есть возможность подключения внешней памяти или внутренняя память имеет размеры 256 байт и больше, то указатель стека состоит из двух регистров ввода/вывода SPL и SPH.

При занесении числа в стек автоматически выполняются следующие действия:

  1. Число записывается в ячейку памяти по адресу, хранящемуся в указателе стека. (SPH:SPL)

  2. Содержимое указателя стека уменьшается на единицу. SPH:SPL = SPH:SPL - 1.

Обратные действия выполняются при извлечении числа из стека:

  1. Содержимое указателя увеличивается на единицу. SPH:SPL= SPH:SPL + 1;

  2. Число извлекается из ячейки памяти с адресом, хранящимся в указателе стека. (SPH:SPL) -> число.

Таким образом, стек растет от старших адресов к младшим, поэтому, учитывая, что начальное значение указателя стека после сброса равно нулю, программист AVR обязательно должен в инициализирующей части программы позаботиться об установке указателя стека, если он предполагает использовать хотя бы одну подпрограмму.

Кроме оперативной памяти программно доступными ресурсами микроконтроллера являются энергонезависимые, электрически программируемые FLASH и EEPROM блоки памяти, которые имеют отдельные адресные пространства.

Младшие адреса памяти программ имеют специальное назначение. Адрес $0000 является адресом, с которого начинает выполняться программа после сброса процессора. Начиная со следующего адреса $0001, ячейки памяти программ образуют область векторов прерывания. В этой области для каждого возможного источника прерывания отведен свой адрес, по которому (в случае использования данного прерывания) размещают команду относительного перехода RJMP на подпрограмму обработки прерывания (см. рис. 2.3). Следует помнить, что адреса векторов прерывания одних и тех же аппаратных узлов для разных типов AVR могут иметь разное значение. Поэтому для обеспечения переносимости программного обеспечения удобно, так же как и в случае с регистрами ввода/вывода, использовать символические имена адресов векторов прерывания, которые определены в соответствующем inc-файле.

EEPROM блок электрически стираемой памяти данных AVR предназначен для хранения энергонезависимых данных, которые могут изменяться непосредственно на объекте. Это калибровочные коэффициенты, различные установки, конфигурационные параметры системы и т. п. EEPROM-память данных может быть программным путем как считана, так и записана. Однако специальных команд обращения к EEPROM-памяти нет. Чтение и запись ячеек EEPROM выполняется через регистры ввода/вывода EEAR (регистр адреса), EEDR (регистр данных) и EECR (регистр управления).

Регистр состояния.

Регистр состояния – SREG является частью пространства ввода/вывода и расположен по адресу $3F. В нем устанавливаются признаки результата арифметических операций. Отдельные биты регистра имеют следующее назначение (см. рис. 2.5)


SREG

Символьное обозначение

I

T

H

S

V

N

Z

C

Бит 7 6 5 4 3 2 1 0


Рис. 2.5. Регистр состояния SREG (Status Register).

Рассмотрим некоторые из признаков:

  • Бит 0 – С (carry) Флаг переноса. Устанавливается, если во время выполнения операции был перенос из старшего разряда результата;

  • Бит 1 – Z (zero) Флаг нулевого результата. Устанавливается, если результат операции равен 0;

  • Бит 2 – N Флаг отрицательного результата. Устанавливается, если MSB (Most Significant Bit - старший бит) результата равен 1 (правильно показывает знак результата, если не было переполнения разрядной сетки знакового числа);

  • Бит 3 – V Флаг переполнения дополнения до двух. Устанавливается, если во время выполнения операции было переполнение разрядной сетки знакового результата;

  • Бит 4 – : Бит знака, S = N XOR V. Бит S всегда равен исключающему ИЛИ между флагами N (отрицательный результат) и V (переполнение допол­нения до двух). Правильно показывает знак результата и при переполнении разрядной сетки знакового числа;

  • Бит 5 – H Флаг половинного переноса. устанавливается, если во время выполнения операции был перенос из 3-го разряда результата.

  • Бит 6 - T: Хранение копируемого бита. Команды копирования битов BLD (Bit LoaD) и BST (Bit STore) используют этот бит как источник и приемник обрабатываемого бита. Бит из регистра регистрового файла может быть скопирован в T командой BST, бит T может быть скопирован в бит регистрового файла командой BLD.

  • Бит 7 - I: Общее разрешение прерываний. Для разрешения прерываний этот бит должен быть установлен в единицу. Управление отдельными прерываниями производится регистром маски прерываний - GIMSK/TIMSK. Если флаг сброшен (0), независимо от состояния GIMSK/TIMSK, прерывания не разрешены. Бит I очищается аппаратно после входа в прерывание и восстанавливается командой RETI, для разрешения обработки следующих прерываний.

Прерывания.

Описать, что происходит внутри процессора во время выполнения прерывания очень просто. Если произошел запрос прерывания, и флаг I в регистре состояния установлен в 1, то адрес следующий команды сохраняется в стеке, а выполнения программы продолжается с адреса, хранящимся в соответствующем векторе прерывания. Когда запрос прерывания получен, и программа перешла по этому вектору (адресу), флаг I сбрасывается в 0, чтобы предотвратить возможность вызова нового прерывания во время обработки текущего прерывания.

Флаг I будет снова установлен в 1 в конце обработчика прерывания, когда выполняется команда возврата RETI. Он также может быть установлен в 1 в процессе обработки (после сохранения контекстовых регистров), чтобы разрешить вложенные прерывания. Средние и старшие модели AVR могут обрабатывать столько вложенных прерываний, на сколько хватит объема стека для хранения содержимого счетчика команд и регистров контекста. Младшие модели имеют ограниченный объем стека (три позиции), который может быстро переполниться при выполнении вложенных прерываний или подпрограмм.


2.2. Аппаратные средства AVR.

Системный тактовый генератор.

AVR может использовать три различных источника системной частоты: кварцевый или керамический резонатор, внешний тактовый сигнал или встроенный RC-генератор (имеется не во всех моделях). Обычный диапазон частот для AVR – от 0 до 16 МГц.

Кварцевый или керамический резонатор может быть подключен к AVR (см. рис. 2.6). Если используется одна из этих схем, то не следует подключать какие-либо другие устройства ни к одному из выводов XTAL.



а) б)

Рис. 2.6. Схемы подключения к AVR керамического и кварцевого резонаторов
а) без встроенных конденсаторов и б) со встроенными конденсаторами.

Также AVR может синхронизироваться внешним тактовым сигналом, поступающим на вход XTAL1. Последний способ синхронизации – использование встроенного RC-генератора. Такой генератор на данный момент есть только в AT90S1200, он обеспечивает тактовую частоту 1 МГц. Этот режим задается при помощи одного из битов конфигурации (fuse bit) только при параллельном программировании МК.

Таймеры.

Источником сигнала переключения таймеров/счетчиков является либо тактовая частота процессора, либо внешний синхросигнал. Тактовая частота процессора может использоваться непосредственно или предварительно делиться. Выбор источника сигнала и коэффициента деления производится с помощью мультиплексора (см. рис. 2.8). Биты CSxn, управляющие мультиплексором, расположены в регистре управления таймера TCCR0. В AT90S8515, который содержит два таймерных блока, имеется два мультиплексора – по одному на каждый блок. В AT90S1200 есть только один таймерный блок и один мультиплексор. Содержимое таймера инкрементируется при поступлении переднего фронта переключающего сигнала. Поэтому синхросигнал со внешнего вывода МК поступает в мультиплексор в прямом и инвертированном. Значение внешнего сигнала проверяется при поступлении переднего фронта тактового сигнала процессора.

На рис. 2.7 показан Таймер 0 – простой 8-разрядный таймер, содержимое которого может быть считано или записано. Отключение входного сигнала происходит путем выбора «заземленного» входа при помощи мультиплексора. При переполнении счетчика реализуется маскируемое прерывание.

Таймер 1 – более сложный 16-разрядный таймер. Он может выдавать на выход импульсы и ШИМ-сигналы. Его большим достоинством является возможность реализации дополнительных функций, таких как таймер событий.



Рис. 2.7. Структура таймера 0.

Сторожевой таймер.

Сторожевой таймер представляет собой отдельный таймер с собственной частотой на 1 МГц, который при включении будет отсчитывать нужный интервал времени. Если произойдет переполнение до того, как команда WDR сбросит таймер в 0, то производиться перезапуск МК.

Сторожевой таймер включается при установке в 1 бита WDE в регистре управления сторожевого таймера WDTCR. Содержимое битов WDPn этого регистра определяет интервал времени до того, как сторожевой таймер произведет перезапуск МК.

Устройство внешнего вывода.

Схема подключения внешнего вывода, показанная на рис. 2.8, дает представление о его работе. С каждым набором линий («портом») связано три адреса ввода/вывода, которые позволяют определять значения данных, записанных в порт, направление передачи данных (1- вывод, 0 - ввод) и реальное значение сигнала на внешнем выводе. Вследствие этого есть возможность «подтянуть» выводы порта к высокому потенциалу для работы в режиме ввода данных, и использовать состояние некоторых выводов в качестве запросов прерываний.

Чтение данных может быть либо непосредственно с внешнего вывода, либо с выхода регистра данных порта. Такая возможность является важной особенностью работы порта. Если внешняя линия перегружена или случайно закорочена на «землю», то состояние внешнего выхода никогда не будет меняться. Поэтому в некоторых случаях очень важно иметь возможность прочитать содержимое регистра порта и сравнить его с реальным состоянием внешнего вывода.



Рис. 2.8. Схема внешнего вывода.

«Подтягивание» внешнего вывода к высокому потенциалу управляется не отдельными битами регистра, а для этого используется специальная комбинационная схема. Эта схема разрешает «подтягивание» только, когда внешний вывод работает в режиме ввода данных, т.е. когда бит регистра направления данных сброшен в 0, а бит регистра данных порта установлен в 1.

Аналоговый ввод/вывод.

Встроенный аналоговый компаратор напряжений дает возможность не только сравнивать входное напряжение с опорным, но и измерять длительность импульса при помощи встроенного таймера.[13] Выход компаратора (см. рис. 2.9.) будет находиться в состоянии 1, если значение напряжения на положительном (не инвертирующем) входе AIN0 больше, чем на отрицательном (инвертирующем) AIN1.



Рис. 2.9. Устройство компаратора напряжения.

Состояние может использоваться для реализации различных вариантов запроса прерывания, которые задаются при помощи битов ACIS1 и ACIS0 (см. таблицу 2.1.) в регистре прерывания и состояния аналогового компаратора ACSR.

Таблица 2.1. Установки битов ACIS1 и ACIS0.

ACIS1

ACIS0

Тип прерывания

0 0 Прерывание по переключению выхода компаратора
0 1 Зарезервировано
1 0 Прерывание по спадающему фронту (из 1 в 0)
1 1 Прерывание по нарастающему фронту (из 0 в 1)

Определить текущее состояние выхода компаратора можно путем опроса значения бита ACO в ACSR. Для уменьшения мощности потребления можно отключить компаратор, установив в 1 бит ACD в регистре ACSR. Перед тем, как включить или выключить компаратор, надо запретить все его прерывания путем сброса в 0 бита ACIE в регистре ACSR, чтобы предотвратить возможность поступления ложных запросов прерывания от компаратора.

В МК AT90S8515 к выходу компаратора можно подключить вход захвата таймера. При этом можно зафиксировать момент изменения сигнала на выходе компаратора, если в регистре ACSR бит ACIC установлен в 1. Такая возможность позволяет измерять длительность сигнала, поступающего на компаратор.

Конфигурирование МК

В AVR есть два типа битов, задающих конфигурацию МК. Биты конфигурирования «fuses bits» (плавкие перемычки) используются для выбора режима работы AVR, тогда как биты защиты «lock bits» используются для запрещения доступа к памяти.

. Биты конфигурирования различны для разных типов AVR. В AT90S1200 установка в 1 бита RCEN подключает встроенный RC-генератор, при этом внешние тактовые импульсы игнорируются. Когда бит SPIEN сброшен в 0, разрешается программирование МК по последовательному интерфейсу через порт SPI. Во всех этих моделях биты SPIEN и RCEN по умолчанию сброшены в 0.

МК AT90S8515 имеет биты SPIEN и FSTRT, которые позволяют при использовании внешнего тактового генератора производить быстрое включение МК без обычной задержки в 16мс.

Биты конфигурирования «fuses bits» могут быть установлены или сброшены только при параллельном программировании.

Биты защиты «lock bits» используются для запрещения/разрешения доступа к памяти программ в EEPROM, при этом достигаются свойства приведенные в таблице 2.2.

Таблица 2.2. Режимы защиты и биты блокировки

Биты блокировки

Тип защиты

Режим LB1 LB2
1 1 1 Защита не установлена
2 0 1 Дальнейшее программирование флэш-памяти запрещено
3 0 0 Как режим 2, но запрещено и чтение

Примечание: биты блокировки стираются только при полном стирании памяти


Память данных EEPROM.

Операции чтения и записи области данных EEPROM довольно просты и надежны. Обращение к EEPROM производится при помощи команд с индексной адресацией, которые используют адрес, хранящийся в регистре EEAR.

Если EEPROM имеет емкость больше 256 байт, как у AT90S8515, то используются два адресных регистра: EEARH для хранения старшей части адреса и EEARL – для хранения младшей части. Эти регистры должны сохранять правильный адрес до тех пор, пока не буде закончена операция чтения или записи.

Запись в память данных EEPROM производится следующим образом:

  1. Ожидание сброса в 0 бита EEWE в регистре управления EECR памяти EEPROM;

  2. Запись в EEAR нужного адреса;

  3. Запись в регистр данных EEDR нужных данных;

  4. Установка в 1 бита EEMWE в регистре EECR. (Бит EEMWE не используется в AT90S1200);

  5. В течении четырех тактов после установки бита EEMWE установить бит EEWE в 1 для начала записи в EEPROM. Операция записи занимает от 2,5 до 4мс.

Бит EEMWE регистра EECR обеспечивает аппаратную блокировку записи для того, чтобы уменьшить возможность случайного изменения EEPROM.

Чтение из EEPROM выполняется аналогичным образом.

  1. Ожидание сброса в 0 бита EEWE в регистре управления EECR;

  2. Запись в EEAR нужного адреса;

  3. Установка в 1 бита EERE в регистре EECR;

  4. Чтение данных из EEDR.

Операция записи должна быть закончена до того, как программа произведет попытку чтения из EEPROM. После установки в 1 бита EERE процессор переходит в состояние ожидания в течении двух тактов, пока данные выбираются из EEPROM. Это означает, что выполнение команды «SBI EECR, EERE», которая инициализирует операцию чтения, занимает не один такт, а три.

Подключение питания и запуск.

Подключение питания к AVR осуществляется очень просто. Для этого требуется напряжение +5В, шина «земля» развязывающий конденсатор. Все модели имеют широкий диапазон напряжений питания 2,7 В – 6,0 В, что позволяет легко реализовать батарейное питание, используя от 2 до 4 обычных батареек или никель-кадмиевых элемента.

Что касается потребления энергии, то МК потребляют несколько мА в рабочем режиме и несколько сотен мкА в режим ожидания (sleep mode).

Вывод RESET имеет внутреннее соединение с шиной питания через резистор («потягивания» к питанию), что избавляет от необходимости использования внешнего соединения. В процессе отладки системы, когда надо постоянно перезапускать МК и наблюдать за его поведением, все, что вам для этого нужно – это простая кнопка, которая будет замыкать вывод RESET на землю (см. рис. 2.10). В законченной системе вы можете оставлять вывод RESET не подключенным.



Рис. 2.10. Запуск AVR при помощи внешнего выключателя.

Если во время выполнения программы на вход RESET поступит сигнал низкого уровня длительность более двух тактов, то выполнение программы сбрасывается в начальное состояние, а тактовый генератор продолжает работать. Когда на этом выводе снова установиться высокий уровень, выполнения программы начнется с нулевого адреса.

Программирование в системе.

Используя программирование по последовательному интерфейсу, можно менять программу в памяти МК, уже установленного в готовую к применению систему. Для этого плата с контроллером должна быть подключена к питанию и генератору тактовых сигналов (см. рис. 2.11).




Рис. 2.11. Схеме подключения МК для программирования в системе.

На рис. 2.11 включены согласующие резисторы в линиях программирования, чтобы быть уверенным, что если схема программирования подает на эти линии сигналы, уровень которых отличается от того, который поступает на них от других устройств системы, состояния выводов не изменяться и на них не возникнет конфликт сигналов.

Для линии запуска используется другое подключение. Нормально на этой линии поддерживается высокий уровень сигнала, а программатор может подать на нее низкий, чтобы перевести МК в режим программирования по последовательному интерфейсу. Управление состоянием линии RESET осуществляется схемой, имеющий выход с открытым коллектором.

Эту схему можно использовать для программирования прикладной системы. Надо соединить МК (сигналы «земля», RESET, MISO, MOSI и SCK) с программатором при помощи 5-и контактного IDC-разъема.


2.3. Система команд микроконтроллера AVR

Микроконтроллеры AVR имеют очень широкий набор команд. Это позволяет более просто произвести разработку компиляторов, что также означает, что AVR может быть легко запрограммирован с использованием разнообразных команд, упрощающих решение задачи.

Следует обратить внимание на следующие тонкости. Многие команды могут обращаться только к 16-старшим РОН и не имеют доступа к 16-младшим. Значения смещений и констант могут быть ограничены и оказаться не в том диапазоне, который вы ожидали.

Существует различие между «полноценными» старшими моделями серии 8515 и младшими моделями серии 1200. Младшие модели МК реализуют часть полного набора команд, в которых доступен только один индексный регистр Z. Хотя при переносе программ с младших моделей на старшие вряд ли возникнут проблемы, они весьма вероятны при обратном направлении переноса. Даже с учетом всех этих предостережений AVR – это МК очень простой для программирования благодаря богатству набора команд и особенностям его структуры.

Для наглядности, в данном разделе приведем только некоторые примеры команд. Но прежде чем приступить к изучению команд, целесообразно рассмотреть различные способы адресации данных.

Способы адресации данных

Прямая адресация к Регистрам Общего Назначения

Основным способом доступа к данным является прямое (непосредственное) обращение к РОН. На рис. 2.12 операнд команды содержится в регистре Rd, а КОП обозначает часть слова команды, соответствующую Коду ОПерации, Обычно в формате команды отводиться пять бит, которые позволяют адресоваться к любому регистру.

Команды, оперирующие с двумя регистрами, действуют, в основном, аналогичным образом. В этих командах регистр-приемник Rd (destination) указывается перед регистром-источником Rr (resource), то есть является первым параметром (см. рис. 2.13). Таким образом, команда:

ADD R0, R1

реально выполняется так: R0 = R0 + R1.




Рис. 2.12. Прямая адресация одного регистра.


Результат сохраняется в регистре Rd.



Рис. 2.13. Прямая адресация к двум РОН.


Прямая адресация к регистрам ввода/вывода.

На рис. 2.14 адрес операнда содержится в 6 битах слова команды (ячейка Р).
Rd – определяет адрес регистра источника или регистра приемника. К примеру, этот тип адресации могут использовать команды IN или OUT:

IN R0, SREG ;сохранить регистр состояния в регистре R0

OUT PORTB, R1 ;записать данные из регистра R1 в PORTB




Рис. 2.14. Прямая адресация регистров ввода/вывода.


Прямая адресация данных.



Рис.2.15. Прямая адресация данных.

Единое адресное пространство является пространством данных, включая РОН, регистры ввода/вывода, внутренняя память и внешняя память (если есть). 16-разрядный адрес данных содержится в 16 младших разрядах 32-х разрядной команды. Rd/Rr определяет адрес регистра источника или регистра приемника. Такой тип адресации, к примеру, могут использовать команды LDS и STS:

LDS PORTB, R1 ;записать данные из регистра R1 в PORTB

STS PORTB, R1 ;записать данные из регистра R1 в PORTB


Косвенная адресация данных

Существует четыре типа косвенной адресации данных: простая, с постинкрементом, с преддекрементом, со смещением. Для первых трех типов косвенной адресации данных адрес операнда содержится в регистре X, Y или Z. Для последнего типа (со смещением) адрес операнда вычисляется сложением содержимого регистров Y или Z с шестью битами адреса, содержащимися в слове команды. Сами же регистры остаются неизмененными.

Смысл косвенной адресации с постинкрементом (с преддекрементом) заключается в следующем. После (до) выполнения операции регистр X, Y и Z инкрементируется (декрементируется).

Рассмотрим некоторые примеры:

1) ST X, Rn ;поместить данные из Rn в по адресу указанному в регистре Х;

2) ST X+, Rn ;тоже что и в 1), но впоследствии X инкрементируется;

3) ST -X, Rn ;предварительно X декрементируется;

В предыдущих трех примерах вместо Х могут быть Y или Z.

4) STD Y+c, Rn ; к значению Y прибавляется константа смещения ’c’ и по этому адресу записываются данные из Rn. Y при это остается неизменен. Вместо Y может быть только Z.

Команды пересылки данных.

Пересылка данных из одного места в другое является для AVR очень простой операцией, так как имеется очень большое количество команд, предназначенных для выполнения этой задачи. Ни одна команда пересылки данных не оказывает влияния на биты регистра состояния.

Команда LPM – загрузка данных из таблиц, хранящихся в памяти программ. В этой команде младший бит индексного регистра Z используется для указания байта, который будет читаться, если 0 – читается младший байт, 1 – старший. Оставшиеся 14 байт используются для указания адреса слова.

Команда MOV – копирует содержимое одного РОН в другой. LDI – загружает в один из 16 старших РОН байт, содержащийся в команде. IN и OUT – доступ к регистрам ввода/вывода, начиная с нулевого адреса. Полный список всех команд пересылки данных можно найти в ПРИЛОЖЕНИИ 1, Таблица А.3.

На рис.2.16 наглядно показано схематическое выполнение команды LPM.



Рис. 2.16. Команда LPM.

Команды арифметических и логических операций.

Основными арифметическими операциями являются сложение и вычитание двух чисел. Эти команды по большей части очевидны. Сложение и вычитание содержимого двух регистров производиться при помощи команд ADD и SUB. Модификации этих команд, которые учитывают значение флага переноса, позволяют выполнить операции над 8-, 16-, 24- и даже 32-разрядными числами со знаком, хранящимися в регистрах.

Поясним функции флагов отрицательного результата N (negative), переполнения V (overflow) и знака S (sign), так как они имеют некоторые особенности и сложны для понимания при первоначальном знакомстве.

Флаг отрицательного результата N просто копирует значение бита 7 результата, который показывает, является результат положительным или отрицательным числом.

Флаг переполнения V в регистре SREG указывает на переполнение во время сложения или вычитания чисел со знаком. Рассмотрим пример:

ADD R1, R2

Флаг V будет установлен в 1, если в регистрах R1 и R2 содержаться положительные числа, а результат их сложения окажется больше 127, или оба числа отрицательны, а результат будет меньше –128. Рассмотрим пример с конкретными значениями:

LDI R1, 100 ;100 = 0b01100100

LDI R2, 100 ;Занести 0b01100100 R1 и R2

ADD R1, R2 ;R1 = R1 + R2 = 200 = 0b11001000

Десятичное число 200 в двоичной записи имеет значение бита 7 равное 1, что указывает на получение отрицательного результата. Следовательно, после выполнения операции сложения флаг N будет установлен в 1. Но в данном случае вместе с флагом N будет так же установлен в 1 флаг V, указывая, что произошло переполнение при обработке чисел со знаком.

Если содержимое R1 = R2 = - 100, то результатом сложения этих чисел будет 0b00111000 в двоичной системе счисления, что является положительным числом. При этом флаг N будет сброшен в 0,показывая, что результата положителен, однако будет установлен флаг V, означающий, что на самом деле это не так.

Использование флага S = N ^ V позволяет рассматривать результат как 9-разрядное число со знаком, где старшим (знаковым) разрядом как раз и является флаг S. Как было отмечено при описании флага V, он устанавливается в 1, когда бит 7 результата имеет неправильное значение, то есть результат не представлен правильным числом со знаком в дополнительном коде. Выполнив операцию «ИСКЛЮЧИТЕЛЬНОЕ ИЛИ» над значением флага V и бита 7 результата, который храниться в бите N, вы получите реальный знак результата. В первом примере (100 + 100) происходит установка в 1 флагов V и N, в результате флаг S будет равняться нулю (1 ^ 1 = 0). Во втором примере (- 100 - 100) флаг N сбрасывается в 0, а флаг V устанавливается в 1, поэтому флаг S будет равняться единице, указывая на то, что результат отрицательный.

Флаг S должен использоваться со старшим байтом числа. При операциях с 16-, 24- и 32-разрядными числами значение флага S надо проверять только после завершения последней операции со старшим байтом числа. При операциях с младшими байтами используется флаг переноса С, как обычно при выполнении сложения и вычитания.

Команды ветвления

Команды относительного перехода RJMP и вызова подпрограммы RCALL являются основными для изменения выполнения последовательности команд в МК. При этом содержимое программного счетчика изменяется на величину смещения, которое задается в 12 младших битах кода команды.

МК может выполнять команды ветвления по значению определенных битов в регистре состояния SREG. Поскольку номер бита и его значение должны быть указанны в коде команды, то диапазон возможных адресов перехода составляет +/- 63 относительно текущего адреса. Это означает, что применение команд условных ветвлений весьма ограничено, но эту проблему можно решить при помощи ветвления к команде, которая затем выполнит необходимый безусловный переход.

Еще один класс команд ветвления – это команды пропуска. После проверки указанного условия, данные команды либо выполняют следующую команду, либо пропускают ее.

Битовые команды и команды тестирования битов.

Команды сброса (очистки) и установки битов предназначены для модификации регистров ввода/вывода. Но некоторые из них могут работать только с частью регистров ввода/вывода. Это значит, что для некоторой части регистров ввода/вывода вы должны сначала переписать их содержимое в РОН, модифицировать, а затем снова сохранить в регистре ввода/вывода. Для выполнения этой процедуры можно написать специальную макрокоманду (макрос).

Часто необходимо переслать бит из одного регистра или переменной в другой. Это можно сделать следующим образом:

BST B,5 ;поместить бит 5 переменно В в бит Т регистра SREG

BLD A,2 ;сохранить бит Т регистра SREG в качестве бита А.2

Команда SWAP меняет местами старший и младший полубайт регистра. Это полезно когда вы храните в регистре две цифры, а не одно восьмибитовое число.

Команды сдвигов и циклических сдвигов LSL, LSR, ROL, ROR и ASR полезны как для выполнения сдвигов данных в процессе их ввода вывода, так и для проверки значения определенного бита в РОН без необходимости выполнения 8 отдельных операций тестирования битов. С помощью циклического сдвига можно произвести индивидуальную проверку любого бита в заданном месте байта.


3. ПРОГРАММНОЕ И ИНСТРУМЕНТАЛЬНОЕ ОБЕСПЕЧЕНИЕ ПРОЦЕССА ПРОГРАММИРОВАНИЯ МИКРОКОНТРОЛЛЕРОВ


3.1. Написание и отладка программного кода с помощью AVR Studio

Известные интегрированные среды разработки программ, повышающие производительность труда программиста, позволяет избежать рутинной работы. Интегрированные пакеты для разработки программ, выпускаемые разными производителями, схожи между собой по функциям, по различным сервисным возможностям, удобству работы и качеству генерируемого машинного кода.

Например пакет программ AVR Studio Version 3.53 (см. рис. 3.1.) является интегрированной средой разработки (ИСР) для МК серии AVR.[16] Этот программный продукт включает в себя:

  • встроенный редактор текста, для набора исходного кода программы,

  • транслятор с языка ассемблер,

  • программный симулятор ЦПУ, памяти и устройств ввода/вывода

  • поддержку внешних устройств, таких как – внутрисхемный эмулятор (ВСЭ) ICEPRO, ICE200 и программатора типа AVRISP и STK500/501.



Рис. 3.1. Главное окно AVR Studio.

Компания Atmel распространяет данный продукт совершенно бесплатно, что является огромным преимуществом в начале освоения программирования МК и изучении его архитектуры.

Как и в реальной ИСР, здесь вы можете легко писать исходный текст программы на ассемблере, подключить внешний компилятор для С, отлаживать текст написанной программы используя встроенный программный симулятор или подключить ВСЭ. И в конечном итоге вы можете запрограммировать свой МК программатором AVRISP или STK500/501.

3.1.1. Обзор AVR Studio

Для установки AVR Studio требует Microsoft Windows 9x/NT/2000

Как уже говорилось, AVR Studio позволяет отслеживать код программы с помощью внутрисхемного эмулятора или программного симулятора. Для выполнения (отслеживания) кода программы она сначала должна быть откомпилирована, чтобы сгенерировать объектный файла, который загружается в AVR Studio.



Рис. 3.2. AVR Studio в процессе отладки исходного кода программы Ap1.asm.

Ключевое окно в AVR Studio является окно источника (Source window), где отображается исходный код программы (см. рис. 3.2). Когда открывается объектный файл, то автоматически создается окно источника. Оно показывает выполняемый программный код и имеет название, соответствующее имени открытого файла. Указатель программного счетчика (желтая стрелка ) всегда показывает на строчку, которая будет выполняться. Полоса статуса (Status bar) указывает является ли исполнительное устройство ВСЭ или программным симулятором. Окно источника дает информацию о логике программы. В дополнении к этому, AVR Studio может показывать другие окна, которые предоставляют пользователю достаточный контроль состояния каждого элемента исполнительного устройства (ВСЭ или симулятор). Перечислим некоторые доступные окна:

  • Смотровое окно (Watch window) – показывает значения и адреса определенных переменных.

  • Окно РОН (Register window) – показывает состояние РОН. Регистры могут быть изменены при остановке выполнения программы.

  • Окно памяти (Memory window) – показывает содержимое памяти программ, памяти данных, регистров ввода/вывода и содержимое энергонезависимой памяти EEPROM. Ячейки памяти могут быть отражены в различных форматах: шестнадцатеричном, десятичном или двоичном формате или как ASCII символы. Содержимое памяти, также как и регистры, может быть изменено по желанию при остановке программы.

  • Окно регистров ввода/вывода (I/O window). Показывает содержимое регистра состояния, таймеров, EEPROM регистров, портов ввода/вывода и т.д.

  • Окно процессора (Processor window). Показывает важную информацию о выполнении программы включая Счетчик Команд (Program Counter), Указатель Стека (Stack Pointer),флаги регистра состояния (Flags), Счетчик Циклов (Cycle Counter) и др.

3.1.2. Создание нового проекта

Запустив AVR Studio в меню Project выберите пункт New. Как показано на рис. 3.3, в появившемся диалоговом окне «Select project name» необходимо будет ввести имя проекта (см. «Project name»), его местоположение «Location» и тип проекта «Project type». Имя может быть любым стандартным именем файла. Каталог можно написать в соответствующем текстовом поле или выбрать из списка имеющихся папок, при нажатии кнопки справа с тремя точками. Если каталога не существует, то он будет создан без всяких напоминаний.



Рис. 3.3. Создание нового проекта.

Все файлы вашего проекта AVR Studio сохраняет в выбранном каталоге.

Тип проекта выбирают из следующих соображений:

  • AVR Assembler: для компиляции кода текста проекта используется встроенный транслятор. Не требует ни каких дополнительных настроек. Мы будем использовать именно этот тип.

  • Generic 3rd party C compiler: позволяет вручную настраивать AVR Studio для использования внешних компиляторов.

После введения всех вышеперечисленных данных для продолжения нажмите кнопку ‘OK’. Далее появится окно проекта, как показано на рис 3.4.



Рис. 3.4. Окно нового проекта.

В папках «Assembler Files» и «Other Files» хранятся файлы связанные с вашим проектом. Но на рис. 3.4 они пока пустые.

Добавление ассемблерного файла в проект может быть реализовано несколькими способами. Можно добавить существующий файл или создать новый. Далее мы используем и тот, и другой способ.

Создадим новый файл исходного кода программы. Для этого с помощью нажатия правой кнопки мыши на папке «Assembler Files» вызовем контекстное меню, как показано на рис. 43 и выберем пункт «Add File…». Появиться окно под названием «Add Files to Project». Убедитесь, что вы находитесь в каталоге своего проекта. В этом каталоге как минимум должен быть файл вашего проекта. В нашем случае это – "Demo_Project.apr". в текстовом поле «File name:» введем имя нового файла – "LED_code.asm", и нажмем кнопку «Open». Заметим, что расширение файла – asm следует ввести вручную, т.к. автоматически оно не создастся. Если все сделано правильно, то создастся файл с тем именем, который вы ввели.

Создание файла можно было осуществить с помощью контекстного подменю «Create New File». Тогда появиться примерно такое же окно как на рис 3.3, но под названием «Create new file». В это случае AVR Studio создает файл не в указанной папке (Assembler или др.), а в корневой папке проекта (Target), что бывает не всегда полезным.

В только что созданный файл добавьте следующий код программы:

;******************************************************

.include "8515def.inc"

.def temp = r16

rjmp RESET ; вектор прерывания по включению питания,
;сбросу RESET или от сторожевого таймера

RESET:

ldi temp,low(RAMEND) ;инициализируем указатель стека

out SPL,temp ;

ldi temp,high(RAMEND);

out SPH,temp ;

ser temp ;temp = 0xFF

out DDRB,temp ;конфигурируем порт В как выход

loop:

out PORTB,temp ;выводим temp в порт В

inc temp ;инкремент temp

rjmp loop ;переход на метку loop

;******************************************************

Теперь добавим в проект уже существующий файл. Для этого, во-первых, скопируем файл "8515def.inc" в каталог нашего проекта (см. рис. 3.3.), т.е. в D:\Project_files\AVRasm\ из подкаталога Appnotes, где находится AVR Studio. Вернувшись в окно проекта проделаем знакомую уже нам операцию по добавлению файла. На папке «Assembler Files» в контекстном меню выберем пункт «Add File…». В появившемся диалоговом окне добавления файлов к проекту выберем каталог нашего проекта, а из перечисленных файлов – "8515def.inc" и нажмем «Open». Теперь окно проекта должно соответствовать рис. 3.5.



Рис. 3.5. Окно проекта с рабочими файлами.

Посмотрев внимательно на рис. 3.5 можно заметить отличие иконок файлов "8515def.inc" и "LED_code.asm". Дело в том, что когда мы добавляем первый файл в новый проект, то AVR Studio помечает его как входной транслируемый файл – «Assembler entry file». И при вызове встроенного транслятора (ассемблера) будет компилироваться именно этот файл, помеченный красной стрелкой вправо, а все остальные, помеченные синей стрелкой вниз – будут игнорироваться. Вообще-то говоря файл "8515def.inc" добавлять в окно проекта совершенно не обязательно. Это было сделано с целью обучения. Важно чтобы этот файл был в том же каталоге, что и ассемблерный файл.



Рис. 3.6. Меню «Project».

Теперь самое время транслировать исходный код программы в объектный код. Для этого существует несколько способов. Можно вызвать контекстное меню и кликнуть мышью на «Assemble», как показано на рис. 3.5, или сделать тоже самое через меню «Project» (см. рис. 3.6). А можно просто нажать «F7».

Появится окно «Project Output» с сообщением об успешной трансляции или ошибках, если они имеются. Если вы еще не сохранили проект, то желательно это сделать, выбрав через меню «Project» команду «Save» или на панели инструментов нажать кнопку «Save all». Если трансляция прошла без ошибок, то можно смело приступать к исполнению кода на встроенном симуляторе или ВСЭ, если он имеется в наличии.

Заметим, что для создания hex файла, который необходим при прошивки (программирование) кристалла, необходимо изменить установки проекта (Project Settings…) см. рис. 3.5. и рис. 3.6. Для этого в появившемся окне “AVR Assembler Options” установите “Output file format:” на “Intel Intellec 8/MDS (Intel Hex)”. Теперь каждый раз при вызове транслятора будет создаваться выходной файл с расширением hex и файл с расширением eep, если в коде программы есть сегмент EEPROM данных.

3.1.3. Исполнение программного кода

Для отладки программы или другими словами, для выполнения программного кода в режиме симулятора необходимо, конечно же, чтобы программа транслировалась без ошибок.



Рис. 3.7. Меню «Debug».

После успешной трансляции выберете из меню «Debug» команду «Trace into» или нажмите «F11», как показано на рис. 3.7. Так как у нас нет ВСЭ, то AVR Studio сама предложит определить соответствующий режим программного симулятора (см. рис. 3.8). Появится окно «Simulator Options», в котором необходимо будет выбрать тип устройства для симуляции. В данном примере это AT90S8515. Изменять значения частоты и объема памяти нежелательно, так как они установлены для выбранного устройства по умолчанию согласно техническим параметрам МК. После нажатия кнопки «ОК», можно сказать, что все готово для работы с кодом программы на симуляторе в пошаговом режиме или другом, каком вы пожелаете.



Рис. 3.8. Окно опций программного симулятора.

Заметим, что теперь в окне исходного кода программы, слева на серой полосе появилась желтая стрелка вправо, которая является указателем программного счетчика. Она указывает на следующую инструкцию, которая будет выполняться. Пример такой стрелки можно увидеть на рис. 3.8.



Рис. 3.9. Меню «View».

Окно регистров ввода/вывода.

Для более наглядного представления, что происходит с регистрами ввода/вывода во время выполнения программы, откроем соответствующее окно – «IO view». Это можно сделать либо через меню «View» команда «New IO View», либо нажав «Alt» и 5, как показано на рис. 3.9, или на панели инструментов нажать соответствующую кнопку – .



Рис. 3.10. Окно регистров ввода/вывода для МК AT90S8515.

Так как мы определили для встроенного симулятора микроконтроллер типа AT90S8515, то окно регистров ввода/вывода откроется автоматически со всеми надлежащими устройствами для этого типа МК (см. рис. 3.10). Данное окно содержит перечень устройств, содержимое которых можно просмотреть, как «древовидную» структуру, где один элемент может содержать ряд вложенных подэлементов.



Рис. 3.11. Содержимое порта В.

Так как наша программа работает с портом В, то рассмотрим его содержимое более подробно. Для этого по названию «Port B» щелкнем мышью два раза (double click) или один раз по плюсику слева. Список порта В раскроется, как показано на рис. 3.11, и можно будет увидеть регистр данных (PORTB), регистр направления данных (DDRB) и выводы порта В (PINB) – «Port B Data», «Data Direction» и «Input Pins», соответственно.

Каждый бит этого регистра представлен в виде флажка. Логическая единица соответствует установленному флажку, а логический ноль – снятому. Состояния этих флажков обновляются во время выполнения программы и показывают текущее значение каждого бита. Вы также можете устанавливать или очищать значения битов, щелкая мышью по соответствующим флажкам, тем самым изменяя значения соответствующих регистров ввода/вывода.

Существует пара команд для одиночного пошагового выполнения программы. Это «Trace into» /F11/ и «Step Over» /F10/ из меню «Debug» (см. рис. 3.7). Отличие состоит в том, что «Trace into» при вызове подпрограммы входит в неё в пошаговом режиме, т.е. можно отследить каждую команду по отдельности; а «Step Over» выполняет подпрограмму целиком и продолжает выполнение в пошаговом режиме со следующей команды после вызова подпрограммы, т.е. как бы «обходит» подпрограмму. Наш пример не содержит подпрограмм, поэтому различие заметно не будет.

Дойдя до последней строчки программы, следует обратить внимание на изменение цвета регистров порта В. Те регистры, которые в последнем шаге трассировки поменяли свое значение, становятся красными, остальные – черные. Это облегчает наблюдать за теми регистрами ввода/вывода, которые меняют свое значение при трассировке. Продолжая трассировку (нажимая /F11/ ) можно наблюдать как регистры порта В меняют свое значение – инкрементируются.



Рис. 3.12. Добавление точки останова.

Добавляя точки останова, мы можем выполнять программу с максимальной скоростью, останавливаясь лишь там, где установлены точки останова.

Установив, курсор на нужном месте и нажав , или вызвав контекстное меню и нажав команду «Toggle Breakpoint» можно легغо установить точку останова (см. рис. 3.12). Повторное нажатие приведет к её снятию. Красный квадратик на полоске слева как раз и обозначает точку останова. В данном примере точка останова установлена для демонстрации увеличения скорости выполнения программы. Когда не было точки останова нам требовалось трижды нажимать чтобы совершить один цикл (loop:). Установив же точку останова на команде “rjmp loop” и запустим программу на выполнение через меню «Debug» команда «Go» или нажмем (см. рис. 3.7), остановка произойдет лишь в точке останова и таким образом для одного цикла потребуется всего лишь одно нажатие . Это реальный пример ускорения отладки программы.

Предположим нам надо чтобы регистр порта В не инкрементировался, а декрементировался во время выполнения программы. Для этого немного изменим код программы. В окне исходного кода программы строчку "inc temp" изменим на "dec temp" (см. рис. 3.13). Если теперь продолжить выполнение программы (нажать или или ), то AVR Studio выдаст диалоговое окно, которое информирует об изменение исходного файла и спрашивает, нужно ли перекомпилировать проект. Следует нажать «Yes».



Рис. 3.13. Изменение исходного кода программы и перекомпиляция проекта.

После перекомпиляции указатель счетчика команд будет установлен в начало на первую команду. Заметим, что установленные точки останова остаются без изменения.


«Смотровое» окно.

Для наблюдения за переменными, а точнее за их значениями удобно использовать «Смотровое» окно (Watch window). Открыть его можно использовав комбинацию клавиш «Alt» + «1» или вызвав меню «View» команду «Watch» (см. рис. 3.9) или нажав кнопку на панели инструментов – .

Переменные, которые определены с помощью макроса “.DEF” могут быть помещены в «Смотровое» окно несколькими способами. Выделив нужную переменную ее можно просто перетащить в «Смотровое» окно или в меню «Watch» нажать команду «Add Watch» или на панели инструментов нажать кнопку – .

В данной программе только переменная “temp” является таковой. Ее мы и можем увидеть на рис. 3.14.



Рис. 3.14. Смотровое окно.

Во время пошагового выполнения программы можно наблюдать, как меняется наша переменная “temp”. Заметим, что данное окно также позволяет пользователю изменять значения переменных, т.е. непосредственно влиять на ход выполнения программы, облегчая отладку.



Рис. 3.15. Окно процессора.

Окно процессора.

Теперь понаблюдаем за окном процессора. Откроем его, нажав «Alt» + «3» (см. рис. 3.9) или щелкнув по иконки – . Это окно (см. рис. 3.15.) предоставляет определенную информацию о выполнении программы включая Счетчик Команд (Program Counter), Указатель Стека (Stack Pointer),флаги регистра состояния (Flags), Счетчик Циклов (Cycle Counter) и др.

Очень полезными для оценки длинны циклов или времени выполнения подпрограммы могут оказаться «Cycle Counter» и «StopWatch». Хоть в данном примере мы практически не используем это окно, оно все же играет очень важную роль в отладки программы.

Перед закрытием проекта необходимо его сохранить. AVR Studio запомнит расположение окон и использует эти установки при следующем запуске проекта.


3.2. Анализ методики реализации разработки программного обеспечения

3.2.1. Классификация вариантов заданий

Цель заданий – практическое освоение методики программирования на ассемблере микроконтроллеров ATMEL семейства AVR, отладка программы на симуляторе AVR Studio и программирование кристалла с помощью программатора расположенного в системе макета. Примеры заданий могут использоваться не только как для проверки знаний и навыков по программированию, но и для наглядного объяснения архитектуры при чтении теоретического материала.

После изучения теоретического материала, а именно: архитектуры МК, аппаратных и программных средств, основных типов интерфейсов, системы команд и симулятора МК, можно приступить к практической реализации различных задач на основе МК.

Именно написание программ и умение их объяснить является критерием понимания архитектуры МК, а также критерием способности использовать данную архитектуру в сочетании с программированием (ассемблером).

Конкретных примеров заданий может быть очень много. Мы разделим эти примеры на несколько общих классов. Сначала перечислим достаточно простые классы задач.

1. Работа с памятью.

К этому классу задач можно отнести любые операции с различными областями памяти, такие как чтение или запись. К примеру, можно считывать или записывать данные из/в EEPROM, SRAM или даже памяти программ (Program Memory). Меняя начальный адрес и размер данных, а также тип (область) памяти можно создавать различные примеры задач.

2. Индикация.

Подключая к выводам портов различные системы индикации, будь то простые светодиоды, ССИ или ЖКИ можно создать широкий класс задач. Различные варианты примеров можно создать, изменяя очередность или длительность световой индикации. Можно сделать несколько примеров заданий с движущимися символами или «бегущей строкой», задавая различные символы и строки. Реализация различной длительности индикации может осуществляться либо с помощью таймера, либо с помощью циклов задержки, либо другими способами, что увеличивает разнообразие вариантов заданий.

3. Вычисления и обработка данных

Существует много примеров с арифметическими вычислениями. К примеру, можно производить сложение, вычитание, умножение, деление или сравнение 8- или 16-разрядных чисел. Также существуют математические или базисные логические функции, из которых можно строить более сложные произвольные функции.

Еще к этому классу задач относятся преобразование 8-, 16-разрядных чисел в упакованные (или нет) двоично-десятичные (Binary Coded Decimal – BCD) и обратно, сортировка чисел различными способами и фильтрация.

4. Измерение внешних параметров и устройства управления:

Сюда входят задачи по измерению напряжения, тока, частоты, давления, скорости вращения и других параметров. Создание часов реального времени, калькулятора, кодового замка, управление двигателем, регулировка температуры.

Это достаточно сложный класс задач, так как он может включать в себя и некоторые вышеперечисленные классы (1-3).

Варианты заданий

Префикс 0x – обозначает шестнадцатеричное число, 0b – двоичное, без префикса пишется десятичное число.

Во всех вариантах необходимо составить и отладить программу с помощью симулятора и если необходимо запрограммировать микроконтроллер с помощью программатора в системе макета.

  1. Дан массив А из 8 (или др.) однобайтовых чисел распложенных в Program Memory или EEPROM начинающийся с адреса 0x0A (или др.). Переписать из массива А в массив В все числа, большие 0x05 (или др.) и меньшие 0x2С. Массив В может находиться либо в EEPROM, либо в SRAM.

  2. Написать программу перекодировки восьмиразрядного или шестнадцатиразрядного двоичного числа в упакованное двоично-десятичное число.

  3. Написать программу перекодировки двухразрядного или пятиразрядного двоично-десятичного числа в двоичное.

  4. Написать программу сложения или вычитания двух двухразрядных десятичных чисел

  5. Дан массив А из 8 (или др.) однобайтовых или двухбайтовых кодов. Определить, содержит ли он код 0хАС или 0хАFВС. Если "да", то в регистр Rn занести число таких кодов.

  6. Дан массив А из 10 однобайтовых (или др.) чисел. Переписать его в массив В, упорядочив числа по возрастанию (или по убыванию).

  7. Дан массив А из 10 однобайтовых чисел. Переписать в массив В только числа, содержащие четное (или нечетное) количество единиц (или нулей).

  8. Зашифровать содержащиеся в массиве А коды 10 букв или цифр по следующему правилу: а) циклический сдвиг влево на 5 (или др.) разрядов и побитовая инверсия; б) прибавить константу 2 (или др.) и циклический сдвиг вправо на 3 разряда.

  9. Дан массив А из 5 однобайтовых чисел. Определить, содержит ли он число 0х1F (или др.). Если да, то выполнить операцию "логическое И" (или др.) над всеми числами массива А.

  10. Переписать в стек, расположенный в памяти с адреса С, массив А из 10 восьмиразрядных (или др.) чисел. Выполнить операцию суммирования (или др.) над ними.

  11. Дан массив А из 10 однобайтовых чисел, содержащий число 0хАА. Выполнить операцию "логическое И" (или др.) над всеми числами до 0xАА и операцию "логическое ИЛИ" (или др.) над всеми числами после него.

  12. Написать программу вычисления логической функции V=X*(NOT.Y*Z+NOT.W) (или др.) ,где + - знак операции ИЛИ,* - знак операции И, X,Y,Z,W-логические переменные, хранимые в разрядах 3-0 ячейки памяти EEPROM по адресу 0x00.

  13. Написать программу сложения или вычитания двух 8 разрядных (или др.) двоичных чисел со знаком (или без).

  14. Дан массив А из 10 однобайтовых чисел. Переписать в массив В все числа, большие (или меньшие) 0х20, и записать в регистр Rn (или вывести на индикатор) число таких чисел.

  15. Определить четное или нечетное число единиц (или нулей) в 8 двоичных кодах, записанных в массиве А, и вывести на индикатор сообщение «Ч» или «Н» (или число единиц).

  16. Дан массив А из 10 однобайтовых чисел. Переписать в массив В все числа, лежащие в диапазоне 0х0F – 0хF0 (или др.). Вывести на индикатор число таких чисел.

  17. Дан массив А из 8 однобайтовых чисел, содержащий число 0хА1. Необходимо найти сумму всех чисел массива А, находящихся до этого числа. Результат вывести на индикатор.

  18. В массиве А хранится 8 показаний температуры больных .Проверить, нет ли среди них значений выше 37 и ниже 36 и вывести на индикатор соответственно два числа через пробел.

  19. Разработать программу вывода на индикатор отладочного устройства последовательности цифр 1-8,образовав ряд 12345678.

  20. Разработать программу вывода на индикатор всех битов регистра состояния процессора SREG в формате: каждому флагу (биту)- один разряд индикатора.

  21. Разработать программу для последовательного вывода всех цифр на один семисегментный индикатор с интервалом вывода -1с.

  22. Разработать программу мигания одного (или др.) разряда дисплея с интервалом 3сек. (или др.).

  23. Разработать программу последовательного гашения всех индикаторов дисплея после его включения.

  24. Разработать программу циклического перемещения одного символа, хранимого в ячейке памяти, вдоль индикатора (бегущий символ).

  25. Разработать программу для циклического перемещения набора цифр или символов вдоль индикатора в направлении справа налево (или наоборот).

  26. Разработать программу "Электронные часы", используя для индикации семи сегментный индикатор. Формат вывода «22.15.30» или «22.15», обеспечив мигание точки с интервалом 1с.

  27. Разработать программу, чередующую вывод на индикатор сообщений «1C», «2C» и «4C» (или др.) удерживаемых соответственно 1сек, 2сек и 4сек.

  28. Используя матричную клавиатуру 3х3 и светодиод разработать программу и устройство, которое обеспечивало мигание светодиода такое количество раз равное номеру нажатой клавиши (1 – 9).

  29. Используя матричную клавиатуру 4х4 (или др.) и систему индикации разработать программу и устройство кодового замка из 4 (или др.) цифр кода.

  30. Используя матричную клавиатуру 4х4 (или др.) и семи сегментные индикаторы разработать программу и устройство калькулятора, которое обеспечивает сложение, вычитание, умножение и делание 16-ти разрядных чисел.

  31. Используя генератор звуковых колебаний и несколько разрядов ССИ разработать программу и устройство измерения частоты в диапазоне 20 Гц – 20 КГц.

Основные принципы выполнения заданий.

Предполагается, что обучающийся должен иметь представление об архитектуре и системе команд микроконтроллеров AVR. При выполнении задания необходимо придерживаться следующих правил:

  1. уяснить поставленную задачу, понимая, что должно являться результатом;

  2. выбрать соответствующий микроконтроллер, исходя из требования задания;

  3. составить подробное (побитовое) описание необходимых для выполнения задания регистров имея перед собой таблицу всех регистров ввода/вывода (см. ПРИЛОЖЕНИЕ 2);

  4. определить необходимые векторы прерываний и составить алгоритмы соответствующих обработчиков векторов прерываний;

  5. составить алгоритм основной программы, учитывая особенности МК (стек и т.д.);

  6. приступить к написанию программы, выбирая необходимые команды ассемблера.

На рис. 3.15.1 изображена структурная схема процесса обучения. Она включает:

1) Написание программы прошивки микроконтроллера, для решения поставленной задачи;

2) Контроль правильности разработанной программы на симуляторе с помощью компьютера (первая петля обратной связи);

3) Прошивка микроконтроллера и сопряжение с системой индикации (внешними устройствами) для окончательного контроля правильности выполненной задачи (вторая петля обратной связи).




Рис. 3.15.1 Структурная схема процесса обучения.

3.2.2. Рассмотрение типовых примеров

В качестве примера работы с памятью рассмотрим следующее задание: Требуется написать программу копирования таблицы из 20 восьмибитных чисел данных из памяти программ (Program Memory) в оперативную память (SRAM) начиная с адреса 0х80.

Рассмотрим выполнение данной программы в соответствии с предложенными выше правилами.

В данном примере нам необходимо работать с оперативной памятью SRAM. Так как в МК AT90S1200 её нет, то выбираем к примеру AT90S8515 (или др). Теперь нам надо позаботиться о правильной инициализации стека, загрузив в указатель стека адрес старшей ячейки оперативной памяти. Данную программу можно полностью реализовать на симуляторе AVR Studio Simulator, где наглядно будет видна вся карта памяти. Ниже приведем программу с некоторыми пояснительными комментариями.

Программа копирования таблицы данных:

;********************************************************************

.include "8515def.inc"

.equ BLOCK1 =$80 ;начальный адрес копируемой таблицы данных в SRAM

;памяти

.def flashsize =r16 ;РОН хранящий размер таблицы

.def temp =r16 ;РОН для промежуточных действий


rjmp RESET ;вектор прерывания по включению питания, сбросу

;RESET или сбросу от сторожевого таймера

;**********************************************************************

;* Подпрограмма копирования таблицы данных из памяти программ в SRAM

flash2ram:

lpm ;загружаем из памяти программ в R0 байт адрес

;которого указан в Z

st Y+,r0 ;сохраняем его в SRAM памяти с постинкрементом

;регистра Y

adiw ZL,1 ;инкремент Z

dec flashsize ;декремент flashsize

brne flash2ram ;если предыдущая операция не равна 0 то перейти на

;метку

ret ;возврат в основную программу

;***********************************************************************

;* Основная программа

RESET:

ldi temp, low(RAMEND) ; инициализируем указатель стека

out SPL, temp ;

ldi temp, high(RAMEND) ;

out SPH, temp ;

ldi ZH, high(F_TABLE*2) ;загружаем в регистр Z удвоенный адрес

ldi ZL, low(F_TABLE*2) ; начала таблицы данных

ldi YH, high(BLOCK1) ;загружаем в регистр Y адрес начала

ldi YL, low(BLOCK1) ; таблицы данных в SRAM памяти

ldi flashsize,20 ;определяем размер таблицы

rcall flash2ram ;вызываем подпрограмму копирования таблицы данных

;из памяти программ в SRAM память

forever:rjmp forever ;бесконечный цикл

F_TABLE:

.db 0,1 ;начало таблицы из 20 восьмибитных чисел

.db 2,3

.db 4,5

.db 6,7

.db 8,9

.db 10,11

.db 12,13

.db 14,15

.db 16,17

.db 18,19

;**********************************************************************

В качестве примера задачи по индикации рассмотрим второй пример:

Используя два светодиода и кнопку разработать программу и устройство которое вызывает мигание одного светодиода, подключенного к выводу PB0, и с помощью кнопки, подключенной к выводу PD5, зажигает светодиод, подключенный к выводу PB4. Частоту мигания светодиода порядка 2-3 Гц задать с помощью обработчика прерывания от таймера Т0.

Данное устройство можно реализовать на МК AT90S1200. Для обеспечения заданной частоты мигания светодиода коэффициент предварительного деления тактовой частоты (4Гц) для таймера Т0 будет равен 1024. Подпрограмма обработки прерывания по переполнению таймера Т0 инвертирует значение логического уровня (0 или 1) на 0 выводе порта В, обеспечивая тем самым мигание подключенного светодиода. Светодиоды подключаются согласно разделу «1.4.2 Световая индикация». Исходный текст программы цифрового частотомера:

;********************************************************************

.include "1200def.inc"

rjmp Start ;вектор прерывания по включению питания, сбросу

;RESET или сбросу от сторожевого таймера

nop ;вектор внешнегго прерывания неиспользуется

rjmp TmrInt ;вектор прерывания по переполнению таймера Т0

;**********************************************************************

;* Подпрограмма обработки прерывания по переполнению таймера Т0

TmrInt:

in R0, SREG ;сохранение регистра статуса SREG

in R16, PORTB ;запомнить текущее значение PortB

ldi R17, $1 ;

eor R16, R17 ;инвертируем 0 бит порта В

out PORTB, R16

out SREG, R0

reti ;выход из подпрограммы

;********************************************************************

;* Основная программа

Start:

ldi R18, $11 ;конфигурируем биты порта В

out DDRB, R18 ; как выход

clr R18

out PORTB, R18

clr R18 ;конфигурируем 5 бит порта D

out DDRD, R18 ; как вход

ldi R18, $20

out PORTD, R18

ldi R18, 5 ;устанавливаем коэффициент предварительного деления

out TCCR0, R18 ; частоты на 1024

ldi R18, 2 ;разрешаем прерывание по переполнению таймера Т0

out TIMSK, R18

SEI ;общее разрешение прерываний

Loop: ; Loop Around Forever

sbis PIND, 5 ;если PIND5=0 (кнопка нажата)

rjmp PORTB0_Hi ; перейти на метку PORTB0_Hi

cbi PORTB, 4 ;обнулить бит 4 порта В

rjmp Loop

PORTB0_Hi: ;

sbi PORTB, 4 ;установить бит 4 порта В

rjmp Loop

;**********************************************************************

В качестве третьего, достаточно сложного примера рассмотрим программу для измерителя частоты в диапазоне 20 Гц – 20 КГц, используя генератор звуковых колебаний и несколько разрядов ССИ.

Согласно схеме изображенной на рис. 3.15.2. преобразуем колебания от генератора в П-импульсы и подаем на вывод прерывания (INT0) МК. Диод D1 обеспечивает однополупериодное выпрямление исследуемой синусоиды. После делителя R1, R3 напряжение поступает на ограничитель R2, D2 с напряжением ограничения не больше 5 В.



Рис. 3.15.2 Схема подключения генератора колебаний к микроконтроллеру.

Таймер/счетчик Т1 ведет подсчет тактовых импульсов с коэффициентом деления частоты равным 64, а при переполнении останавливается и обнуляется.

Внешнее прерывание INT0 вызывает соответствующую подпрограмму обработки при нарастающем фронте сигнала на одноименном выводе INT0. Эта подпрограмма позволяет таймеру/счетчику Т1 определить число импульсов за один период внешнего сигнала. Далее основная программа преобразует этот значение в частоту и переведя в двоично-десятичный код выводит на семисегментные индикаторы, которые подключаются к МК согласно разделу 1.4.2. Программа прошивки МК для реализации устройства измерителя частоты на базе МК AT90S8515 приведена в ПРИЛОЖЕНИИ 3.

Последний рассмотренный пример представляет устройство «кодовый замок». Реализованное на основе МК AT90S1200, оно содержит матричную клавиатуру и два светодиода для индикации работы и правильности введенного кода. Программа прошивки МК для реализации этого устройства приведена в ПРИЛОЖЕНИИ 4.

3.3. Описание макета программатора.

Макет программатора состоит из общей платы и вспомогательных плат реализующих необходимые функции заданий. Общая плата имеет разъем, соединяющая программатора с параллельным портом компьютера. На общей плате также расположены две контактных колодки (дип панели) для установки программируемых микроконтроллеров. Они позволяют использовать МК следующих типов: а) дип панель DIP2x20.2 для МК серий AT90S4414 и AT90S8515; б) дип панель DIP2x10.1 для МК серии AT90S1200 AT90S2313.

Вспомогательные платы позволяют макетировать проектируемое устройство, управляемое микроконтроллером, не подвергая нежелательным механическим воздействиям сам программатор и микросхему контроллера. Вспомогательные платы соединяются с общей платой через дополнительные разъемы, что позволяет более прагматично использовать имеющиеся порты (выводы) МК.

Питание программатора обеспечивается от внешнего блока стабилизированного питания МС9011.02 с выходным напряжением Vcc=+5В при максимальном токе нагрузки Iн=1.5А.



Рис. 3.16. Принципиальная схема макета программатора.

На рис 3.16. приведена принципиальная схема макета программатора для последовательного программирования МК серии AT90S1200 и AT90S8515 через параллельный (LPT) порт компьютера. Подсоединение к компьютеру осуществляется с помощью кабеля подключения изображенного на рис. 3.17.

Соединительный кабель для подключения макета программатора к параллельному (LPT) порту компьютера состоит из двух разъемов DB25F и BH10.1 и двух шлейфов по 26 и 10 жил соединенных между собой согласно таблице 3.1. и таблице 3.2. Разъем DB25F (штырь) подсоединяется к параллельному (LPT) порту компьютера, а BH10.1 (гнездо) к разъему BH10.2 (штырь) на макете программатора (см. рис. 3.16).



Рис. 3.17. Кабель подключения макета к LPT порту компьютера.


Таблица № 3.1. Соответствие номера контакта разъема DB25F и порядкового номера 25 жильного шлейфа.

Порядковый номер 25 жильного шлейфа

1 (крас-ный) 2 3 4 5 6 7 8 9 10 11 12 13

Номер контакта в разъеме DB25F

1 14 2 15 3 16 4 17 5 18 6 19 7

Порядковый номер 25 жильного шлейфа

14 15 16 17 18 19 20 21 22 23 24 25 26

Номер контакта в разъеме DB25F

20 8 21 9 22 10 23 11 24 12 25 13 -

Таблица № 3.2. Соответствие номеров контактов разъема
DB25F и разъема BH10.1.

Разъем DB25F

Символьное обозначение

Разъем BH10.1

5 XTAL1 4
6 RESET 5
7 MOSI 1
8 SCK 7
10 MISO 9
19-25 Gnd 10

На приведенной схеме макета программатора кроме соединительных разъемов и контактных колодок МК находятся внешние элементы необходимые для обеспечения работы тактового генератора. Это конденсаторы С2=С1=39 пФ, С3=1000 пФ и кварц с частотой генерации колебаний 4 МГц. Кнопка В1 обеспечивает сброс МК в начальное состояние.

Подключение вспомогательных плат к макету программатора осуществляется через штыревые разъемы PLS.1, PLS.2 и PLS.3. Так как разъем PLS.1 соединен с дип панелью DIP2x10.1, в которую устанавливается МК серии AT90S2313 и AT90S1200, а разъемы PLS.2 и PLS.3 соединены с дип панелью DIP2x20.2, в которую устанавливается МК серий AT90S4414 и AT90S8515, то нумерация выводов разъема PLS.1 соответствует нумерации ножек AT90S1200, а нумерация выводов разъемов PLS.2 и PLS.3 соответствует нумерации ножек AT90S4414 и AT90S8515.

В макете программатора при программировании и последующей работе должен находиться только один (!) микроконтроллер, либо в панели DIP2x10.1 (AT90S1200 или AT90S2313), либо в панели DIP2x20.2 (AT90S4414 или AT90S8515). К разъемам PLS.n (n=1,2,3) через соответствующую колодку можно подсоединять любые внешние устройства: светодиоды, ССИ, кнопки, матричную клавиатуру, подавать сигнал на какой либо порт (вывод) микроконтроллера или считывать его. При этом надо помнить, что на контакт 20 разъема PLS.1 и на контакт 40 разъема PLS.3 подается напряжение Vcc=+5В.

Макет программатора имеет два режима работы. Первый – непосредственное программирование микроконтроллера с помощью компьютера. Как с подключенными внешними устройствами, так и без них. Второй режим – автономный, когда происходит работа с внешними устройствами, выполненными на вспомогательных платах. При этом режиме макет программатора должен быть отсоединен от компьютера.

Сначала обучающийся должен, получив задание, подготовить (написать и отладить) программное обеспечение с помощью AVR Studio (см. раздел 3.1.), согласно пп. 1-6 раздела 3.2. (Принципы выполнения заданий). Результатом данного этапа является безошибочная трансляция разработанной программы. Только после этого можно приступить к использованию макета программатора и построению внешнего устройства на вспомогательной плате, если это предусмотрено заданием.


ЗАКЛЮЧЕНИЕ

Разработанные методические указания содержат описания программного обеспечения и аппаратных средств реализации набора примеров заданий, предназначенных для изучения как непосредственной архитектуры МК, так и для выработки конкретных навыков программирования.

Проведен анализ архитектуры современных микроконтроллеров. Уделено внимание систематизации аппаратных средств и общим вопросом методам отладки разрабатываемых программ.

Особое внимание уделено серийным МК фирмы ATMEL семейства AVR. Рассмотрены их особенности построения и функционирования. Анализ системы команд микроконтроллеров AVR и практические рекомендации работы в интегрированной среде разработки «AVR Studio» позволяет эффективно создавать и разрабатывать программы для AVR микроконтроллеров.

Представлен набор типовых примеров с наиболее распространенными задачами программирования МК. Предложены классификация и принципы выполнения заданий. Дано описание универсального макета программатора.

Изготовлен универсальный макет программатора, позволяющий проводить не только прошивку МК AVR четырех типов (AT90S1200, AT90S2313, AT90S4414, AT90S8515), но и управление проектируемыми внешними устройствами.

Реализован ряд задач по работе с памятью, по перекодировке, сложению и делению чисел, по работе с динамической индикацией и матричной клавиатурой. На основе этого смакетированы реальные устройства кодового замка на основе AT90S1200 и измерителя частоты в звуковом диапазоне на основе AT90S8515.

Предлагаемая на этой основе методика обучения программирования и применения МК позволяет ввести интересующихся в эту перспективную область.


БИБЛИОГРАФИЧЕСКИЙ СПИСОК ИСПОЛЬЗОВАННЫХ ИСТОЧНИКОВ

  1. Предко М. Руководство по микроконтроллерам. Том 1. / Пер. с англ. под ред. И. И. Шагурина и С. Б. Лужанского – М.: Постмаркет, 2001. – 416 с.

  2. Предко М. Руководство по микроконтроллерам. Том 2. / Пер. с англ. под ред. И. И. Шагурина и С. Б. Лужанского – М.: Постмаркет, 2001. – 488 с.

  3. Cady, Fredrick M. Microcontrollers and microcomputers: principles of software
    and hardware engineering. – New York – Oxford, Oxford University Press,
    1997. – 252 p.

  4. Вуд А. Микропроцессоры в вопросах и ответах. / Пер. с англ. под ред. Д. А. Поспелова. – М.: Энергоатомиздат. 1985. – 184 с.

  5. Уильямс Г.Б. Отладка микропроцессорных систем: / Пер. с. англ. – М.: Энергоатомиздат, 1988. – 253с.

  6. Угрюмов Е.П. Цифровая схемотехника. – Спб.: БВХ – Санкт-Петербург,
    2000. – 528 с.

  7. Алексенко А.Г., Шагурин И.И. Микросхемотехника. – М.: Радио и связь,
    1990. – 496 с.

  8. Бродин Б.В., Шагурин И.И. Микроконтроллеры: Справочник. – М.: ЭКОМ, 1999. – 395 с.

  9. Программируемые логические ИМС на КМОП-структурах и их применение. / П.П. Мальцев, Н.И. Гарбузов, А.П. Шарапов, А.А. Кнышев. – М.: Энергоатомиздат, 1998. – 158 с.

  10. Соловьев В.В., Васильев А.Г. Программируемые логические интегральные схемы и их применение. – Мн.: Беларуская наука, 1998. – 270 с.

  11. Bursky D. Embedded Logic and Memory Find a Home in FPGA. – Electronic Design, 1999, №14, pp. 43-56.

  12. Chang D., Mazek-Sadowska M. Dynamically Reconfigable FPGA. – JEEE Transition on Computers, 1999, №6, pp. 565 – 578.

  13. Bursky D. Advanced CPLD Architectures Challenge FPGA, Gas. – Electronic Design, 1998, №22, pp. 78 – 86.

  14. Takai Y. a.o. 250 Mbytes Synchronous DRAM Using a 3-Stage-Pipeline Architecture. – JEEE. Journal of Solid-Stage Circuits. – 1994, v.29, №4,
    pp. 426 – 429.

  15. Лаптев В. Цифровой измеритель температуры на базе AVR микроконтроллера и RC-цепочки. – Электронные компоненты, 2001. №2, с. 46 – 49.

  16. http://www.atmel.ru/ - описание AVR микроконтроллеров, русскоязычный сайт.

  17. http://www.dontronics.com/atmel.html - программные проекты по AVR.

  18. http://www.gaw.ru/, http://www.cec-mc.ru - информация о МК фирмы ATMEL

  19. http://trush.da.ru/, http://avr.da.ru/ - описание МК AT90S1200 фирмы Atmel

  20. http://www.ln.com.ua/~real/avreal, http://www.chat.ru/~avreal: - AVReAl: программа прошивки At90sXXXX через LPT порт

  21. http://trush.pp.ru/avr/ - полезные ссылки по AVR.


ПРИЛОЖЕНИЕ 1
Инструкции процессоров AVR.

Ниже приведен набор команд процессоров AVR, более детальное описание их можно найти в AVR Data Book [16,19].

Таблица А.1.  Арифметические и логические инструкции.

Мнемоника

Операнды

Описание

Операция

Флаги

Циклы

ADD

Rd,Rr 

Суммирование без переноса Rd = Rd + Rr Z,C,N,V,H,S 1
ADC

Rd,Rr

Суммирование с переносом Rd = Rd + Rr + C Z,C,N,V,H,S 1
SUB

Rd,Rr

Вычитание без переноса Rd = Rd - Rr Z,C,N,V,H,S 1
SUBI

Rd,K8

Вычитание константы Rd = Rd - K8 Z,C,N,V,H,S 1
SBC

Rd,Rr

Вычитание с переносом Rd = Rd - Rr - C Z,C,N,V,H,S 1
SBCI

Rd,K8

Вычитание константы с переносом Rd = Rd - K8 - C Z,C,N,V,H,S 1
AND

Rd,Rr

Логическое И Rd = Rd · Rr Z,N,V,S 1
ANDI

Rd,K8

Логическое И с константой Rd = Rd · K8 Z,N,V,S 1
OR

Rd,Rr

Логическое ИЛИ Rd = Rd V Rr Z,N,V,S 1
ORI

Rd,K8

Логическое ИЛИ с константой Rd = Rd V K8 Z,N,V,S 1
EOR

Rd,Rr

Логическое исключающее ИЛИ Rd = Rd EOR Rr Z,N,V,S 1
COM

Rd

Побитная Инверсия Rd = $FF - Rd Z,C,N,V,S 1
NEG

Rd

Изменение знака (Доп. код) Rd = $00 - Rd Z,C,N,V,H,S 1
SBR

Rd,K8

Установить бит (биты) в регистре Rd = Rd V K8 Z,C,N,V,S 1
CBR

Rd,K8

Сбросить бит (биты) в регистре Rd = Rd · ($FF - K8) Z,C,N,V,S 1
INC

Rd

Инкрементировать значение регистра Rd = Rd + 1 Z,N,V,S 1
DEC

Rd

Декрементировать значение регистра Rd = Rd -1 Z,N,V,S 1
TST

Rd

Проверка на ноль либо отрицательность Rd = Rd · Rd Z,C,N,V,S 1
CLR

Rd

Очистить регистр Rd = 0 Z,C,N,V,S 1
SER

Rd

Установить регистр Rd = $FF None 1
ADIW

Rdl,K6

Сложить константу и слово Rdh:Rdl = Rdh:Rdl + K6 Z,C,N,V,S 2
SBIW

Rdl,K6

Вычесть константу из слова Rdh:Rdl = Rdh:Rdl - K6 Z,C,N,V,S 2
MUL

Rd,Rr

Умножение чисел без знака R1:R0 = Rd * Rr Z,C 2
MULS

Rd,Rr

Умножение чисел со знаком R1:R0 = Rd * Rr Z,C 2
MULSU

Rd,Rr

Умножение числа со знаком с числом без знака R1:R0 = Rd * Rr Z,C 2
FMUL

Rd,Rr

Умножение дробных чисел без знака

R1:R0 = (Rd * Rr)

Z,C 2
FMULS

Rd,Rr

Умножение дробных чисел со знаком

R1:R0 = (Rd *Rr)

Z,C 2
FMULSU

Rd,Rr

Умножение дробного числа со знаком с числом без знака

R1:R0 = (Rd * Rr)

Z,C 2

Таблица А.2.  Инструкции ветвления.

Мнемоника

Опе­ранды

Описание

Операция

Флаги

Циклы

RJMP

k

Относительный переход PC = PC + k +1 None 2
IJMP Нет

Косвенный переход на (Z)

PC = Z None 2
EIJMP Нет

Расширенный косвенный пере­ход на (Z)

STACK = PC+1, PC(15:0) = Z, PC(21:16) = EIND None 2
JMP

k

Переход PC = k None 3
RCALL

k

Относительный вызов подпро­граммы STACK = PC+1, PC = PC+k+1 None 3/4*
ICALL Нет

Косвенный вызов (Z)

STACK = PC+1, PC = Z None 3/4*
EICALL Нет

Расширенный косвенный вы­зов (Z)

STACK = PC+1, PC(15:0) = Z, PC(21:16) =EIND None 4*
CALL

k

Вызов подпрограммы STACK = PC+2, PC = k None 4/5*
RET Нет Возврат из подпрограммы PC = STACK None 4/5*
RETI Нет Возврат из прерывания PC = STACK I 4/5*
CPSE

Rd,Rr

Сравнить, пропустить если равны if (Rd ==Rr) PC = PC 2 or 3 None 1/2/3
CP

Rd,Rr

Сравнить Rd -Rr Z,C,N,V,H,S 1
CPC

Rd,Rr

Сравнить с переносом Rd - Rr - C Z,C,N,V,H,S 1
CPI

Rd,K8

Сравнить с константой Rd - K Z,C,N,V,H,S 1
SBRC

Rr,b

Пропустить если бит в реги­стре очищен if(Rr(b)==0) PC = PC+2 or 3 None 1/2/3
SBRS

Rr,b

Пропустить если бит в регистре установлен if(Rr(b)==1) PC = PC+2 or 3 None 1/2/3
SBIC

P,b

Пропустить если бит в порту очищен if(I/O(P,b)==0) PC = PC+ or 3 None 1/2/3
SBIS

P,b

Пропустить если бит в порту установлен if(I/O(P,b)==1) PC = PC+2 or 3 None 1/2/3
BRBC

s,k

Перейти если флаг в SREG очищен if(SREG(s)==0) PC = PC+k+1 None 1/2
BRBS

s,k

Перейти если флаг в SREG установлен if(SREG(s)==1) PC = PC+k+1 None 1/2
BREQ

k

Перейти если равно if(Z==1) PC = PC + k + 1 None 1/2
BRNE

k

Перейти если не равно if(Z==0) PC = PC + k + 1 None 1/2
BRCS

k

Перейти если перенос установлен if(C==1) PC = PC + k + 1 None 1/2
BRCC

k

Перейти если перенос очищен if(C==0) PC = PC + k + 1 None 1/2
BRSH

k

Перейти если равно или больше if(C==0) PC = PC + k + 1 None 1/2
BRLO

k

Перейти если меньше if(C==1) PC = PC + k + 1 None 1/2
BRMI

k

Перейти если минус if(N==1) PC = PC + k + 1 None 1/2
BRPL

k

Перейти если плюс if(N==0) PC = PC + k + 1 None 1/2
BRGE

k

Перейти если больше или равно (со знаком) if(S==0) PC = PC + k + 1 None 1/2
BRLT

k

Перейти если меньше (со знаком) if(S==1) PC = PC + k + 1 None 1/2
BRHS

k

Перейти если флаг внутреннего переноса установлен if(H==1) PC = PC + k + 1 None 1/2
BRHC

k

Перейти если флаг внутреннего переноса очищен if(H==0) PC = PC + k + 1 None 1/2
BRTS

k

Перейти если флаг T установлен if(T==1) PC = PC + k + 1 None 1/2
BRTC

k

Перейти если флаг T очищен if(T==0) PC = PC + k + 1 None 1/2
BRVS

k

Перейти если флаг переполнения установлен if(V==1) PC = PC + k + 1 None 1/2
BRVC

k

Перейти если флаг переполнения очищен if(V==0) PC = PC + k + 1 None 1/2
BRIE

k

Перейти если прерывания разрешены if(I==1) PC = PC + k + 1 None 1/2
BRID

k

Перейти если прерывания запрещены if(I==0) PC = PC + k + 1 None 1/2

* Для операций доступа к данным количество циклов указано при условии доступа к внутренней памяти данных, и не корректно при работе с внешним ОЗУ. Для инструкций CALL, ICALL, EICALL, RCALL, RET и RETI, необходимо добавить три цикла плюс по два цикла для каждого ожидания в контроллерах с PC меньшим 16 бит (128KB памяти программ). Для устройств с памятью программ свыше 128KB , добавьте пять циклов плюс по три цикла на каждое ожидание.


Таблица А.3.  Инструкции передачи данных.

Мнемоника

Операнды

Описание

Операция

Флаги

Циклы

MOV

Rd,Rr

Скопировать регистр Rd = Rr None 1
MOVW

Rd,Rr

Скопировать пару регистров Rd+1:Rd = Rr+1:Rr, r,d even None 1
LDI

Rd,K8

Загрузить константу Rd = K None 1
LDS

Rd,k

Прямая загрузка Rd = (k) None 2*
LD

Rd,X

Косвенная загрузка Rd = (X) None 2*
LD

Rd,X+

Косвенная загрузка с пост-инкрементом Rd = (X), X=X+1 None 2*
LD

Rd,-X

Косвенная загрузка с пре-декрементом X=X-1, Rd = (X) None 2*
LD

Rd,Y

Косвенная загрузка Rd = (Y) None 2*
LD

Rd,Y+

Косвенная загрузка с пост-инкрементом Rd = (Y), Y=Y+1 None 2*
LD

Rd,-Y

Косвенная загрузка с пре-декрементом Y=Y-1, Rd = (Y) None 2*
LDD

Rd,Y+q

Косвенная загрузка с замещением Rd = (Y+q) None 2*
LD

Rd,Z

Косвенная загрузка Rd = (Z) None 2*
LD

Rd,Z+

Косвенная загрузка с пост-инкрементом Rd = (Z), Z=Z+1 None 2*
LD

Rd,-Z

Косвенная загрузка с пре-декрементом Z=Z-1, Rd = (Z) None 2*
LDD

Rd,Z+q

Косвенная загрузка с замещением Rd = (Z+q) None 2*
STS

k,Rr

Прямое сохранение (k) = Rr None 2*
ST

X,Rr

Косвенное сохранение (X) = Rr None 2*
ST

X+,Rr

Косвенное сохранение с пост-инкрементом (X) = Rr, X=X+1 None 2*
ST

-X,Rr

Косвенное сохранение с пре-декрементом X=X-1, (X)=Rr None 2*
ST

Y,Rr

Косвенное сохранение (Y) = Rr None 2*
ST

Y+,Rr

Косвенное сохранение с пост-инкрементом (Y) = Rr, Y=Y+1 None 2
ST

-Y,Rr

Косвенное сохранение с пре-декрементом Y=Y-1, (Y) = Rr None 2
ST

Y+q,Rr

Косвенное сохранение с замещением (Y+q) = Rr None 2
ST

Z,Rr

Косвенное сохранение (Z) = Rr None 2
ST

Z+,Rr

Косвенное сохранение с пост-инкрементом (Z) = Rr, Z=Z+1 None 2
ST

-Z,Rr

Косвенное сохранение с пре-декрементом Z=Z-1, (Z) = Rr None 2
ST

Z+q,Rr

Косвенное сохранение с замещением (Z+q) = Rr None 2
LPM Нет Загрузка из программной памяти

R0 = (Z)

None 3
LPM

Rd,Z

Загрузка из программной памяти

Rd = (Z)

None 3
LPM

Rd,Z+

Загрузка из программной памяти с пост-инкрементом

Rd = (Z), Z=Z+1

None 3
ELPM Нет Расширенная загрузка из программной памяти

R0 = (RAMPZ:Z)

None 3
ELPM

Rd,Z

Расширенная загрузка из программной памяти

Rd = (RAMPZ:Z)

None 3
ELPM

Rd,Z+

Расширенная загрузка из программной памяти с пост-инкрементом

Rd = (RAMPZ:Z), Z = Z+1

None 3
SPM Нет Сохранение в программной памяти

(Z) = R1:R0

None -
ESPM Нет Расширенное сохранение в программной памяти

(RAMPZ:Z) = R1:R0

None -
IN

Rd,P

Чтение порта Rd = P None 1
OUT

P,Rr

Запись в порт P = Rr None 1
PUSH

Rr

Занесение регистра в стек STACK = Rr None 2
POP

Rd

Извлечение регистра из стека Rd = STACK None 2

* Для операций доступа к данным количество циклов указано при условии доступа к внутренней памяти данных, и не корректно при работе с внешним ОЗУ. Для инструкций LD, ST, LDD, STD, LDS, STS, PUSH и POP, необходимо добавить один цикл плюс по одному циклу для каждого ожидания.


Таблица А.4.  Инструкции работы с битами.

Мнемоника

Операнды

Описание

Операция

Флаги

Циклы

LSL

Rd

Логический сдвиг влево Rd(n+1)=Rd(n), Rd(0)=0, C=Rd(7) Z,C,N,V,H,S 1
LSR

Rd

Логический сдвиг вправо Rd(n)=Rd(n+1), Rd(7)=0, C=Rd(0) Z,C,N,V,S 1
ROL

Rd

Циклический сдвиг влево через C Rd(0)=C, Rd(n+1)=Rd(n), C=Rd(7) Z,C,N,V,H,S 1
ROR

Rd

Циклический сдвиг вправо через C Rd(7)=C, Rd(n)=Rd(n+1), C=Rd(0) Z,C,N,V,S 1
ASR

Rd

Арифметический сдвиг вправо Rd(n)=Rd(n+1), n=0,...,6 Z,C,N,V,S 1
SWAP

Rd

Перестановка тетрад Rd(3..0) = Rd(7..4), Rd(7..4) = Rd(3..0) None 1
BSET

s

Установка флага SREG(s) = 1 SREG(s) 1
BCLR

s

Очистка флага SREG(s) = 0 SREG(s) 1
SBI

P,b

Установить бит в порту I/O(P,b) = 1 None 2
CBI

P,b

Очистить бит в порту I/O(P,b) = 0 None 2
BST

Rr,b

Сохранить бит из регистра в T T = Rr(b) T 1
BLD

Rd,b

Загрузить бит из T в регистр Rd(b) = T None 1
SEC Нет Установить флаг переноса C =1 C 1
CLC Нет Очистить флаг переноса C = 0 C 1
SEN Нет Установить флаг отрицательного числа N = 1 N 1
CLN Нет Очистить флаг отрицательного числа N = 0 N 1
SEZ Нет Установить флаг нуля Z = 1 Z 1
CLZ Нет Очистить флаг нуля Z = 0 Z 1
SEI Нет Установить флаг прерываний I = 1 I 1
CLI Нет Очистить флаг прерываний I = 0 I 1
SES Нет Установить флаг числа со знаком S = 1 S 1
CLN Нет Очистить флаг числа со знаком S = 0 S 1
SEV Нет Установить флаг переполнения V = 1 V 1
CLV Нет Очистить флаг переполнения V = 0 V 1
SET Нет Установить флаг T T = 1 T 1
CLT Нет Очистить флаг T T = 0 T 1
SEH Нет Установить флаг внутреннего переноса H = 1 H 1
CLH Нет Очистить флаг внутреннего переноса H = 0 H 1
NOP Нет Нет операции Нет None 1
SLEEP Нет Спать (уменьшить энергопотребление) Смотрите описание инструкции None 1
WDR Нет Сброс сторожевого таймера Смотрите описание инструкции None 1

 
Ассемблер не различает регистр символов. Операнды могут быть таких видов:

  • Rd: Результирующий (и исходный) регистр в регистровом файле

  • Rr: Исходный регистр в регистровом файле

  • b: Константа (3 бита), может быть константное выражение

  • s: Константа (3 бита), может быть константное выражение

  • P: Константа (5-6 бит), может быть константное выражение

  • K6; Константа (6 бит), может быть константное выражение

  • K8: Константа (8 бит), может быть константное выражение

  • k: Константа (размер зависит от инструкции), может быть константное выражение

  • q: Константа (6 бит), может быть константное выражение

  • Rdl:  R24, R26, R28, R30. Для инструкций ADIW и SBIW

  • X,Y,Z: Регистры косвенной адресации (X=R27:R26, Y=R29:R28, Z=R31:R30)


ПРИЛОЖЕНИЕ 2.
Таблица регистров микроконтроллера AT90S1200

Адрес

Название

Bit 7

Bit 6

Bit 5

Bit 4

Bit 3

Bit 2

Bit 1

Bit 0

$3F SREG I T H S V N Z C
$3E
з а р е з е р в и р о в а н
$3D
з а р е з е р в и р о в а н
$3C
з а р е з е р в и р о в а н
$3B GIMSK - INT0 - - - - - -
$3A
з а р е з е р в и р о в а н
$39 TIMSK - - - - - - TOIE0 -
$38 TIFR - - - - - - TOV0 -
$37
з а р е з е р в и р о в а н
$36
з а р е з е р в и р о в а н
$35 MCUCR - - SE SM - - ISC01 ISC00
$34
з а р е з е р в и р о в а н
$33 TCCR0 - - - - - CS02 CS01 CS00
$32 TCNT0 Таймер / счетчик 0 (8 бит)

з а р е з е р в и р о в а н
$21 WDTCR - - - - WDE WDP2 WDP1 WDP0

з а р е з е р в и р о в а н
$1E EEAR Регистр адреса энергонезависимой памяти
$1D EEDR Регистр данных энергонезависимой памяти
$1C EECR - - - - - - EEWE EERE

з а р е з е р в и р о в а н
$18 PORTB PORTB7 PORTB6 PORTB5 PORTB4 PORTB3 PORTB2 PORTB1 PORTB0
$17 DDRB DDB7 DDB6 DDB5 DDB4 DDB3 DDB2 DDB1 DDB0
$16 PINB PINB7 PINB6 PINB5 PINB4 PINB3 PINB2 PINB1 PINB0

з а р е з е р в и р о в а н
$12 PORTD - PORTD6 PORTD5 PORTD4 PORTD3 PORTD2 PORTD1 PORTD0
$11 DDRD - DDD6 DDD5 DDD4 DDD3 DDD2 DDD1 DDD0
$10 PIND - PIND6 PIND5 PIND4 PIND3 PIND2 PIND1 PIND0

з а р е з е р в и р о в а н
$08 ACSR ACD - ACO ACI ACIE - ACIS1 ACIS0

з а р е з е р в и р о в а н
$00
з а р е з е р в и р о в а н

ПРИЛОЖЕНИЕ 3.
Программа для измерителя звуковой частоты

.include "8515def.inc"

.equ last_seg =4

.equ zero =0

.equ start_addr= 8

.def capture_l =r2

.def capture_h =r3

.def char =r5

.def char_pointer =r6

.def temp =r16

.def temp1 =r17

.def ZerRol =r18

.def char0 =r20

.def char1 =r21

.def char2 =r22

.def char3 =r23

.def char4 =r24

.def out_char0 =r8

.def out_char1 =r9

.def out_char2 =r10

.def out_char3 =r11

.def out_char4 =r12

.def out_counter =r13

.eseg ;EEPROM segment

.org 0

eetbl3:.db 0x3F,0x06

; ;0 1

.db 0x5B,0x4F

; ;2 3

.db 0x66,0x6D

; ;4 5

.db 0x7D,0x07

; ;6 7

.db 0x7F,0x6F

; ;8 9

.cseg

.org 0

rjmp reset

reti ;

reti ;

rjmp TIM1_CAPT

.org $006

rjmp TIM1_OVF

rjmp TIM0_OVF

;***********************************

;* Main Code

reset: ; Make Stack:

ldi temp, high(RAMEND)

out SPH, temp

ldi temp, low(RAMEND)

out SPL, temp

ldi temp, 0xC3 ;

out TCCR1B, temp ;

ldi temp, 0x8A ;

out TIMSK, temp

ldi temp, 0x3 ;

out TCCR0, temp

sei

ldi temp, zero

mov char_pointer, temp

ldi temp, 0xFF

out DDRA, temp

out DDRC, temp

ldi char0, 8

ldi char1, 8

ldi char2, 8

ldi char3, 8

ldi char4, 8

ldi ZH, 0

ldi ZL, start_addr

ldi ZerRol,0xFE

clt

clr out_counter

forever:

brtc forever

clt

mov dv16uL, capture_l ;tmp16a

mov dv16uH, capture_h ;tmp16b

ldi dd16uL, low(62500)

ldi dd16uH, high(62500)

; пробразование в Гц:

rcall div16u

; преобразование в десятичные цифры

ldi tmp16a, low(10000)

ldi tmp16b, high(10000)

rcall bin2ASCII_digit

mov tASCII4, cnt16a

ldi tmp16a, low(1000)

ldi tmp16b, high(1000)

rcall bin2ASCII_digit

mov tASCII3, cnt16a

ldi tmp16a, low(100)

ldi tmp16b, high(100)

rcall bin2ASCII_digit

mov tASCII2, cnt16a

ldi tmp16a, low(10)

ldi tmp16b, high(10)

rcall bin2ASCII_digit

rjmp forever

;* End Main Code

;************************************

;************************************

;* bin2ASCII_digit

.def fASCIIL =r24;r11

.def fASCIIH =r19;r12

.def tASCII0 =r24;r11

.def tASCII1 =r23;r16

.def tASCII2 =r22;r13

.def tASCII3 =r21;r14

.def tASCII4 =r20;r15

.def cnt16a =r23;r16

.def tmp16a =r16;r17

.def tmp16b =r17;r18

bin2ASCII_digit:

ldi cnt16a, -1

bin2ASCII_digit_loop:

inc cnt16a

sub fASCIIL, tmp16a

sbc fASCIIH, tmp16b

brsh bin2ASCII_digit_loop

add fASCIIL, tmp16a

adc fASCIIH, tmp16b

ret

;* End bin2ASCII_digit

;***********************************

;***********************************

;*div16u 16/16 Bit Unsigned Division ;* dd8uH:dd8uL / dv16uH:dv16uL =

;*dres16uH:dres16uL drem16uH:drem16uL

.def drem16uL =r14

.def drem16uH =r15

.def dres16uL =r24;=r16

.def dres16uH =r19;=r17

.def dd16uL =r24;=r16

.def dd16uH =r19;=r17

.def dv16uL =r27;=r18

.def dv16uH =r25;=r19

.def dcnt16u =r26;=r20

div16u: ;clear remainder Low byte:

clr drem16uL

;clear remainder High byte and carry:

sub drem16uH,drem16uH

;init loop counter:

ldi dcnt16u,17

d16u_1: ;shift left dividend:

rol dd16uL

rol dd16uH

;decrement counter:

dec dcnt16u

brne d16u_2 ;if done

ret ; return

d16u_2: ;shift dividend into

; remainder

rol drem16uL

rol drem16uH

;remainder = remainder - divisor

sub drem16uL,dv16uL sbc drem16uH,dv16uH ;

brcc d16u_3 ;if result

;negative restore remainder

add drem16uL,dv16uL

adc drem16uH,dv16uH

clc

;clear carry to be shifted into ;result

rjmp d16u_1 ;else

d16u_3: sec ;set carry to be

;shifted into result

rjmp d16u_1

;* End div16u

;************************************

;************************************;* Timer1 Capture Handler

TIM1_CAPT: in temp1, SREG

;in capture_l, ICR1L

;in capture_h, ICR1H

in capture_l, TCNT1L

in capture_h, TCNT1H

ldi temp, 0

out TCNT1H, temp

out TCNT1L, temp

ldi temp, 0xC3

out TCCR1B, temp

out SREG, temp1

set

reti

;* End Timer1 Capture Handler

;************************************

;************************************

;* Timer1 OverFlow Handler

TIM1_OVF: in temp1, SREG

ldi char0, 0

ldi char1, 0

ldi char2, 0

ldi char3, 0

ldi char4, 0

ldi temp, 0xC0

out TCCR1B, temp

ldi temp, 0

out TCNT1H, temp

out TCNT1L, temp

out SREG, temp1

reti

;* End Timer1 OverFlow Handler

;************************************

;************************************

;* Timer0 OverFlow Handler

TIM0_OVF: in temp1, SREG

tst out_counter

breq get_char

rjmp show_char

get_char: mov out_char0, char0

mov out_char1, char1

mov out_char2, char2

mov out_char3, char3

mov out_char4, char4

rjmp continue

show_char: ld char_pointer, Z+

ldi temp, eetbl3

add char_pointer, temp

out EEARL, char_pointer

;address EEPROM

ldi temp, 0

out EEARH, temp;address EEPROM

sbi EECR, EERE ;strobe EEPROM

in char, EEDR ;read code

out PORTA, ZerRol

out PORTC, char

sbrc ZerRol, last_seg;brcs carry

rjmp move_ZerRol

New_loop: ldi ZH, 0

ldi ZL, start_addr

ldi ZerRol,0xFE ;rol ZerRol

rjmp continue

move_ZerRol: sec

rol ZerRol

continue: inc out_counter

out SREG, temp1

reti

;* End Timer0 OverFlow Handler

;************************************


ПРИЛОЖЕНИЕ 4.
Программа для устройства «кодовый замок»


.include "1200def.inc"

;Port B pins

.equ ROW1 =3

.equ ROW2 =2

.equ ROW3 =1

.equ ROW4 =0

.equ COL1 =7

.equ COL2 =6

.equ COL3 =5

.equ COL4 =4

;Port D pins

.equ GREEN =1;green LED indicate

;keynumber

.equ RED =0;red LED

;initialization & zero keynumber

.equ INT =2 ;interrupt input

.equ max_count =21

.equ reset_btn =4

.equ psw_length =2

.def temp =r16 ;

.def key =r17 ;key code pointer

;for EEPROM

.def fine =r18 ;loop delay

;counters

.def medium =r19

.def coarse =r20

.def status =r21 ;preserve

;sreg here

.def rowid =r22

.def colid =r23

.def counter =r24

.def key_pr_count =r25

.eseg ;EEPROM segment

.org 0

eetbl1: .db 4,3,2,1,8,7 ,6,5,12,11,10,9,16,15,14,13

eetbl2: .db 3,1,2,4

.cseg ;CODE segment

.org 0

rjmp reset ;Reset handler

nop

nop ;unused timer interrupt

nop ;unused analogue

;interrupt

reset:

ldi temp,0x03 ;initialise port D as O/I

out DDRD,temp ;

out PORTD,temp ;

sbi ACSR,ACD ;shut down

;comparator to save power

cli ;disable global

;interrupts

ldi key_pr_count, 0

set ;T=1 - true password ;(default);T=0 - false password

ldi temp,2

rjmp red_flash ;flash LEDs

;for example usage

init_scan: clr counter

scan: ldi temp,0xff

out DDRB,temp

ldi temp, 0x0f

out PORTB, temp

ldi rowid,0xAA

;0xAA - значение по умолчанию

;кнопка не нежата

sbis PINB,ROW1 ;find row of

;keypress

ldi rowid,0 ;and set ROW pointer

sbis PINB,ROW2

ldi rowid,4

sbis PINB,ROW3

ldi rowid,8

sbis PINB,ROW4

ldi rowid,12

cpi rowid, 0xAA

breq init_scan ;Branch if equal //counter=0

inc counter

cpi counter, max_count;

brlo scan ;Branch if not

;equal

ldi temp,0xF0 ;change port B I/O to find column press

out PORTB,temp ;

rcall settle ;allow time for

;port to settle

ldi colid, 0xAA

;0xAA - значение по умолчанию кнопка не нежата

sbis PINB,COL1

;find column of keypress

ldi colid,0

;and set COL pointer

sbis PINB,COL2

ldi colid,1

sbis PINB,COL3

ldi colid,2

sbis PINB,COL4

ldi colid,3

cpi colid, 0xAA

breq init_scan

;Branch if equal //counter=0

add rowid,colid

;merge ROW and COL for pointer

mov key, rowid

rjmp clr_counter

misc_rst: rjmp reset

clr_counter: clr counter

ldi temp, 0xAA

key_up_wait: sbis PINB,COL1 ;;ожидание поднятия клавиши

ldi temp, 0xCC

;если бит=0 то temp=cc

sbis PINB,COL2

ldi temp, 0xCC

sbis PINB,COL3

ldi temp, 0xCC

sbis PINB,COL4

ldi temp, 0xCC

cpi temp, 0xCC

breq clr_counter

inc counter

cpi counter, max_count ;

brlo key_up_wait

;Branch if not equal

ldi temp,0x00 ;reinitialise port B as I/O

out DDRB,temp ;

out PORTB,temp ;

flash: ldi temp, eetbl1

add key, temp

out EEAR, key;address EEPROM

sbi EECR, EERE;strobe EEPROM

in key, EEDR

;read code of pressed button

cpi key, reset_btn

;if key pressed = reset button

breq misc_rst

;then goto reset

ldi temp, eetbl2

add temp, key_pr_count

out EEAR, temp

sbi EECR, EERE

in temp, EEDR

;read password code

inc key_pr_count

cp key, temp

;if pressed wrong key

brne not_equal

;then goto not equal

equal: rjmp continue

not_equal: clt

;T=0 - false password

continue: cpi key_pr_count, psw_length;if kpc > psw length

brge kpr_exceed

;then goto kpr_exceed

not_kpr_exceed: rjmp init_scan

kpr_exceed: brts psw_true

;if T=1 then password is true

ldi key_pr_count, psw_length

;else (T=0 password is false)

rjmp init_scan

psw_true: ldi temp, 3

green_flash:

cbi PORTD,GREEN ; rcall delay

sbi PORTD,GREEN

rcall delay

dec temp

brne green_flash

exit: rjmp reset ;scan ;ret

red_flash: sbi PORTD,RED

rcall delay

cbi PORTD,RED

rcall delay

dec temp

brne red_flash

rjmp init_scan

;****Time Delay Subroutine for ;****LED flash****

delay: ldi coarse,3;8 ;triple nested FOR loop

cagain: ldi medium,255 ;

magain: ldi fine,255 ;

fagain: dec fine

brne fagain

dec medium

brne magain

dec coarse

brne cagain

ret

;***Settling time delay for port ;***to stabilise****

settle:

cagain2: ldi medium,2 ;

magain2: ldi fine,255 ;

fagain2: dec fine

brne fagain2

dec medium

brne magain2

ret


AT90S

1200

2313

4414

8515

2323

4433

Диапазон напряжений питания, В 2,7 - 6,0

Тактовая частота, МГц *)

0 - 16 0 - 20 0 - 16 0 - 20
Количество линий ввода/вывода (max) 15 32 5 18
Количество инструкций 89 120

Объем Flash ROM, байт

1K 2K 4K 8K 2K 4K
Объем EEPROM, байт 64 128 256 512 128 256
Объем внутренней SRAM, байт - 128 256 512 128 128
Объем внешней SRAM, байт (max) - - 64K 64K - -
Объем регистрового файла, байт 32
Количество таймеров/счетчиков 1 2 2 2 1 2
ШИМ: Число каналов/разрядность - 1/8-10 2/8-10 2/8-10 - 2/8-10
Количество модулей захвата/сравнения - 1 2 2 - 2
Аналоговый компаратор + + + + - +

SPI (загрузка ROM и EEPROM)

+ + + + + +

SPI интерфейс (Master/Slave port)

- - + + - +
Сторожевой таймер + + + + + +
Асинхронный последовательный порт - + + + - +
Аналого - цифровой преобразователь - - - - - +
Количество битов защиты 2
Число источников прерывания: внутренних/внешних 2/1 8/2 10/2 10/2 2/1 11/2
Тип корпуса

DIP20, SOIC20, SSOP20

DIP40, PLCC44, TQFP44 DIP8, SOIC8 DIP28, PLCC28
ПРИЛОЖЕНИЕ 5.
Основные характеристики микроконтроллеров AVR



© 2012 Рефераты, курсовые и дипломные работы.