рефераты
Главная

Рефераты по рекламе

Рефераты по физике

Рефераты по философии

Рефераты по финансам

Рефераты по химии

Рефераты по хозяйственному праву

Рефераты по цифровым устройствам

Рефераты по экологическому праву

Рефераты по экономико-математическому моделированию

Рефераты по экономической географии

Рефераты по экономической теории

Рефераты по этике

Рефераты по юриспруденции

Рефераты по языковедению

Рефераты по юридическим наукам

Рефераты по истории

Рефераты по компьютерным наукам

Рефераты по медицинским наукам

Рефераты по финансовым наукам

Рефераты по управленческим наукам

Психология и педагогика

Промышленность производство

Биология и химия

Языкознание филология

Издательское дело и полиграфия

Рефераты по краеведению и этнографии

Рефераты по религии и мифологии

Рефераты по медицине

Рефераты по сексологии

Рефераты по информатике программированию

Краткое содержание произведений

Реферат: Триггеры

Реферат: Триггеры

1. Общие сведения

Устройство, имеющее два устойчивых состояния, называют триггером. Он имеет два выхода, один из них называют прямым, а другой — инверсным. Потенциалы на них взаимно инвертированы: лог. 1 на одном выходе соответствует лог. 0 на другом. С прихо­дом переключающих (запускающих) сигналов переход триггера из одного состояния в другое происходит лавинообразно, и потен­циалы на выходах меняются на противоположные.

В интервале между переключающими сигналами состояние триггера не меняется, т. е. триггер "запоминает" поступление сигна­лов, отражая это величиной потенциала на выходе. Это дает возможность использовать его как элемент памяти.

При лавинообразных переключениях на выходе триггера формируются прямоугольные импульсы с крутыми фронтами. Это по­зволяет использовать триггер для формирования прямоугольных импульсов из напряжения другой формы (например, из синусои­дального).

При двух последовательных переключениях триггера на выходе формируется один импульс, т.е. триггер можно использовать как делитель частоты переключающих сигналов с коэффициентом, равным двум.

Триггеры можно разделить на не тактируемые и тактируемые. Не тактируемый (асинхронный) триггер может менять свое состояние

Рис.1

переключающими сиг­налами в любое время. Так­тируемый (синхронный) триггер переключается син­хронно с поступлением спе­циального тактирующего импульса. Эти и другие ти­пы триггеров, показанные в таблице классификации, подробно рассмотрены да­лее.

Промышленность выпус­кает разнообразные типы триггеров в интегральном исполнении. Кроме того, они могут быть выполнены на цифровых интегральных микросхемах, операционных усилителях и на транзисто­рах. Рис.1.

2. Не тактируемые триггеры

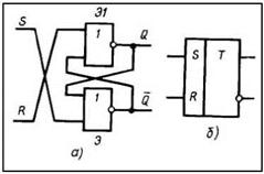
На выходе элемента И-НЕ (ИЛИ-НЕ) имеется инвертор (усилитель). В структуре из двух таких элементов можно обеспечить по­ложительную обратную связь, если вход одного элемента соединить с выходом другого, и баланс амплитуд. Такой структурой яв­ляется RS-триггер. Он имеет два выхода: прямой () и инверсный () и два входа: S — установки прямого выхода в 1 (говорят: "установки триггера в 1") и R — установки триггера в 0. Такой триггер является асинхронным RS-триггером. Он применяется само­стоятельно, а также в качестве запоминающей ячейки входит в состав более сложных интегральных триггеров.

2.1. Структуры триггеров

Рис.2.

 

RS-триггер на элементах ИЛИ-НЕ (рис. 2,а). Прежде всего рассмотрим воздей­ствие на такой триггер комбинаций сигналов S=1, R=1 и S=0, R=0. Сочетание S=1, R=1 является запрещенным, так как при нем на обоих выходах триггера устанавли­ваются логические 0 и после снятия входных сигналов состояние его не­предсказуемо.

Для элемента ИЛИ-НЕ логический 0 является пассивным сигналом: с его поступ­лением на вход состояние выхода элемента не изменяется. Поэтому появление ком­бинации S=0, R=0 не изменяет состояния триггера.

Логическая 1 для элемента ИЛИ-НЕ является активным сигналом: наличие ее на входе элемента однозначно определяет на его выходе логический 0 вне зависимости от сигнала на другом входе. Отсюда следует, что переключающим сигналом для рассматриваемого триггера является логическая 1, а также то, что вход S (установки триггера в состояние Q=1) должен быть связан с элементом, выход которого принят за .

Из сказанного ясно, что для переключения триггера в состояние Q=1 на его входы следует подать комбинацию S=1, R=0, а для переключения в состояние Q=0 — комбинацию S=0,R=1.

Пусть триггер (рис. 2,а) находится в состоянии 0 (Q=0, =1), а на входах действуют сигналы S=0, R=0. Для его переключения в состояние Q=1 подадим на входы комбинацию о S=1, R=0. Тогда на выходе элемента Э2 установится логический 0, на входах элемента Э1 будут одновременно присутствовать, логические 0, и на выходе Q установится логическая 1 — триггер переключается в новое состояние (Q=1, =0). Для его переключения из этого состояния на входы должна поступить комбинация S=0, R=1. После этого на выходе Q будет логический 0, на входах элемента Э2 одновременно окажутся логические 0 и его выход примет потенциал, соответствующий =1, —триггер переключается в состояние Q=0, =1.

Рис.3.

Из изложенного следует, что время переключения триггера (tпер) равно удвоенному времени переключения логического элемен­та (удвоенному времени задержки — 2tз). Часто, предусматривая запас, принимают tпер=3tз. Для надежного переключения триггера длительность входного переключающего сигнала не должна быть меньше tпер. Условное изображение RS-триггера приведено на рис. 2,б. На рис.3 приведена идеализированная временная диаграмма RS-триггера, на которой время переключения триггера принято равным нулю. Предпола­гается, что до момента t1 S=0, R=0, а триггер находится в состоянии Q=0. В момент t1 комбинация S=1, R=0 пере­ключает триггер в состояние Q=1. При t=t2 на входах уста­навливается сочетание S=0, R=0, при котором состояние триггера сохраняется прежним. Комбинация S=1, R=0, появляющаяся в момент t3, и комбинация S=0, R=0 в момент t4 никаких изменений не вносят, по-прежнему Q=1. Только в момент t5 сочетание S=0, R=1 вызывает переключение триггера в состояние Q=0. Вслед за этим изменение логической переменной на входе R состоя­ния триггера не меняет. Новое переключение происходит в момент t6 при поступлении на входы комбинации S=1, R=0. Заметим, что запрещенное сочетание сигналов S=1, R=1 на диаграмме отсутствует.

Рис.4.

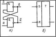
RS -триггер на элементах И-НЕ (рис. 4,а). Для элемента И-НЕ активным сигналом является логический 0: наличие его хотя бы на одном входе обусловливает на выходе логическую 1 независимо от сигналов на других входах. Логическая 1 для такого элемен­та является пассивным сигналом: с ее поступлением на вход состояние выхода элемента не изменяется. В силу сказанного триггер на элементах И-НЕ переключается логическим 0. На условном изображении такого триггера (рис. 4,б) это отражают инверсными входами.

Нетрудно понять, что для данного триггера комбинация входных сигналов S=0, R=0 является запрещенной, а комбинация S=1, R=1 не меняет его предыдущего состояния.

3 Тактируемые триггеры

На входы логического элемента или устройства сигналы не всегда поступают одновременно, так как перед этим они могут про­ходить через разное число элементов, не обладающих к тому же одинаковой задержкой. Это явление описывают как состязания или гонки сигналов. В результате в течение некоторого времени на входах создается непредвиденная ситуация: новые значения од­них сигналов сочетаются с предыдущими значениями других, что может привести к ложному срабатыванию элемента (устройства). Последствия гонок можно устранить временным стробированием, когда на элемент, кроме информационных сигналов, подаются тактирующие (синхронизирующие) импульсы, к моменту прихода которых информационные сигналы заведомо успевают устано­виться на входах.

Тактируемый триггер, кроме информационных входов, имеет синхронизирующий (тактирующий, тактовый) вход; сигналы на информационных входах воздействуют на такой триггер только с поступлением сигнала на синхронизирующий вход.

3.1. Структуры триггеров

Рис.5.

Тактируемый RS-триггер (рис.5,а). Схема такого триггера (собранного на элементах ИЛИ-НЕ) содержит асинхронный RS-триггер T1 и два конъюнктура входной логики. Последние передают переключающую логическую 1 с информационного S- или R-входа на соответст­вующие входы Т1 только при наличии на синхронизирующем входе С логической 1. При С=0 информация с S- и R-входов на триггер Т1 не передается.

Рассматриваемый триггер может быть выполнен и на запоминающей ячейке, реализован­ной на элементах И-НЕ.

Условное изображение тактируемого триггера приведено на рис. 5,б. В тексте тактируе­мый RS-триггер сокращенно обозначают как RSC-триггер.

Синхронизирующие входы триггера могут быть статическими и динамическими. Статиче­ский вход не теряет своего управляющего действия, пока на нем присутствует тактовый (синхро) импульс. Такие входы имеет триггер, изображенный на рис. 5,а. В присутствии тактового импульса эти триггеры будут менять свое состояние при каждой смене комбинаций логических потенциалов на входах S и R. Динамический синхровход воздействует на состояние выходов триг­гера в момент своего появления (передним фронтом) или окончания (задним фронтом).

Рис.6.

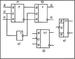
Двухступенчатый тактируемый RS-триггер (рис.6,а). Каждая ступень такого триггера представляет собой тактируемый RS-триггер. При появлении на входе С логической 1 триггер Т1 воспринимает информацию на входах S и R, определяю­щую его состояние. В это время на С-входе триггера Т2 за счет инвертора — логический 0, и информация с выходов Т1 не воздействует на Т2. В момент окон­чания действия логической 1 на входе С (С=0) на выходе инвертора появляется логическая 1, разрешающая перезапись в Т2 информации из Т1. Таким образом, в первую ступень информация с входов S и R записывается с поступлением такто­вого импульса, т. е. по его переднему фронту; состояние первой ступени переда­ется второй с окончанием тактового импульса, т. е. по его срезу. По этому внеш­нему проявлению тактирующего импульса C-вход описанного триггера можно рассматривать как динамический.

Условное изображение двухступенчатого RS-триггера, в котором переключение выходов второй ступени триггера происходит перепадом входного сигнала из 1 в 0 (перепадом 1 / 0), приведено на рис.6,б. Условное изображение триггера с C-входом, переключающим триггер перепадом 0/1, приведено на рис. 6, в.

Тактируемый (синхронный) триггер обычно имеет дополнительные асинхронные входы, но которым он вне зависимости от сиг­нала на тактовом входе переключается в состояние 1 (по входу S) или в 0 (по входу R). Такие входы называют не тактируемыми или асинхронными. Логические потенциалы на них воздействуют на запоминающие ячейки триггера непосредственно (для чего эти ячейки триггера выполнены на трехвходовых элементах), минуя входную логику.

Условное изображение двухступенчатого триггера с инверсными асинхронными входами приведено на рис. 7.

Рис.8.

Рис.7.


D -триггер (триггер задержки) – рис. 8 . D-триггер имеет один информационный D-вход и тактовый С-вход. Он состоит из синхронного RSC-триггера, дополненного инвертором. При С=1 потенциал D-входа передается на S-вход триггера T1 (S=D), а на входе R устанавливается потенциал R=: сигналы на входах оказываются взаимно инвертированными. Это приводит к тому, что любой сигнал на входе D создает на S- и R-входах комбинацию (S=1, R=0 или S=0, R=1), способную переключить триггер в состояние Q=S=D. Таким образом, при С=1 D-триггер является повторителем: на выходе Q повторяется потенциал входа D. Однако это повторение начинается только с поступлением тактового импульса на вход С, т. е. с задержкой относительно сменившегося потенциала на D-входе. При С=0 триггер Т1 и D-вход разобщены, поэтому S=0 и триггер хранит информацию, поступившую с D-входа при С = 1. Так как в D - триггере информация поступает по одной линии – на D-вход, то явление гонок не проявляется. Поэтому в быстродействующих цифровых устройствах используют D-триггеры.

Рис.9.

На рис.9 приведены временные диаграммы D-триггера. Выход Q повторяет состояние D-входа с поступлением очередного тактового импульса на вход С, т. е. с задержкой.

D-триггер можно выполнить двухступенчатым. При этом его первая ступень представляет собой одноступенчатый D-триггер, а вторая может быть синхронным RSC-триггером (рис. 10,а). Состояние D-входа передается первой ступени с приходом тактового импульса, т. е. по его переднему фронту; вторая ступень (триггер в целом) принимает состояние первой с окончанием тактового импульса, т. е. по его заднему фронту. Условное изображение двухтактного D-триггера, переключающегося перепадом 1/ 0 приведено на рис. 10,б.

JK - триггер. Такой триггер имеет информационные входы J и К, которые по своему влиянию аналогичны входам S и R тактируемого RSС-триггера: при J=1, K=0 триггер по тактовому импульсу устанавливается в состояние Q=1; при J= 0, К=1– переключается в состояние Q=0, а при J = K= 0 – хранит ранее принятую информацию. Но в отличие от RSС-триггера одновременное присутствие логических 1 на информационных входах не является для JK-триггера запрещенной комбинацией.

Рис.11.

На рис. 6.11,а изображена одна из функциональных схем JK-триггера. Ее отличительной особенностью являются пе­рекрестные связи выходов триггера с входами конъюнкторов входной логики. Благодаря им на эти входы после каж­дого переключения триггера передаются потенциалы, об­ратные тем, какие были перед предыдущим переключени­ем, и которые поэтому в состоянии обеспечить новое пере­ключение триггера в противоположное состояние.

Для создания информационных входов J и K элементы Э1 и Э2 входной логики первой ступени выбраны трехвходовыми. Переключение выходов второй ступени триггера происходит перепадом 1/0 на C-входе.

При J=K=0 на входах элементов Э1 и Э2 устанавливаются логические 0, которые для триггеров с прямыми входами являются пассивными сигналами - триггер Т1 и, следовательно, JK-триггер в целом сохраняют прежнее состояние. Чтобы на выходе элемента Э1 появилась логическая 1 (которой триггер Т1 может переключаться в состояние Р= 1), на его входах необходимо присутствие сигналов J =1, С=1, а также логической 1 с выхода  . Аналогично, логическая 1 будет на выходе элемента Э2, когда K=1, С=1 и Q=1. Таким образом, комбинация J=1, К=0 обеспечивает по тактовому импульсу переключение JK-триггера в целом в состояние Q=1, а комбинация J=0, K=1— в состояние Q=0.

На рис.11,б приведено изображение JK- триггера с тремя объединенными конъюнкцией входами J, с тремя объединенными конъюнкцией входами K и с входами S и R асинхронной установки. На рис. 11,в показана реализация D-триггера на базе JK-триггера.

Рис.12.

4. Счетные триггеры

Счетный триггер (Т-триггер) отличается тем, что он переключается с поступлением каждо­го импульса на тактовом входе, называемом в таком триггере счетным. Счетный триггер можно реализовать на базе JK-триггера. Логическая 1 на одном из входов элемента И не оп­ределяет потенциал на его выходе, поэтому сочетание J=K=1 не влияет на входную логику первой ступени триггера. Теперь она получает информацию только с выходов триггера (рис.11,а), которая устанавливает ее в положение, когда с приходом счетного импульса начнется очередное переключение - JK-триггер работает в счетном режиме. Реализация счетного режима на JK- триггере приведена на рис 12,а.

Счетный триггер просто реализуется и на D-триггере (рис. 12, б). Если после каждого переключения обеспечить автоматическую смену уровня потенциала на D-входе, то с каждым импульсом на C-входе триггер будет менять свое состояние. Указанная смена потенциала будет осуществляться, если D-вход соединить с выходом . Вторая перекре­стная связь (аналогичная связи в JK- триггере) обеспечивается за счет соединения D-входа с R-входом запоминающей ячейки триг­гера через инвертор (см.рис.8).


5. Триггер Шмитта

Рис.13.

Этот триггер (рис. 13,a) стоит особняком в семействе тригге­ров: он имеет один вход, один выход и не обладает свойствами за­поминающего элемента. Триггер содержит два инвертора, охва­ченных положительной обратной связью, за счет чего выход схе­мы может изменять свое состояние лавинообразно.

На выходе инвертора потенциал с лог. 0 на лог. 1 изменяется при большем входном напряжении, чем при изменении с лог.1 на лог. 0. Поэтому схема (рис.13,а) обладает гистерезисом (рис. 13,б). Это позволяет использовать ее в качестве формиро­вателя прямоугольных импульсов из входного напряжения, в ча­стности, из синусоидального.

Условное изображение триггера Шмитта приведено на рис. 13,в.


Литература

1.Калабеков Б.А. Цифровые устройства и микропроцессорные системы —М.: Телеком, 2000г.

2.Потемкин И.С. Функциональные узлы цифровой автоматики —М.: Энергоатомиздат, 1988 г., c. 166…. 206.

3.Сайт в интернете: WWW. abc. WSV.ru

4.Сайты в интернете : rff.tsu.ru, pub. mirea. ac. ru, foroff. phys. msu.ru


© 2012 Рефераты, курсовые и дипломные работы.