рефераты
Главная

Рефераты по рекламе

Рефераты по физике

Рефераты по философии

Рефераты по финансам

Рефераты по химии

Рефераты по хозяйственному праву

Рефераты по цифровым устройствам

Рефераты по экологическому праву

Рефераты по экономико-математическому моделированию

Рефераты по экономической географии

Рефераты по экономической теории

Рефераты по этике

Рефераты по юриспруденции

Рефераты по языковедению

Рефераты по юридическим наукам

Рефераты по истории

Рефераты по компьютерным наукам

Рефераты по медицинским наукам

Рефераты по финансовым наукам

Рефераты по управленческим наукам

Психология и педагогика

Промышленность производство

Биология и химия

Языкознание филология

Издательское дело и полиграфия

Рефераты по краеведению и этнографии

Рефераты по религии и мифологии

Рефераты по медицине

Рефераты по сексологии

Рефераты по информатике программированию

Краткое содержание произведений

Реферат: Контроль качества сгорания топлива в методических нагревательных печах

Реферат: Контроль качества сгорания топлива в методических нагревательных печах

Министерство образования Российской Федерации

Магнитогорский Государственный Технический Университет им Г.И. Носова

Кафедра Промышленной Кибернетики и Систем Управления.

Курсовая работа.

По дисциплине: Технические измерения и приборы.

На тему: Контроль качества сгорания топлива в методических нагревательных печах.

Выполнил

Студент группы Эм-00-1

Остапенко Д.В.

Поверил

Сергеев А.И.

Магнитогорск 2002

Оглавление

Оглавление.. 1

Введение.. 2

Литературный обзор. 7

Методы определения. 7

Термохимический метод. 7

Газоанализаторы ВТИ-2, ГХЛ-1, ГХЛ-2. 9

Электрохимические методы.. 9

Полярографический метод. 9

Кулонометричесий метод. 14

Потенциометрический метод. 14

Использование твердых электролитов. 15

Автоматический анализатор кислорода 151ЭХО2. 17

Использование топливных элементов. 19

Оптические методы. 19

Оптико-акустические газоанализаторы.. 19

Macс-спектрометрический метод. 20

Магнитные методы. 22

Термомагнитный метод. 22

Прибор Газоанализатор АГ0011. 28

Магнитопневматический метод. 30

Использование полупроводниковых чувствительных элементов. 32

Хроматографический метод. 34

Метод прямого измерения поглощения (оптико-абсорбционный метод) 36

Основы метода. 36

Общие принципы и закономерности. 36

Основные способы повышения чувствительности и селективности. 36

Аппаратура. 38

Источники зондирующего излучения. 38

Приемники излучения. 40

Схемы абсорбционных газоанализаторов. 40

Формула изобретения патента №2109269. 46

Газоанализатор ПЭМ-2М... 47

Автоматизированный стационарный пост контроля (АСПК) 47

Введение

В прокатных цехах российских предприятий в настоящее время работает около 240 методических нагревательных печей. До конца 60-х годов строили наиболее простые по конструкции и относительно дешевые толкательные печи. Когда они перестали удовлетворять требованиям прокатного производства, начался переход на печи с шагающим подом (мелкосортные и проволочные станы) и шагающими балками (листовые станы), которые хотя несколько сложнее и дороже, но лишены недостатков толкательных печей.[1]

В конце 70-х годов строительство новых толкательных печей прекратилось, кроме достройки в существующих печных отделениях. К новым станам строили только печи с механизированным подом. До 80-х годов металлургия развивалась в основном экстенсивно: строились новые станы и новые печи, а старые оставались в прежнем состоянии. В 80-х годах началась реконструкция печей с выводом из строя устаревших прокатных станов; в 90-х годах она приостановилась. В результате наряду с современными печами с механизированным подом сохранились старые двух- и трехзонные печи без нижнего обогрева, перекатные, без рекуператоров, с керамическими и игольчатыми рекуператорами, с инжекционными горелками. Примерно 80 % печного парка составляют толкательные печи. Из них почти треть не имеет рекуператоров и столько же печей с керамическим рекуператором; печей с игольчатым — примерно 12 %. Средняя температура подогрева воздуха в игольчатых рекуператорах 200 "С, а в керамических — 340 °С. Печи с керамическими рекуператорами и инжекционными горелками составляют 10 % и столько же печей перекатных, с наклонным и лекальным подом. Средний срок службы этих печей более 40 лет. Конечно, в период реструктуризации металлургического производства многие из этих печей вместе со станами будут выведены из эксплуатации.

Методические печи предназначены для нагрева металла перед прокаткой и от­носятся к печам непрерывного действия. За время нагрева заготовки постепенно перемещаются через всю печь от входа к выходу.[2]

Методическая печь состоит из рабочего пространства, где происходит сжигание топлива и нагрев металла, и ряда систем: отопления, транспортировки заготовок, охлаждения элементов печи, управления тепловым режимом и др. Рассмотрим для пример! пятизонную топкатепьную методическую печь, изображение продольного разреза которой приведено на рис. 1. Наименование печи соответствует числу отапливаемых зон. Подлежащие нагреву заготовки подаются к загрузочному окну 1 печи с помощью рольганга загрузки 2 и заталкиваются и печь толкателем. Заготовки на рисунке не показаны, они лежат в печи вплотную одна к другой, сопри­касаясь боковыми гранями. Поэтому при заталкивании в печь очередной заготовки все заготовки перемещаются вдоль печи. Одновременно из окна выдачи 3 на прием­ный рольганг 4 выдается нагретая заготовка.

Рабочее пространство печи разбито на зоны: методическую зону 5, верхнюю и нижнюю первые сварочные зоны 6 и 7, верхнюю и нижнюю вторые сварочные зоны и 9, томильную зону 10. Все зоны, кроме методической, оснащены горелками I1, в которых сжигается топливо (смешанный газ, природный газ, мазут).

Заготовки нагреваются постепенно (методично), перемешала, сначала через неотапливаемую методическую зону (зону предварительного нагрева). где темпе­ратура сравнительно низкая, затем через сварочные (нагревательные) зоны с вы­сокой температурой, где происходит быстрый нагрев металла, и томильную зону, в которой осуществляется томление - выравнивание температур по сечению заго­товки. В методической и сварочных зонах заготовки перемещаются по водоохлаждаемым подовым трубам 12, я в томильной - по монолитной подине 13.

Продукты сгорания движутся в печи навстречу движению металла, отдавая ему значительную часть тепла (в последнее время разрабатываются методические печи, в которых направление движения продуктов совпадает в некоторых зонах с нап­равлением движения металла, однако они не получили широкого распространения), Из методической зоны они поступают в рекуператор 14, где нагревают воздух, подаваемый в зоны для горения ( в некоторых методических печах в рекупера­торах нагревают также и газ).

Далее продукты сгорания во многих современных методических печах пода­ются в котлы-утилизаторы, где часть их тепла используется для выработки пара, после чего они отводятся в дымовую трубу.

Hа рис. 1 изображена схема одного из возможных вариантов методической печи. Методические печи могут различаться числом отапливаемых зон, формой рабочего пространства, способами перемещения металла, подвода топлива и возду­ха, сжигания топлива, а также по размерам и производительности, по виду нагреваемого металла, по типу обслуживаемых станов и ряду других признаков . Ниже рассматриваются в основном те особенности различных методических печей, которые влияют на создание систем автоматического управления нагревом метал­ла в них.

Число отапливаемых зон в методической печи  может быть равно 2, 3, 4, 5, 6, 7 н более. Двух зонные печи без томильной зоны применяют для нагрева тонких заготовок (до ОЛ-0,15 м). В многозонных печах участок с высокой температурой растянут на большую длину, что позволяет форсированно греть металл и обеспечи­вать высокую производительность. Каждая зона отопления оснащается локальными системами автоматического регулирования (САР) температуры и режима горения. С увеличением числа зон в печи соответственно увеличивается число локальных САР и управление распределением температурного режима по длине печи становит­ся более гибким.

Методическая печь, схема которой изображена на рис. 1, имеет верхние и ниж­ние зоны. В таких печах металл греется с двух сторон: сверху н снизу, что повы­шает равномерность нагрева заготовки по толщине. Недостатком таких печей является наличие в них водоохлаждаемых подовых труб, что приводит к появ­лению темных (холодных) пятен на заготовках в местах их контакта с трубами и к увеличению расхода топлива. Поэтому применяются также методические печи только с верхним обогревом. Обычно для верхних и нижних зон проектируют одинаковые САР температуры. Однако в нижних зонах хуже условия для измере­ния температуры. Поэтому, как правило, системы регулирования в них работают менее эффективно. Иногда для нижних зон приходится создавать специальные САР. рис1

Задачей этих систем является обеспечение экономичного сжигания топлива, достижение наилучших условий теплообмена факела с металлом и кладкой и под­держание в печи газовой атмосферы определенного состава. Указанные задачи решаются путем направленного изменения соотношения воздух-топливо (Со), автоматическая стабилизация которого позволяет улучшить качество нагрева ме­талла, уменьшить удельный расход топлива, угар и окалинообразованне.

В печах с ннжекционными горелками происходит саморегулирование Со, требуемое значение которого устанавливают, изменяя при наладке положение воздуш­ных клапанов перед горелками. Если при полностью открытых клапанах воздуха все же недостаточно, то уменьшают размеры газовых сопел или переходят на сжигание газа с пониженной теплотой сгорания.

В печах с дутьевыми горелками регулирование осуществляют путем принуди­тельного изменения расхода воздуха при изменениях расхода топлива или Со (схемы с ведущим топливом). Гораздо реже встречаются схемы с ведущим возду­хом. Поддержание заданного значения Со обеспечивают локальные системы регу­лирования, использующие в качестве входной информации непрерывно измеряемые расходы топлива и воздуха. Величину Со устанавливают с помощью выносно­го задатчика, отградуированного либо непосредственно в единицах Со (м3 /м3), либо в единицах коэффициента расхода воздуха, определяемого как отношение измеренного расхода воздуха к теоретическому, необходимому для полного сжи­гания измеренного расхода топлива.

При заметных отклонениях барометрического или избыточного давления и температуры топлива или воздуха от расчетных в показания расходомеров вводят соответствующую поправку для приведения к стандартным условиям . Обычно учитывают только отклонения температуры.

Динамика объекта регулирования, которым а данном случае является участок трубопровода между диафрагмой и регулирующим органом (P.O.), аппроксимируемый с достаточной степенью точности звеном чистого запаздывания и апериодическим звеном первого порядка, характеризуется Т0= 0,2-0,8 и Та =0,6—1,5 с и зависит главным образом от расхода и емкости участка трубопровода, импульсных линий и датчиков. Коэффициент передачи по каналу расход-положение P.O. определяется расходной характеристикой и исходным положением регулирующей поворотной заслонки и связан существенно нелинейной зависимостью с измеряемым расходом . Наличие значительных люфтов в сочленении P.O. с И.М. обусловливает резкое отличие коэффициентов передачи по каналу расход-положение И.М. при малых и больших перемещениях последнего.

В таких условиях удовлетворительное качество регулирования достигается при использовании ПИ-регуляторов  со сниженным коэффициентом передачи пропорциональной части или при использовании чистых И-регуляторов. Настройка регуляторов выполняется по известным методикам при расходах, равных 60 ... 80% от максимальных. Так как при малых расходах в системе регулирова­ние появляется склонность к автоколебаниям, а при больших — процесс регулирования затягивается, необходимо изменение динамических настроек регулятора по мере изменения расхода. При значительном снижении расходов (ниже 30% от максимального) резко снижается точность их измерения, а следовательно, и регулирования Со. При дальнейшем  снижении расходов расходомеры становятся практически нечувствительными, и ошибка в поддержании заданного значения Со может составить 100% и более. Кроме того, из-за резкого снижения скоростей истечения из горелок перемешивание топлива и воздуха становится недостаточным и качество сжигания топлива ухудшается. В этом случае целесообразно перейти на работу с повышенным Со, прекратив снижение расхода воздуха при достижении некоторого  предельного  значения, определяемого экспериментально для каждой Мин.   '" Такой переход оправдан, так как резкое снижение расходов (тепловой нагрузки) осуществляют, как правило, чтобы быстро снизить температуру в рабочем пространстве. Работа с избытком воздуха только ускорит этот процесс. Увеличение угара компенсируется исключением опасности оплавления нагреваемого метала, При длительной работе с такой низкой тепловой нагрузкой целесообразно перейти на дистанционное управление температурой рабочего пространства и процессом горения, отключив ряд горелок в каждой зоне.

Качественное регулирование заданного значения Со по измеренным расходам даже при достаточно больших тепловых нагрузках еще не гарантирует экономимого сжигания топлива и постоянства состава продуктов горения внутри печи.

Неконтролируемые изменения теплоты сгорания топлива, особенно при отоплении смешанным газом, приводят к колебаниям действительного значения Со. которые могут достигать значительной величины. Для устранения этих колебаний в систему регулирования вводят импульс от калориметра, непрерывно измеряющего теплоту сгорания топлива.

Действительное количество воздуха, поступающего в печь, может отличатся от измеренного. Это отличие обусловлено потерями на участках воздухопроводу расположенных после диафрагмы, и подсосами в лечь холодного воздуха из окружающего пространства. Количество теряемого воздуха может быть ориентировочно оценено при теплотехнических испытаниях печи. Количество подсасываемого воздуха зависит от давления в печном пространстве и увеличивается при снижении тепловой нагрузки. Используя эту зависимость, можно сформировать корректирующей импульс, вызывающий снижение заданного значение Со в соответствии с уменьшением тепловой нагрузки (уменьшением расхода воздуха или топлива). Введение такого импульса, а также учет теряемого воздуха позволяют снизить влияние этих факторов, но не устранять его полностью. Кроме того, в принеси эксплуатации печи количество теряемого воздуха к зависимость между количеством подсасываемого воздуха и тепловой нагрузки меняются.

Достаточно точно о составе атмосферы печи (полноте сжигания топлива) можно судить по результатам анализа продуктов сгорания, отбираемых в конце печи, или для печей большой мощности в конце каждой зоны . По найденному содержанию О2, СО, Н2, СН4 и N2 может быть рассчитан действительный коэффициент расхода воздуха. Разность между рассчитанным и заданным значением явится корректирующим сигналом регулятору Со. Применение указанного способа требует обеспечения представительности проб продуктов сгорания, отбираемых для автоматического анализа, решения задачи очистки и охлаждения пробы, а также минимума запаздываний в импульсной линия и собственно газоанализаторе. Динамические характеристики современных автоматических газоанализаторов на порядок больше динамических характеристик объекта управления, что приводит при непосредственном регулировании Со по результатам анализа: к большим и знакопеременным динамическим погрешностям. Представительный импульс может быть сформирован только по большому количеству отдельных измерений и, характеризуя тенденцию изменения действительного значения Со, может использоваться в качестве корректирующего сигнала.

Если в печи осуществляется полное сжигание топлива, то достаточно контролировать только содержание O2 в продуктах горения . Такой анализ может быть выполнен с достаточным быстродействием и без применения сложных устройств отбора и подготовки пробы с помощью датчика с твердым электролитом (твёрдоэлектролитной ячейки), пропускающего ионы О2. Э.д.с., развиваемая дат» ком, зависит от его температуры и концентрация О2, максимальная чувствительность достигается, когда эта концентрация близка к нулю. Для датчика, выполненного из циркония, допустимая рабочая температура равна 2000°С, что позволяет располагать его в любом участке тракта отходящих газов, а также и непосредственно в рабочем пространстве печи, вблизи факела. В первом случае температуру, а следовательно, и градировочную характеристику датчика стабилизируют с помощью дополнительного электроподогрева по сигналу ТП, смонтированной в одном корпусе с датчиком. Во втором случае датчик одновременно используется для стабилизации температуры рабочего пространства (его ТП подключается на вход регулятора топлива) и для регулирования Со. При этом регулирование Со начинается после того, как температура датчика и рабочего пространства достигает заданного значения.

Малые размеры и высокое быстродействие датчика с твердым электролитом позволяют осуществить контроль качества сжигания топлива не только в каждой зоне, но и в каждой горелке н значительно расширить диапазон работы системы регулирования Со, одновременно упрощая эту систему.

Чтобы уменьшить кратковременные колебания Со, связанные с запаздыванием показаний расходомеров или с прекращением регулирования, вызванным отклонением температуры датчика от заданного значения, в систему может быть введен импульс от исполнительного механизма (И.М.), перемещающего регулирующим органом (Р.О.) на трубопроводе топлива. Подключенный через дифференциатор к регулятору расхода воздуха этот импульс обеспечивает одновременный поворот обоих P.O., что приведет к одновременному изменению расходов топлива и воздуха. Оставшееся отклоните Со от заданного значения будет устранено по сигналам расходомеров или сигналу вышедшего на заданную температуру датчика с твердым электролитом.

Управление сжиганием топлива может выть осуществлено также с помощью экстремальных систем регулирования, в которых в результате непрерывного поиска определяется значение Со, обеспечивающее максимальную при данном расходе


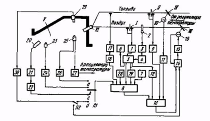
Рис2

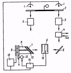
топлива температуру в области, контролируемой датчиком. На рис. 2 показана принципиальная схема локальной системы, позволяющей реализовать описанные выше способы управления режимом сжигания топлива.

Измерение расхода воздуха выполняется с помощью диафрагмы/ и дифманометра 1 (ДМ-Э). Поправка к показаниям расходомера формируется с помощью ТП 2(ТХА-151), нормирующего преобразователя 3 (Ш-72) и блока нелинейного преобразования 4 (БНП). Вычисление расхода воздуха, приведенного к стандарт­ным условиям, выполняется блоком умножения 5 (БВО), сигнализация достижения минимального расхода, еще обеспечивающего устойчивую работу горелок — блоком б (БСГ).

Величина заданного Со устанавливается на выносном задатчике 7 (РЗД), выход­ной сигнал которого суммируется с сигналами коррекции в сумматоре блока 8 (БВО). Там же осуществляется деление вычисленного расхода воздуха на скор­ректированное значение Со. Расход топлива измеряется с помощью

диафрагмы 11 и дифманометра 9 (ДМ-Э) . Для формирования импульса, уменьшающего запаздывание, служат датчик поло­жения вала И.М. 10 (МЭО 25/100) при P.O. IV


и дифференциатор 11 (ЭД). С по­мощью преобразователя 12 (БНП) реализуется зависимость, в соответствии с кото­рой изменяются параметры динамической настройки регулятора 13 (РБИ-3) при изменении тепловой нагрузки. Для перехода на дистанционное управление служит блок 14 (БРУ-У), соединенный через пускатель 75 (ПРБ-74) с двигателем 16 (МЭО 25/100), перемещающим P.O. III.

Теплота сгорания топлива контролируется датчиком 17 (КГ-7093.01), корректирующий импульс формируется во вторичном приборе 18 (КГ-7093.02). Кор­рекция задания при изменении тепловой нагрузки осуществляется с помощью блока 19 (БНП). Корректирующий импульс по содержанию О^ в продуктах сго­рания зоны печи V может поступать в зависимости от положения переключателя 111 либо от комплекта, состоящего из устройства отбора и подготовки пробы 20, автоматического газового анализатора 21 (МН-5106) и интегратора 22 (БПИ), либо от датчика с твердым электролитом 23 в комплекте с преобразователем 24 (Циркон), либо, наконец, от датчика 25, расположенного в пламени горелки VI, и преобразователя 26. В последнем случае ТП датчика 25 через преобразователь 27 подключается на вход регулятора температуры рабочего пространства. Заданная концентрация О2 в месте установки соответствующего датчика вводится с помощью задатчика 28 (РЗД).

Экстремальное регулирование выполняется с помощью датчика 29 (ТЕРА-50) и экстремального регулятора 30 (ЭРБ), подключаемого через ключи 111 и П2 к сумматору блока 8 или через ключ П2 непосредственно к блоку 14 в зависимости от типа выходного сигнала регулятора 30.

При переводе переключателя Я в положение а, Ъ и d элементы схемы 1, 2, 3, 4, 5, 6, 7, делитель блока 8, элементы 9, 17, 18, 19, 20, 21 и 22 непосредственно в регулировании могут не участвовать.

Наладка системы на объекте состоит в определении исходных параметров ди­намической настройки регулятора 13, выполняемом по известным методикам на основании кривой разгона, снятой при тепловой нагрузке порядка 70-80% от максимальной; настройке блока 12 для обеспечения постоянного характера переходного процесса в широком диапазоне изменения тепловой нагрузки и наст­ройке блока 19 по результатам газового анализа для обеспечения постоянного состава атмосферы печи. Все остальные элементы проходят предварительную при­борную наладку в соответствии с инструкциями по их эксплуатации до установки на объекте и периодически поверяются в дальнейшем.

При. сжигании топлива одна из главных проблем — обеспечение оптимального соотношения между количеством подаваемых в топку топлива и воздуха.

Для каждой конкретной установки существует оптимальный избыток воздуха, который соответствует наиболее экономичному протеканию процесса сжигания. Недостаток воздуха при горении способствует образованию токсичных продуктов неполного сгорания, вызывает перерасход топлива. Избыток воздуха также приводит к перерасходу топлива на нагрев лишнего воздуха в составе отходящих газов. В обоих случаях сжигание топлива сопровождается повышенным выбросом в атмосферу высокотоксичных оксидов азота. Одним из наиболее достоверных способов определения избытка воздуха является анализ газовой cмеси, покидающей камеру сгорания, а именно определение концентрации кислорода в топочных газах. В соответствии с «Ин­струкцией по проектированию и безопасной эксплуатации фа­кельных установок для горючих газов и паров» должен осущест­вляться автоматический контроль за концентрацией кислорода в газах, сбрасываемых на факел. Концентрация кислорода в такой газовой смеси не должна превышать ≈2 % (об.).

Литературный обзор.

Методы определения

Известны следующие методы определения концентрации молеку­лярного кислорода: химические, электрохимические, с исполь­зованием топливных элементов, термокондуктометрический, акустический, пневматический, ионизационный, оптические, масс-спектрометрический, магнитные, с использованием полупроводни­ковых чувствительных элементов, хроматографические.[3]

Термохимический метод.

Метод основан на измерении теплового эффекта экзотермической химической реакции, в которой участвует определяемый компонент пробы АГС.

Повышение температуры, определяющееся значением теплового эффекта реакции, пропорционально концентрации горючего (определяемого) компонента. Для определения -концентрации кислорода этим методом используют реакцию взаимодействия кислорода с водородом:

О2 + 2Н2=2Н2О + 4,84364-105 Дж.

Процесс стационарного беспламенного горения происходит на крупинках мелкораздробленного катализатора с развитой поверхностью, через который просасывается проба АГС. Температура поверхности, которая в данном случае является измеряемой физической величиной, не зависит от истинной кинетики каталитической реакции, т. е. от активности катализатора.

Теоретически повышение температуры за счет реакции равно:

T-T0=C(Q0/nCv)(1)

где Т — температура поверхности; Т0 — температура среды; С — концентрация горючего (определяемого) компонента; Q0 — теплота реакции; п — число молекул в единице объема; Cvмолекулярная теплоемкость при постоянном объеме.

Значение Q0 постоянно, п зависит от давления и в известной степени от температуры, Cv — функция состава пробы АГС.

Повышение температуры на 1,0% (об.) кислорода должно составить: Т02 = 161°С.

Однако практически повышение температуры значительно ниже за счет потерь тепла и составляет 20—25 % от теоретического.

Различают два варианта термохимического метода анализа состава.

В первом варианте определяемый компонент пробы АГС сгорает непосредственно на чувствительном элементе (ЧЭ), в качестве которого, как правило, используют терморезистор. Терморезистор является одновременно катализатором или покрыт слоем катализатора; повышение температуры А/ терморезистора является функцией концентрации определяемого компонента пробы АГС:

 (2)

где К — коэффициент, характеризующий конструкцию реакционного объема; ( — коэффициент, характеризующий полноту сгорания; С — концентрация определяемого компонента; q — теплота его сгорания.

Во втором варианте пробу АГС пропускают через камеру, и на насыпном слое катализатора протекает реакция, в результате которой повышается его температура, являющаяся функцией концентрации определяемого компонента пробы АГС:

 (7)

где Q — расход пробы АГС; а и b — коэффициенты, учитывающие характер теплообмена в реакционной зоне.

Температуру катализатора можно измерить, например, термопарой, сравнительный спай которой помещается в потоке АГС до катализатора, а измерительный спай — непосредственно в катализаторе.

Для термохимического газоанализатора необходимо в качестве материала для ЧЭ использовать материал со значительным температурным коэффициентом сопротивления (ТКС). Обычно применяют платину, так как она обладает высокой химической инертностью, сравнительно высоким ТКС, линейной зависимостью ТКС от температуры (до 1200 °С). Сочетание высокой каталитической активности с химической инертностью позволяет также широко использовать платину в качестве материала для ЧЭ термохимических газоанализаторов, одновременно выполняющих роль катализатора.

В качестве чувствительного элемента применяют химически чистую платиновую проволоку ПЛ-3, обладающую оптимальными свойствами по испарению и рекристаллизации. Для стабилизации каталитических свойств поверхности платины чувствительный элемент после изготовления подвергают специальной обработке — старению и активации.

Проволочные чувствительные элементы имеют ряд недостатков, поэтому в настоящее время созданы чувствительные элементы на носителях, где функции терморезистора и нагревателя разделены частично или полностью.

Измерительные ячейки термохимического газоанализатора приведены на рис. 3.

Рис. 3. Измерительные ячейки термохимического газоанализатора:

 а — без катализатора: 1 — платиновая нить; 2 — держатель; 3 — измерительная ячейка;

 б — чувствительный элемент расположен в катализаторе: 1 — чувствительный элемент; 2 — измерительная ячейка; 3 — катализатор; 4 — термостат;

в — чувствительный элемент расположен в керамической трубке; 1 — камера; 2 — катализатор; 3—электриче­ская спираль; 4 — чувствительный элемент; 5 — керамическая трубка

В ячейке (рис. 3, а)  проба АГС проходит через измерительную ячейку 3, в которой размещен ЧЭ в виде платиновой нити 1, укрепленной на держателях 2. Платиновая нить нагревается электрическим током до температуры, при которой происходит реакция. Выделившаяся теплота сгорания повышает температуру нити, увеличение температуры пропорционально концентрации определяемого компонента. Повышение температуры измеряется по изменению сопротивления нити, включенной, как правило, в схему электрического четырехплечего моста.

В ячейке (рис. 3, б) предусмотрено использование катализатора 3, в котором размещен ЧЭ 1. Обычно такая измерительная ячейка 2 размещается в термостате 4. При протекании пробы АГС через измерительную ячейку на катализаторе происходят соответствующая реакция, сопровождающаяся выделением тепла. Изменение температуры катализатора измеряется ЧЭ. Такой тип измерительной ячейки реализован в газоанализаторе ТХГ-5, где используются две измерительные ячейки: рабочая, через которую пропускают пробу АГС, и сравнительная с инертным газом.

Ячейка (рис. 3, в) представляет собой камеру 1, обогреваемую электрической спиралью 3. В камере расположена керамическая трубка 5, часть внешней поверхности которой покрыта катализатором 2. В керамической трубке находится ЧЭ 4, измеряющий ее температуру. Такой тип измерительной ячейки используют при создании газоанализатора на кислород в азоте.

Для обеспечения термохимического эффекта к пробе АГС прибавляют водород, являющийся вспомогательным газом для протекания реакции Н+1/2О2 = Н2О.

В измерительную ячейку помещена фарфоровая трубка, обогреваемая электрическим током. Каталитическое сжигание водорода происходит на измерительных спаях термостолбиков («10 термопар, соединенных последовательно).

Преимущества термохимического метода: высокая чувствительность и возможность определять концентрации практически всех горючих газов и паров. Недостатки — вероятность отравления чувствительного элемента каталитическими ядами, а также потребность во вспомогательном газе.

Многочисленные термохимические сигнализаторы и газоанализаторы используют для определения довзрывных концентраций горючих газов, а также горючих компонентов в отходящих газах тепловых объектов. Поскольку необходимым условием протекания окислительной реакции является наличие кислорода в пробе АГС, метод позволяет определять концентрацию молекулярного кислорода в смеси с горючими газами.

Газоанализаторы ВТИ-2, ГХЛ-1, ГХЛ-2.

Предназначены для раздельного определения концентрации кислотных газов (СО2 SО2, H2S и др.), кислорода и монооксида углерода, суммы непре­дельных углеводородов (СnH2n) и водорода в пределах от 0 до 100 % (об.). Кроме того, с помощью этих газоанализаторов опре­деляют сумму предельных углеводородов (СnН2n+2).

Газоанализаторы ГХЛ-1 и ГХЛ-2 — новые объемно-химиче­ские газоанализаторы. В ГХЛ-1 предусмотрено использование сжатого воздуха для прокачки пробы АГС, в ГХЛ-2 — прокачка ручная.

По сравнению с ВТИ-2 эти газоанализаторы более удобны в эксплуатации, обеспечивают высокую точность анализа, позво­ляют снизить энергозатраты и время анализа.

Электрохимические методы

Из электрохимических методов анализа состава газов для определения концентрации молекулярного кислорода наибольшее распространение получили полярографический, кондуктометрический, кулонометрический и потенциометрический методы

анализа.

Полярографический метод

Основан на поляризации погруженного в электролит индикаторного или вспомогательного электрода при наложении напряжения от внешнего или внутрен­него источника.

Под поляризацией электрода понимают изменение значения равновесного электродного потенциала при прохождении через электрод постоянного электрического тока. Интенсивность этого процесса оценивают по значению , соответствующему разности между равновесным потенциалом и потенциалом поляризованного электрода.

Напряжение Е, приложенное к цепи, распределяется в ней в соответствии с законом Ома. Применительно к полярографической ячейке это означает, что в каждый данный момент значение налагаемого на электроды поляризующего напряжения равно сумме скачков потенциала на аноде  и катоде , а также падению напряжения в растворе электролита Ir:

(3)

где   I — ток,   проходящий   через   полярографическую   ячейку;   r — сопротивле­ние раствора электролита.

В зависимости от того, будет поляризующийся электрод катодом или анодом электролитической ячейки, причиной поляризации явятся различные восстановительные или соответственно окислительные процессы, которые вызовут сдвиг потенциала электрода соответственно в отрицательную или положительную сторону.

При поляризующемся аноде плотность тока сравнительно велика на катоде и очень мала на аноде. В этом случае потен­циал анода  принимают за нуль и он служит началом отсчета для потенциала катода. Тогда предыдущее равенство можно записать следующим образом:

 (4)

При малой силе тока ( А), протекающего через полярографическую ячейку, и сопротивлении раствора электролита, не превышающем несколько кОм, падение напряжения в растворе составит несколько мВ. Поэтому практически

 (5)

Если обеспечить достаточно высокую электропроводность (малое сопротивление) раствора, то можно считать, что числовое значение поляризующего напряжения равно потенциалу поляри­зующего электрода.

При неполяризующемся катоде плотность тока сравнительно велика на аноде и очень мала на катоде. В этом случае потенциал катода  принимают за нуль и он служит началом отсчета для потенциала анода. При анодной поляризации

(6)

т. е. потенциал анода зависит от напряжения, поданного на полярографическую ячейку.

Всякий процесс, в том числе и процесс поляризации электрода, может быть изображен в виде графика, на котором координаты соответствуют основным переменным, характеризующим ход этого процесса.

В полярографии такими переменными являются налагаемое на электроды напряжение и электрический ток, проходящий в цепи полярографической ячейки.

График, характеризующийся зависимостью тока от напряже­ния, называют вольт-амперной характеристикой. В полярографии такой график называют поляризационной кривой или полярограм-мой и описывают видоизмененным уравнением Нернста:

 (7)

где Е — разность между равновесным потенциалом и потенциалом поляризован­ного электрода; R — газовая постоянная; Т—абсолютная температура; п — число электронов, участвующих в суммарной электрохимической реакции; F — число Фарадея; I — ток, проходящий через полярографическую ячейку; IД — диффузионный ток.

На рис. 4 представлена полярограмма раствора, содержащего один определяемый компонент. При наложении на электроды увеличивающейся разности потенциалов через электролит, в кото­ром растворен определяемый компонент пробы АГС, протекает небольшой электрический ток. Однако при поляризации индика­торного электрода ток быстро увеличивается, достигает постоян­ного (предельного) значения, не зависящего от потенциала электрода.

Участок 1 полярограммы, на котором ток возрастает, называют полярографической волной, а участок 2 — площадкой диффузионного тока.

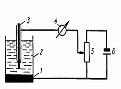
Рис. 4. Ампер-вольтняя характеристика полярографической ячейки

Рис. 5. Схема плолярографа:

1 — анод (слой ртути на дне ячейки); 2— электролит; 3 — катод (ртутный капельный электрод); 4 — микроамперметр; 5 — рео­стат; 6— источник питания

Потенциал электрода  при поляризующем токе, равном половине предельного тока  называют потенциалом полуволны. Потенциал полуволны — важная характеристика вещества, так как каждое вещество вследствие своих структурных особенностей восстанавливается при определенном его значении. По потенциалу полуволны определяют вид вещества, а по пре­дельному току (высоте полярографической волны) — его концен­трацию в растворе электролита полярографической ячейки.

На рис. 5 изображена схема полярографа, состоящего из полярографической ячейки, устройства для подачи потенциала — источника питания 6, реостата 5 и микроамперметра 4.

Полярографическая ячейка представляет собой стеклянный сосуд с электролитом 2. В ячейке помещены два электрода: катод 3 и анод 1. Катод — ртутный капельный электрод — имеет малую поверхность, через которую при электрохимическом восста­новлении протекают большие токи. Вследствие этого потенциал катода отличается от равновесного потенциала, необходимого для проведения электрохимической реакции, т. е. происходит поляризация катода.

В качестве анода (электрода сравнения) применяют хлор-серебряный, каломельный электроды или электрод с большой поверхностью, часто слой ртути 1, находящийся на дне ячейки. Большая поверхность электрода сравнения нужна для снятия явления поляризации.

Напряжение (2—4 В) от внешнего источника питания 6 через реостат 5 подается на ртутные электроды полярографи­ческой ячейки. Ток, проходящий через ячейку, измеряют микро­амперметром 4, а напряжение, подаваемое на ячейку, регулируют перемещением движка на реостате 5 от нуля (крайнее нижнее положение) до максимума (крайнее верхнее положение).

При электролизе происходят следующие процессы: перенос деполяризатора из раствора на поверхность электрода, электро­химическая реакция, выделение конечных продуктов реакции на поверхность электрода или выделение их обратно в раствор.

Скорость электрохимической реакции зависит в основном от скорости переноса деполяризатора к поверхности электрода.

Перенос деполяризатора в растворе к электроду осуществляется диффузией, конвекцией и миграцией.

Значение электрического тока, проходящего через поляро­графическую ячейку при постепенном увеличении потенциала ртутной капли — катода и наличии деполяризатора в растворе, подчиняется законам диффузии.

Зависимость силы электрического тока от градиента концентра­ции и коэффициента диффузии потенциалопределяющих ионов у поверхности плоского электрода и стационарном состоянии (расстояние от поверхности электрода x= 0) выражается уравне­нием :

 (8)

где S — активная площадь электрода; D — коэффициент диффузии; dc/dx — градиент концентрации у поверхности электрода.

Количественный анализ полярографическим методом проводят только для веществ, которые восстанавливаются на ртутных электродах или окисляются на платиновых электродах. Поляро­графические измерения производят с применением электрода из любого проводящего материала.

Молекулярный кислород хорошо восстанавливается на ртутном капельном электроде. Однако этот электрод применим только в пределах от —2,5 до +0,2 В и имеет ряд недостатков: токсичность паров, необходимость оборудования специальных лабораторий. В связи с этим в полярографии применяют твердые электроды: платиновые или графитовые, с помощью которых снимают поляро-граммы при анодном окислении веществ от 0 до +1,0 В. Кроме того, твердые электроды имеют следующие преимущества: возможность работы при непрерывном поступлении в поляро­графическую ячейку пробы АГС, в области положительных потенциалов, где применение ртутных капельных электродов ограничено вследствие растворения ртути; применение загущен­ных и твердых электролитов.

Наряду с этим имеются и недостатки: невозможность естественного перемешивания электролита у поверхности электрода; изменение в ряде случаев размера и качественного состояния поверхности электрода в процессе работы.

Отсутствие естественного перемешивания электролита и связанное с этим уменьшение чувствительности устраняют при­нудительным движением электролита вокруг электрода; электрод­ную поверхность обновляют размыканием цепи электролиза, коротким замыканием или другими способами.

В полярографических газоанализаторах на кислород в качестве индикаторных электродов используют электроды из золота и серебра, реже — из платины и палладия. Это объясняется тем, что скорость восстановления кислорода на золотом и серебряном электродах выше, чем на платиновом и палладиевом, а также на золотом электроде быстрее устанавливается поля­ризационное равновесие при восстановлении кислорода. Кроме того, на золотом и серебряном электродах практически не выделяется водород, нарушающий прямую пропорциональность предельного диффузионного тока от концентрации кислорода.

Недостатки платинового и палладиевого электродов — влияние каталитической реакции на электродах между водородом, содержащимся в электролите, и кислородом в пробе АГС на показания прибора и чувствительность процесса электро­восстановления кислорода на электродах к различным загрязне­ниям.

В некоторых случаях используют угольные электроды.

В газоанализаторах с внешним источником питания в качестве материала для анода обычно используют серебро, поскольку оно наименее подвержено коррозии в электролите и растворению в условиях анодной поляризации.

В газоанализаторах с внутренним источником (в гальвани­ческих элементах) в качестве материала для анода применяют цинк, кадмий и свинец, обеспечивающие наибольший отрица­тельный электрический потенциал.

Гальванический метод анализа состава — один из перспектив­ных при разработке портативных аналитических приборов с высокими эксплуатационными характеристиками .

Одним из первых веществ, концентрация которого была опре­делена с помощью газоанализатора, основанного на гальвани­ческом методе, был кислород. Электрохимическая ячейка такого газоанализатора содержит  катодный и анодный узлы, а также электролит, например КОН, загущенный крахмалом, В такой электрохимической ячейке с катодом (индикаторным электродом) из позолоченной никелевой проволоки и кадмиевым анодом происходит следующая реакция:

на катоде О2+2Н2О + 4е→           (9)

на  аноде   2Cd + →2Cd(OH)2 + 4e.

Значение диффузионного тока в электрохимической ячейке определяется выражением:

(10)

где   bтолщина   мембраны;  П — проницаемость   мембраны;     —парциаль­ное давление определяемого компонента (кислорода) пробы (АГС).

Таким образом, значение диффузионного тока — функция пар­циального давления определяемого компонента и, следовательно, его концентрации.

Рис. 6. Ячейки с индикаторным электродом:

а – ртутным: 1 — ртутный капельный электрод; 2 — сосуд; 3 — перелив;

б -  графито­вым: 1— графитовый индикаторный электрод; 2 — сосуд; 3 — анод;

 в — золотым (сере­бряным): 1— контактный термометр; 2 — свинцовый электрод сравнения; 3 — крышка; 4 — нагревательный элемент; 5 — серебряный индикаторный электрод; 6 — корпус; 7 — металлический диск

Ячейка с ртутным индикаторным электродом (рис. 6, а) снаб­жена капиллярным ртутным капельным электродом 1, установлен­ным в сосуде 2, содержащем электролит (раствор соляной кисло­ты), поступающий в сосуд из специальной емкости. Ртуть в капил­лярный электрод поступает из емкости, в которой она хранится. Выдыхаемый воздух подается в ячейку навстречу движущемуся вдоль капельного электрода электролиту, что обеспечивает образо­вание равномерной пленки электролита на поверхности капилляра и установление полного равновесия раствор — газовая смесь, а также систематическое образование капель электролита в ниж­ней части капилляра.

Электролиз осуществляется в каждой капле электролита, сво­бодно висящей на конце капиллярного электрода. В такой ячейке уровень электролита под капилляром поддерживается строго по­стоянным с помощью перелива 3, соединенного с сосудом 2, на дне которого находится постоянный слой ртути, служащий анодом.

Ячейка с графитовым индикаторным электродом (рис. 6, б) со­стоит из графитового индикаторного электрода 1, сосуда 2 и анода 3, покрытого ртутной амальгамой. В качестве электролита исполь­зуют раствор серной кислоты, содержащий в качестве деполяри­заторов анода CdSO4 или ZnSO4, чем достигается постоянство его потенциала. Анализатор, где используется указанная ячейка (ана­лизатор Новака ), предназначен для определения концентра­ции кислорода в технических газах в пределах 0—1 % (об.) с по­стоянной времени 10 с.

Ячейка с золотым (серебряным) индикаторным электродом (рис. 7, в) состоит из корпуса 6, выполненного из органического стекла, крышки из нержавеющей стали 3, на которой закреплен серебряный индикаторный электрод 5, свинцового электрода сравнения 2, нагревательного элемента 4, контактного термо­метра 1. На дне корпуса размещен металлический диск 7, приводимый в движение магнитной муфтой и предназначенный для перемешивания электролита. В качестве электролита исполь­зуют раствор уксусной кислоты, гидроксила натрия и ацетата свинца.

Анализатор Элкофлюкс, в котором используют указанную ячейку, рассчитан на следующие пределы измерения по кислороду 0—0,002; 0—0,01; 0—0,1 % (об.). Постоянная времени прибора при расходе пробы АГС 25 л/ч — 60 с.

Ячейка с золотым индикаторным электродом и золотым анодом (рис. 7, а). На боковой стенке корпуса 1 из органического стекла имеются штуцер ввода пробы АГС 8 и обратный клапан 9, предотвращающий выброс электролита при колебаниях давления газа, электронагреватель 10, контактный термометр 5. В корпусе 1 размещена электрохимическая система, состоящая из рабочего электролита 6, барботажной пластины 11, индикаторного электрода 13, вспомогательного электрода 7, электрода сравнения 4, резервуара для запасного электролита 2, штуцера выхода пробы АГС 3. Рабочий электролит сливают через штуцер 12, резервный электролит — через штуцер 14. Материалом для индикаторного и вспомогательного электродов служит золото. В качестве электрода сравнения используют насыщенный каломельный электрод, в качестве электролита (рабочего и резервного) — раствор гидроксида калия.

Рис 7 Ячейки: а — с золотым индикаторным электродом и золо­тым анодом: 1— корпус; 2 — запасной электролит; 3 — штуцер для выхода АГС; 4 — электрод сравнения; 5 — контактный термометр; 6 — рабо­чий электролит; 7 — вспомогательный электрод; 8 — штуцер для входа АГС; 9 — обратный кла­пан; 10— электронагреватель; 11 — барботажная пластина; 12 — штуцер для слива рабочего электролита; 13 — индикаторный электрод; 14 — штуцер для слива запасного электролита; б—с золотым индикаторным электродом и свинцовым анодом: 1 — электролит; 2 — корпус; 3 — золотой индикаторный электрод; 4— термочувствительный элемент; 5 — свинцовый анод; в — с серебряным индикаторным электродом и свинцовым анодом: / — корпус; 2 — индикаторный электрод; 3 — гидрозатвор; 4 — свинцовый анод; 5—электро­лит; 6—электролизер; 7—увлажнитель АГС

Ячейка с золотым индикаторным электродом и свинцовым анодом изображена на рис. 8, б. В корпусе 2 размещены золотой индикаторный электрод 3, свинцовый анод 5, погруженные в электролит 1, термочувствительный элемент, используемый в схеме термокомпенсации 4. В качестве электролита применяют раствор гидроксида натрия.

Ячейка с серебряным индикаторным электродом и свинцовым анодом изображена на рис. 8 в. В корпусе 1 размещены увлажни­тель газа 7, электролизер 6 с платиновыми электродами, инди­каторный электрод, изготовленный из серебряной сетки 2, свинцо­вого анода и гофрированной ленты 4. На внешней поверхности электрода намотана серебряная проволока, являющаяся токоотводом. Электроды погружены в электролит 5.

Кулонометричесий метод.

Основан на измерении количества электричества, затраченного на электрохимическое превращение.При подаче на электроды кулонометрической ячейки соответ­ствующего потенциала происходит электрохимическое восста­новление или окисление вещества. Для электрохимической реак­ции

Вос→0кс

можно определить массу окисленного вещества Оке, если известно количество электричества, т. е. общее количество электронов, отданных восстановителем Вое, и число электронов п, отданных одной молекулой.

Согласно законам электролиза количество вещества, прореаги­ровавшего на электроде, пропорционально количеству электри­чества, прошедшего через раствор:

m = MIt/nP = MQ/nF,               (11)

Где m — масса вещества, прореагировавшего на электроде, г; М — моль вещества; I — сила тока, A; t — время, с; п — число электронов, принимающих участие в электрохимической реакции; F — постоянная Фарадея, равная 96484,56±0,27 Кл-моль-1 и характеризующая количество электричества, необходимое для электрохимического превращения одного моля вещества; Q — количество электричества, израсходованного на реакцию, Кл.

Одним из основных условий осуществления кулонометрии является протекание электрохимического процесса со 100 %-ным выходом по току, что означает равенство фактического коли­чества вещества, вступившего в электрохимическую реакцию, его теоретическому количеству. Для этого нужно знать поляри­зационные кривые для всех веществ, присутствующих в растворе.

Кулонометрический анализ осуществляют либо при заданном токе, либо при заданном потенциале электрода, на котором про­исходит процесс.

Кулонометрия при заданной силе тока основана на измерении количества электричества, прошедшего через раствор при электро­химической реакции. Зная число электронов, требующееся для электрохимического окисления или восстановления вещества, и количество электричества, прошедшего через раствор (оно равно произведению силы тока на продолжительность его протекания), рассчитывают концентрацию определяемого компонента. При кулонометрии при заданной силе тока можно использовать как восстановительный процесс, протекающий на катоде, так и окислительный — на аноде.

В кулонометрии при постоянном потенциале измерение проводят при постоянном потенциале рабочего электрода, что максимально приближает выход реакции по току к 100 % и полностью избавляет от побочных реакций. Для поддержания постоянного потенциала рабочего электрода используют спе­циальное устройство — потенциостат и трехэлектродную схему. Третьим электродом является стандартный электрод сравнения — каломельный или хлорсеребряный, относительно которого изме­ряют и поддерживают потенциал рабочего электрода — катода или анода.

Уравнение электролиза в перемешиваемом растворе при постоянном потенциале выражается соотношением:

(12)

где Vобъем раствора, подвергаемого электролизу; Со — концентрация веще­ства в растворе;  — толщина диффузионного слоя.

Преимущества кулонометрических газоанализаторов сле­дующие: высокая чувствительность, широкий динамический диа­пазон, независимость выходного сигнала от температуры и со­стояния поверхности электродов, простая"конструкция, небольшие размеры и масса, возможность их абсолютной градуировки, легкость автоматизации. К недостаткам кулонометрических газо­анализаторов относятся: малая избирательность, необходимость периодической смены электролита.

Наиболее эффективное средство повышения избиратель­ности — использование проницаемых мембран. Для индикаторных электродов наиболее часто применяют серебро, золото, платину.

Кулонометрический метод позволяет определить концетрацию молекулярного кислорода в газовых смесях до 10-3 % (об.). В настоящее время для определения меньших концентраций широко используют кулонометрические газоанализаторы с твер­дыми, загущенными и жидкими электролитами .

Потенциометрический метод.

Сущность метода заключается в измерении электродвижущих сил обратимых электрохимических цепей, когда рабочий электрод имеет потенциал, близкий к равно­весному значению.

При соприкосновении двух металлов, металла с раствором, двух растворов и т. п. между ними образуется разность потенциа­лов, которая известна как потенциал границы раздела фаз. Для потенциометрии наиболее важным является потенциал, возникающий между металлом и раствором. При погружении металлического электрода в раствор, содержащий ионы этого же металла, между твердой и жидкой фазами устанавливается равновесие

Me0↔Mez+ +ne(13)

где Mez+ — элемент с соответствующей валентностью Z.

Электродный потенциал, возникший при границе металл — раствор, называют равновесным потенциалом.

Электрод, погруженный в раствор, представляет собой так называемый полуэлемент. Непосредственно измерить потенциал отдельного электрода невозможно, для его определения исполь­зуют косвенный метод, основанный на сравнении значения потен­циала одного электрода со значением потенциала другого электрода.

Два электрода, погруженные в соответствующие растворы, имеют свои собственные, характерные для данных условий потен­циалы и образуют гальванический элемент," напряжение которого равно алгебраической разности этих потенциалов.

Напряжение гальванического элемента называется электро­движущей силой (э. д. с.) элемента, ее вычисляют по формуле:

э. д. с. = E a-Ek

где Ea — потенциал анода, Ek — потенциал катода.

При измерении э. д. с. гальванического элемента абсолютные значения потенциалов обоих электродов остаются неизвестными. Поэтому в качестве сравнительного выбирают электрод, с потен­циалом которого можно сравнивать потенциалы других элек­тродов.

Стандартные электроды должны удовлетворять следующим требованиям :

потенциалопределяющая электродная реакция должна быть термодинамически обратимой;

электроды должны быть слабо поляризуемыми, т. е. незначи­тельно изменять свой потенциал при прохождении тока; обладать высокой воспроизводимостью и сохранять постоянство потенциала при длительном хранении и при работе в различных условиях.

Перечисленным требованиям соответствуют электроды, наибо­лее широко используемые в электрохимических методах анализа: водородный, каломельный, хлорсеребряный электроды и др.

Зависимость равновесного потенциала электрода от концен­трации определяемого компонента при температуре 25 °С выра­жается видоизмененным уравнением Нернста:

,(14)

где E0 — нормальный электродный потенциал; С — концентрация определяемого компонента (ионов), зависящая от числа моль-ионов в 1 л.

Для реакции

О2 + 4Н+ + 4е = 2Н20,(15)

при температуре 25 °С нормальный потенциал равен  +1,23 В.

Для определения концентрации молекулярного кислорода в газовых смесях с помощью приборов, принцип действия которых основан на потенциометрическом методе, в основном используют твердые электролиты.

Использование твердых электролитов.

Твердые электролиты — твердые тела, электропроводность которых обусловлена переносом ионов. Использование их в электрохимических анализаторах обеспечивает избирательность анализа, что позволяет создать образцовые аналитические приборы соответствующих разрядов .

Электрохимические ячейки с твердыми электролитами исполь­зуют в двух режимах: потенциометрическом и кулонометрическом.

В потенциометрическом режиме э. д. с. возникает непосред­ственно в области границ трех фаз электрод — твердый электро­лит — газовая фаза. Причем э. д. с. не зависит от того, какой электропроводящий материал (плотный или порошкообразный) применяют в качестве электрода, так как для образования потен­циала растворение компонентов газа в электродном слое не является необходимым. Такому механизму образования э. д. с. соответствует следующая запись электрохимической ячейки

Электронный проводник                    газовая фаза катода A ()

Твердый электролит

Электронный проводник                    газовая фаза B ()

Где  — парциальное давление кислорода;

Если в качестве электронного проводника использовать пла-       '\ тину, а в качестве ТЭ — диоксид циркония, стабилизированный      ; монооксидом кальция (ZrOaCaO), который образует электролит с   кислородоионной   проводимостью,   то   в   сокращенном   виде формула такой электрохимической ячейки может быть записана в виде :

A(),Pt║ZrO2CaO║Pt, B()

Э. д. с. такой электрохимической ячейки выражается видоизме­ненным уравнением Нернста:

E=(RT/4F)ln

Электродвижущую силу твердоэлектролитной ячейки в по­тенциометрическом режиме определяют как. разность двух электродных потенциалов: потенциала рабочего электрода (элек­трода, реагирующего на определяемый компонент пробы АГС) и электрода сравнения.

Если электрод сравнения омывается чистым кислородом с давлением 0,9807-105 Па, а рабочий электрод — пробой АГС с парциальным давлением кислорода р02, то разность потенциалов между электродами (в мВ) выразится уравнением:

E = 0,4959T(4,9915-lg).(16)

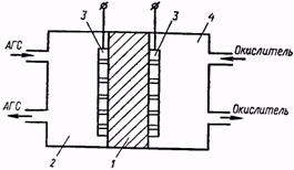
В твердоэлектролитной ячейке камера 1 разделена на две части мембраной 2 из ТЭ (рис. 11, а). На поверхность мембраны нанесены газопроницаемые электроды 3, выполненные из металла, не вступающего в химическое взаимодействие с пробой АГС. С одной стороны мембрана омывается сравнительным газом с известной концентрацией кислорода, а с другой — пробой АГС. Разность потенциалов между электродами является функ­цией концентрации кислорода в пробе АГС.

На потенциометрическом методе основан принцип действия газоанализаторов для определения кислорода „Циркон" и "Флю­орит" .

Рис. 8. Твердоэлектролитная ячейка:а — в потенциометрическом режиме: 1 — камера; 2 — мембрана; 3 — электроды; б — в ку-лонометрическом режиме: 1,3 — электроды; 2 — Твердоэлектролитная ячейка; 4 — источ­ник постоянного тока; 5 — прибор для измерения силы тока

Недостатки потенциометрических твердоэлектролитных газо­анализаторов — необходимость иметь сравнительную газовую смесь и с высокой точностью поддерживать заданную температуру в рабочей зоне.

В твердоэлектролитных .ячейках, работающих в кулонометри-ческом режиме, эти недостатки отсутствуют.

В кулонометрическом режиме проба АГС поступает в ячейку 2 (рис. 8,б), выполненную из ТЭ в виде трубки, на внешнюю и внутреннюю поверхность которой нанесены электроды 1 и 3. К электродам приложено напряжение от источника постоянного тока 4 и последовательно с ними подключен прибор для измере­ния электрического тока 5.

Молекулы кислорода из пробы АГС диффундируют к поверх­ности внутреннего электрода и, сорбируясь на нем, диссоциируют на атомы

О2↔О+О,

которые в свою очередь ионизируются за счет электронов элек­трода

О + 2е↔О2-,

проникая к границе раздела газ — электрод — электролит.

Под напряжением ионы кислорода переносятся через электро­лит к внешнему электроду, на котором ионы, отдавая электроны во внешнюю цепь, рекомбинируют до молекулярного кислорода, отходящего в окружающую атмосферу. Таким образом, во внеш­ней цепи электрохимической ячейки возникает электрический ток. В установившемся режиме, когда осуществляется практически полный перенос кислорода из пробы АГС, расход газа через твердоэлектролитную ячейку постоянный. Зависимость между током переноса и концентрацией кислорода пробы АГС выража­ется соотношением, выведенным на основе закона Фарадея:

I = QCnF/M,(17)

где Q — расход пробы АГС; С — концентрация кислорода в пробе АГС; М — молекулярная масса кислорода.

Кроме процессов окисления и восстановления кислорода на электродах никаких реакций, связанных с образованием новых еществ в твердоэлектролитных ячейках, не происходит, т. е. ячейка является обратимой. В этом заключается принципиальное отличие и одно из существенных преимуществ данных ячеек по сравнению с жидкостными электрохимическими ячейками. Преимуществами этих ячеек являются также широкий диапазон измерений, малая инерционность, возможность расчета градуи-ровочной характеристики, простота аппаратурного оформления. Твердые электролиты обладают высокой устойчивостью к механи­ческим воздействиям, работоспособностью в широком интервале температур, имеют большой срок службы, легко поддаются миниа­тюризации.

Недостатки ячеек: трудность обеспечения хорошей адгезии электродов к твердому электролиту в течение длительного вре­мени работы при высоких температурах и необходимость создания высокой рабочей температуры твердого электролита (от 500 до 1200 °С).

Автоматический анализатор кислорода 151ЭХО2

 Предназначен для использования на тепловых электростанциях, в паровых и водогрейных котлах с целью контроля и регулирования режимов работы энергетических установок и котлов различного типа, а также для технологических печей.

Рекомендуется для контроля содержания кислорода в дымовых газах, газоходов котлов во всех отраслях промышленности сельского и коммунального хозяйства.

Анализатор имеет твердоэлектролитный датчик погружного типа, конструкция которого позволяет устанавливать его непосредственно в дымовом потоке. Конструктивное решение прибора исключает сложные устройства пробоотбора и пробоподготовки и, кроме того, делает возможным определение реального содержания кислорода (с учетом влияния паров воды, содержащихся в продуктах сгорания топлива).

В приборе предусмотрена схема защита измерительной ячейки от перегрева. С помощью аналогового выходного сигнала анализатор может подключаться к вычислительному комплексу для работы в составе автоматизированной системы.

Прибор имеет два уровня сигнализации, регулируемые в пределах диазонов измерения, и состоит из трех унифицированных блоков (промежуточного преобразователя - ПП, блока питания -БП; первичного измерительного преобразователя - ПИП).

Анализатор обеспечивает непрерывное поддержание оптимального процесса горения, снижает стоимость комплексных эколого-технологических ремонтно-наладочных испытаний, гарантирует максимальное энерго- и ресурсосбережение.

 Применение анализатора 151ЭХО2 на котле ДКВР-10/13 позволило получить годовой экономический эффект 12000 у.е. На котле в "Винницаэнерго", сжигающем 86000 м/куб. газа в сутки, применение анализатора 151ЭХ02 позволило повысить к.п.д. на 5 % и сэкономить за год 130000 у.е.

 Комитетом Украины по стандартизации, метрологии и сертификации был выдан сертификат соответствия А-М1/2-266-98. Прибор внесен в Государственный реестр средств измерительной техники, допущенных к применению в Украине за № УД45-98.

Диапазон измерений, объемная доля кислорода, % 0,25-10
Предел допускаемой основной приведенной погрешности, % 2,5
Время установления показаний, с 15
Максимальная температура в месте установки зонда, °С 600
Питание от сети переменного тока, В/Гц 220/50
Потребляемая мощность, ВА, не более 250
Масса комплекта (ПИП. БП, ПП и монтажные части), кг, не более 30

Выходной сигнал с цифровой индикацией, мА

В

0-5;4-20;

0-10

Длина погружаемой части ПИП, м 0,5; 1: 1,5

Технические характеристики

О2-АДГ-1 - Анализатор кислорода в дымовых газах

НАЗНАЧЕНИЕ

О2-АДГ-1 современный автоматический газоанализатор, предназначенный для непрерывного измерения концентрации свободного кислорода в газовой среде с целью технологического и экологического контроля. Наиболее целесообразно его использование в системах автоматического контроля и регулирования процессов сжигания топлива.

ОБЛАСТЬ ПРИМЕНЕНИЯ

Теплоэнергетика, металлургия, нефтехимия, производство строительных материалов, коммунально-бытовой сектор и другие отрасли, где используются топливосжигающие агрегаты, работающие на различных видах топлива.

ПРИНЦИП ДЕЙСТВИЯ

Метод ЭДС с использованием ионопроводящих твердых электролитов, селективных по кислороду.

ОСНОВНЫЕ ТЕХНИЧЕСКИЕ ХАРАКТЕРИСТИКИ

Пределы измерения концентрации кислорода,% об.............0,1-10(0,1-21)

Погрешность измерения,%......................................................+/- 2,0

Время реагирования,с..............................................................20

Выходной сигнал на вторичный прибор

- постоянного тока, мА ............................................................ 0-5

- постоянного напряжения,В................................................... 0-10

Напряжение питания (переменный ток)................................ 220

Потребляемая мощность, Вт................................................. 60

Режим работы .........................................................................непрерывный

Температура окружающей среды,°С:

-у блока первичного преобразователя ............................... -30...+70

-у измерительного блока ..................................................... 0...+50

Расход анализируемого газа, л/час. ......................................15

Характеристика анализируемого газа:

- температура,°С................................................................... до +600

- пылесодержание, мг/м3 ........................................................ до 10,0

Исполнение ...........................................................................погружной зонд с датчиком

Длина погружной части, м ....................................................... до 1,5

Габариты прибора, мм.........................................................120х120х350; 200х250х180

Масса блоков, кг................................................................. не более 1,5;1,6

Срок службы, лет ................................................. 8

КОМПЛЕКТНОСТЬ

Конструктивно газоанализатор состоит из двух блоков:

·           первичного преобразователя (с зондом)

·           измерительного блока с цифровой индикацией.

УСЛОВИЯ ЭКСПЛУАТАЦИИ

Анализатор прост и надежен в эксплуатации и ремонте, не требует специальнойподготовки персонала, не нуждается в пробоотборе и пробоподготовке. Его датчик может быть установлен как на газоходе, так и на шунтовой трубе. В приборе предусмотрены полуавтоматическая проверка работы всех измерительных каналов и калибровка.

ЭФФЕКТИВНОСТЬ

Экономический эффект применения анализатора дымовых газов О2-АДГ-1 обусловлен экономией не менее 3-5% топлива за счет эффективного контроля присосов по газовому тракту котла.Срок окупаемости прибора по этому показателю 6-12 месяцев.

Научно-производственная фирма "У Р А Н" гарантирует Вашему предприятию быструю поставку анализатора О2-АДГ-1, внедрение и сервисное обслуживание на высоком уровне и самых выгодных условиях.

Использование топливных элементов.

В основе действия топливного элемента лежит реакция окисления водорода кислородом с выделением тепла:

2H2+O2→2H2O + Q.(18)

Эту реакцию можно проводить таким образом, чтобы в реак­ционной системе возникал электрический ток, т. е. осуществля­лось направленное движение заряженных частиц (электронов). Для этого необходимо создать замкнутую электрическую цепь, состоящую из электролита (источника ионов) и двух электродов, к одному из которых подводится водород, а к другому — кисло­род. В такой электрохимической ячейке происходят следующие процессы:

2H2 + 4OH- →4Н2О + 4е-

4е-+О2+2Н2О→4ОН-(19)

В сумме эти две реакции дают реакцию (18).

Основными элементами топливного элемента являются: анод, катод и электролит, т. е. те же элементы, что и в любом электро­химическом анализаторе.

При определении концентрации газов и паров с помощью топливных элементов электролитом могут служить как жидкие электролиты, так и твердые . При использовании твердого носителя ионов, например синтетической полимерной ионообмен­ной мембраны, устраняются недостатки, присущие ячейкам с жидким электролитом. Наличие в полимерной структуре мембраны неподвижных ионных групп и одновременно находящихся в равновесии с ними и способных к обмену подвижных ионов, используемых для переноса тока, способствуют тому, что концен­трация ионов в отмытой мембране и ее проводимость не изме­няются в процессе работы ячейки длительное воемя. Упрощаетсятакже изготовление электродов, так как роль последних могут выполнять металлические сетчатые электроды, прижатые к боко­вым поверхностям мембраны с обеих ее сторон.

 Рис. 9. Схема топливного элемента, используемого в качестве газоанализатора;

/—ионообменная мембрана; 2, 4—рабочая  и сравнительная камеры; 3—электроды

Схема топливного элемента, используемого для определения концентрации газообразных веществ, показана на рис. 9. Ионо­обменную мембрану 1 вместе с плотно прижатыми к ней с обеих сторон металлическими активными сетчатыми электродами 3 по­мещают в камеру и таким образом разделяют ее на две части: рабочую 2 и сравнительную 4. В рабочую камеру 2 поступает проба АГС, содержащая определяемый компонент, а в сравни­тельную подается чистый газ, являющийся восстановителем или окислителем.

При определении концентрации молекулярного кислорода в сравнительную камеру можно подавать, например водород.

При одновременной подаче с постоянными скоростями пробы АГС с одной стороны и чистого газа (окислителя или восстанови­теля) с другой — на границе раздела мембрана — активирован­ные электроды возникает электрохимическая реакция «холодного горения» (реакция происходит при комнатной температуре) определяемого компонента, сопровождаемая появлением разности потенциалов между электродами. Эта разность потенциалов, или электрического тока, является функцией концентрации определяе­мого компонента пробы АГС.

Оптические методы.

Молекулярный кислород в ближней ИК-области спектра (от 0,75 до 15 мкм) не поглощает излучение, в видимой области спектра молекулярный кислород слабо поглощает; в УФ-области спектра молекулярный кислород имеет полосы поглощения от 195 до 130 нм.

В области от 130 до ПО нм молекулярный кислород прозра­чен, а от 110 до 30 нм лежит область сплошного поглощения молекулярного кислорода. Максимум поглощения излучения молекулярного кислорода расположен на длине волны около 145 нм .

Оптико-акустические газоанализаторы

Оптико-акустические газоанализаторы по принятой классифи­кации следует отнести к оптическим. Они основаны на измерении степени поглощения газом прерывистого потока инфракрасной рдиации. Излучения инфракрасной области спектра поглощаются газами, молекулы которых состоят из двух или большего числа различных атомов и ионов. В теплоэнергетике их применяют для измерений СО2; СО; СН4.

Оптико-акустический эффект состоит в следующем: при воздей­ствии на газ (находящийся в замкнутом объеме) прерывистым потоком инфракрасной радиации происходит пульсация температуры, а следовательно, и давления этого газа. Эта пульсация, воздейст­вуя на микрофон, вызывает «звучание» газа.

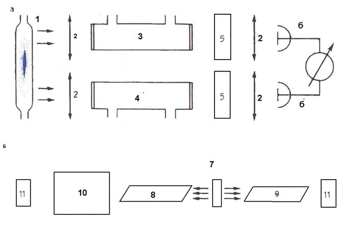
На рис. 10 приведена  принципиальная  схема  газоанализатора. Инфракрасное излучение от двух источников 1 направляется по двум каналам (рабочему и сравнительному),
проходя при этом через обтюратор 2,который шесть раз в секунду прерывает оба  потока одно­временно. Прерывистые потоки  излучения  проходят через фильтровые камеры 3 заполненные
обычно данной смесью газа, из   которой   исключен анализируемый компонент. Наличие фильт­ровых камер обеспечивает   уменьшение   погрешности за счет возможного частичного наложения
спектров поглощения анализируемой и не анализируемой составляющей газовой смеси. Далее поток радиации, направленный по рабочему   каналу,   проходит   ра­бочую камеру 4, через которую непрерывно пропускается  анали­зируемая  газовая смесь. Анализируемая составляющая газа  по­глощает часть энергии, определяемой поглощающей способностью этого газа. Остаток лучистой энергии   после отражения   от  пла­стины 5 поступает в правую область луче приемника  6.  Лучистый поток, проходящий по сравнительному каналу, после фильтровой камеры 3 попадает в компенсационную камеру 8.  Компенсацион­ная камера заполнена анализируемой составляющей смеси. На по­верхности этой камеры   имеются   окна   из   специального   стекла (Li+F)  7 свободно  пропускающего инфракрасные   лучи.  Внутри компенсационной камеры имеется отражательное зеркало, которое направляет лучистый поток в левую область луче приемника 6. Если в правую и левую области луче приемника поступают различные по величине прерывистые потоки излучения, то конденсаторный микрофон 15, помещенный в луче приемнике, создает звуковой сигнал, который после усиления усилителем 14 воздействует на реверсив­ный двигатель 12. Реверсивный двигатель с помощью редуктора 11 перемещает отражательное зеркало 13 до тех пор, пока поток сравнительного канала не уравняется с потоком, поступающим в луче приемник по рабочему каналу. При равенстве этих потоков звучание микрофона прекращается. Перемещение отражательного зеркала внутри уравнительной камеры вызывает изменение ее объема, т. е. изменение пути движения газа, что приводит к измене­нию поглощения лучистой энергии. Одновременно с редуктором перемещается движок реохорда 9 вторичного прибора 10.

Подобные газоанализаторы выпускают для диапазонов от 0÷1% до 0÷100% по объему анализируемого компонента с основ­ной погрешностью от ±2,5 до ±5% от верхнего предела изме­рения.

-

Рис. 10. Принципиальная  схема   оптико- акустического газоанализатора

Macс-спектрометрический метод

Сущность метода состоит в том, что ионизованные атомы и моле­кулы вещества разделяются по значениям отношения т/е (т — масса, е — заряд иона) и раздельно регистрируются. Из получен­ного масс-спектра определяются значения масс и концентраций компонентов в пробе АГС.

Mace-спектрометрический метод — один из важнейших и универсальных методов анализа состава, в котором использу­ется основная характеристика вещества — масса молекулы или атома.

Количественный масс-спектрометрический анализ основан на пропорциональности интенсивности всех линий масс-спектра каж­дого из веществ пробы АГС его парциальному давлению в об­ласти ионизации:

Ii,j=Kijpi(20)

где Ii,j — значение пика тока ионов i-й массы, образовавшихся в результате иони­зации данного компонента i пробы АГС; Kij—- коэффициент пропорциональ­ности, который определяется градуировкой масс-спектра по целевым компонентам; pi парциальное давление j-того компонента пробы АГС в области ионизации.

Если в масс-спектре i-компонентной газовой смеси находится j-пиков ионного тока различных масс, то

(21)

т. е. имеем j уравнений с i неизвестными и с i,j коэффициентами, которые определяются, как было сказано выше, градуировкой масс-спектрометра по каждому компоненту. Так как обычно число уравнений (j) больше числа компонентов (i) пробы АГС, то систе­ма уравнений может быть решена разными способами.

Масс-спектрометрический анализ газовых смесей (в том числе кислородсодержащих смесей) состоит из следующих последова­тельных операций (стадий): ввода пробы АГС в источник ионов; получения ионов из атомов или молекул пробы АГС и форми­рования их в пучок или пакет; разделения ионного пучка или па­кета по массам; улавливания и регистрации ионов — раздельного измерения интенсивности каждой составляющей ионного пучка; обработки результатов измерений.

Получение ионов из атомов и молекул пробы АГС — наиболее сложная стадия масс-спектрометрического анализа. Выбор спо­соба ионизации и конструкции источника ионов зависит от многих факторов, в том числе от агрегатного состояния исследуемого вещества, смеси веществ или материалов, а также от их физико-химических свойств, требуемой точности анализа и т. д.

При использовании масс-спектрометрии в газовом анализе применяют следующие способы ионизации пробы АГС : электронный удар, фотоионизацию, химическую ионизацию, ионизацию в пламени, полевую ионизацию, поверхностную ионизацию

Образующиеся в области ионизации ионы формируются опти­ческой системой источника в ионный пучок, или сгусток.

Полученные в источнике ионные пучки (сгустки) разделяются в электрических и магнитных полях или по времени пролета.

По способу разделения ионов масс-спектрометры делят на статические и динамические. В статических масс-спектрометрах используются постоянные или медленно изменяющиеся во времени электрические или магнитные поля. В динамических масс-спектро­метрах ионы с различными массами разделяются в пространстве либо по времени пролета, лишенном электрических и магнитных полей, либо с высокочастотными электрическими полями.

Следующая стадия масс-спектрометрического анализа — улавливание и регистрация ионов. Приемные устройства играют важную роль в собирании разделенного продукта и в значитель­ной степени определяют характеристики масс-спектрометра в целом.

По способу регистрации ионов масс-спектрометры делятся на масс-спектрографы, в которых одновременно регистрируются ионы всех или части компонентов пробы АГС фотографическим спосо­бом, и собственно на масс-спектрометры, в которых ионы регистри­руются последовательным измерением ионного тока различных компонентов пробы АГС.

Применение масс-спектрометров при анализе газовых смесей эффективно при анализе многокомпонентных газовых смесей, ког­да контроль ведется по нескольким компонентам.

Общее число определяемых компонентов может достигать 20 и более.

Основные параметры масс-спектрометров — диапазон масс определяемых компонентов и разрешающая способность, которую определяют отношением М/М (М — максимальное массовое число компонента, регистрируемого раздельно от другого компо­нента, массовое число которого отличается от максимального на M, равного единице).

Основные преимущества масс-спектрометров следующие: не­прерывность и одновременность анализа всех компонентов; малое приборное запаздывание; относительно одинаковое влияние внеш­них условий на погрешность измерения, что сохраняет точность их соотношений; дешевизна изготовления и эксплуатация прибора (при условии достаточно широкого спектра анализов) .

Особым преимуществом масс-спектрометрического метода, на­ряду с достаточно высокой чувствительностью (≈ 10-12— 10-15 г ), является небольшой расход пробы АГС.

Масс-спектрометр MX 1215. Предназначен для определения концентраций кислорода, водорода, оксида и диоксида углерода, азота и аргона в отходящих газах кислородного конвертора, а также мартеновского, доменного и химических производств.

Масс-спектрометром определяют одновременно шесть компо­нентов пробы АГС, имеющих молекулярную массу от 2 до 44.

Время реагирования Гэо не превышает 2 с; потребляемая мощность 6,5 кВт; масса 1100 кг.

Масс-спектрометр MX 1215 представляет собой статический масс-спектрометр со 180° магнитным полем, в котором ионы опре­деляемого компонента пробы АГС разделяются по значению отношения массы к заряду и   фокусируются по направлению дви­жения.

Одним из важнейших направлений в области масс-спектрометрического приборостроения является разработка унифициро­ванного комплекса масс-спектрометрических приборов (УКМСП), включающего масс-спектрометры первого, второго и третьего классов с предельной разрешающей способностью соответственно 105, 104 и 500. Приборы УКМСП в зависимости от решаемой задачи комплектуются различными системами ввода пробы АГС, источниками и приемниками ионов, системами регистрации и об­работки информации, вспомогательными устройствами

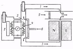
Магнитные методы.

Кислород обладает наибольшей магнитной восприимчивостью по сравнению с другими газами. В табл. 1 приведены объемная и относительная (относительно кислорода) магнитная воспри­имчивость некоторых газов (при 7 = 0 °С).

Таблица 1. Магнитные свойства некоторых газов.

Газ

Химическая

формула

Магнитная вое

приимчивость

объемная, х-109

относитель­ная
Кислород

02

146 1,0

Воздух (21 % О2)

30,8 0,21
Монооксид азота NO 53,0 0,362
Диоксид азота

NO2

9,0 0,0616
Оксид азота  (I)

N2O

3,0 0,02
Ацетилен

C2Ha

1,0 0,0068

Из табл. 3 видно, что большинство газов обладает ничтожно малой по сравнению с кислородом магнитной восприимчивостью, что обеспечивает возможность избирательного определения кон­центрации кислорода во многих газовых смесях. Только два газа — моноокисд и диоксид азота — имеют относительно боль­шую магнитную восприимчивость, но они встречаются весьма редко в смесях промышленных газов, к тому же монооксид азота в присутствии кислорода вступает с ним в реакцию и переходит в диоксид азота.

Для определения концентрации молекулярного кислорода наибольшее распространение получили следующие методы: термо­магнитный, магнитомеханический, магнитопневматический.

Термомагнитный метод.

 Парамагнитные газы характеризуются положительным значением магнитной восприимчивости. Это зна­чит, что, если ввести парамагнитный газ в зону неоднородного магнитного поля, газ будет ориентироваться в направлении поля. Иными словами, парамагнитный газ втягивается в неоднородное магнитное поле, а диамагнитный газ выталкивается.

Силу, действующую на объем газа V в неоднородном магнит­ном поле, характеризующемся напряженностью H и градиентом напряженности в направлении оси абсцисс , определяют по формуле :

(22)

Объемная магнитная восприимчивость смеси веществ, не всту­пающих в химическое взаимодействие, равна сумме парциальных восприимчивостей отдельных компонентов, т. е. определяется по закону аддитивности:

(23)

где  и Сi — объемная магнитная восприимчивость и объемная доля i-ro компо­нента газовой смеси.

Магнитная восприимчивость сложной смеси, содержащей как парамагнитные, так и диамагнитные составляющие, определяется соотношением:

(24)

где  —объемная магнитная восприимчивость соответственно парамагнит­ной и диамагнитной составляющей сложной смеси.

Объемная магнитная восприимчивость веществ (диамагнети-ков и парамагнетиков) зависит как от давления, так и от темпера­туры, поскольку они влияют на плотность р.

Согласно закону Бойля — Мариотта для газов

p = pM/RT,                              (25)

где М — молекулярная масса; R — газовая постоянная.

С учетом плотности (25) получим (при поправке Д = 0): для диамагнитных газов

(26)

для парамагнитных газов (кислорода)

(27)

где  — удельная магнитная восприимчивость.

Подставляя (26) и (27) в (24), получим:

(28)

где индексы п и д означают принадлежность газа к парамагнетикам и диамаг-нетикам соответственно.

Учитывая (22), выражение для силы F можно записать в виде:

(29)

Если на неоднородное магнитное поле наложить неоднородное тепловое поле, то в зоне, соответствующей максимуму темпера­туры, объем газа dV наряду с ориентирующим действием магнит­ного поля будет испытывать дезориентирующее действие тепло­вого поля в соотношении, обратно пропорциональном квадрату температуры.

На объем газа dV1, находящийся в зоне с температурой Т\, действует сила

(30)

На объем газа dV2, находящийся в зоне с температурой Г2 действует сила

(31)

При Т1> Т2 возникает перепад давлений, вызывающий переме­щение более холодных элементов объема газа в область более вы­соких температур и вытеснение оттуда нагретых элементов объема газа, испытывающих меньшее ориентирующее действие магнит­ного поля:

(32)

Это перемещение элементов объема газа, или так называемая магнитная конвекция, тем сильнее, чем выше парциальное давление парамагнитной составляющей смеси, т. е. чем выше абсолютное значение удельной магнитной восприимчивости.

Непосредственно измерить перепад давлений  трудно, поэтому термомагнитную конвекцию измеряют, в частности, тер­моанемометрами. В простейшем виде это может быть осущест­влено установкой вблизи полюсов магнитной системы нагрева­тельного элемента, выполняющего одновременно и функции анемометра. Термоанемометр представляет- собой стеклянную трубку, на наружной поверхности которой намотана спираль, состоящая из двух секций. При протекании тока через спираль последняя нагревается, образуя по длине трубки перепад температур с мак­симумом, соответствующим середине трубки. Такой градиент температур соответствует положению, при котором газовая смесь, содержащаяся в воздушном зазоре магнитной системы, является бескислородной.

При появлении в газовой смеси кислорода единичный объем этой смеси втягивается в воздушный зазор, подвергается действию теплового поля термоанемометра, теряя при этом свои магнитные свойства, и вытесняется более холодным газом, продолжающим поступать в воздушный зазор магнитной системы. При этом вдоль термоанемометра образуется поток газа (термомагнитная кон­векция), скорость которого тем выше, чем выше парамагнетизм этого газа или концентрация кислорода в этой смеси.

Поток термомагнитной конвекции охлаждает первую секцию термоанемометра и передает часть тепла второй секции термо­анемометра, изменяя тем самым градиент температур. При этом сопротивление первой секции термоанемометра падает, а второй — возрастает. Разность сопротивлений секций термоанемометра является функцией концентрации молекулярного кислорода в газовой смеси.

Рис. 11. Термоанемометры:

а — с внутренней конвекцией; б — с внешней конвекцией: 1 — термоанемометр, располо­женный под магнитными полюсами; 2 — термоанемометр, расположенный под ложными немагнитными наконечниками

Измерение термомагнитных усилий термоанемометрическим способом получило наибольшее применение. Термоанемометры, использующиеся для этих целей, разделяют на термоанемометры с внутренней конвекцией (рис. 11, а) и внешней конвекцией (рис. 11,6). Термоанемометры с внешней конвекцией представ­ляют собой цилиндрический капилляр, на внешней поверхности которого намотана платиновая спираль, защищенная от воздей­ствия АГС покрытием, обычно остеклованием.

Принцип действия газоанализатора с термоанемометрами с внешней концентрацией аналогичен ранее описанному. При на­личии в АГС кислорода единичный объем этого газа втягивается в воздушный зазор магнитной системы, подвергается воздействию теплового поля термоанемометра 1, расположенного под полюсами магнита, нагревается, теряет свои магнитные свойства и вытесня­ется более холодным газом, втягивающимся в неоднородное магнитное поле рабочего зазора магнитной системы. Образовав­шийся поток термомагнитной конвекции FM охлаждает первый термоанемометр и частично передает свое тепло второму термо­анемометру 2, расположенному под ложными немагнитными на­конечниками измерительной камеры. Электрическое сопротивление первого термоанемометра уменьшается, а второго возрастает. По их разности судят о концентрации кислорода в. АГС.

Использование термомагнитного метода при конструировании газоанализаторов для определения концентрации кислорода связано с неоднозначностью функциональной связи между факти­чески измеряемой и искомой величиной. Эта неоднозначность вы­звана зависимостью показаний прибора от свойств не только опре­деляемого компонента АГС — кислорода, но и свойств реальной смеси. С другой стороны, поскольку измерение магнитной воспри­имчивости кислорода затруднительно ввиду ее малого значения, а использование косвенных методов измерения предполагает слож­ную цепь преобразования магнитной восприимчивости в поток термомагнитной конвекции с последующим его измерением термо­анемометрическим способом, это приводит к дополнительным затруднениям и связанным с ними методическим погрешностям.

На показания газоанализаторов влияют: неопределяемые ком­поненты пробы АГС, температура и давление пробы АГС. Перед разработчиками аналитических приборов стоят задачи обеспе­чения стабильности параметров при длительной эксплуата­ции; оптимальных динамических характеристик; необходимой технелогичности конструкций; универсальности, исключающей мно­гообразие конструкций измерительных камер, схемных реше­ний и т. п.

Указанные задачи реализуют разнообразными средствами, главные из которых — создание специфичной конструкции измери­тельной камеры и чувствительного элемента, а также оригиналь­ных схемных решений.

Для устранения (уменьшения) влияния температуры и дав­ления пробы АГС на показания прибора возможны следующие варианты: стабилизации параметров и компенсация влияния.

Стабилизация параметров позволяет использовать простые и надежные конструкции измерительных камер, упрощает техно­логию изготовления и наладки газоанализаторов. Реализация компенсационных способов устранения (уменьшения) влияния давления и температуры приводит к созданию сложных много­камерных конструкций измерительных систем с одновременным усложнением электрических схем приборов, а также технологии изготовления и наладки.

К первой категории измерительных камер относится кольцевая измерительная камера. Чувствительный элемент — трубчатый термоанемометр, совмещающий в себе нагревательный элемент и терморезистор.

Конструкция кольцевой измерительной камеры позволяет создавать многошкальные приборы, нижний предел измерения которых начинается с нуля: 0—1,0—2, 0—5, 0—10, 0—15, 0—21, О—50, 0—100 % (об.) — при горизонтальном расположении термоанемометра, а также шкалы с подавленным нулем: 15—30, 20—50, 50—100, 80—100, 90—100, 95—100, 98—100% (об.) — при наклонном (вертикальном) расположении термоанемометра.

В кольцевой измерительной камере сравнительно легко устра­няется влияние неопределяемых компонентов, для этого обеспе­чивают необходимую тепловую симметрию термоанемометра при нулевом значении концентрации кислорода в пробе АГС.

В газоанализаторах МГК-14М, ГТМК-ПМ, ГТМК-12М и ГТМК-16М в начальной части диапазона влияние неопределяемых компонентов не наблюдается и достигает в конце диапазона ±5 % относительно верхнего предела диапазона при замене 10 % одного неопределяемого компонента 10 % другого. Это по­зволяет использовать кольцевые измерительные камеры в усло­виях, когда анализу подлежат сложные многокомпонентные газовые смеси, характеризующиеся значительными колебаниями концентраций неопределяемых компонентов. В настоящее время газоанализаторы с кольцевыми камерами широко используют в различных отраслях науки и техники, прежде всего в химии, металлургии и энергетике. Указаные газоанализаторы дешевы, надежны и отвечают современным требованиям метрологического обеспечения.

К недостаткам кольцевых камер относят большую зависимость показаний приборов от положения в пространстве, что исключает их эксплуатацию на подвижных объектах: судах, самолетах, поездах и т. п.

В том случае, когда диапазон давлений, в котором работают стабилизаторы давления (регуляторы абсолютного давления), недостаточен, применяют газоанализаторы, принцип действия которых основан на компенсации потока термомагнитной конвек­ции тепловой конвекцией. Применение кольцевых камер при этом не является оптимальным. Это второй недостаток кольцевой камеры.

Многокамерные системы созданы главным образом для устра­нения влияния давления и температуры пробы АГС компен­сационными способами. Представляют интерес конструктивные и схемные решения, реализованные в газоанализаторе типа МН (рис. 12).

В газоанализаторе в качестве измерительной схемы исполь­зованы два моста: рабочий I и сравнительный II.

Рабочий мост собран из чувствительных элементов  R1— R4, расположенных в камере, через которую пропускается проба АГС. Сравнительный мост собран из чувствительных элементов R5 — R8, размещенных в камере, через которую пропускается сравни­тельный газ — атмосферный воздух. Потоки пробы АГС и срав­нительного газа на выходе из камер объединяются, достигается равенство давлений в обеих камерах, встроенных в латунный блок.

 Рис. 12. Схема газоанализатора типа МН: I, II — рабочий и сравнительный мосты; 1 — реохорд; 2 — шкала; 3 — подвижной квнтакт (поводок) реохорда; 4 — реверсивный двигатель; 5 — усилитель

Обозначим напряжение в диагонали съема моста I через U1, в диагонали съема моста II — U2, а напряжение, снимаемое с участка реохорда I — U3. Напряжения U1 и U2 сдвинуты по фазе на 180°. Усилитель переменного тока 5управляет ревер­сивным двигателем 4, перемещающим подвижный контакт 3 ре­охорда 1 и механически связанную с ним стрелку (указатель) шкалы 2 до тех пор, пока напряжение на выходе усилителя не станет равным нулю. В момент равновесия схемы напряжение Ul компенсируется равным ему и сдвинутым по фазе на 180° напряжением U1. Положение подвижного контакта 3 реохорда 1, а следовательно, и положение указателя шкалы 2 определяются как отношение U1/U2.

Действительно, в момент равновесия схемы U1=Ul = U2(l/z), откуда l=z(U1/U2)  где z — длина реохорда, а l — расстояние от подвижного контакта 3 реохорда 1.

Так как при изменении давления и температуры пробы АГС, а также напряжения питания прибора U1 и U2 меняются по одному и тому же закону, то показания газоанализатора не за­висят от указанных факторов.

В многокамерных газоанализаторах используются чувстви­тельные элементы с наружной конвекцией, размещаемые между полюсами магнитов и ложными наконечниками.

Если рассмотренные схемные и конструктивные решения многокамерных систем в какой-то мере устраняют влияние дав­ления и температуры пробы АГС, то они не предотвращают влия­ние неопределяемых компонентов пробы АГС. Положение усугуб­ляется тем, что на чувствительные элементы действуют не только упорядоченные потоки термомагнитной конвекции, но и огромные потоки тепловой конвекции, сила которых определяется плот­ностью газа, т. е. переменной величиной, зависящей от состава пробы АГС. Причем если для кольцевых камер в отсутствие кисло­рода поток тепловой конвекции равен нулю и влияние плотности отсутствует, то в рассматриваемых многокамерных системах поток тепловой конвекции не связан с наличием кислорода в пробе АГС, он всегда имеет определенное значение и влияние плотности максимально. Для многокамерных систем характерно большое число модификаций, различающихся не только шкалами, но и, что более важно, конструкциями камер и схемными реше­ниями.

На базе многокамерных систем возможно создание модифи­кации для использования на подвижных объектах.

Потоки термомагнитной конвекции, охлаждающие рабочие ЧЭ, имеют противоположные направления. Потоки свободной теп­ловой конвекции, возникающие при наклоне камеры, суммируются с одним из потоков термомагнитной конвекции и частично компен­сируются другим потоком.

Таким образом, поскольку измеряемый эффект представляет собой сумму эффектов, реализуемых рабочими ЧЭ, то теорети­чески погрешность от влияния наклона камеры должна компен­сироваться. Практически же в газоанализаторах, в которых используется описанная конструкция камеры, например в газо­анализаторе МН-5112 (переносный), допустимое значение угла наклона, при котором возникает погрешность, не превышающая основную, составляет 45°.

Преимущество многокамерных систем — использование ми­ниатюрных малоинерционных чувствительных элементов, обеспечивающих устойчивую работу газоанализаторов в условиях механических воздействий. Инерционность таких ЧЭ не пре­вышает 30 с при крутизне номинальной статической характе­ристики 20—25 мВ на 1 % (об.) кислорода.

Многокамерные газоанализаторы выпускаются отечествен­ными приборостроительными заводами. Это газоанализаторы, в которых используется схема компаратора напряжения пере­менного тока МН-5130, МН-5121 — МН-5128, а также газо­анализаторы типов МН-5106М и МН-5110Т4.

С двухкамерными первичными преобразователями выпуска­ются газоанализаторы «Magnos 5», «Magnos 5T» фирмы «Hart-man and Braun» (ФРГ), модель 6500 фирмы GKHP (Англия), модель 7803 фирмы «Leeds and Northrup» (ФРГ)

Четырехкамерный газоанализатор выпускает американская фирма «Mine Safety Appliances Company», а тдкже фирма «Sie­mens» (ФРГ).

Недостатки — сложность, низкая надежность, низкий уровень унификации, сложность технологии изготовления и наладки, не­достаточно высокие метрологические характеристики, трудность реализации частных задач, обусловленных большим диапазоном воздействия давления пробы АГС и ужесточением требований при их использовании на подвижных объектах.

Таким образом, сопоставление однокамерных (кольцевых) и многокамерных систем свидетельствует в пользу однокамерных. Вместе с тем нельзя признать кольцевую камеру единственно приемлемой для использования в базовой конструкции унифици­рованного термомагнитного газоанализатора на кислород, по­скольку и она не является универсальной.

В СССР разработана так называемая О-образная камера, обладающая рядом преимуществ по сравнению с классической кольцевой измерительной камерой.

О-образная измерительная камера состоит из двух парал­лельно расположенных стеклянных трубок с двумя секциями, выполняющих одновременно функции терморе­зисторов — термоанемометров.

Измерительная камера работает следующим образом. Проба АГС втягивается в термоанемометр, находящийся под полюсами магнитной системы. При этом газ, нагреваясь, теряет свои маг­нитные свойства и выталкивается более холодным газом, про­должающим поступать в верхнюю полость, где происходит по­стоянная смена газа.

В О-образном контуре камеры создается поток термомаг­нитной конвекции, который изменяет сопротивление секций тер­моанемометров, включенных в мостовую схему. По разбалансу моста судят о концентрации кислорода в пробе АГС.

В термоанемометрах действуют потоки термомагнитной и теп­ловой конвекции. Результирующий поток в О-образном контуре определяют по формуле:

Fк = Fм  - Ft1+Ft2(33)

где FK — результирующий поток О-образного контура; — поток термомаг­нитной конвекции; Ft1— поток тепловой конвекции 1-го термоанемометра; Ft2 — поток тепловой конвекции 2-го термоанемометра.

В зависимости от соотношений потоков тепловых конвекции Ft1 и Ft2 при одной и той же конструкции измерительной камеры можно получить различные функциональные решения.

Так, при достижении равенства Ft1= Ft2, обеспечиваемого соответствующим симметрированием секций термоанемометров, можно достичь диапазона, нижний предел которого начинается с нуля, и достигаются условия, при которых изменение угла наклона в широком интервале не влияет на показания прибора. На самом деле, при равенстве Ft1= Ft2  в О-образном контуре действует только термомагнитная конвекция, не зависящая от угла наклона. Это обстоятельство придает О-образной камере новые качества, расширяющие область ее использования.

При варьировании значением  Ft2 в широких пределах можно обеспечить = 0 на различных участках диапазона измерения.

При Ft1 = Ft2 нуль потоков, или = 0, достигается при =0, т. е. в нулевой точке диапазона измерения (концентрация кисло­рода в пробе АГС равна нулю). При изменении давления пробы АГС погрешности в этой точке диапазона измерения не появ­ляются.

Значение = 0 можно реализовать и в любой другой точке диапазона измерения, обеспечив равенство = Ft1 Ft2  при определенной концентрации кислорода в пробе АГС.

Универсальность О-образной камеры предопределяет раз­личные варианты схем включения при неизменных параметрах самой камеры.

На рис. 13, а изображена схема включения О-образной камеры, в которой один термоанемометр расположен под магнитными наконечниками и используется в качестве измерителя, а второй термоанемометр — в качестве нагревателя для обеспечения компенсации потоков термомагнитной и результирующей тепловой конвекции в одной из точек диапазона измерения.


Рис. 13. О-образная камера:

а — с двумя термоанемометрами: одним измерительным, другим  нагревательны-м;  б — с двумя измерительными термоанемометрами

Для увеличения чувствительности камеры и одновременного обеспечения компенсации потоков предпочтительнее включать камеру по схеме, изображенной на рис. 23, б. Здесь оба термо­анемометра используются в качестве измерительных, а второй термоанемометр одновременно выполняет и функции нагревателя, создающего дополнительный поток тепловой конвекции для обеспечения компенсации потоков. При этом наиболее эффективно в качестве измерителя второй термоанемометр будет использо­ваться для диапазонов, нижний предел которых начинается с нуля, так как протекающий через него ток практически не отличается от тока, протекающего через первый термоанемометр, и менее эффективно для диапазонов с подавленным нулем, особенно в узких пределах измерения.

О-образная измерительная камера позволяет разработать компенсационный термомагнитный газоанализатор, обладающий более высокими метрологическими характеристиками. Принцип действия термомагнитных компенсационных газоанализаторов основан на непрерывном поддержании равенства термомагнитных и компенсирующих усилий, действующих на пробу АГС. Для тер­момагнитных компенсационных газоанализаторов, использующих тепловую конвекцию для обеспечения условий компенсации, = 0 или  = Ft.

Преимуществами компенсационных газоанализаторов яв­ляются: полная независимость показаний от давления пробы АГС; меньшая зависимость от температуры; высокая точность; универ­сальность, т. е. возможность разработки приборов с любыми пределами измерений.

Рис. 14. Схема термомагнитного газоана­лизатора с О-образной камерой: / — резистор; 1 — магнитные наконечники; 3 — термоанемометр; 4 — измерительная ка­мера; 5 — нагреватель; 6 — измерительный прибор; 7 — источник питания; S — усилитель

На рис. 14 представлена схема одного из термомагнитных газоанализаторов, в котором использована О-образная измерительная камера.


Измерительная камера 4 состоит из расположенного под маг­нитными наконечниками 2 термоанемометра 3, который вместе с элементами 1 мостовой схемы образует первичный измеритель­ный преобразователь, реагирующий на изменение концентрации кислорода в пробе АГС. Сигнал с диагонали съема моста по­дается на вход усилителя 8, его выход связан с входом управляемого источника питания 7, нагрузкой которого служит нагре­ватель 5, являющийся устройством для создания компенсирующего патока тепловой конвекции. Измерительный прибор 6 включен в цепь питания нагревателя.









Газоанализатор работает следующим образом. При отсутствии в пробе АГС кислорода отсутствует и поток термомагнитной конвекции FM. Создаваемый термоанемометром 3 поток тепловой конвекции Ft1  уравновешен потоком тепловой конвекции Ft2, создаваемым нагревателем 5 при протекании через последний начального тока. Это состояние газоанализатора соответствует исходному состоянию, когда концентрация кислорода в пробе АГС равна нулю. При этом на входе в усилитель сигнал рассогласо­вания отсутствует.

При появлении в пробе АГС кислорода возникает поток термо­магнитной конвекции вызывающий разбаланс мостовой схемы. На входе в усилитель появляется сигнал, который после усиления воздействует на управляемый источник питания таким образом, чтобы уменьшить ток через нагреватель 5. При этом уменьшается поток тепловой конвекции Ft2 и увеличивается результирующий поток тепловой конвекции FT = Ft1Ft2.

Результирующий поток тепловой конвекции будет увеличи­ваться до тех пор, пока  он не уравновесит возникший поток термомагнитной  конвекции,  т.  е.   пока   не  наступит  равенство FK = FT. При этом на входе в усилитель сигнал вновь станет рав­ным нулю, а изменившееся значение тока питания нагревателя 5 будет функцией концентрации кислорода в пробе АГС. Ана­логичным образом действует газоанализатор и при диапазонах с подавленным нулем. В этом случае исходному положению со­ответствует   такое   состояние   компенсации,   когда   начальному значению потока термомагнитной конвекции соответствует равное ему   значение   результирующего   потока   тепловой   конвекции. Рассмотренный  термомагнитный   компенсационный   газоана­лизатор обеспечивает компенсацию при любых концентрациях кис­лорода в пробе АГС.

Прибор Газоанализатор АГ0011 [4]

Предназначен для непрерывого автоматического измерения объемной доли кислорода в невзрывоопасных двух или многокомпонентных газовых смесях (в т.ч. и воздухе) и выдачи измерительной информации в виде показаний по цифровому дисплею и стандартных электрических выходных сигналов информационной связи с другими изделиями

Область применения: металлургические, нефтеперерабатывающие заводы, ТЭС, электролизные и другие технологические установки.

Тип газоанализатора – стационарный

Способ забора пробы – принудительный

Принцип работы – термомагнитный

Наименование измеряемого компонента Диапазон измерения объемной доли, % Пределы допускаемой приведенной основной погрешности, % Наименование неизмеряемого компонента анализируемой среды
Кислород 0-1 ±5,0

Азот не нормируется;
Один из компонентов:
водород - от 0 до 1,2%
метан - от 0 до 1,2%
двуокись углерода от 0 до 15%

0-2 ±4,0

0-5, 0-10, 00-21, 0-30,
0-50, 0-80, 0-100

±2,0
0-21, 0-50 ±2,0 Воздух зоны производственных помещений по ГОСТ 12.1.005

0-2
0-5, 0-10, 0-21, 0-30

±4,0
±2,0

Двуокись углерода от 0 до 25%,
Азот-остальное

0-2 ±5,0

Двуокись углерода от 0 до 10%,
Водород от 0 до 15%,
Азот - остальное

15-30 ±2,0

Двуокись углерода от 0 до 3%,
Азот - остальное

50-100, 80-100 ±2,0 Азот

90-100, 95-100
95-100

±2,5
±4,0

Азот или аргон

Основные технические характеристики

Характеристики Значения Примечание

Параметры измеряемой среды:
- температура, °С
- давление (абсолютное), кПа
- влага, г/м3, не более
- пыль, г/м3, не более
- объемный расход, см3/с
- массовая концентрация сероводорода и аммиака, г/м3


от +5 до +50
от 91 до 105
5
0,001
12±4

0,01

Установление показаний Т0.9, с, не более

25
Время прогрева, мин, не более 30
Унифицированный выходной сигнал, мА 0-5, 0-20, 4-20 По заказу

Наличие порогов сигнализации по 4-м каналам:
Два на превышение - "много"
Два на понижение - "мало"

Регулируемые уставки
от 0 до 100% диапазона
измерения

Температура окружающей среды, °С От +10 до +50 По заказу от +5 до +50
Питание, В 220, 50Гц
Потребляемая мощность, ВА, не более 30
Габаритные размеры, мм 270x250x150
Срок службы, лет, не менее 10
Масса, кг, не более 9

Магнитопневматический метод.

Для газоанализатора, основанного на использовании магнито-пневматического принципа, необходима подача вспомогательного газа. В качестве вспомогательного можно использовать газ, не содержащий кислорода, а иногда и воздух. Вспомогательный газ служит в качестве пневматического связующего звена между анализируемым газом и чувствительным элементом. За счет притяги­вания магнитным полем кислорода анализируемой смеси повы­шается давление (примерно на 10-4 мбар), которое передается вспомогательному газу и регистрируется различными способами. Величина приращения давления определяется уравнением[5]

,            (34)

где  — приращение давления; А — коэффициент пропорцио­нальности; km — магнитная восприимчивость анализируемого газа; kh — магнитная восприимчивость вспомогательного газа; Н — напряженность магнитного поля.

Отсюда видно, что на магнитопневматические газоанализаторы кисло­рода не оказывают влия­ния немагнитные свой­ства неизмеряемых компо­нентов.

Устройство, предложен­ное Кундтом , изме­ряет приращение давления непосредственно с помо­щью микроманометра. Од­нако этот способ не полу­чил распространения, что, возможно, определяется несовершенством измере­ния перепада давления.

Рис. 15. Схема магнитопкевматического га­зоанализатора на кислород типа Oxygor фирмы Maihak:

1 — вспомогательный канал; 2 — соединитель­ный канал; 3 — кольцевой канал; 4 — проволоч­ный нагревательный элемент; 5 — анализируе­мый газ; 6 — вспомогательный газ

Другой способ, предложенный Люфтом и Морманом , ис­пользует термоанемометрический мост, состоящий из проволоч­ных нагревателей, равновесие которого нарушается при измене­нии скорости потока. Принципиальная схема прибора приведена на рис. 15. Сравнительный газ под постоянным давлением по двум каналам 1 через прорези попадает в канал анализируемого газа. Одна из двух прорезей находится в сильном неоднородном магнитном поле. Пневматическое сопротивление обоих каналов 1 с помощью винта настраивается так, чтобы при одинаковой кон­центрации кислорода в анализируемом и вспомогательном газе движение газов в измерительной системе было полностью симме­тричным. При снижении, например, содержания кислорода в ана­лизируемом газе возникает давление, направленное от магнитов в сторону измерительного канала, так как противодавление кисло­рода в анализируемом газе против прорези становится меньше. Симметричное распределение потоков нарушается, и в соедини­тельном канале 2 возникает поперечное течение. Один из находя­щихся здесь проволочных нагревателей 4 охлаждается. Вместе с находящимися в кольцевом канале 3 нагревателями он образует мост Уитстона. Под действием протекающего тока температуранагревателей достигает примерно до 100 °С. Вызванное охлажде­нием изменение сопротивления нарушает баланс моста и является мерой разности концентраций кислорода. На сравнительные элементы, установленные в кольцевом канале 3, не влияет попе­речный поток, так как этот канал связан с каналом 1 капиллярами. Эти элементы служат для сохранения нулевой точки газоанализа­тора при изменении давления и температуры. Влияние завися­щих от положения нагревателей конвективных потоков в сравни­тельном канале устраняется при помо­щи установочного винта. В противо­положность термомагнитным прибо­рам сигнал этих газоанализаторов не зависит от немагнитных свойств компонентов анализируемой смеси, таких как теплопроводность, удель­ная теплоемкость и вязкость. Они особенно пригодны для изме­рения концентрации кислорода в газовых смесях с сильно изме­няющимся составом и дл» измерения разности содержания кисло­рода в двух газах, которые используют как анализируемый и сравнительный (например, в процессах окисления в химии или биологии). Измерение содержания кислорода в агрессивных га­зах возможно, но из-за диффузии агрессивных компонентов в срав­нительный газ промышленной применение такого метода изме­рения проблематично. Вспомогательный раз, в качестве кото­рого используют азот, диоксид углерода или воздух, можно по­давать из баллона или с помощью насоса. Применение СО2 имеет по сравнению с азотом преимущество вследствие ее более высокой теплоемкости, более низкой теплопроводности и вязкости, что приводит почти к удвоению чувствительности анализа.

Описанный выше газоанализатор под названием Oxygor вы­пускает фирма Maihak (Гамбург, ФРГ). Минимальный диапазон измерения 0—0,1 % (объемн.) О2; прибор может работать также с подавлением нуля при соответствующем сравнительном газе (для газа, содержащего 20—21 % О2 — с воздухом, 99—100 % О2 — с кислородом) с точностью ±2 % от диапазона измерения. Прибор термостатирован. Чистое запаздывание его ~5 с, время выхода на 90 %-ное показание 15 с. При расходе сравнительного газа 10 см3/мин 10-кг баллон с СО2 может работать около года.

Рис. 16. Схема газоанализатора Оху-ttiat 2 фирмы Siemens: 1 — анализируемый газ; 2 — вспомога­тельный газ; 3 — измерительная камера; 4 — полюс электромагнита переменного тока; 5 — детектор малых расходов

В 1970 г.. фирма Siemens начала выпускать газоанализатор Охуmat . Измерение изменения давления вспомогательного газа в нем производится с помощью недавно разработанного ми­кродетектора потока газа. Этот детектор позволяет работать с пе­риодически изменяющейся силой магнитного поля, создаваемого электромагнитом. Возникающие при этом пульсирующие изме­нения газового потока измеряются микродетектором и усили­ваются. Схема устройства показана на рис. 16. В плоскук измерительную камеру, изготовленную из коррозионностойкой стали, с двух сторон подается вспомогательный газ. Левая поло­вина измерительной камеры находится между полюсами электро­магнита (поле меняется с частотой 8 1/3 Гц). Вспомогательный гаг под давлением в несколько бар поступает в систему через диа­фрагму (с отверстием, выполненным при помощи луча лазера) выполняющую роль дросселя. При наличии в анализируемом газе кислорода возникающие между двумя половинами измеритель­ной камеры периодические импульсы перепада давления чере; изогнутую в форме восьмерки трубку (для компенсации изменений потока, вызванных инерционными силами при импульсном движении газа) передаются детектору расхода. Малейшие пульсации потока детектор преобразует с большой точностью в электрически! сигналы. Он состоит из двух никелевых сеток, имеющих форм} меандров, установленных поперек потока очень близко друг о1 друга. Между обогреваемыми током сетками существует тепловая связь, сильно зависящая от расхода газа. При появлении пульсирующего потока газа электрические сопротивления сеток рассогласовываются и измеряются при помощи моста сопротивлений Малая инерционность детектора позволяет получать очень низ кие значения времени установления показаний (выход на 90 % ное показание <1 с). Можно, в частности, зафиксировать скачке образные изменения концентрации кислорода. Это особенно важн для измерений в медицине, где этот детектор и был первоначально использован. До настоящего времени минимальный диапазо измерения составляет 0—2 % О2.

Дальнейшая разработка фирмы Siemens — газоанализато Оху mat 3, имеющий улучшенную электронную схему (например более благоприятное отношение сигнал/шум) и противоударну! защиту за счет применения двойного корпуса, разделенного на аналитический и электронный отсеки; минимальный диапазон измерения 0—0,5 % О2. Соответствующим выбором вспомогатель­ного газа можно получить диапазон измерения с подавлением нуля. Погрешность измерения составляет ±2 % от диапазона измерения. Выходным сигналом является постоянный ток величиной О—20 или 4—20 мА или напряжение 0/2/—10В; расход вспомога­тельного газа от 3 до 10 мл/мин. При применении вспомогатель­ного насоса для отбора пробы газа необходимо обеспечить гаше­ние пульсации расхода пробы.

Измерительные камеры газоанализатора Oxymat—2 и Охуmat—3 изготовлены из листов коррозионностойкой стали VA—4 и сварены при помощи электронного луча; однако при анализе коррозионноактивных газов необходимы меры, указанные при рассмотрении газоанализатора Oxygor.

Для определения кислорода в агрессивных газах на приборе Oxymat разработана измерительная камера из тантала. Взрывозащищенные модели приборов Oxymat—2 и Oxymat—3 выполнены в герметичном исполнении. Так же как и другие анализаторы кис­лорода, эти приборы неприменимы для анализа взрывоопасных смесей газов.

Рис. 17. Схема   газоанализатора Oxytest фирма   Hartmann  und   Braun: 1 — анализируемый    газ;     2 — вспомога­тельный газ; 3 — отсос газа; 4 — измери­тельная камера; 5 — мембранный конден­сатор; 6 — шкала прибора

Быстродействующий газоанализатор на кислород  также работает с помощью вспомогательного газа. Электромагнит при­бора возбуждается переменным током (50 Гц). Результирующее переменное давление преобразуется в электрический сигнал кон­денсаторным микрофоном. Схема этого газоанализатора показана на рис. 17.

В узкий зазор между полюсами электромагнита вводится с од­ной стороны анализируемый, с другой — сравнительный газы. Оба газа отсасываются вместе через выпускное отверстие между магнитными полюсами перпендикулярно плоскости полюсного наконечника. В области неоднородного магнитного поля в при­сутствии кислорода возникает давление, которое через канал передается в одну половину камеры конденсаторного микрофона. При одинаковой концентрации кислорода в анализируемом и срав­нительном газах возникающие под действием переменного маг­нитного поля импульсы давления имеют одинаковую амплитуду и взаимно компенсируются. При изменении концентрации кисло­рода в одном из газов мембрана начинает отклоняться и на усили­теле возникает напряжение, пропорциональное ее отклонению.

Фирма Hartmann und Braun с 1970 г. выпускала быстро дейст­вующий газоанализатор Oxytest S, действовавший по изложенному выше принципу. Выпуск этого прибора прекращен в связи с на­чалом производства прибора Magnos 4G. Линейность градуировки во всем диапазоне, независимость показаний от неизмеряемых компонентов анализируемого газа и -особенно крайне малое за­паздывание делают этот газоанализатор особенно пригодным для использования в медицине, например для контроля процесса ды­хания. Длительность цикла дыхания иногда может 'быть меньше 1 с. Для точного контроля дыхания запаздывание должно составлять ~0,1 с. Газоанализатор Oxytest S, имеющий время выхода на 90 %-ное показание 150 мс и объем камеры 20 см3, хорошо справ­ляется с этой задачей. Конструкция прибора и выбор диапазонов измерения рассчитаны на его использование в медицине. В ка­честве сравнительного газа обычно можно использовать воздух, что* полностью устраняет затруднения, связанные с выбором срав­нительного газа.

Принцип действия прибора Magnos 4G фирмы Hartmann und Braun такой же, как и показанного на рис. 17 прибора Oxytest S. Конструктивные улучшения и использование совре­менных электронных устройств позволили заменить прибор Oxy­test S. Система распределения газовых потоков обеспечивает не­зависимость выходного сигнала от расхода газа. Аналитическая и электронная части прибора раздельно размещены в стандартном 19-дюймовом двухкамерном корпусе. Прибор предназначен для работы в промышленных условиях. Наличие переключаемых диа­пазонов измерения 0—2/5/10/25 % (объемн.) О2 обеспечивает воз­можность калибровки по воздуху, причем сдвиг нуля при пере­ключениях диапазонов измерений не превышает 0,5 % соответ­ствующего диапазона.

Пневматический газоанализатор, разработанный Люфтом , работает без вспомогательного газа; в приборе использован вра­щающийся магнит и конденсаторный микрофон, аналогичный при­меняемым в инфракрасных газоанализаторах. Однако подробные сведения о нем здесь не приведены, так как он не нашел практиче­ского применения в ФРГ.

Использование полупроводниковых чувствительных элементов

Обратимая хемосорбция активных газов на поверхности оксидов полупроводниковых металлов и халькогенидов изменяет их про­водимость. На этом явлении основана работа газочувствтель­ных элементов. Особенно чувствительны в этом отношении оксиды полупроводниковых металлов.

Изменения проводимости в полупроводниковых элементах обусловлены прежде всего изменением концентрации электронов в зоне проводимости (или дырок в валентной зоне) в результате обмена зарядами с адсорбированными частицами газовой фазы. Именно поэтому материалы на основе полупроводниковых элемен­тов представляют интерес для изготовления на их основе газочувствительных элементов.

Для газочувствительных элементов на основе полупровод­ников характерны высокая чувствительность, надежность, не­большая потребляемая мощность, низкая стоимость, малые га­бариты и масса. Кроме того, во многих случаях требуется неза­висимость показаний газоанализатора от влияния вибрации и пространственного расположения, что также характерно для газо­анализаторов с полупроводниковыми чувствительными элемен­тами (ППЧЭ). Немаловажным является и то, что изменения концентрации определяемого компонента пробы АГС преобра­зуются непосредственно в электрический сигнал.

В зависимости от технологии изготовления ППЧЭ подразде­ляются на две группы: керамические и пленочные (тонко- и тол­стопленочные). В керамических ППЧЭ в качестве оксидов металлов используют SnO2, ZnO, Fe2O3, CuO, In2O3, TiO2, V2O5 Поро­шок оксида металла смешивают со связующим материалом (цел­люлозой, алкидами) до образования пасты, затем наносят между двумя проволочными электродами и обжигают на воздухе при температуре 1073—1273 К . В отличие от обычной керамики создается пористая структура, так как необходимо значительно увеличить поверхность, контактирующую с газом. Электроды представляют собой'проволочные спирали из чистых платины и палладия или сплавов палладий — иридий, иридий — платина, л родий — платина.

На основе оксидов ZrO2, CoO, ТiO2 созданы керамические чувствительные элементы для определения концентрации молеку­лярного кислорода в газовых смесях.

Оксиды металлов, используемые в датчиках газового состава, могут иметь p-проводимость (например, ZnO, TiO2, SnO2) и р-проводимость (например, МЮ, Сг2Оз, МоО).

Газы-окислители — кислород, хлор, бром,— являющиеся ак­цепторами электронов, взаимодействуют с центрами примесной электропроводности полупроводника n-типа, что уменьшает электропроводность этого оксидного полупроводника.

При адсорбции газов-восстановвтелей (например, водорода, монооксида углерода), являющихся донорами электронов, увели­чивается электропроводность полупроводниковых оксидов n-типа. Электропроводность полупроводниковых оксидов p-типа при ад­сорбции тех же компонентов изменяется противоположным образом.

Электропроводность керамических газочувствительных элемен­тов зависит как от парциального давления определяемого компо­нента, так и от температуры, при которой работают ЧЭ. Поэтому
необходимые чувствительность  и   избирательность достигаютсявыбором металлов, их сплавов или их оксидов, легированием с помощью каталитических добавок (благородных и неблагородных
металлов, их оксидов), выбором рабочих температур ЧЭ. Чаще применяют ППЧЭ с подогревом   (при температуре 50 — 500 °С  в  зависимости  от  материала ЧЭ и компонента  газовой смеси,
на которую ЧЭ предназначен реагировать), реже — без подогрева .

Основными трудностями в технологии ППЧЭ являются необходимость обеспечения избирательности по отношению к определяемому компоненту, большой разброс (около одного порядка ) значений сопротивлений ЧЭ, сравнительно высокая погреш­ность измерения (несколько процентов), низкая производи­тельность  при  изготовлении  ЧЭ,  высокая  стоимость,  большая потребляемая мощность. Избирательность улучшают оптималь­ным подбором основного материала. Однако остальные недостат­ки разрешить довольно сложно.

Положительным качеством полупроводниковых керамических газочувствительных элементов является использование порошков оксидов высокой чистоты с заданным размером частиц.

Пленочные ППЧЭ в зависимости от толщины пленки чувстви­тельного материала бывают толстопленочные (толщина пленки 20 и более мкм) и тонкопленочные (толщина пленки менее 20 мкм).

Толстопленочные газочувствительные элементы состоят из диэлектрической подложки, пленки чувствительного материала и электродов. Их изготовляют из тех же материалов, что и кера­мические. Изменяется в основном технология формирования плен­ки чувствительного материала и электродов. В качестве мате­риала электродов часто используют систему серебро — палладий, применяют также системы с платиной, золотом, серебром, медью, никелем и оксидом рутения. Все эти материалы используются в виде паст.

В качестве диэлектрической подложки, как правило, применяют оксид алюминия(III).

Используя толстопленочную технологию, получают много­слойные структуры из толстых пленок (20 мкм и более) на ди­электрической подложке оксида алюминия(Ш). Это повышает степень миниатюризации и улучшает надежность. Кроме того, толстопленочная технология позволяет совместить процессы изго­товления газочувствительного элемента и электрической схемы.

Для создания тонкопленочных газочувствительных элементов применяют технологию, характерную для микроэлектроники: вакуумное напыление, фотолитографию, осаждение пленок окси­дов металлов различными способами. При использовании этого типа ППЧЭ повышается производительность, уменьшаются его размеры и потребляемая мощность. Все это создает предпосылки для массового производства микроэлектронных ППЧЭ.

В настоящее время основным материалом при изготовлении таких ППЧЭ являются диоксид олова и монооксид цинка. Пленки из диоксида олова обладают высокой химической стабильностью, механической прочностью, термостойкостью, высокой адгезией к стеклу и другим подложкам. Пленки на основе диоксида олова получают с удельным сопротивлением от 1,5-10-3 до 2,59 Ом-см.

Пленка из диоксида олова — полупроводник n-типа, т. е. про­водимость ее обусловлена свободными электронами. Когда электроотрицательные молекулы, такие, как кислород, достигают поверхности полупроводника, они стремятся получить электрон из зоны проводимости полупроводника и таким образом хемо-сорбируются на поверхности. В результате адсорбции акцептор­ных молекул О2 работа выхода электрона из полупроводника n-типа увеличивается, а поверхность его обедняется свободными носителями. Таким образом, кислород на поверхности диоксида олова хемосорбируется в два этапа: физическая сорбция и хемосорбция (захват электрона).

Газочувствительный элемент из монооксида цинка ZnO в нагретом состоянии адсорбирует кислород из окружающей атмо­сферы. Центрами адсорбции являются сверхстехиометрические атомы Zn+, расположенные в междоузлиях решетки кристаллов монооксида цинка. Обладая большим сродством к электрону, кислород захватывает электроны из зоны проводимости и хемо­сорбируется в заряженной форме. При этом уменьшается концент­рация свободных носителей заряда в чувствительном слое и тем самым — его электропроводность. При низких температурах кислород захватывает 4s-электрон и стабилизируется на ионах Zn+ в виде молекулярного иона О2- образуя Zn 2+O2-. При ком­натной и более высоких температурах кислород адсорбируется как в форме О2-, так и в форме О-. Ионы О- при адсорбции мо­лекулы кислорода образуются сразу на двух ионах Zn+ :

O2+2Zn+→2O-Zn2+  (55)

В результате у монооксида цинка устанавливается электро­проводность, соответствующая температуре образца и давлению кислорода.

Конструкции ППЧЭ весьма разнообразны. Наиболее сущест­венными различиями являются: отсутствие или наличие подогре­вателя, а также объемное или пленочное использование ППЧЭ. Из-за малой поверхности адсорбции пленочных ППЧЭ часто ис­пользуют керамические пористые конструкции, изготовленные из спрессованных порошков оксидов полупроводниковых материалов.

Дальнейшее использование ППЧЭ для газового анализа предполагает повышение их чувствительности и избирательности, стойкости по отношению к веществам, вызывающим отравление катализатора, исключение необходимости в подогревателе. Оп­ределенные надежды возлагаются на применение полимеров.

Хроматографический метод

В аналитической хроматографии пробу АГС вносят в поток газа-носителя перед входом в хроматографическую колонку. При прохождении через слой сорбента, заполняющего колонку, проба разделяется на компоненты. При этом измеряется расход газа-носителя и может стабилизироваться температура. Разделенная проба поступает на вход детектора — измерительный преобразо­ватель состава в хроматографии, который преобразует концент­рацию компонентов в пропорциональный электрический сигнал. О концентрациях компонентов судят по высотам «пиков» либо по их площадям.

Для определения концентрации молекулярного кислорода в газовых смесях с помощью хроматографов можно использовать любой детектор, принцип действия которого основан на одном или на комбинации вышеописанных методов.

Аналитический хроматограф содержит не менее двух измери­тельных преобразователей: хроматографическую колонку, обеспе­чивающую разделение пробы АГС на отдельные компоненты, и детектор, определяющий наличие и (или) концентрацию каждого компонента. Подбором характеристик каждого из этих преоб разователей   разделяют   и   количественно   определяют   состав пробы АГС.

Точность и надежность результатов хроматографического анализа определяется полнотой разделения компонентов, которая, в свою очередь, зависит от избирательности сорбента и эффек­тивности колонки.

В большинстве хроматографов, предназначенных для произ­водственных технологических установок, применяют насадочные колонки диаметром 3—4 мм и длиной до Oм. В лабораторных хроматографах используют как насадочные, так и калиллярные колонки.

В качестве материала для колонок применяют нержавеющую сталь, медь, стекло, фторопласт и ряд других материалов.

Для разделения кислородсодержащих газов наибольшее рас­пространение получили цеолиты (молекулярные сита) 5А и 13Х, а также алюмосиликаты.

Для экспресс-анализа молекулярного кислорода (время ана­лиза менее 1 мин) повышают температуру колонки, уменьшают ее длину и диаметр либо повышают скорость потока газа-носителя. Иногда изменения этих параметров комбинируют .

Для определения микропримесей молекулярного кислорода наибольшее распространение получил детектор по теплопро­водности (катарометр), Катарометр — универсальный детектор средней чувствительности, пригодный для определения практи­чески любых компонентов.

Однако в некоторых случаях чувствительность катарометров, равная примерно 10-3 % (об.), не удовлетворяет требованиям промышленности при определении микроконцентраций молеку­лярного кислорода. Поэтому большое внимание уделяется повы­шению чувствительности катарометров, а также разработке но­вых детекторов.

Измерительной схемой детектора по теплопроводности служит электрический мост, состоящий из четырех терморезисто­ров, в качестве которых применяют проволочные моно- или биспи-рали из вольфрама и сплава вольфрама с рением, а также полу­проводниковые терморезисторы. Последние имеют температурный коэффициент на порядок выше сопротивления и, следовательно, более высокую чувствительность. Но в связи с тем, что у полу­проводниковых терморезисторов чувствительность резко снижает­ся с повышением температуры, в большинстве случаев применяют проволочные терморезисторы.

Охлаждение детекторов, в том числе и катарометров, на термисторах увеличивает их чувствительность при определении микроконцентраций неорганических и инертных газов в де­сятки раз.

При этом чувствительность детектора снижается, однако од­новременно увеличивается соотношение сигнал — шум. Поэтому возможны последующее усиление сигнала и общее увеличение чувствительности.

При определении концентрации молекулярного кислорода минимальная концентрация, которую можно достичь с помощью охлаждаемых катарометров, составляет ≈5-10-5% (об.) .

Если принять чувствительность обычного катарометра за 1, то чувствительность охлажденного катарометра на термисторах будет больше в 40 раз, детектора с применением высокочастот­ного разряда — в 300 раз и гелиевого детектора — в 500 раз .

Примеси молекулярного кислорода в этилене определяют с помощью термохимического детектора, используя в качестве газа-носителя водород, очищенный от примесей кислорода , а для повышения чувствительности метода — смешанный газ-носитель, состоящий из 3 % водорода и 97 % азота . В том и в другом случае применяют адсорбент — молекулярные сита 5А. Минимальная концентрация кислорода, определяемая детек­тором, составляет 5-10-5 % (об.).

При использовании в качестве газа-носителя гелия водород постоянно дозируется в количествах, достаточных для гидриро­вания на поверхности чувствительного элемента детектора всего кислорода, присутствующего в пробе АГС . При объеме пробы АГС 5 см определяют 1,5-10-2 % (об.) кислорода с отно­сительной погрешностью ±1,0%.

Чувствительность аргонового ионизационного детектора можно повысить до 10-4 % (об.) кислорода, если в поток газа-носителя между хроматографической колонкой и детектором вводить не­большие количества органических веществ, например этилена или ацетилена .

Газовый хроматограф «Сигма» , использованный для анализа атмосферы Венеры, состоял из двух, детекторов; неонового ионизационного детектора и детектора электронного захвата. Минимальная концентрация кислорода, которая была определена с помощью хроматографа, составила 4-10-5 % (об.).

Газохроматографический метод определения концентрации кислорода с помощью пламенно-ионизационного детектора про­водят при температуре 700—900 °С . Кислород превра­щают на угле в монооксид углерода, который затем в водороде на никелевом катализаторе восстанавливается до метана. Минимальная концентрация кислорода, определяемая с помощью де­тектора, составляет менее 10-4% (об.).

Хроматографические методы широко применяются в газовом анализе благодаря простоте и универсальности аппаратуры, а также возможности автоматизации.

Метод прямого измерения поглощения (оптико-абсорбционный метод)

Основы метода

Общие принципы и закономерности

Количественный абсорбционный анализ основан на существовании зависимости между концентрацией поглощающих атомов или молекул газа и изменением интенсив­ности прошедшего через анализируемую газовую среду зондиру­ющего излучения. Поглощение излучения происходит на резо­нансных частотах, определяемых в атомах их электронными энергетическими состояниями, а в молекулах – электронно - колебательно - вращательными состояниями. В первом случае спектр поглощения представляет собой набор отдельных спектральных линий, а во втором - набор полос, образованных совокупностью спектральных линий.[6]

В общем виде поглощение излучения в газе описывается зако­ном Бугера-Ламберта:

Iп=Io(1- exp[-k(v)L])(36)

где Iп, Iо- интенсивность поглощенного и зондирующего излучений; k(v)-спект­ральный коэффициент поглощения; L-толщина поглощающего слоя газа.

Поглощение газовой средой зондирующего излучения строго описывается выражением (36) лишь в условиях монохроматич­ности излучения, независимости коэффициента поглощения от частоты и концентрации поглощающих частиц и при отсутствии фотохимических реакций в газовой среде. Вычисление концентрации поглощающих частиц возможно путем измерения величины k (v), характеризующей интенсивность линии поглощения, и пара­метров контура линии поглощения. Для расчета необходимо также использовать в качестве исходных предпосылок те или иные теоретические приближения, описывающие форму спект­ральных линий в зависимости от условий эксперимента.

В реальных условиях прямое исследование контура линии поглощения представляет весьма сложную задачу. Поэтому на практике при определении концентраций атомов и молекул измеряют интегральную интенсивность линий (полос) поглоще­ния. Аналитический сигнал в этом случае определяется раз­ностью интенсивностей зондирующего излучения до и после кюветы с поглощающей газовой средой. Аналитическую связь между изменением интенсивности зондирующего излучения и концентрацией поглощающих частиц находят экспериментально и используют в виде градировочных графиков.

Основные способы повышения чувствительности и селектив­ности

Аналитические характеристики рассматриваемого варианта абсорбционного ана­лиза определяются прежде всего точностью регистрации и значением изменений интен­сивности прошедшего поглощающую среду зондирующего излучения и возможностью выделения отдельных линий (полос) поглощения определяемых компонентов газовых смесей. Реше­ние основных проблем анализа, связанных с улучшением чувстви­тельности и селективности метода, достигается путем увеличения толщины поглощающего слоя газа, повышения разрешающей способности приборов, а также использования различных прие­мов формирования и обработки аналитического сигнала.

Очевидность первого способа вытекает из выражения (36), второй способ оправ­дан стремлением полного выделения аналитической линии из регистрируемого спектра поглощения. Применение этих способов при анализе газовых сред дает хорошие резуль­таты. Однако в широкой прак­тике только такой-прямой-путь увеличения чувствительности и селективности не всегда возможен, да и реализация его требует применения довольно сложной аппаратуры. Поэтому остановим­ся более подробно на третьем способе, включающем различные приемы формирования и обработки аналитического сигнала.

Можно выделить по крайней мере два нетривиальных приема формирования ана­литического сигнала-дифференциальное поглощение и модуляция амплитуды сигнала. Преимущество таких приемов заключается в изменении характера сигнала и условий

измерения, а именно: переход от регистрации малых изменений амплитуды отно­сительно большого постоянного сигнала к регистрации либо амплитуды сигнала на нуле­вом фоне, либо меняющейся по периодическому закону амплитуды сигнала. Как известно, в этом случае может быть достигнута значительно большая точность измерений.

Существуют также две методики обработки сигнала: диффе­ренцирование перемен­ного аналитического сигнала и расчетный метод учета мешающих наложений.

Дифференциальный метод формирования аналитического сигнала имеет два вари­анта. Первый вариант - метод двух линий состоит в том, что поглощение измеряют на двух частотах и  путем последовательного или одновременного пропускания через поглощающую газовую среду зондирующего излучения  совпадающего с максиму­мом поглощения  линии (полосы) определяемого компонента, и -с миниму­мом поглощения . Если известен дифференциальный коэффициент поглоще­ния  то, измеряя отношение интенсивностей, можно рассчитать концентрацию поглощающих частиц по формуле:

где L- толщина поглощающего слоя газа.

Второй вариант - метод двух лучей - состоит в том, что зондирующее излучение с некоторой частотой, желательно совпадающей с максимумом поглощения определяемого компонента, пропускают через две идентичные кюветы, одна из которых - рабочая - за­полнена анализируемой газовой смесью, а вторая опорная (или сравнения) - газовой сме­сью известного состава. Разность сигналов опорного и рабочего каналов есть мера концен­трации определяемого компонента. Этот вариант метода обычно используют в автомати­ческих абсорбционных газоанализаторах, применяя электрическую или оптиче­скую ком­пенсации нулевого сигнала .

 Модуляционный метод формирования аналитического сигнала состоит в том, что различными способами добиваются синусоидального изменения интенсивности излуче­ния попадающего на приемник излучения. Такой модуляции можно достичь как с помо­щью специальных устройств, помещаемых перед приемни­ком излучения, так и путем изменения частоты зондирующего излучения или частоты поглощения определяемых атомов или молекул.

В первом случае измеряемый сигнал зависит только от той части зондирующего излучения, которая соответствует (коррелирует) спектру поглощения определяемого ком­понента газовой смеси. Эта часть излучения выделяется специальными устройствами (коррели­рующими элементами), пропускающими излучение только на определенных участках спектра, соответствующих структуре спектра поглощения определяемых атомов или мо­лекул.

Такие элементы, помещенные перед приемником излучения, обеспечивают модуля­цию амплитуды регистрируемого сигнала. В сочетании с синхронным детектированием, т. е. регистрацией сигнала в момент, когда коррелирующий элемент выделяет только спектр поглощения определяемого компонента, корреля­ционные методики позволяют су­щественно ослабить влияние на результаты определения любых примесей, спектр поглоще­ния которых мало коррелирует по структуре с анализируемым.

В качестве коррелирующих элементов можно использовать специальные пластинки (маски) с чередующимися прозрачными и не прозрачными зонами, повторяющими положе­ние линий по­глощения в плоскости изображения спектра на выходе спектраль­ного прибора. Модуляция амплитуды сигнала в этом случае происходит за счет колебания маски в плоскости изображения спектра поглощения. Недостаток такой методики модуляции сигнала необходимость использования диспергирующей аппаратуры с хорошим разрешением и создания целого набора масок для анализа различных газов.

Модуляция амплитуды зондирующего излучения может про­изводиться также и с по­мощью специальных кювет с некоторым количеством определяемого газа за счет изменения в них давле­ния. В отличие от предыдущей схемы эта более универ­сальна, так как при смене аналитической задачи необходимо лишь заполнить кювету соот­ветствующим газом. Однако существенным ее недостатком является малая глубина моду­ляции амплитуды сигнала.

По-видимому, более перспективно использование в качестве коррелирующего эле­мента сканирующего интерферометра Фаб­ри-Перо, постоянная которого может быть вы­брана в со структурой полосы поглощения определяемого компо­нента газовой смеси. Длина волны максимума пропускания интерферометра сканируется за счет изменения положения одного из зеркал, а переход к определению нового компонента изме­нением базы интерфе­рометра.

Иной принцип заложен в методах, основанных на использова­нии явлений смещения частоты поглощения молекулами или частоты излучения источников при помещении их в магнитное (Зееман-эффект) или электрическое (Штарк-эффект) поля. В первом случае ис­пользуется явление расщепления энергетических уровней поглощающих или излучающих атомов или молекул во внешнем магнитном поле на три (нормальный Зееман-эффект) или большее число (аномальный Зееман-эффект) компонент. Если источник излу­чения или абсорбционная кювета помещена в переменное магнитное поле, то наблюдается соответствующее сканирование частоты зондирующего излучения относительно линии по­глощения или сканирование частоты линии поглощения относительно частоты зондирую­щего излучения. В этих случаях сигнал приемника модулируется по амплитуде с частотой изме­нения напряженности магнитного поля. Как правило, в перемен­ное магнитное поле помещают источник излучения , реже - абсорбционную кювету .

Расщепление линий поглощения в электрическом поле (Штарк-эффект) используют для определения полярных молекул, например, аммиака  или диоксида серы . При этом в переменное электрическое поле помещают абсорбционную кюве­ту с анализируемым газом.

Остановимся на специальных способах обработки регистриру­емого сигнала.

Дифференциальный метод обработки аналитического сигнала - метод производной - основан на измерении первой или второй производной от меняющегося по гармоническому закону сигнала приемника. Такая методика обработки аналитического сигнала позволяет выделять слабые линии поглощения на сильном фоне и тем самым улучшать аналитические характеристики метода за счет увеличения отношения полезного сигнала к шуму. Так, в работе [7] показаны сравнительные возможности различных методик обработки регистрируемого сигнала: большие концентрации определяли методом прямого детектирования, средние по первой, а малые до 10-7-10-8% (мол.) по второй производным.  

Интегральный метод обработки аналитического сигнала метод учета мешающих на­ложений основан на исследовании характера и интенсивности спектров поглощения анали­зируемых газов в некоторой области длин волн и учете их взаимных наложений. Такая методика обработки сигналов весьма трудоемка и практически невозможна без применения ЭВМ. Наиболее простой способ при анализе сложных технологических газов, где наложения учитывали путем решения системы уравнений, характеризующих вклад в поглощение на трех регистрируемых длинах волн от основных компонентов газовой смеси.

Рассмотренные нами методы обработки регистрируемого сигнала, наряду с прямым детектированием изменения интенсивности зондирующего излучения, прошедшего поглощающую газовую среду, широко используют в различных схемах абсорбционных газоанализаторов.

Аппаратура

Важнейшие элементы абсорбционных газоанализа­торов это источники и приемники зондирующего излучения; их мы и рассмот­рим наиболее подробно. Оптические схемы газоанализаторов довольно просты и мы остановимся лишь на общем описании некоторых из них.

Источники зондирующего излучения

Для решения разнообразных задач в аб­сорбционных газоанализаторах используют различные источни­ки зондирующего излучения: газоразрядные, тепловые, когерент­ные. По характеру излучения их можно разделить на источники сплошного, линейчатого и монохроматического излучения в УФ-, видимом и ИК- спектральном диапазонах.

Тепловые источники характеризуются сплошным спектром излучения в ИК диапазоне, высокой стабильностью излучаемой мощности, малым потреблением энергии и большими сроками эксплуатации. Используют несколько разновидностей таких источников:

глобар, представляющий собой стержень из карбида кремния; рабочая температура ≈1300 К;

штифт Нернста, представляющий собой стержень, содержа-* щий смесь оксидов циркония, тория, иттрия; обычная рабочая температура ≈1700 К;

лампы накаливания с вольфрамовой или нихромовой спи­ралью, нагретой до 1000-1100 К, излучающие в видимой и ближней ИК-областях спектра .

Газоразрядные источники характеризуются линейчатым спек­тром излучения в УФ-, видимом и ближнем ИК-диапазоне длин волн, а также сплошным спектром в УФ-области спектра. К источникам этого типа относятся:

водородные или дейтериевые лампы, представляющие собой стеклянные колбы с кварцевыми окошками, заполненные газом при давлении в несколько сотен Па; лампы являются источниками сплошного спектра в видимой и УФ (до200 нм)-областях спектра;      

высокочастотные безэлектродные лампы, заполненные инертным газом при давлениях в несколько сотых долей Па и вещест­вом-источником атомных паров; лампы являются источниками линейчатого спектра излучения в видимой и УФ-об­ласти;

ртутные газоразрядные лампы низкого, высокого или сверх­высокого давления, представляющие собой кварцевые трубки с впаянными электродами и заполненные аргоном и ртутью;

лампы являются источниками линейчатого спектра излуче­ния наиболее интенсивные линии которого имеют длины волн: 253,7; 313; 314; 365,5; 404,7; 435,8; 546,1; 577 и 579,1 нм ;

лампы с полным катодом , являющиеся источ­никами линейчатого спектра излучения, характер которого опре­деляется элементами, входящими в состав катода или напылен­ного на его поверхность материала; атомы, образовавшиеся при испарении материала нагретого катода или вследствие распыле­ния его поверхностных слоев под воздействием ионной бомбар­дировки, возбуждаются в тлеющем разряде постоянного тока в буферном газе; эти лампы используют при анализе воздуха на содержание металлических примесей в виде металлоорганических соединений, аэрозолей и паров (например ртути).

Монохроматические источники - оптические квантовые гене­раторы, излучающие отдельные линии в видимой и ИК- областях спектра в режиме импульсной или непрерывной генерации. Ис­точники такого типа позволяют перестраивать частоту излучения либо непрерывно в некотором диапазоне длин волн, либо дис­кретно на нескольких фиксированных частотах:

газоразрядный СО-лазер с генерацией излучения в области 5-6 мкм мощностью несколько мВт ;

газоразрядный He-Ne-лазер с генерацией излучения, перестра­иваемого дискретно на длинах волн 3,39; 4,22; 5,4 мкм, мощ­ностью 0,5-5 мВт ;

лазеры на красителе (ЛК), излучающие на длинах волн от 0,4 до 0,6 мкм ;

светодиоды на основе твердых растворов полупроводниковых соединений типа InGaAs и InAsSbP, излучающие в диапазоне 2,6-4,7 мкм;, мощность непрерывного излучения порядка сотен мкВт, а импульсного-нескольких мВт ;

полупроводниковые диодные лазеры типа PbS1-xSex и Pb1-xSnxSe, генерирующие в диапазоне 3-30 мкм; лазеры обеспе­чивают непрерывную перестройку узкой линии генерации () 3a счет изменения тока питания и температуры полупроводникового элемента в диапазоне до 1000см-1 .

В заключение упомянем о специфическом источнике излуче­ния - СВЧ- генераторе (клистроне) с частотой 10-25 ГГц, исполь­зуемом в некоторых газоаналитических задачах .

Таким образом, применяемые в абсорбционных газоанализа­торах источники зондирующего излучения охватывают широкую область спектра. Наиболее перспективно с нашей точки зрения применение диодных полупроводниковых лазеров, позволяющих сканировать узкую линию излучения в сравнительно большом диапазоне длин волн и генерирующих в области спектра, пере­крывающей колебательно-вращательные полосы поглощения большинства газообразных молекул. Эти характеристики источ­ника зондирующего излучения обеспечивают хорошую основу для достижения высокой селективности и универсальности газо­аналитических методик.

Приемники излучения

Используемые в абсорбционных газоана­лизаторах приемники лучистой энергии можно разделить на две группы: тепловые и фотоэлектрические.

Тепловые приемники служат для детектирования излучения в ИК-области спектра (< 30 мкм). К этой группе приемников относятся термоэлементы, представляющие собой биметалличес­кие устройства, при нагревании которых возникает э. д. с., про­порциональная температуре нагрева, а также болометры, пред­ставляющие собой сопротивления с большим температурным коэффициентом сопротивления. Тепловые приемники малоэф­фективны при измерении малых изменений мощности зондирую­щего излучения и обладают относительно большой инерцион­ностью. В качестве положительных свойств можно указать на слабую зависимость чувствительности от длины волны регистри­руемого излучения в рабочем диапазоне и удобство в эксплуа­тации.

Фотоэлектрические приемники используют для детектирова­ния излучения в УФ-, видимой и ИК- (до 14 мкм) областях спектра. Эту группу приемников можно разделить на фотоэле­менты с внешним и внутренним фотоэффектом.

Первые обычно служат приемниками излучения в УФ- и видимой областях спектра. Принцип действия таких детекторов, называемых фотоэлектронными умножителями (ФЭУ), основан на эмиссии с фотокатода электронов, приобретающих от фото­нов энергию, превышающую работу выхода c поверхности фото­катода. Образовавшиеся электроны ускоряются в электрическом поле и множатся на системе электродов - ускоряющих динодах. Сигнал ФЭУ, таким образом, пропорционален интенсивности излучения попадающего на фотокатод приемника. Наиболее широкое распространение получили ФЭУ с Sb-Cs-фотокатодом с максимальной чувствительностью в области от 160 до 650 нм; с мультищелочным фотокатодом - от 400 до 870 нм; с Ag - Cs- фотокатодом - от 400 до 1300 нм. Постоянная времени ФЭУ состав­ляет ≈10-8-10-10 с, чувствительность ≈10-14Вт.

Фотоэлектрические приемники с внутренним фотоэффектом обычно используют для регистрации излучения в ИК-области спектра. Принцип действия рассматриваемых детекторов осно­ван на способности полупроводниковых элементов изменять свою проводимость при поглощении фотонов. В качестве таких приемников используют, например, PbS- фотосопротивления с чувствительностью в области <4 мкм или InSb с чувствитель­ностью в области <7,5 мкм, работающие как при комнатной (293 К), так и при пониженных (273 К) температурах. В более широком спектральном диапазоне (<14мкм) могут работать детекторы типа PbSnTe или HgCdTe, но только при криогенных ( 77 К) температурах.

Таким образом, применяемые в абсорбционных газоанализа­торах приемники зондирующего излучения охватывают широ­кую область спектра-от 0,2 до 30 мкм. Следует отметить, что все рассмотренные приемники являются неселективными и за исключением тепловых обладают заметной зависимостью чув­ствительности от длины волны регистрируемого излучения.

Схемы абсорбционных газоанализаторов

Простейшая схема абсорбционного га­зоанализатора включает:

источник зондирующего излучения;

оптическую систему формирования пучка излучения;

кювету с анализируемой газовой смесью;

систему фильтров или монохроматор для выделения нужной области спектра излучения;

приемник излучения;

блок формирования и обработки сигнала.

Мы рассмотрели различные способы формирова­ния аналитического сигнала с использованием различных корре­лирующих элементов, помещаемых за абсорбционной кюветой перед приемником излучения. Кюветы с анализируемой газовой смесью имеют размеры от 1 до 500 см и часто конструируются таким образом, что обеспечивают многократное прохождение зондирующего излучения через анализируемый газ. За счет этого удается значительно увеличить толщину поглощающего слоя (например, до 720 м ).

Чаще всего для решения различных газоаналитических задач используют дифференциальную схему, оптическая часть которой содержит два канала с рабочей и опорной (сравнительной) кюветами. Принципиальная схема газоанализатора представлена на рис. 18, а. Принципиальный вариант газоанализатора с лазерными ис­точниками излучения приведен на рис. 18.б. Излучение с про- тивоположных граней кристалла полупроводникового лазера 7 проходит через рабочую кювету с анализируемым газом 8, опорную кювету 9 с газом известного состава и регистрируется фотоприемниками П. Диспергирующий элемент 10, в качестве которого используется монохроматор, служит для селекции мод лазера и выделения определенных участков спектра излучения. Нами кратко рассмотрены лишь основные принципиальные схемы абсорбционных газоанализаторов. В разд. VI.3 при описа­нии различных газоаналитических методик уделяется внимание и некоторым особенностям аппаратурных схем анализаторов.

Рис. 18 Схема  дифференциального  абсорбционного газоанализатора с газоразрядным (тепловым) (а)  и лазерным (б) источникам! зондирующего излучения:

1-газоразрядный или тепловой источник зондирующего излучения; 2-оптическая система фор­мирования пучков излучения; 3, 5-рабочие кюветы; 4, 9-опорные кюветы; 5~фильтры; (5-приемники излучения; 7-полупроводниковый лазер; 10~диспергирующий элемент; 77-фото-приемники

На фиг. 1 представлена функциональная схема предлагаемого оптического абсорбционного га­зоанализатора; на фиг. 2 - блок-схема реализо­ванного оптического преобразователя газоанали­затора.

Газоанализатор, согласно фиг. 1, содержит первый измерительный источник 1 электромаг­нитного излучения, расположенные по ходу излу­чения кювету 2, первый и третий оптические фильтры 3 и 4, расположенные соответственно перед измерительным и опорным фотоприемниками 5 и б, второй - эталонный источник 7 электромаг­нитного излучения установлен вне газовой кюветы 2 с противоположной стороны фотоприемников 5 и 6 со вторым и четвертым оптическими фильтрами 8 и 9        соответственно и оптически с ними сопряжен, блок 10       обработки  сигналов,  первый  вход  которого соединен через первый разделительный усилитель 11с выходом измерительного фотоприемника 5, а второй вход соединен через разделительный усилитель 12 с выходом опорного фотоприемника б, содержит последовательно соединенные коммутатор 13 входных импульсов, усилитель 14, аналого-цифровой преобразователь 15 и микроЭВМ 16, выход которой соединен с блоком 17 регистрации, первый управляющий выход микроЭВМ 16 соединен с управляющим входом коммутатора 13, первый и второй входы которого являются первым и вторым входами блока 10 обработки сигналов соответственно, второй управляющий выход микроЭВМ 16 соединен с управляющим входом схемы 18 управления токами источников электромагнитного излучения, второй вход которой соединен с выходом опорного фотоприемника 6, и одновременно  с опорным резистором  19, второй вывод которого соединен с общим проводом прибора, первый и второй выходы схемы 18 управления подключены к источникам 1 и 7 электромагнитного излучения соответственно. Кроме того, последовательно с измерительным фотоприемником 5 соединено сопротивлением 20 нагрузки, второй вывод которого соединен с общим проводом, к коммутатору 13 подключен датчик 21 контроля температуры.[8]

Кроме того, в газоанализаторе, согласно фиг. 2, газовая кювета 2 выполнена в виде полости, нап­ример в форме цилиндра, фокусирующим эле­ментом которой является ее внутренняя поверхность со светоотражающим покрытием, на входном и выходном торцах кюветы 2 установлены оптические окна 22 и 23 соответственно, на наружной по­верхности полости кюветы 2 установлены штуцер 24 для ввода газовой смеси и штуцер 25 для вывода газовой смеси.

Измерительный источник 1 электромагнитного излучения установлен непосредственно перед оп­тическим окном 21 кюветы 2, за оптическим окном 22 которой установлены оптически с ней сопря­женные фотоприемники 5 и б с соответствующими им оптическими фильтрами 3,8 и 4,9, которые, в свою очередь оптически сопряжены с эталонным источником  7 электромагнитного излучения, уста­новленным вне газовой кюветы 2 с противоположной стороны от фотоприемников 5 и б с фильтрами 8,9.

Измерительный источник 1 электромагнитного излучения предназначен для формирования на фотоприемниках 5 и 6 электрических сигналов, содержащих информацию о концентрации анали­зируемого газа в кювете 2.

Газовая кювета 2 с принадлежащими ей опти­ческими окнами 22 и 23 и штуцерами 24 и 25 обеспечивает прохождение излучения через га­зовую кювету и фокусирование его на фотопри­емниках;

Фотоприемник 5 с фильтрами 3 и 8 и фотопри­емник 6 с фильтрами 4 и 9 преобразуют излучение в электрические сигналы, пропорциональные соот­ветственно интенсивностям излучения с длинами волны  и  . .

Эталонный источник 7 электромагнитного из­лучения предназначен для учета влияния деста­билизирующих факторов, например, температура, пыль, влажность и т. д. , влияющих на параметры фотоприемников.

Разделительные усилители 11 и 12 выравнивают амплитуду импульсов на входе коммутатора 13 входных импульсов, а также обеспечивают развязку по постоянному напряжению выхода фотоприем­ников 5 и 6 и входа коммутатора 13.

Блок 10 обработки сигналов обеспечивает пре­образование аналогового сигнала в цифровой, и далее преобразование его и вычисление кон­центрации измеряемого газа.

Устройство 17 регистрации обеспечивает вывод величины концентрации на табло прибора.

Коммутатор 13 входных импульсов предназ­начен для поочередного подключения блока 10 обработки сигналов с выходами фотоприемников 5 и 6.

Усилитель 14 обеспечивает усиление полу­ченного импульсного сигнала до уровня, обеспе­чивающего наилучшее использование параметров аналого-цифрового преобразователя 15.

Интегрирующий аналого-цифровой преобра­зователь 15 позволяет измерить напряжение с высокой точностью.

Управляющая ЭВМ 16 предназначена для уп­равления коммутатором 13 входных импульсов, а также источниками 1 и 7 излучения через схему 18 управления, кроме того, ЭВМ 16 осуществляет пре­образование поступающих сигналов в соотношение, предварительно заложенное в ПЗУ ЭВМ 16, вы­числение его и определение величины концент­рации газа.

Блок 17 регистрации обеспечивает вывод значения концентрации на индикаторе табло.

Схема 18 управления токами источников излу­чения обеспечивает получение на входе измери­тельного и эталонного источников 1 и 7 излучения импульс тока заданной длительности и величину тока, определяемого напряжением, снимаемым с опорного резистора 19 в промежутке времени между импульсами.

Сопротивление 20 нагрузки обеспечивает типовое включение измерительного фотоприемника 5.

Датчик 21 контроля температуры предназначен для коррекции рассчитанной концентрации газа, обусловленной температурной зависимостью па­раметров источников излучения (сдвиг спектра) и фотоприемников (чувствительность).

Газоанализатор работает следующим образом.

От микроЭВМ 16 на схему 18 управления токами источников излучения поступает управляющий сигнал, определяющий параметры импульсов тока, поступающих поочередно с выхода схемы 18 уп­равления на вход измерительного источника 1 из­лучения и на вход эталонного источника 7 излучения. Данные импульсы тока преобразуются в импульсы излучения, содержащего длины волн  и  из области поглощения и из области прозрачности анализируемого газа соответственно. Оба фотоприемника 5 и 6 освещаются либо из­мерительным источником 1 излучения (через кювету 2), либо эталонным источником 7 излучения (с об­ратной стороны) и преобразуют световые импульсы в измерительный и опорный электрические им­пульсные сигналы соответственно. Причем световой импульс от эталонного источника 7 излучения преобразуется в фотоприемниках 5 и 6 в электрические импульсы с напряжением U1Э и U2Э соответственно. Аналогично, световой импульс от измери­тельного источника 1 излучения преобразуется в фотоприемниках 5 и б электрические импульсы с напряжением U3И и U4И соответственно. Амплитуда импульсов пропорциональна интенсивности света, падающего на фотоприемник.

В зависимости от сигнала, поступающего от микроЭВМ 16 на управляющий вход коммутатора 13 входных импульсов, измерительные и опорные электрические импульсы с выхода фотоприемников через соответствующие разделительные усилители 11 и 12 поочередно поступают на вход коммутатора 13 входных импульсов и далее с выхода коммута­тора 13 через усилитель 14 на вход аналого-цифрового преобразователя (АЦП) 15, в котором преобразуется в цифровой код. Таким образом, на вход микроЭВМ 16 поступает последовательность цифровых кодов, соответствующих значениям аналогового импульсного сигнала, поступающего с выхода фотоприемников 5 и б. В микроЭВМ 16 с помощью предварительно введенного в память со­отношения осуществляется его преобразование, вычисление и определение концентрации газа N, значение величины которой выводится на устройство 17 регистрации. С целью исключения влияния неконтролируемых изменений параметров газоанализатора на измерение соотношение представлено в виде:

(38)

где U1Э - электрический сигнал на выходе разделительного усилителя 11, пропорциональный интенсивности излучения с длиной волны  от эталонного источника 7 излучения, попадающего на измерительный фотоприемник 5.

U2Э - электрический сигнал на выходе разделительного усилителя 12, пропорциональный интенсивности излучения с длиной волны  от эталонного источника 7 излучения, попадающего на опорный фотоприемник 6.

U3И - электрический сигнал на выходе разделительного усилителя 11, пропорциональный интенсивности излучения с длиной волны  от измерительного   источника   1   излучения,  попа­дающего на измерительный фотоприемник 5.

U4И - электрический сигнал на выходе разделительного усилителя 12, пропорциональный интенсивности излучения с длиной волны  от измерительного   источника   1   излучения,   попа­дающего на опорный фотоприемник 6.

Оптически и электрически прибор настраивается таким образом, что в отсутствии контролируемого газа амплитуды всех четырех импульсов равны, т. е. d= 1. В случае возможного изменения интенсивности одного или обоих источников электромагнитного излучения вследствие измерения, например, питания, температуры, запыленности, влажности, деградации со временем и т. д., оба сигнала (измерительный и опорный) от нестабильно работающего излучателя изменятся пропорционально, а их отношение, входящее в (38), сохранится. Аналогично, в случае изменения чувствительности одного из фотопри­емников по причинам, указанным выше, пропор­ционально изменятся амплитуды импульсов, по­лучаемых в результате преобразования в фотоп­риемнике световых импульсов от обоих источников излучения, и их отношение, входящее в (I) также сохранится. Для учета изменений интенсивности источников или чувствительности фотоприемников на опорном резисторе 19 через обратную связь, введенную через схему 18 управления, поддер­живается постоянное падение напряжения и, таким образом, полезный импульсный сигнал также будет постоянной величиной.

При заполнении кюветы 2 контролируемым газом из величин, входящих в правую часть соотношения

(38), изменится (уменьшится) только U3И из-за поглощения излучения газом. Соответственно, уменьшится и d

По нескольким проверочным газовым смесям с паспортизованными концентрациями N1. . . Ni контролируемого газа строится градуировочная кривая соответствия величин d и N и вводится предварительно в память микроЭВМ 16. При из­мерении неизвестной концентрации газа микроЭВМ 16 вычисляет d и по нему с помощью градировочной кривой определяет концентрацию газа N.

Предлагаемый газоанализатор реализован в РНИЙ "Электронстандарт".

Все элементы конструкции прибора размещены в электропроводящем корпусе с сопротивлением неменее 106 Ом и изготовленном из алюминиевого сплава или пластмассы.

В качестве газовой кюветы 2 использована алюминиевая трубка с полированной внутренней поверхностью длиной 70 мм и внутренним диа­метром 6 мм с установленным на ней входным и выходным штуцерами 24 и 25, оптическими окнами 22 и 23 на входном и выходном торцах трубки (см. черт. 2).

Излучатели 1 и 7 и фотоприемники 5 и 6 с принадлежащими им оптическими фильтрами 3 и 8 и 4 и 9 изготавливаются комплектно фирмой ИКО, г. Санкт-Петербург. Например, для газоанализатора, измеряющего концентрацию углекислого газа из­готовлен комплект ФРМ1-4339, включающий в себя два одинаковых светодиода, излучающих в диа­пазоне 3,7-4,4 мкм, и модуль, содержащий два фотоприемника и две пары оптических фильтров. Освещение каждого фотоприемника возможно с двух противоположных торцов модуля. В качестве фотоприемников использованы фоторезисторы. Одна пара оптических фильтров пропускает излу­чение с длиной волны  = 4,3 мкм, поглощаемое углекислым газом, вторая пара оптических фильтров пропускает излучение с длиной волны  = 3,9 мкм, для которого углекислый газ прозрачен. Эталонный излучатель установлен вплотную к модулю фотоп­риемника для минимизации влияния анализируемого газа, содержащегося в атмосфере, на интенсив­ность эталонного излучения.

Таким образом, при включении прибора излу­чение, например, измерительного светодиода фо­кусируется на фоторезисторы 5 и б, регистри­рующие, благодаря наличию оптических фильтров 3 и 4, интенсивность излучения с длиной волны, со­ответственно 4,3 мкм (рабочий канал) и 3,9 мкм (опорный канал). На измерительный и опорный фоторезисторы 5 и 6 подают стабилизированное напряжение +U . Последовательно включенное

с измерительным фоторезистором 5 сопротивление 20 нагрузки и последовательно включенный с опорным фоторезистором 6 опорный резистор 19 выполнены на резисторах марки С2-29. Напря­жение с вышеуказанных сопротивлений 20 и 19 через соответствующие разделительные усилители 11 и 12, выполненные на малошумящих операци­онных усилителях типа К544УД5, попадают на первый и второй входы коммутатора 13, управ­ляемого от микроЭВМ 16. Коммутатор 13 выполнен на основе КМОП коммутатора 561КТ2, с выхода которого импульсы напряжения попеременно либо от измерительного, либо опорного фоторезисторов попадают на вход усилителя 14, выполненного на основе малошумящего операционного усилителя К544УД5. Кроме того, с опорного резистора 19 опорного фоторезистора 6 постоянное напряжение подается на схему 18 управления токами свето-диодов, выполненную на основе операционного усилителя 140УД1208. При уменьшении темпера­туры окружающей среды постоянное напряжение на опорном резисторе 19 и сопротивлении нагрузки 20 уменьшается из-за увеличения темнового сопротивления фоторезисторов. Это напряжение с опорного резистора 19 подается на инвертирующий вход схемы управления 18 токов светодиодов. Так как зависимость чувствительности фоторезисторов и их темновое сопротивление имеют близкую тем­пературную зависимость, то формируется петля обратной связи, поддерживающей величину им­пульсов напряжений постоянной независимо от внешних условий.

Длительность импульса тока (примерно 80 мкс) и светодиод - эталонный или измерительный, через который идет ток, определяется рабочей прог­раммой, занесенной в постоянное запоминающее устройство (ПЗУ), выполненное на основе интег­ральной микросхемы К573РФ5 или аналогичной и входящей в состав микроЭВМ 16. Величина про­текающего тока через светодиоды 1 и 7 задается предварительной настройкой схемы управления 18 токами светодиодов и постоянным напряжением, снимаемым с нагрузки фоторезистора. Величина тока через светодиод при комнатной температуре устанавливается около 1 А Усиленные импульсы с выхода усилителя (в качестве датчика температуры использовано термосопротивление ТР-1), затем поступают на интегрирующий аналого-цифровой преобразователь 15, выполненный с использова­нием операционных усилителей К140УД1208 и КР544УД5А (компаратор). Управляющая микроЭВМ 16, выполненная на основе процессора 1830ВЕ31 обрабатывает выходное напряжение компаратора, запоминает число отсчетов, соответствующее каждому из импульсов и производит расчет кон­центрации по формуле (1), приведенной выше:

Алгоритм работы прибора следующий: инициализация прибора; определяется температура окружающей среды путем подачи напряжения с термодатчика на АЦП, его измерение и определение по таблице пред­варительно "защитой" в ПЗУ (постоянное запоми­нающее устройство) ЭВМ;

работает источник измерительного излучения, выход измерительного фотоприемника через коммутатор присоединен к усилителю, на АЦП про­изводится измерение импульса U3И;

то же, но через коммутатор на АЦП подается импульс с выхода опорного фотоприемника U4И ;

работает эталонный источник излучения, выход измерительного фотоприемника через коммутатор присоединен к усилителю, на АЦП производится измерение импульса U1Э ;

то же, но через коммутатор на АЦП подается импульс с выхода опорного фотоприемника U2Э ;

измерение проводится N раз, после чего зна­чения усредняются и производится расчет величины О;

производится сравнение измеренной величины с табличными данными, хранящимися в ПЗУ, изме­ренная величина корректируется с учетом темпе­ратуры и определяется искомая концентрация, которая выводится на устройство регистрации 17, выполненный на основе жидкокристаллического индикатора ИЖЦ 18-4/7.

Таким образом, предлагаемый газоанализатор обеспечивает высокую точность измерений и чувствительность прибора в широком диапазоне рабочих температур, влажности и запыленности, за счет исключения зависимости измерений от тем­пературы, влажности и запыленности, а также за счет выполнения блока обработки сигналов одно-канальными, что значительно уменьшает погреш­ность электронной части прибора. Одновременно достигнуто значительное упрощение конструкции и надежность в эксплуатации, что позволяет ис­пользовать данный газоанализатор в полевых ус­ловиях

Формула изобретения патента №2109269

Оптический абсорбционный газоанализатор, содержащий источник электромагнитного излучения, с первой длиной волны   из области поглощения и второй волны  из области прозрачности анали­зируемого газа, расположенные по ходу его излу­чения газовую кювету с фокусирующим элементом, первый и второй фотоприемники, причем выход первого фотоприемника через первый усилитель соединен с первым входом блока обработки сиг­налов, выход второго фотоприемника через второй усилитель соединен соответственно с вторым входом блока обработки сигналов, включающего микроЭВМ, выход которой является выходом блока обработки сигналов и соединен с блоком регист­рации, отличающийся тем, что в газоанализатор дополнительно введен второй источник электромагнитного излучения с первой длиной волны  из области поглощений и второй длиной волны  из области прозрачности анализируемого газа, первый и второй оптические фильтры, пропускающие из­лучение с длиной волны  из области поглощения анализируемого газа, также третий и четвертый оптические фильтры, пропускающие излучение с длиной волны  прозрачности анализируемого газа, причем второй источник электромагнитного излу­чения установлен вне газовой кюветы за фотопри­емниками и оптически сопряжен с ними, оба фо­топриемника выполнены с возможностью регист­рации излучения при освещении их с двух проти­воположных сторон, кроме того, с двух противопо­ложных сторон первого фотоприемника по ходу излучения первого и второго источников электро­магнитных излучений установлены первый и второй оптические фильтры, с двух противоположных сторон второго фотоприемника по ходу излучения первого и второго источников электромагнитных излучений установлены третий и четвертый опти­ческие фильтры, газовая кювета выполнена в виде полости, фокусирующим элементом которой явля­ются  ее внутренняя поверхность со светоотра­жающим покрытием, блок обработки сигналов до­полнительно  содержит последовательно  соеди­ненные коммутатор входных импульсов, усилитель, аналого-цифровой преобразователь, а также до­полнительно  введена  схема управления токами источников электромагнитных излучений, причем первый и второй входы коммутатора входных им­пульсов являются первым и вторым входами блока обработки сигналов соответственно, выход анало­го-цифрового преобразователя соединен с входом микроЭВМ, первый управляющий выход которой соединен   с  управляющим  входом  коммутатора входных импульсов, а второй управляющий выход соединен с управляющим входом схемы управления токами  источников  электромагнитных  излучений, другой вход которой соединен с выходом второго фотоприемника, первый и второй выходы схемы управления токами источников излучения соеди­нены с первым и вторым источниками излучения соответственно.

Газоанализатор ПЭМ-2М [9]

Аналитический блок автоматизированного стационарного поста контроля химического состава выбросов ТЭС: окиси углерода (CO), углекислого газа (CO2), окислов азота (NOx ), двуокиси серы (SO2), кислорода (O2). Дополнительно регистрируются температура и давление. ПЭМ-2М - прибор непрерывного действия и может применяться как самостоятельно, так и в автоматизированных системах управления технологическим процессом котлоагрегата в качестве автоматизированного стационарного поста контроля за газовыми выбросами промышленных предприятий. В основу принципа измерения положен оптико-абсорбционный метод измерения поглощения инфракрасного излучения анализируемым газовым компонентом смеси.

Сервисные возможности газоанализатора:

CO

0..4000 ppm

SO2

0..800 ppm

NO

0..2000 ppm

NO2

0..1000 ppm

O2

0..21 %об.

H2O

0..100 г/м3

Аналитический блок

Габариты

514x290x330 мм

Масса

12 кг

Блок пробоподготовки

Габариты

510x280x316 мм

Масса

10 кг

·           одновременная индикация всех измеряемых значений на дисплее и распечатка их на встроенном минипринтере;

·           проведение длительных измерений в автоматическом режиме;

·           запоминание с заданной скважностью результатов измерения и передача их через RS-232 интерфейс на персональный компьютер;

·           автоматическая "самодиагностика" прибора.x

Газоанализатор комплектуется подогреваемым пробоотборным зондом с датчиком температуры анализируемой пробы и блоком пробоподготовки для эффективной очистки и осушки исследуемой газовой смеси. Промышленные испытания ПЭМ-2М показали высокую воспроизводимость результатов измерения концентрации токсичных ингредиентов дымовых выбросов ТЭС, а также надежную вибро- и помехозащищённость используемого газоаналитического оборудования. Сертификат об утверждении типа средств измерений RU.C.31.001.A №8327 зарегистрирован в Гос.реестре средств измерений под №19341-00.

Автоматизированный стационарный пост контроля (АСПК)

CO

0..2000 ppm

CO2

0..10 %об.

SO2

0..2000 ppm

NO

0..2000 ppm

NO2

0..2000 ppm

H2

0..100 мг/м3

O2

0..21 %об.

Автоматизированный стационарный пост контроля (АСПК) разработан на основе оптико-абсорбционного газоанализатора ПЭМ-2М для непрерывного определения химического состава уходящих газов тепловых станций. Использование АСПК позволяет эффективно и на новом качественном уровне решать задачи контроля сжигания топлива, оптимизации режимов работы топливосжигающих установок, определении экологических параметров технологических установок. Сопоставляя зарегистрированные выбросы высокой концентрации, можно установить причину выброса, минимизировать или устранить возможные дальнейшие выбросы.АСПК состоит из измерительного блока, в который входит оптико-абсорбционный газоанализатор ПЭМ-2М для измерения СО2, СО, NОx и SO2, газоанализатор О2 , газоанализатор Н2 и блока регистрации, куда передаются через последовательный интерфейс измеренные данные. Программное обеспечение позволяет представить данные в виде таблиц, графиков и гистограмм. Дополнительно регистрируются температура уходящих газов, разрежение в газоходе, рассчитываются коэффициент избытка воздуха и к.п.д. котла.

Промышленные испытания АСПК показали высокую воспроизводимость результатов измерения концентрации токсичных составляющих дымовых выбросов ТЭС, а также надежную вибро- и помехозащищённость используемого газоаналитического оборудования. Сертификат об утверждении типа средств измерений RU.C.31.001.A №8327 зарегистрирован в Гос.реестре средств измерений под №19341-00.

Преимущества АСПК:

·           непрерывное измерение концентраций газов, температуры, давления

·           выдача отчётности по выбросам вредных веществ с помощью системы сбора и обработки данных,

·           возможность измерять экстремальные выбросы концентраций в дымовом газе,

·           отсутствие сменных элементов,

·           приемлемая цена.

В измерительный блок АСПК входит анализатор на основе газоанализатора ПЭМ-2М, газоанализатор О2, газоанализатор Н2, блок пробоподготовки. Принцип действия прибора основан на оптико-абсорбционном методе измерения поглощения инфракрасного излучения анализируемым газовым компонентом смеси. Селективность осуществляется за счёт использования узкополосных интерференционных фильтров. Используемый метод гарантирует высокую точность результатов измерений и длительный срок работы прибора без замены измерительных узлов и дополнительной калибровки.

Выносной регистрирующий блок АСПК работает на расстоянии до 2 км от измерительного блока. Полученные данные представляются в виде таблицы и графиков. Данные хранятся в файлах и могут быть распечатаны в удобном для пользователя виде.

Индикация данных осуществляется просто, наглядно и удобно.

Вывод

Развитее ЭВМ позволяет увеличить надёжность и точность оптических газоанализаторов, а новые разработки в области микро электроники позволяют снизить габариты и стоимость приборов не изменив их характеристики. Развитие этого направления в измерительной техники очень перспективно из-за большой точности методов.

Список литературы

1)    Сталь 2000 2

2)    Климовицкий М.Д. Автоматизация методических  печей  Москва Металлургия 1981

3)    Аманназаров  А. Методы и приборы для определения кислорода Москва Химия 1988 

4)    www.hot.ee/aslot/gas.html

5)    Профос П. Измерения в промышленности справочник в 3-х книгах Москва Металлургия 1990

6)    Немец В.М. Спектральный анализ не органических газов Химия Ленинградское отделение 1988

7)    Reid J. et al// Apll. Opt. 1978.5.17 №2

8)    Патент № RU 2109269 РНИИ Электронстандарт

9)    www.promanalyt.ru

10)  http://www.elstandart.spb.ru


© 2012 Рефераты, курсовые и дипломные работы.