рефераты
Главная

Рефераты по рекламе

Рефераты по физике

Рефераты по философии

Рефераты по финансам

Рефераты по химии

Рефераты по хозяйственному праву

Рефераты по цифровым устройствам

Рефераты по экологическому праву

Рефераты по экономико-математическому моделированию

Рефераты по экономической географии

Рефераты по экономической теории

Рефераты по этике

Рефераты по юриспруденции

Рефераты по языковедению

Рефераты по юридическим наукам

Рефераты по истории

Рефераты по компьютерным наукам

Рефераты по медицинским наукам

Рефераты по финансовым наукам

Рефераты по управленческим наукам

Психология и педагогика

Промышленность производство

Биология и химия

Языкознание филология

Издательское дело и полиграфия

Рефераты по краеведению и этнографии

Рефераты по религии и мифологии

Рефераты по медицине

Рефераты по сексологии

Рефераты по информатике программированию

Краткое содержание произведений

Реферат: Технологические и экономические аспекты производства диметилового эфира терефталевой кислоты

Реферат: Технологические и экономические аспекты производства диметилового эфира терефталевой кислоты

Министерство Общего и профессионального образования Российской федерации

Ярославский Государственный Технический Университет


КАФЕДРА "ХИМИЯ И ТЕХНОЛОГИЯ ОРГАНИЧЕСКИХ ВЕЩЕСТВ"


Реферат

защищена с оценкой

___________________


Руководитель

к.х.н., доцент:

Григоричев А. К.

__________________


Курсовая работа по дисциплине "ХИМИЯ И ТЕХНОЛОГИЯ ОРГАНИЧЕСКИХ ВЕЩЕСТВ".


Технологические и экономические аспекты получения диметилового эфира терефталевой кислоты.


Работу выполнила

студентка группы ЭХМ-40

Тарасова Ю.В._________

12.01.98.


ЯРОСЛАВЛЬ 1998 г.

Реферат.

27 с., 9 табл., 4 рис., 10 библ.


ДИМЕТИЛОВЫЙ ЭФИР ТЕРЕФТАЛЕВОЙ КИСЛОТЫ, ДИМЕТИЛТЕРЕФТАЛАТ, ТЕРЕФТАЛЕВАЯ КИСЛОТА, СПОСОБЫ ПРОИЗВОДСТВА, ПАРАКСИЛОЛ, РЕКТИФИКАЦИЯ, ЦЕЛЕВОЙ ПРОДУКТ, ПОБОЧНЫЕ ПРОДУКТЫ, СЕБЕСТОИМОСТЬ ПРОИЗВОДСТВА, ТЕХНОЛОГИЧЕСКАЯ СХЕМА.


В работе производится анализ литературных данных о различных способах производства диметилового эфира терефталевой кислоты различными способами в России и зарубежом. Диметилтерефталат используется как мономер для производства полиэфирных волокон, пленок, формующихся пластмасс и других полиэфирных материалов. Наиболее часто в промышленности используют различные методы получения терефталевой кислоты и ее этерификации в диметилтерефталат. В реферате приводятся технологические схемы производства диметилового эфира терефталевой кислоты и себестоимость производства одной тонны целевого продукта различными способами. Перспективы развития промышленного производства диметилтерефталата приведены в работе также.

Содержание.


Список сокращений. 4

Ведение 5

1. ОБЩИЕ СВЕДЕНИЯ О МЕТОДАХ ПРОИЗВОДСТВА ДИМЕТИЛОВОГО ЭФИРА ТЕРЕФТАЛЕВОЙ КИСЛОТЫ. 7

2. Сравнительные характеристики промышленных методов производства диметилтерефталата. 9

3. Способы производства диметалтерефталата. 10

3.1 СПОСОБ ФИРМЫ «DUNAMIT NOBEL» (Германия) 10

3.2 СПОСОБ ФИРМЫ «MITSUI PETROCHEMICAL» (ЯПОНИЯ) 12

3.3. СПОСОБ ФИРМЫ «EASTMAN KODAK» (США). 13

3.4. СПОСОБ ФИРМЫ «WITTEN» (Германия) 14

3.5. ТЕХНОЛОГИЧЕСКИЙ ПРОЦЕСС ПРОИЗВОДСТВА ДИМЕТИЛОВОГО ЭФИРА ТЕРЕФТАЛЕВОЙ КИСЛОТЫ В РОССИИ ПО СПОСОБУ ФИРМЫ «WITTEN». 15

4. Экономика производства. 16

5. СРАВНИТЕЛЬНАЯ ОЦЕНКА ЗАТРАТ В ПРОИЗВОДСТВЕ. 16

5.1. Анализ промышленных методов производства диметилового эфира терефталевой кислоты. 21

6. Методы утилизации побочных продуктов. 23

7. Технические требования к готовому продукту. 23

8. Области применения продукта. 23

9. Развитие производства сырья. 23

10. Структура капитальных вложений. 24

11. Технико-экономические показатели производства диметилтерефталата в России. 24

12. Оптовые цены. 24

13. Экологическая перспектива. 25

14. Возможности замены продукта другими материалами. 25

15. Экспертный прогноз 25

Заключение. 28

Список использованной литературы. 30


Список сокращений.


1.ДМТ - диметиловый эфир терефталевой кислоты.

2. ТФК - терефталевая кислота.

3. ДМИ - диметиловый эфир изофталевой кислоты.

4. п-ТК - паратолуиловая кислота.


Ведение

Название продукта: диметилтерефталат.

Синонимы названия: диметиловый эфир терефталевой кислоты.

Молекулярный вес:194.19 г/моль;

Формула: C6H4(COOCH3)2

Физико-химические свойства

Внешний вид: бесцветные кристаллы призматической формы

tпл=140-1410С, d(200C)=163, хорошо растворяется в горячей воде, растворяется в спирте, эфире, бензоле, ацетоне.[1]

Диметиловый эфир терефталевой кислоты является одним из важнейших химических продуктов, используемых для производства полиэфирных волокон, полиоксадиазолов, полибензимидазолов, алкидных смол и пластификаторов. Полиэфирные волокна находят все большее применение в технике и в быту. Сравнительно высокий модуль наряду с большой прочностью, относительно высокой термостойкостью, а также высокие диэлектрические характеристики позволяют применять полиэфирные материалы для производства шинного корда, транспортерных лент, приводных ремней, парусов, пожарных рукавов, электроизоляционных и других материалов.

Благодаря высокой устойчивости к сминанию и способности сохранять форму, хорошему внешнему виду и достаточно низкой стоимости полиэфирные волокна в чистом виде или в смеси с другими волокнами используют для изготовления широкого ассортимента товаров народного потребления: платяной и костюмной тканей, верхнего трикотажа, занавесей, постельного белья, изделий из искусственной замши и искусственного меха.

Приведенные выше свойства полиэфирных волокон обусловили наиболее крупнотоннажное производство по сравнению с производством волокон других видов.

Важнейшими мономерами для производства полиэфирных волокон являются ТФК и ДМТ. Одновременно они являются конкурентами за право считаться основным исходным мономером.

До середины восьмидесятых годов производство диметилтерефталата было намного больше, чем производство терефталевой кислоты. Но в последнее десятилетие были разработаны способы получения ТФК высокой частоты, поэтому сейчас производство обоих материалов находится на довольно высоком уровне.

Промышленные методы производства ДМТ, их экономические и технологические аспекты, их преимущества и недостатки рассматриваются в данной курсовой работе.


1. ОБЩИЕ СВЕДЕНИЯ О МЕТОДАХ ПРОИЗВОДСТВА ДИМЕТИЛОВОГО ЭФИРА ТЕРЕФТАЛЕВОЙ КИСЛОТЫ.

Первые заводы по производству ДМТ появились в 1954 г., и вплоть до 1963 г. диметилтерефталат являлся практически единственным мономером, используемым для получения полиэфирных волокон. Это было обусловлено тем, что процессы производства, разработанные до 1963 г., не позволяли получать ТФК мономерной степени чистоты. Поэтому из нее вырабатывали ДМТ, который благодаря своей сравнительно низкой температуре кипения легко подвергается очистке методом дистилляции и кристаллизации. В дальнейшем ДМТ путем переэтерификации превращали в полиэтилентерефталат и использовали для получения полиэфирных материалов.

В настоящее время разработаны процессы, позволяющие получать ТФК высокой степени чистоты; однако наряду с увеличением производства ТФК возрастает и производство ДМТ. Тенденция к развитию производства ДМТ наблюдается, несмотря на то что оно усложнено стадиями этерификации кислот и регенерации метанола, а также несмотря на то, что на производство 1 т полиэтилентерефталата требуется 0,87 т ТФК или 1,01 т ДМТ. Это объясняется следующим. Получение ТФК мономерной степени чистоты осложнено использованием в технологии ее производства сильноагрессивных веществ - уксусной кислоты и брома, для которых требуется специальное аппаратурное оформление - применение титана и специальных сталей, а также необходимостью использования дорогостоящих методов очистки.

Кроме того, полиэтилентерефталат, полученный на основе ТФК, не всегда может быть использован для производства высококачественных полиэфирных волокон, а полученный методом переэтерификации ДМТ легко перерабатывается в волокно, пленки, формующиеся пластмассы и другие материалы. В то же время для производства ДМТ не требуются специальные коррозионно-стойкие конструкционные материалы и сложное аппаратурное оформление. Поэтому многие фирмы предпочитают получать волокно на основе ДМТ [2, 3].

Существует несколько видов технологических схем получения ДМТ. В основном они различаются по способам получения ТФК, которые целиком определяются сырьевыми возможностями той или иной страны. Многие из этих способов используют в промышленности для получения собственно ТФК и для перевода ее этерификацией в диметиловый эфир. Качество ТФК как исходного продукта для синтеза ДМТ во многом определяет и качество сырого диметилтерефталата, наличие в нем различных примесей и побочных продуктов. Так, ДМТ на основе ТФК, полученной при окислении п-ксилола или диизопропилбензола азотной кислотой, содержит значительное количество нитросоединений; ДМТ на основе п-цимола - большое количество побочных продуктов [3, 4] и т.д.

Существует способ производства ДМТ из п-толуиловой кислоты, которую получают окислением п-ксилола воздухом [5]. Процесс осуществляют по схеме:

В связи с развитием нефтехимической промышленности и значительным увеличением производства п-ксилола в известной степени утратили свое практическое значение способы получения ДМТ из толуола и п-цимола. Все большее значение приобретают процессы, позволяющие получать ТФК методом жидкофазного каталитического окисления п-ксилола с последующей ее этерификацией метанолом до ДМТ.

В настоящее время довольно много крупных фирм в мире работают над проблемой получения ДМТ в основном двумя путями: 1) этерификация метанолом «сырой» ТФК (американские фирмы «Eastman Kodak», «Du Pont», японские «Toray Industries», «Kararay Vuka» и др. [6]); 2) окисление п-ксилола до п-ТК, ее этерификация метанолом, последующее окисление метильной группы до кислотной и превращение в ДМТ или совместное окисление п-ксилола, метилового эфира п-ТК и монометилового эфира ТФК и последующая их этерификация.

Процесс получения ДМТ постоянно развивается, усовершенствуется, модернизируется [6]. Ниже приводятся некоторые способы получения ДМТ.

1) Каталитическое окисление п-ксилола до образования п-толуиловой кислоты и монометилтерефталата с последующей этерификацией образовавшихся продуктов метанолом происходит по схеме:

2С6H4(CH3)2 +О2-----> C6H4(CH3)COOH-1,4 + C6H4(COOH)COOCH3-1,4

п-ксилол кат n-толуиловая кислота монометилтерефталат

CH3OH

C6H4(CH3)COOH + C6H4(COOH)COOCH3-1,4 ------> C6H4(COOCH3)2-1,4

n-толуиловая монометалтерефталат диметилтерефталат

кислота

2) Каталитическое окисление п-ксилола до образования терефталевой кислоты с последующей этерификацией метанолом происходит по схеме:

+О2,кат

С6H4(CH3)2 --------> C6H4(COOH)2-1,4

n-ксилол терефталевая

кислота


t,Р

C6H4(COOH)2-1,4 + 2CH3OH -----> C6H4(COOCH3)2-1,4 + 2H2O

терефталевая диметилтерефталат

кислота


2. Сравнительные характеристики промышленных методов производства диметилтерефталата.


Сырьем для получения ДМТ служит п-ксилол. В основе всех процессов, используемых для синтеза ДМТ, лежит метод Виттен, предложенный в первоначальном варианте фирмой Chemische Werke Witlen GmbH (Германия). В дальнейшем процесс был модифицирован различными фирмами с целью улучшения его экономических показателей. Самый распространенный процесс разработан фирмой Dynamit Nobel AG (Германия). Применение данной фирмой нового катализатора (кобальто-марганцевый) окисления п-ксилола позволило проводить реакции окисления и этерификации без растворителей. При этом удалось снизить издержки производства и получить более высокий выход продукта. Согласно процессу фирмы Dynamit Nobel смесь п-ксилола и возвратного п-метилтолуилата окисляют воздухом при температуре 140-1700С и давлении 0.4-0.8 МПа в присутствии катализатора на основе тяжелого металла с образованием п-толуиловой кислоты и монометилтерефталата. Продукты окисления подвергают этерификации метанолом при температуре 250-2800С и давлении 2.0-2.5 МПа. Сырой ДМТ, отбираемый снизу ректификационной колонны очищают перекристаллизацией из метанола, центрифугируют и перегоняют с получением ДМТ сорта "для волокна" .Представляет интерес технология, разработанная японской фирмой "Мицуи сэкию кагаку", по которой получают ДМТ через промежуточную стадию синтеза ТФК. Реакцию этерификации терефталевой кислоты в ДМТ проводят в три стадии. Hа первой - реакция протекает при высоких температурах и давлении. При этерификации в одну стадию для достижения высокой степени конверсии необходимо использовать большой избыток метанола, что экономически нецелесообразно. В процессе "Мицуи" на первой стадии этерификации степень конверсии поддерживается низкой при минимальном избытке метанола. Hа второй и третьей стадии достигают высоких степеней конверсии за счет удаления из реакционной системы ДМТ и образующейся в ходе реакции воды. Значительным усовершенствованием процесса "Мицуи" является применение новой технологии очистки сырого ДМТ, включающей реакцию окисления и фракционирования, вместо кристаллизации, что позволяет значительно увеличить выход продукта и сократить примеси[6,7].


Таблица 1

.Расход основного сырья производства 1 т диметилтерефталата.

______________________________________________________________________

Процесс Процесс

Ф.Dynamit Ф."Мицуи сэкию

Nobel кагаку"

______________________________________________________________________

Сырье и материалы

п-ксилол,т 0.61 0.566

метанол,т 0.05 0.360

уксусная кислота,т - 0.04


Энергозатраты

электроэнергия,кВт.ч 500 380

топливо,ГДж 420 490

______________________________________________________________________

3. Способы производства диметалтерефталата.

3.1 СПОСОБ ФИРМЫ «DUNAMIT NOBEL» (Германия)


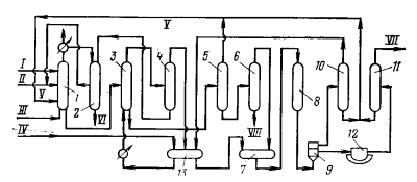
Фирма «Dunamit Nobel» получает ДМТ, пригодный для производства синтетических полиэфирных волокон, из п-ксилола и метанола по схеме, изображенной на рис.1.


Рис.1. Технологическая схема процесса синтеза ДМТ из п-ксилола и метанола:

1 — реактор окисления; 2 — отстойник; 3 — реактор этерификации: 4, 5,6— колонны ректификации; 7—аппарат для растворения; 8— кристаллизатор; 9—центрифуга; 10, 11—колонны; 12.— плавильник ДМТ; 1З—емкость. I—катализатор; II—п-ксилол; III—воздух; IV— метанол; V—п-метилтолуилат; VI-стоки; VII—чистый ДМТ;

VIII— кубовый остаток.


В реактор окисления 1 подают п-ксилол, п-метилтолуилат, катализатор. Туда же подводят воздух. Окисление проводят без добавления растворителя при 140—170 °С и 4-8·105Па. Образующаяся по реакциям (4) смесь п-толуиловой кислоты и монометилтерефталата (оксидат) поступает на этерификацию в реактор 3, куда подают метанол. Процесс идет по схеме:


(4)


Этерификация протекает в избытке метанола при 250—280 °С и20—25-105Па:


(5)


Избыток метилового спирта удаляют из зоны реакции через верх реактора этерификации 3, подвергают ректификации в колонне 4 и возвращают в цикл. Кубовый остаток из ректификационной колонны 4 и конденсат легкокипящих компонентов, которые отводят через верх реактора окисления 1, направляют в отстойник 2. Здесь происходит смешение и разделение двух фаз на органическую и водную. Органический слой возвращается на окисление, а водный направляется в стоки.

Оксидат после его этерификации в реакторе 3 подают в ректификационные колонны 5 и 6, в колонне 5 отгоняется п-метилтолуилат, который направляется в реактор окисления 1, а в ректификационной колонне 6 «сырой» диметиловый эфир отделяется от высококипящих соединений. ДМТ-сырец выводят через верх колонны 6 и направляют на дальнейшую очистку. В аппарате 7 растворяют ДМТ-сырец в метаноле, после чего подвергают его кристаллизации в аппарате 8. Выпавшие кристаллы ДМТ отделяют от маточного раствора на центрифугах 9 и направляют в плавильный аппарат 12. Расплавленный ДМТ подвергают дальнейшей очистке в ректификационной колонне 11, чистый ДМТ выводят через верх колонны 11, а в кубе концентрируются высококипящие соединения.

Маточный раствор после центрифуги 9 поступает в колонну 10, а остаток объединяют с кубовой жидкостью колонны 11 и возвращают в реактор окисления 1; выделенный метанол возвращают в процесс.

3.2 СПОСОБ ФИРМЫ «MITSUI PETROCHEMICAL» (ЯПОНИЯ)


Фирма «Mitsui Petrochemical» усовершенствовала процесс получения высокочистого ДМТ из ТФК. и метанола. Технологическая схема этого процесса показана на рис.2.

Рис. 2. Схема процесса производства ДМТ по технологии фирмы «Mitsui Petrochemical»:

1-подогреватель; 2, 5-ректификационные колонны; 3-реактор этерификации;

4-подогреватель-испаритель; 6-колонна термолиза;7, 8-вакуумные ректификационные колонны; 9-сборник;I-метанол; II-смесь метанола и технической ТФК; III-вода;

IV-легколетучие компоненты; V-тяжелая фракция; VI- чистый ДМТ.


Смесь технической ТФК и метанола из подогревателя 1 направляют в реактор этерификации 3 специальной конструкции, где при повышенных температуре и давлении происходит реакция этерификации. Продукты реакции поступают в подогреватель-испаритель 4, где снижают давление, реакционную смесь нагревают и направляют в колонну 5 для отгонки избытка метанола и реакционной воды, которые непрерывно отводят в ректификационную колонну 2. В этой колонне отделяют воду, а метанол возвращают в процесс. ДМТ-сырец из куба колонны 5, содержащий различные примеси, которые трудно отделимы при простой ректификации, специально обрабатывают в колонне термолиза 6, в результате чего указанные примеси превраща­ются в соединения, легко отделяемые при ректификации,

Далее ДМТ-сырец направляют в вакуумные ректификационные колонны 7 и 8. В колонне 7 отделяются легколетучие, а в колонне 8—тяжелые компоненты. Очищенный ДМТ через верх колонны 8 выводится в сборник 9. Выход диметилтерефталата из технической ТФК составляет более 98,0 %. По описанной технологии действуют установки мощностью 30 и 120 тыс.т в год.


3.3. СПОСОБ ФИРМЫ «EASTMAN KODAK» (США).


Фирма «Eastman Kodak» разработала технологический процесс производства ДМТ, аналогичный предыдущему технологическая схема показана на рис. 3

Рис.3. Схема процесса производства ДМТ по технологии фирмы «Eastman Kodak»:

1-реактор этерификации; 2-подогреватель; З-отпарная колонна; 4-колонна ректификации метанола; 5,6,7-ректификационные колонны; I-метанол; II-ТФК;
III-пульпа; IV-ДМТ-сырец; V-вода; VI-рецикл метанола; VII-легкокипящие примеси; VIII-тяжелый остаток в рецикл; IX-чистый ДМТ.


Этерификацию технической ТФК метанолом осуществляют в отсутствии катализатора. Конструкция реактора в системе ректификации ДМТ обеспечивает экономичность процесса и способствует образованию небольшого количества побочных продуктов (отходов). Метанол и техническую ТФК направляют в подогреватель 2, откуда пульпа поступает в реактор этерификации 1. ДМТ-сырец в отпарной колонне 3 отделяется от метанола, который после ректификационной колонны 4 возвращают в рецикл, а воду из куба колонны 4 сбрасывают в канализацию.

ДМТ-сырец из отпарной колонны 3 поступает в ректификационные колонны 5 - 7, в которых отгоняют легкокипящие примеси и тяжелые остатки. Чистый ДМТ, выходящий с верха ректификационной колонны 7, направляется на затаривание.


3.4. СПОСОБ ФИРМЫ «WITTEN» (Германия)


Из всех перечисленных выше способов доминирующим в производстве диметилтерефталата стал способ, разработанный фирмой «Chemische Werke Witten» и осуществленный в промышленном масштабе фирмой «lrnhausen International» (Германия). По этому способу в настоящее время выпускают в мире более 40,0% от общего производства ДМТ.

Описываемый способ вначале осуществляли в две стадии. На первой стадии п-ксилол окисляли кислородом воздуха при 130-140°С до п-толуиловой кислоты, которую этерифицировали метанолом. Оставшуюся неокисленной метильную группу в молекуле метилового эфира п-толуиловой кислоты подвергали дальнейшему окислению при 200°С в присутствии кобальтовой соли легких погонов жирных кислот в качестве катализатора и получали монометиловый эфир ТФК. При этом эфирная группа в п-метилтолуилате не разрушалась. В дальнейшем монометиловый эфир ТФК этерифицировали и очищали.

Процесс получения ДМТ постоянно изменяется и усовершенствуется. В результате синтез ДМТ стали проводить путем совместного окисления п-ксилола и метилового эфира п-толуиловой кислоты кислородом воздуха в одну стадию до п-ТК, терефталевой кислот и монометилового эфира ТФК с последующей их этерификацией; недоокисленные продукты возвращали на стадию окисления (ДМИ-диметиловый эфир изофталевой кислоты) (рис. 4).


Рис. 4. Технологическая схема производства ДМТ способом фирмы «Witten» (Германия).

3.5. ТЕХНОЛОГИЧЕСКИЙ ПРОЦЕСС ПРОИЗВОДСТВА ДИМЕТИЛОВОГО ЭФИРА ТЕРЕФТАЛЕВОЙ КИСЛОТЫ В РОССИИ ПО СПОСОБУ ФИРМЫ «WITTEN».


В России диметилтерефталат производят по способу «Witten». Этот процесс, включающий совместное окисление п-ксилола и метилового эфира п-толуиловой кислоты с последующей этерификацией продуктов окисления, состоит из следующих основных стадий:

1) окисление п-ксилола и метилтолуилата;

2) этерификащия;

3) дистилляция сырого эфира (ДМТ);

4) кристаллизация ДМТ;

5) дистилляция ДМТ;

6) чешуирование и упаковка готового продукта[4].

В России диметилтерефталат производят в наибольших объемах на следующих химических предприятиях

-АО" Уфанефтехим";

-Ангарский химический завод;

-ПО "Химволокно" (г. Могилев).

Места производства продукта обусловлены наличием исходного сырья и необходимых технологических установок[10].


4. Экономика производства.


В настоящее время химические волокна используют в самых различных областях - от товаров широкого потребления до космической техники. В период 1980-1992 гг. на долю химических волокон приходилось около 40% от всего потребления текстильного сырья в различных странах, а в наиболее развитых - до 50-60% [1]. В связи с созданием крупнотоннажных производств синтетических волокон на их долю приходится более 70% всего выпуска химических волокон,. а в таких странах, как США и Германия,- почти 90% [9].

Литературные сведения о технико-экономических показателях существующих производств синтетических волокон и мономеров для ДМТ - весьма ограничены. Однако на основании имеющихся данных о строительстве заводов можно судить о тенденциях развития некоторых способов. получения указанного продукта.


5. СРАВНИТЕЛЬНАЯ ОЦЕНКА ЗАТРАТ В ПРОИЗВОДСТВЕ.


Анализ капиталовложений в производство синтетических волокон и мономеров для них в развитых странах показывает, какое большое внимание в настоящее время уделяется этим производствам в США, Германии, Японии и других странах.

Особое место среди синтетических волокон занимают полиэфирные, известные на мировом рынке под торговыми марками терилен, дакрон, лавсан и др. Из этих полиэфиров получают волокна, корд, пленку и другие промышленные изделия. На долю полиэфирных волокон в 80-х гг. приходилось (% от общего объема вырабатываемых синтетических волокон): в США - 51, в Германии - 54, в Японии - 40. Поскольку исходным сырьем для полиэфиров служат диметилтерефталат и терефталевая кислота, расширение производства полиэфирных волокон влечет за собой увеличение потребления этих мономеров, а следовательно, и мощностей по их производству.

Потребление ДМТ в США характеризуется следующими данными (в млн. фунтов/год) [5].


Таблица 2.

Потребление диметилтерефталата в США(кг/год).

Сфера потребления 1980 1982 1987 1990 1993

Полиэфирные волокна

Полиэфирная пленка Полибутилентерефталат

Полиэфирная смола

Экспорт

744341

59420

-

-

86182

1484600

114304,7

7711,03

-

122469,3

1514990,6

117933,4

8164,62

453,59

113397,5

2225766,1

181436

31751,3

16329,24

136077

3122059,9

278957,85

7831,84

45359

158756,5

Итого 889943,58 1729085 1754939,7 2591359,6 3684965,1

Примечание. На 1 фунт полиэфирного волокна расходуется (в фунтах): ДМТ - 1,12; полиэфирной пленки - 1,11; полибутилентерефталата - 0,88; полиэфирной смолы - 1,09.


В связи с обострением конкурентной борьбы за рынки сбыта производители волокон, а также производители мономеров для них не только расширяют свои производства, но совершенствуют и интенсифицируют технологические процессы. Этому способствует перестройка периодических процессов на непрерывные, а также сокращение расходов на исходное сырье, на долю которого приходятся основные затраты. Одно из мероприятий по совершенствованию процессов - замена диметилтерефталата в производстве полиэфиров на терефталевую кисло­ту. Это стало возможным после разработки способов получения терефталевой кислоты высокой степени чистоты.

Если принять цены на диметилтерефталат и терефталевую кислоту равными, то стоимость изготовления волокна на основе ТФК непрерывным способом будет на 15% ниже, чем из ДМТ, и на 20% ниже стоимости производства волокна на основе диметилтерефталата периодическим способом

В 1993 г. суммарные мощности по производству терефталевой кислоты и диметилтерефталата в США достигли 2,8 млн./т, из них около 1,1 млн./т приходится на долю волокнообразующей терефталевой кислоты. В Японии доля ДМТ в. суммарном объеме ТФК и ДМТ - 66 процентов в 1993г. В Западной Европе доля ДМТ в производстве полиэфирных волокон равнялась 80% в 1992 г. и 68 % в 1993 г. Доля диметилтерефталата в производстве полиэфирных волокон во всем мире с 1985-1993 гг, составила 89%. производства терефталевой кислоты и диметилтерефталата [3].

Ниже приводятся данные о производстве терефталевой кислоты и диметилтерефталата в некоторых странах [5].


Таблица 3.

Производство ДМТ.

Страна

Пр-во тыс. т в год

Год
Бразилия 60 1991
Германия 130 1993
Италия 140 1992
Индия 45 1992
Турция 60 1991
КНР 90 1990
Россия 50 1991

Использование исходного сырья различного вида диктуется наличием его в стране, его стоимостью и возможностью получения Диметилового эфира высокого качества (или сорта для волокна) [2,5]. Поскольку основную долю стоимости волокна составляет исходное сырье, стоимость ДМТ имеет первостепенное значение.


Ниже приводятся данные по себестоимости производства ДМТ различными способами на основе разнообразного сырья.

Таблица 4

Себестоимость производства ДМТ по способу фирмы "DUNAMIT NOBEL" Германия.

Статьи расхода Себестоимость производства 1 тонны Диметилтерефталата, фунт стерлинг.
Сырье и материалы
п-ксилол 36,1
п-метилтолуилат 14,9
кислород 4,0
метанол 12,3
химикаты и катализатор 8,9
Энергетические затраты, ремонт и содержание оборудования, зарплата производственных рабочих, общезаводские расходы

30,6

Амортизация 20,1
Итого: 126,9
Мощность установки, тыс. т в год 25 тыс. тонн в год

Таблица 5.

Себестоимость производства ДМТ по способу фирмы «MITSUI PETROCHEMICAL» (ЯПОНИЯ)

Статьи расхода Себестоимость производства 1 тонны Диметилтерефталата, фунт стерлинг.
Сырье и материалы
техническая ТФК 55,3
метанол 25,6
химикаты и катализатор 10.1
Энергетические затраты, ремонт и содержание оборудования, зарплата производственных рабочих, общезаводские расходы 20,9
Амортизация 19.8
Итого: 131.7
Мощность установки, тыс. т в год 30 тыс. тонн в год

Таблица 6.

Себестоимость производства ДМТ по способу фирмы «EASTMAN KODAK» (США).

Статьи расхода Себестоимость производства 1 тонны Диметилтерефталата, фунт стерлинг.
Сырье и материалы
техническая ТФК 60,9
метанол 30,7
Энергетические затраты, ремонт и содержание оборудования, зарплата производственных рабочих, общезаводские расходы

21,8

Амортизация 10,4
Итого: 123,8
Мощность установки, тыс. т в год 30 тыс. тонн в год

Таблица 7.

Себестоимость производства ДМТ, полученного по способу «Witten» на заводе мощностью 25 тыс. т в год:

Статьи расхода Себестоимость производства 1 тонны Диметилтерефталата, фунт стерлинг.
Сырье и материалы
п-ксилол 37,6
метанол 12,3
химикаты и катализатор 4,6
Энергетические затраты, ремонт и содержание оборудования, зарплата производственных рабочих, общезаводские расходы

35,0

Амортизация 18,7
Итого: 108,2

Из таблиц 4-7 - видно, что самым дешевым способом является способ фирмы "WITTEN". Чтобы ДМТ мог конкурировать с ТФК, его цена должна быть на 14% ниже продажной цены ТФК, так как для получения 1 т полиэфирного волокна требуется

1,01 т ДМТ и 0,87 т ТФК [5]. Однако, в большинстве случаев, цена на ДМТ выше, чем на ТФК. Тем не менее ДМТ до сих пор выпускают, процесс постоянно совершенствуется и мощности наращиваются. Это объясняется тем, что очистка ДМТ, вырабатываемого по способу «Witten», практически .не представляет никаких трудностей, в то время как очистка сырой ТФК весьма затруднена. Процесс очистки чрезвычайно трудоемкий, для него требуется специальный растворитель (в зависимости от вида очистки) и специальное оборудование. Кроме того, при получении самой ТФК используют уксусную кислоту и бромсодержащие соединения - они создают сильнокоррозионную среду, в связи с чем требуется оборудование, изготовленное из специальных сталей или армированное титаном.

В то же время себестоимость ДМТ практически несколько ниже приведенной в таблицах 4-7, и мономер не загрязняется продуктами коррозии. Все это позволяет ДМТ, полученному по способу «Witten», успешно конкурировать с ТФК в качестве сырья для производства полиэфирных волокон.

5.1. Анализ промышленных методов производства диметилового эфира терефталевой кислоты.


Описанные выше способы промышленного производства диметилового эфира терефталевой кислоты имеют ряд особенностей ( преимуществ и недостатков друг перед другом).


Таблица 8.

Преимущества и недостатки различных технологий производства диметилтерефталата.

Название фирмы

Преимущества

Недостатки

"DUNAMIT NOBEL":

1. введен новый катализатор (Co-Mn);

2. процесс проходит без растворителей;

3. низкие издержки;

4. высокий выход (95 %);

5. небольшой расход сырья по сравнению со вторым методом.

1. Используют катализатор на основе тяжелых металлов;

2. сложная технологическая схема;

3. сложен процесс очистки;

4. больше видов исходного сырья, чем в других методах.

6. сложен процесс очистки ДМТ;

5. процесс проводят при повышенной температуре и давлении.

«MITSUI PETROCHEMICAL»:

1. высокая степень конверсии на второй и третьей стадии;

2. передовая технология очистки сырого ДМТ;

3. высокий выход (98 %);

4. мало примесей в целевом продукте;

5. всего два исходных компонента;

6. простая технологическая схема.

1. требует больше затрат энергии и тепла;

2. идет в три стадии;

3. используется избыток метанола;

4. образуется много побочного продукта (вода);

5. на первой стадии степень конверсии низкая.

«EASTMAN KODAK»:

1. без катализатора;

2. более дешев, чем второй процесс;

3. мало побочных продуктов;

4. простое технологическое оформление;

5. высокий выход (97 %);

6. исходное сырье самое дешевое.

1. ограничены объемы выпуска продукта;

2. дополнительные издержки связаны с утилизацией отходов.

«WITTEN»:

1. процесс проводят при повышенных температурах, но они ниже, чем в других процессах;

2. одна стадия;

3. простое технологическое оформление;

4. требуется меньше всего исходного сырья;

5. процесс самый дешевый по всем показателям.

1. используются сложные катализаторы;

2. могут получаться недоокисленные продукты (ДМИ).


Преимущества и недостатки методов с точки зрения экономики несут с собой либо дополнительные расходы, либо приносят прибыль по сравнению с другими методами.

Метод фирмы "DUNAMIT NOBEL" - наиболее сложные по технологическому оформлению, вносит в затраты по себестоимости целевого продукта большую долю.(около 25 %).

Способ фирмы "WITTEN", наиболее выгодный , т.к. нет дополнительных расходов на исходное сырье, обслуживание и амортизацию оборудования, что снижает и себестоимость целевого продукта в среднем на 20 % по сравнению с другими методами получения ДМТ.


6. Методы утилизации побочных продуктов.


При этерификации продуктов каталитического окисления п-ксилола в качестве побочного продукта образуется вода, которую отделяют от ДМТ центрифугированием. Hежелательной является реакция разложения ДМТ монометилтерефталат, диоксид углерода и воду, протекающая по мере очистки ДМТ-сырца. Для подавления этой реакции фирма "Мицуи сэкию кагаку" разработала специальные катализаторы[7].


7. Технические требования к готовому продукту.


Технические требования к ДМТФ содержатся в ГОСТ 11-363-80Е[6].


8. Области применения продукта.


Диметиловый эфир терефталевой кислоты широко используется в промышленности для синтеза полиэфирных смол (в основном - полиэфирное волокно). Другими областями потребления являются получения полиэтилентерефталатной пленки и полиэтилентерефталатной смолы для производства бутылей[6,7].

9. Развитие производства сырья.


Сырьем для производства ДМТ является п-ксилол. Пара - ксилол - бесцветная жидкость с характерным запахом

Базовой технологией производства ксилола является каталитический риформинг прямогонных бензиновых фракций (нафты). Ксилолы относятся к крупнотоннажным сырьевым органическим продуктам. Суммарные мощности по производству пара-ксилола возрастут в мире к 2000 году до 10 млн. т в год (прогноз) [7].


10. Структура капитальных вложений.


Капиталовложения в завод мощностью 150 тыс. т/год (для условий Германии по состоянию на сентябрь 1993 г.), включая компрессорную станцию, установку для адсорбционной очистки отходящих газов и регенерацию катализатора, оставляют 174 млн. DM[6,7].


11. Технико-экономические показатели производства диметилтерефталата в России.

Согласно данным INTERNET себестоимость производства ДМТ в России:[6]


Себестоимость, руб. /т 485

Уд. капитальные вложения, руб. /т 900

Трудоемкость, чел. ч/т 22.7


12. Оптовые цены.


Цена одной тонны ДМТ в 1992 году составляла, по расчету, 460долл/т, в России - 570-600 руб. /т [9].

Европейские цены на некоторые исходные продукты для производства диметилтерефталата на 14 декабря 1997 года по данным INTERNET [7]:

Таблица 9. Европейские цены.

Название продукта

Цена, $/тонна

пара - ксилол 356
метанол 162

13. Экологическая перспектива.


Диметилтерефталат - не токсичный продукт. При производстве ДМТ отходы образуются, главным образом, на стадии окисления и выводятся из процесса на стадии заключительной перегонки целевого продукта. Этот остаток составляет в промышленных процессах до 5 мол % от исходного п-ксилола и представляет собой сложную смесь органических соединений. Разработаны способы разложения отходов производства ДМТ с образованием 20-30% (по массе) смеси п-ксилола, толуола, бензола, примерно такого же количества газообразных продуктов (СH4, CO2) и до 40% коксообразного остатка. Отходящий газ адсорбирует активированным углем, коксообразный остаток сжигают. Проводимый комплекс мер по утилизации отходов позволяет сделать современное производства ДМТ малоотходными, экологически чистыми.


14. Возможности замены продукта другими материалами.


В основной области применения - получении полиэтилентерефталата, ДМТ может быть заменен терефталевой кислотой ("сорт для волокна").


15. Экспертный прогноз


Дальнейшее усовершенствование процессов получения ДМТ должно пойти прежде всего по пути создания энерготехнологических схем; снижения расходных показателей по сырью; регенерации катализатора; более полного извлечения целевых продуктов из остатков; усовершенствования аппаратуры, систем автоматизации и управления.

В производстве ДМТ в настоящее время разработаны схемы использования вторичного пара на стадиях окисления смеси п-ксилола и метилового эфира п-толуиловой кислоты, тепла от сжигания отходов производства, а также энергии сжатых газов после реакторов. Абгазы после прохождения конденсаторов направляются на турбину, передающую крутящий момент на электродинамомашину и далее на привод компрессора для сжатия воздуха.

В случае поступления в производство пара высоких параметров его энергию используют для привода компрессоров и насосов высокого давления, а отработанный пар направляют на технологические нужды.

Кубовые остатки производства ДМТ после извлечения из них кобальт-марганцевого катализатора используют в качестве топлива для печей сжигания. Применение высокопроизводительных котлов-утилизаторов на установках сжигания дает возможность дополнительно вырабатывать пар. Использование энерготехнологических процессов позволяет экономить до 50 - 60% энергии.

Повышение выхода целевого продукта ведется в направлении поиска более эффективных каталитических систем для окисления и этерификации и разработки способов расщепления высокомолекулярных ароматических соединений до целевого продукта; установления оптимальных технологических параметров; снижения расходных коэффициентов.

Существенное значение в улучшении технико-экономических показателей имеет более полное извлечение побочных продуктов и изыскание путей их рационального использования. Так, фракции ДМТ - ДМИ можно применить для получения полиоксадиазолов, а метилбензоат - как консервант.

В связи с увеличением мощностей по производству ДМТ вопрос регенерации катализатора приобрел особую актуальность по двум причинам: во-первых, нужно понизить потребление дефицитного кобальта, во-вторых, - ограничить вредные выбросы в окружающую среду, количество которых возрастает по мере роста объемов производства ДМТ. В связи с этим усилия исследователей и производственников за последние 10 лет направлены на разработку процесса регенерации кобальт-марганцевого катализатора, технология которого определяется составом остатка, содержащего катализатор.

Фирма «Dunarnit Nobel» (Германия) разработала процесс регенерации кобальт-марганцевого катализатора, который позволяет понизить расход ацетатов кобальта и марганца в 8 - 10 раз. Дополнительное извлечение ДМТ из остатков осуществляется путем метанолиза и термолиза.

Использование процессов метанолиза или термолиза позволяет из побочных высокомолекулярных продуктов реакции окисления получить дополнительное количество ДМТ. В перспективе при оптимальных технологических параметрах следует ожидать повышения выхода целевого продукта до 91 - 92% на используемый п-ксилол.

Одним из важнейших путей повышения эффективности процесса окисления смеси п-ксилола и метилового эфира п-толуиловой кислоты является применение крупнотоннажных реакторов окисления. При этом особое внимание должно быть уделено разработке узлов газораспределения, обеспечивающих максимальную поверхность контакта фаз, эффективному перемешиванию оксидата и отводу тепла реакции. Созданием в реакторе необходимых гидродинамических условий, повышением тепло- и массообмена можно существенно увеличить производительность установок, понизить металлоемкость аппаратуры.

Для снижения расходных норм по метанолу разработан ряд мероприятий, из которых следует отметить: применение колонной аппаратуры для очистки и разгонки сточных вод после этерификации и окисления; использование эффективных воздушных конденсаторов на метаноле, устойчивая работа которых исключает превышение давления в системе воздушен на стадиях зтерификации и дистилляции; стабилизация работы колонны метанолиза (установление оптимального температурного режима, расхода метанола и др.), что позволяет увеличить выход целевого продукта и понизить потери метанола.

Уменьшение содержания органических соединений в сточных водах может быть достигнуто увеличением продолжительности отстоя (путем установки крупногабаритных аппаратов), экстракцией органических примесей п-ксилолом, а также дистилляцией сточных вод.[5]


Заключение.


Процессы промышленного производства диметилового эфира терефталевой кислоты, приведенные в работе отличаются друг от друга некоторыми параметрами. Для начинающего производителя или для человека, желающего внедрить процесс промышленного производства диметилового эфира терефталевой кислоты на уже существующем заводе необходимо провести маркетинговое исследование, т. е. проанализировать следующие факторы:

- детально изучить каждый метод промышленного производства ДМТ с стране и во всем мире;

- определить доступность сырья. Может быть выгоднее использовать какой - либо другой метод производства, чем покупать дорогое сырье или возить его издалека.

- определить будущих покупателей продукции;

- изучить своих потенциальных конкурентов;

- проанализировать свои возможности;

- определить, какая технологическая схема наиболее подходит для данного завода или для данной местности;

- определить возможности загрязнения окружающей среды данной технологией;

- выяснить, существует ли в данном регионе ( стране) достаточное количество квалифицированных работников, которые согласятся работать над производством диметилового эфира терефталевой кислоты;

- определить перспективность той или иной установки по производству ДМТ, способность к ее модернизации и согласованной работе с другими установками завода.


Только после проведения такой работы следует принимать решение о выпуске диметилового эфира терефталевой кислоты каким - либо из известных способов.


Из рассмотренных способов самым выгодным для России является способ фирмы "WITTEN".

Для того, чтобы ДМТ мог конкурировать с ТФК, его цена должна быть на 14% ниже продажной цены ТФК, так как для получения 1 т полиэфирного волокна требуется

1,01 т ДМТ и 0,87 т ТФК [5]. Однако, в большинстве случаев, цена на ДМТ выше, чем на ТФК. Это объясняется тем, что очистка ДМТ, вырабатываемого по способу «Witten», практически .не представляет никаких трудностей, в то время как очистка сырой ТФК весьма затруднена. Процесс очистки чрезвычайно трудоемкий, для него требуется специальный растворитель (в зависимости от вида очистки) и специальное оборудование. Кроме того, при получении самой ТФК используют уксусную кислоту и бромсодержащие соединения — они создают сильнокоррозионную среду, в связи с чем требуется оборудование, изготовленное из специальных сталей или армированное титаном.

В то же время себестоимость ДМТ практически несколько ниже приведенной в таблицах 4-7, и мономер не загрязняется продуктами коррозии. Все это позволяет ДМТ, полученному по способу «Witten», успешно конкурировать с ТФК в качестве сырья для производства полиэфирных волокон.

Себестоимость производства 1 тонны диметилтерефталата по способу фирмы "WITTEN" составляет - 108,2 фунта стерлингов , что примерно на 20 % дешевле других используемых в настоящее время методов.

Технологическая схема этого процесса проста и удобна в использовании. Оборудование практически не представляет угрозы ни работникам ни окружающей среде.

Время производственного цикла меньше, чем в других методах, а объемы производства не ограничены.

Произведенный целевой продукт не требует дополнительной очистки.

Сырье, используемое при промышленном синтезе диметилового эфира терефталевой кислоты является доступным. К тому же в настоящее время существует мировая тенденция к понижению цены на исходное сырье - пара - ксилол.

Для начала производства ДМИ указанным методом не требуется большая сырьевая база.

Выход целевого продукта высок.

Исходя из приведенных выше аспектов, можно сделать вывод, что производство диметилового эфира методом фирмы "WITTEN" является самым выгодным и перспективным направлением.


Список использованной литературы.

1. Лебедев Н. Н. Химия и технология основного органического синтеза. - М.: Химия, 1990 г. 733с.

2. Мазуров В. Д. и др. Очистка терефталевой кислоты окислением примесей кислорода...//Основной органический синтез и нефтехимия. 1981г. № 15. С. 27-36.

3. Овчинников В. И., Назимюк В. Ф., Симонова Т. А. Производство терефталевой кислоты и ее диметилового эфира. - М.: Химия, 1992 г. 230с.

4. Реутов О. А. Теоретические основы органической химии. - М.: МГУ, 1994г.700с

5. Кричевский И. Е. Перспективы развития промышленности химических волокон. - М.: Химия. (Издание третье, дополненное и переработанное), 1993г.257с.

6. http://www.chemforum.mol.ru/Russian/PriceRu/14.12.97.html (internet)

7. Диметилтерефталат (свойства, получение, применение) - М.:НИИТЭХИМ. 1992г. 76с.

8. http://www.chem.msu.su/rus/chinfo/katalys/samp3.html. (internet).

9. http://www.aris.ru/N/WIN R/INFO/CENA/W PRICE/12-2.html (internet)

10. http://www.chem.msu.su (internet)


© 2012 Рефераты, курсовые и дипломные работы.