рефераты
Главная

Рефераты по рекламе

Рефераты по физике

Рефераты по философии

Рефераты по финансам

Рефераты по химии

Рефераты по хозяйственному праву

Рефераты по цифровым устройствам

Рефераты по экологическому праву

Рефераты по экономико-математическому моделированию

Рефераты по экономической географии

Рефераты по экономической теории

Рефераты по этике

Рефераты по юриспруденции

Рефераты по языковедению

Рефераты по юридическим наукам

Рефераты по истории

Рефераты по компьютерным наукам

Рефераты по медицинским наукам

Рефераты по финансовым наукам

Рефераты по управленческим наукам

Психология и педагогика

Промышленность производство

Биология и химия

Языкознание филология

Издательское дело и полиграфия

Рефераты по краеведению и этнографии

Рефераты по религии и мифологии

Рефераты по медицине

Рефераты по сексологии

Рефераты по информатике программированию

Краткое содержание произведений

Реферат: Вторично-ионная масса спектрометрия

Реферат: Вторично-ионная масса спектрометрия

Калужский Филиал

Московского Государственного

Технического Университета

им. Н. Э. Баумана

Кафедра Материаловедения и Материалов Электронной Техники

КУРСОВАЯ РАБОТА

по курсу  МИМ и КЭТ

на тему:

“Вторично-ионная

   масс-спектрометрия“


  выполнил:  студент гр. ФТМ—81

                                                                                Тимофеев А. Ю.

                                                           проверил:   Леднева Ф. И.

г. Калуга

 1997 год.


Содержание

Введение                                                                                                3

Взаимодействие ионов с веществом                                                   3

Вторично-ионная эмиссия                                                                   5

Оборудование ВИМС.                                                                         8

Принцип действия установок.                                                            9

Установки, не обеспечивающие анализа распределения частиц по поверхности     10

Установки, позволяющие получать сведения о распределении                                    11

 элемента по поверхности, со сканирующим ионным зондом 

Установки с прямым изображением                                                                              11

Порог чувствительности                                                                      12

Анализ следов элементов                                                                     14

Ионное изображение                                                                                      16

Требования к первичному ионному пучку                                                17

Масс-спектрометрический анализ нейтральных                             18

распыленных частиц

Количественный анализ                                                                   19

Глубинные  профили концентрации  элементов                       22

Приборные факторы, влияющие на разрешение                             23

по глубине при измерении профилей концентрации                       

Влияние ионно-матричных эффектов  на разрешение                    25

по глубине при измерении профилей  концентрации

Применения                                                                                         26

Исследование поверхности                                                                           26

Глубинные профили концентрации                                                            27

Распределение частиц по поверхности,                                                       27

микроанализ и объемный анализ 

Заключение                                                                                          27

Список литературы                                                                                             29
Введение

            Возможности получения сведений о составе внешнего атомного слоя твердого тела значительно расширялись всвязи с разработкой и усовершенствованием метода вторично-ионной масс-спектрометрии (ВИМС) и других методов. Большинство таких методов близки к тому, чтобы анализировать саму поверхность, поскольку основная информация о составе материала поступает из его приповерхностной области толщиной порядка 10А, а чувствительность всех таких методов достаточна для обнаружения малых долей моноатомного слоя большинства элементов.

            Взаимодействие быстрых ионов с твердым телом приводит к выбиванию атомов и молекул материала как в нейтральном, так и в заряженном состоянии. На таком явлении сравнительного эффективного образования заряженных частиц (вторичных ионов) и на принципе высокочувствительных масс-спектрометрических измерениях и основан метод ВИМС. Хотя у него, как у любого другого метода, имеются свои недостатки, только он один дает столь широкие возможности исследования и поверхности, и объема твердого тела в одном приборе. Наиболее важными характерными особенностями метода, которые вызывают повышенный интерес к нему, являются очень низкий порог чувствительности для большинства элементов (меньше 10-4 моноатомного слоя), измерение профилей концентрации малых количеств примесей с разрешение по глубине меньше 50А, разрешение по поверхности порядка микрометра, возможность изотопического анализа и обнаружение элементов с малыми атомными номерами (H, Li, Be и т. д.)

Взаимодействие ионов с веществом

                       

                        Фиг.1. Виды взаимодействий ионов с твердым телом [2].


            В этом разделе рассматривается поведение ионов высоких   энергий (1 - 100 кэВ), попадающих на поверхность твердого тела. Фиг.1 иллюстрирует 10 разновидностей взаимодействия  ионов с поверхностью [2]. Падающий ион может обратно рассеиваться атомом или группой атомов бомбардируемого образца (1). Процесс обратного рассеяния обычно приводит к отклонению траектории иона от первоначального  направления  после столкновения и к обмену энергией между ионом и атомом мишени. Обмен энергией может быть упругим и неупругим в зависимости от типа взаимодействующих частиц и энергии иона.

            Импульс иона может быть достаточно велик для того, чтобы   сместить поверхностный атом из положения, где он слабо связан с кристаллической структурой образца, в положение, где связь оказывается сильнее (2). Этот процесс называется атомной дислокацией. Ионы с более высокими энергиями могут вызывать внутренние дислокации в толще образца (3). Если соударяющиеся с поверхностью образца ионы передают настолько  большой импульс, что полностью освобождают от связей один или несколько атомов, происходит физическое распыление (4).  Ионы могут проникать в кристаллическую решетку и захватываться там, израсходовав свою энергию (ионная имплантация) (5)  .  В  результате   химических   реакций  ионов   с  поверхностными   атомами   на   поверхности   образуются   новые  химические  соединения,  причем   самый  верхний   слой  атомов   может  оказаться  в  газообразном  состоянии  и  испариться  (химическое  распыление)   (6).   Бомбардирующие   положительные  ионы   в  результате  процессса  оже-нейтрализации  могут  приобретать  на  поверхности  электроны и отражаться от нее в виде нейтральных            атомов  (7).  Ионы  могут  оказаться  связанными  с  поверхностью образца  (адсорбированными)   (8).   При    ионной   бомбардировке    металлических  поверхностей  в  определенных   условиях  возможно возникновение   вторичной   электронной  змиссии   (9).  Наконец, если поверхностные    атомы   возбуждаются    до   ионизированных  состояний и покидают   образец,  имеет  место   вторичная  ионная эмиссия (10).

            Замедляясь, ион передает энергию твердому телу. При анализе процессов потери энергии удобно различать два основных механизма:  соударения с электронами и соударения с ядрами.

            Первый  механизм состоит в том, что быстрый ион взаимодействует с электронами кристаллической решетки, в результате  чего  возникают возбуждение и ионизация атомов кристалла. Поскольку плотность электронов в веществе мишени высока и такие столкновения многочисленны, этот процесс,

как и в случае потери энергии электронами, можно считать  непрерывным .

            В  рамках  второго  механизма  взаимодействие  происходит  между   экранированными зарядами ядер первичного иона и  атомами  мишени. Частота таких столкновений ниже, поэтому  их можно   рассматривать как упругие  столкновения двух  частиц. Ионы  высоких  энергий  хорошо  описываются  резерфордовским  рассеянием, ионы  средних энергий  - экранированным  кулоновским рассеянием, однако при малых  энергиях характер  взаимодействия становится более сложным.

            Кроме перечисленных выше механизмов вклад в энергетические потери дает обмен зарядами между движущимся ионом  и атомом  мишени. Этот  процесс наиболее  эффективен, когда относительная  скорость  иона  сравнима с боровской скоростью электрона  ( ~106 м/с) .                                     

            Таким  образом,  полные  потери  энергии  -   dЕ/dz  можно представить в виде суммы трех  составляющих -  ядерной, электронной  и  обменной.                                           

            При малых энергиях ионов преобладает взаимодействие с ядрами, которое приводит к появлению угловой расходимости  пучка. При высоких энергиях более существенными становятся столкновения с электронами. Справедливо следующее эмпирическое правило: передача энергии кристаллической решетке осуществляется в основном за счет ядерных столкновений при энергиях меньше А кэВ, где А - атомный вес первичного иона. В промежуточном диапазоне энергий вклад потерь, обусловленных обменом заряда, может возрастать примерно до 10% от полных потерь. Зависимость энергетических потерь от энергии  первичного иона показана на фиг.2.


Фиг.2. Зависимость энергетических потерь иона от энергии [2].

Фиг.3.    Схематическое представление взаимодействия ионов с мишенью [2].


            Неупругие взаимодействия с электронами мишени вызывают вторичную электронную эмиссию, характеристическое рентгеновское излучение и испускание световых квантов. Упругие взаимодействия приводят к смещению атомов кристаллической решетки, появлению дефектов и поверхностному распылению. Эти процессы схематически проиллюстрированы на фиг. 3.

            Энергетический спектр рассеянных твердотельной мишенью     ионов с начальной  энергией Е0 схематически  представлен на фиг.4. Здесь видны широкий низкоэнергетический (10 - 30 эВ) горб, соответствующий испусканию нейтральных атомов     (распыленные атомы), и высокоэнергетический горб, расположенный вблизи энергии первичного иона Е0 (упругорассеянные ионы).


Вторично-ионная эмиссия

            Основные  физические  и  приборные   параметры,  характеризующие  метод  ВИМС,  охватываются  формулами  (1) -  (3). Коэффициент вторичной ионной  эмиссии SА±,  т. е.  число (положительных  или отрицательных)  ионов на  один падающий  ион, для элемента А в матрице образца дается выражением

                                                            SА±=gА±САS,     (1)

где gА± -  отношение  числа  вторичных  ионов  (положительных или отрицательных) элемента А к полному числу нейтральных и  заряженных  распыленных  частиц  данного  элемента, а  СА  -атомная концентрация данного  элемента в  образце. Множитель S -  полный коэффициент распыления материала  (число атомов на один первичный ион).  В него  входят все  частицы, покидающие  поверхность, как  нейтральные, так  и ионы.  Величины gА±  и S  сильно зависят от состава матрицы образца, поскольку отношение gА± связано с электронными свойствами поверхности, а S   в большой  степени определяется  элементарными энергиями связи или теплотой атомизации твердого тела. Любой теоретический способ пересчета  измеренного выхода вторичных ионов в  атомные концентрации  должен, давать  абсолютное значение отношения gА± или  набор его  приведенных значений  для любой  матрицы.

           

            Фиг.4. Энергетический спектр электронов, рассеянных при соударении с твердотельной                  мишенью [2].

            Вторичный ионный ток  iА± (число  ионов в  секунду), измеряемый в приборе ВИМС, дается выражением

                                                                    iА± =hASA±IP,  (2)

 где iА±  - ионный ток для моноизотопного элемента (для данного компонента многоизотопного  элемента ионный  ток равен faiА±, где fa,- содержание изотопа а в элементе А). Величина hA -эффективность регистрации ионов данного изотопа в используемом приборе ВИМС. Она равна произведению эффективности переноса ионов через масс-анализатор на чувствительность ионного детектора. Множитель hA обычно можно рассматривать как константу, не зависящую от вида элемента или  массы изотопа, если энергетические распределения вторичных  ионов примерно одинаковы и имеют максимум при нескольких  электрон-вольтах, так что зависящее от массы изменение чувствительности детектора частиц мало. Наконец, IP полный ток  первичных ионов (число ионов в секунду), падающих на образец.

            Конечно, величина IP связана с плотностью тока первичных ионов DP (число ионов за секунду на 1 см2) и диаметром пучка d (см). Если для простоты принять, что сечение пучка круглое, а плотность DP тока постоянна в пределах сечения, то

                                                                  IP=(0,25p)DPd2.  (3)

            При  существующих  источниках  первичных  ионов,  используемых в приборах ВИМС, плотность тока на  образец, как  правило, не превышает 100  мА/см2 (в  случае однозарядных  ионов ток 1 mА  соответствует потоку 6.2 1015 ион/с). В табл. 1 приводятся типичные значения параметров, входящих в формулы (1) - (3).



 Таблица 1.

Типичные значения параметров

в формулах (1)- (3) [1].

gА±

10-5¸10-1

S 1¸10

hA

10-5¸10-2

   DP   

10-6¸10-2 mA/cm2

d

10-4¸10-1 cm


            Самое   важное   значение   в   вопросе   о    возможностях   ВИМС как   метода   анализа   поверхностей   имеет    взаимосвязь   между параметрами   пучка   первичных   ионов,  скоростью   распыления  поверхности  и  порогом  чувствительности  для  элементов.   Из-за  отсутствия  информации   о  такой   взаимосвязи  часто   возникают  неправильные   представления    о   возможностях    метода.   Соотношения   между   током   первичных   ионов,   диаметром   и   плотностью  пучка, скоростью распыления


поверхности и порогом чувствительности при типичных условиях иллюстрируются графиком, представленным на фиг.5. Скорость удаления (число монослоев в секунду) атомов мишени при заданной энергии ионов пропорциональна плотности их тока DP, а порог чувствительности при регистрации методом ВИМС (минимальное количество элемента, которое можно обнаружить в отсутствие перекрывания пиков масс-спектра) обратно пропорционален полному току ионов IP. Коэффициент пропорциональности между порогом чувствительности ВИМС и IP определяется исходя из результатов измерений для ряда элементов в различных матрицах путем приближенной оценки, основанной на экспериментальных значениях для типичных пар элемент - матрица. При построении графика на фиг.5 предполагалось, что площадь захвата анализатора, из которой вторичные ионы отбираются в анализатор, не меньше сечения пучка первичных ионов. Данное условие обычно выполняется в масс-спектрометрии, если диаметр области, из которой поступают ионы, не превышает 1 мм.

                       

            Фиг. Зависимость между током первичных ионов, диаметром и плотностью первичного

                         пучка, скоростью удаления атомных слоев и порогом чувствительности ВИМС[1].

            Распыление   ионным   пучком   -   разрушающий   процесс.  Но  если требуется, чтобы  поверхность оставалась  практически без  изменения,  то  анализ  методом   ВИМС  можно   проводить  при  очень  малых  скоростях распыления  образца (менее  10-4 монослоя в секунду) . Чтобы при  этом обеспечить  достаточную чувствительность метода ( »10-4  монослоя), как  видно из фиг.5,  необходим первичный ионный пучок с током 10-10 А  диаметром   1  мм.  При  столь  низкой плотности  тока  первичных  ионов  ( 10-5  мА/см2) скорость  поступления на  поверхность образца атомов  или  молекул  остаточных  газов  может  превысить скорость  их  распыления  первичным пучком.   Поэтому  измерения  методом  ВИМС  в  таких  условиях  следует проводить  в сверхвысоком или чистом (криогенном) вакууме.

            Указанные  приборные  условия  приемлемы  не  во   всех  случаях  анализа.  Например, определение   профиля  концентрации  примесей,  присутствующих  в  малых количествах  в поверхностной пленке  толщиной свыше  5ОО А,  удобно проводить  при диаметре пучка, равном 100 мкм, и  при скорости  распыления, превышающей  10-1  атомных  слоев  в  секунду. Еще  более высокие  плотности ионного тока  требуются, чтобы  обеспечить статистически  значимые  количества  вторичных  ионов с  единицы площади  поверхности,  необходимые  при  исследовании распределения по поверхности следов элементов при помощи ионного микрозонда или масс-спектрального микроскопа. На  основании сказанного и данных фиг.5 мы заключаем, что невозможно  обеспечить  поверхностное  разрешение в  несколько микрометров для примеси, содержание которой равно »10-4%,  при скорости распыления менее 10-3 атомных слоев в секунду. Это взаимно исключающие условия.

            Методом ВИМС анализ поверхности можно проводить в двух  разных режимах: при малой и большой плотности тока, распыляющего образец. В режиме малой плотности распыляющего тока изменяется состояние лишь малой части поверхности, благодаря чему почти выполняется основное требование, предъявляемое к методам анализа самой поверхности. В режиме же высоких плотностей токов и соответствующих больших скоростей  распыления проводится измерение профилей распределения элементов по глубине, микроанализ и определение следовых количеств элементов (<10-4%). В соответствии со всеми этими вариантами создан ряд приборов ВИМС, в которых применяются разные способы создания и фокусировки первичных ионных пучков и разные анализаторы вторичных ионов.

Оборудование ВИМС.

    Установка  ВИМС  состоит  из   четырех  основных   блоков:  источника  первичных  ионов  и   системы  формирования   пучка,  держателя  образца   и  вытягивающей   вторичные  ионы   линзы,  масс-спектрометра   для   анализа   вторичных   частиц   по   отношению  массы  к  заряду  (m/е)   и  высокочувствительной   системы  регистрации  ионов.  Для  получения   первичных  ионов   в  большинстве  установок   используются   газоразрядные   или   плазменные  источники.   Совместно   с   соответствующей  системой   формирования  и  транспортировки   пучка   эти   источники    обеспечивают   широкие  пределы  скорости  распыления  поверхности  - от  10-5 до  103 А/с. Разделение  вторичных   частиц  по   m/е  производится   либо  магнитными,   либо   квадрупольными   анализаторами.    Наиболее   широко    распространенным    анализатором    в    установках   ВИМС,  очень   удобным   при  анализе   состава  образцов   и  обнаружении  малых  количеств  (следов)  элементов   в  них,   является  магнитный  спектрометр  с  двойной  фокусировкой  (в   котором  осуществляется анализ  по энергии  и по  импульсу), что  связано с  его высокой   чувствительностью   к   относительному    содержанию.   Для  таких    многоступенчатых    магнитных    спектрометров    фоновый  сигнал,   возникающий  из-за   хвостов  основных   пиков  материала  матрицы  (рассеяние  стенками,  на  атомах  газа  и   т.д.),  может  быть  сведен  к  уровню  менее  10-9  для общего  фона и  всего 10-6   для  масс,  близких  к  основному  пику.  Все же  в отдельных  конкретных   случаях   более   практичным  может   оказаться  менее  дорогой   квадрупольный   анализатор.                                                              

Принцип действия установок.

 

                       

                        Фиг.6. Схема обычного метода и метода прямого изображения при

                                                масс- спектрометрическом анализе вторичных ионов[1].

            При масс-анализе вторичных ионов применяются два основных метода: обычный масс-спектрометрический и метод прямого изображения. Они схематически сопоставлены на фиг.6. При первом методе анализатор  с хорошим разрешением передает на высокочувствительный ионный детектор заметную часть быстрых вторичных ионов, идущих с большой площади образца (» 1 мм2). Выделенные по массе вторичные частицы собираются в точечный фокус на входной щели детектора. В этом статическом случае получаемая информация усредняется по поверхности образца и невозможно установить, из какой точки (например области диаметром 1 мкм) поверхности приходят вторичные ионы. При методе прямого изображения  в фокальной плоскости анализатора создается стигматическое  ионное изображение поверхности и путем соответствующего дифрагмирования (или преобразования изображения  при помощи чувствительной к электронам или ионам эмульсии) легко можно получить информацию о точках выхода ионов с данными m/e с поверхности образца. 

            Все установки с прямым изображением основан на идее  прибора Кастэна и Слодзяна; все иные приборы представляют собой варианты обычной масс-спектрометрической методики. Для получения вторично-ионного изображения поверхности  при обычном подходе необходимо проводить последовательный анализ вторичных частиц при сканировании поверхности

 мишени первичным ионным пучком малого диаметра. При этом для получения изображения мишени на экране электронно-лучевой трубки (ЭЛТ) проще электрически сканировать первичный пучок, нежели механически перемещать сам образец. Электронный луч в ЭЛТ синхронизирован с первичным ионным пучком, и усиленным сигналом вторично-ионного детектора модулируются интенсивность  электронного луча в ЭЛТ. Получаемое при таком методе увеличение изображения равно отношению длины строки на экране ЭЛТ к расстоянию на поверхности образца, пробегаемому первичным ионным пучком в процессе сканирования.

            Все установки ВИМС позволяют осуществлять анализ поверхности и распределения концентрации элемента по глубине. Они различаются в таких важных отношениях, как порог чувствительности при детектировании, разрешение по массам, плотности тока первичного пучка, вакуумные условия в окрестности мишени, а также  возможность проведения анализа распределения элементов  по поверхности, или топографического (x-y) анализа, путем сканирования зондом или формирования изображения. К устройствам для топографического анализа относят лишь те, которые позволяют получить разрешение по поверхности не хуже 10 мкм. Все существующие установки ВИМС можно разделить на три группы в соответствии с принципом их устройства и пригодностью для микроанализа:

·    не позволяющие осуществлять анализ распределения элементов по поверхности;

·    дающие сведения о распределении по поверхности с помощью сканирующего ионного зонда;

·    дающие сведения о распределении по поверхности методом прямого изображения.

Установки, не обеспечивающие анализа распределения частиц по поверхности

            Ряд вторично-ионных масс-спектрометров был сконструирован для решения частных аналитических проблем или исследования различных закономерностей вторичной ионной эмиссии.

            Использованные на ранней стадии исследований этого явления анализаторы с однократной фокусировкой (секторные магниты) имели весьма ограниченное разрешение по массам и низкую чувствительность, что было обусловлено большим разбросом начальных энергий вторичных ионов.             

            В  настоящее  время  большое    внимание    уделяется    квадрупольным   анализаторам, поскольку  они, будучи  просты и  недороги, позволяют  получать  сведения  о  поверхности и  профиле концентрации  примеси  почти во  всех случаях,  когда не  требуется информации  о  распределении  по  поверхности  или  очень  малых количествах примеси. Добиться снижения фона при работе  с  квадрупольным  фильтром  масс  можно за  счет предварительной селекции  вторичных ионов  плоскопараллельным электростатическим анализатором с малой диафрагмой, а  также внеаксиального расположения ионного детектора.

                               

Установки, позволяющие получать сведения о распределении элемента по поверхности, со сканирующим ионным зондом 

            Установки  ВИМС, относящиеся к этой категории, обычно называют ионными зондами. В этих установках первичный пучок анализируется  по массам и может быть сфокусирован в пятно диаметром от 2 и менее до 300 мкм. Масс-спектрометр представляет собой устройство с двойной фокусировкой и хорошим пропусканием частиц, позволяющее давать стигматическое изображение при среднем разрешении по массам. Схема такого прибора приведена на фиг.7.

                                               Фиг.7. Схема ионного микрозонда[4].

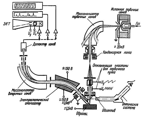
Установки с прямым изображением

            Первой установкой ВИМС, которая позволила получить изображение объекта в лучах выделенных по m/е ионов и визуально наблюдать распределение элемента по поверхности, был масс-спектральный микроскоп, его схема представлена на фиг.8. Уникальная особенность масс-спектрального микроскопа - возможность наблюдать за интенсивностью вторичных ионов со специально выделенного микроучастка поверхности независимо от размеров и местоположения первичного пучка, пока хотя бы часть его попадает на интересующий нас участок поверхности. Эта возможность является ценной в некоторых случаях анализа методом ВИМС распределения элементов по поверхности и в объеме. Ниже будут рассмотрены некоторые из наиболее важных преимуществ, а также и недостатков, свойственных различным типам приборов.

                                   Фиг.8. Схема масс-спектрального ионного микроскопа[4].

Порог чувствительности

            Минимально обнаружимый уровень содержания элемента в данной матрице зависит от свойств самого элемента, химического состава матрицы, в которой он присутствует, сорта первичных ионов, их тока, попадающего на образец, телесного угла  отбора  частиц  и  эффективности  прохождения  вторичных ионов  через анализатор, его общего фона, а также фона  и эффективности детектора.  Все перечисленные  факторы, кроме  двух первых,  определяются  конструкцией  прибора  и,   следовательно,  могут  быть  оптимизированы  с   целью  достижения   наиболее  высокой  чувствительности.   Поскольку  распыление   является  разрушающим процессом,   для  минимизации   количества  потребляемого  материала    необходимы высокоэффективные анализаторы   и  высокая  чувствительность.  Ввиду  того  что  различные  конструкции   установок  ВИМС   предназначены  либо   для  выявления  тех  или  иных  отдельных  особенностей,  либо  для обеспечения  наибольших  удобств  измерений,  они  весьма  сильно различаются  по чувствительности.  Удобной мерой  чувствительности может  служить  отношение  числа  регистрируемых  вторичных   ионов  к  числу первичных при неких  стандартных условиях:  образец, сорт  первичных   частиц    и   некоторое    минимальное   разрешение  по   массе. Установки   ВИМС,    позволяющие   регистрировать »106  ион/с  характерного  элемента  из  оксидной  матрицы (например, ионы Fe+ из  образца Fe2O3)  при токе  первичного пучка  10-9  А, классифицируются  как имеющие  чувствительность, достаточную  для  обнаружения  следов  элементов и  для микроанализа поверхности.                                            

            Химический  состав   матрицы  образца   оказывает  непосредственное  влияние на  порог чувствительности  для тех  или иных  элементов  и  является  основным   источником неконтролируемых  изменений  этой  величины.  Матрица  влияет  на  порог чувствительности  двояким  образом:  от  нее  зависит  коэффициент SA±  из-за различий в электронных свойствах материалов, и  она может   давать   нежелательные   молекулярные   и  многозарядные ионы, которые окажутся  в масс-спектре  в диапазоне  масс, интересующем исследователя. Но  число молекулярных  ионов  быстро  уменьшается  с  ростом  числа атомов, входящих в состав молекулы, и в  большинстве случаев  при концентрациях  элемента,  не  превышающих  10-4, особых  сложностей в связи с наложениями пиков не возникает.

            


Фиг.9.   Участок масс-спектра вторичных ионов 

                флюорапатита вблизи массы 43 при разном          разрешении по массам: а-300; б-1000; в-3000[1].


            Перекрытие   пиков  от   атомарных  и   молекулярных  ионов можно  выявить  двумя способами:  путем анализа  быстрых вторичных ионов  или  применением анализаторов  по  m/е  с  разрешением  М/DМ  >  3000.   В  первом случае  коэффициент  ионной  эмиссии  уменьшается  примерно во столько  же  раз,  во  сколько коэффициент  выбивания молекулярных  ионов  уменьшается  по сравнению  с атомарными.  В некоторых  случаях этот  метод вполне  приемлем; но  при решении


многочисленных  задач  обнаружения  следов  примесей  или микроанализа  поверхности  недопустимо  большое  снижение  чувствительности характерное для этого метода. Второй способ     является более прямым и с точки зрения анализа более предпочтителен. Чтобы выявить сложную структуру отдельных пиков в масс-спектрах  используют для ВИМС приборы с высоким разрешением по массе. На фиг.9,  представлена форма пика с массой 43 ат. ед. при разных разрешениях анализатора. Высокое разрешение очень важно для уменьшения или исключения в идентификации пиков m/е, особенно если основной целью является обнаружение следов элементов на уровне атомных концентраций, не превышающих 10-5.

            Вопрос о пороге чувствительности метода ВИМС для различных элементов исследовался многими авторами  как теоретически, так и на основе результатов экспериментальных измерений. При этом были получены следующие примерные значения, подтвердившиеся в некоторых строго определенных условиях: менее 10-7 моноатомного слоя, атомная концентрация 10-9 и менее 10-18 г элемента. Но эти значения характерны лишь для некоторых частных случаев и не являются нормой на практике. Обычно мы имеем дело со сложными спектрами с многократными наложениями линий, в силу чего порог чувствительности оказывается сильно зависящим от природы матрицы образца. Поэтому, указывая порог чувствительности, необходимо указывать и соответствующие дополнительные факторы, в частности тип матрицы, и не следует делать огульные утверждения относительно того или иного элемента.

            Если пренебречь возможным перекрытием пиков, то порог чувствительности для некоторого элемента в матрице обратно пропорционален току первичных ионов IP, попадающему на образец. На фиг.5  и 10 показано, как


Фиг.10. Зависимость порога чувствительности   типичного прибора ВИМС от диаметра             первичного ионного пучка[1].


изменяется порог чувствительности в зависимости от различных параметров, влияющих на ток первичных ионов. Приведенные здесь значения порога чувствительности основаны на экспериментальных данных, полученных в типичных для анализа условиях, когда первичными частицами служат ионы О2+. Область с простой штриховкой на фиг.10 вблизи линии 5 мА/см2 соответствует диапазону плотностей токов первичных частиц, обычно применяемых в установках  типа ионного микрозонда или масс-спектрального микроскопа. Область с двойной штриховкой отвечает условиям, при которых существенно наложение линий сложных молекулярных ионов, и необходимо позаботиться об идентификации пиков по m/е. Истинное положение или высота этой области зависит как от матрицы образца, так и от разрешения по массам и чувствительности масс-анализатора. Для


микроанализа поверхности, т.е. исследования областей диаметром <3 мкм, методами ионного зонда или масс-спектрального микроскопа минимально детектируемый уровень сигнала выше уровня, при котором становится важным перекрывание пиков молекулярных ионов (фиг. 10); следовательно, если требуется осуществить только общий анализ малых участков  твердого тела, то  высокое разрешение  по массам  не обязательно.  Если же  интересоваться  следами  элементов в  сложных матрицах,  то необходимо  иметь  масс-анализатор   с  высоким   разрешением  по массам.       

Анализ следов элементов                                    

            Предполагаемый   порог   чувствительности   метода   ВИМС для  многих  элементов  близок  к  10-9.  Но для  обеспечения общего  порога  чувствительности  такого  порядка  на  практике необходимо использовать (как видно из сказанного выше)  масс-апализаторы  с  высоким  разрешением  и  высокой  чувствительностью  к  относительному  содержанию  и, кроме  того, контролировать ряд эффектов, о которых говорится ниже.           

            Большая  часть  вторичных  ионов  выходит из  нескольких наружных  атомных  слоев  твердого  тела,  а   поэтому  вещество,  адсорбированное на  поверхности, выступает  в спектре  как важный  компонент  твердого  тела  или  его   поверхности.  Среда,  окружающая  образец,   обычно  содержит   молекулы  углеводородов, Н2, N2, О2,  Н2О, СО2  и СО.  Поэтому обнаружение  в матрице  следов  таких  элементов, как  С, N,  Н и  О, оказывается  весьма  сложным  в  том  случае,  если  не  приняты специальные  меры  для  сведения  к  минимуму их  влияния. Меры  эти таковы:  проведение  измерений  в  сверхвысоком  вакууме,  свободном  от  углеводородов,  применение   криогенной  и   геттерной  откачки  объема  вблизи  образца  и работа  при высоких  плотностях тока первичных ионов, при которых скорость удаления поверхностных слоев в результате распыления намного больше скорости поступления частиц загрязнений. При давлении 10-8 мм рт. ст. скорость прихода на мишень атомов или молекул остаточных газов приблизительно равна скорости поступления ионов первичного пучка с плотностью тока - 10 мА/см2.

            Источниками загрязнений служат также поверхности , расположенные вблизи мишени, на которые попадает значительное количество распыленного вещества. Часть этого вещества в  результате испарения или распыленная вторичными и отраженными ионами может возвращаться на мишень. Это так называемый “эффект памяти”, и его значение в конкретном анализе зависит от предыстории образца. Данный эффект наиболее значителен в приборах, где используются большие токи первичных ионов, а вытягивающие линзы расположены вблизи поверхности изучаемого образца.


Фиг.11. Компоненты сфокусированного ионного                 пучка, связанные с рассеянными ионами                и нейтральными атомами[1].


   Чтобы предупредить внедрение в образец того элемента, содержание которого определяется, особенно важна химическая чистота первичного ионного пучка. При типичных условиях (скорость распыления образца, пробел и разброс по пробегам первичных ионов) и в предположении, что распыление продолжается достаточно, долго, для того чтобы воздействовать на уже легированную зону, а основным источником ионов примеси является обратное распыление ранее внедренных частиц, присутствие в первичном ионном пучке 10-6 загрязнений должно проявиться как объемная примесь с атомной концентрацией ~10-7. Чтобы гарантировать чистоту первичного ионного пучка и исключить возможность осложнений на уровне следов элементов, желательно осуществлять сепарацию пучка первичных ионов по массе.

            Чтобы уменьшить влияние загрязнения поверхности остаточными газами, при анализе объемного состава твердого тела обычно пользуются первичными ионными пучками с высокой плотностью тока. При этом область


малой плотности тока, т.е. периферийная часть пучка, дает основной вклад во вторично-ионный сигнал того элемента, который присутствует одновременно  как  в  остаточном газе, так и в твердом теле в виде микропримеси.  К подобному эффекту может привести не только загрязнение атомами остаточных газов (обычно наиболее существенное), но и любые иные источники поверхностных загрязнений, действующие во время измерений. Для установок ВИМС, основанных на обычной методике масс-спектрометрии, указанная проблема более важна, чем для масс-спектральных микроскопов. В последнем случае можно в плоскости изображения поместить вырезающую диафрагму так, чтобы отбирать лишь ионы, выходящие из средней, эффективно распыляемой части мишени, где равновесная поверхностная концентрация адсорбированных загрязнений минимальна.

            Другой эффект, в известной мере аналогичный рассмотренному выше эффекту периферийной области пучка, поясняется схемой, представленной на фиг.11. Он связан с облучением большой площади образца быстрыми нейтральными атомами,  образующимися  в результате перезарядке при столкновениях первичных ионов с атомами, а также рассеянными ионами, возникающими при фокусировке первичного ионного пучка на мишень. Размер облучаемой этими частицами области определяется ограничивающими диафрагмами на пути ионного пучка и   обычно превышает 250 мкм. Роль этого эффекта зависит от давления остаточных газов, конструкции линз, расположения и  размеров диафрагм и геометрического устройства электродов колонны. Такая несфокусированная часть облучающего мишень потока непосредственно не зависит от сфокусированного ионного тока, поступающего на образец, но в основной своей части определяется полным потоком ионов в колонне.                  

            В микрозондовом варианте метода ВИМС эти эффекты гораздо более серьезны, нежели в масс-спектральных микроскопах. Но к существенным ошибкам при анализе с применением микрозонда они приводят только в том случае, когда большая площадь, облучаемая несфокусированной частью пучка, замет но отличается по составу от анализируемой точки. При диаметре  пучка, равном нескольким микрометрам, несфокусированный компонент может облучать большую площадь поверхности образца и составлять  более 1%  ионного потока.  Особенно неблагоприятные условия возникают, если детали колонны формирования первичного пучка (ионный источник, линзы, отражатель, диафрагмы)  размещены  на  одной  оси, пересекающейся  с осью  анализатора  вторичных  частиц.   Этот  эффект   можно  сильно  ослабить, если отклонить первичный пучок от оси прибора и  диафрагмировать его вблизи самого образца.                    

            Другой  метод,   пригодный  при  объемном  анализе в  условиях, когда  поверхность образца  неоднородна  по составу  или загрязнена  элементами, присутствие которых в  объеме и  исследуется, заключается  в нанесении  на поверхность  пленки слоя  высокочистого углерода  (или другого элемента,  отсутствующего в  объеме и  не представляющего интереса в проводимою анализе) толщиной  200 -  500 А.  В анализируемой  точке этот  слой может  быть легко  удален первичным  пучком  большой плотности.  В то  же время  “хвост” малой  плотности тока  на краях  пучка и  несфокусированные компоненты первичного пучка будут попадать  на поверхность  из чистого  углерода, и, следовательно,  области поверхности,  отличные от  центральной, не дадут какого-либо вклада в сигнал.

         

Ионное изображение 

            Вторично-ионное   изображение,  дающее   двумерную  картину  размещения элемента  по поверхности,  может быть  получено либо  методом масс-спектрального  микроскопа, либо методом сканирующего  микрозонда. В масс-спектральных микроскопах разрешение по поверхности не зависит от размеров первичного ионного пучка; оно определяется аберрациями оптики анализатора вторичных ионов и   хроматическими аберрациями, обусловленными разбросом вторичных ионов по энергиям. Если улучшать разрешение введением фильтра энергий, то  снижается “светосила”  прибора (число регистрируемых вторичных ионов, приходящихся на одну первичную частицу). В масс-спектралъных микроскопах достигнуто поверхностное разрешение ~1 мкм.        

            В приборах со сканирующим микрозондом поверхностное   разрешение ограничено диаметром первичного пучка, а потому  определяется качеством системы, фокусирующей первичный пучок. При высокой степени фокусировки (пучки диаметром менее 1  мкм) значительный  вклад в  полный поток  первичных частиц,  падающих  на  образец,  может  составить несфокусированный  компонент  и,  следовательно, должны быть  приняты меры  для его  устранения. Светосила  прибора такого  типа  остается  постоянной  при любом  поверхностном разрешении,  так  как  она  определяется   анализатором  вторичных  ионов, а не  размерами первичного  пучка. В  микрозондовых приборах было достигнуто разрешение 1 - 2 мкм. Предельное  разрешение,  которое можно  надеяться получить  в приборах  с  вторичной  ионной  эмиссией,  -  порядка  100  А.  Это  ожидаемое значение -  физический предел,  обусловленный характеристиками каскадов  столкновений, перемешиванием  в приповерхностных слоях, вызываемым первичными  ионами, и  средней глубиной выхода вторичных ионов. Однако практически из-за ограниченной выходной интенсивности источника первичных ионов и недостаточно высокого качества оптики электростатических линз нижний предел размеров ионного пучка оказывается  ~ 1000 А.          

            При одинаковом поверхностном разрешении и при одинаковых плотностях первичного тока масс-спектральный микроскоп требует для получения ионного изображения большой площади (например, 200 Х 200 мкм2) меньше времени, чем сканирующий микрозонд. Дело в том, что в микроскопе информация собирается одновременно от всех точек поверхности, а не последовательно от точки к точке. Но если интересоваться малыми участками (20 Х 20 мкм2), то время формирования изображения, получаемого при помощи микрозонда, оказывается таким же, как и в масс-спектральном микроскопе, или даже меньшим. Это объясняется большим усилением в регистрирующей системе микрозондовых устройств (электронный умножитель и ЭЛТ с модуляцией яркости) и сравнительно низкой чувствительностью фотоэмульсий, применяемых для регистрации изображений.      

            При анализе малых площадей сканирующий микрозонд дает еще два преимущества: меньше участок поверхности, испытывающий возмущение, а изображение, получаемое на экране ЭЛТ, сразу же пригодно для анализа.

Требования к первичному ионному пучку               

            Первичный ионный пучок играет очень важную роль в приборах ВИМС; поэтому целесообразно остановиться на некоторых желаемых характеристиках пучка и системы его формирования, о которых ранее не говорилось. Эта система должна создавать сфокусированный и стабильный пучок ионов инертного       газа (например, Аг+), а также положительных и отрицательных ионов химически активного газа (например, О2+ и О-). Ионы активных газов нужны при объемном анализе твердого тела, а при облучении отрицательными ионами снижается  роль зарядки поверхности.                               

            Накопление заряда на поверхности зависит от рода первичных ионов, их заряда, энергии и плотности тока, размеров облучаемой области, а также проводимости и толщины слоя диэлектрика. Локальные изменения потенциала поверхности могут вызывать ряд нежелательных эффектов: смещение пучка, миграцию элементов в имплантированной зоне, а также изменение энергии вторичных ионов и уменьшение эффективности их собирания вследствие искажения вытягивающего ионы поля в непосредственной близости от поверхности образца. Расчет влияния зарядки поверхности на траектории вторичных ионов, выбиваемых из диэлектриков.

            В ВИМС существует несколько способов уменьшения образования положительного заряда на поверхности: облучение ее широким потоком электронов, которые эмитируются расположенным неподалеку термокатодом, облучение пучками отрицательных ионов, повышение давления кислорода        вблизи образца до 10-4 мм рт. ст. При исследовании объема диэлектриков (в отличие от тонких диэлектрических пленок на проводнике) для эффективного отбора вторичных ионов в анализатор необходимо создать между образцом и электродом, вытягивающим вторичные ионы, надлежащий градиент электрического поля. С этой целью на поверхность диэлектрика наносят проводящую пленку или накладывают металлическую сетку.                                   

            Газоразрядные источники, используемые обычно для получения первичных ионов, сильно повышают давление газов в объеме прибора; поэтому крайне желательно предусмотреть     дифференциальную откачку системы формирования пучка. Сепарация первичных ионов по массам важна для  очистки пучка, но не только от инородных элементов, а и от  молекулярных частиц, что необходимо  для определения  характеристик каскадов столкновений и их влияния  на разрешение  по глубине  и перемешивание  атомов  в приповерхностном  слое. Кроме того,  система формирования  первичного пучка  должна позволять развертывать его в  растр для  однородного распределения первичного потока по поверхности, что необходимо  при изучении  профилей  концентрации  примеси.  Наконец,  при  анализе микрообластей  желательно  иметь  возможность  визуально наблюдать  за  поверхностью  образца  вблизи   места  попадания ионного пучка  посредством высококачественной  оптической системы с большим увеличением.

                                 

Масс-спектрометрический анализ нейтральных распыленных частиц

            При распылении большинства материалов доля частиц, выходящих  из  мишени  в  виде нейтральных  атомов, значительно выше, чем выходящих в виде  ионов. Поэтому  естественным развитием и дополнением ВИМС является метод ионизации и последующего анализа выбитых нейтральных частиц. Такой метод получил название масс-спектрометрии ионизованных нейтральных атомов. Одним из его преимуществ является то, что нейтральные частицы можно ионизовать за счет такого процесса, который, не зависит ни от матрицы, ни от свойств поверхности образца. Основные же недостатки масс-спектрометрии        ионизованных нейтральных атомов - то, что ионизуются все      частицы, присутствующие в газовой среде прибора, а эффективность  отбора  ионизованных  частиц в  анализатор значительно меньше, чем в ВИМС. Если доля ионов среди выбитых вторичных   частиц gA±  превышает  10-4  (что выполняется  для большинства  элементов  и  матриц), то  масс-спектрометрия ионизованных  нейтральных  атомов  не  может  конкурировать  с  ВИМС по  абсолютной  чувствительности SA±.

            Нейтральные  частицы,  выбитые  из  мишени  газовыми  ионами  из разряда,  ионизуются вслед  за тем  электронным ударом; путем перезарядки или за счет пеннинговского процесса  газоразрядной плазме.  Чувствительность метода  и целесообразность его  применения  зависят  от  эффективности  отбора образовавшихся ионов и от того, оптимизованы  ли условия  разряда так,  чтобы  вероятность  ионизации  анализируемых  нейтральных  частиц была больше вероятности ионизации всех других частиц газового разряда.

            Исследование распыления и ионизации нейтральных атомов в    высокочастотном разряде в инертных газах показало, что такой метод имеет практическую ценность. Разброс по энергиям, ионов, отбираемых из источника с высокочастотным тлеющим разрядом, не превышает 1 эВ, и для их разделения по       массам эффективно использовать квадрупольный анализатор без предварительного фильтра энергий. Установлено, что нейтральные атомы ионизуются в основном за счет пеннинговского механизма. Эффективность ионизации нейтральных частиц в этом случае лишь слабо зависит от природы частиц и совсем не зависит (в противоположность методу ВИМС) от типа матрицы и условий на поверхности образца. Следовательно, относительные ионные сигналы с достаточно хорошим приближением равны относительным концентрациям соответствующих элементов в матрице. При использовании образцов  с  большой  поверхностью  (  ~10  см2) в  этом приборе удалось регистрировать атомные концентрации элементов на уровне  10-6.  Типичные  значения  скоростей распыления лежат в интервале от 10-2 до 10 моноатомных слоев  в секунду, причем с равным успехом могут анализироваться как проводники, так  и диэлектрики.  Таким образом,  не давая  сведений о распределении  вещества  по  поверхности,  метод  масс-спектрометрии  тлеющего  разряда  позволяет определять  химический состав поверхности и  объема, а  также дает  возможность измерять распределение  элемента  по  глубине.  Метод имеет  ряд привлекательных  особенностей,  которые  делают   целесообразным  его  дальнейшее развитие.                                         

Количественный анализ

            Коэффициент  вторичной  ионной  эмиссии SA±  зависит  от целого ряда факторов, таких,  как состояние  поверхности образца, природа  его  матрицы,  и  различных эффектов,  вызываемых первичным пучком.  Следовательно, сопоставление   интенсивностей  вторичных   ионов  данного   элемента из различных  точек поверхности  образца не  всегда непосредственно  отражает  распределение  этого  элемента   по  поверхности. При  оценке такого  рода данных  и особенно  при интерпретации ионного изображения поверхности необходимо соблюдать осторожность.

            Эти изменения вызваны эффектами, зависящими от химической природы и кристаллической структуры материала, а также от относительной ориентации зерен на поверхности. К таким эффектам относятся каналирование первичных ионов, индуцированная  облучением  рекристаллизация, различия в концентрации внедренного кислорода и различия в угловом распределении вторичных ионов, выбитых из по-разному ориентированных зерен сплава. Относительные изменения интенсивности ионов при переходе от одного зерна к другому приблизительно одинаковы для всех элементов. Если измеряемые интенсивности в каждой точке отнести к интенсивности ионов основного элемента, то разница между зернами сглаживается или совсем исчезает. Наблюдения такого рода  показывают,  что любые  количественные оценки  следует основывать не  на  абсолютных  значениях  коэффициента SA±, а  на относительных   значениях  выхода   различных  ионов   из  анализируемой точки.                                                       

            Точность  и  воспроизводимость результатов  измерений относительных  коэффициентов  ионной  эмиссии  в  ВИМС  оказывается  весьма   удовлетворительной  (в   контролируемых  условиях (5%).  Если  необходимая  точность  не обеспечивается,  то нет смысла и говорить о количественном  анализе.   Принимая во внимание сложность явления вторичной ионной эмиссии и существенные различия приборов ВИМС, трудно создать чисто теоретическую модель, пригодную для любых установок, образцов и условий анализа. Например, приборы   ВИМС не собирают все вторичные ионы и не обеспечивают прохождения через анализатор всегда одной и той же доли ионов. Это связано с зависимостью пропускания анализатора от начальной энергии частиц. Оказывается слишком много переменных для того, чтобы можно было правильно рассчитать все чисто теоретически. Поэтому любой метод количественных оценок должен содержать минимум переменных параметров и быть пригодным для каждого прибора ВИМС. Такой метод обязательно будет эмпирическим или полуэмпирическим по своему     характеру и потребует эталонов для определения чувствительности к тому или иному элементу.                            

            Чтобы успешно проводить количественный анализ методом, основанным на градуировке по эталону (да и вообще любым методом), важно стандартизировать рабочие параметры прибора: сорт первичных ионов, их ток, плотность тока и энергию, окружение образца, эффективность детектирования и энергетическую полосу пропускания анализатора вторичных ионов. Только тогда, когда эти условия фиксированы, приобретают какой-то смысл результаты анализа с использованием коэффициентов относительной   чувствительности   к   элементам,   полученных  для  эталонов  близкого  к  образцу  состава.  Если  скомбинировать  равенства  (1) и  (2)  и поделить  результат на  такое же  соотношение   для   эталонного   элемента,  чтобы   исключить  константы, то мы получим                                             

                   

                  (4)

                                                         

 где  iA± и iA± -  сигналы вторичных  ионов, а  СA и  Сэт- атомные концентрации   элемента   А  и   эталонного  элемента   в  матрице. Пользуясь   коэффициентами   относительной   чувствительности   jА, найденными  таким   образом,  можно   по  измеренным   ионным  сигналам   для   анализируемого   образца    вычислить   относительную атомную  концентрацию  элемента  в  нем:  (iA± /iA±) jА = СA /Сэт.  Все   относительные   атомные   концентрации    можно   нормировать к  100%,  и  тогда  мы  получим  состав  матрицы  в   атомных  процентах   при   условии,   что   порог   чувствительности  установки ВИМС  достаточен  для  регистрации  всех  основных  компонентов образца.  Метод,  описанный  выше,  в различных  вариантах применялся  для  объемного  анализа  различных  матриц.  В  общем   точность  такого   количественного  анализа   должна  составлять   10%.   Но   при  таком   методе  предъявляются   весьма  жесткие  требования  к  эталонам  и  к  однородности исследуемого образца.  Точность  подобных  измерений, естественно,  не выше, чем точность эталона или однородность образца.               

            Создать  эталоны  для  любых  матриц,  какие   только  могут встретиться,   невозможно.   Поэтому   необходимы  эмпирические способы,  которые  позволяли бы  по данным  для нескольких эталонных   образцов   определять   коэффициенты  чувствительности jА для  любой  матрицы.  Величина jА будет зависеть  от параметра  eS характеризующего   электронные   свойства  эмитирующей  ионы  поверхности.  Общий  характер  зависимости  jА(eS)  показан на  фиг. 12. Простейший  способ  оценки eS, состоит в нахождении eS = k(j1/j2), где k  - произвольная постоянная, а j1 и j2 - коэффициенты относительной  чувствительности  для  элементов 1  и 2,  так что  отношение j1 к j2  зависит  от   матрицы.  Информацию   об  eS содержащуюся  в  спектрах  вторичных  ионов,  дают также  отношения вторичных  ионов   М2+/М+,   МО+/М+,  МN+/М+.   Стандартизировав  условия функционирования  установки  и  собрав  экспериментальные  данные  типа  показанных на  фиг. 12 для эталонных  образцов, уже  можно  извлекать  из сигналов  вторичных ионов  достаточно точную количественную информацию почти при любой матрице (если только для нее известна величина eS).ъ


Фиг.12. Зависимость коэффициентов jА относительной чувствительности к разным элементам от типа поверхности образца[1].


            При определении величины eS, следует отдавать предпочтение тем способам, которые основаны исключительно на информации, содержащейся в спектрах вторичных ионов или отношениях величин пиков этих ионов в спектре для неизвестного образца, т.е. информации типа отношений интенсивностей ионов М2+/М+, МО+/М+, МN+/М+ (иди любых других), зависящих от eS,  но не зависящих от концентрации элементов. Кроме того, величину eS, можно рассчитать исходя из отношений ионных сигналов и концентраций двух или более компонентов, для которых  jА/jА’  зависит от матрицы. Подобный метод пригоден при обнаружении следов элементов в хорошо известной матрице. И наконец, можно просто выбрать величину eS  руководствуясь исключительно аналитическим опытом и интуицией. Такой способ не так уж плох, как могло бы показаться. По крайней мере исключаются грубые ошибки (фиг. 12).


            Единственный набор коэффициентов чувствительности позволяет определять концентрации с ошибкой не более чем в 2 раза  для большинства  элементов в  ряде весьма различающихся матриц.  Любая  модель,  которая  вводит  в  коэффициенты  относительной  чувствительности  поправку  на  влияние  матрицы,  может   лишь   улучшить   результаты.   Привлекательные   стороны  описанного  выше  подхода   таковы:  простая   модель,  которую  можно  использовать  в  любом  приборе  независимо   от  каких- либо  теоретических  или  физических  констант и  которая основывается  исключительно  на  эталонах  и  измерениях  в  данном приборе.                                                       

            Выше  основной  упор  мы  делали  на анализ  объемного состава  твердых  тел,  а не  тонких поверхностных  слоев. Поскольку объемный  состав  твердых   мишеней  можно   задать  достаточно точно,  они  и  служат  эталонами  для  проверки количественных  моделей.  Для  поверхностных  пленок толщиной  менее 50  А эталоны  либо  вообще  невозможно,  либо очень  трудно изготовить.

Следовательно,  количественные  данные  для  внешних 50  А можно  получить лишь  так же,  как и  в случае  объемного образца, когда нет эталона.                                            

Глубинные  профили концентрации  элементов

                  

            При  исследовании распределения  того или  иного элемента  по  слоям, параллельным  поверхности образца,  для обнажения  глубоколежащих слоев твердого тела in situ  в большинстве методов анализа поверхности (не  только ВИМС)  применяют распыление ионами.  При этом  разрешение по  глубине, обеспечиваемое  выбранным  методом анализа  поверхности, оказывается не  очень существенным,  поскольку разрешение  будет определяться  в основном  перемешиванием в  приповерхностных слоях и  другими  процессами,  сопровождающими   травление  поверхности.                                                     

            Разрешение  по глубине,  обеспечиваемое при  данном методе определения  профилей  концентрации,   можно  характеризовать тем уширением  профиля тонкого  поверхностного слоя  или резкой  границы  раздела  между  двумя  различными  материалами, которое  обусловлено самим  процессом измерения.  Если толщина  слоя  (или глубина  залегания границы  раздела) превышает примерно  2RP то  из-за  различных  факторов,  вызывающих уширение  измеряемого профиля  концентрации (приборных  и ионно-матричных эффектов), распределение  для тонкого  слоя оказывается  близким  к  нормальному распределению  со среднеквадратичным  отклонением  sR.  За  разрешение  по  глубине можно принять величину sR для этого  распределения. Если  слой толстый,  то  среднеквадратичное отклонение  sМ экспериментально наблюдаемого (измеренного) профиля  связано с  sR и sТ соотношением  s2М =  s2R+s2Т , где  sТ -  среднеквадратичное отклонение истинного распределения слоя. При sМ >>sТ , например в случае тонкого слоя, величина sR приблизительно равна разрешению sR метода по глубине.                            

            Если  принять,  что измеренный  профиль тонкого  слоя описывается  нормальным  распределением,  то  можно  рассмотреть и  случай уширения границы  раздела, и  его связь  с разрешением  по глубине. Это  разрешение можно  вычислить по  профилю ступенчатого  изменения  концентрации  (ширина  ступени  >> sR),  когда форма истинного  края ступени  похожа на  кривую интегрального  нормального  распределения   со  среднеквадратичным  отклонением st.  Если концентрация  изменяется резко  (st~0),  то разрешению по глубине sR соответствует величина  sm, половина  расстояния  между  глубинами,  отвечающими  84   и  16%  измеренной на опыте  высоты ступени.  В случае  граничной области со значительной  собственной шириной  (т. е.  со значительным st) разрешение по глубина дается формулой   sR =(s2m -s2t)1/2,  причем нужно  учитывать ошибки  в величинах  sm и st. Случай профиля слоя с  существенным sT можно рассчитать аналогично.                                               

            Все  сказанное  в  данном  разделе  касается  самых основных  физических  или  приборных  эффектов, связанных  с травлением  поверхности   ионным  пучком   и  проблемой   распыления  ионами  без  искажения  профиля  концентрации.  Поэтому  многое  из сказанного  относится  к  любому  из  методов  анализа  поверхности  с использованием ионного травления.                            

            Измерение  профилей  методом   ВИМС  сводится   к  регистрации  сигнала  вторичных  ионов  интересующего  нас  элемента как  функции   времени  распыления.   В  случае   однородной  матрицы  это  время,  выполнив  соответствующие   градуировочные  измерения  (распыление  пленки  известной  толщины,  измерения  глубины  кратера,  коэффициентов  распыления  и  т.д.),  можно  пересчитать  в  глубину  залегания  элемента.  Изменение интенсивности  вторичных  ионов не  всегда отражает  относительное изменение концентрации элемента; поэтому   нужна   осторожность   при   интерпретации   глубинных  профилей, особенно вблизи  самой поверхности,  т. е.  когда глубина меньше RP+2DRP,  а также  пленок, состоящих  из  различающихся по  составу слоев,  или матриц  с неоднородным  распределением  следов  элементов,  которые  способны  даже  при  малой  концентрации  сильно повлиять  на вторично-эмиссионные   свойства  образца.   В  последнем   случае  для  получения  результатов,   отражающих  реальную   ситуацию,  следует  обработать  измеренные  профили  так,  как   это  делается  при   количественной   интерпретации   интенсивности   вторичных  ионов.  Если это  невозможно, нужно  попытаться по  крайней  мере  проградуировать  интенсивность   вторичных  ионов изучаемого элемента по одному или нескольким элементам, равномерно распределенным в пленке. В общем абсолютная интенсивность вторичных ионов дает прямую информацию о

распределении элемента по глубине лишь при малых концентрациях примеси в аморфной или монокристаллической матрице с равномерно распределенными основными компонентами и лишь при глубинах под поверхностью, превышающих 50 А.

            Пригодность метода ВИМС для определения глубинного профиля наряду с его высокой чувствительностью к большинству элементов делает его весьма привлекательным как метод изучения тонких пленок, ионной имплантации и диффузии. Факторы, существенные при проведении глубинного анализа методом ВИМС,  могут быть  разделены на две группы: приборные и обусловленные особенностями сочетания ион - матрица.

                                        

Приборные факторы, влияющие на разрешение  по глубине при измерении профилей концентрации                       

            Получить  при  методе  ВИМС  надежные  сведения  о глубинном  профиле  можно  лишь в  том случае,  если поддерживается  постоянная интенсивность тока первичных ионов и обеспечивается однородность плотности тока пучка в той части поверхности, из  которой в  масс-анализатор отбираются  вторичные частицы. В     стационарном    сфокусированном     ионном    пучке     плотность    тока,   падающего   на   образец,   не   постоянна    по   сечению    пучка,   а следовательно,    и    распыление    поверхности    в    этих    условиях   не может   быть   равномерным.    Если   зона,    из   которой    поступает   информация,    охватывает    все    сечение    первичного   пучка,    то   вклад в   сигнал   ионов   с   краев   кратера    будет   искажать    профиль   концентрации элемента в приповерхностном слое (фиг. 13).                        

            Ошибки    такого    рода    устраняются    в    ВИМС    разными    способами    в    зависимости    от    конструкции    прибора.    В    устройствах, в     которых    не     предусмотрена    возможность     определять    распределение    элемента    по    поверхности,    обычно    расфокусируют   пучок так,  чтобы  его  сечение было больше анализируемой области или   вырезают  при помощи диафрагмы из расфокусированного пучка     определенный     участок     с    однородной     плотностью    тока. Иногда на поверхности мишени помещают тонкую маску из                         

материала, не дающего вторичных ионов, близких к анализируемым,  которая ограничивает вторичную  ионную эмиссию из областей неоднородной плотности первичного пучка.                 

           

                Фиг.13. Переменный профиль концентрации в приповерхностном слое с указанием                                            различных приборных факторов, которые приводят к искажению профиля по

                              сравнению с истинным распределением[1].

            Наиболее удовлетворительный способ решения проблемы - электрически развертывать сфокусированный ионный пучок в растр по достаточно большой площади поверхности мишени так, чтобы обеспечить в ее нейтральной части однородную плотность тока. При этом нужно уделить особое внимание системе развертки пучка: напряжение строчной и кадровой развертки должно изменяться линейно со временем, обратный ход пучка должен бланкироваться  или хаотизироваться, а скорость развертки должна быть согласована с размерами пучка, чтобы соседние строки растра перекрывались.

            Чтобы полностью использовать достоинства этого метода, необходимо ограничить зону отбора вторичных ионов областью  однородной плотности пучка. Осуществить это сравнительно просто в установках ВИМС, которые позволяют получать  сведения о распределении вещества по поверхности. В  сканирующей микрозондовой установке,  где  первичный  ионный пучок  малого диаметра разворачивается в растр по поверхности,  можно работать  в режиме,  в котором  система детектирования  регистрирует вторичные  ионы  лишь  при  прохождении лучом  выделенного “окна”.                    

            Даже тогда, когда зона, из которой  собирается информация, ограничена  областью  однородной  плотности тока,  имеется еще ряд   приборных  эффектов,   приводящих  к   искажению  формы профилей концентрации. К примеру, эффект  обратного  осаждения на мишень  ранее  распыленного  вещества:  материал, распыленный с краев кратера, оседает на его дне (в том числе  на поверхности анализируемой зоны) и затем  вновь распыляется  (фиг. 13). Такой  эффект  обычно существенен  лишь при  измерении “хвостов” профилей  с  малой  концентрацией  и сильно  ослабляется, если  увеличить крутизну  стенок кратера.  К аналогичным искажениям  профилей  концентрации  приводят  адсорбция  остаточных   газов,  или  эффекты  памяти установки.   Добавим, что любой фактор,  влияющий  на  анализ следов  элементов методом ВИМС (наложение пиков молекулярных ионов, химическая чистота первичного  ионного  пучка,  влияние  несфокусированного компонента  и  периферийных частей  пучка), также  может исказить профиль в области малых концентраций.

Влияние ионно-матричных эффектов  на разрешение по глубине при измерении профилей  концентрации

            Ряд эффектов, вызывающих ошибки при измерении профилей концентрации, связан с характеристиками каскада столкновений, создаваемого в твердом теле первичным ионом. Два таких эффекта - влияние средней глубины выхода вторичных ионов и перемешивание атомов в поверхностном слое. В большинстве случаев распределение анализируемых частиц простирается на глубину свыше 100 А. В этих условиях атомные перемещения в приповерхностном слое, внедрение атомов отдачи и иные связанные с матрицей эффекты вносят в искажение профилей концентрации значительно больший вклад, чем глубина выхода вторичных частиц.                                  

            Основными    параметрами,    определяющими    относительные  пробеги  частиц  в данной  пленке, являются  энергия первичных  ионов,  атомный  номер  Z и масса  А бомбардирующих  частиц и  атомов  мишени. Таким  образом, измеряемый  профиль концентрации должен зависеть от Z и  А первичных  ионов так  же, как  от их энергии.  Еще один  параметр, влияющий  на его  форму, - угол падения, т. е. угол между первичным  ионным пучком  и поверхностью мишени  (обычно этот  угол отсчитывают  от нормали  к  поверхности).  Увеличение  угла  падения приводит  к уменьшению  средней   глубины  проникновения   частиц  относительно  поверхности  образца  и, следовательно,  эквивалентно уменьшению энергии первичных ионов.

            Кроме  того,  уширение  или  уменьшение  крутизны, профиля  концентрации  может  происходить  из-за   диффузии  элементов,  вызываемой   или   усиливаемой   радиационными   повреждениями  в твердом  теле, локальным  повышением температуры  в облучаемой  области  и  сильным  электрическим  полем,  возникающим в  результате  зарядки  поверхности  первичным  пучком.  В  общем случае  роль  всех  этик факторов  предсказать трудно.  Что же  касается  напряженности  поля,  то  в  пленке толщиной  1000 А  при зарядке поверхности до 10 В она может достигать  106 В/см.

            Одной  однородности  плотности  первичного ионного  тока по поверхности  недостаточно  для  того, чтобы  травление образца протекало  равномерно.  Скорость травления  определяется топографией  поверхности,  чистотой  и однородностью  образца, что в свою очередь зависит от  его состава,  физического состояния и  кристаллографической  ориентации.  Как правило,  при контролируемых  условиях работы  установки  и  состояния  образца уширение  профиля, связанное  с процессом  ионного травления,  не превышает  10% исследуемой глубины.

            Внедренные первичные ионы и вызванные ими повреждения решетки мишени могут повлиять на форму профиля концентрации, оказав влияние на коэффициент распыления и вероятность ионизации распыленных частиц. Но если ионное травление осуществляется частицами с энергией 100 эВ/ат. ед. массы, то изменения матрицы вследствие внедрения ионов ограничены поверхностным слоем толщиной 100 А. За его пределами концентрация внедренных ионов остается постоянной и сохраняется стабильное состояние матрицы.

Применения

            Приложения ВИМС можно разбить на пять широких (частично перекрывающихся) областей: исследование поверхности, глубинные профили концентрации, распределение по поверхности, микроанализ и анализ объема твердого тела.

Исследование поверхности

            В  области  анализа  поверхности  ВИМС  применяется   в  основном  для  идентификации  поверхностных   атомов  и   молекул  и  для  изучения  динамики  поверхностных  явлений.  Кроме того,  динамику поверхностных  процессов  можно  изучать,  не  внося  заметных  возмущений,   поскольку  для   полного  анализа   достаточно  удалить всего лишь 10-6 внешнего атомного слоя вещества.  Методом   ВИМС  исследуются   такие  поверхностные   явления,  как  катализ,  коррозия,  адсорбция  и  диффузия.

            В  приборах  ВИМС,  в  которых  предусмотрено   все  необходимое  для  напуска  газа  и  нагревания  образцов,   можно  изучать поверхностные  процессы  in situ.  Информация,   содержащаяся  в масс-спектрах   положительных   и   отрицательных   вторичных  ионов,  дает  некоторое  представление  о   характере  поверхностной связи   и   механизмах  взаимодействия   между  газом   и  поверхностью.   К   хорошо   документированным  применениям ВИМС  при  изучении   катализа  относятся   исследования  разложения  и  синтеза  аммиака на  железе  и  состава поверхностного  слоя  серебра,  используемого  в  качестве  катализатора при  окислении  этилена.  Каталитические   процессы  отличаются  от  реакций  окисления  или  коррозии  металлов  тем,  что активная  зона  каталитических  реакций  по  размерам   -  порядка моноатомного  слоя,  тогда  как  при  окислении  она увеличивается из-за  действия  химических   смещающих  сил,   направленных  перпендикулярно   границе   раздела   между   адсорбированным   слоем и  металлом.  Предметом   ряда  исследований,   проведенных  методику  ВИМС,  были  начальные  фазы  газовой  коррозии   и  образования  поверхностных  соединений.

            Извлечение количественной информации о поверхностном слое или зоне реакции на поверхности сопряжено с известными трудностями. Но как показано выше, процессы на поверхности часто можно изучать и без приведения полученных данных к атомным концентрациям частиц. Тип вторичных ионов и изменение их токов в зависимости от времени, температуры и давления газа дают достаточную информацию для того, чтобы  судить  о  многих  процессах,  протекающих  на  поверхности образца.  Во   многих  случаях   высокая  чувствительность   и  широкие  возможности   метода   ВИМС   компенсируют   недостаточную   количественную  точность,  позволяя  извлекать  качественные  или  полуколичественные   сведения   (особенно   в   плане  качественного  контроля при  приготовлении и  обработке поверхности ), которые невозможно получить другими методами.                   

Глубинные профили концентрации                                

            ВИМС   -   один  из   самых  эффективных   методов  диагностики  поверхности   среди   применяемых   для   измерения  распределения  концентрации  элементов  по   глубине  образца.   Предел  разрешения  по  глубине  при  таком  методе  не превышает  50 А,  а порог чувствительности  меньше  1017 атом/см2.

            В настоящее время для изменения свойств приповерхностного слоя твердого тела широко пользуются методам ионного внедрения (имплантации). Распределение внедренных частиц по глубине определяют разными методами (радиоактивные изотопы, измерение электропроводимости, рентгеновские лучи, возникающие при бомбардировке тяжелыми ионами). Но применение подобных методов сопряжено с большими трудностями и возможно далеко не при всех сочетаниях легирующий ион - матрица. Метод ВИМС же свободен от таких ограничений и потому наиболее удобен при определении профилей концентрации внедренных частиц.

Распределение частиц по поверхности,   микроанализ и объемный анализ 

            Рентгеновский   микроанализ  открыл  путь для  диагностики твердых  тел  и  до  сегодняшнего дня  остается важнейшим  методом такого  анализа.   Создание   приборов   ВИМС   типа  масс-спектральнаго  микроскопа   и  растрового  микрозонда   расширило возможности  микроанализа  твердого  тела,  позволив  достичь большей  чувствительности,  проводить  изотопический  и  поверхностный  анализ  и  обнаруживать присутствие  элементов с  малыми Z.

            Масс-спектральные  микроскопы  дают  качественную,  а   при  некоторых условиях и количественную информацию о распределении элементов по поверхности образца.       Они применяются при изучении выделений на границах зерен, различных эффектов и поли- и моно-кристаллах, диффузии  (двумерного распределения  в  плоскости  поперечных  шлифов), фазового состава минералов  и распределения поверхностных загрязнений.                                   

    Методом ВИМС проводится анализ двоякого рода: определение общего состава в объеме твердого тела и определение состава в отдельных его точках (т. е микрообластях диаметром менее 25 мкм). Микроанализ методом ВИМС проводился для определения следов различных элементов, содержащихся в тех      или иных зернах минералов, изотопического анализа РЬ in situ в ореоле радиоактивных включений (диаметром 1 - 2 мкм), элементного анализа взвеси  и определения возраста некоторых фаз в минералах по отношению 207Pb/206Pbи рубидиево-стронциевым методом. Анализ активных газов (таких, как Н2, N2, О2) в металлах этим методом сопряжен с известными трудностями.

Заключение

            Пока что нет такого метода, который полностью удовлетворял бы всем запросам всех исследователей, имеющих дело с поверхностью. Метод ВИМС не является исключением в этом отношении, но он занимает особое положение в области анализа состава объема и поверхности твердого тела, т. к. в ряде других отношений с ним не могут сравниться никакие другие методы. Высокочувствительность к большинству элементов, возможность регистрации атомов с малыми Z и изотопического анализа, высокое разрешение по глубине при измерении профилей концентрации и возможность изучения распределения элементов по поверхности делают ВИМС методом трехмерного анализа изотопного и следового состава твердого тела (фиг. 14).

           

            Фиг.14. Влияние анализируемой площади на предельную разрешающую способность[2].

            Многие задачи физики поверхности могут быть решены качественными или полуколичественными методами, поэтому, не очень высокая точность количественных оценок, обеспечиваемая методом ВИМС, с лихвой компенсируется той ценной качественной информацией, которую он дает. ВИМС уже оказал большое влияние на микроанализ твердых тел в направлениях, имеющих как фундаментальное, так и прикладное значение. Дальнейшее развитие метода ВИМС должно быть направлено, главным образом, на решение проблемы количественного анализа и отыскания путей повышения его точности.


Список литературы

1. Мак-Хью И.А. Вторично-ионная масс-спектрометрия: В кн. Методы анализа                                  поверхности./Пер с англ. - М.: Мир, 1979. - с. 276-342.

2. Броудай И., Мерей Дж. Физические основы микротехнологии: Пер. с англ. - М.:           Мир, 1985. - 496 с.

3. Технология СБИС: В 2-х кн. Пер. с англ./Под ред. С. Зи. - М.: Мир, 1986. - 453 с.

4. Черепин В.Т., Васильев М.А. Методы и приборы для анализа поверхности         материалов: Справочник. - Киев: Наукова Думка, 1982. - 400 с.

5. Фелдман Л., Майер Д. Основы анализа поверхности и тонких пленок./Пер. с     англ. - М.: Мир, 1989. - 342 с.

6. Добрецов Л.Н., Гомоюнова М.В. Эмиссионная электроника. - М.: Наука, 1966. -           564 с.

7. Векслер В.И. Вторичная ионная эмиссия металлов. - М.: Наука, 1978. - 240 с.


© 2012 Рефераты, курсовые и дипломные работы.